Topology Optimization of Multi-Materials Compliant Mechanisms
Abstract
1. Introduction
2. The Topology Optimization Model for Multi-Material Compliant Mechanisms
2.1. Generalized SIMP
2.2. The Element Density Processing Method
2.3. Topology Optimization Model and Sensitivity Analysis of Multi-Material Compliant Mechanisms
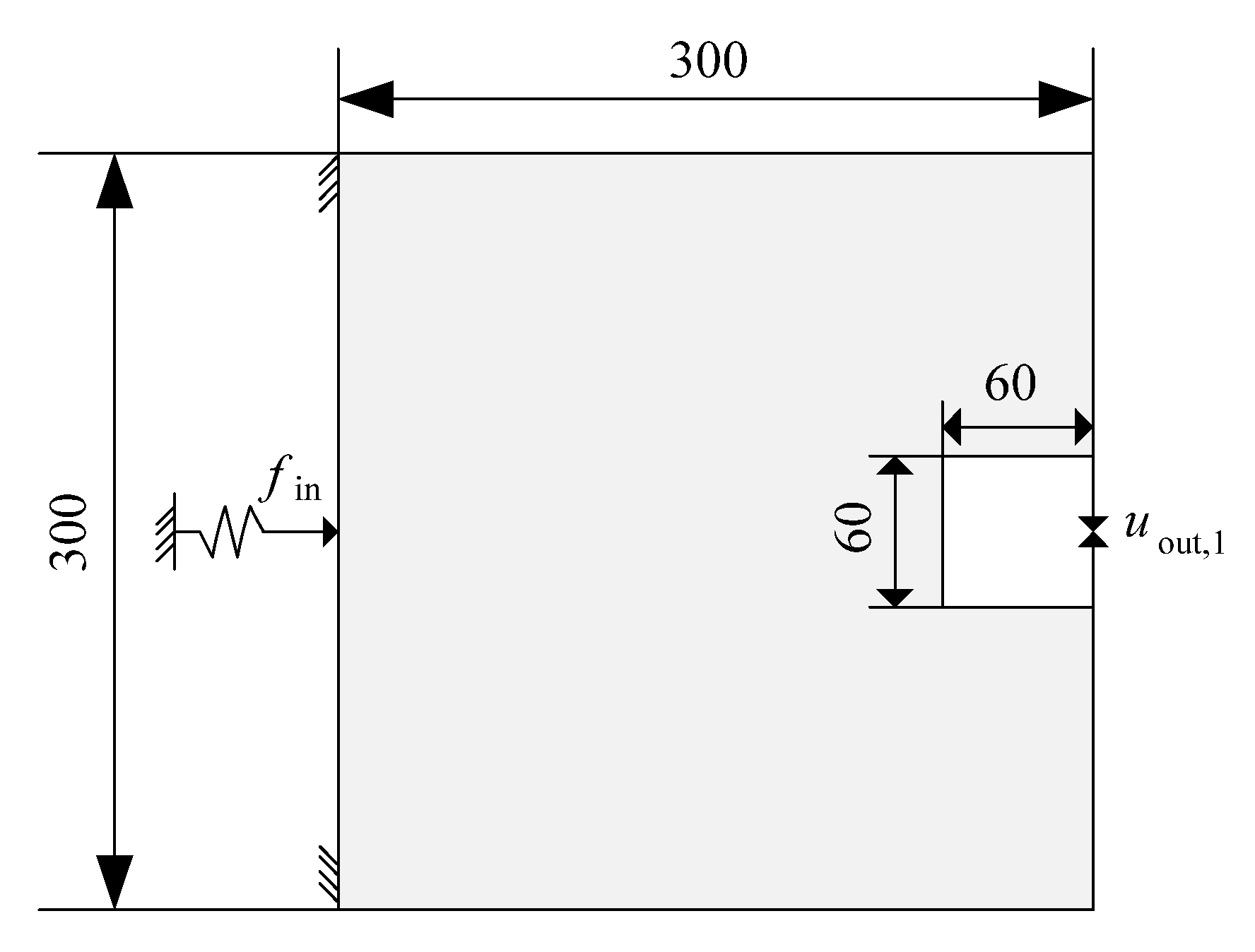
3. Results and Discussion
3.1. Inverter
3.2. Compliant Gripper
4. Conclusions
Author Contributions
Funding
Institutional Review Board Statement
Informed Consent Statement
Data Availability Statement
Conflicts of Interest
References
- Howell, L.L. Compliant Mechanisms, 1st ed.; John Wiley & Sons Limited: Manhattan, NY, USA, 2001; pp. 18–51. [Google Scholar]
- Burns, R.H.; Crossley, F.R. Kinetostatic synthesis of flexible link mechanisms. Mech. Eng. 1968, 90, 67. [Google Scholar]
- Sigmund, O. On the Design of Compliant Mechanisms Using Topology Optimization. Mech. Struct. Mach. 1997, 25, 493–524. [Google Scholar] [CrossRef]
- Ananthasuresh, G.K.; Kota, S.; Kikuchi, N. Strategies for systematic synthesis of compliant MEMS. Dyn. Syst. Control 1994, 55, 677–686. [Google Scholar]
- Mlejnek, H.P. Some aspects of the genesis of structures. Struct. Optim. 1992, 5, 64–69. [Google Scholar] [CrossRef]
- Yang, R.J. Topology optimization analysis with multiple constraints. Am. Soc. Mech. Eng. 1995, 82, 393–398. [Google Scholar]
- Jian, W.; Cheng, G.D. Optimal Topology Design of Thin Plate With Stress Constraints. Acta Mech. Solida Sin. 1997, 18, 37–42. [Google Scholar]
- Yuan, Z.; Wu, C.C.; Zhuang, S.B. Topology Optimization of Continuum Structure Using Hybrid Elements and Ariticial Material Model. J. Univ. Sci. Technol. China 2001, 31, 694–699. [Google Scholar]
- Sigmund, O. Design of multiphysics actuators using topology optimization–part ii: Two-material structures. Comput. Methods Appl. Mech. Eng. 2001, 190, 6605–6627. [Google Scholar] [CrossRef]
- Larsen, U.D.; Signund, O.; Bouwsta, S. Design and fabrication of compliant micromechanisms and structures with negative Poisson’s ratio. J. Microelectromech. Syst. 1997, 6, 99–106. [Google Scholar] [CrossRef]
- Frecker, M.I.; Ananthasuresh, G.K.; Nishiwaki, S.; Kikuchi, N.; Kota, S. Topological synthesis of compliant mechanisms using multi-criteria optimization. J. Mech. Des. 1997, 119, 238–245. [Google Scholar] [CrossRef]
- Xie, X.H.; Liao, D.X. On the Design of Compliant Mechanisms Using Homogenization Method. China Mech. Eng. 2003, 14, 953–955. [Google Scholar]
- Bruns, T.E.; Tortorelli, D.A. Topology optimization of non-linear elastic structures and compliant mechanisms. Comput. Methods Appl. Mech. Eng. 2001, 190, 3443–3459. [Google Scholar] [CrossRef]
- Lin, C.F.; Shih, C.J. Topological optimum design of a compliant mechanism for planar optical modulator. Tamkang J. Sci. Eng. 2002, 5, 151–158. [Google Scholar] [CrossRef]
- Cho, S.; Jung, H.S. Design sensitivity analysis and topology optimization of displacement loaded non-linear structures. Comput. Methods Appl. Mech. Eng. 2003, 2539–2553. [Google Scholar] [CrossRef]
- Pedersen, C.B.W. Crashworthiness design of transient frame structures using topology optimization. Comput. Methods Appl. Mech. Eng. 2004, 193, 653–678. [Google Scholar] [CrossRef]
- Pedersen, C.B.W.; Buhl, T.; Sigmund, O. Topology synthesis of large displacement compliant mechanisms. Int. J. Numer. Methods Eng. 2001, 50, 2683–2705. [Google Scholar] [CrossRef]
- Bernardoni, P.; Riwan, A.; Tsitsiris, H.; Millet, O.; Bidaud, P. From the mechanical analysis of a polyarticulated microgripper to the design of a compliant microgripper. Proc. SPIE 2004, 5383. [Google Scholar] [CrossRef]
- Abdalla, M.; Frecker, M.; Gürdal, Z.; Johnson, T.; Lindner, D.K. Design of a piezoelectric actuator and compliant mechanism combination for maximum energy efficiency. Smart Mater. Struct. 2005, 14, 1421. [Google Scholar] [CrossRef]
- Luo, Z.; Chen, L.; Yang, J.; Zhang, Y.; Abdel-Malek, K. Compliant mechanism design using multi-objective topology optimization scheme of continuum structures. Struct. Multidiscip. Optim. 2005, 30, 142–154. [Google Scholar] [CrossRef]
- Carbonari, R.C.; Nader, G.; Nishiwaki, S.; Silva, E.C.N. Experimental and numerical characterization of multi-actuated piezoelectric device designs using topology optimization. Int. Soc. Opt. Eng. 2005, 5764, 472–481. [Google Scholar] [CrossRef]
- Rahmatalla, S.; Swan, C.C. Sparse monolithic compliant mechanisms using continuum structural topology optimization. Int. J. Numer. Methods Eng. 2005, 62, 1579–1605. [Google Scholar] [CrossRef]
- Hull, P.V.; Canfield, S. Optimal synthesis of compliant mechanisms using subdivision and commercial FEA. J. Mech. Des. 2006, 128, 337–348. [Google Scholar] [CrossRef]
- Lin, C.Y.; Hsu, F.M. An adaptive volume constraint algorithm for topology optimization with a displacement-limit. Adv. Eng. Softw. 2008, 39, 973–994. [Google Scholar] [CrossRef]
- Lan, C.C. Analysis of large-displacement compliant mechanisms using an incremental linearization approach. Mech. Mach. Theory 2008, 43, 641–658. [Google Scholar] [CrossRef]
- Zuo, K.T.; Chen, L.P.; Wang, S.T.; Zhang, Y.; Zhong, Y. Research on Design of Micro-Compliant Mechanisms with Topology Optimization Method. China Mech. Eng. 2004, 15, 1886–1890. [Google Scholar]
- Jang, G.W.; Kim, M.J.; Kim, Y.Y. Design optimization of compliant mechanisms consisting of standardized elements. J. Mech. Des. 2009, 131, 121006. [Google Scholar] [CrossRef]
- Zhang, X.M. Topology optimozation of compliant mechanisms. Chin. J. Mech. Eng. 2003, 39, 47–51. [Google Scholar] [CrossRef]
- Zhang, X.M.; Chen, Y.J. Topology Optimization Of Multiple Inputs And Outputs Compliant Mechanism with Coupling Terms Control. Chin. J. Mech. Eng. 2006, 42, 162–165. [Google Scholar] [CrossRef]
- Li, Z.K.; Zhang, X.M.; Chen, J.Y. Multiobjective Topology Optimization Of Compliant Mechanisms with Geometrical Nonlinearity. J. Mech. Strength 2011, 33, 548–553. [Google Scholar] [CrossRef]
- Zhang, X.M.; Wang, Q.L. Research Progress of Fatigue Reliability and Damage Identification of Compliant Mechanisms. J. South China Univ. Technol. 2012, 40, 190–197. [Google Scholar] [CrossRef]
- Zhu, B.; Zhang, X.; Wang, N. Topology optimization of hinge-free compliant mechanisms with multiple outputs using level set method. Struct. Multidiplinary Optim. 2013, 47, 659–672. [Google Scholar] [CrossRef]
- Chen, G.; Liu, X.; Du, Y. Elliptical-arc-fillet flexure hinges: Toward a generalized model for commonly used flexure hinges. J. Mech. Des. 2011, 133, 081002. [Google Scholar] [CrossRef]
- Chen, G.; Wilcox, D.L.; Howell, L.L. Fully compliant double tensural tristable micromechanisms (dttm). J. Micromech. Microeng. 2009, 19, 025011. [Google Scholar] [CrossRef]
- Li, G.; Chen, G. A function for characterizing complete kinetostatic behaviors of compliant bistable mechanisms. Mech. Sci. 2014, 5, 67–78. [Google Scholar] [CrossRef]
- Chen, G.; Ma, F.; Bai, R.; Magleby, S.P.; Howell, L.L. A Framework for Energy-Based Kinetostatic Modeling of Compliant Mechanisms. In Proceedings of the ASME 2017 International Design Engineering Technical Conferences and Computers and Information in Engineering Conference, Cleveland, OH, USA, 6–9 August 2017. [Google Scholar]
- Thomsen, J. Topology optimization of structures composed of one or two materials. Struct. Optim. 1992, 5, 108–115. [Google Scholar] [CrossRef]
- Yin, L.; Ananthasuresh, G.K. Topology optimization of compliant mechanisms with multiple materials using a peak function material interpolation scheme. Struct. Multidiscip. Optim. 2001, 23, 49–62. [Google Scholar] [CrossRef]
- Sun, S.P.; Zhang, W.H. Multiple objective topology optimal design of multiphase microstructures. Chin. J. Theor. Appl. Mech. 2006, 38, 633. [Google Scholar] [CrossRef]
- Luo, Z.; Tong, L.; Luo, J.; Wei, P.; Wang, M.Y. Design of piezoelectric actuators using a multiphase level set method of piecewise constants. J. Comput. Phys. 2009, 228, 2643–2659. [Google Scholar] [CrossRef]
- Sigmund, O.; Torquato, S. Design of materials with extreme thermal expansion using a three-phase topology optimization method. J. Mech. Phys. Solids 1997, 45, 1037–1067. [Google Scholar] [CrossRef]
- Gibiansky, L.V.; Sigmund, O. Multiphase composites with extremal bulk modulus. J. Mech. Phys. Solids 2000, 48, 461–498. [Google Scholar] [CrossRef]
- Zhang, X.M.; Hu, K.; Wang, N.; Zhang, B. Multi-objective topology optimization of multiple materials compliant mechanisms based on parallel strategy. J. Mech. Eng. 2016, 52, 1–8. [Google Scholar] [CrossRef]
- Zhang, X.M.; Hu, K.; Wang, N.F. Design of Thermal-Mechanical Coupling Multiple-Material Compliant Mechanisms Based on Parallel Strategy. J. South China Univ. Technol. 2016, 44, 22–29. [Google Scholar] [CrossRef]
- Alonso, C.; Ansola, R.; Querin, O.M. Topology synthesis of multi-material compliant mechanisms with a sequential element rejection and admission method. Finite Elem. Anal. Des. 2014, 85, 11–19. [Google Scholar] [CrossRef]
- Alonso, C.; Querin, O.M.; Ansola, R. Topology synthesis of multi-input-multi-output compliant mechanisms. Adv. Eng. Softw. 2014, 76, 125–132. [Google Scholar] [CrossRef]
- Zhang, W.; Song, J.; Zhou, J. Topology optimization with multiple materials via moving morphable component (MMC) method. Int. J. Numer. Methods Eng. 2018, 113, 1653–1675. [Google Scholar] [CrossRef]
- Zuo, W.; Saitou, K. Multi-material topology optimization using ordered simp interpolation. Struct. Multidiscip. Optim. 2016, 55, 477–491. [Google Scholar] [CrossRef]
- Tavakoli, R. Multimaterial topology optimization by volume constrained Allen-Cahn system and regularized projected steepest descent method. Comput. Methods Appl. Mech. Eng. 2014, 276, 534–565. [Google Scholar] [CrossRef]
- Tong, X.X.; Ge, W.J.; Zhang, Y.H. Topology design and analysis of compliant mechanisms with composite laminated plates. J. Mech. Sci. Technol. 2019, 33, 613–620. [Google Scholar] [CrossRef]
- Guest, J.K. Topology optimization with multiple phase projection. Comput. Methods Appl. Mech. Eng. 2009, 199, 123–135. [Google Scholar] [CrossRef]
- Jiang, Y.; Li, T.; Wang, L.; Chen, F. Systematic Design Method and Experimental Validation of a 2-DOF Compliant Parallel Mechanism with Excellent Input and Output Decoupling Performances. Appl. Sci. 2017, 7, 591. [Google Scholar] [CrossRef]
- Cavero, C.; Marsano, D. Criteria for the Stability Limit Prediction of High Speed Centrifugal Compressors With Vaneless Diffuser: Part I—Flow Structure Analysis. In Proceedings of the ASME Turbo Expo 2020: Turbomachinery Technical Conference and Exposition. Volume 2E: Turbomachinery, Virtual, Online, 21–25 September 2020. [Google Scholar] [CrossRef]
- Cravero, C.; Marsano, D. Criteria for the Stability Limit Prediction of High Speed Centrifugal Compressors With Vaneless Diffuser: Part II—The Development of Prediction Criteria. In Proceedings of the ASME Turbo Expo 2020: Turbomachinery Technical Conference and Exposition. Volume 2E: Turbomachinery, Virtual, Online, 21–25 September 2020. [Google Scholar] [CrossRef]
- Kou, X. Topology Optimization of Multiple Outputs Compliant Mechanism with Geometrically Nonlinearity. Master’s Thesis, Northwestern Polytechnical University, Xi’an, China, 2010. [Google Scholar]













| Material 1 | Material 2 | Material 3 | Material 4 | |
|---|---|---|---|---|
| Young’s modulus (MPa) | 10 | 5 | 2.5 | 1.0 × 10−9 |
| Input force(N) | 3 | 3 | 3 | 3 |
| Poisson ratio | 0.3 | 0.3 | 0.3 | 0.3 |
| Volume fraction Case 1 | 0.3 | 0.01 | 0.01 | 0.68 |
| Volume fraction Case 2 | 0.16 | 0.08 | 0.08 | 0.68 |
| Volume fraction Case 3 | 0.08 | 0.16 | 0.08 | 0.68 |
| Volume fraction Case 4 | 0.08 | 0.08 | 0.16 | 0.68 |
| Color | Red | Black | Blue | White |
| Numerical Simulation | Traditional SIMP Method | Error |
|---|---|---|
| 5.3 mm | 5.1 mm | 3.7% |
| Material 1 | Material 2 | Material 3 | Material 4 | |
|---|---|---|---|---|
| Young’s modulus (MPa) | 100 | 50 | 25 | 1.0 × 10−9 |
| Input force(N) | 3 | 3 | 3 | 3 |
| Poisson ratio | 0.3 | 0.3 | 0.3 | 0.3 |
| Volume fraction Case 1 | 0.3 | 0.01 | 0.01 | 0.68 |
| Volume fraction Case 2 | 0.16 | 0.08 | 0.08 | 0.68 |
| Volume fraction Case 3 | 0.16 | 0.10 | 0.06 | 0.68 |
| Volume fraction Case 4 | 0.06 | 0.16 | 0.10 | 0.68 |
| Color | Red | Black | Blue | White |
| Numerical Simulation | Traditional SIMP Method | Error |
|---|---|---|
| 4.23 um | 4.1 um | 3.2% |
Publisher’s Note: MDPI stays neutral with regard to jurisdictional claims in published maps and institutional affiliations. |
© 2021 by the authors. Licensee MDPI, Basel, Switzerland. This article is an open access article distributed under the terms and conditions of the Creative Commons Attribution (CC BY) license (https://creativecommons.org/licenses/by/4.0/).
Share and Cite
Ge, W.; Kou, X. Topology Optimization of Multi-Materials Compliant Mechanisms. Appl. Sci. 2021, 11, 3828. https://doi.org/10.3390/app11093828
Ge W, Kou X. Topology Optimization of Multi-Materials Compliant Mechanisms. Applied Sciences. 2021; 11(9):3828. https://doi.org/10.3390/app11093828
Chicago/Turabian StyleGe, Wenjie, and Xin Kou. 2021. "Topology Optimization of Multi-Materials Compliant Mechanisms" Applied Sciences 11, no. 9: 3828. https://doi.org/10.3390/app11093828
APA StyleGe, W., & Kou, X. (2021). Topology Optimization of Multi-Materials Compliant Mechanisms. Applied Sciences, 11(9), 3828. https://doi.org/10.3390/app11093828
