Intelligent Position Control for Intelligent Pneumatic Actuator with Ball-Beam (IPABB) System
Abstract
1. Introduction
2. System Modeling
2.1. Modeling of the IPA System
2.2. Modeling of the Ball and Beam System
3. Controller Design
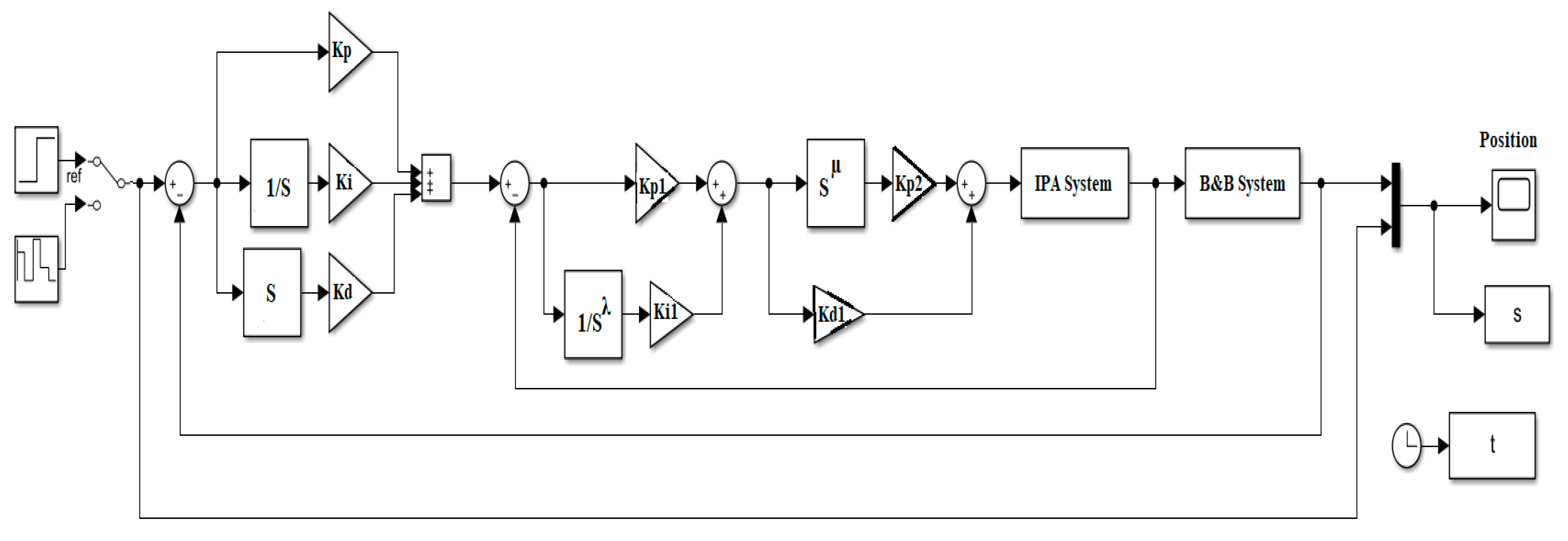
3.1. Control of IPA System (Inner Loop)
3.1.1. The Fractional-Order PID (FOPID) Controller
3.1.2. The Cascade Fractional-Order PID (CFOPID) Controller
3.2. Control of the Ball and Beam System (Outer Loop)
4. Particle Swarm Optimization Algorithm
5. Results and Discussion
6. Conclusions
Author Contributions
Funding
Institutional Review Board Statement
Informed Consent Statement
Data Availability Statement
Acknowledgments
Conflicts of Interest
References
- Qian, P.; Pu, C.; Liu, L.; Lv, P.; Ruiz Páez, L.M. A novel pneumatic actuator based on high-frequency longitudinal vibration friction reduction. Sens. Actuators A Phys. 2022, 344, 113731. [Google Scholar] [CrossRef]
- Ren, H.P.; Fan, J.T.; Kaynak, O. Optimal Design of a Fractional-Order Proportional-Integer-Differential Controller for a Pneumatic Position Servo System. IEEE Trans. Ind. Electron. 2019, 66, 6220–6229. [Google Scholar] [CrossRef]
- Muftah, M.N.; Xuan, W.L.; Athif, A.; Faudzi, M. ARX, ARMAX, Box-Jenkins, Output-Error, and Hammerstein Models for Modeling Intelligent Pneumatic Actuator (IPA) System. J. Integr. Adv. Eng. 2021, 1, 81–88. [Google Scholar] [CrossRef]
- Faudzi, A.À.M.; Suzumori, K.; Wakimoto, S. Development of Pneumatic Actuated Seating System to aid chair design. In Proceedings of the 2010 IEEE/ASME International Conference on Advanced Intelligent Mechatronics, Montreal, QC, Canada, 6–9 July 2010. [Google Scholar]
- Sulaiman, S.F.; Rahmat, M.F.; Faudzi, A.A.; Osman, K.; Samsudin, S.I.; Abidin, A.F.Z.; Sulaiman, N.A. Pneumatic positioning control system using constrained model predictive controller: Experimental repeatability test. Int. J. Electr. Comput. Eng. IJECE 2021, 11, 3913–3923. [Google Scholar] [CrossRef]
- Faudzi, A.M.; Osman, K.; Rahmat, M.F.; Mustafa, N.D.; Azman, M.A.; Suzumori, K. Nonlinear mathematical model of an Intelligent Pneumatic Actuator (IPA) systems: Position and force controls. In Proceedings of the 2012 IEEE/ASME International Conference on Advanced Intelligent Mechatronics (AIM), Kaohsiung, Taiwan, 11–14 July 2012; pp. 1105–1110. [Google Scholar] [CrossRef]
- Bone, G.M.; Xue, M.; Flett, J. Position Control of Hybrid Pneumatic-Electric Actuators Using Discrete-Valued Model-Predictive Control; Mechatronics. Elsevier Ltd.: Amsterdam, The Netherlands, 2015; pp. 1–10. [Google Scholar]
- Mu, S.; Goto, S.; Shibata, S.; Yamamoto, T. Intelligent position control for pneumatic servo system based on predictive fuzzy control. In Computers and Electrical Engineering; Elsevier Ltd.: Amsterdam, The Netherlands, 2019; pp. 112–122. [Google Scholar]
- Faudzi, A.A.M.; Suzumori, K.; Wakimoto, S. Development of an intelligent pneumatic cylinder for distributed physical human-machine interaction. Adv. Robot. 2009, 23, 203–225. [Google Scholar] [CrossRef]
- Azman, M.A.; Faudzi, A.’A.M.; Elnimair, M.O.; Hikmat, O.F.; Osman, K.; Kai, C.C. P-Adaptive Neuro-Fuzzy and PD-Fuzzy controller design for position control of a modified single acting pneumatic cylinder. In Proceedings of the 2013 IEEE/ASME International Conference on Advanced Intelligent Mechatronics, Wollongong, Australia, 9–12 July 2013; pp. 176–181. [Google Scholar] [CrossRef]
- Faudzi, A.M.; Mustafa, N.D.; bin Osman, K.; Azman, M.A.; Suzumori, K. GPC controller design for an Intelligent Pneumatic Actuator. Procedia Eng. 2012, 41, 657–663. [Google Scholar] [CrossRef]
- Mustafa, N.D.; Faudzi, A.A.M.; Abidin, A.F.Z.; Osman, K.; Suzumori, K. Generalized predictive controller using Bat algorithm for double acting pneumatic cylinder. In Proceedings of the 2013 IEEE Student Conference on Research and Development, Putrajaya, Malaysia, 16–17 December 2013; pp. 572–576. [Google Scholar] [CrossRef]
- Osman, K.; Faudzi, A.’A.M.; Rahmat, M.F.; Hikmat, O.F.; Suzumori, K. Predictive Functional Control with Observer (PFC-O) Design and Loading Effects Performance for a Pneumatic System. Arab. J. Sci. Eng. 2014, 40, 633–643. [Google Scholar] [CrossRef]
- Azira, A.R.; Osman, K.; Samsudin, S.I.; Fatimah Sulaiman, S. Predictive Functional Controller (PFC) with Novel Observer Method for Pneumatic Positioning System. J. Telecommun. Electron. Comput. Eng. 2018, 10, 119–124. [Google Scholar]
- Muftah, M.N.; Faudzi, A.A.M. Tracking Performance of Pneumatic Position Using Fractional-Order PI λ D μ Controller. Mater. Sci. Eng. 2021, 1153, 012011. [Google Scholar] [CrossRef]
- Sikander, A.; Thakur, P.; Bansal, R.; Rajasekar, S. A novel technique to design cuckoo search based FOPID controller for AVR in power systems. Comput. Electr. Eng. 2018, 70, 261–274. [Google Scholar] [CrossRef]
- Rajasekhar, A.; Jatoth, R.K.; Abraham, A. Design of intelligent PID/PIλDμ speed controller for chopper fed DC motor drive using opposition based artificial bee colony algorithm. Eng. Appl. Artif. Intell. 2014, 29, 13–32. [Google Scholar] [CrossRef]
- Dumlu, A.; Erenturk, K. Trajectory Tracking Control for a 3-DOF Parallel Manipulator Using Fractional-Order Control. IEEE Trans. Ind. Electron. 2013, 61, 3417–3426. [Google Scholar] [CrossRef]
- Mishra, A.K.; Das, S.R.; Ray, P.K.; Mallick, R.K.; Mohanty, A.; Mishra, D.K. PSO-GWO Optimized Fractional Order PID Based Hybrid Shunt Active Power Filter for Power Quality Improvements. IEEE Access 2020, 8, 74497–74512. [Google Scholar] [CrossRef]
- Asif, H.; Nasir, A.; Shami, U.T.; Rizvi, S.T.H.; Gulzar, M.M. Design and comparison of linear feedback control laws for inverse Kinematics based robotic arm. In Proceedings of the 2017 13th International Conference on Emerging Technologies (ICET), Islamabad, Pakistan, 27–28 December 2017. [Google Scholar] [CrossRef]
- Luo, Y.; Chen, Y. Stabilizing and robust fractional order PI controller synthesis for first order plus time delay systems. Automatica 2012, 48, 2159–2167. [Google Scholar] [CrossRef]
- Bingul, Z.; Karahan, O. Comparison of PID and FOPID controllers tuned by PSO and ABC algorithms for unstable and integrating systems with time delay. Optim. Control Appl. Methods 2018, 39, 1431–1450. [Google Scholar] [CrossRef]
- Muftah, M.N.; Mohd Faudzi, A.A. Fractional-Order PIλDμ Controller for Position Control of Intelligent Pneumatic Actuator (IPA) System; Springer: Singapore, 2021. [Google Scholar]
- Shouran, M.; Alsseid, A. Particle Swarm Optimization Algorithm-Tuned Fuzzy Cascade Fractional Order PI-Fractional Order PD for Frequency Regulation of Dual-Area Power System. Processes 2022, 10, 477. [Google Scholar] [CrossRef]
- Nguyen, C.X.; Phan, H.N.; Hoang, L.D.; Tran, H.N. The design of a quasi-time optimal cascade controller for ball and beam system. IOP Conf. Ser. Mater. Sci. Eng. 2021, 1029, 012022. [Google Scholar] [CrossRef]
- Mehedi, I.M.; Al-Saggaf, U.M.; Mansouri, R.; Bettayeb, M. Two degrees of freedom fractional controller design: Application to the ball and beam system. Measurement 2018, 135, 13–22. [Google Scholar] [CrossRef]
- Šitum, Ž.; Trslić, P. Ball and beam balancing mechanism actuated with pneumatic artificial muscles. J. Mech. Robot. 2018, 10, 1–7. [Google Scholar] [CrossRef]
- Azman, M.A.; Osman, K.; Natarajan, E. Integrating servo-pneumatic actuator with ball beam system based on intelligent position control. J. Teknol. 2014, 69, 73–79. [Google Scholar] [CrossRef]
- Shah, P.; Agashe, S. Review of fractional PID controller. Mechatronics 2016, 38, 29–41. [Google Scholar] [CrossRef]
- Shouran, M.; Alsseid, A.M. Cascade of Fractional Order PID based PSO Algorithm for LFC in Two-Area Power System. In Proceedings of the 2021 3rd International Conference on Electronics Representation and Algorithm (ICERA), Yogyakarta, Indonesia, 29–30 July 2021. [Google Scholar] [CrossRef]
- Muftah, M.N.; Faudzi, A.A.M.; Sahlan, S.; Shouran, M. Modeling and Fuzzy FOPID Controller Tuned by PSO for Pneumatic Positioning System. Energies 2022, 15, 3757. [Google Scholar] [CrossRef]
- Eberhart, R. Particle Swarm Optimisation. IEEE Int. Conf. Neural Netw. 1995, 1942–1948. [Google Scholar] [CrossRef]
- Eberhart, R. A Modified Particle Swarm Optimizer. In Proceedings of the 1998 IEEE International Conference on Evolutionary Computation Proceedings. IEEE World Congress on Computational Intelligence (Cat. No.98TH8360), Anchorage, AK, USA, 4–9 May 1998. [Google Scholar] [CrossRef]
- Solihin, M.I.; Tack, L.F.; Kean, M.L. Tuning of PID Controller Using Particle Swarm Optimization (PSO). Int. J. Adv. Sci. Eng. Inf. Technol. 2011, 1, 458–461. [Google Scholar] [CrossRef]
- Shouran, M.; Anayi, F.; Packianather, M.; Habil, M. Different Fuzzy Control Configurations Tuned by the Bees Algorithm for LFC of Two-Area Power System. Energies 2022, 15, 657. [Google Scholar] [CrossRef]
- Faudzi, A.A.M.; Mustafa, N.D.; Azman, M.A.; Osman, K. Position Tracking of Pneumatic Actuator with Loads by Using Predictive and Fuzzy Logic Controller. Adv. Mater. Res. 2014, 903, 259–266. [Google Scholar] [CrossRef]
- Sulaiman, S.F.; Rahmat, M.F.; Faudzi, A.A.M.; Osman, K.; Salim, S.N.S.; Samsudin, S.I.; Azira, A.R. Enhanced position con-trol forpneumatic system by applying constraints in MPC algorithm. Int. J. Electr. Comput. Eng. 2017, 7, 1633–1642. [Google Scholar]

















| Valve Condition | Cylinder Stroke Motions | |
|---|---|---|
| V1 | V2 | |
| OFF | OFF | Stop | 
| OFF | ON | Retract | 
| ON | OFF | Extend | 
| ON | ON | Stop | 
| Quantity | Value | 
|---|---|
| Beam Length (l) | 0.5 m | 
| Pneumatic Actuator Stroke Length (h) | 0–200 mm | 
| Angle () | Depends on h | 
| The Ball Mass (m) | 0.04012 kg | 
| The Ball Radius (R) | 0.0107 m | 
| Ball’s Moment of Inertia (J) | |
| Gravitational Acceleration (g) | 
| Parameter | No. Iteration | No. Particles | Social-Coefficient (s) | Cognitive-Coefficient (c) | Inertia-Weight (iw) | 
|---|---|---|---|---|---|
| Value | 30 | 10 | 1.42 | 1.42 | 0.9 | 
| Criteria | Kp | Ki | λ | Kd | µ | Kp1 | 
|---|---|---|---|---|---|---|
| CFOPID | 50 | 48.6378 | 1.0141 | 50 | 0.25 | 39.8685 | 
| FOPID | 50 | 50 | 0.817 | 50 | 0.25 | - | 
| Criteria | Tr (s) | Ts (s) | OS% | ISE | 
|---|---|---|---|---|
| CFOPID | 0.008 | 0.0098 | 0.1587 | 0.0001205 | 
| FOPID | 0.0133 | 0.0510 | 1.1619 | 0.002699 | 
| Publisher’s Note: MDPI stays neutral with regard to jurisdictional claims in published maps and institutional affiliations. | 
© 2022 by the authors. Licensee MDPI, Basel, Switzerland. This article is an open access article distributed under the terms and conditions of the Creative Commons Attribution (CC BY) license (https://creativecommons.org/licenses/by/4.0/).
Share and Cite
Muftah, M.N.; Faudzi, A.A.M.; Sahlan, S.; Mohamaddan, S. Intelligent Position Control for Intelligent Pneumatic Actuator with Ball-Beam (IPABB) System. Appl. Sci. 2022, 12, 11089. https://doi.org/10.3390/app122111089
Muftah MN, Faudzi AAM, Sahlan S, Mohamaddan S. Intelligent Position Control for Intelligent Pneumatic Actuator with Ball-Beam (IPABB) System. Applied Sciences. 2022; 12(21):11089. https://doi.org/10.3390/app122111089
Chicago/Turabian StyleMuftah, Mohamed Naji, Ahmad Athif Mohd Faudzi, Shafishuhaza Sahlan, and Shahrol Mohamaddan. 2022. "Intelligent Position Control for Intelligent Pneumatic Actuator with Ball-Beam (IPABB) System" Applied Sciences 12, no. 21: 11089. https://doi.org/10.3390/app122111089
APA StyleMuftah, M. N., Faudzi, A. A. M., Sahlan, S., & Mohamaddan, S. (2022). Intelligent Position Control for Intelligent Pneumatic Actuator with Ball-Beam (IPABB) System. Applied Sciences, 12(21), 11089. https://doi.org/10.3390/app122111089
 
        



 
       