Design of a Rotary Transformer for Installations on Large Shafts
Abstract
:1. Introduction
2. Rotary Transformer: Model and Parameters
2.1. Equivalent Circuits
2.2. Compensation Strategy
2.3. Power Electronics
3. Finite-Elements Analysis
3.1. Two-Dimensional Analyses
3.2. Three-Dimensional Analyses
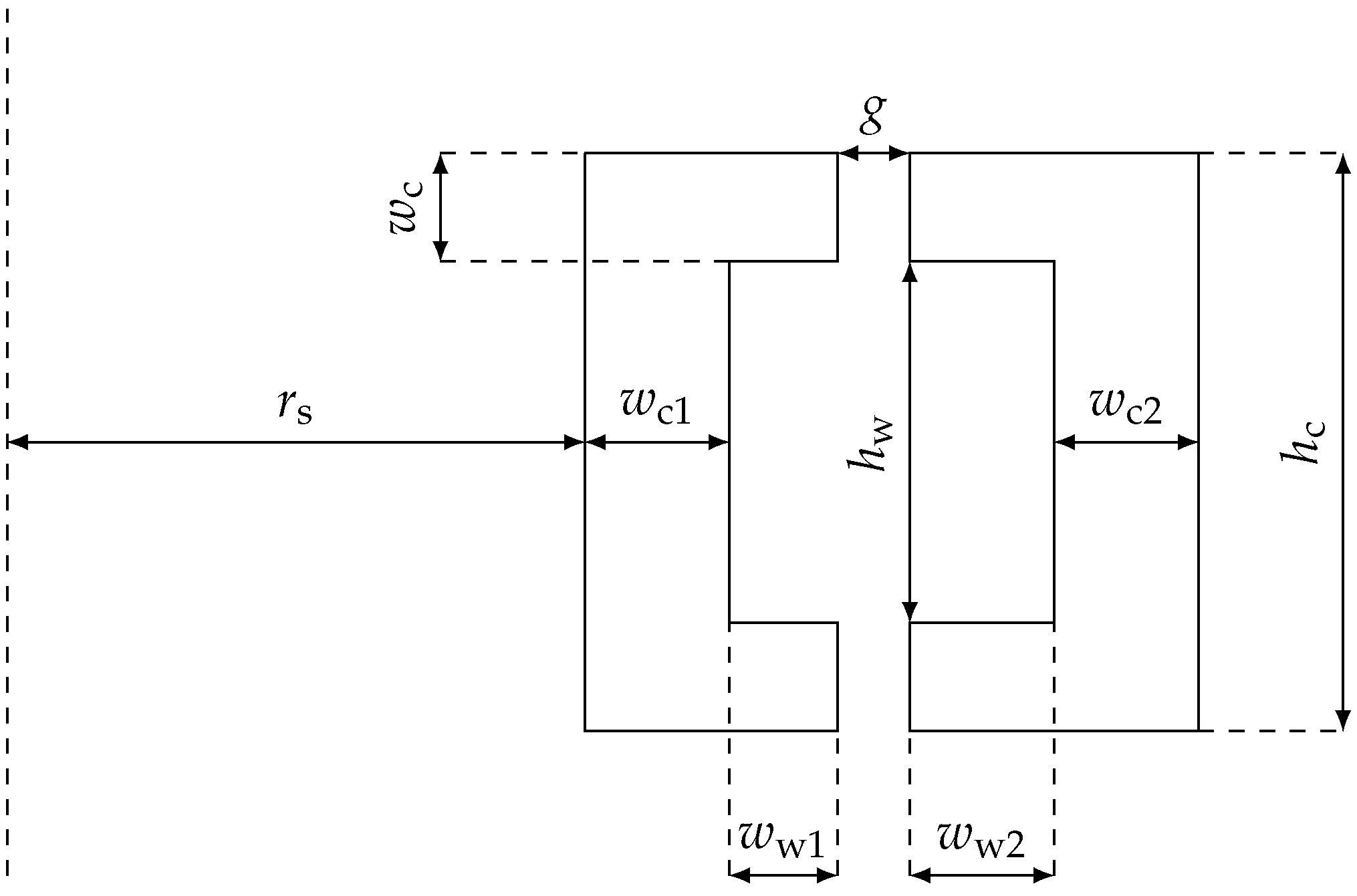
4. Design of the Transformer
4.1. Grid-Search Optimization
- the air gap between the two cores was set to ;
- the radius of the shaft was set to ;
- the height of the core was set to .
- , step between consecutive samples equal to ;
- , step between consecutive samples equal to 5;
- , step between consecutive samples equal to 1.
4.2. Genetic Optimization
- ;
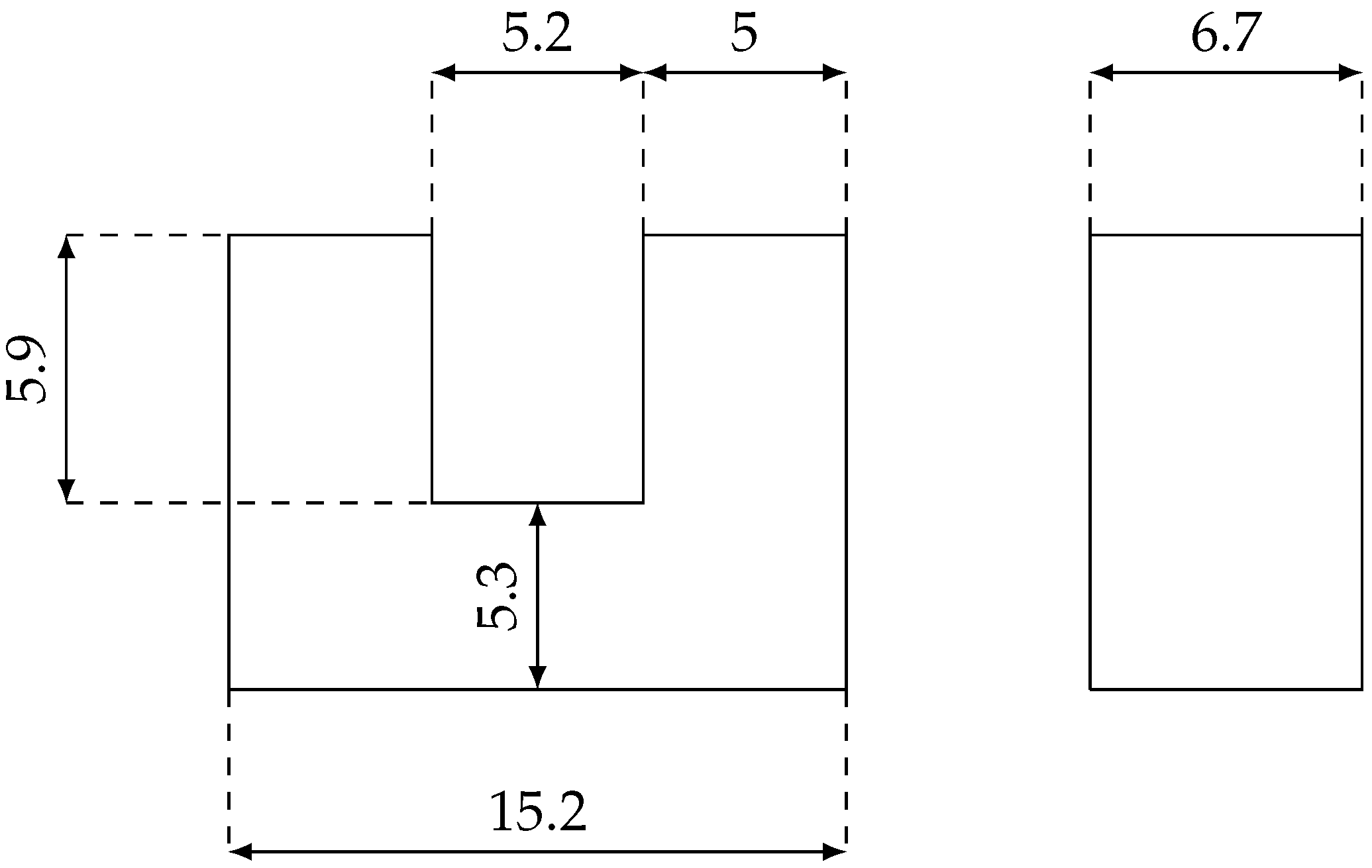
4.3. Realization of the Core and Further Weight Reduction
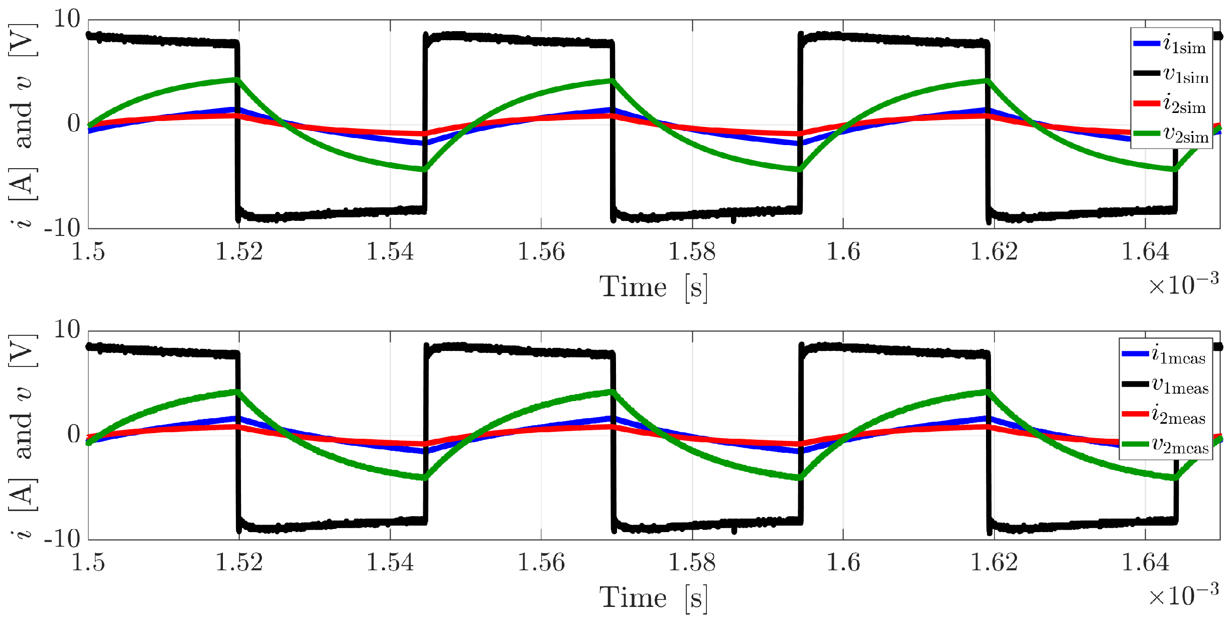
5. Validation over a Reduced-Scale Prototype
6. Conclusions
Author Contributions
Funding
Institutional Review Board Statement
Informed Consent Statement
Conflicts of Interest
References
- She, X.; Huang, A.Q.; Burgos, R. Review of Solid State Transformer Technologies and Their Application in Power Distribution. IEEE J. Emerg. Sel. Top. Power Electron. 2013, 1, 186–198. [Google Scholar] [CrossRef]
- Landsman, E.E. Rotary transformer design. In Proceedings of the IEEE Power Electronics Specialists Conference, Greenbelt, MD, USA, 20–21 April 1970. [Google Scholar]
- Papastergiou, K.D.; Macpherson, D.E. Contact-less transfer of energy by means of a rotating transformer. In Proceedings of the 2005 IEEE International Symposium on Industrial Electronics IV, Dubrovnik, Croatia, 20–23 June 2005; pp. 1735–1740. [Google Scholar]
- Roberts, G.; Owens, A.R.; Lane, P.M.; Humphries, M.E.; Child, R.K.; Bauder, F.; Izquierdo, J.M.G. A contactless transfer device for power and data. In Proceedings of the IEEE Aerospace Applications Conference, Aspen, CO, USA, 10 February 1996. [Google Scholar]
- Zhong, H.; Wu, C.; Wang, Y. Design and analysis of rotary transformer for brushless doubly fed induction generators. In Proceedings of the 13th IEEE Conference on Industrial Electronics and Applications (ICIEA), Wuhan, China, 31 May–2 June 2018; pp. 1416–1419. [Google Scholar]
- Zietsman, N.L.; Gule, N. Design and evaluation of a 1.2 kVA single phase rotary transformer. In Proceedings of the 22nd International Conference on Electrical Machines (ICEM), Lausanne, Switzerland, 4–7 September 2016; pp. 1466–1472. [Google Scholar]
- Ruviaro, M.; Rüncos, F.; Sadowski, N. Wound rotor doubly fed induction machine with radial rotary transformer. J. Microwaves Optoelectron. Electromagn. Appl. 2013, 12, 411–426. [Google Scholar] [CrossRef]
- Krupp, H.; Mertens, A. Rotary transformer design for brushless electrically excited synchronous machines. In Proceedings of the 2015 IEEE Vehicle Power and Propulsion Conference (VPPC 2015), Montreal, QC, Canada, 19–22 October 2015. [Google Scholar]
- Dolara, A.; Leva, S.; Longo, M.; Mauri, M.; Castelli-Dezza, F. Coil design and magnetic shielding of a resonant wireless power transfer system for electric vehicle battery charging. In Proceedings of the 2017 6th International Conference on Renewable Energy Research and Applications, ICRERA 2017, San Diego, CA, USA, 5–8 November 2017; pp. 200–205. [Google Scholar]
- Maglio, M.M.; Carmeli, M.S.; Mauri, M.; Castelli-Dezza, F. Design and analysis of a high frequency wireless power feeding system for train axle telemetry. In Proceedings of the 2014 International Symposium on Power Electronics, Electrical Drives, Automation and Motion, SPEEDAM 2014, Ischia, Italy, 18–20 June 2014; pp. 527–532. [Google Scholar]
- Brunetti, M.; Chatterton, S.; Carmeli, M.S.; Mauri, M.; Castelli-Dezza, F. Wireless power transfer with temperature monitoring interface for helicopter rotor blade ice protection. In Proceedings of the AIAA Propulsion and Energy 2020 Forum, Virtual Event, 24–28 August 2020; pp. 1–11. [Google Scholar]
- Bellussi, E.; Brunetti, M.; Dezza, F.C.; Chatterton, S.; Facchini, G.; Mauri, M.; Ostuni, N.; Toscani, N. Rotor for a Hover-Capable Aircraft. European Patent Application EP3845458A1, 7 July 2021. [Google Scholar]
- Smeets, J.P.C.; Encica, L.; Lomonova, E.A. Comparison of Winding Topologies in a Pot Core Rotating Transformer. In Proceedings of the 12th International Conference on Optimization of Electrical and Electronic Equipment, Basov, Romania, 20–22 May 2010; pp. 103–110. [Google Scholar]
- Kalyanmoy, D. Multi-Objective Optimization Using Evolutionary Algorithms; John Wiley & Sons: Hoboken, NJ, USA, 2001. [Google Scholar]
- Abdolkhani, A.; Hu, A.; Nair, N. Modelling and Parameters Identification of Through-Hole Type Wind Turbine Contactless Sliprings. Engineering 2012, 4, 272–283. [Google Scholar] [CrossRef] [Green Version]
- Umans, S.D. Fitzgerald & Kingsley’s Electric Machinery, 7th ed.; McGraw-Hill International Edition: New York, NY, USA, 2014. [Google Scholar]
- Hurley, W.G.; Wölfle, W.H.; Breslin, J.G. Optimized transformer design: Inclusive of high-frequency effects. IEEE Trans. Power Electron. 1998, 13, 651–659. [Google Scholar] [CrossRef]
- Orosz, T. Evolution and Modern Approaches of the Power Transformer Cost Optimization Methods. Period. Polytech. Electr. Eng. Comput. Sci. 2019, 63, 37–50. [Google Scholar] [CrossRef] [Green Version]
- Legranger, J.; Friedrich, G.; Vivier, S.; Mipo, J.C. Comparison of Two Optimal Rotary Transformer Designs for Highly Constrained Applications. In Proceedings of the IEEE International Electric Machines & Drives Conference, Antalya, Turkey, 9–12 May 2007. [Google Scholar]
- William, T.; McLyman, C. Transformer and Inductor Design Handbook, 4th ed.; CRC Press: Boca Raton, FL, USA, 2011. [Google Scholar]
- Aditya, K.; Williamson, S.S. Comparative study of Series-Series and Series-Parallel compensation topologies for electric vehicle charging. In Proceedings of the 2014 IEEE International Symposium on Industrial Electronics, Istanbul, Turkey, 1–4 June 2014; pp. 426–430. [Google Scholar]
- Dolara, A.; Leva, S.; Longo, M.; Castelli-Dezza, F.; Mauri, M. Analysis of control strategies for compensated inductive power transfer system for electric vehicles charging. In Proceedings of the 2017 17th IEEE International Conference on Environment and Electrical Engineering and 2017 1st IEEE Industrial and Commercial Power Systems Europe (EEEIC), Milan, Italy, 6–9 June 2017; pp. 1–6. [Google Scholar]
- Truong, B.D.; Roundy, C.; Andersen, E.; Roundy, S. Analysis of resonance and anti-resonance frequencies in a Wireless Power Transfer System: Analytical model and experiments. IEEE Trans. Circuits Syst. II Express Briefs 2019, 66, 1222–1226. [Google Scholar] [CrossRef]
- Sohn, Y.H.; Choi, B.H.; Lee, E.S.; Lim, G.C.; Cho, G.; Rim, C.T. General Unified Analyses of Two-Capacitor Inductive Power Transfer Systems: Equivalence of Current-Source SS and SP Compensations. IEEE Trans. Power Electron. 2015, 30, 6030–6045. [Google Scholar] [CrossRef]
- Imaoka, J.; Nam, M.; Shoyama, M.; Fujita, H. Design of Series-Parallel combined resonant circuit with rotary transformer used for ultrasonic spindle drive. In Proceedings of the IEEE 3rd International Future Energy Electronics Conference and ECCE Asia (IFEEC—ECCE Asia), Kaohsiung, Taiwan, 3–7 June 2017; pp. 2244–2249. [Google Scholar]
- Cho, S.Y.; Lee, I.O.; Moon, S.C.; Moon, G.W.; Kim, B.C.; Kim, K.Y. Series-Series compensated wireless power transfer at two different resonant frequencies. In Proceedings of the 2013 IEEE ECCE Asia Downunder—5th IEEE Annual International Energy Conversion Congress and Exhibition, Melbourne, VIC, Australia, 3–6 June 2013; pp. 1052–1058. [Google Scholar]
- Godbehere, J.; Hopkins, A.; Yuan, X. Design and Thermal Analysis of a Rotating Transformer. In Proceedings of the IEEE International Electric Machines & Drives Conference (IEMDC), San Diego, CA, USA, 12–15 May 2019. [Google Scholar]
- Amoiralis, E.I.; Tsili, M.A.; Kladas, A.G. Transformer Design and Optimization: A Literature Survey. IEEE Trans. Power Deliv. 2019, 24, 1999–2024. [Google Scholar] [CrossRef]
- Orosz, T.; Pánek, D.; Karban, P. FEM Based Preliminary Design Optimization in Case of Large Power Transformers. Appl. Sci. 2020, 10, 1361. [Google Scholar] [CrossRef] [Green Version]














| Parameter | Grid-Search | Genetic Algorithm | C-Ferrites |
|---|---|---|---|
| 7 | 11 | 11 | |
| 7 | 13 | 13 | |
| Weight |
| Parameter | Measured | ANSYS Maxwell® | |
|---|---|---|---|
| 114 | 104 | 8.47% | |
| 165 | 142 | 13.9% | |
| M | 100 | 105 | 4.96% |
| 1.72% |
Publisher’s Note: MDPI stays neutral with regard to jurisdictional claims in published maps and institutional affiliations. |
© 2022 by the authors. Licensee MDPI, Basel, Switzerland. This article is an open access article distributed under the terms and conditions of the Creative Commons Attribution (CC BY) license (https://creativecommons.org/licenses/by/4.0/).
Share and Cite
Toscani, N.; Brunetti, M.; Carmeli, M.S.; Castelli Dezza, F.; Mauri, M. Design of a Rotary Transformer for Installations on Large Shafts. Appl. Sci. 2022, 12, 2932. https://doi.org/10.3390/app12062932
Toscani N, Brunetti M, Carmeli MS, Castelli Dezza F, Mauri M. Design of a Rotary Transformer for Installations on Large Shafts. Applied Sciences. 2022; 12(6):2932. https://doi.org/10.3390/app12062932
Chicago/Turabian StyleToscani, Nicola, Massimo Brunetti, Maria Stefania Carmeli, Francesco Castelli Dezza, and Marco Mauri. 2022. "Design of a Rotary Transformer for Installations on Large Shafts" Applied Sciences 12, no. 6: 2932. https://doi.org/10.3390/app12062932
APA StyleToscani, N., Brunetti, M., Carmeli, M. S., Castelli Dezza, F., & Mauri, M. (2022). Design of a Rotary Transformer for Installations on Large Shafts. Applied Sciences, 12(6), 2932. https://doi.org/10.3390/app12062932

