Abstract
The present paper continues the authors’ research in machining process optimization, including the direction of machining parameters optimization. The paper develops an innovative method, via surface integrity, for determining the technological route and the related depths of cut, with respect to machining front faces of cast iron parts. For correctly establishing the depths of the cut, the errors that appear within surface and subsurface layers during the casting process, as well as during machining, must be gradually eliminated. These errors make it necessary to consider the concept of surface integrity. This paper presents the modality of integrating the components of surface integrity into the depth of cut. For the practical use of this method, a new software tool based on a series of mathematical models and a small database was conceived. A case study illustrates how the method is applied and the software tool used to solve a specific application in the case of a belt pulley.
1. Introduction and Literature Review
An important part of process planning refers to establishing the machining parameters. The depth of cut is the parameter that directly influences the machined-surface quality because it interacts with both the surface and subsurface layers of the processed material. The machined-surface quality must not be appreciated only by the surface roughness. A correct assessment must consider the condition and characteristics of the surface, as well as of the subsurface of the processed material. Thus, surface integrity becomes a very important criterion for assessing the quality of the machined surface [1,2]. Surface integrity refers to certain aspects of the surface, such as form, roughness, waviness, lay, and subsurface characteristics such as residual stress, granular plastic flow orientation, and defects (porosity, micro cracks, tears, laps, etc.) [3]. Surface integrity is influenced by various factors, including the machining parameters [4,5,6]. Dumas et al. [7] approach the connection between the rough and finishing tool passes considering the final surface integrity. The final surface integrity is influenced by the previous operations/passes. Surface integrity is specific to each operation. Thus, the concept of Current-Previous Machining Process—CPMP [8] becomes very important. This concept considers that surface roughness Rzp and the components of Sp generated during the machining process and caused by the casting process must be considered when calculating dcf (current depth of cut), following Figure 1. Rzp refers to the surface roughness obtained after the previous operation. Sp refers to the subsurface layer degraded after the previous operation (subsurface defects). The depth of cut must also contain dimensional tolerance obtained at the previous operation (δp), flatness deviation obtained after the previous operation (εFp), and axial clamping error related to the current operation (εCaxc). Among the first researchers who have considered the connection between the depth of cut and machined-surface quality was Kovan [9,10], whose ideas were overtaken by Picos [11], as well. However, at that time, the term surface integrity was not known. This term was first used by M. Field, J. F. Kahles in 1964. In accordance with these papers, the components of dcf are colinear vectors, as Formula (1) illustrates.
index p is used for the previous operation, and index c is used for the current operation, so dcf is to be calculated. In the literature, establishing the depth of cut is approached with respect to the issue of cutting parameters optimization. The depth of cut, as well as the other machining parameters, results based on a mathematical optimization model. Usually, the optimization criterion is an economic one (minimization of cost and time regarding machining operations). The constraints from the mathematical models are connection relations among the parameters related to machining operations. Pratihar [12] overviews the software for modeling certain parameters related to machining operations. The paper considers expert systems. Regarding the turning processes, the considered parameters are feed, depth of cut, speed, and surface roughness. Zhu et al. [13] present connection relations among surface roughness, work piece speed, tool speed, depth of cut, and feed. Baburaj et al. [14] created relations among surface roughness, cutting speed, feed rate, depth of cut, and nose radius. Prasad and Babu [15] have studied how vibration amplitude and tool flank wear were influenced by machining parameters. Table 1 presents an overview of optimization methods used by certain authors.
Figure 1.
Components of the surface integrity.
Table 1.
Optimization techniques for machining parameters.
Most optimization methods from the analyzed papers consider manufacturing cost maximization as the objective function. However, other papers use other optimization criteria, such as maximization of material removal rate, minimization of production time, minimization of surface roughness, and minimization of cutting temperature. Based on the current literature, it might be appreciated that the optimization mathematical models do not contain enough elements regarding the insurance of the machined-surface quality because they do not consider surface integrity. From this viewpoint, the depth of cut must be understood differently from the speed and feed rate. The depth of cut is directly connected to the surface integrity (Figure 1), and surface integrity is a very important concept used for appraising the machined-surface quality. The present paper develops a method focused on the concept of surface integrity for determining the depth of cut related to the routing sheet for machining front faces of cast iron work pieces.
2. Method Development
This section of the paper develops ideas from previous authors’ research [8], approaching the determination of the technological sequences and the depths of cut for the front-face turning of cast iron parts. The considered basic criterion ensures the final surface integrity.
2.1. Mathematical Models
For determining the depths of cut for the current tool pass (dcf), the components of surface integrity from the previous pass must be eliminated (integrated into dcf following Figure 1) to obtain new surface integrity (related to the current pass). This mechanism must work for all passes of the technological route. The technological route contains chained pairs of current and previous operations. Thus, the couple of current and previous operations represents an important link in process planning. Each previous operation becomes current for determining a new depth of cut. The concept of CPMP works in this manner. The mathematical models related to dcf calculation are structures of relations in which the components of the surface integrity and other variables related to the geometrical errors of the surface to be machined and fixing errors are found. For establishing these mathematical models, certain data gathered by the authors from industrial practice, the searched literature [10,11], and also work in progress results obtained by the authors were considered. These data have been mathematically modeled by regression analysis (using software tools from the Department of Manufacturing Engineering). It was convenient to obtain information regarding the whole layer Rzp + Sp (sum of previous surface roughness and spoiled superficial layer). From the industrial experience, it resulted that the values of certain parameters from these models depend on the geometric features of the part/billet, as well as on the casting process accuracy grade. The paper considers five casting process accuracy grades in accordance with the industrial practice and ISO 8062-1994 [47]. Grade 1 refers to the most accurate casting process, and grade 5 refers to the less accurate casting process. The casting process accuracy grade is considered by variable cab. The mathematical models for calculating the depths of cut regarding the three types of front-face turning are presented below.
2.1.1. Calculation of the Depth of Cut for Rough Turning
The current operation is rough turning, and the previous operation refers to the cast billet.
2.1.2. Calculation of the Depth of Cut for Semi-Finishing Turning
The current operation is semi-finishing turning, and the previous operation is rough turning.
2.1.3. Calculation of the Depth of Cut for Finishing Turning
The current operation is finishing turning, and the previous operation is semi-finishing turning.
The coefficients and exponents from relations (2)–(16) are presented in Table 2 and were obtained by regression analysis in accordance with the above explanation.
Table 2.
Coefficients and exponents from relations (2), …, (16).
2.2. CDFTCI Software Tool
The mathematical models (2)–(16) and the database (Table 2) have been integrated into the new software tool named CDFTCI (calculation of depth of cut for facing turning of cast iron), presented as the flow chart in Figure 2 and user interface in Figure 3.
Figure 2.
Flow chart of the CDFTCI module.
Figure 3.
User interface.
Description of the module CDFTCI: After data input, the determination of the technological sequences for machining the considered front face follows. The decision variable is the roughness Ra. Then, for each technological sequence, calculated are the depths of cut (dcf), previous dimensions (Lpre), standardized dimensions (Lpren), and the real depths of cut (dcfreal). The results are stored in Table t(3,3). The coordinating parameter is surface integrity. After calculating a technological sequence, L1 and tft are updated, and the next technological sequence is calculated (if applicable). After closing the cycle controlled by counter p, the billet dimension (Lcib) and the related tolerance (δLcib) are determined. The results are summarized as sequences of multi-pass-facing turning (Table t1(3,4)). The user interface is presented in Figure 3. Description of user–computer interface: The user interface contains four areas. The first area is for data entering (left side) and contains fields for numerical data, buttons for choosing the surface position, the roughness, and the casting process grade. The next area, on the right side, presents a passive image of the part, used as an aid for specifying the mode in which the surface position is established (internal/external), as well as for Dn and Ln. The third area contains three buttons: OK, Part Image, and Close. The Part Image button is for re-displaying the passive image as many times as required. After data validation, the fourth area automatically appears instead of the second area and contains the obtained results.
3. Results of the Case Study
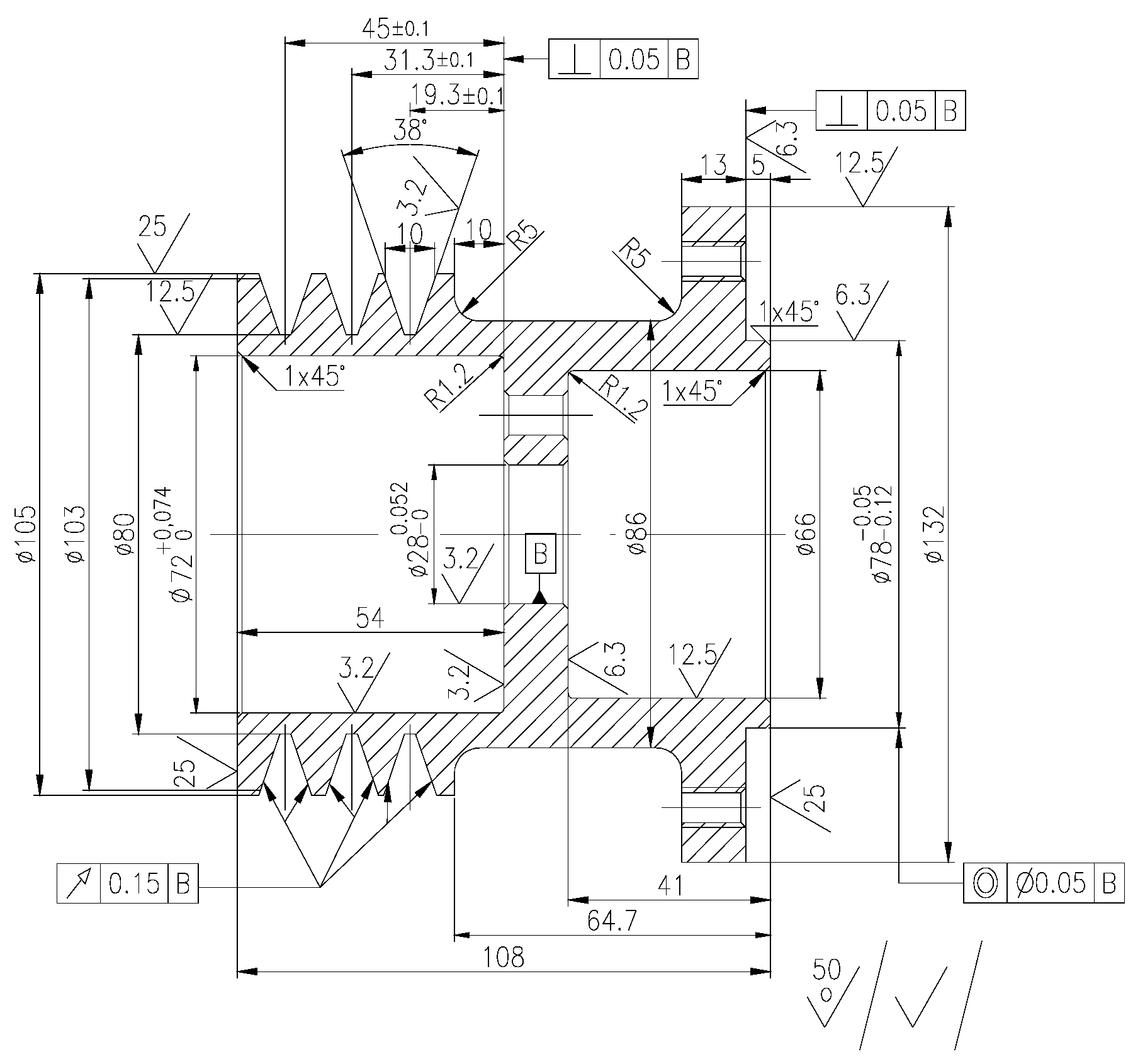
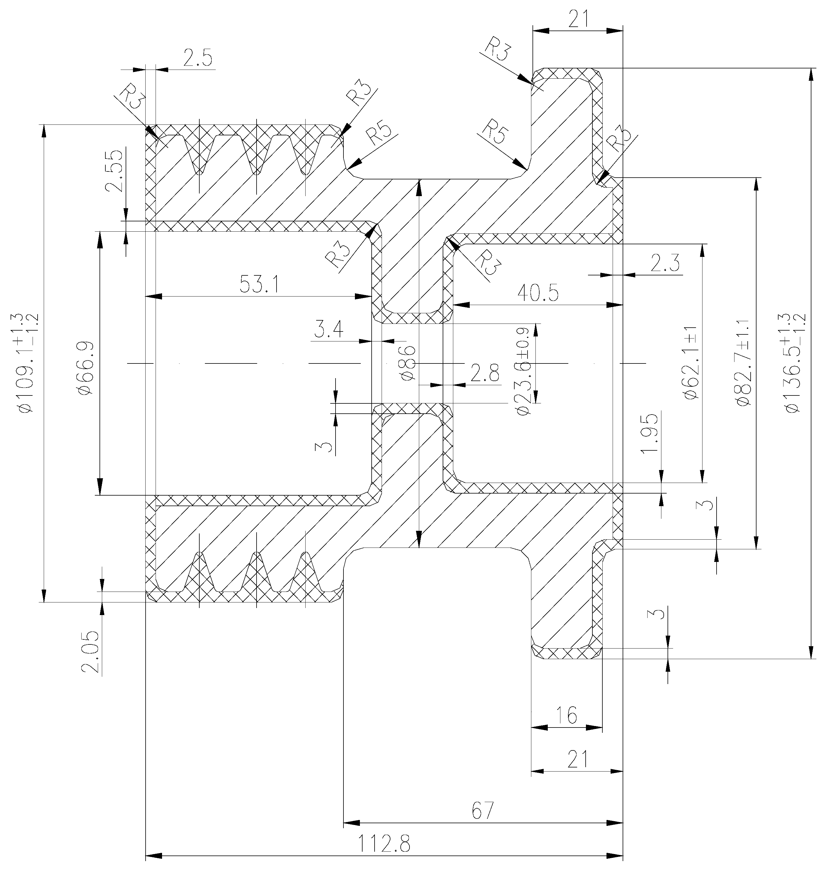
For the belt pulley from din Figure 4 (material EN-GJL-200 cast iron), the following elements are determined: a) the routing sheet and the depths of cut for turning of the front faces having the following dimensions: • ϕ105 with the roughness Ra = 25 and L = 54; •• ϕ72+0.074 with the roughness Ra = 3.2 and L = 54 and b) the dimensional characteristics of the billet (including the tolerances). By running the software module CDFTCI, the technological sequences for machining the two mentioned front faces were obtained in accordance with Figure 5 and Figure 6. These figures illustrate the obtained results, meaning the values of the depths of the cut, as well as the diameters of the two front faces after machining (the right sides of the figures). It is mentioned that for L = 54, the tolerances for the free dimensions have been adopted (±0.3). In the same manner, similar data have been obtained for the other front faces of the part (necessary for billet design). For determining the billet dimensions, there are also necessary data regarding the cylindrical surfaces of the part (the depths of cut). These data have been obtained using another software developed by the authors and presented in [8]. Thus, the billet shape from Figure 7 has been obtained.
Figure 4.
Analyzed part-belt pulley.
Figure 5.
Results for facing turning ϕ105, L = 54, Ra = 25.
Figure 6.
Results for facing turning ϕ72, L = 54, Ra = 3.2.
Figure 7.
The billet corresponding to the analyzed part.
4. Discussion
From the literature review (Section 1), it results that determining the depth of cut is done by machining parameters optimization, considering an economic criterion. The analyzed optimization mathematical models do not include the relationship between the depth of cut and the surface integrity. This aspect might lead to objective function optimization but does not guarantee to obtain the desired machined-surface quality. In the case of Figure 5, the dimension that must be obtained is ϕ105 (external front face), having the roughness Ra = 25 µm and L = 54 mm. CDFTCI software has determined the technological sequence—rough-facing turning with the total depth of cut = 2.5 mm divided into two passes (n = 2). The first pass is made with a depth of cut of 1 mm, and the second one is made with a depth of cut of 1.5 mm. The total depth of cut is determined by considering the surface integrity in accordance with Formula (6). In the case of Figure 6, the dimension that must be obtained is ϕ72+0.074 (internal front face), having the roughness Ra = 3.2 µm and L = 54 mm. CDFTCI software has determined three technological sequences with depths of cut of 2.1 mm, 0.7 mm, and 0.6 mm, respectively. Rough turning is made by two passes with the depths of cut of 0.9 mm and 1.2 mm, respectively. The depths of cut are also determined by considering the surfaces integrity, in accordance with Formulas (6), (11), and (16). We mention that all these calculations are made by the CDFTCI software tool. The division of the depth of cut into two passes helps the tool protection. The results supplied by the CDFTCI software tool are found on the billet drawing (Figure 7); thus: 53.1 = 54 + 2.5 − 3.4. Final surface integrity is obtained by the process of successive transformations of the previous surface integrity into the current surface integrity, in accordance with Figure 1 and Formula (1). The industrial practice has confirmed the dependence of the components of surface integrity on the geometric features of the part and billet. This finding has allowed the determination of the mathematical models (2)–(16). The semi-finishing technological sequence might be excluded, but, in this case, the depths of cut for rough machining must increase.
5. Conclusions
The present paper falls within process planning and machining process optimization. In this way, the approaches from the paper are aimed at the automatic establishment of routing sheets and a novel modality for calculating the depths of cut. The main conclusions are presented as follows:
- (a)
- The quality of the machined surface must not be reduced only to the surface roughness;
- (b)
- Surface integrity is a very important indicator for the assessment of the machined-surface quality, and it is directly related to the performance of a product;
- (c)
- The surface integrity influences the depth of cut. This means that the material layer having the thickness of the depth of cut must contain all the errors obtained in the surface and subsurface layers in the case of the previous machining operation. This fact is ensured by relations (2)–(16) conceived by the authors;
- (d)
- Determining the depth of cut requires knowledge of the routing sheet. For the routing sheet, the decisional element is the roughness of the surface to be machined;
- (e)
- After the routing sheet is known, the CDFTCI software tool calculates the depth of cut for every technological sequence. In this case, the decisional element is surface integrity;
- (f)
- The present paper leads to a novel approach to machining parameters optimization. First of all, the depths of cut must be calculated in accordance with ensuring the surfaces integrity. Then, the results obtained in this manner must be integrated into mathematical models for machining parameters optimization (into the objective function or/and as constraints);
- (g)
- The novelty of the present paper refers to the use of the surface integrity concept for establishing the routing sheet and the related depths of cut for turning the front faces of cast iron work pieces. In this way, the authors have developed a new/original software tool named CDFTCI (conceived in Delphi environment). This software is based on a small database associated with the original mathematical relations (2)–(16), whose role is to model the components of surface integrity and other errors;
- (h)
- The CDFTCI software also contributes to the calculation of the billets’ dimensions regarding the front faces; with respect to the calculation of the billets’ dimensions regarding the cylindrical surfaces, TESEQ and CDCIM software tools must be used [8];
- (i)
- The CDFTCI software tool could be used as a standalone application, and it might be easily integrated into any CAP system and translated, if necessary, into other programming languages.
Author Contributions
All authors contributed to the elaboration of this paper. Conceptualization, C.G. and N.-V.I.; methodology, C.G. and N.-V.I.; software, N.-V.I. and G.O.; validation, C.G., N.-V.I. and G.O.; formal analysis, C.G. and N.-V.I.; investigation, C.G., N.-V.I. and G.O.; resources, C.G. and G.O.; data curation, C.G., N.-V.I. and G.O.; writing—original draft preparation, N.-V.I.; writing—review and editing, C.G., N.-V.I. and G.O.; visualization, C.G. and G.O.; supervision, N.-V.I. All authors have read and agreed to the published version of the manuscript.
Funding
This research received no external funding.
Institutional Review Board Statement
Not applicable.
Informed Consent Statement
Not applicable.
Data Availability Statement
Not applicable.
Conflicts of Interest
The authors declare no conflict of interest.
Nomenclature
| dcf, dcfreal | Calculated and real values of the depth of cut for facing turning (mm) |
| Tolerances for: the billet, rough-facing turning, and semi-finish-facing turning, respectively (mm) | |
| Dm | Maximum part dimension (mm) |
| D(Dn),L(Ln) | Work surface diameter and lengths (mm) |
| Rzcib, Rzrft, Rzsft | Surface roughness for billet, rough-facing turning, and semi-finish-facing turning, respectively (mm) |
| Scib, Srft, Ssft | Subsurface layers spoiled for billet, rough-facing turning, and semi-finish-facing turning, respectively (mm) |
| εFcib, εFrft, εFsft | Flatness deviation for billet, rough-facing turning, and semi-finish-facing turning, respectively (mm) |
| fsd | Specific flatness deviation (µm/mm) |
| εCaxrft, εCaxsft, εCaxfft | Axial clamping error regarding rough-facing turning, semi-finish-facing turning, and finish-facing turning, respectively (mm) |
| a(3,13), name1(3) | Matrices of the database |
| ff | Code variable: ff = 1 for external frontal surfaces and ff = −1 for internal frontal surfaces |
| tft, i1 | Code variables regarding the number and types of technological sequences, respectively |
| ra | Required roughness (μm) |
| udL(udLn), ldL(ldLn) | Upper and lower deviations of L specified on the part drawing (mm) |
| cab | Casting process accuracy grade of the billet |
| Df | Diameter of clamping surface (mm) |
| drft, dsft, dfft | Depths of cut for rough-facing turning, semi-finish-facing turning, and finish-facing turning, respectively (mm) |
| p, m | Counting parameters that control the running cycles of the CDFTCI module |
| Lpre, Lpren | Calculated and standardized values for the previous dimension regarding L (mm) |
| Lcib, Lrft, Lsft | The length of the part related to the front face for billet, rough-facing turning, and semi-finishing-facing turning, respectively (mm) |
| δLcib | Final casting tolerance related Lcib (mm) |
| dtof, dcfi | Total depth of cut and depth of cut for a single pass related to facing turning, respectively (mm) |
| UNAZECIM | Subroutine that determines standardized value Lpren regarding Lpre |
| TOL | Subroutine for determining the tolerance δcib (mm). |
References
- Ulutan, D.; Ozel, T. Machining induced surface integrity in titanium and nickel alloys: A review. Int. J. Mach. Tools Manuf. 2011, 51, 250–280. [Google Scholar] [CrossRef]
- Fang, F.; Gu, C.; Hao, R.; You, K.; Huang, S. Recent Progress in Surface Integrity Research and Development. Engineering 2018, 4, 754–758. [Google Scholar] [CrossRef]
- Da Silva, R.B.; Sales, W.F.; Costa, E.S.; Ezugwu, E.O.; Bonney, J.; Da Silva, M.B.; Machado, A.R. Surface integrity and tool life when turning of Ti-6AI-4V with coolant applied by different methods. Int. J. Adv. Manuf. Technol. 2017, 93, 1893–1902. [Google Scholar] [CrossRef]
- Xie, W.; Zhao, B.; Liu, E.; Chai, Y.; Wang, X.; Yang, L.; Li, G.; Wang, J. Surface integrity investigation into longitudinal-torsional ultrasonic vibration side milling for a TC18 titanium alloy-part I: The effects of cutting speed on cutting force and surface integrity. Int. J. Adv. Manuf. Technol. 2022, 120, 2701–2713. [Google Scholar] [CrossRef]
- Pathade, H.P.; Gupta, M.K.; Kumar, N.; Pathade, M.P.; Wakchaure, P.B.; Gadhave, S.N.; Varpe, N.J.; Markad, A.V. A Review on Surface Integrity of Ball Burnnishing Process. Int. J. Res. Publ. Rev. 2022, 3, 137–151. [Google Scholar] [CrossRef]
- Malakizadi, A.; Bertolini, R.; Ducobu, F.; Kilic, Z.M.; Magnanini, M.C. Recent advances in modelling and simulation of surface integrity in machining–a review. Procedia CIRP 2021, 15, 232–240. [Google Scholar] [CrossRef]
- Dumas, M.; Valiorgue, F.; Robaeys, A.V.; Rech, J. Interaction between a roughing and finishing operation on the final surface integrity in turning. Procedia CIRP 2018, 71, 396–400. [Google Scholar] [CrossRef]
- Ivan, N.V.; Gavrus, C.; Oancea, G. A new method for establishing the depths of cut for cast iron parts turning. J. Braz. Soc. Mech. Sci. Eng. 2018, 40, 496. [Google Scholar] [CrossRef]
- Kovan, B.M. Calculul Adaosurilor de Prelucrare în Construcţia de Maşini (Calculation of Tooling Allowances in Machine Building Industry); Maşghiz Publishing House: Moskow, Russia, 1953. [Google Scholar]
- Kovan, B.M. Technologie de la Construction Mécanique (Machine Building Technology); Mir Publishing House: Moscow, Russia, 1970. [Google Scholar]
- Picos, C.; Pruteanu, O.; Bohosievici, C.; Coman, G.; Braha, V.; Paraschiv, D.; Slătineanu, L.; Grămescu, T.; Marin, A.; Ionesii, V.; et al. Proiectarea Tehnologiilor de Prelucrare Mecanică Prin Aşchiere (Cutting Processes Technologies Planning); Editura Universitas Publishing House: Chişinău, Russia, 1992; Volumes 1 and 2. [Google Scholar]
- Pratihar, D.K. Expert systems in manufacturing processes using soft computing. Int. J. Adv. Manuf. Technol. 2015, 81, 887–896. [Google Scholar] [CrossRef]
- Zhu, L.; Jiang, Z.; Shi, J.; Jin, C. An overview of turn-milling technology. Int. J. Adv. Manuf. Technol. 2015, 81, 493–505. [Google Scholar] [CrossRef]
- Baburaj, E.; Mohana Sundaram, K.M.; Senthil, P. Effect of high speed turning operation on surface roughness of hybrid metal matrix (Al-SiCp-fly ash) composite. J. Mech. Sci. Technol. 2016, 30, 89–95. [Google Scholar] [CrossRef]
- Prasad, B.S.; Babu, M.P. Correlation between vibration amplitude and tool wear in turning: Numerica and experimental analysis. Eng. Sci. Technol. Int. J. 2017, 20, 197–211. [Google Scholar] [CrossRef]
- Shin, Y.C.; Joo, Y.S. Optimization of machining conditions with practical constraints. Int. J. Prod. Res. 1992, 30, 2907–2919. [Google Scholar] [CrossRef]
- Wang, J. Multiple-objective optimization of machining operations based on neural networks. Int. J. Adv. Manuf. Technol. 1993, 8, 235–243. [Google Scholar] [CrossRef]
- Gupta, R.; Batra, J.L.; Lal, G.K. Determination of optimal subdivision of depth of cut in multipass turning with constraints. Int. J. Prod. Res. 1995, 33, 2555–2565. [Google Scholar] [CrossRef]
- Chen, M.C.; Tsai, D.M. A simulated annealing approach for optimization of multi-pass turning operations. Int. J. Prod. Res. 1996, 34, 2803–2825. [Google Scholar] [CrossRef]
- Onwubolu, G.C.; Kumalo, T. Optimization of multipass turning operations with genetic algorithms. Int. J. Prod. Res. 2001, 39, 3727–3745. [Google Scholar] [CrossRef]
- Chen, M.C. Optimizing machining economics models of turning operations using the scatter search approach. Int. J. Prod. Res. 2004, 42, 2611–2625. [Google Scholar] [CrossRef]
- Kumar, A.S.; Khan, M.A.; Thiraviam, R. Machining parameters optimization for alumina based ceramic cutting tools using genetic algorithm. Mach. Sci. Technol. 2006, 10, 471–489. [Google Scholar] [CrossRef]
- Sardinas, R.Q.; Santana, M.R.; Brindis, E.A. Genetic algorithm-based multi-objective optimization of cutting parameters in turning processes. Eng. Appl. Art. Intell. 2006, 19, 127–133. [Google Scholar] [CrossRef]
- Satishkumar, S.; Asokan, P.; Kumanan, S. Optimization of depth of cut in multi-pass turning using nontraditional optimization techniques. Int. J. Adv. Manuf. Technol. 2006, 29, 230–238. [Google Scholar] [CrossRef]
- Wang, Y.C.; Chen, T. Modelling and optimization of machining conditions for the multi-pass dry turning process. Proc. ImechE Part. B J. Eng. Manuf. 2008, 222, 1387–1394. [Google Scholar] [CrossRef]
- Srinivas, J.; Giri, R.; Yang, S.H. Optimization of multi-pass turning using particle swarm intelligence. Int. J. Adv. Manuf. Technol. 2009, 40, 56–66. [Google Scholar] [CrossRef]
- Bharathi Raja, S.; Baskar, N. Optimization techniques for machining operations: A retrospective research based on various mathematical models. Int. J. Adv. Manuf. Technol. 2010, 48, 1075–1090. [Google Scholar] [CrossRef]
- Costa, A.; Celano, G.; Fichera, S. Optimization of multi-pass turning economies through a hybrid particle swarm optimization technique. Int. J. Adv. Manuf. Technol. 2011, 53, 421–433. [Google Scholar] [CrossRef]
- Xie, S.; Guo, Y. Optimisation of machining parameters in multi-pass turnings using ant colony optimisations. Int. J. Mach. Mach. Mater. 2012, 11, 204–220. [Google Scholar] [CrossRef]
- Belloufi, A.; Assas, M.; Rezgui, I. Optimization of Turning Operations by Using a Hybrid Genetic Algorithm with Sequential Quadratic Programming. J. Appl. Res. Technol. 2013, 11, 88–94. [Google Scholar] [CrossRef]
- Lu, K.; Jing, M.; Zhang, X.; Liu, H. Optimization of sequential subdivision of depth of cut in turning operations using dynamic programming. Int. J. Adv. Manuf. Technol. 2013, 68, 1733–1744. [Google Scholar] [CrossRef]
- Lu, K.; Jing, M.; Zhang, X.; Dong, G.; Liu, H. An effective optimization algorithm for multipass turning of flexible workpieces. J. Intell. Manuf. 2015, 26, 831–840. [Google Scholar] [CrossRef]
- Yildiz, A.R. Hybrid Taguchi-differential evolution algorithm for optimization of multipass turning operations. Appl. Soft Comput. 2013, 13, 1433–1439. [Google Scholar] [CrossRef]
- Mokhtari Homami, R.; Fadaei Tehrani, A.; Mirzadeh, H.; Movahedi, B.; Azimifar, F. Optimization of turning process using artificial intelligence technology. Int. J. Adv. Manuf. Technol. 2014, 70, 1205–1217. [Google Scholar] [CrossRef]
- Gayatri, R.; Baskar, N. Performance analysis of non-traditional algorithmic parameters in machining operation. Int J Adv Manuf Technol 2015, 77, 443–460. [Google Scholar] [CrossRef]
- Mellal, M.A.; Williams, E.J. Cuckoo optimization algorithm for unit production cost in multi-pass turning operations. Int. J. Adv. Manuf. Technol. 2015, 76, 647–656. [Google Scholar] [CrossRef]
- Jabri, A.; Barcany, A.E.; Khalfi, A.E.I. Multipass Turning Operation Process Optimization Using Hybrid Genetic Simulated Annealing Algorithm. Model. Simul. Eng. 2017, 2017, 1940635. [Google Scholar] [CrossRef]
- Xu, S.; Wang, Y.; Huang, F. Optimization of multi-pass turning parameters through an improved flower pollination algorithm. Int. J. Adv. Manuf. Technol. 2017, 89, 503–514. [Google Scholar] [CrossRef]
- Abbas, A.T.; Pimenov, D.Y.; Erdakov, I.N.; Taha, M.A.; Soliman, M.S.; Rayes, M.M.E. ANN Surface Roughness Optimization of AZ61 Magnesium Alloy Finish Turning: Minimum Machining Times at Prime Machining Costs. Materials 2018, 11, 808. [Google Scholar] [CrossRef] [PubMed]
- Abbas, A.T.; Benyahia, F.; Rayes, M.M.E.; Pruncu, C.; Taha, M.A.; Hegab, H. Towards Optimization of Machining Performance and Sustainability Aspects when Turning AISI 1045 Steel under Different Cooling and Lubrication Strategies. Materials 2019, 12, 3023. [Google Scholar] [CrossRef]
- Radovanovic, M. Multi-objective optimization of multi-pass turning AISI 1064 steel. Int. J. Adv. Manuf. Technol. 2019, 100, 87–100. [Google Scholar] [CrossRef]
- Mia, M.; Krolczyk, G.; Maruda, R.; Wojciechowski, S. Intelligent Optimization of Hard-Turning Parameters Using Evolutionary Algorithms for Smart Manufacturing. Materials 2019, 12, 879. [Google Scholar] [CrossRef]
- Sofuoğlu, M.A.; Çakır, F.H.; Gürgen, S. An efficient approach by adjusting bounds for heuristic optimization algorithms. Soft Comput. 2019, 23, 5199–5212. [Google Scholar] [CrossRef]
- Danish, M.; Rubaice, S.; Ijaz, H. Predictive Modelling and Multi-Objective Optimization of Surface Integrity Parameters in Sustainable Machining Processes of Magnesium Alloy. Materials 2021, 14, 3547. [Google Scholar] [CrossRef] [PubMed]
- Huang, X.; He, Z.; Chen, Y.; Xie, S. A Divide-and-Conquer Bat Algorithm with Direction of Mean Best Position for Optimization of Cutting Parameters in CNC Turnigs. Comput. Intell. Neurosci. 2022, 2022, 4719266. [Google Scholar] [CrossRef] [PubMed]
- Gavrus, C.; Ivan, N.V.; Oancea, G. Machining Parameters Optimization Based on Objective Function Linearization. Mathematics 2022, 10, 803. [Google Scholar] [CrossRef]
- ISO 8062; International Standard ISO 8062. ISO: Geneva, Switzerland, 1994.
Disclaimer/Publisher’s Note: The statements, opinions and data contained in all publications are solely those of the individual author(s) and contributor(s) and not of MDPI and/or the editor(s). MDPI and/or the editor(s) disclaim responsibility for any injury to people or property resulting from any ideas, methods, instructions or products referred to in the content. |
© 2023 by the authors. Licensee MDPI, Basel, Switzerland. This article is an open access article distributed under the terms and conditions of the Creative Commons Attribution (CC BY) license (https://creativecommons.org/licenses/by/4.0/).






