SE-Lightweight YOLO: Higher Accuracy in YOLO Detection for Vehicle Inspection
Abstract
:1. Introduction
- To propose a target detection algorithm with higher accuracy that can also detect different types of vehicles.
- To improving the spatial pyramid pooling module in the original framework of YOLOv7.
- To verify the practical value of the proposed method by experimental results on real datasets, which can greatly improve recognition accuracy. It can also support the expectation of the model’s application in the future.
2. Breif Introduction of YOLOv7
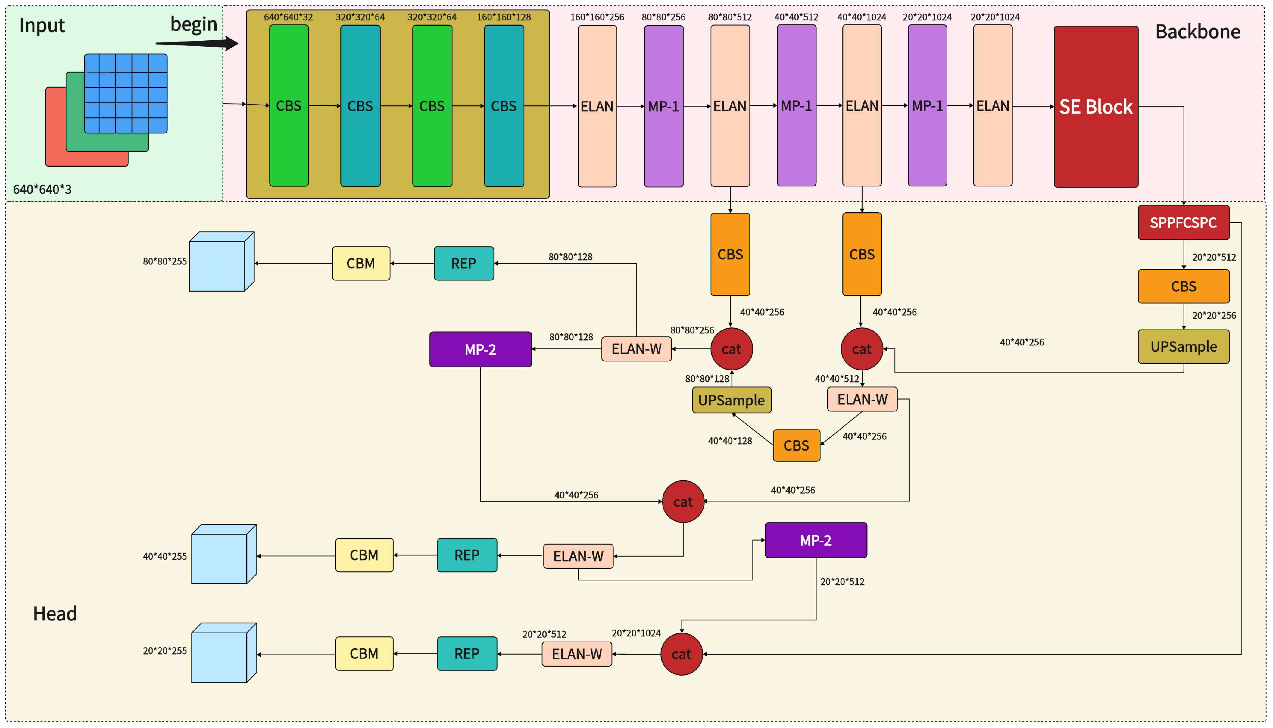
2.1. YOLOv7 Object Detection Algorithm
2.1.1. Input
2.1.2. Backbone
2.1.3. Neck
2.1.4. Head
- Bounding Box RegressionThe target’s position in the input image is usually represented as the bounding box coordinates. For each detection box, the header generates four values representing the coordinates of the bounding box’s upper left and lower right corners.
- Class ClassificationAnother critical function is to categorize the detected targets. The detection header generates a category probability distribution for each detection frame, indicating the probability that the target belongs to each possible category. Usually, the model selects the category with the highest probability as the predicted category.
- Object Confidence EstimationIn addition to location and category, the detection header generates a target confidence score, which indicates the model’s confidence in whether each bounding box contains a valid target. This score is typically used to filter out detections with high confidence.
- Other function
3. Related Work
4. Approach to the New Change of the Improved YOLO Network Model
4.1. Replace SPPCSPC Module with the SPPFCSPC Module
4.2. Squeeze-and-Excitation Attention
5. Experiment
5.1. Dataset
5.2. Image Enhancement
5.3. Environment Configuration
5.4. Evaluation Method
5.4.1. Confusion Matrix
5.4.2. Evaluation Index
5.5. Outcoming
5.6. Analysis of the Experiment Outcome
5.7. Comparison of the Different Models
6. Conclusions
Author Contributions
Funding
Data Availability Statement
Acknowledgments
Conflicts of Interest
Abbreviations
| ITS | Intelligent Transportation System |
| mAP | Mean Average Precision |
| P | Precision |
| R | Recall |
| F1 | F1-Score |
| SPP | Spatial Pyramid Pooling |
| YOLO | You Only Look Once |
| SE | Squeeze-and-Excitation |
| SPPCSPC | Spatial Pyramid Pooling Connected Spatial Pyramid Convolution |
| SPPFCSPC | Spatial Pyramid Pooling Fully Connected Spatial Pyramid Convolution |
| AUC-PR | Area Under the Precision–Recall Curve |
| SSD | Single-Shot Multibox Detector |
| CNN | Convolutional Neural Network |
| IoT | Internet of Things |
| SSH | Single-Stage Headless |
| SIFT | Scale-Invariant Feature Transform |
References
- Dimitrakopoulos, G.; Demestichas, P. Intelligent Transportation Systems. IEEE Veh. Technol. Mag. 2010, 3, 77–84. [Google Scholar] [CrossRef]
- Zeng, Y. Optimal Control and Application of Traffic Light Timing Based on Fuzzy Control. Master’s Thesis, Changsha University of Technology, Changsha, China, 2020. [Google Scholar] [CrossRef]
- Issues Report: Smart Transportation Market. Manufacturing Close-Up. 2020. Available online: https://www.researchandmarkets.com/ (accessed on 26 October 2023).
- Cao, Z.W. Research on highway congestion mitigation technology based on intelligent transport. Intell. Build. Smart City 2023, 168–170. [Google Scholar] [CrossRef]
- Xu, Z.; Cao, Y.; Kang, Y.; Zhao, Z. Vehicle emission control on road with temporal traffic information using deep reinforcement learning. IFAC-PapersOnLine 2020, 53, 14960–14965. [Google Scholar] [CrossRef]
- Cao, Z.; Jiang, S.; Zhang, J.; Guo, H. A unified framework for vehicle rerouting and traffic light control to reduce traffic congestion. IEEE Trans. Intell. Transp. Syst. 2016, 18, 1958–1973. [Google Scholar] [CrossRef]
- Wang, C.-Y.; Bochkovskiy, A.; Liao, H.-Y.M. YOLOv7: Trainable bag-of-freebies sets new state-of-the-art for real-time object detectors. Comput. Vis. Pattern Recognit. 2023, 7, 7464–7475. [Google Scholar]
- Li, Z.; Yuan, J.; Li, G.; Wang, H.; Li, X.; Li, D.; Wang, X. RSI-YOLO: Object Detection Method for Remote Sensing Images Based on Improved YOLO. Sensors 2023, 23, 6414. [Google Scholar] [CrossRef] [PubMed]
- Yang, W.; Tang, X.; Jiang, K.; Fu, Y.; Zhang, X. An Improved YOLOv5 Algorithm for Vulnerable Road User Detection. Sensors 2023, 23, 7761. [Google Scholar] [CrossRef]
- Sang, J.; Wu, Z.; Guo, P.; Hu, H.; Xiang, H.; Zhang, Q.; Cai, B. An Improved YOLOv2 for Vehicle Detection. Sensors 2018, 18, 4272. [Google Scholar] [CrossRef]
- Wang, Y.; Guan, Y.; Liu, H.; Jin, L.; Li, X.; Guo, B.; Zhang, Z. VV-YOLO: A Vehicle View Object Detection Model Based on Improved YOLOv4. Sensors 2023, 23, 3385. [Google Scholar] [CrossRef]
- Song, W.; Suandi, S.A. TSR-YOLO: A Chinese Traffic Sign Recognition Algorithm for Intelligent Vehicles in Complex Scenes. Sensors 2023, 23, 749. [Google Scholar] [CrossRef]
- Wu, J.-D.; Chen, B.-Y.; Shyr, W.-J.; Shih, F.-Y. Vehicle Classification and Counting System Using YOLO Object Detection Technology. Trait. Signal 2021, 38, 1087–1093. [Google Scholar] [CrossRef]
- He, K.; Zhang, X.; Ren, S.; Sun, J. Spatial Pyramid Pooling in Deep Convolutional Networks for Visual Recognition. IEEE Trans. Pattern Anal. Mach. Intell. 2015, 37, 1904–1916. [Google Scholar] [CrossRef] [PubMed]
- Wang, Z.; Zhang, X.; Li, J.; Luan, K. A YOLO-Based Target Detection Model for Offshore Unmanned Aerial Vehicle Data. Sustainability 2021, 13, 12980. [Google Scholar] [CrossRef]
- Qiu, Z.; Bai, H.; Chen, T. Special Vehicle Detection from UAV Perspective via YOLO-GNS Based Deep Learning Network. Drones 2023, 7, 117. [Google Scholar] [CrossRef]
- Zarei, N.; Moallem, P.; Shams, M. Fast-Yolo-Rec: Incorporating Yolo-Base Detection and Recurrent-Base Prediction Networks for Fast Vehicle Detection in Consecutive Images. IEEE Access 2022, 10, 120592–120605. [Google Scholar] [CrossRef]
- Liao, L.; Luo, L.; Su, J.; Xiao, Z.; Zou, F.; Lin, Y. Eagle-YOLO: An Eagle-Inspired YOLO for Object Detection in Unmanned Aerial Vehicles Scenarios. Mathematics 2023, 11, 2093. [Google Scholar] [CrossRef]
- Li, Y.; Wang, J.; Huang, J.; Li, Y. Research on Deep Learning Automatic Vehicle Recognition Algorithm Based on RES-YOLO Model. Sensors 2022, 22, 3783. [Google Scholar] [CrossRef]
- Carrasco, D.P.; Rashwan, H.A.; García, M.Á.; Puig, D. T-YOLO: Tiny Vehicle Detection Based on YOLO and Multi-Scale Convolutional Neural Networks. IEEE Access 2021, 11, 22430–22440. [Google Scholar] [CrossRef]
- Zapletal, D.; Herout, A. Vehicle Re-Identification for Automatic Video Traffic Surveillance. Comput. Vis. Pattern Recognit. 2016, 3, 25–31. [Google Scholar]
- Khana, S.D.; Ullah, H. A survey of advances in vision-based vehicle re-identification. Comput. Vis. Image Underst. 2019, 182, 50–63. [Google Scholar] [CrossRef]
- El-gayar, M.M.; Soliman, H.; Meky, N. A comparative study of image low level feature extraction algorithms. Egypt. Inform. J. 2013, 14, 175–181. [Google Scholar] [CrossRef]
- Niu, C.; Wang, W.; Li, N. A Mathematical Model for Analyzing and Identifying the Composition of Ancient Glass Objects and Its Application. J. Mater. Process. Des. 2022, 6, 86–95. [Google Scholar] [CrossRef]
- Niu, C.; Hou, H.; Shen, Y.; Zhou, Z. The listing price prediction of used sailboats based on LM-BP Neural Network. In Proceedings of the 2023 IEEE 7th Information Technology and Mechatronics Engineering Conference (ITOEC), Chongqing, China, 15–17 September 2023; Volume 7, pp. 1931–1935. [Google Scholar]
- Ye, J.; Yuan, Z.; Qian, C.; Li, X. CAA-YOLO: Combined-Attention-Augmented YOLO for Infrared Ocean Ships Detection. Sensors 2022, 22, 3782. [Google Scholar] [CrossRef] [PubMed]
- Zhou, L.; Deng, G.; Li, W.; Mi, J.; Lei, B. A lightweight SE-YOLOv3 network for multi-scale object detection in remote sensing imagery. Int. J. Pattern Recognit. Artif. Intell. 2021, 35, 2150037. [Google Scholar] [CrossRef]
- Hou, Q.; Zhou, D.; Feng, J.; Hou, Q.; Zhou, D.; Feng, J. Coordinate Attention for Efficient Mobile Network Design. Comput. Vis. Pattern Recognit. 2021, 13713–13722. [Google Scholar]
- Ren, S.; He, K.; Girshick, R.; Sun, J. Faster R-CNN: Towards real-time object detection with region proposal networks. arXiv 2015, arXiv:1506.01497. [Google Scholar] [CrossRef] [PubMed]
- Song, Y.; Hong, S.; Hu, C.; He, P.; Tao, L.; Tie, Z.; Ding, C. MEB-YOLO: An Efficient Vehicle Detection Method in Complex Traffic Road Scenes. Comput. Mater. Contin. 2023, 75, 5761–5784. [Google Scholar] [CrossRef]
- Tai, S.-K.; Dewi, C.; Chen, R.-C.; Liu, Y.-T.; Jiang, X.; Yu, H. Deep Learning for Traffic Sign Recognition Based on Spatial Pyramid Pooling with Scale Analysis. Appl. Sci. 2020, 10, 6997. [Google Scholar] [CrossRef]
- Jasem, N.H.; Mohammad, F.G. Iraqi License Plate Recognition System Using (YOLO) with SIFT and SURF Algorithm. J. Mech. Contin. Math. Sci. 2020, 15, 545–561. [Google Scholar] [CrossRef]
- Widyastuti, R.; Yang, C.K. Cat’s nose recognition using you only look once (YOLO) and scale-invariant feature transform (SIFT). In Proceedings of the 2018 IEEE 7th Global Conference on Consumer Electronics (GCCE), Nara, Japan, 9–12 October 2018; pp. 55–56. [Google Scholar]
- Lu, P.; Ding, Y.; Wang, C. Multi-small target detection and tracking based on improved YOLO and SIFT for drones. Int. J. Innov. Comput. Inf. Control 2021, 17, 205–224. [Google Scholar]
- Wu, C.; Ye, M.; Zhang, J.; Ma, Y. YOLO-LWNet: A Lightweight Road Damage Object Detection Network for Mobile Terminal Devices. Sensors 2023, 23, 3268. [Google Scholar] [CrossRef] [PubMed]
- Wan, F.; Sun, C.; He, H.; Lei, G.; Xu, L.; Xiao, T. YOLO-LRDD: A lightweight method for road damage detection based on improved YOLOv5s. EURASIP J. Adv. Signal Process. 2022, 2022, 98. [Google Scholar] [CrossRef]
- Huang, Z.; Wu, J.; Su, L.; Xie, Y.; Li, T.; Huang, X. SP-YOLO-Lite: A Lightweight Violation Detection Algorithm Based on SP Attention Mechanism. Electronics 2023, 12, 3176. [Google Scholar] [CrossRef]




















| Data Scale | Image Scale |
|---|---|
| Train | 7566 |
| Validation | 805 |
| Test | Real-time validation of functional models |
| Total | 8371 |
| Configuration | Specific Version |
|---|---|
| CPU | Intel(R) Xeon(R) Silver 4208 CPU @ 2.10 GHz |
| Memory | 160 GB |
| GPU | NVIDIA Quadro RTX 5000 |
| Operation system | Windows 10 (64-bit) |
| Editing language | Python 3.8 |
| CUDA version | CUDA 11.7 |
| Deep learning framework | Pytorch 2.0.1 |
| Class | Precision (%) | Recall (%) | mAP@0.5 (%) | mAP@0.5:0.95 (%) | ||||
|---|---|---|---|---|---|---|---|---|
| Initial | Improved | Initial | Improved | Initial | Improved | Initial | Improved | |
| bicycle | 94.5 | 95.1 | 88.2 | 91.4 | 92.2 | 93.4 | 74.3 | 75.2 |
| bus | 91.8 | 92.3 | 96.7 | 98.1 | 97.4 | 97.6 | 88.8 | 89.1 |
| car | 93.9 | 94.6 | 93.3 | 96.3 | 96.1 | 94.3 | 75.9 | 77.4 |
| motorbike | 94.2 | 95.1 | 84.8 | 89.1 | 92.3 | 96.6 | 59.4 | 61.6 |
| person | 88.6 | 92.7 | 85.7 | 90.3 | 89.7 | 92.4 | 63.1 | 64.4 |
| truck | 99.2 | 99.6 | 100 | 100 | 99.5 | 99.9 | 96.2 | 97.3 |
| all | 93.7 | 94.9 | 92.6 | 94.2 | 94.5 | 95.7 | 76.3 | 77.5 |
| Model | Precision (%) | Recall (%) | mAP @0.5 (%) | mAP@0.5/0.95 (%) | Detection Speed per Frame (s) |
|---|---|---|---|---|---|
| SSD | 78.1 | 78.6 | 79.4 | 55.9 | 0.43 |
| Faster R-CNN | 80.4 | 86.4 | 84.2 | 61.8 | 0.84 |
| SPPNet | 89.1 | 91.6 | 90.4 | 69.7 | 0.68 |
| SE-YOLOv5 | 92.5 | 92.3 | 93.4 | 72.6 | 0.39 |
| YOLOv7 | 93.7 | 92.6 | 94.5 | 76.3 | 0.37 |
| Our model | 94.9 | 94.2 | 95.7 | 77.5 | 0.41 |
Disclaimer/Publisher’s Note: The statements, opinions and data contained in all publications are solely those of the individual author(s) and contributor(s) and not of MDPI and/or the editor(s). MDPI and/or the editor(s) disclaim responsibility for any injury to people or property resulting from any ideas, methods, instructions or products referred to in the content. |
© 2023 by the authors. Licensee MDPI, Basel, Switzerland. This article is an open access article distributed under the terms and conditions of the Creative Commons Attribution (CC BY) license (https://creativecommons.org/licenses/by/4.0/).
Share and Cite
Niu, C.; Song, Y.; Zhao, X. SE-Lightweight YOLO: Higher Accuracy in YOLO Detection for Vehicle Inspection. Appl. Sci. 2023, 13, 13052. https://doi.org/10.3390/app132413052
Niu C, Song Y, Zhao X. SE-Lightweight YOLO: Higher Accuracy in YOLO Detection for Vehicle Inspection. Applied Sciences. 2023; 13(24):13052. https://doi.org/10.3390/app132413052
Chicago/Turabian StyleNiu, Chengwen, Yunsheng Song, and Xinyue Zhao. 2023. "SE-Lightweight YOLO: Higher Accuracy in YOLO Detection for Vehicle Inspection" Applied Sciences 13, no. 24: 13052. https://doi.org/10.3390/app132413052
APA StyleNiu, C., Song, Y., & Zhao, X. (2023). SE-Lightweight YOLO: Higher Accuracy in YOLO Detection for Vehicle Inspection. Applied Sciences, 13(24), 13052. https://doi.org/10.3390/app132413052

