Abstract
This paper proposes a high-precision interventional pressure measurement catheter with a compact structure for in vivo pressure monitoring. This catheter uses a minimally invasive testing method, and the proposed compact structure reduces pressure loss caused by fluid movement inside the catheter, ensuring accuracy in dynamically varying pressure measurements. The paper conducts a theoretical analysis of the pressure transmission process inside the catheter, fabricates a prototype, and establishes both dynamic and static pressure testing systems. Through experimental research on the effects of the catheter’s dimensions on the accuracy of dynamically varying pressure measurements, it demonstrates that the compact pressure measurement catheter can effectively enhance the precision of dynamically varying pressure measurements. The catheter offers high precision, small size, and simple manufacturing processes. It holds promising applications in fields such as in-body pressure measurement and microfluidic system monitoring.
1. Introduction
In vivo pressure monitoring is a crucial means of assessing organ health. Particularly, high-precision dynamic monitoring of in-body pressure is of significant importance for controlling and treating patients’ conditions. For example, early symptoms of atrial fibrillation in patients primarily manifest as arrhythmias, with patients experiencing brief episodes of rapid, slow, or irregular heartbeats. Blood pressure monitoring is needed to assess the heart’s condition, thereby obtaining the correct treatment [1,2,3]. Similarly, patients with uremia may experience early urine reflux, leading to sustained or sudden increases in renal pressure, gradually exceeding the kidney’s tolerance [4,5,6]. Early in vivo pressure monitoring within the kidneys can control the damage to the kidneys caused by the disease [7]. Additionally, most patients with cranial diseases require long-term monitoring of intracranial pressure (ICP). When the intracranial pressure is too high, patients may experience a range of clinical symptoms, such as dizziness, nausea, and vomiting. Early and long-term monitoring of ICP in patients can also help in the prevention and treatment of hypoxemia, subarachnoid hemorrhage, tumor-related swelling, and other intracranial space-occupying diseases [8,9,10].
Currently, there are many types of in vivo pressure monitoring devices used in conventional medical testing and treatment processes [11,12,13,14,15], mainly divided into non-invasive and invasive pressure measurement devices, with invasive measurement regarded as the gold standard for pressure monitoring. Non-invasive pressure measurement devices usually employ sensors, such as fiber optic sensors and pressure sensors, to measure in vivo pressure through the human skin, fat tissue, muscle tissue, and external walls of blood vessels [16,17,18]. These require specific wearing methods, measurement techniques, and algorithms to achieve in vivo pressure measurements [19,20,21]. Although such methods do not harm the patient, their measurement accuracy is lower than that of invasive monitoring devices [22,23]. At present, in critical settings, such as intensive care units (ICU) and surgeries, clinically more accurate invasive in vivo pressure measurement devices, such as invasive blood pressure (IBP) monitors, are used. An IBP monitor typically employs a puncturing method to place a needle inside the brachial, radial, or dorsal pedal artery. The in vivo pressure is transmitted through a catheter that is 100 cm to 150 cm long, with an inner diameter of less than 2 mm and filled with saline, to the pressure sensor at the end of the catheter. This sensor then measures and sends the pressure signal to the monitor. This method of long catheter pressure transmission can relatively accurately measure the pressure of static or uniformly flowing fluids. However, dynamic changes in the body’s fluid pressure cause the fluid to flow within the catheter, resulting in pressure loss, which is related to the overall length and size of the pressure transmission catheter [24,25]. Longer pressure transmission catheters produce fluid dynamically varying pressure loss, leading to a decrease in the accuracy of dynamic measurement results, making it difficult to meet the increasingly high accuracy requirements of modern measurements. Implantable pressure measurement devices, such as pressure guidewires, are types that directly implant pressure sensors at the measurement points, eliminating the need for a pressure transmission process, hence they achieve high static and dynamic accuracy. However, these devices also have certain limitations: 1. These devices require complex implantation methods (such as surgery) that carry certain risks; 2. Long-term implantation of devices in areas like the cranial or vascular regions can lead to clinical symptoms, such as inflammation and embolism; 3. Such implantable pressure measurement devices embed sensors inside the human body, making it difficult to timely clean or replace the sensors; and 4. These devices are costly, making them impractical for routine monitoring. Therefore, these types of implantable devices are only used in scenarios like surgery and emergency care and are not suitable for long-term health monitoring.
In response to the above challenges, there is an urgent need to create a device capable of high accuracy in both dynamic and static pressure measurements and that is easy to use. Therefore, this paper proposes and develops a high-precision interventional pressure measurement catheter with a compact structure. This catheter uses the interventional in vivo pressure measurement method shown in Figure 1. The front end of the catheter body is placed at the in vivo pressure measurement point (such as blood vessels, urethra, etc.), utilizing the saline inside the catheter to transmit pressure to the pressure sensor, ensuring the accuracy of static pressure measurements. The main body of the pressure measurement catheter uses a compact structure, the design philosophy of which is as follows: The internal part of the catheter body must conform to the size and puncturing method requirements of the human body’s measurement site (such as blood vessels and the urethra), while the external part of the catheter body should adhere to the principles of reducing length and increasing diameter. This structure can reduce the dynamically varying pressure loss caused by the long size of existing invasive pressure measurement devices and, thus, meeting the accuracy requirements for dynamically varying pressure measurements needed to monitor constantly changing pressures within the human body. The prototype of the designed pressure measurement catheter has an external part that is only 30 mm long with an internal diameter of 3.4 mm, and it includes a wireless communication module, eliminating the cumbersome wiring of traditional invasive blood pressure monitors and making wearable measurements possible.
Figure 1.
Measurement method and structure of the compact pressure measurement catheter.
To validate the dynamic and static pressure measurement precision of the high-precision interventional pressure measurement catheter with a compact structure, we first fabricated the pressure measurement catheter and set up a testing system for precision verification. The pressure measurement catheter with a compact structure was made from polydimethylsiloxane (PDMS), which contains a large number of methyl side chains in its molecules. Additionally, this material demonstrates significant stability within biological systems [26], and is widely used in the research of microfluidic chips, miniature implanted sensors, and medical devices [27,28]. It is a type of silicone tubing material with excellent performance in the research phase. Additionally, to provide the sensor (BMP280; Bosch) with the ability to resist bodily fluid penetration, Parylene C was used for surface modification treatment. Subsequently, a high-precision static testing system was utilized to verify the static pressure precision indicators of the pressure measurement catheter (non-linearity, repeatability, hysteresis, etc.) [29]. Furthermore, a dynamic testing system established in this study explored the impact of different catheter sizes on dynamic measurement precision, thereby validating the effects of the compact structure on enhancing dynamically varying pressure measurement precision.
2. Composition and Pressure Measurement Principle of the Compact Pressure Measurement Catheter
As shown in Figure 2, the compact pressure measurement catheter consists of four main components: the compact catheter body, high-precision pressure sensor, wireless communication circuit, and shell. The catheter body is made from PDMS, which has hydrophobic properties and a compact structure. The high-precision pressure sensor and its casing are made biocompatible and fluid-resistant through the deposition of Parylene C for surface modification.
Figure 2.
Components of the Compact Pressure Measurement Catheter.
When using the compact high-precision interventional pressure measurement catheter, the catheter is filled with saline. It is then inserted into the body at the pressure measurement point (such as blood vessels, urethra, etc.) through a minimally interventional approach. At this location, the pressure inside the body cavity is transmitted to the high-precision pressure sensor through the small amount of saline in the catheter, and the pressure signal is transmitted to the computer system via the communication circuit. Since most of the pressure inside the human body fluctuates, monitoring in vivo pressure not only requires high-precision static measurement but is also necessary to achieve precise measurement of dynamic signals, such as changes in in-body pressure. The following theoretical analysis in Figure 3 addresses the different dynamic and static pressure measurement scenarios in response to the above conditions.
Figure 3.
Theoretical analysis of the dynamic and static pressure measurement process of the pressure measurement catheter: (a) Measurement situation when the test point is under static pressure; (b) measurement situation when the test point is under dynamically varying pressure.
When the pressure at the test point remains stable, as shown in Figure 3a, the fluid inside the catheter is in a static state, and at this time, the sensor’s measured value is equivalent to the total static pressure, . The mechanical relationship in this connected part is as follows:
where is the static pressure part at the sensor’s location, is the pressure at the front end of the pressure catheter connected to the internal fluid surface (equal to the pressure of the inner wall of the cavity to be measured, which is the target measurement value for the pressure sensor), is the density of the liquid, is the acceleration due to gravity, and is the vertical distance from the location of the monitoring system to the position of . Under this condition, it can be regarded as the sensor directly measuring the liquid pressure, without the influence of vascular walls, muscle layers, fat layers, and skin or other surface tissues. Its measurement accuracy far exceeds that of indirect measurement devices, and the structure and materials of the pressure catheter do not affect the measurement results.
When the pressure increases or decreases, the walls of the compact pressure measurement catheter deform, causing the fluid inside the catheter to flow due to this deformation. Most of the fluid flow inside the body is laminar, so the flow speed of the fluid in the pressure measurement catheter connected to the body is also very low, and its Reynolds number is far less than 2000, which can be considered as laminar flow. For flowing liquids, the pressure experienced by the sensor is as follows:
where is the total pressure experienced by the sensor, q is the dynamically varying pressure part of the pressure felt by the sensor, and ∆P is the pressure loss caused by the fluid passing through the catheter, calculated as follows:
where is the velocity of the liquid flow, determined by the rate of dynamically varying pressure change at the measurement point. At this time, the pressure at the measurement point is as follows:
When is known or could be ignored, the difference between the pressure at the measurement point and the sensor pressure can be approximately equal to the pressure loss , which can be derived using the Darcy formula:
where λ is the friction factor, L is the length of the catheter, and D is the diameter of the catheter. Under the same conditions, the friction factor λ varies with different catheter materials, diameters, and lengths, and is related to the Reynolds number and the roughness and hydrophobicity of the catheter walls. The friction factor for laminar flow can be approximated using the Reynolds number:
where μ represents the dynamic viscosity of the fluid. Substituting into Equation (5) gives the dynamically varying pressure loss model:
From the above formula, the theoretical analysis results can be obtained:
Through the dynamically varying pressure loss model, we can analyze the relationship between dynamically varying pressure loss, ∆P, and the structure of the catheter; increasing the length, L, of the catheter or reducing its diameter, D, will both lead to an increase in dynamically varying pressure loss, ∆P. To reduce the dynamically varying pressure loss, ∆P, this paper utilizes a compact structure for the main body of the pressure measurement catheter: reducing the length L of the catheter as much as possible while still meeting usage conditions and increasing the diameter D of the catheter as much as possible under the same conditions. Therefore, the sensor can obtain a good dynamically varying pressure signal from the in-body measurement point with minimized dynamically varying pressure loss.
3. Creation of the Prototype and Establishment of the Dynamic and Static Testing Systems
Based on the theoretical analysis results, the designed interventional pressure measurement catheter with a compact structure has an external part with an internal diameter of 3.4 mm, an overall wall thickness of 0.5 mm, and a length of 30 mm. The sensor, after undergoing an anti-permeation surface treatment, is directly placed inside the external part of the catheter body. The outer diameter of the internal part of the catheter body is designed to be 1.2 mm, with an internal diameter of 0.7 mm, and a length of 20 mm. Using these dimensions, the red wax mold shown in Figure 4a is created via 3D printing. For long-term pressure monitoring, the prototype communicates through a miniaturized, low-energy pressure signal transmission system, which includes a signal collection module, a Bluetooth communication module, and a power module.
Figure 4.
(a) Red wax mold; (b) PDMS curing process.
3.1. Manufacturing Process of the Catheter Body
Due to the different inner and outer diameters of the pressure catheter and the need for integral molding, the pressure measurement catheter body is manufactured by casting. The raw material used is PDMS, and the casting mold is made from red wax, 3D printed in a way that does not affect the curing process of PDMS.
The manufacturing process of the pressure measurement catheter body is shown in Figure 4b: Firstly, carry out the mixing process as shown in Figure 4b. Add PDMS (Sylgard 184; Dow Corning) and curing agent to the container in a mass ratio of 5:1, and then stir thoroughly to ensure that the crosslinking reaction of the mixture occurs fully during the curing stage, ensuring the quality of curing. Second, remove the bubbles from the mixture. Place the bubble-filled mixture into the vacuum drying oven shown in Figure 4. The vacuum oven should have a pressure difference greater than 0.07 MPa from the external atmosphere, and the bubble extraction time should be 15 min per cycle, repeating three times to ensure all bubbles are completely removed from the mixture. Third, proceed with the casting and complete the curing process. At temperatures between 25 °C and 120 °C, the PDMS macromolecules undergo cross-linking reactions to form a network structure, resulting in a transparent elastic solid [30]. The catheter is prepared with a PDMS to curing agent ratio of 5:1.
3.2. Manufacturing Process of the Pressure Sensor Encapsulation
To achieve accurate measurement of fluid pressure within a biological cavity, the pressure sensor should have the following characteristics: (1) Long-term impermeability. The sensor (BMP280; Bosch) needs to operate in a conductive liquid environment for extended periods. If liquid penetrates the sensor interior, it will not only cause the entire monitoring system to fail but will also contaminate the fluid to be measured. (2) Biocompatibility. Since the system monitors biological entities, and the sensor is placed in a catheter connected to the fluid to be measured, the encapsulating materials used by the sensor can cause protein adhesion, leading to blockages, making biocompatibility a necessary condition to ensure the health of the biological entity.
To meet these requirements, a layer of Parylene C protective coating is attached to the external surface of the existing pressure sensor [31]. Parylene is prepared by vacuum chemical vapor deposition, can coat surfaces of various shapes, and has excellent electrical insulation and protective qualities. It effectively prevents moisture, mold, corrosion, and salt spray [32].
The coating process uses a low-pressure chemical vapor deposition (LPCVD) method, with the equipment being a PDS2010 Parylene Coating System (Specialty Coating Systems, Inc., Indianapolis, IN, USA). The materials used for encapsulation are Parylene C (Specialty Coating Systems, Inc.) and a silane coupling agent. The specific procedure for this single-layer coating experiment is as follows: Place the pressure sensor to be encapsulated in the vacuum deposition chamber of the device. Before placing it in the deposition chamber, clean the surface of the pressure sensor, then place 5 mL of silane coupling agent in the evaporation chamber of the Parylene coating system. Next, place the solid dimer form of para-xylylene into the PDS2010 evaporation chamber. During deposition, every 0.6 g of type-C material corresponds to a 1 μm film. The silane coupling agent vaporizes when a vacuum is applied, filling the chamber with silane gas, and forming a nanoscale layer of coupling molecules on the device surface to enhance the adhesion between Parylene C and the silicon piezoresistive sensor. The gaseous monomer of para-xylylene enters the PDS2010 vacuum deposition chamber at room temperature and a pressure of 13.3 Pa, where it polymerizes and deposits on the device surface. The vacuum level in the vacuum deposition chamber is maintained at 1.3 Pa, resulting in a high-fidelity and dense Parylene C polymer film.
3.3. Construction of the Static Testing System
To verify the static performance of the compact pressure measurement catheter, this paper designed and constructed a high-precision static pressure automatic testing system. The system responds quickly and controls pressure with high precision, capable of reaching the desired pressure value within 30 s inside the cavity, with pressure control precision reaching ±1 Pa. The overall system error is within 10 Pa, enabling the full automation of testing for the compact pressure measurement catheter.
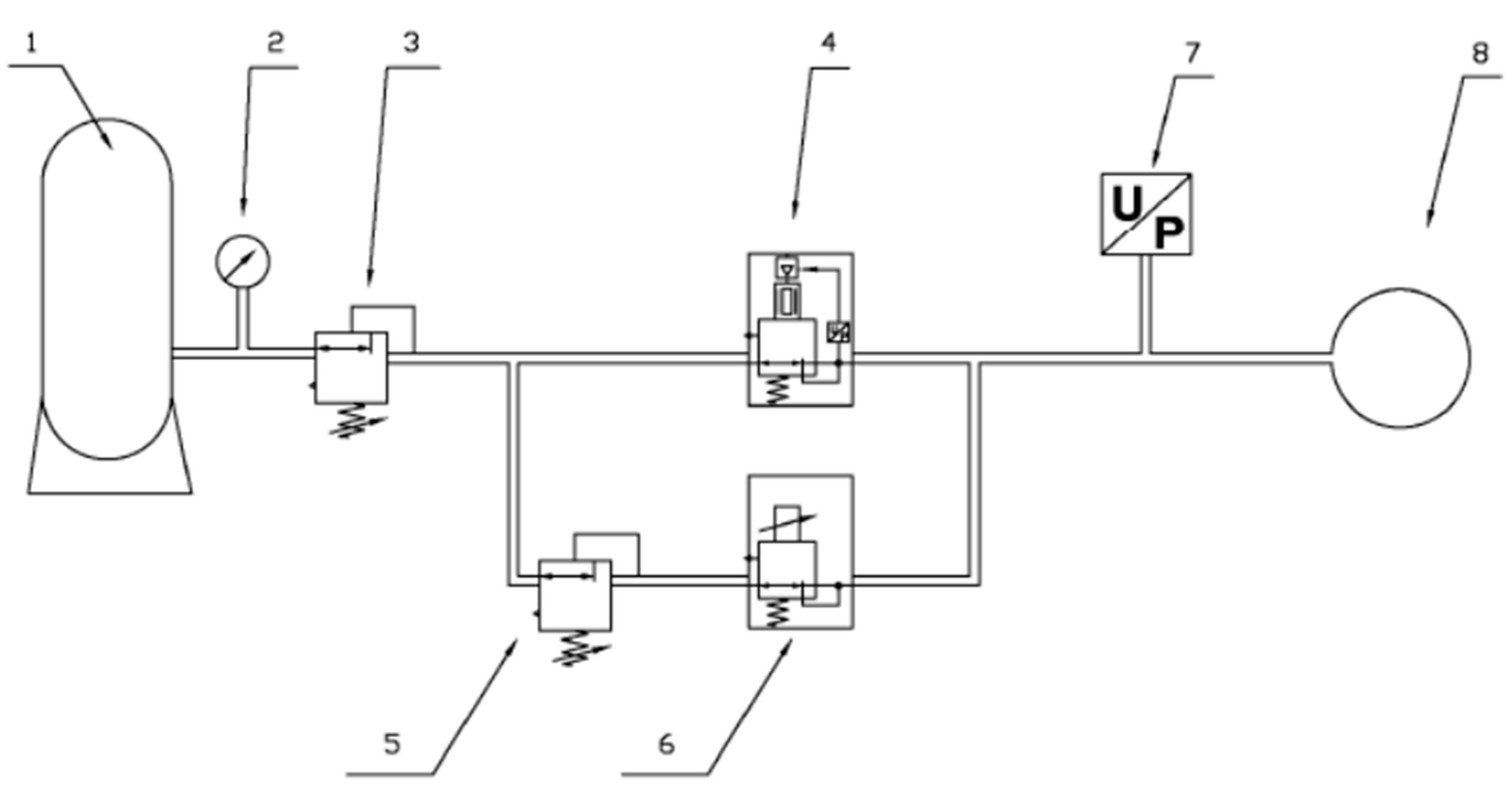
As shown in Figure 5, the schematic diagram of the high-precision static testing system comprises hardware and software components. The ability to achieve rapid, high-precision pressure control primarily depends on the system’s hardware performance, which includes a pressure chamber, pressure regulation module, controller, and signal output module. The overall functionality of the system is primarily determined by the software, which was developed using the C++ programming language to enable fully automated testing. This includes a program control module, data acquisition module, and data processing module. The pressure adjustment process is achieved through a cascaded control system, composed of two pressure regulation modules of different precisions. By adjusting the control program parameters, the system can reach the desired pressure value within 30 s and perform automatic testing of the pressure sensor. The physical system photo is shown in Figure 6.
Figure 5.
Diagram of the static testing system components: 1. Pressure chamber; 2. Reference pressure sensor; 3. Pressure-reducing valve; 4. Proportional pressure valve (fast pressure adjustment); 5. Boost fine-tuning valve; 6. Pressure reduction fine-tuning valve; 7. Comparative pressure sensor; 8. Control module.
Figure 6.
Static testing system physical photo.
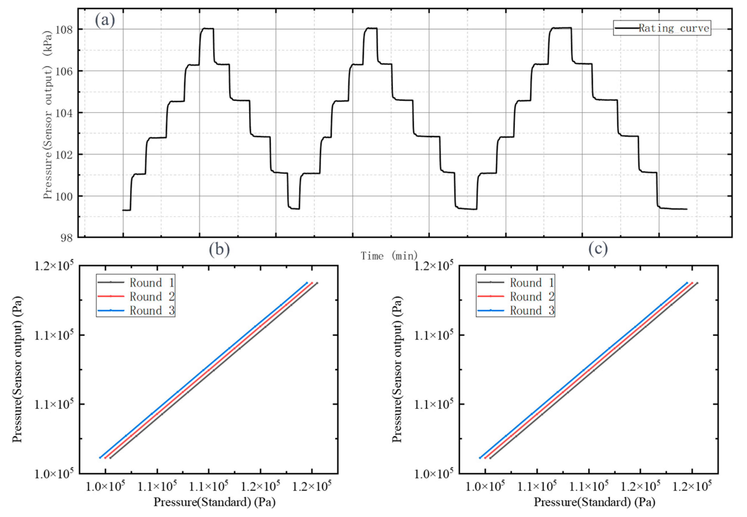
To validate the system’s control accuracy within the human body’s pressure range, an average of 11 desired pressure values was selected within a range of 100–120 kPa. Three pressure cycle controls were then conducted. Based on the actual pressure measured in the chamber by the reference pressure sensor, the experimental data are shown within the pressure adjustment range of 100–120 kPa, and the maximum deviation between the measured chamber pressure values and the desired pressure values is 1 Pa. The test results indicate that this system has high pressure control accuracy and good reliability. Furthermore, as shown in Figure 7, the time taken to adjust the chamber pressure from atmospheric pressure to any desired pressure point does not exceed 30 s. In conclusion, the results demonstrate that the performance of this system meets the requirements for static pressure performance testing in this study.
Figure 7.
Pressure adjustment time.
3.4. Construction of the Dynamically Varying Pressure Testing System
The dynamically varying pressure testing system utilizes a peristaltic pump driven by a stepper motor, Luer connectors, Luer three-way valves, and pressure regulation valves to build an experimental system for dynamic measurement accuracy testing, as shown in Figure 8. The peristaltic pump has a three-lobe rotor structure, where the rotor squeezing the tube mimics the contraction of the heart, and the rotor’s release from the chamber mimics the heart’s relaxation, analogous to the human heart beating process.
Figure 8.
Schematic diagram of the dynamically varying pressure testing system.
The dynamically varying pressure testing system simulates the internal fluid circulation process of a living body through a closed-loop piping system. The water flow is driven by a stepper motor peristaltic pump, and the control module can precisely control the motor’s speed via switch signals, thereby precisely controlling the pump’s pulsation frequency, flow rate, and the direction of fluid flow. A high-precision standard pressure sensor is placed at the outlet of the peristaltic pump, and since it is close to the pressure source, its output curve can be considered the standard pressure curve within the tubing. On the other side, a resistance regulation valve is used to adjust the overall system’s fluid pressure. In this experiment, the external part’s length and diameter of the catheter body are variables to explore the impact of the external structure of the catheter body on the dynamic measurement accuracy of the pressure measurement catheter. We added a Luer connector to the tail of the original pressure measurement catheter body, allowing for the replacement of different external part sizes without changing the size of the internal part of the catheter body. Figure 9 shows the physical photo of the dynamic system.
Figure 9.
Physical photo of the dynamically varying pressure testing system.
4. Analysis of Experimental Results
4.1. Static Test Results
Using the prototype and a high-precision static testing system, it is possible to measure the static precision of the pressure measurement catheter, with measurement indices including non-linearity, hysteresis, and repeatability.
The static testing process is as follows: The pressure sensor is adjusted to the working state and placed into the pressure chamber connected to relevant circuits. After closing the chamber door, the overall airtightness of the pressure chamber is checked, and the automatic testing program is started. The static testing system begins by introducing gas into the chamber with the pressure starting at 104 kPa. The sensor output voltage is recorded each time the internal pressure changes by 2 kPa. The pressurization stops when the chamber pressure reaches 114 kPa and then begins to release pressure, again recording at every 2 kPa change, stopping once it reaches 104 kPa again. This process constitutes one complete cycle, and data from three such cycles are needed to calculate the sensor’s static indices. The system is equipped with software that automates this process and automatically records the sensor output voltage at each pressure point, with its curve shown in Figure 10a. Based on the data, the system’s linearity, hysteresis, and repeatability can be calculated.
Figure 10.
(a) Output curve of the pressure measurement catheter; (b) positive motion test results; (c) negative motion test results.
Figure 10b shows the positive motion data corresponding to each pressure point output, and Figure 10c shows the negative motion data. After calculations, the non-linearity of the pressure measurement catheter is found to be 38.0 Pa, repeatability is 42.4 Pa, and hysteresis is 25.8 Pa. The combined values yield a mercury column error of 49.9 Pa within the high-precision static testing system, demonstrating the system’s high static pressure measurement precision.
4.2. Dynamic Test Results
Using the prototype of the pressure measurement catheter and the dynamic testing system, the dynamic measurement accuracy of the compact pressure measurement catheter can be evaluated. The experimental process is as follows: The experimental system’s tubing is filled with saline, and the front end of the pressure measurement catheter is introduced into the circulating tubing to simulate the actual use environment. A stepper motor peristaltic pump is started to mimic the human heartbeat process.
Figure 11a shows the time-domain standard curve of dynamic liquid pressure obtained by squeezing the tubing with the peristaltic motor, simulating the human blood pressure waveform. The motor’s squeezing cycle for the tubing is 320 ms, with a peak-to-peak pressure of 2.8 kPa. The signal contains various high-frequency components. Figure 11b shows the time-domain signal measured using the compact pressure measurement catheter prototype No. 1, whose peak peak-to-peak values and other information are similar to the original signal, accurately capturing the dynamic liquid pressure peaks and troughs, reaching 96.6% of the original signal’s peak-to-peak value. Figure 11c shows the image measured by prototype No. 2, with a catheter body external part length of 30 mm and a diameter of 1.2 mm, where the peak-to-peak value of this group of signals is 82.1% of the original signal. Figure 11d shows the time-domain signal measured by prototype No. 3, with a catheter body external part length of 800 mm and a diameter of 3.4 mm; compared to the original signal, this data set shows significant distortion, making it difficult to obtain accurate peak and trough values, with a peak-to-peak value of only 61.8% of the original signal. By comparing the three groups of signals, it can be concluded that under the same internal part conditions of the catheter, distortion will increase with an increase in catheter length and decrease in diameter. Under the same 3.4 mm diameter, a 30 mm length tubing’s peak-to-peak range is 156% of an 800 mm length tubing; under the same 30 mm length, the peak-to-peak range of a 3.4 mm inner diameter tubing is 118% of a 1.2 mm inner diameter tubing.
Figure 11.
Dynamically varying pressure test Results. (a) Time-domain standard curve for dynamic liquid pressure; (b) time-domain signal measured by the compact No. 1 pressure measurement catheter previously designed, with an external length of 30 mm and diameter of 3.4 mm; (c) time-domain image measured by No. 2 pressure measurement catheter with an external length of 30 mm and diameter of 1.2 mm for the catheter body; (d) time-domain signal measured by No. 3 pressure measurement catheter with an external length of 800 mm and diameter of 3.4 mm for the catheter body; (e–h) frequency energy density spectra corresponding to the four groups of time-domain signals, with the AC component of the standard signal peaking at a frequency of 3.68 Hz.
Figure 11e–h shows the power spectral density of the frequency energy of the time-domain signals corresponding to Figure 11a–d, where the standard signal’s AC component peaks at a frequency of 3.68 Hz, corresponding to the periodic signal frequency in the time-domain. At this frequency, the attenuation of the No. 1 pressure measurement catheter is minimal, only 0.49 dB; No. 2 pressure measurement catheter attenuates by 1.92 dB; and No. 3 pressure measurement catheter attenuates by 5.09 dB. In some long-term patient monitoring by medical teams, the diastolic pressure deviation of invasive measurement devices is 556 Pa, which complies with international standards for the validation of blood pressure measurement devices [33,34,35]. In the dynamically varying pressure testing experiments described in this article, the interventional compact pressure measurement catheter exhibited only a 133.3 Pa deviation during the diastolic process. This demonstrates that the interventional compact pressure measurement catheter proposed in this article significantly improves accuracy in dynamic blood pressure processes compared to existing invasive pressure measurement devices. Based on the above results, it can be identified that using a compact catheter structure can effectively reduce the attenuation of the AC signal during the dynamic measurement process, improving the dynamically varying pressure measurement accuracy.
5. Conclusions
This paper addresses the accuracy issues present in existing human in-body pressure monitoring devices by proposing a high-precision interventional pressure measurement catheter with a compact structure, which uses the compact catheter structure to enhance both the dynamic and static accuracy of in-body fluid pressure measurements. Through theoretical analysis, this paper derives the relationship between dynamically varying pressure loss and the length and internal diameter of the catheter body and proposes a design method for the catheter body. Subsequently, a compact pressure measurement catheter prototype was designed and fabricated, and experimental tests were conducted on the prototype using the established dynamic and static pressure testing systems. The experimental results show that the compact pressure measurement catheter proposed in this paper has a non-linearity of 38.0 Pa, repeatability of 42.4 Pa, and hysteresis of 25.8 Pa in static pressure measurement experiments, with a combined error of 49.9 Pa. In dynamically varying pressure measurement experiments, the measurement signal peak-to-peak value of the compact structure pressure measurement catheter reached 96.6% of the original signal, with signal attenuation at 3.68 Hz of only 0.5 dB. In contrast, using a catheter with a length of 30 mm and a diameter of 1.2 mm (No. 2) and a catheter with a length of 800 mm and a diameter of 3.4 mm (No. 3) resulted in significant attenuation of the AC part of the measurement signal: the peak-to-peak values were only 82.1% and 61.8% respectively, with signal attenuation at 3.68 Hz of 1.92 dB and 5.09 dB. These experimental results demonstrate that the interventional pressure measurement catheter with a compact structure proposed in this article has good dynamic and static pressure measurement accuracy and shows promising applications in fields such as in-body pressure measurement and microfluidic system monitoring.
Author Contributions
Conceptualization, B.W. and Z.L.; formal analysis, Y.C. and Z.L.; investigation, B.W., S.J. and Y.C.; methodology, Q.L. and X.Y.; supervision, F.W., Q.L. and X.Y.; visualization, B.W. and S.J.; writing—original draft, B.W. and S.J.; writing—review and editing, B.W., Q.L. and X.Y. All authors have read and agreed to the published version of the manuscript.
Funding
This research was funded by the National Natural Science Foundation of China Project (No. 52075291).
Institutional Review Board Statement
Not applicable.
Informed Consent Statement
Not applicable.
Data Availability Statement
The raw data supporting the conclusions of this article will be made available by the corresponding author on request.
Conflicts of Interest
The authors declare no conflicts of interest.
References
- Gunawardene, M.A.; Willems, S. Atrial fibrillation progression and the importance of early treatment for improving clinical outcomes. Europace 2022, 24, 22–28. [Google Scholar] [CrossRef] [PubMed]
- Heijman, J.; Luermans, J.G.L.M.; Linz, D.; van Gelder, I.C.; Crijns, H.J.G.M. Risk Factors for Atrial Fibrillation Progression. Card. Electrophysiol. Clin. 2021, 13, 201–209. [Google Scholar] [CrossRef] [PubMed]
- Shaffer, F.; Ginsberg, J.P. An Overview of Heart Rate variability Metrics and Norms. Front. Public Health 2017, 5, 258. [Google Scholar] [CrossRef]
- Vanholder, R.; De Smet, R.; Glorieux, G.; Argilés, A.; Baurmeister, U.; Brunet, P.; Clark, W.; Cohen, G.; De Deyn, P.P.; Deppisch, R.; et al. Review on uremic toxins: Classification, concentration, and interindividual variability. Kidney Int. 2003, 63, 1934–1943. [Google Scholar] [CrossRef] [PubMed]
- Wang, L.M.; Xu, X.; Zhang, M.; Hu, C.H.; Zhang, X.; Li, C.; Nie, S.; Huang, Z.J.; Zhao, Z.P.; Hou, F.F.; et al. Prevalence of Chronic Kidney Disease in China Results From the Sixth China Chronic Disease and Risk Factor Surveillance. JAMA Intern. Med. 2023, 183, 298–310. [Google Scholar] [CrossRef] [PubMed]
- Kalantar-Zadeh, K.; Jafar, T.H.; Nitsch, D.; Neuen, B.L.; Perkovic, V. Chronic kidney disease. Lancet 2021, 398, 786–802. [Google Scholar] [CrossRef]
- Camm, A.J.; Malik, M.; Bigger, J.T.; Breithardt, G.; Cerutti, S.; Cohen, R.J.; Coumel, P.; Fallen, E.L.; Kennedy, H.L.; Kleiger, R.E.; et al. Heart rate variability—Standards of measurement, physiological interpretation, and clinical use. Circulation 1996, 93, 1043–1065. [Google Scholar]
- Dong, J.H.; Li, Q.; Wang, X.F.; Fan, Y.B. A Review of the Methods of Non-Invasive Assessment of Intracranial Pressure through Ocular Measurement. Bioengineering 2022, 9, 304. [Google Scholar] [CrossRef]
- Evensen, K.B.; Eide, P.K. Measuring intracranial pressure by invasive, less invasive or non-invasive means: Limitations and avenues for improvement. Fluids Barriers CNS 2020, 17, 34. [Google Scholar] [CrossRef]
- Spiegelberg, A.; Boraschi, A.; Karimi, F.; Capstick, M.; Fallahi, A.; Neufeld, E.; Kuster, N.; Kurtcuoglu, V. Noninvasive Monitoring of Intracranial Pulse Waves. IEEE Trans. Biomed. Eng. 2023, 70, 144–153. [Google Scholar] [CrossRef]
- Lu, T.; Ji, S.R.; Jin, W.Q.; Yang, Q.S.; Luo, Q.Q.; Ren, T.L. Biocompatible and Long-Term Monitoring Strategies of Wearable, Ingestible and Implantable Biosensors: Reform the Next Generation Healthcare. Sensors 2023, 23, 2991. [Google Scholar] [CrossRef] [PubMed]
- Kim, K.H.; Lee, J.O.; Du, J.; Sretavan, D.; Choo, H. Real-Time In Vivo Intraocular Pressure Monitoring Using an Optomechanical Implant and an Artificial Neural Network. IEEE Sens. J. 2017, 17, 7394–7404. [Google Scholar] [CrossRef] [PubMed]
- Inoue, N.; Koya, Y.; Miki, N.; Onoe, H. Graphene-Based Wireless Tube-Shaped Pressure Sensor for In Vivo Blood Pressure Monitoring. Micromachines 2019, 10, 139. [Google Scholar] [CrossRef] [PubMed]
- Zhang, N.; Li, X.; Li, Y.; Peng, W.; Guan, T. Implantable Bladder Urine Volume Monitoring System Based on Distributed Pressure Detection. Mach. Des. Res. 2020, 36, 16. [Google Scholar]
- Jiang, Q.Q.; Ma, X.L.; Chai, Y.Q.; Ma, H.; Tang, F.; Hua, K.; Chen, R.Q.; Jin, Z.X.; Wang, X.S.; Ji, J.H.; et al. Reduced Graphene Oxide-Polypyrrole Aerogel-Based Coaxial Heterogeneous Microfiber Enables Ultrasensitive Pressure Monitoring of Living Organisms. Acs Appl. Mater. Interfaces 2021, 13, 5425–5434. [Google Scholar] [CrossRef]
- Lee, C.H.C.; Karunaratne, I.K.; Wei, Y.F.; Chen, Z.D.; Chong, I.T.; Yang, Y.F.; Yu, M.B.; Lam, D.C.C. Low-noise compliance-design for intraocular pressure contact lens sensor. Sens. Actuators A Phys. 2021, 332, 113192. [Google Scholar] [CrossRef]
- Zolfaghari, P.; Yalcinkaya, A.D.; Ferhanoglu, O. Smart glasses to monitor intraocular pressure using optical triangulation. Opt. Commun. 2023, 546, 129752. [Google Scholar] [CrossRef]
- Erdem, A.; Eksin, E.; Senturk, H.; Yildiz, E.; Maral, M. Recent developments in wearable biosensors for healthcare and biomedical applications. Trac-Trends Anal. Chem. 2024, 171, 117510. [Google Scholar] [CrossRef]
- Sun, Y.; Dong, Y.; Gao, R.Y.; Chu, Y.; Zhang, M.; Qian, X.; Wang, X.H. Wearable Pulse Wave Monitoring System Based on MEMS Sensors. Micromachines 2018, 9, 90. [Google Scholar] [CrossRef]
- Wu, N.; Tian, Y.; Zou, X.T.; Zhai, Y.; Barringhaus, K.; Wang, X.W. A miniature fiber optic blood pressure sensor and its application in in vivo blood pressure measurements of a swine model. Sens. Actuators B Chem. 2013, 181, 172–178. [Google Scholar] [CrossRef]
- Ma, G.; Chen, Y.H.; Zhu, W.L.; Zheng, L.S.; Tang, H.; Yu, Y.; Wang, L.R. Evaluating and Visualizing the Contribution of ECG Characteristic Waveforms for PPG-Based Blood Pressure Estimation. Micromachines 2022, 13, 1438. [Google Scholar] [CrossRef] [PubMed]
- Fahd, G.; Mokhtar, O.A.; Boiron, O.; Morgado, I.; Paganelli, F.; Deplano, V. Comparing invasive and oscillometric blood pressure measurements. Comput. Methods Biomech. Biomed. Eng. 2011, 14, 149–151. [Google Scholar] [CrossRef]
- McMahon, N.; Hogg, L.A.; Corfield, A.R.; Exton, A.D. Comparison of non-invasive and invasive blood pressure in aeromedical care. Anaesthesia 2012, 67, 1343–1347. [Google Scholar] [CrossRef] [PubMed]
- Bahrami, M.; Yovanovich, M.M.; Culham, J.R. Pressure drop of fully developed, laminar flow in rough microtubes. J. Fluids Eng.-Trans. Asme 2006, 128, 632–637. [Google Scholar] [CrossRef]
- Li, Z.X.; Du, D.X.; Guo, Z.Y. Experimental study on flow characteristics of liquid in circular microtubes. Microscale Thermophys. Eng. 2003, 7, 253–265. [Google Scholar] [CrossRef]
- Miranda, I.; Souza, A.; Sousa, P.; Ribeiro, J.; Castanheira, E.M.S.; Lima, R.; Minas, G. Properties and Applications of PDMS for Biomedical Engineering: A Review. J. Funct. Biomater. 2022, 13, 2. [Google Scholar] [CrossRef]
- Rinaldi, A.; Tamburrano, A.; Fortunato, M.; Sarto, M.S. A Flexible and Highly Sensitive Pressure Sensor Based on a PDMS Foam Coated with Graphene Nanoplatelets. Sensors 2016, 16, 2148. [Google Scholar] [CrossRef]
- Moon, J.-H.; Hoon, K.J. Flexible, Stretchable and Implantable PDMS Encapsulated Cable for Implantable Medical Device. Biomed. Eng. Lett. (BMEL) 2011, 1, 199–203. [Google Scholar] [CrossRef]
- Ortigoza-Diaz, J.; Scholten, K.; Larson, C.; Cobo, A.; Hudson, T.; Yoo, J.; Baldwin, A.; Hirschberg, A.W.; Meng, E. Techniques and Considerations in the Microfabrication of Parylene C Microelectromechanical Systems. Micromachines 2018, 9, 422. [Google Scholar] [CrossRef]
- Wang, Z.X.; Volinsky, A.A.; Gallant, N.D. Crosslinking Effect on Polydimethylsiloxane Elastic Modulus Measured by Custom-Built Compression Instrument. J. Appl. Polym. Sci. 2014, 131, 41050. [Google Scholar] [CrossRef]
- Chang, T.Y.; Yadav, V.G.; De Leo, S.; Mohedas, A.; Rajalingam, B.; Chen, C.L.; Selvarasah, S.; Dokmeci, M.R.; Khademhosseini, A. Cell and protein compatibility of parylene-C surfaces. Langmuir 2007, 23, 11718–11725. [Google Scholar] [CrossRef] [PubMed]
- Charmet, J.; Banakh, O.; Laux, E.; Graf, B.; Dias, F.; Dunand, A.; Keppner, H.; Gorodyska, G.; Textor, M.; Noell, W.; et al. Solid on liquid deposition. Thin Solid Films 2010, 518, 5061–5065. [Google Scholar] [CrossRef]
- Izer, J.; Wilson, R. Comparison of invasive and non-invasive blood pressure measurements in anesthetized female Dorset cross-bred lambs. Res. Vet. Sci. 2020, 132, 257–261. [Google Scholar] [CrossRef] [PubMed]
- Sende, J.; Jabre, P.; Leroux, B.; Penet, C.; Lecarpentier, E.; Khalid, M.; Margenet, A.; Marty, J.; Combes, X. Invasive arterial blood pressure monitoring in an out-of-hospital setting: An observational study. Emerg. Med. J. 2009, 26, 210–212. [Google Scholar] [CrossRef]
- Raffman, A.; Shah, U.; Barr, J.F.; Hassan, S.; Azike, L.U.; Tanveer, S.; Bracklow, S.; Parker, B.; Haase, D.J.; Tran, Q.K. Predictors of clinically relevant differences between noninvasive versus arterial blood pressure. Am. J. Emerg. Med. 2021, 43, 170–174. [Google Scholar] [CrossRef]
Disclaimer/Publisher’s Note: The statements, opinions and data contained in all publications are solely those of the individual author(s) and contributor(s) and not of MDPI and/or the editor(s). MDPI and/or the editor(s) disclaim responsibility for any injury to people or property resulting from any ideas, methods, instructions or products referred to in the content. |
© 2024 by the authors. Licensee MDPI, Basel, Switzerland. This article is an open access article distributed under the terms and conditions of the Creative Commons Attribution (CC BY) license (https://creativecommons.org/licenses/by/4.0/).










