Abstract
The computational complexity of existing multi-symbol detection (MSD) algorithms grows exponentially as the observation intervals increase, resulting in difficulties in algorithm implementation for detecting pulse code modulation/frequency modulation (PCM/FM) signals, especially for multi-channel signals. To address the challenges, we proposed a low-complexity MSD algorithm based on the averaged matched filtering. The proposed algorithm groups the local reference signals based on the different importance levels of the middle and edge bits in the correlation operations and averages the edge bits, leading to a considerable decrease in matching branches. Furthermore, it leverages the phase symmetry, and the proposed algorithm retains half of the averaged local reference signals for the matching operation, thus further reducing the matching branches. The proposed algorithm reduces the storage of the local signals and correlation operations to one-eighth compared to the traditional MSD algorithm under different observation lengths. Additionally, based on the structure of multiplexed FIR filters, the proposed algorithm optimizes single-channel single-coefficient FIR filters into four-channel double-coefficient FIR filters, further reducing the hardware resource consumption by approximately 25%. The simulation results showed that the proposed algorithm achieved demodulation performance comparable to the traditional MSD algorithms while reducing the computational complexity by 87.5%. Compared to the decision-feedback MSD algorithm, it achieves higher demodulation gain with a 75% complexity reduction. The Field Programmable Gate Array (FPGA) platform implementation results showed that the proposed algorithm reduces hardware resource consumption by nearly 90% compared with the traditional algorithm, and the hardware demodulation performance loss is less than 1 dB compared with the simulation results.
1. Introduction
Target range telemetry plays a significant role in the aerospace field. Continuous phase modulation (CPM) signals, characterized by a constant envelope and continuous phase, achieve high spectral and energy efficiency, rendering them widely used in target range telemetry [1,2]. As a typical form of CPM signals, pulse code modulation/frequency modulation (PCM/FM) has long been the primary communication scheme in telemetry systems due to their ability to resist flame and phase interference [3,4,5]. However, as the transmission distance increases and the volume of telemetry data grows, the limitations of traditional detection methods are becoming increasingly apparent [6].
Maximum likelihood sequence detection (MLSD) theoretically achieves optimal demodulation performance; however, its high computational complexity and substantial challenges in practical implementation limit its applicability. Many researchers have proposed methods such as pulse truncation [7] and state-space partitioning [8] to reduce the computational complexity of the algorithm, yet the complexity remains a critical issue.
Multi-symbol detection (MSD) algorithms have been proposed and have gained increasing attention to further balance demodulation performance and algorithmic complexity. This algorithm leverages the continuous phase variation characteristics of symbols to perform joint detection of multiple symbols, thereby enhancing demodulation. Pelchat et al. first proposed the MSD algorithm in 1971 for the demodulation of frequency shift keying (FSK) signals, achieving superior performance in non-coherent demodulation conditions [9]. In 1974, Osborne et al. applied the MSD algorithm to demodulate continuous phase frequency shift keying (CPFSK) signals, further improving CPFSK detection performance [10]. In 2000, Geoghegan et al. extended the MSD algorithm to the detection of PCM/FM signals, achieving a 2.5 dB gain compared to traditional single-symbol detectors [11].
However, these MSD algorithms rely on correlating the received signals within the observation interval with all possible transmitted signal waveforms (local reference signals), resulting in exponential growth in complexity as the observation interval increases [12]. To reduce the computational complexity of MSD algorithms while maintaining their superior detection performance, numerous improved MSD algorithms have been proposed.
The Baseband Quadrature Complex Rotation (BQCR) MSD algorithm significantly reduces the computational burden of correlation computations through complex rotation operations [13]. However, its reliance on a high number of signal sampling points makes it more suitable for scenarios with low baseband rates, presenting certain limitations [14]. Cheng Huang et al. classified local reference signals into two categories based on whether the intermediate symbol is “0” or “1”, and by performing correlation operations only with one category, they then achieved signal demodulation by comparing the threshold with the correlation peak. This method reduced the computational complexity of the MSD algorithm by 50%. Nonetheless, the demodulation performance of this method is highly dependent on the precise setting of the threshold and is sensitive to noise, which limits its application [15]. Similarly, Xihai Xie et al. proposed using already-decoded symbols to filter local reference signals, which reduced the computational complexity by 50%. However, when errors occur in the decision of earlier bits, it is prone to error propagation, leading to a loss in demodulation performance [16].
However, the above MSD algorithms still face high computational complexity and difficult hardware deployment when applied to receivers that need to handle multiple signals simultaneously. This paper proposes a low-complexity multi-symbol detection algorithm based on average-matched filtering and phase symmetry. Then, the simplified MSD algorithm is implemented on the FPGA platform through time-sharing multiplexing filters to save hardware resources. The main contributions of this paper are summarized as follows.
(1) We proposed a low-complexity MSD algorithm with a reduction in matching branches. The proposed algorithm first reduces the number of matching branches in the MSD process by averaging the local signals corresponding to the target symbol group, which includes the observed symbol and its preceding and succeeding symbols. Leveraging the phase symmetry property of PCM/FM signals, the proposed algorithm further minimizes the storage requirements for local reference signals and reduces the computational complexity of correlation operations. The simulation results demonstrate that the proposed algorithm achieves almost the same detection performance with only one-eighth computational complexity compared to the original MSD algorithm.
(2) We further optimize the above algorithm by multiplexing FIR filters. When the algorithm is implemented on a Field Programmable Gate Array (FPGA) platform, the correlation operations are implemented using filters structure. Limited by hardware resources, the infinite impulse response (IIR) filter does not converge easily and is not conducive to hardware implementation [17] when the coefficients are imprecise. In contrast, the finite impulse response (FIR) filter has lower complexity and higher stability; therefore, this paper adopts the structure of FIR filters to perform the correlation operations. In the proposed algorithm, a multi-channel, multi-coefficient optimization design was applied to the FIR filters to further reduce hardware resource consumption.
2. Traditional Multi-Symbol Detection Algorithm
The PCM/FM modulated signals can be modeled as follows:
where ωc represents the carrier frequency, kf denotes the frequency offset, and f(t) is the signal after pre-filtering.
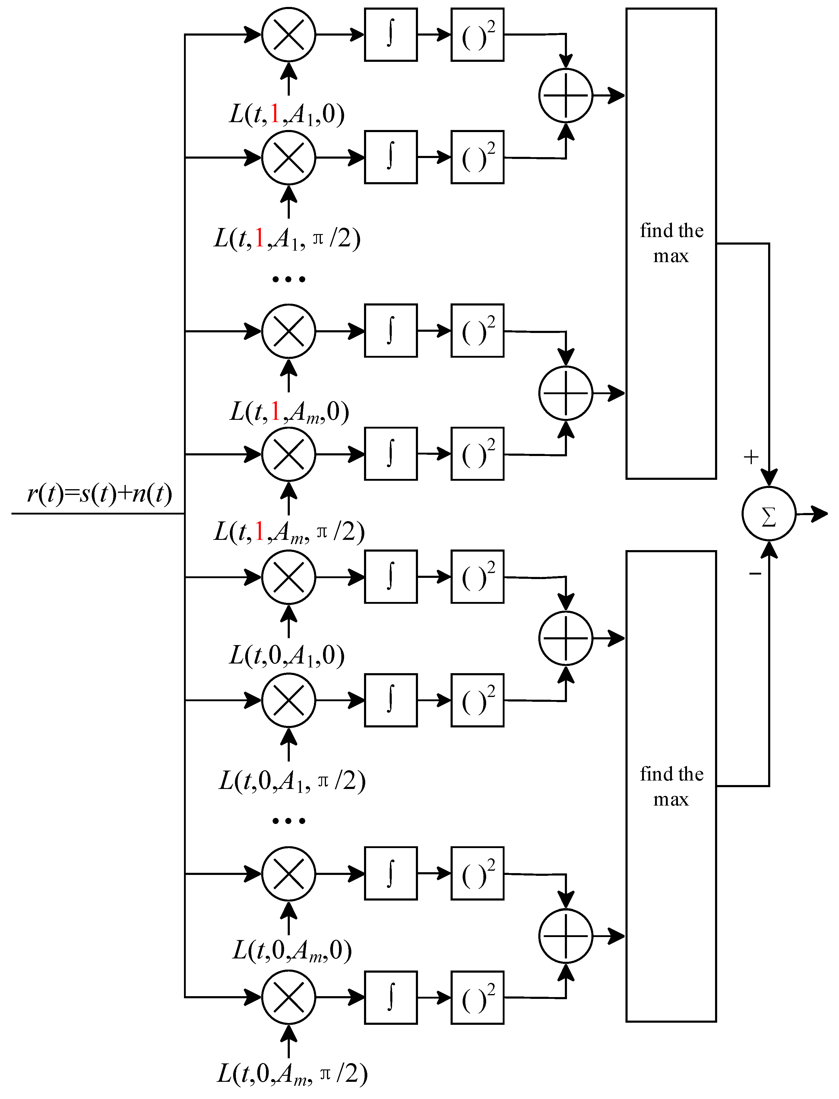
The MSD technique exploits the correlation characteristics between signals. When the receiver receives a new symbol, it does not immediately make a decision; instead, it continues to observe the subsequent three to five symbols before making a decision [16]. The specific approach is as follows: the multi-symbol detector performs a correlation operation between the waveforms of the symbols to be decided and the local reference signal waveforms, selecting the waveform with the highest correlation coefficient as the decision for the symbols. Figure 1 shows the overall framework of the receiver system. The principle of the baseband non-coherent MSD algorithm is illustrated in Figure 2.
Figure 1.
System overall framework diagram.
Figure 2.
Principle diagram of multi-symbol detection algorithm.
In Figure 2, L (t, an, Ai, θ0) represents the local reference signals, which corresponds to the PCM/FM signals of the symbols {an, Ai}. an denotes the middle bit of the N-bit sequence to be observed and takes a value of 1 or 0. Ai is the combination of other bits excluding an. Each pair of adjacent matching branches with θ0 equaling 0 and pi/2 represents the real and imaginary parts of a set of local reference signals.
The received signals within the observation interval can be simplified as follows:
where A is the amplitude, and θ1 is the initial phase. After downconverting the signal s(t), the baseband quadrature signals are given by the following equations:
The complex form can be expressed as below:
The received signals within the observation interval, along with all possible combinations of local reference signals, can be expressed as follows:
where θ2 is the initial phase of the local reference signals.
The result of the conjugate complex correlation operation between the baseband signals in complex form within the observation interval and the local reference signals can be expressed as follows:
The square of the absolute value of the correlation result can be expressed with the following equation:
where N0 represents the number of samples per symbol. By comparing the magnitude of S, the symbol of the signal within the observation interval can be determined.
3. Low-Complexity Optimization of the Algorithm
As the observation interval N increases, the performance advantages of the traditional MSD algorithm become more pronounced [18]. However, its complexity increases significantly, which hinders practical engineering implementation. This paper proposes a method to reduce complexity to address the issue of high computational load and complexity in traditional MSD algorithms. The proposed algorithm optimizes the traditional algorithm from two aspects: reducing matching branches and multiplexing filter.
3.1. Reducing Matching Branches
The proposed algorithm reduces the number of matching branches by averaging the local reference signals and leveraging the phase symmetry of the signal, so the following two aspects are explained in detail in this section.
(a) Average local reference signal
Suppose the observation interval N = 5. Due to the influence of the pre-modulation filter, inter-symbol interference exists between the signals. In the traditional MSD algorithm, the number of local reference signal waveforms is L = 2N+2 = 128. However, since each sequence includes one uncertain bit in the head a0 and tail a6 caused by inter-symbol interference, its impact on subsequent matched filtering is minimal; therefore, the middle N-bit values can be grouped into different sets, with each group having four possible combinations, and the local reference signal waveform can be averaged for each group. Taking the five-symbol demodulation algorithm as an example, when the middle bit takes a value of 1 (corresponding to the top half of branches in Figure 2) and only real-part branches are computed (corresponding to θ0 = 0 in Figure 2), the correlation operation details in Figure 2 are illustrated in Figure 3. Every four matching branches with the same middle bits {a1, a2, a3, a4, a5} are optimized into a single branch. Image-part branches are also optimized according to the same method.
Figure 3.
Average matched filter schematic diagram.
In Figure 3, a3 = 1; k1 and k2 represent the average value of sampling symbols at the head and tail positions, respectively; and denotes the average sample value of symbol ai after sampling and averaging. Under the assumption of no inter-symbol interference, one of the local reference signal sets for a particular code group can be expressed as follows:
This code group, in the presence of inter-symbol interference, can generate four distinct code groups, which can be represented as the following:
where a0 and a6 take values of 1 or 0. The modulation of the code group signals can be averaged as follows:
where L(t) is the modulated signals corresponding to the code group AL. Based on Equation (10), we have K = 4. Thus, the number of local reference signals is decreased from 2N+2 to 2N, which is one-fourth of the original number of branches. Subsequently, only the optimized local reference signals need to be correlated, followed by selection and decision.
(b) Leverage phase symmetry
By leveraging signal phase symmetry, the proposed algorithm can further optimize the number of local reference signals without any performance loss. In Figure 2, it can be seen that the top half of the matching branches is different from the bottom half in phase, and this is because the middle bits take different values with 0 and 1. Figure 4 shows the phase tree of the PCM/FM signals, where the horizontal axis represents the increment in the number of symbols, and the vertical axis represents the phase increment. It is evident that the stored local reference signals exhibit the characteristic of phase symmetry. Specifically, among all local reference signals, the code groups {a0, a1, a2, 0, a4, a5, a6} and {a0, a1, a2, 1, a4, a5, a6} are symmetric, where {a0, a1, a2, a4, a5, a6} represents any possible combination of symbols. According to Equation (5), in their corresponding complex forms, these two code groups are complex conjugates of each other. This can be described as follows.
Figure 4.
Signal phase tree schematic diagram.
In the orthogonal baseband MSD algorithm, for both the I and Q branches of the signal, the correlation process can be expressed as:
where IR and QR represent the real and imaginary parts of the received signals within the observation interval, respectively, and IL and QL represent the real and imaginary parts of the local reference signals. According to Equation (5), when the middle bit a3 takes a value of 1 and 0, the correlation operation results between code group {a0, a1, a2, 0, a4, a5, a6}, {a0, a1, a2, 1, a4, a5, a6} and the received signals are complex conjugates of each other. That is to say, the correlation value of one code group can be obtained directly from the other code group through taking the complex conjugate, instead of computing again. Therefore, in the proposed MSD algorithm, only one set of code group waveforms needs to be stored and computed to compute all correlation results. and the numbers of local reference signals can be further decreased from 2N to 2N−1, which is one-eighth of the number of original branches in the traditional MSD algorithm.
In the baseband MSD algorithm, as the observation interval N increases, the increase in computational complexity mainly arises from the correlation computations between the received signal waveforms within the observation interval and the local reference signal waveforms. The proposed algorithm reduces the number of matching branches significantly in the baseband MSD algorithm through the above two optimization methods, thereby decreasing both the storage resources and the computational complexity of the correlation operations.
3.2. Multiplex FIR Filter
Based on the above analysis, the MSD algorithm needs to perform the correlation operation between the local reference signals and the received signal, which is essentially equivalent to the calculation process of the matching filter. Consequently, we use the structure of an FIR filter to implement the MSD algorithm on the FPGA platform.
(a) Filter structure
The FIR filter consists of three components: adders, multipliers, and delay blocks [19,20]. Figure 5 shows a typical structure of a single-channel and single-coefficient FIR filter. Here, h(i) represents the filter coefficients. According to Equations (12)–(14), during the correlation operation, the real and imaginary parts are computed separately. Therefore, the value represented by h(i) is the quantized value of either the real or imaginary part, and the value of h(i) is equivalent to the discrete form of in Equation (11). Z−1 is the delay unit, M is the filter order, x(t) is the input data, and y(t) is the output data.
Figure 5.
Single-coefficient FIR filter structure diagram.
In this paper, the FIR filter for processing a single observation interval signal with a single-channel and single-coefficient is represented as follows:
where s(i) is the received signals within the observation interval, Ti represents the sampling time point, Ns is the oversampling factor, and r(i) is the output data of the FIR filter.
(b) Filter multiplexing
In a typical PCM/FM signal demodulation system, it is necessary to fix the sampling rate to a lower value, typically in the range of tens of MHz, before demodulation. However, the clock frequency of the FIR filter structure can reach several hundred MHz [21,22]. Assume that the clock frequency of the FIR filter structure is f1 and that the sampling rate of the signals is f2. The parameter q is defined as q = f1/f2. For the traditional single-channel FIR filter, if the processing of one sampled data can be completed within q clock cycles, the FIR filter will meet the performance requirements. However, the FIR filter structure in this configuration exhibits relatively low resource utilization, since the processing of the sampled data can be completed in a single clock cycle, but during the rest of the q − 1 clock cycle, the MSD algorithm does not perform any operation but waits. Especially for multi-channel receiver systems, the single-channel FIR filter will cause a large waste of resources and increase the cost of hardware implementation.
In this paper, we increase the input signal’s sampling frequency of the FIR filter and design a multi-channel and multi-coefficient FIR filter structure instead of a single-channel FIR filter to enhance resource utilization.
The mathematical expression for the multi-channel and multi-coefficient is as follows:
where k denotes the k-th set of filter coefficients, and p is the sequence number of the filter channels.
Considering that the PCM/FM signal demodulation method in this paper is orthogonal baseband demodulation, as shown in Equation (7), each data computation involves four types of convolution operations, including the convolutions of the real and imaginary parts of the observed signals and the real and imaginary parts of the local reference signals. Therefore, by modifying the FIR filter into a four-channel, dual-coefficient array structure, four filter resources can be simplified into a single filter resource, as shown in the module diagram in Figure 6.
Figure 6.
Multi-channel multi-coefficient FIR filter module diagram.
In Figure 6, r(p) represents the output data of the p-th channel; P is the total number of channels; and K is the total number of coefficients. The coefficient selection module (coe_set sel) and the channel selection module (channel sel) jointly process the sampled data of the signal, corresponding to the matching relationship between the channels and coefficients. Additionally, since the sampled data of multiple input channels share the same FIR filter sampling data, a time-division multiplexing mechanism is applied to transmit the single-channel input data. This approach increases the filter frequency while performing interleaved input processing of the input signals. The structure is shown in Figure 7.
Figure 7.
Time-division multiplexing schematic diagram.
In this structure, LI(t1) and LQ(t1) represent the values of the single-channel I/Q branches at a certain time, while LI(t2) and LQ(t2) represent the values at the next time. By increasing the oversampling factor Ns, the single-channel data are interleaved and transformed into multi-channel data.
Through using the structure of multiplexed FIR filters, the parallelism of computations in a single matching branch is improved, thereby reducing the computational time and resource consumption of each branch and supporting higher throughput.
4. FPGA Implementation of the Optimized Algorithm
The improved MSD demodulation algorithm for PCM/FM signals is implemented on the Xilinx Kintex-7 xc7k325tffg676-2 FPGA platform in this study. Taking the five-symbol improved MSD algorithm as an example, the overall demodulation architecture is illustrated in Figure 8. The receiver receives the signal and then performs down conversion to generate the I/Q branches. Subsequently, the receiver demodulates the I/Q signals. The demodulation module adopts a soft demodulation scheme, which consists of the following components: the local reference signal preprocessing, multi-channel multi-coefficient processing, correlation computation, and soft output calculation. The following are the implementation details of the key components.
Figure 8.
FPGA implementation architecture diagram.
1. Local Reference Signal Preprocessing: Based on the steps of the optimized algorithm, all local reference signals are generated on the MATLAB R2021a platform according to the PCM/FM signal modulation process. Then, the generated local reference signals are averaged according to Equation (11) to obtain the optimized local reference signals . In addition, following the symmetric structure of the phase, half of the optimized local reference signal is retained, thus reducing both the storage requirements and computational load by half. The real and imaginary parts of the local reference signals are alternately stored in the ROM table (corresponding to the ROM local reference signals in Figure 8), facilitating subsequent multi-coefficient processing.
2. Multi-Channel Multi-Coefficient Processing: The local reference signal data are read from the ROM table using 16 consecutive addresses, and then these data are loaded as new coefficients into the corresponding FIR filters. The real and imaginary parts of each group are respectively used as coefficient set (1) and coefficient set (2). Additionally, as shown in Figure 7, time-division multiplexing is applied to the I and Q branches of the input data (received signal), which increases the sampling rate of the FIR filter input data. The I and Q branches are alternately read, transforming the original single-channel data stream into a four-channel data stream. Through multi-channel multi-coefficient processing, we obtain the input data of FIR filters in Figure 8 in different channels and different time slots.
3. Correlation Computation: As shown in Figure 6, the channel selection and coefficient selection modules work together to map the four processed channels and two sets of coefficients to each other according to Equations (12) and (13). Each group of channels is passed through the FIR filter for correlation computation, and the results are obtained. The data from the four channels are then extracted according to the number of channels. According to Equation (8), the squared absolute value of the correlation is computed. Correlation computation describes the matching relationships between four channels and two sets of coefficients and the computation process of the FIR filters in Figure 8.
4. Soft Output Calculation: For all local reference signal sequences, they are divided into two groups, “0” and “1”, based on the value of the intermediate symbol (e.g., for the code group “01 X 01”, the value of the intermediate symbol X can be either “0” or “1”). The maximum correlation values for both groups are then chosen, and the subtraction of these two maximum values yields the soft output result of intermediate symbol X.
5. Experimental Results and Analysis
5.1. Algorithm Performance Analysis
Using a telemetry communication system in a specific test range as an example, the key parameter configurations are shown in Table 1.
Table 1.
Simulation key parameter configuration.
The ratio of bit energy to power spectral density was tested in the range of 1 dB to 10 dB. The three-symbol, five-symbol, and seven-symbol traditional MSD algorithms [23] (referred to as the Tr-MSD in this paper); the improved MSD algorithm proposed in reference [16], namely, the decision feedback MSD algorithm (referred to as the DFB-MSD in this paper); and the improved MSD algorithm proposed in this paper (referred to as the Lc-MSD in this paper) were evaluated through simulation experiments. The simulation and hardware measurement results are shown in Figure 9.
Figure 9.
Baseband signal algorithm demodulation performance diagram.
In Figure 9, “Lc SIM Ns” denotes the Lc-MSD algorithm under different observation intervals in the simulation; “DFB SIM Ns” denotes the DFB-MSD algorithm under different observation intervals in the simulation; “Tr SIM Ns” denotes the Tr-MSD algorithm under different observation intervals in the simulation; “Lc FPGA Ns” denotes the Lc-MSD algorithm measured on an FPGA platform under different observation intervals; and “FM REAL” represents the orthogonal coherent demodulation algorithm.
From Figure 9, it can be observed that, compared to the coherent demodulation algorithm, all three MSD algorithms show significant improvements in demodulation performance. Additionally, larger observation intervals yield more pronounced performance gains. At N = 3, N = 5, and N = 7, the performances of the DFB-MSD and Lc-MSD algorithms are comparable, with virtually no performance loss relative to the Tr-MSD algorithm.
For example, at an observation interval of N = 7, the three MSD algorithms achieve a performance gain of approximately 3.5 dB over coherent demodulation at a bit error rate of 10−4. The performance difference between the Lc-MSD and DFB-MSD algorithms and the Tr-MSD algorithm is no more than 0.05 dB, which can be negligible. Additionally, at N = 3 and N = 5, the hardware-measured performance of the Lc-MSD algorithm shows a loss of less than 1 dB compared to its simulation performance, which is within the acceptable range.
5.2. Algorithm Complexity Analysis
In multi-symbol detection algorithms, the computational load primarily arises from the correlation operations between the signal within the observation interval and the local reference signals. Therefore, this paper analyzes the algorithm’s complexity from the perspective of correlation operations. Initially, a theoretical analysis of the correlation operation formulas for three algorithms is conducted. Subsequently, the algorithms are deployed on FPGA boards to verify their actual hardware resource consumption. The details are as follows.
The resource consumption of three MSD algorithms was evaluated to assess their computational efficiency. In the Tr-MSD algorithm, with an observation interval of N and Ns sampling points per symbol, the number of local reference signals is 2N+2, and the number of multiplications required for correlation operations is NNs2N+2. In the DFB-MSD algorithm, the number of local reference signals and correlation operations are halved by leveraging already-decoded symbols, resulting in NNs2N+1 multiplications. In the Lc-MSD algorithm, the local reference signals are optimized in two stages: the first stage averages the local reference signals, reducing storage and correlation operations by 75%, while the second stage exploits the symmetrical structure of the local reference signals to further reduce storage and correlation operations by 50%. Thus, the number of multiplications required is NNs2N−1. Table 2 compares the number of local reference signals and the multiplication operations among the three algorithms.
Table 2.
Comparison of algorithm computational complexity.
Using simulation parameters (N = 5, Ns = 4), the Tr-MSD algorithm requires 128 local reference signals and 2560 multiplications. The DFB-MSD algorithm also requires 128 local reference signals but reduces the multiplication operations to 1280. The Lc-MSD algorithm requires only 16 local reference signals and 320 multiplications, representing an 87.5% reduction in the number of local reference signals and a 75% reduction in multiplication operations compared to the DFB-MSD algorithm. It is noteworthy that for N = 3 and N = 7, the reduction proportions in local reference signals and multiplication operations are identical to those for N = 5.
Hardware measuring of the Tr-MSD algorithm and the Lc-MSD algorithm was conducted, with resource consumption on the hardware platform evaluated at N = 5, as shown in Table 3. The Lc-MSD algorithm includes two scenarios: with and without FIR filter optimization. The results demonstrate that without FIR filter optimization, the total consumption of DSP resources, which is one of the critical FPGA hardware resources, decreased from 3072 to 384, representing an 87.5% reduction, in accordance with the theoretical analysis of resource consumption. Moreover, since the resource consumption of the MSD algorithm is primarily concentrated in correlation operations, the total consumption of other hardware resources also decreased significantly, approaching an 87.5% reduction.
Table 3.
Algorithm hardware resource consumption.
For the optimization of the FIR filter, the proposed algorithm optimizes the single-channel and single-coefficient filters to the four-channel and double-coefficient filters, which does not affect the demodulation performance but further reduces resource consumption. DSP resource consumption decreased from 384 to 320, representing a nearly 25% reduction. Combined, the two optimizations reduced DSP resource consumption from 3072 to 320, achieving a total reduction of approximately 90%. Correspondingly, RAM and register resource consumption were also reduced by about 90%, while LUT resource consumption was reduced by approximately 85%.
5.3. Algorithm Timing Analysis
In correlation operations, this paper utilizes the structure of FIR filters and optimizes them for multi-channel implementation. Within the FIR filter, the data are reused for computation, which avoids introducing delay but involves a trade-off between speed and area; thus, it is necessary to verify that the optimization does not affect the system’s maximum clock frequency. This verification is conducted by analyzing the synthesis report of the hardware algorithm implementation. Table 4 presents the key parameter for the clock report, namely, the Worst Negative Slack (WNS). The results indicate that the WNS values derived from the synthesis reports remain consistent at 3.313 ns before and after optimization. Using the formula Fmax = 1/(T − WNS), it is concluded that the maximum clock frequency Fmax is not impacted by the FIR filter optimization, where T denotes the clock period.
Table 4.
Comparison of timing parameter before and after optimization of FIR filter.
6. Discussion
This paper introduces a low-complexity MSD algorithm, which effectively reduces the number of local reference signals by considering the importance of bits at different positions during correlation operations and the symmetrical structure of the signals. This optimization leads to a significant reduction in the computational complexity of correlation operations, making the algorithm more suitable for hardware implementation. Specifically, in the hardware design, the proposed algorithm optimizes the number of channels and coefficients in FIR filters, further reducing hardware resource consumption.
To validate the effectiveness of the proposed algorithm, simulation experiments were conducted based on the conditions outlined in Table 1. The simulation results demonstrate that the proposed algorithm achieves an 87.5% reduction in computational complexity while maintaining nearly the same demodulation performance as traditional MSD algorithms. This indicates that, despite the significant simplification in computations, the algorithm retains a demodulation performance comparable to traditional MSD algorithms. This advantage is particularly important in real-world applications, especially in telemetry systems that require large-scale real-time processing, where reduced computational complexity and hardware resource requirements can significantly improve system responsiveness and reliability.
In addition to the traditional MSD algorithms, compared to the decision-feedback MSD algorithm, the proposed algorithm achieves higher demodulation gain while maintaining lower computational complexity. Specifically, although decision-feedback algorithms can offer some performance improvement, they are often affected by error propagation in low SNR environments, which degrades demodulation performance. In contrast, the proposed algorithm reduces the number of branches in the correlation operation and optimizes the local reference signals, preventing such issues. Therefore, the proposed algorithm maintains good demodulation performance even under poor channel conditions.
The aforementioned algorithm optimizations not only improve computational efficiency in theory but also translate well into hardware implementations. The FPGA implementation of the proposed algorithm validates its hardware-friendly nature. Compared to traditional algorithms, it reduces hardware resource consumption by approximately 90%. This significant hardware optimization indicates that the algorithm has strong potential for real-world applications. Particularly in programmable hardware platforms such as FPGAs, the parallel design of the algorithm not only improves processing efficiency but also reduces system power consumption and latency. While the hardware implementation reduces resource consumption, the performance loss remains within 1 dB, which is acceptable for practical applications.
However, there is still room for further optimization. For instance, in more complex channel environments, reducing the impact of error propagation and improving the robustness of the algorithm will be important areas for future research. Additionally, adjusting the algorithm’s parameters according to specific hardware platforms to achieve optimal performance could be a key factor in enhancing overall system efficiency.
In summary, the proposed low-complexity MSD algorithm significantly reduces computational complexity and hardware resource consumption while maintaining excellent demodulation performance. This makes it highly promising for practical applications, particularly in high-performance telemetry systems, where it offers great practical value.
7. Conclusions
This paper proposes and implements a low-complexity MSD algorithm. By leveraging the different importances of the middle and edge bits and the phase symmetry property of the PCM/FM signals, the proposed algorithm groups and averages the local reference signal waveforms. As a result, it reduces the storage requirements of the local reference signals and the number of matching branches for correlation operations by 87.5% under different observation lengths. The software simulation results indicate that the proposed algorithm significantly reduces the computational complexity of correlation operations in traditional MSD algorithms, and at the same time, it ensures a negligible loss in the demodulation performance. Compared to the decision-feedback MSD algorithm, the proposed algorithm achieves lower computational complexity and higher demodulation gain.
For the algorithm implementation on the FPGA platform, we use the structure of multiplexed FIR filters and optimize single-channel and single-coefficient FIR filters into four-channel and double-coefficient FIR filters. This optimization enhances the parallelism of computations in a single matching branch without affecting the maximum achievable clock frequency, thereby further reducing hardware resource consumption. The experimental results on the FPGA platform show that the hardware resource consumption of the proposed algorithm is only approximately 10% of that of the traditional MSD algorithm, and its hardware demodulation performance loss is less than 1 dB.
Author Contributions
Conceptualization, K.H., R.D., L.Z. and Y.Z.; methodology, K.H.; software, K.H.; formal analysis, K.H.; data curation, L.Z.; writing—original draft preparation, K.H.; writing—review and editing, K.H.; supervision, R.D.; project administration, Y.Z.; funding acquisition, R.D. All authors have read and agreed to the published version of the manuscript.
Funding
This research was funded by the Beijing Natural Science Foundation (No. L202003) and China Scholarship Council (No. 202306510082).
Institutional Review Board Statement
Not applicable.
Informed Consent Statement
Not applicable.
Data Availability Statement
The original contributions presented in this study are included in the article. Further inquiries can be directed to the corresponding author.
Acknowledgments
The authors would like to thank the anonymous reviewers for their valuable comments and suggestions.
Conflicts of Interest
Author You Zhou was employed by the company Hubei SiEngine Technology Co., Ltd., Beijing Branch. The remaining authors declare that the research was conducted in the absence of any commercial or financial relationships that could be construed as a potential conflict of interest. The authors declare no conflicts of interest regarding the publication of this paper.
References
- Wang, L.; Wen, H.; Wu, X.; Song, Q. Design and Implementation of a Low-Complexity Multi-h CPM Receiver with Linear Phase Approximation Synchronization Algorithm. Entropy 2023, 25, 1530. [Google Scholar] [CrossRef]
- El Ghzaoui, M. CPM modulation implementation using blind equalizer and non-coherent demodulation for 5G and beyond. Int. J. Syst. Assur. Eng. Manag. 2024, 15, 2097–2104. [Google Scholar] [CrossRef]
- Zhou, Y.; Duan, R.F.; Jiang, B.F. A Low-Complexity Implementation Scheme for PCM/FM Based on MLSD. In Proceedings of the 2019 15th International Wireless Communications and Mobile Computing Conference (IWCMC), Tangier, Morocco, 24–28 June 2019. [Google Scholar]
- Silino, F.; Acqua, F.D.; Savazzi, P.; Vizziello, A.; Biz, D.; Brega, F. Linear Approximation of CPM Signals for a Reduced-Complexity, Multi-Mode Telemetry Transmitter. In Proceedings of the ICC 2023-IEEE International Conference on Communications, Rome, Italy, 28 May–1 June 2023; pp. 4089–4093. [Google Scholar]
- Lorenzen, L.; González, G. FPGA-SoC and SDR-Based Implementation of a SOQPSK and ARTM CPM Modulator. In Proceedings of the 2024 Argentine Conference on Electronics (CAE), Bahía Blanca, Argentina, 7–8 March 2024; pp. 47–52. [Google Scholar]
- Zhou, Y.; Duan, R.F.; Jiang, B.F. Reduced-state noncoherent MLSD method for CPM in aeronautical telemetry. J. China Univ. Posts Telecommun. 2020, 27, 43. [Google Scholar]
- Svensson, A.; Sundberg, C.; Aulin, T. A Class of Reduced-Complexity Viterbi Detectors for Partial Response Continuous Phase Modulation. IEEE Trans. Commun. 1984, 32, 1079–1087. [Google Scholar] [CrossRef]
- Torbjiirn, L. Optimal design of CPM decoders based on state-space partitioning. In Proceedings of the International Conference Communication, Montreal, QC, Canada, 30–31 January 1993; Volume 1, pp. 123–127. [Google Scholar]
- Pelchat, M.G.; Adams, S.L. Noncoherent detection of continous phase binary FSK. In Proceedings of the International Conference Communication, Montreal, QC, Canada, 7–12 June 1971; pp. 5–26. [Google Scholar]
- Osborne, W.P.; Luntz, M.B. Coherent and Noncoherent Detection CPFSK. IEEE Trans. Commun. 1974, 22, 1023–1036. [Google Scholar] [CrossRef]
- Geohegan, M. Improving the detection efficiency of conventional PCM/FM telemetry by using a multi-symbol demodulator. In Proceedings of the International Telemetering Conference, San Diego, CA, USA, 23–26 October 2000; pp. 675–682. [Google Scholar]
- Shi, C.; Zhang, G.; Li, H.; Han, C.; Tang, J.; Wen, H.; Wang, L.; Wang, D. Reduced-complexity multiple-symbol detection of O-QPSK signals in smart metering utility networks. Electronics 2020, 9, 2049. [Google Scholar] [CrossRef]
- Wu, Z.; Zhao, N.; Li, S.; Ren, G. A novel PCM/FM multi-symbol detection algorithm for FPGA implementation. Inf. Technol. J. 2009, 8, 583–588. [Google Scholar] [CrossRef][Green Version]
- Wang, L.; Yuan, F.; Zheng, L.H.; Xiang, L.J. Low-complexity multi-symbol detection algorithm for telemetry PCM /FM signal. Appl. Res. Comput. 2013, 30, 3065–3067+3070. [Google Scholar]
- Huang, C.; Xie, X.H.; Zhang, W.W. Minimum shift keying signal low computation coherent Multi-Symbol detection algorithm. Comput. Appl. Softw. 2022, 39, 321–325+331. [Google Scholar]
- Xie, X.H.; Zhang, M.X. Implementation of the CPFSK Signal Non-coherent Multi-symbol Detection Algorithm with Reduced Complexity. In Proceedings of the 2023 5th International Conference on Natural Language Processing (ICNLP), Guangzhou, China, 24–26 March 2023; pp. 131–135. [Google Scholar]
- Stavrou, V.N.; Tsoulos, I.G.; Mastorakis, N.E. Transformations for FIR and IIR Filters’ Design. Symmetry 2021, 13, 533. [Google Scholar] [CrossRef]
- Swamy, K.V.; Kumar, V.P.; Naidu YN, G.; Reddy, B.P. Multi-Symbol Detection of QPSK Signal in Noisy Channel. In Proceedings of the 2024 International Conference on Advances in Modern Age Technologies for Health and Engineering Science (AMATHE), Shivamogga, India, 16–17 May 2024; pp. 1–6. [Google Scholar]
- Datta, D.; Akhtar, S.; Dutta, H.S. FPGA Implementation of Symmetric Systolic FIR Filter using Multi-channel Technique. In Proceedings of the 2020 IEEE VLSI Device Circuit and System (VLSI DCS), Kolkata, India, 18–19 July 2020; pp. 225–228. [Google Scholar]
- Thamizharasan, V.; Kasthuri, N. FPGA implementation of high performance digital FIR filter design using a hybrid adder and multiplier. Int. J. Electron. 2023, 110, 587–607. [Google Scholar] [CrossRef]
- Ming, L.; Chao, Y. The Multiplexed Structure of Multi-channel FIR Filter and its Resources Evaluation. In Proceedings of the 2012 International Conference on Computer Distributed Control and Intelligent Environmental Monitoring, Zhangjiajie, China, 5–6 March 2012; pp. 764–768. [Google Scholar]
- Al-Dulaimi, M.A.A.; Wahhab, H.A.; Amer, A.A. Design and Implementation of Communication Digital FIR Filter for Audio Signals on the FPGA Platform. J. Commun. 2023, 18, 89–96. [Google Scholar] [CrossRef]
- Jianmin, H. Two techniques to improve the signal-to-noise radio gain of PCM/FM telemetry system 9 dB. J. Telem. Track. Command. 2004, 25, 6–8. [Google Scholar]
Disclaimer/Publisher’s Note: The statements, opinions and data contained in all publications are solely those of the individual author(s) and contributor(s) and not of MDPI and/or the editor(s). MDPI and/or the editor(s) disclaim responsibility for any injury to people or property resulting from any ideas, methods, instructions or products referred to in the content. |
© 2025 by the authors. Licensee MDPI, Basel, Switzerland. This article is an open access article distributed under the terms and conditions of the Creative Commons Attribution (CC BY) license (https://creativecommons.org/licenses/by/4.0/).








