Abstract
The present study investigates the tensile behavior and microstructure evolution of the 6082 aluminum alloy aged with high temperature. A universal testing machine was applied to explore the tensile behavior, while features of the fracture surface were characterized via scanning electron microscopy (SEM). The microstructural evolution was assessed through optical microscopy (OM) and transmission electron microscopy (TEM). The findings illustrate that the 6082 alloy sheet achieves peak strength following treatment at 180 °C for 8 h for the 0° orientation specimen, with the yield strength and tensile strength reaching 345 MPa and 373 MPa, respectively. An increase in aging temperature results in a decline in strength, accompanied by an improvement in elongation. After the treatment at 330 °C for 0.5 h, the corresponding yield strength falls below 150 MPa, with elongation exceeding 12%. The alloy sheet consistently exhibits ductile fracture characteristics with various aging treatments. The aging processes have no obvious influence on grain morphology. The fibrous grain structure is responsible for the anisotropic mechanical properties. The alloy aged at 180 °C for 8 h demonstrates the greatest precipitate density with the smallest precipitate size. As the aging temperature increases, the precipitate distribution becomes less uniform, and the precipitates grow coarser, leading to a decline in the precipitate density and corresponding strength of the alloy. Furthermore, it is noted that smaller precipitates are more effective in suppressing the mechanical anisotropy of the alloy.
1. Introduction
As the economy continues to grow, the popularity of automobiles is increasing, greatly enhancing people’s travel efficiency and quality of life. However, the associated problem of automobile exhaust emissions has had a significant negative impact on the environment, and this issue is gradually becoming an urgent environmental challenge that needs to be addressed. Under the current trend of environmental protection, the global automotive industry is committed to reducing energy consumption and pollutant emissions, and reducing the weight of vehicles is a significant strategy for attaining this goal [1]. This has led to the widespread application of lightweight materials in automobile manufacturing. Among the various lightweight materials, aluminum alloy, characterized by its low density, superior specific strength and rigidity, outstanding resistance to impact, corrosion, and favorable recyclability, has become the primary material for automotive lightweighting. In automobile manufacturing, the formability of aluminum alloy sheets is crucial for adapting to complex plastic forming processes, and at the same time, its strength is key to ensuring the rigidity and dent resistance of the vehicle body structure [2,3]. The Al-Mg-Si series alloy, with its low density, excellent processing performance, and outstanding mechanical properties, has become an ideal choice to meet these performance requirements [4,5]. It has been widely applied in the manufacturing of automobiles, aircraft, and ships [6,7,8].
In the field of industrial production, heat treatment is an essential method for optimizing the mechanical properties of metal materials through the precise control of temperature and time [9]. Artificial aging treatment serves as an efficient strengthening method, significantly enhancing the serving performance of the alloy components. It is widely accepted that aging temperature and aging time have great influence on the mechanical properties of the aluminum alloy. To deeply understand and optimize the aging treatment process, it is crucial to explore its effects on the type, size, and density of precipitates in the aluminum alloy. The typical precipitation sequence for Al-Mg-Si alloys has been studied [10]. Generally, peak-aged alloys can achieve higher strength, with the aging temperature typically ranging between 160 to 180 °C and the holding time chosen to be 4 to 10 h [11,12]. However, the latest research developments reveal that when the artificial aging treatment temperature exceeds 200 °C, it can not only enhance the strength of Al-Mg-Si alloys but also significantly reduce the time required for the aging treatment. Lu et al. [13] investigated the aging hardening behavior of the alloy treated at 250 °C and found that the alloy could achieve a maximum hardness value of 108 HV within a high-temperature heat treatment period of 5–10 min. The hardness is closely related to the density of precipitates. Zhang et al. [14] tested the dynamic impact behavior of 6005 aluminum alloy and found that samples aged at 280 °C for 0.5 h demonstrated excellent precipitation hardening and energy absorption capacity under dynamic compression. Wang et al. [15] explored the short-term artificial aging process of an Al-Si-Cu-Mg-Zn alloy at 220 °C. The findings exhibit that the hardness of the alloy significantly rose from 115 HV to 145 HV and a 26.1% improvement was obtained, with the mixed precipitates, including β″, Q′ and θ′, being the main reason for the strengthening effect. In summary, high-temperature aging is one of the effective ways to improve the serving performance of aluminum alloy components. However, there is still relatively little research on the high-temperature aging process parameters and corresponding mechanisms.
In the automobile part-forming process, plastic deformation is a critical factor influencing the serving performance of structural components made from aluminum alloy in vehicles, including items such as bumpers, ribs, and luggage racks [16,17]. Moreover, after undergoing plastic forming, the properties of aluminum alloys typically exhibit a certain degree of anisotropy. Chen et al. [18] found that the extruded Al-Cu-Li alloy exhibited anisotropic mechanical properties, with higher strength in the 0° and 90° direction specimens, while the 45° specimens had the best ductility. Li et al. [19] explored the anisotropy of Al-Zn-Mg alloy sheets, where the 0° and 90° samples had higher strength. In contrast, the 45° and 60° samples had lower strength but higher elongation. The different mechanical behaviors of aluminum alloys in various directions are closely related to their grain morphology and the distribution of precipitates [20]. Studies have shown that aluminum alloy with fibrous grains exhibit significant anisotropy when subjected to forces in different directions along the fibrous grains due to the different grain boundary densities in these directions [21]. Engler et al. [22] found that uniformly distributed precipitates in AA7021 aluminum alloy can reduce the performance differences caused by grain orientation, thereby reducing anisotropy. Precipitates can also reduce local stress concentrations caused by dislocation aggregation, thus reducing anisotropy. The impact of precipitates on the anisotropy of mechanical properties mainly comes from their interaction with dislocations. In addition to the morphology and dimension of precipitates, their orientation relationship with the matrix is also an important factor [20]. Grain morphology and precipitates, as key factors affecting the serving performance of alloy components, are closely related to the material’s forming process and heat treatment. Under different heat treatment regimes, both grain morphology and precipitate characteristics may undergo significant changes. Therefore, a thorough study of the evolution of grain morphology and precipitates of aluminum alloys under different heat treatment conditions will provide a scientific basis for the further application of aluminum alloys in modern industry.
Despite the increasing application of Al-Mg-Si alloys in the industrial field, there is a relative scarcity of research on the tensile behavior and micro-mechanisms of Al-Mg-Si alloys under high-temperature artificial aging conditions. This limitation hinders an in-depth understanding of the optimization of alloy performance. Therefore, a deeper exploration of the anisotropic behavior and microstructural evolution of the alloy under various temperature treatments is of significant guiding importance for process optimization and application promotion. Alloys with medium to high strength play a crucial role in manufacturing and daily life. However, traditional heat treatment processes struggle to achieve a balance between strength, ductility, and cost, which not only reduces the service life but also impedes the application potential. To fully harness the potential of aluminum alloys and further optimize product performance and production efficiency, this study focuses on the tensile response, anisotropic behavior, and the microstructure evolution of the 6082 alloy aged at various temperatures.
2. Experiment
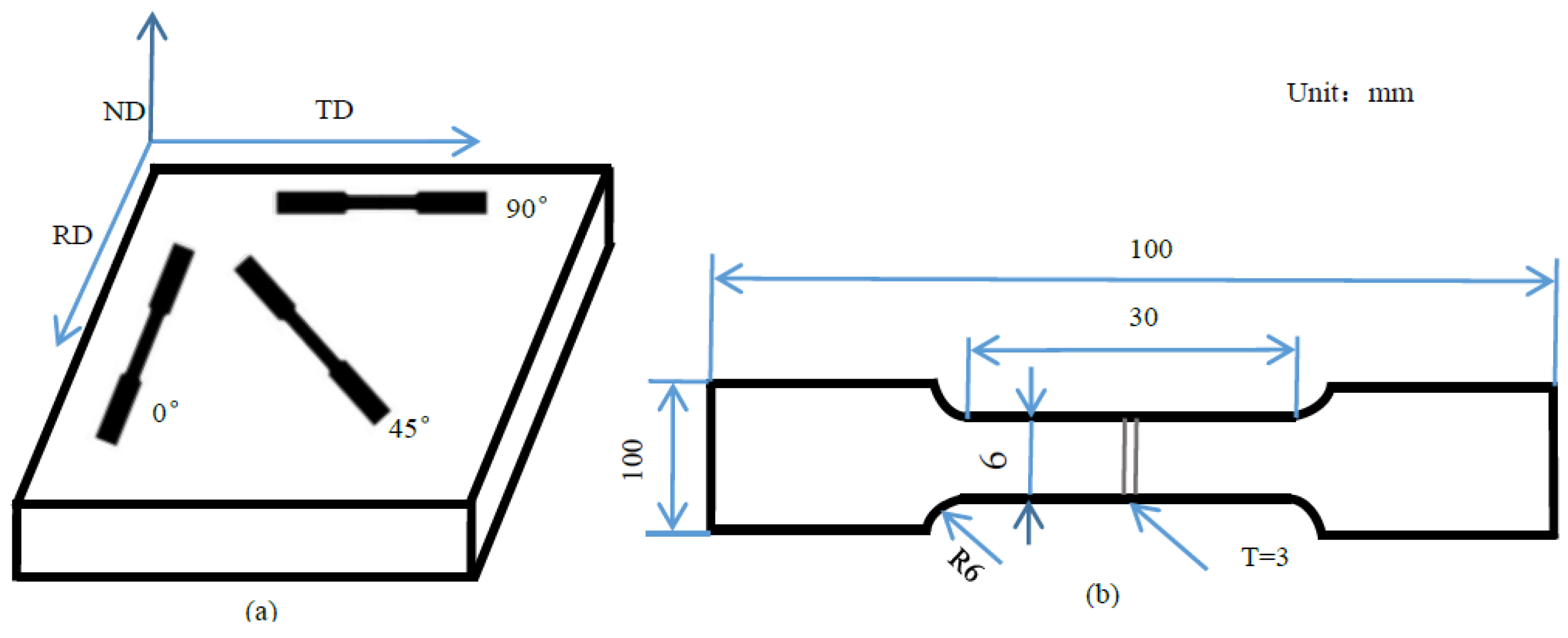
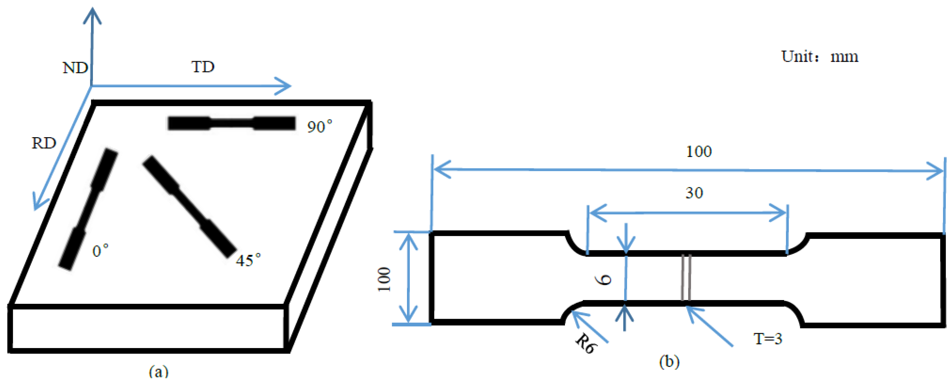
This study chose industrial 6082 aluminum alloy sheets with a thickness of 3 mm as the experimental material. The chemical makeup of the sheet is Al-0.75Mg-0.89Si-0.1Cu-0.2Fe. Wire-cutting technology was employed to cut the samples at three different angles: in alignment with the rolling direction of the sheet (0°), at an oblique angle (45°), and perpendicular to the rolling direction (90°). The positional relationship of the samples is displayed in Figure 1a, and they are marked as samples in the 0°, 45°, and 90° directions, respectively. The configuration and dimensions of the tensile test specimens are depicted in Figure 1b.
Figure 1.
Sample direction and size: (a) sample direction, (b) sample size.
Figure 2 illustrates the heat treatment process for the samples. Initially, all specimens underwent a solution heat treatment at a temperature of 550 °C for the duration of 1 h, after which they were rapidly cooled in water. Subsequently, the specimens were artificially aged at 180 °C for a period of 8 h, followed by cooling in air. This batch of samples is named the artificially aged (AA) samples. Another batch was artificially aged at 280 °C for half an hour, after which they were cooled down by exposure to air; these are named the high-temperature aged-at-280 °C (High temperature aging at 280 °C, abbreviated as HTA280) samples. Yet another batch was artificially aged at 330 °C for half an hour followed by air cooling and named the high-temperature aged-at-330 °C (High temperature aging at 330 °C, abbreviated as HTA330) samples. To guarantee the flatness of the sample surfaces, all tensile test samples were ground with sandpaper. Thereafter, the tensile tests were conducted via the Instron 3369 universal testing machine manufactured by Instron corporation (Canton, MA, USA) with a tensile strain rate of 1 × 10−3 s−1. Three effective experiments were performed for all conditions, and the stress–strain curves of the material were generated from the average of the three effective data sets.
Figure 2.
Heat treatment processes.
Figure 3 illustrates the characterization region of the samples. A segment close to the breakage point of the tensile test specimen was excised from the sample for an examination of the fracture morphology. The specimen was purified using ethanol, and the fracture features of the tensile test sample were examined with an EVO-18 scanning electron microscope, which was produced by GmbH in Oberkochen, Germany. The OM observation surface was ground with sandpapers of 400, 1200, and 2000 grit, respectively, polished with polishing cloths to achieve a mirror-like surface without scratches, and then subjected to electrolytic etching. The electrolyte consisted of an aqueous solution of hydrofluoric acid at a volume fraction of 5%, with a voltage of 20 V and etching time of 2–4 min. The metallographic observation data were collected by an AX10 Zeiss metallurgical microscope, which was produced by GmbH in Oberkochen, Germany. A thin section was extracted from the vicinity of the fracture, and the sample was mechanically reduced in thickness to 0.08 mm and punched into circular samples, the diameter of which was 3 mm. Subsequently, these circular samples underwent dual-jet chemical thinning and perforation using a MIP-1A magnetically driven dual-jet thinning device (Struers, Shanghai, China). During the experiment, a solution of methanol and nitric acid mixed in a volume ratio of 7:3 was used for thinning via electrolytic dual-jet technology. The temperature was maintained at −30 to −20 °C during the thinning process, and the voltage was 20 V. After the electrolytic treatment, the samples were characterized and analyzed under a Tecnai G2 F20 transmission electron microscope at a working voltage of 200 kV. This was provided by FEI Company from the Hillsboro, OR, USA.
Figure 3.
The characterization region of the sample.
3. Results and Discussion
3.1. Tensile Behavior
Figure 4 presents the true stress–true strain curves of the 6082 alloy subjected to different aging temperatures at a selected strain rate of 1 × 10−3 s−1. Overall, the material exhibits a rapid increase in stress with increasing strain during the elastic stage. Upon entering the yield stage, the material undergoes work-hardening behavior, as plastic deformation occurs and dislocations multiply and pile up, increasing the material’s resistance to deformation [23]. Consequently, stress increases with increasing strain. After reaching the tensile strength, the material’s stress begins to slowly decline as the strain increases. At this point, the softening effect becomes dominant due to dynamic recovery during the deformation process, where dislocations are annihilated, and the dislocation density decreases [24]. The material continues to deform until microvoids and microcracks expand and coalesce, leading to failure and fracture. Essentially, the plastic deformation process is the result of the interplay between the material’s hardening and softening effects. The heat treatment process significantly alters the material’s flow stress characteristics. The AA samples exhibit a higher strength level, with tensile strengths in all three directions exceeding 320 MPa; however, the elongation of the samples does not reach 10%. In contrast, the mechanical properties of the HTA280 samples are significantly inferior to those of the AA condition, with the yield strength in all three directions below 175 MPa. Nevertheless, their elongation is improved, with all of them exceeding 10%. As for the HTA330 samples, their strengths are lower, with the yield strength in all three directions below 150 MPa, but their elongations are higher than 12%.
Figure 4.
True stress–strain curve of the 6082 alloy with various aging temperature treatments.
Figure 5 demonstrates the relationship between the yield strength of the 6082 alloy treated at different aging temperatures and the direction of the samples. Based on the observations from Figure 5, it can be noted that the samples in the 0° direction exhibit maximum yield strength, while the 45° direction samples display a relatively lower yield strength. The anisotropy of the sheet material is characterized using the planar anisotropy (IPA) index [25], which is represented by the following formula:
Figure 5.
The yield strength of the 6082 alloy of different orientations under different aging temperature treatments.
The parameters YS(0), YS(45), and YS(90) denote the yield strength values in the three respective directions.
The IPA values for the 6082 aluminum alloy treated at different aging temperatures are shown in Table 1. The AA samples exhibit the lowest IPA (3.8%), followed by the HTA280 samples (7.0%) and the HTA330 samples (14.8%). The HTA330 samples demonstrate a more pronounced anisotropy in their mechanical properties, while the anisotropy in the mechanical properties of the AA samples is relatively weaker. The anisotropy in the mechanical properties of the material is related to its grain morphology and precipitate size and density. This will be analyzed in the subsequent discussion section.
Table 1.
The impact of varying aging temperatures on the IPA values in the 6082 alloy (%).
3.2. Fracture Morphology
Figure 6 displays the macroscopic fracture morphology of the 6082 alloy samples after various treatments. It can be seen from Figure 6a, the samples treated under the condition of 180 °C for 8 h show a decrease in the fracture’s cross-sectional area following tensile testing, indicating significant plastic deformation of the samples. From Figure 6b, it is observed that with an increase in aging temperature, the samples treated under the condition of 280 °C for 0.5 h exhibit a further reduction in the cross-sectional area; the samples exhibit more pronounced necking, displaying a greater elongation. When the aging temperature is elevated further, under the condition of 330 °C for 0.5 h, the cross-sectional area of the fracture continues to decrease, showing an even greater elongation, which indicates an enhancement in the material’s plasticity.
Figure 6.
Macro-fracture surface of the 6082 alloy with various treatments.
Figure 7 illustrates the fracture surface characteristics of the alloy samples following various heat treatment processes. In the fracture surface morphology of the samples subjected to the three distinct heat treatment procedures, a certain number of dimples with various depth and size can be observed, indicating that the fracture mode of the material is predominantly ductile. As shown in Figure 7a,d,g, the samples treated at 180 °C for 8 h exhibit a higher number of dimples with greater depth at the fracture, indicating better plasticity. With the increase in artificial aging temperature, as depicted in Figure 7b,e,h, the samples aged at 280 °C for 0.5 h show a significant increment in the quantity of dimples at the fracture, along with a deeper depth, which suggests an enhancement in the plasticity of the alloy. When the artificial aging process is conducted at 330 °C for 0.5 h, the quantity, dimensions and profundity of the dimples continue to increase with the rise in aging temperature, indicating a continuous improvement in the elongation.
Figure 7.
Tensile fracture surface morphology of the 6082 aluminum alloy under different heat treatments.
3.3. Microstructure
Figure 8 illustrates the grain structure of the 6082 samples before tensile deformation after being treated at different aging temperatures. The grains exhibit a typical fibrous morphology. Regardless of the heat treatment condition, the initial grain distribution of the alloy is similar, and the average grain width is maintained between 20–35 µm. This suggests that the selected heat treatment process parameters have a relatively limited influence on the grain dimension. According to the literature [26], fibrous grains can lead to anisotropy in the mechanical response. The strength along the direction of the fibrous grains is relatively higher, while the strength at a 45° angle to the fibrous grains is relatively lower. In this study, the tensile behaviors of the alloy in the three different heat treatment states conform to this trend. However, as the aging temperature rises, the anisotropy trend is enhanced. This may be due to the differences in the dimension and density of the precipitates within the matrix [27,28].
Figure 8.
OM of the alloy under various treatments.
Figure 9 displays the grain structure of the aluminum alloy samples after tensile fracture following various treatments. As depicted in Figure 9, it is evident that during the tensile process, in the region close to the fracture, the tensile samples fail by fracturing along the 45° direction under the action of shear forces. Compared with the AA and HTA280 samples, the HTA330 samples are relatively elongated, indicating an enhancement in the plastic deformation capacity of the alloy. It can be concluded from previous studies [29,30,31] that during the tensile process, as the deformation increases, microvoids within the material coalesce and grow, leading to the walls of adjacent voids drawing together, which ultimately causes the sample to fracture.
Figure 9.
OM near the tensile fracture of the 6082 alloy after various treatments.
Figure 10 presents the microstructure in the vicinity the fracture area of the 0° direction samples under different heat treatment conditions as observed through transmission electron microscopy (TEM). It reveals the dimension, morphology, and distribution characteristics of precipitates within the aluminum alloy, which vary with various treatments. The strength is primarily influenced by the changes in the fine precipitates within the grains [6]. As shown in Figure 10a, when the alloy is subjected to a 180 °C aging treatment for 8 h, the precipitates within the grains are relatively small, mainly consisting of fine β″ phases, which are similar in morphology to previous observations [6,14]. Dislocations can easily cut through these precipitates during plastic deformation. During the plastic deformation process of the material, these precipitates can significantly increase the resistance to dislocation motion, thereby enhancing the deformation resistance [32]. As the aging temperature increases, the precipitates begin to grow. As shown in Figure 10b,c, when the alloy undergoes artificial aging at 280 °C and 330 °C for a duration of 0.5 h, the precipitates within the grains are relatively larger, with the average size of the rod-shaped β′ precipitates exceeding 100 nm [14]. Dislocations find it difficult to cut through these precipitates. Therefore, the dislocation motion mechanism is bypassed, leading to a reduction in the strengthening effects [33]. Additionally, research has shown that fine precipitates in the matrix can suppress the anisotropy of the material’s mechanical properties [34,35]. The higher strength and lower IPA value of the AA samples are due to the high density of precipitates within them. In contrast, the precipitates in the HTA280 samples have undergone a coarsening process, which reduces their contribution to the material’s anisotropy. As a result, the anisotropic performance of the HTA280 samples is significantly better than that of the AA samples. As the aging treatment temperature is elevated to 330 °C, coarsening of precipitates is more pronounced, and the density of the precipitates also decreases, further weakening the influence on the material’s anisotropy. The HTA330 samples have the highest IPA value, indicating the most pronounced anisotropy in the material.
Figure 10.
TEM images of the 0° samples after tensile deformation.
4. Conclusions
- (1)
- The aging process significantly influences the tensile behavior of 6082 alloy sheets. The alloy aged at 180 °C for 8 h exhibits the highest strength, with the yield strength of samples in all three directions exceeding 320 MPa, but the elongation is the lowest, all less than 10%. With the rise in aging temperature, there is a decrease in the material’s strength, accompanied by an improvement in the elongation. The alloy samples treated with an aging process at 330 °C for 0.5 h have a strength below 150 MPa, and the elongation is above 12%.
- (2)
- The three different aging processes result in relatively higher mechanical properties in the 0° and 90° directions and lower properties in the 45° direction. The HTA330 samples have the greatest IPA value, while AA samples have the lowest. The fibrous grain structure is the main cause of anisotropy in the tensile behavior. The three types of aging treatments exert no considerable influence on the grain morphology.
- (3)
- The alloy that has undergone an aging treatment at 180 °C for 8 h exhibits a multitude of fine precipitates within its matrix. These β″ precipitates effectively pin dislocations during the plastic deformation process of the material, thereby increasing the resistance to deformation. However, as the aging temperature increases, the precipitates within the matrix coarsen and their density decreases, leading to a reduction in the material’s strength. Moreover, the fine precipitates effectively suppress the anisotropy of the material’s mechanical properties.
Author Contributions
Conceptualization, T.Y. and S.Q.; Methodology, Y.W. and Y.T.; Data curation, S.Q. and Y.T.; Formal analysis, T.Y. and C.W.; Funding acquisition, Y.W.; Investigation, E.X. and C.W.; Resources, L.W. and J.L.; Writing—original draft, S.Q. and T.Y.; Validation, E.X.; Visualization, J.L. and L.W.; Supervision Y.W.; Writing—review and editing, E.X. and S.Q. All authors have read and agreed to the published version of the manuscript.
Funding
The authors gratefully acknowledge financial support from the National Natural Science foundation of China (52201074, 52171115), the Hunan Provincial Natural Science Foundation of China (2024JJ7114, 2024JJ7117), and the College Student Innovation and Entrepreneurship Program Training Program (S202411528111, S202411528107, S202411528115X).
Institutional Review Board Statement
Not applicable.
Informed Consent Statement
Not applicable.
Data Availability Statement
Data are contained within the article.
Conflicts of Interest
Author Lijun Wang was employed by the company Hengyang conveying machinery Co., Ltd. The remaining authors declare that the research was conducted in the absence of any commercial or financial relationships that could be construed as a potential conflict of interest.
References
- Derbiszewski, B.; Obraniak, A.; Rylski, A.; Siczek, K.; Wozniak, M. Studies on the Quality of Joints and Phenomena Therein for Welded Automotive Components Made of Aluminum Alloy—A Review. Coatings 2024, 14, 601. [Google Scholar] [CrossRef]
- Hodžić, E.; Domitner, J.; Thum, A.; Sabet, A.S.; Müllner, N.; Fragner, W.; Sommitsch, C. Influence of natural aging on the formability of Al-Mg-Si alloy blanks. J. Manuf. Process. 2023, 94, 228–239. [Google Scholar] [CrossRef]
- Ye, T.; Li, L.; Liu, X.; Liu, W.; Guo, P.; Tang, X. Anisotropic deformation behavior of as-extruded 6063-T4 alloy under dynamic impact loading. Mater. Sci. Eng. A 2016, 666, 149–155. [Google Scholar] [CrossRef]
- Tiwari, A.; Singh, G.; Jayaganthan, R. Improved Corrosion Resistance Behaviour of AlSi10Mg Alloy due to Selective Laser Melting. Coatings 2023, 13, 225. [Google Scholar] [CrossRef]
- Jo, Y.H.; Moon, H.R.; Bae, J.W.; Yoo, J.; Lee, S.G.; Lee, Y.S.; Kim, H.W. Effects of casting speed on microstructural and tensile properties of Al–Mg–Si alloy fabri-cated by horizontal and vertical twin-roll casting. J. Mater. Res. Technol. 2023, 26, 8010–8024. [Google Scholar] [CrossRef]
- Liu, T.; Wu, Y.; Wang, H.; Guo, C. Investigation of Evolution of Microstructure, Mechanical Properties, and Corrosion Resistance of Novel Al-Mg-Si-Ag Alloy. Coatings 2023, 13, 2012. [Google Scholar] [CrossRef]
- Long, R.S.; Boettcher, E.; Crawford, D. Current and future uses of aluminum in the automotive industry. JOM 2017, 69, 2635–2639. [Google Scholar] [CrossRef]
- Di Bella, G.; Borsellino, C.; Khaskhoussi, A.; Proverbio, E. Effect of tool rotation direction on mechanical strength of single lap friction stir welded joints between aa5083 aluminum alloy and s355j0 steel for maritime applications. Metals 2023, 13, 411. [Google Scholar] [CrossRef]
- Ye, T.; Li, L.; Guo, P.; Xiao, G.; Chen, Z. Effect of aging treatment on the microstructure and flow behavior of 6063 aluminum alloy compressed over a wide range of strain rate. Int. J. Impact Eng. 2016, 90, 72–80. [Google Scholar] [CrossRef]
- Hagen, A.B.; Wenner, S.; Bjørge, R.; Wan, D.; Marioara, C.D.; Holmestad, R.; Ringdalen, I.G. Local mechanical properties and precipitation inhomogeneity in large-grained Al-Mg-Si alloy. Mater. Sci. Eng. A 2023, 872, 144222. [Google Scholar] [CrossRef]
- Ye, T.; Wu, Y.; Liu, A.; Xu, C.; Li, L. Mechanical property and microstructure evolution of aged 6063 aluminum alloy under high strain rate deformation. Vacuum 2019, 159, 37–44. [Google Scholar] [CrossRef]
- Zupanič, F.; Žist, S.; Albu, M.; Letofsky-Papst, I.; Burja, J.; Vončina, M.; Bončina, T. Dispersoids in Al-Mg-Si Alloy AA 6086 Modified by Sc and Y. Materials 2023, 16, 2949. [Google Scholar] [CrossRef] [PubMed]
- Lu, G.; Sun, B.; Wang, J.; Liu, Y.; Liu, C. High-temperature age-hardening behavior of Al–Mg–Si alloys with varying Sn contents. J. Mater. Res. Technol. 2021, 14, 2165–2173. [Google Scholar] [CrossRef]
- Zhang, L.; He, H.; Li, S.; Wu, X.; Li, L. Dynamic compression behavior of 6005 aluminum alloy aged at elevated temperatures. Vacuum 2018, 155, 604–611. [Google Scholar] [CrossRef]
- Wang, D.; Liu, S.; Zhang, X.; Li, X.; Zhang, H.; Nagaumi, H. Fast aging strengthening by hybrid precipitates in high pressure die-cast Al-Si-Cu-Mg-Zn alloy. Mater. Charact. 2021, 179, 111312. [Google Scholar] [CrossRef]
- Stojanovic, B.; Bukvic, M.; Epler, I. Application of aluminum and aluminum alloys in engineering. Appl. Eng. Lett. J. Eng. Appl. Sci. 2018, 3. [Google Scholar] [CrossRef]
- Abrar, M.S.U.; Ezaz, K.F.N.; Hasan, M.J.; Pranto, R.I.; Alvy, T.A.; Hossain, M.Z. Speed-dependent impact analysis on a car bumper structure using various materials. Results Eng. 2024, 21, 101927. [Google Scholar] [CrossRef]
- Chen, X.; Zhao, G.; Xu, X.; Wang, Y. Effects of heat treatment on the microstructure, texture and mechanical property anisotropy of extruded 2196 Al-Cu-Li alloy. J. Alloys Compd. 2021, 862, 158102. [Google Scholar] [CrossRef]
- Li, Y.; Xu, G.; Liu, S.; Wang, B.; Peng, X. Study on anisotropy of Al-Zn-Mg-Sc-Zr alloy sheet. Mater. Charact. 2021, 172, 110904. [Google Scholar] [CrossRef]
- Examilioti, T.N.; Li, W.; Kashaev, N.; Ventzke, V.; Klusemann, B.; Tiryakioğlu, M.; Alexopoulos, N.D. On anisotropic tensile mechanical behavior of Al–Cu–Li AA2198 alloy under different ageing conditions. J. Mater. Res. Technol. 2023, 24, 895–908. [Google Scholar] [CrossRef]
- Naumenko, K.; Gariboldi, E. Experimental analysis and constitutive modeling of anisotropic creep damage in a wrought age-hardenable Al alloy. Eng. Fract. Mech. 2022, 259, 108119. [Google Scholar] [CrossRef]
- Engler, O. Effect of precipitation state on plastic anisotropy in sheets of the age-hardenable aluminium alloys AA 6016 and AA 7021. Mater. Sci. Eng. A 2022, 830, 142324. [Google Scholar] [CrossRef]
- Guo, Y.; Zhang, J. Microstructure evolution and mechanical responses of Al–Zn–Mg–Cu alloys during hot deformation process. J. Mater. Sci. 2021, 56, 13429–13478. [Google Scholar] [CrossRef]
- Zhao, N.; Ma, H.; Hu, Z.; Yan, Y.; Chen, T. Microstructure and mechanical properties of Al-Mg-Si alloy during solution heat treatment and forging integrated forming process. Mater. Charact. 2022, 185, 111762. [Google Scholar] [CrossRef]
- Wang, X.; Zhao, Y.; Liu, Y.; Huang, Y. Influence of substructures on precipitation behavior and mechanical properties of cryogenic rolled Al–Mg–Si alloys during aging treatment. J. Mater. Res. Technol. 2023, 25, 946–959. [Google Scholar] [CrossRef]
- Zhu, X.; Yang, X.; Huang, W.; Qiu, W.; Wang, X.; Guo, F.; Hu, L.; Gong, M. Influence of pre-stretching on the tensile strength, fatigue properties and the in-plane anisot-ropy in Al-Cu-Li alloy AA2099. J. Mater. Sci. Technol. 2023, 145, 249–259. [Google Scholar] [CrossRef]
- Khadyko, M.; Myhr, O.; Hopperstad, O. Work hardening and plastic anisotropy of naturally and artificially aged aluminium alloy AA6063. Mech. Mater. 2019, 136, 103069. [Google Scholar] [CrossRef]
- Yang, Y.; Zhan, L.; Ma, Q.; Feng, J.; Li, X. Effect of pre-deformation on creep age forming of AA2219 plate: Springback, microstructures and mechanical properties. J. Mech. Work. Technol. 2016, 229, 697–702. [Google Scholar] [CrossRef]
- Gampert, S.; Siddique, A.B.; Khraishi, T.A. Void Growth and Interaction in a Structural Aluminum Alloy: Experiments and Theory. J. Miner. Mater. Charact. Eng. 2021, 9, 14–37. [Google Scholar] [CrossRef]
- Wciślik, W.; Lipiec, S. Void-induced ductile fracture of metals: Experimental observations. Materials 2022, 15, 6473. [Google Scholar] [CrossRef]
- Jia, Z.; Mu, L.; Guan, B.; Qian, L.-Y.; Zang, Y. Experimental and Numerical Study on Ductile Fracture Prediction of Aluminum Alloy 6016-T6 Sheets Using a Phenomenological Model. J. Mater. Eng. Perform. 2021, 31, 867–881. [Google Scholar] [CrossRef]
- Kong, S.; Liu, Q.; Zhang, Z. Mechanism on material strengthening of metastable precipitate and edge dislocation in Al–Mg–Si alloy. Phys. Status Solidi 2023, 260, 2200478. [Google Scholar] [CrossRef]
- Kong, S.; Yu, Z.; Zhang, X.; Zhang, Z. Coupling strengthening mechanism of precipitate and solute atoms in edge dislocation motion of Al-Mg-Si alloy. J. Mater. Res. Technol. 2024, 30, 134–145. [Google Scholar] [CrossRef]
- Jin, S.; Ngai, T.; Zhang, G.; Zhai, T.; Jia, S.; Li, L. Precipitation strengthening mechanisms during natural ageing and subsequent artificial aging in an Al-Mg-Si-Cu alloy. Mater. Sci. Eng. A 2018, 724, 53–59. [Google Scholar] [CrossRef]
- Chrominski, W.; Wenner, S.; Marioara, C.D.; Holmestad, R.; Lewandowska, M. Strengthening mechanisms in ultrafine grained Al-Mg-Si alloy processed by hydrostatic extrusion—Influence of ageing temperature. Mater. Sci. Eng. A 2016, 669, 447–458. [Google Scholar] [CrossRef]
Disclaimer/Publisher’s Note: The statements, opinions and data contained in all publications are solely those of the individual author(s) and contributor(s) and not of MDPI and/or the editor(s). MDPI and/or the editor(s) disclaim responsibility for any injury to people or property resulting from any ideas, methods, instructions or products referred to in the content. |
© 2024 by the authors. Licensee MDPI, Basel, Switzerland. This article is an open access article distributed under the terms and conditions of the Creative Commons Attribution (CC BY) license (https://creativecommons.org/licenses/by/4.0/).









