Design of Current Equalization Circuit in Dual Ethernet Power Supply System
Abstract
:1. Introduction
2. Dual-Power Supply over Ethernet
2.1. Steady-State Modeling and Analysis of PoE System
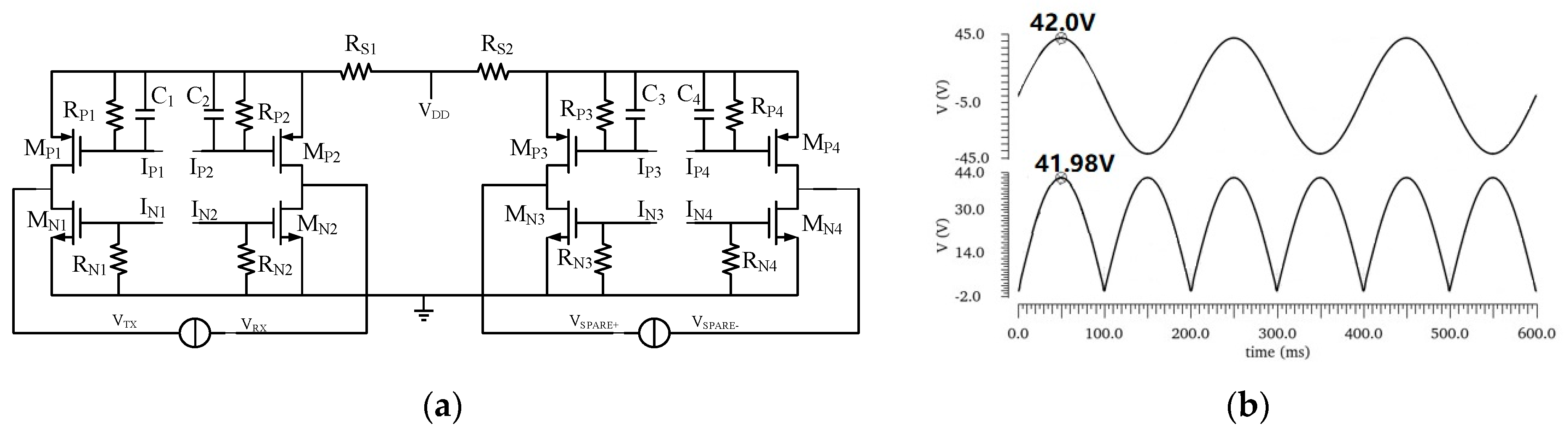
2.2. PD Interface Structure
2.3. Circuit Stability Analysis
3. Design of Current-Balancing Circuit in Dual Ethernet Power Supply System
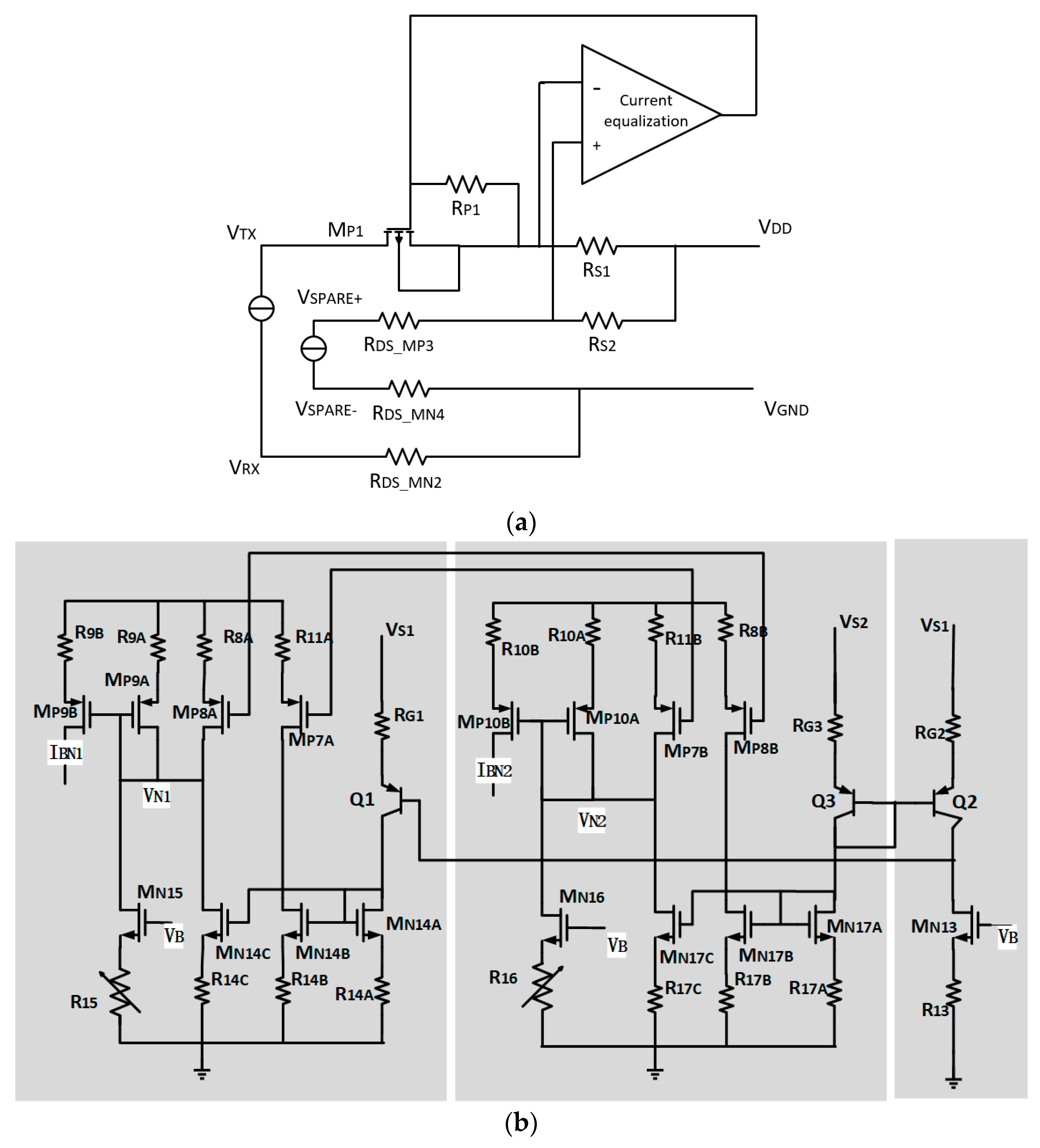
3.1. Design of Bias Circuit Module
3.2. Design of Rectifier Bridge and Control Circuit Module
3.3. Design of Current Balancing Module
4. Results and Discussion
4.1. Dual Ethernet Power Supply Current-Balancing Circuit
4.2. Analysis of Output Power and Power Loss of Dual Ethernet Power Supply Current-Balancing Circuit
5. Conclusions
Author Contributions
Funding
Data Availability Statement
Conflicts of Interest
References
- Li, Y. Research on High Efficiency Integrated Circuit of Receiving Device Based on IEEE802.3 at Power Supply over Ethernet Standard; Xidian University: Xi’an, China, 2017. [Google Scholar]
- Mao, S.; Qiao, D. Design and lmplementation of An Embedded FTP Server Poweredover Ethernet. In Proceedings of the IEEE international Conferene on Computer and Communications (ICCC), Chengdu, China, 14–17 October 2016; p. 24212424. [Google Scholar]
- LTC4278; IEEE 802.3 at PD with Synchronous No-Opto Flyback Controller and 12V Aux Support, Datasheet. Linear Technology Inc.: Santa Barbara, CA, USA, 2009.
- LM5072; LM5072 Integrated 100V Power over Ethernet PD Interface and PWM Controller with Aux Support, Datasheet Revision 1. Texas Instruments Inc.: Dallas, TX, USA, 2013.
- AS1135; 13W/30W IEEE 802.3af/at, PoE Powered Device with Inte-Grated DC-DC Controller, Datasheet Version 1.5. Akros Silicon Inc.: Sunnyvale, CA, USA, 2012.
- NCP1083; Integrated High Power PoE-PD Interface & DC-DC Converter Controller with 9 V Auxiliary Supply Support, Datasheet Revision 0. Semicond Inc.: San Diego, CA, USA, 2008.
- PM8803; High-Efficiency, IEEE 802.3 at Compliant Integrated PoE-PD Interface and PWM Controller, Datasheet Revision 2. STMicroelectronics Inc.: Geneva, Switzerland, 2012.
- MAX5991; IEEE 802.3af-Compliant, High-Efficiency, Class 1/Class 2 Powered Devices with Integrated DC-DC Converter, Datasheet Revision 1. Maxim Inc.: Port Huron, MI, USA, 2013.
- Li, Y.; Zhu, Z. A 30-W 90% efficiency dual-mode controlled DC–DC controller with power over Ethernet interface for power device. In Proceedings of the IEEE Transactions on Very Large Scale Integration (VLSI) Systems, Bariloche, Argentina, 22 February 2017; Volume 25, pp. 1943–1953. [Google Scholar]
- Robert, V.W. Electrical Isolation Requirements In Powe-Over-Ethernet (PoE) Power Sourcing Equipment (PSE). In Proceedings of the IEEE Applied Power Electronics Conference and Exposition (APEC), Dallas, TX, USA, 19–23 March 2006; pp. 819–822. [Google Scholar]
- Zargari, M.; Terrovitis, M.; Jen, S.M.; Kaczynski, B.J.; Lee, M.; Mack, M.P.; Mehta, S.; Mendis, S.; Onodera, K.; Samavati, H.; et al. A single-chip dual-band tri-mode CMOS transceiver for IEEE 802.11 a/b/g wireless LAN. IEEE J. Solid-State Circuits 2004, 39, 2239–2249. [Google Scholar] [CrossRef]
- Lei, W.; Zhu, Y. IEEE 802.3at-Compatibility Design and Research For High Power PoE. Electronic Test. 2013. Available online: http://en.cnki.com.cn/Article_en/CJFDTotal-WDZC201319010.htm (accessed on 12 October 2023).
- Penny, X. IEEE 802.3bt New Features [EB/OL]. Texas Instruments Inc.: Bay Area, CA, USA. 2017. Available online: https://training.ti.com/ieee8023bt-new-features (accessed on 12 October 2023).
- Chen, J.; Xu, P.; Fernandez, D. Beyond BT High-Power PoE Solution using the TPS23880 and TPS2372-4. Available online: https://www.ti.com/lit/an/slva986/slva986.pdf?ts=1700291217611 (accessed on 12 October 2023).
- IEEE Std 802.3bt-2018; Standard for Ethernet Amendment 2: Physical Layer and Management Parameters for Power over Ethernet over 4 Pairs. (Amendment to IEEE Std 802.3–2018 as Amended by IEEE Std 802.3cb-2018); IEEE: Piscataway, NJ, USA, 2019; pp. 1–291.
- CISCO. Cisco Universal Power over Ethernet: Unleash the Power of your Network; CISCO: San Jose, CA, USA, 2016. [Google Scholar]
- Omnitron Launches IEEE802.3bt Fiber to PoE Media Converters. FTTX 2019, 10, 31.
- Hafsi, K.; GenonCatalot, D.; Thiriet, J.M.; Lefevre, O. DC building management system with IEEE 802.3bt standard. In Proceedings of the 2021 IEEE 22nd International Conference on High Performance Switching and Routing (HPSR), Paris, France, 7–10 June 2021; p. 18. [Google Scholar] [CrossRef]
- Wu, J.; Wu, H.; Li, C.; Li, W.; He, X.; Xia, C. Advanced four-pair architecture with input current balance function for power over Ethernet (PoE) system. IEEE Trans. Power Electron. 2012, 28, 2343–2355. [Google Scholar] [CrossRef]
- Jian-Yu, H.; Han-Quan, Z.; Ming, D.; Zhang, Q.S. Design of a 90W high power power-over-ethernet system. Chin. J. Power Sources 2023. [Google Scholar]
- Xiao, Z. An efficient power over ethernet (PoE) interface with current-balancing and hot-swapping control. IEEE Trans. Ind. Electron. 2017, 65, 2496–2506. [Google Scholar] [CrossRef]
- Jassim, B.M.; Atkinson, D.J.; Zahawi, B. Modular Current Sharing Control Scheme for Parallel-Connected Converters. IEEE Trans. Ind. Electron. 2014, 62, 887–897. [Google Scholar] [CrossRef]
- Choi, H.-W.; Kim, S.-M.; Kim, J.; Cho, Y.; Lee, K.-B. Current-balancing strategy for multileg interleaved DC/DC converters of electric-vehicle chargers. J. Power Electron. 2021, 21, 94–102. [Google Scholar] [CrossRef]
- Lv, J.; Chen, C.; Liu, B.; Yan, Y.; Kang, Y. A Dynamic Current Balancing Method for Paralleled SiC MOSFETs Using Monolithic Si-RC Snubber Based on a Dynamic Current Sharing Model. IEEE Trans. Power Electron. 2022, 37, 13368–13384. [Google Scholar] [CrossRef]
- Wu, H.; Wang, Z.; Wu, J.; He, X.; Deng, Y. 50W Power Device (PD) power in Power over Ethernet (PoE) system with input current balance in four-pair architecture with two DC/DC converters. In Proceedings of the 2010 Twenty-Fifth Annual IEEE Applied Power Electronics Conference and Exposition (APEC), Palm Springs, CA, USA, 21–25 February 2010; IEEE: Piscataway, NJ, USA, 2010; pp. 575–579. [Google Scholar]
- McLean, I.; Christensen, K. Reducing energy use: A dual-channel link. IEEE Commun. Lett. 2012, 16, 411–413. [Google Scholar] [CrossRef]
- IEEE 525-2016; Guide for the Design and Installation of Cable Systems in Substations. IEEE: Piscataway, NJ, USA, 2016.
- Smith, G. LM5073HE Evaluation Board with Active Bridge; Application Note 1875; National Semiconductor: Danbury, CT, USA, 2008. [Google Scholar]
- Kato, H.; Matsuo, H.; Ito, T.; Kawazu, S.; Kawahara, D.; Motomura, S.; Hamaguchie, R. Power Efficiency Improvement of the Full Bridge Current Resonant DC-DC Converter. In Proceedings of the 2011 IEEE 33rd International Telecommunications Energy Conference, Amsterdam, The Netherlands, 9–13 October 2011; IEEE: Piscataway, NJ, USA, 2011; pp. 248–252. [Google Scholar]
- Razawi, B. Analog CMOS Integrated Circuit Design; Xi’an Jiaotong University: Xi’an, China, 2003; p. 458470. [Google Scholar]
- Yao, J.; Zhang, N. Analog Circuit Principle and Design; Beijing University of Posts and Telecommunications Press: Beijing, China, 2020; Volume 8, p. 9787. [Google Scholar]
- STMicroelectronics Tours SAS. Rectifier Bridge Circuit, Corresponding Apparatus and Method. US201615157711, 22 May 2018. [Google Scholar]













| Device | R1 | R2 | R3A-B | R4 | R5 |
| Dimension (KΩ) | 500 | 50 | 500 | 1000 | 500 |
| Device | MN5 | MN6 | MN7 | MN8 | MP5A-B |
| Dimension (W/L) | 20 | 16 | 8 | 4 | 4 |
| Device | RS1-2 | R3C-D | R6A-B | ||
| Dimension (Ω) | 0.8 | 250 | 500 | ||
| Device | MP5C-D | MP6A-D | MN9A-B | MN10A-B | MN11A-D |
| Dimension (W/L) | 4 | 20 | 4 | 20 | 20 |
| Device | RG1-3 | R8A-B | R9A, R10A | R9B, R10B | R11A-B | R13 | R14A-C | R15,16 | R17A-C |
| Dimension (KΩ) | 1 | 50 | 50 | 10 | 50 | 40 | 50 | 50 | 50 |
| Device | MP7A,B | MP8A,B | MP9A,B | MP10A,B | MN13 | MN14A-C | MN15 | MN16 | MN17A-C |
| Dimension (W/L) | 4 | 4 | 4 | 4 | 12 | 4 | 4 | 4 | 4 |
| No Current-Balancing Circuit (400 mV Voltage Difference) | Current-Balancing Circuits (400 mV Voltage Difference) | |
|---|---|---|
| Current error | 1 | 0.2% |
| Stability | 375.6 mA | 0.75 mA |
| Power | 25.5 W | 72 W |
Disclaimer/Publisher’s Note: The statements, opinions and data contained in all publications are solely those of the individual author(s) and contributor(s) and not of MDPI and/or the editor(s). MDPI and/or the editor(s) disclaim responsibility for any injury to people or property resulting from any ideas, methods, instructions or products referred to in the content. |
© 2023 by the authors. Licensee MDPI, Basel, Switzerland. This article is an open access article distributed under the terms and conditions of the Creative Commons Attribution (CC BY) license (https://creativecommons.org/licenses/by/4.0/).
Share and Cite
Guan, X.; Hu, X.; Zhang, J.; Jiang, Y. Design of Current Equalization Circuit in Dual Ethernet Power Supply System. J. Low Power Electron. Appl. 2023, 13, 60. https://doi.org/10.3390/jlpea13040060
Guan X, Hu X, Zhang J, Jiang Y. Design of Current Equalization Circuit in Dual Ethernet Power Supply System. Journal of Low Power Electronics and Applications. 2023; 13(4):60. https://doi.org/10.3390/jlpea13040060
Chicago/Turabian StyleGuan, Xingyu, Xinyuan Hu, Junkai Zhang, and Yanfeng Jiang. 2023. "Design of Current Equalization Circuit in Dual Ethernet Power Supply System" Journal of Low Power Electronics and Applications 13, no. 4: 60. https://doi.org/10.3390/jlpea13040060
APA StyleGuan, X., Hu, X., Zhang, J., & Jiang, Y. (2023). Design of Current Equalization Circuit in Dual Ethernet Power Supply System. Journal of Low Power Electronics and Applications, 13(4), 60. https://doi.org/10.3390/jlpea13040060

