Key Role of Cold-Start Circuits in Low-Power Energy Harvesting Systems: A Research Review
Abstract
1. Introduction
2. Classification of Energy Harvesting Systems
3. Cold-Start Circuit
3.1. Discrete Cold-Start Component
3.2. Integrated Cold-Start Approaches
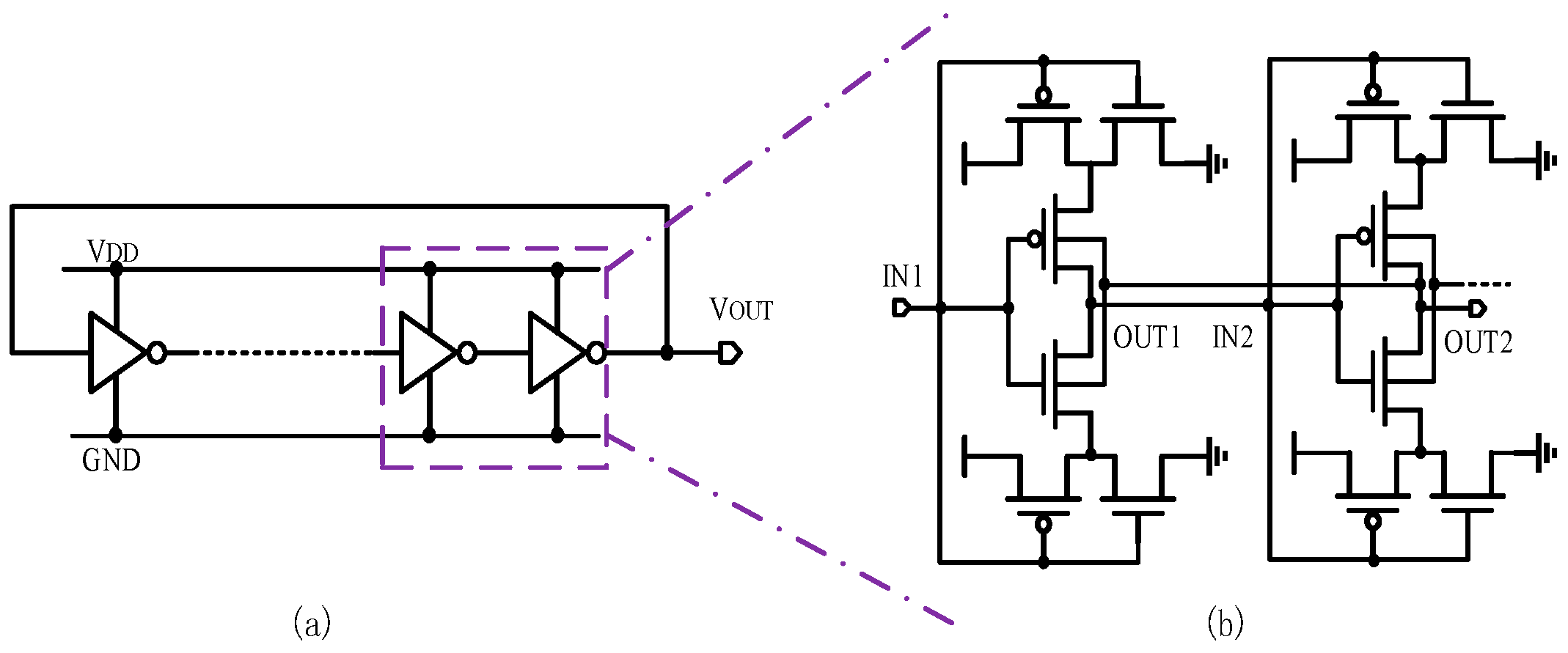
3.2.1. Integrated Ring Oscillator-Based Cold-Start Approach
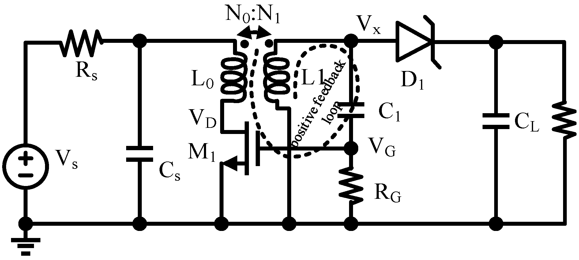
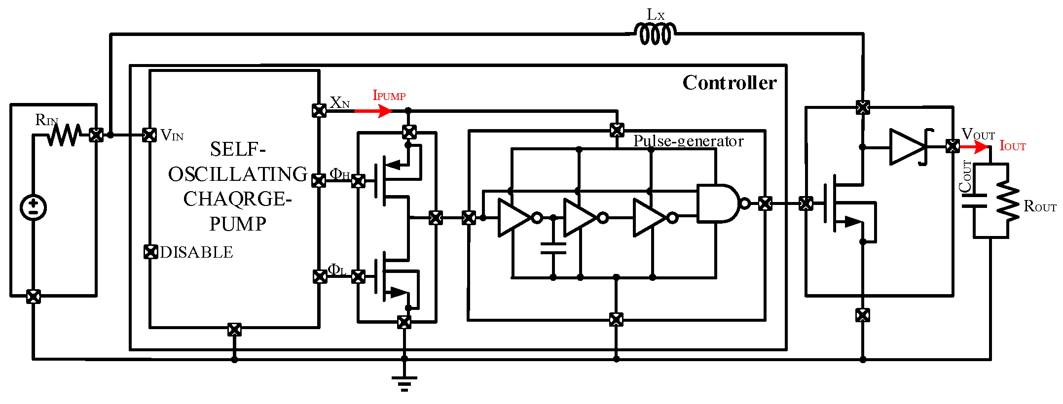
3.2.2. Integrated Resonance-Based Cold-Start
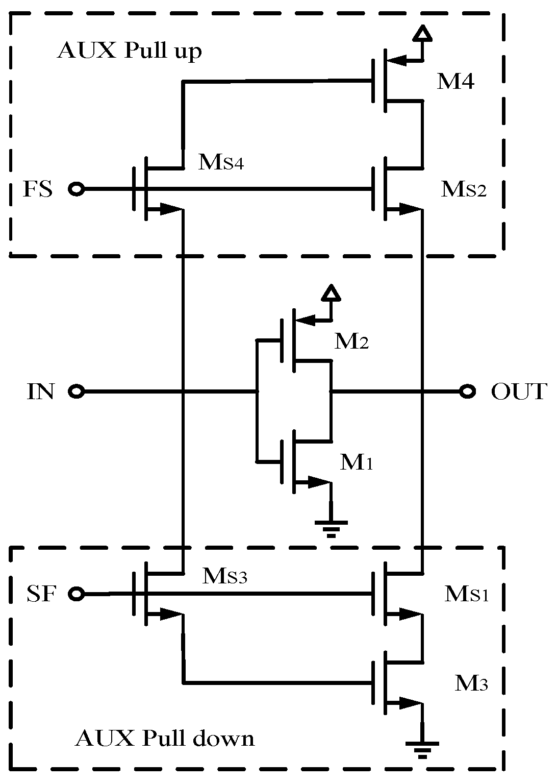
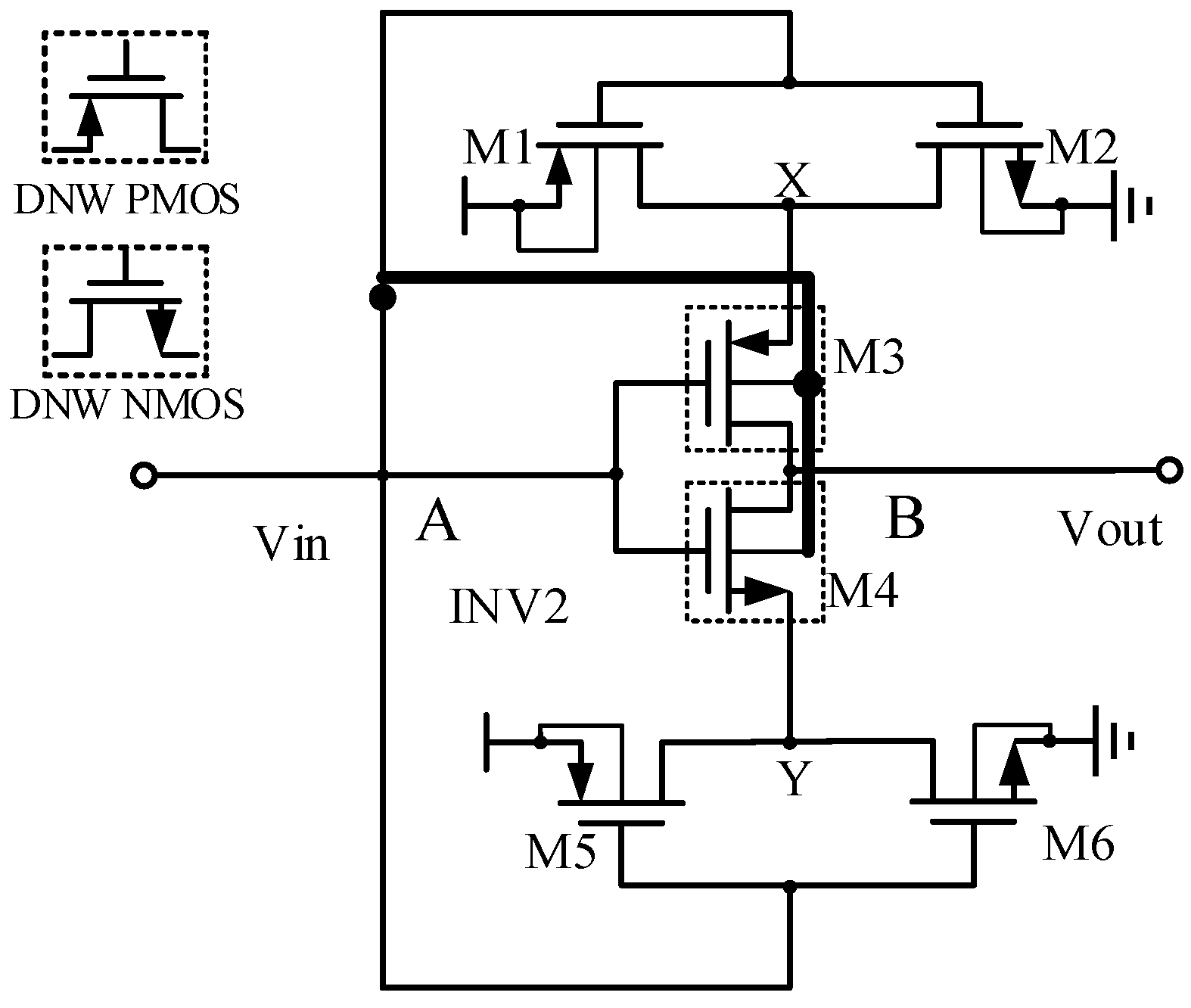
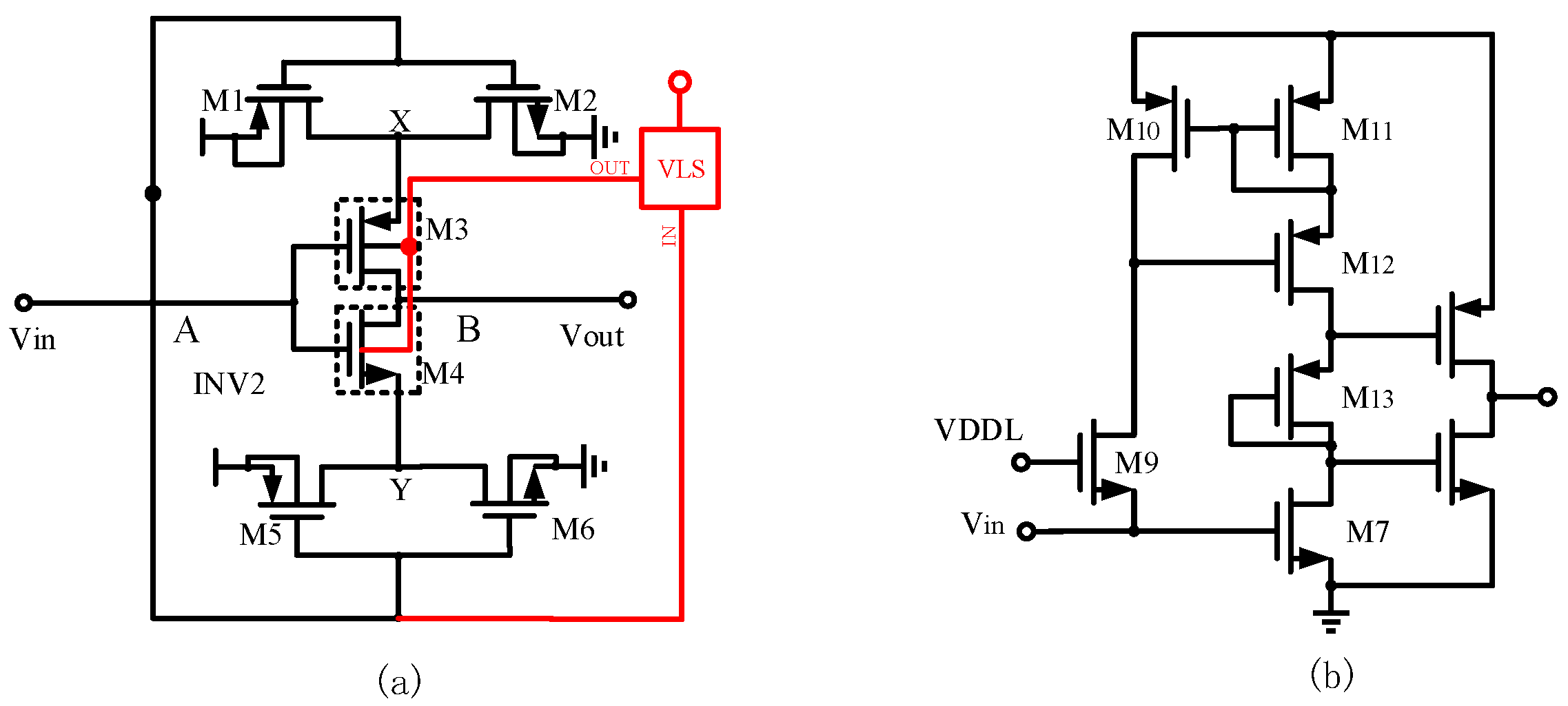
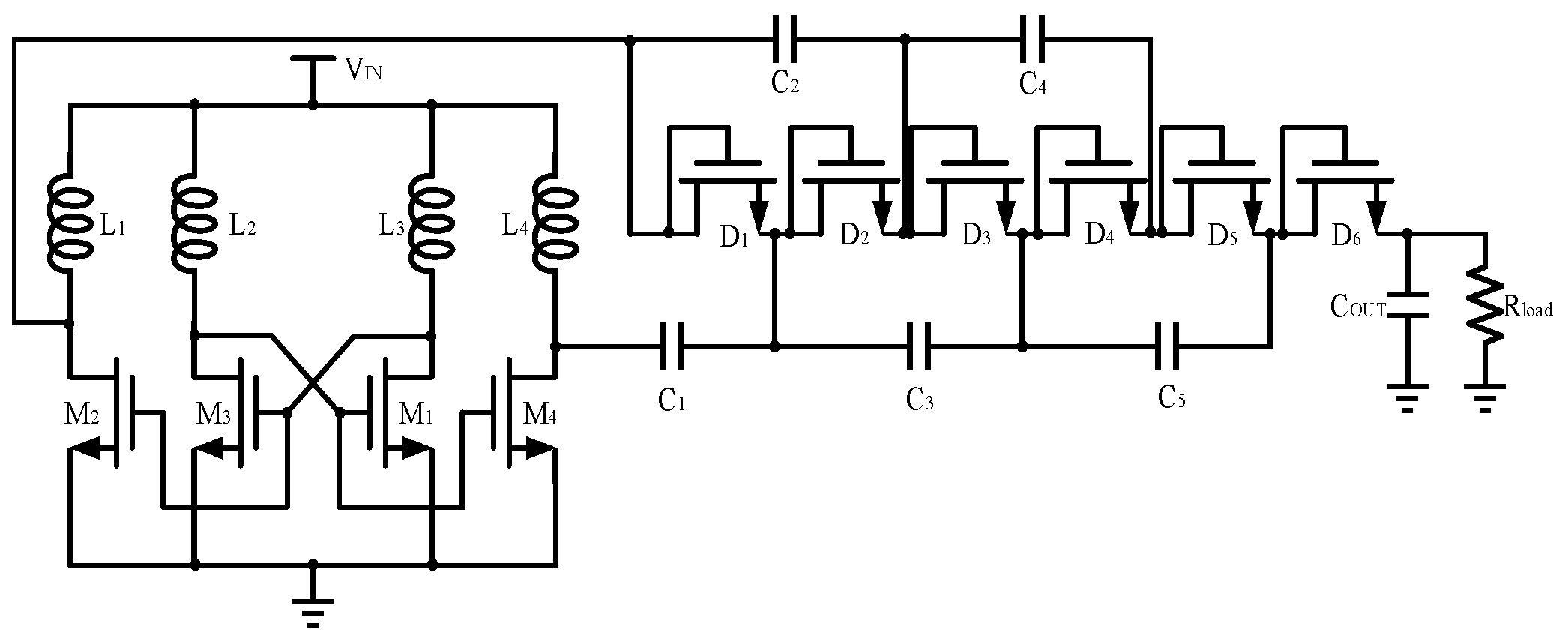
3.2.3. Integrated Self-Excited Oscillation-Based Cold-Start
4. Discussion
5. Conclusions
Author Contributions
Funding
Data Availability Statement
Conflicts of Interest
References
- Zhou, C.; Yang, Y.; Sun, N.; Wen, Z.; Cheng, P.; Xie, X.; Shao, H.; Shen, Q.; Chen, X.; Liu, Y.; et al. Flexible self-charging power units for portable electronics based on folded carbon paper. Nano Res. 2018, 11, 4313–4322. [Google Scholar] [CrossRef]
- Yahya Alkhalaf, H.; Yazed Ahmad, M.; Ramiah, H. Self-sustainable biomedical devices powered by RF energy: A review. Sensors 2022, 22, 6371. [Google Scholar] [CrossRef]
- Nundrakwang, S.; Yingyong, P.; Isarakorn, D. Energy harvesting for self-powered systems. In Proceedings of the 2020 6th International Conference on Engineering, Applied Sciences and Technology (ICEAST), Chiang Mai, Thailand, 1–4 July 2020; IEEE: Piscataway, NJ, USA, 2020. [Google Scholar]
- Evangelakos, E.A.; Kandris, D.; Rountos, D.; Tselikis, G.; Anastasiadis, E. Energy sustainability in wireless sensor networks: An analytical survey. J. Low Power Electron. Appl. 2022, 12, 65. [Google Scholar] [CrossRef]
- Rowe, D.M.; Min, G. Evaluation of thermoelectric modules for power generation. J. Power Sources 1998, 73, 193–198. [Google Scholar] [CrossRef]
- Singh, J.; Kaur, R.; Singh, D. Energy harvesting in wireless sensor networks: A taxonomic survey. Int. J. Energy Res. 2021, 45, 118–140. [Google Scholar] [CrossRef]
- Tampouratzis, M.G.; Plevritakis, N.; Vouyioukas, D.; Yioultsis, T.; Stratakis, D. Storage Efficiency Optimization in Capacitor-based Energy Harvesting Systems. In Proceedings of the 2023 International Conference on Control, Artificial Intelligence, Robotics & Optimization (ICCAIRO), Crete, Greece, 11–13 April 2023; IEEE: Piscataway, NJ, USA, 11–13 April 2023. [Google Scholar]
- Zhao, W.; Gadfort, P.; Bhanushali, K.; Franzon, P.D. RF-only logic: An area efficient logic family for RF-power harvesting applications. IEEE Trans. Circuits Syst. I Regul. Pap. 2017, 65, 406–418. [Google Scholar] [CrossRef]
- Hu, D.; Yao, M.; Fan, Y.; Ma, C.; Fan, M.; Liu, M. Strategies to achieve high performance piezoelectric nanogenerators. Nano Energy 2019, 55, 288–304. [Google Scholar] [CrossRef]
- Karan, S.K.; Maiti, S.; Agrawal, A.K.; Das, A.K.; Maitra, A.; Paria, S.; Bear, A.; Bear, R.; Halder, L.; Mishra, A.K.; et al. Designing high energy conversion efficient bio-inspired vitamin assisted single-structured based self-powered piezoelectric/wind/acoustic multi-energy harvester with remarkable power density. Nano Energy 2019, 59, 169–183. [Google Scholar] [CrossRef]
- Yan, J.; Liu, M.; Jeong, Y.G.; Kang, W.; Li, L.; Zhao, Y.; Deng, N.; Cheng, B.; Yang, G. Performance enhancements in poly(vinylidene fluoride)-based piezoelectric nanogenerators for efficient energy harvesting. Nano Energy 2019, 56, 662–692. [Google Scholar] [CrossRef]
- Thainiramit, P.; Yingyong, P.; Isarakorn, D. Impact-driven energy harvesting: Piezoelectric versus triboelectric energy harvesters. Sensors 2020, 20, 5828. [Google Scholar] [CrossRef]
- Sezer, N.; Koç, M. A comprehensive review on the state-of-the-art of piezoelectric energy harvesting. Nano Energy 2021, 80, 105567. [Google Scholar] [CrossRef]
- Chen, J.; Oh, S.K.; Nabulsi, N.; Johnson, H.; Wang, W.; Ryou, J.H. Biocompatible and sustainable power supply for self-powered wearable and implantable electronics using III-nitride thin-film-based flexible piezoelectric generator. Nano Energy 2019, 57, 670–679. [Google Scholar] [CrossRef]
- Fei, C.; Liu, X.; Zhu, B.; Li, D.; Yang, X.; Yang, Y.; Zhou, Q. AlN piezoelectric thin films for energy harvesting and acoustic devices. Nano Energy 2018, 51, 146–161. [Google Scholar] [CrossRef]
- Iqbal, M.; Nauman, M.M.; Khan, F.U.; Abas, P.E.; Cheok, Q.; Iqbal, A.; Aissa, B. Vibration-based piezoelectric, electromagnetic, and hybrid energy harvesters for microsystems applications: A contributed review. Int. J. Energy Res. 2021, 45, 65–102. [Google Scholar] [CrossRef]
- Wu, N.; Bao, B.; Wang, Q. Review on engineering structural designs for efficient piezoelectric energy harvesting to obtain high power output. Eng. Struct. 2021, 235, 112068. [Google Scholar] [CrossRef]
- Shirvanimoghaddam, M.; Shirvanimoghaddam, K.; Abolhasani, M.M.; Farhangi, M.; Barsari, V.Z.; Liu, H. Towards a green and self-powered Internet of Things using piezoelectric energy harvesting. IEEE Access 2019, 7, 94533–94556. [Google Scholar] [CrossRef]
- Brusa, E.; Carrera, A.; Delprete, C. A Review of Piezoelectric Energy Harvesting: Materials, Design, and Readout Circuits. Actuators 2023, 12, 457. [Google Scholar] [CrossRef]
- Zhou, X.; Parida, K.; Halevi, O.; Liu, Y.; Xiong, J.; Magdassi, S.; Lee, P.S. All 3D-printed stretchable piezoelectric nanogenerator with non-protruding kirigami structure. Nano Energy 2020, 72, 104676. [Google Scholar] [CrossRef]
- Sun, Y.; Chen, J.; Li, X.; Lu, Y.; Zhang, S.; Cheng, Z. Flexible piezoelectric energy harvester/sensor with high voltage output over wide temperature range. Nano Energy 2019, 61, 337–345. [Google Scholar] [CrossRef]
- Wu, N.; Derkenne, T.; Tregouet, C.; Colin, A. Comparison of miniaturized mechanical and osmotic energy harvesting systems. Nano Energy 2023, 118, 109004. [Google Scholar] [CrossRef]
- He, Q.; Briscoe, J. Piezoelectric Energy Harvester Technologies: Synthesis, Mechanisms, and Multifunctional Applications. ACS Appl. Mater. Interfaces 2024, 16, 29491–29520. [Google Scholar] [CrossRef]
- Parvez Mahmud, M.; Huda, N.; Farjana, S.H.; Asadnia, M.; Lang, C. Recent advances in nanogenerator-driven self-powered implantable biomedical devices. Adv. Energy Mater. 2018, 8, 1701210. [Google Scholar] [CrossRef]
- Zheng, Q.; Shi, B.; Li, Z.; Wang, Z.L. Recent Progress on Piezoelectric and Triboelectric Energy Harvesters in Biomedical Systems. Adv. Sci. 2017, 4, 1700029. [Google Scholar] [CrossRef]
- Bouhamed, A.; Missaoui, S.; Ben Ayed, A.; Attaoui, A.; Missaoui, D.; Jeder, K.; Guesmi, N.; Njeh, A.; Khemakhem, H.; Kanoun, O. A comprehensive review of strategies toward efficient flexible piezoelectric polymer composites based on BaTiO3 for next-generation energy harvesting. Energies 2024, 17, 4066. [Google Scholar] [CrossRef]
- Yang, D.; Sun, A.; Pan, Y.; Wang, K. Mechanical Energy Harvesting: Advancements in Piezoelectric Nanogenerators. Int. J. Electrochem. Sci. 2024, 19, 100793. [Google Scholar] [CrossRef]
- Rahman, M.M.; Khan, I.; Field, D.L.; Techato, K.; Alameh, K. Powering agriculture: Present status, future potential, and challenges of renewable energy applications. Renew. Energy 2022, 188, 731–749. [Google Scholar] [CrossRef]
- Kumar, C.M.S.; Singh, S.; Gupta, M.K.; Nimdeo, Y.M.; Raushan, R.; Deorankar, A.V.; Kumar, T.M.A.; Rout, P.K.; Chanotiya, C.; Nannaware, A.D.; et al. Solar energy: A promising renewable source for meeting energy demand in Indian agriculture applications. Sustain. Energy Technol. Assess. 2023, 55, 102905. [Google Scholar] [CrossRef]
- Leonov, V. Thermoelectric Energy Harvesting of Human Body Heat for Wearable Sensors. IEEE Sens. J. 2013, 13, 2284–2291. [Google Scholar] [CrossRef]
- Solangi, K.; Islam, M.; Saidur, R.; Rahim, N.A.; Fayaz, H. A review on global solar energy policy. Renew. Sustain. Energy Rev. 2011, 15, 2149–2163. [Google Scholar] [CrossRef]
- Coşgun, A.E.; Demir, H. The experimental study of dust effect on solar panel efficiency. Politek. Derg. 2022, 25, 1429–1434. [Google Scholar] [CrossRef]
- Demir, H. Application of thermal energy harvesting from photovoltaic panels. Energies 2022, 15, 8211. [Google Scholar] [CrossRef]
- Demir, H.; Coşgun, A.E. Performance prediction approach using rainfall based on artificial neural network for PV module. In Proceedings of the International Symposium on Current Developments in Science, Technology and Social Sciences, Gaziantep, Turkey, 16–17 December 2021. [Google Scholar]
- Hiyama, T.; Kitabayashi, K. Neural network based estimation of maximum power generation from PV module using environmental information. IEEE Trans Energy Convers. 1997, 12, 241–247. [Google Scholar] [CrossRef]
- Banotra, A.; Mishra, D.; Modem, S. Stochastic Computation Model for Solar Panel Size and Cost of Sustainable IoT Networks. IEEE Trans. Sustain. Comput. 2024, 1–17. [Google Scholar] [CrossRef]
- Wang, C.; Li, J.; Yang, Y.; Ye, F. Combining Solar Energy Harvesting with Wireless Charging for Hybrid Wireless Sensor Networks. IEEE Trans. Mob. Comput. 2017, 17, 560–576. [Google Scholar] [CrossRef]
- Ren, J.; Yue, S.; Zhang, D.; Zhang, Y.; Cao, J. Joint channel assignment and stochastic energy management for RF-powered OFDMA WSNs. IEEE Trans. Veh. Technol. 2018, 68, 1578–1592. [Google Scholar] [CrossRef]
- Ren, J.; Hu, J.; Zhang, D.; Guo, H.; Zhang, Y.; Shen, X. RF Energy Harvesting and Transfer in Cognitive Radio Sensor Networks: Opportunities and Challenges. IEEE Commun. Mag. 2018, 56, 104–110. [Google Scholar] [CrossRef]
- Vullers, R.; van Schaijk, R.; Doms, I.; Van Hoof, C.; Mertens, R.M.E.H. Micropower energy harvesting. Solid-State Electron. 2009, 53, 684–693. [Google Scholar] [CrossRef]
- Wang, X.; Xia, Y.; Shi, G.; Xia, H.; Ye, Y.; Chen, Z. Self-powered piezoelectric and thermoelectric energy simultaneous extraction interface circuit based on double stack resonance. IEEE Trans. Ind. Electron. 2019, 67, 4567–4577. [Google Scholar] [CrossRef]
- Shi, G.; Chang, J.; Xia, Y.; Wang, X.; Xia, H.; Li, Q. A Multisource Collaborative Energy Extraction Circuit for Vibration, Ambient Light, and Thermal Energy with MPPT and Single Inductor. IEEE Trans. Ind. Electron. 2022, 70, 5819–5829. [Google Scholar] [CrossRef]
- Im, J.P.; Wang, S.W.; Ryu, S.T.; Cho, G.H. A 40mV transformer-reuse self-startup boost converter with MPPT control for thermoelectric energy harvesting. IEEE J. Solid-State Circuits 2012, 47, 3055–3067. [Google Scholar] [CrossRef]
- Teh, Y.-K.; Mok, P.K. DTMOS-based pulse transformer boost converter with complementary charge pump for multisource energy harvesting. IEEE Trans. Circuits Syst. II Express Briefs 2015, 63, 508–512. [Google Scholar] [CrossRef]
- Tang, H.Y.; Weng, P.S.; Ku, P.C.; Lu, L.H. A fully electrical startup batteryless boost converter with 50 mV input voltage for thermoelectric energy harvesting. In Proceedings of the 2012 Symposium on VLSI Circuits (VLSIC), Honolulu, HI, USA, 13–15 June 2012; IEEE: Piscataway, NJ, USA, 2012. [Google Scholar]
- Weng, P.S.; Tang, H.Y.; Ku, P.C.; Lu, L.H. 50 mV-Input Batteryless Boost Converter for Thermal Energy Harvesting. IEEE J. Solid-State Circuits 2013, 48, 1031–1041. [Google Scholar] [CrossRef]
- Fuketa, H.; Matsukawa, T. Fully integrated, 100-mV minimum input voltage converter with gate-boosted charge pump kick-started by LC oscillator for energy harvesting. IEEE Trans. Circuits Syst. II Express Briefs 2016, 64, 392–396. [Google Scholar] [CrossRef]
- Machado, M.B.; Schneider, M.C.; Galup-Montoro, C. On the minimum supply voltage for MOSFET oscillators. IEEE Trans. Circuits Syst. I Regul. Pap. 2013, 61, 347–357. [Google Scholar] [CrossRef]
- Rozgic, D.; Markovic, D. A 0.78mW/cm2 autonomous thermoelectric energy-harvester for biomedical sensors. In Proceedings of the 2015 Symposium on VLSI Circuits, Kyoto, Japan, 17–19 June 2015. [Google Scholar]
- Rozgić, D.; Markovic, D. A Miniaturized 0.78-mW/cm2 Autonomous Thermoelectric Energy-Harvesting Platform for Biomedical Sensors. IEEE Trans. Biomed. Circuits Syst. 2017, 11, 773–783. [Google Scholar] [CrossRef]
- Chen, P.H.; Ishida, K.; Ikeuchi, K.; Zhang, X.; Honda, K.; Okuma, Y.; Sakurai, T. A 95mV-startup step-up converter with Vth-tuned oscillator by fixed-charge programming and capacitor pass-on scheme. In Proceedings of the 2011 IEEE International Solid-State Circuits Conference, San Francisco, CA, USA, 20–24 February 2011. [Google Scholar]
- Goeppert, J.; Manoli, Y. Fully Integrated Startup at 70 mV of Boost Converters for Thermoelectric Energy Harvesting. IEEE J. Solid State Circuits 2016, 51, 1716–1726. [Google Scholar] [CrossRef]
- Dezyani, M.; Ghafoorifard, H.; Sheikhaei, S.; Serdijn, W.A. A 60 mV input voltage, process tolerant start-up system for thermoelectric energy harvesting. IEEE Trans. Circuits Syst. I Regul. Pap. 2018, 65, 3568–3577. [Google Scholar] [CrossRef]
- Luo, Z.; Zeng, L.; Lau, B.; Lian, Y.; Heng, C.H. A sub-10 mV power converter with fully integrated self-start, MPPT, and ZCS control for thermoelectric energy harvesting. IEEE Trans. Circuits Syst. I Regul. Pap. 2017, 65, 1744–1757. [Google Scholar] [CrossRef]
- Bose, S.; Anand, T.; Johnston, M.L. Fully-integrated 57 mV cold-start of a thermoelectric energy harvester using a cross-coupled complementary charge pump. In Proceedings of the 2018 IEEE Custom Integrated Circuits Conference (CICC), San Diego, CA, USA, 8–11 April 2018. [Google Scholar]
- Bose, S.; Johnston, M.L. A Stacked-Inverter Ring Oscillator for 50 mV Fully-Integrated Cold-Start of Energy Harvesters. In Proceedings of the 2018 IEEE International Symposium on Circuits and Systems (ISCAS), Florence, Italy, 27–30 May 2018. [Google Scholar]
- Bose, S.; Anand, T.; Johnston, M.L. Integrated Cold-start of a Boost Converter at 57 mV Using Cross-Coupled Complementary Charge Pumps and Ultra-Low-Voltage Ring Oscillator. IEEE J. Solid-State Circuits 2019, 54, 2867–2878. [Google Scholar] [CrossRef]
- Bose, S.; Anand, T.; Johnston, M.L. A 3.5 mV input, 82% peak efficiency boost converter with loss-optimized MPPT and 50 mV integrated cold-start for thermoelectric energy harvesting. In Proceedings of the 2019 IEEE Custom Integrated Circuits Conference (CICC), Austin, TX, USA, 14–17 April 2019; IEEE: Piscataway, NJ, USA, 2019. [Google Scholar]
- Ramadass, Y.K.; Chandrakasan, A.P. A battery-less thermoelectric energy harvesting interface circuit with 35 mV startup voltage. IEEE J. Solid-State Circuits 2010, 46, 333–341. [Google Scholar] [CrossRef]
- Teh, Y.K.; Mok, P.K. Design of Transformer-Based Boost Converter for High Internal Resistance Energy Harvesting Sources with 21 mV Self-Startup Voltage and 74% Power Efficiency. IEEE J. Solid-State Circuits 2014, 49, 2694–2704. [Google Scholar] [CrossRef]
- Ashraf, M.; Masoumi, N. A Thermal Energy Harvesting Power Supply With an Internal Startup Circuit for Pacemakers. IEEE Trans. Very Large Scale Integr. Syst. 2015, 24, 26–37. [Google Scholar] [CrossRef]
- Xie, Z.; Wu, Z.; Wu, J. Low voltage delay element with dynamic biasing technique for fully integrated cold-start in DC energy harvesting systems. AEU-Int. J. Electron. Commun. 2020, 127, 153416. [Google Scholar] [CrossRef]
- Xie, Z.; Wu, Z.; Wu, J. Low Voltage Delay Element with Dynamic Biasing Technique for Fully Integrated Cold-Start in Battery-Assistance DC Energy Harvesting Systems. Appl. Sci. 2020, 10, 6993. [Google Scholar] [CrossRef]
- Nishi, M.; Matsumoto, K.; Kuroki, N.; Numa, M.; Sebe, H.; Matsuzuka, R. A 34-mV Startup Ring Oscillator Using Stacked Body Bias Inverters for Extremely Low-Voltage Thermoelectric Energy Harvesting. In Proceedings of the 2020 18th IEEE International New Circuits and Systems Conference (NEWCAS), Montreal, QC, Canada, 16–19 June 2020. [Google Scholar]
- Matsuzuka, R.; Terada, T.; Matsumoto, K.; Kitamura, M.; Hirose, T. A 42 mV startup ring oscillator using gain-enhanced self-bias inverters for extremely low voltage energy harvesting. Jpn. J. Appl. Phys. 2020, 59, SGGL01. [Google Scholar] [CrossRef]
- Xie, Z.; Zhang, W.; Zhou, Q.; Wang, Y.; Wu, J.; Gou, J.; Liu, L.; Wang, Z.; Cai, Z. A high-efficiency power management unit with wide dynamic range for RF energy harvesting system. IET Power Electron. 2023, 16, 1293–1304. [Google Scholar] [CrossRef]
- Chen, P.H.; Zhang, X.; Ishida, K.; Okuma, Y.; Ryu, Y.; Takamiya, M.; Sakurai, T. An 80 mV Startup Dual-Mode Boost Converter by Charge-Pumped Pulse Generator and Threshold Voltage Tuned Oscillator With Hot Carrier Injection. IEEE J. Solid-State Circuits 2012, 47, 2554–2562. [Google Scholar] [CrossRef]
- Ma, Y.; Zou, Y.; Zhang, S.; Fan, X. A 50 mV Fully-Integrated Self-Startup Circuit for Thermal Energy Harvesting. J. Circuits Syst. Comput. 2017, 26, 1750196. [Google Scholar] [CrossRef]
- Yu, X.; Lin, P.W.; Hsu, C.Y.; Yadav, S.K.; Lo, Z.J.; Peng, S.Y. An Integrated Circuit of A Cold-start-up Circuit for A Thermoelectric Energy Harvesting System. In Proceedings of the 2023 IEEE International Symposium on Circuits and Systems (ISCAS), Monterey, CA, USA, 21–25 May 2023; pp. 1–4. [Google Scholar]
- Li, S.; Liu, X.; Calhoun, B.H. A 32nA Fully Autonomous Multi-Input Single-Inductor Multi-Output Energy-Harvesting and Power-Management Platform with 1.2×105 Dynamic Range, Integrated MPPT, and Multi-Modal Cold-start-Up. In Proceedings of the 2022 IEEE International Solid- State Circuits Conference (ISSCC), San Francisco, CA, USA,, 20–26 February 2022; Volume 65, pp. 1–3. [Google Scholar]
- Coustans, M.; Krummenacher, F.; Kayal, M. A fully integrated 60 mV cold-start circuit for single coil DC-DC boost converter for Thermoelectric Energy Harvesting. IEEE Trans. Circuits Syst. II Express Briefs 2019, 66, 1668–1672. [Google Scholar] [CrossRef]
- Dotche, K.A.; Salami, A.A.; Kodjo, K.M.; Sekyere, F.; Bedja, K.S. Artificial Neural Network Approach for the Integration of Renewable Energy in Telecommunication Systems. In Proceedings of the 2019 IEEE PES/IAS PowerAfrica, Abuja, Nigeria, 20–23 August 2019; IEEE: Piscataway, NJ, USA, 2019. [Google Scholar]
- Breesam, W.I. Real-time implementation of MPPT for renewable energy systems based on Artificial intelligence. Int. Trans. Electr. Energy Syst. 2021, 31, e12864. [Google Scholar] [CrossRef]
- Wang, X.; Xia, Y.; Zhu, Z.; Shi, G.; Xia, H.; Ye, Y.; Liu, L. Configurable hybrid energy synchronous extraction interface with serial stack resonance for multi-source energy harvesting. IEEE J. Solid-State Circuits 2022, 58, 451–461. [Google Scholar] [CrossRef]
- Bakytbekov, A.; Nguyen, T.Q.; Li, W.; Lee Cottrill, A.; Zhang, G.; Strano, M.S.; Salama, K.N.; Shamim, A. Multi-source ambient energy harvester based on RF and thermal energy: Design, testing, and IoT application. Energy Sci. Eng. 2020, 8, 3883–3897. [Google Scholar] [CrossRef]
- Lim, S.M.; Islam, M.S.; Sawal, M.A.; Razak, Z.; Yeo, K.H.; Wong, H.Y. Sub-threshold start-up circuit with dynamic body-biasing for boost converters in thermoelectric energy harvesting. Sādhanā 2020, 45, 149. [Google Scholar] [CrossRef]
- Tao, J.; Mao, W.; Luo, Z.; Zeng, L.; Heng, C.H. A fully integrated power converter for thermoelectric energy harvesting with 81% peak efficiency and 6.4-mV minimum input voltage. IEEE Trans. Power Electron. 2021, 37, 4968–4972. [Google Scholar] [CrossRef]


























| Electric Energy | Voltage Size | Energy Source Power Density | Collected Power Density | ||
|---|---|---|---|---|---|
| Thermal energy | Civil | DC voltage | 0–1 V | 0.1 mW/cm2 | 10 μW/cm2 |
| Industry | 100 mW/cm2 | 10 mW/cm2 | |||
| Solar energy | Indoor | DC voltage | >0.7 V | 0.1 mW/cm2 | 4 μW/cm2 |
| Outdoor | 100 mW/cm2 | 100 μW/cm2 | |||
| Vibration energy | Civil | Pulse voltage | 1–100 V | 0.5 m@1 Hz, 1 m/s2 @50 Hz | 30 μW/cm2 |
| Industry | 1 m@5 Hz, 10 m/s2 @1 KHz | 1–10 μW/cm2 | |||
| RF energy | Environment | Sinusoidal voltage | 0–1 V | 20 W/cm2 | 0.1 μW/cm2 |
| Emission source | 0.3 μW/cm2 | 0.1 μW/cm2 |
| Parameter | Interpretation | Unit |
|---|---|---|
| Starting voltage | Minimum voltage required for cold-start of equipment or system | V |
| Starting time | The time interval between the initial start-up signal being delivered to the circuit and the circuit being able to function properly and perform its designed function | ms |
| Output frequency | The frequency of the generated oscillating signal usually needs to be compatible with subsequent circuits | Hz |
| Dynamic range | Voltage range in which the cold-start circuit can operate | |
| Anti-interference | The ability to operate normally when the equipment or system is subjected to external interference |
| Categorization | Reference | Starting Voltage | Starting Time | Peak Efficiency | Dynamic Range | Maximum Output Power | CMOS Process | |
|---|---|---|---|---|---|---|---|---|
| Non-fully integrated | [43] | 40 mV | / | 61% | / | 2.7 mw | 130 nm | |
| [60] | 21 mV | / | 74% | / | 2 mw | 130 nm | ||
| [44] | 36 mV | / | / | / | 2 mw | 130 nm | ||
| Fully integrated | Ring oscillator-based | [76] | 225 mV | / | / | / | / | 180 nm |
| [63] | 24 mV | / | / | / | / | 180 nm | ||
| Resonance-based | [67] | 80 mV | 4.8 ms | 72% | / | / | 65 nm | |
| [57] | 57 mV | 135 ms | / | / | / | 180 nm | ||
Self-excited Oscillation-based | [70] | / | / | 80% | 1.2 × 105 | 1.2 mw | 65 nm | |
| [77] | 83 mV | / | 81% | / | / | 55 nm | ||
| [54] | 210 mV | / | 71.5% | / | / | 65 nm | ||
| [71] | 60 mV | 150 ms | / | / | / | 180 nm |
Disclaimer/Publisher’s Note: The statements, opinions and data contained in all publications are solely those of the individual author(s) and contributor(s) and not of MDPI and/or the editor(s). MDPI and/or the editor(s) disclaim responsibility for any injury to people or property resulting from any ideas, methods, instructions or products referred to in the content. |
© 2024 by the authors. Licensee MDPI, Basel, Switzerland. This article is an open access article distributed under the terms and conditions of the Creative Commons Attribution (CC BY) license (https://creativecommons.org/licenses/by/4.0/).
Share and Cite
Shi, X.; Cai, M.; Jiang, Y. Key Role of Cold-Start Circuits in Low-Power Energy Harvesting Systems: A Research Review. J. Low Power Electron. Appl. 2024, 14, 55. https://doi.org/10.3390/jlpea14040055
Shi X, Cai M, Jiang Y. Key Role of Cold-Start Circuits in Low-Power Energy Harvesting Systems: A Research Review. Journal of Low Power Electronics and Applications. 2024; 14(4):55. https://doi.org/10.3390/jlpea14040055
Chicago/Turabian StyleShi, Xiao, Mengye Cai, and Yanfeng Jiang. 2024. "Key Role of Cold-Start Circuits in Low-Power Energy Harvesting Systems: A Research Review" Journal of Low Power Electronics and Applications 14, no. 4: 55. https://doi.org/10.3390/jlpea14040055
APA StyleShi, X., Cai, M., & Jiang, Y. (2024). Key Role of Cold-Start Circuits in Low-Power Energy Harvesting Systems: A Research Review. Journal of Low Power Electronics and Applications, 14(4), 55. https://doi.org/10.3390/jlpea14040055

