Review of Battery Storage and Power Electronic Systems in Flexible A-R-OPF Frameworks
Abstract
1. Introduction
- Unidirectional Converter: A unidirectional converter, as the name suggests, allows power flow in only one direction. It typically converts power from a single source to a load or an output, as shown in Figure 1, without any backflow of power. In other words, it can convert energy from the input source and deliver it to the output, but it cannot transfer power in the opposite direction. Examples of unidirectional converters include rectifiers or dc-converters, which step up or step down the voltage level of a DC source.
- Bidirectional Converter: A bidirectional converter, on the other hand, enables power flow in both directions. It can convert power from a source to a load and also allow power to flow back from the load to the source. This bidirectional capability is useful in applications where power needs to be exchanged or shared between different sources and loads. Bidirectional converters are commonly used in applications such as energy storage systems and electric vehicle charging stations. They enable functions such as charging/discharging batteries (active power (P)) or supplying/absorbing reactive power (Q) to power grids [32].
- Unidirectional Power Flow: Unidirectional power flow occurs when electrical power moves in a single direction, typically from a power source to a load or consumer. In this scenario, power flows from the source to the load, and there is no provision (no specific arrangement or rule) for power to flow in the opposite direction. Examples of unidirectional power flow can be found in traditional electricity distribution systems, where power generated at a centralized power plant is transmitted through transmission and distribution lines to reach homes, businesses, and other electrical loads. The power flows in one direction, from the power plant to the consumers.
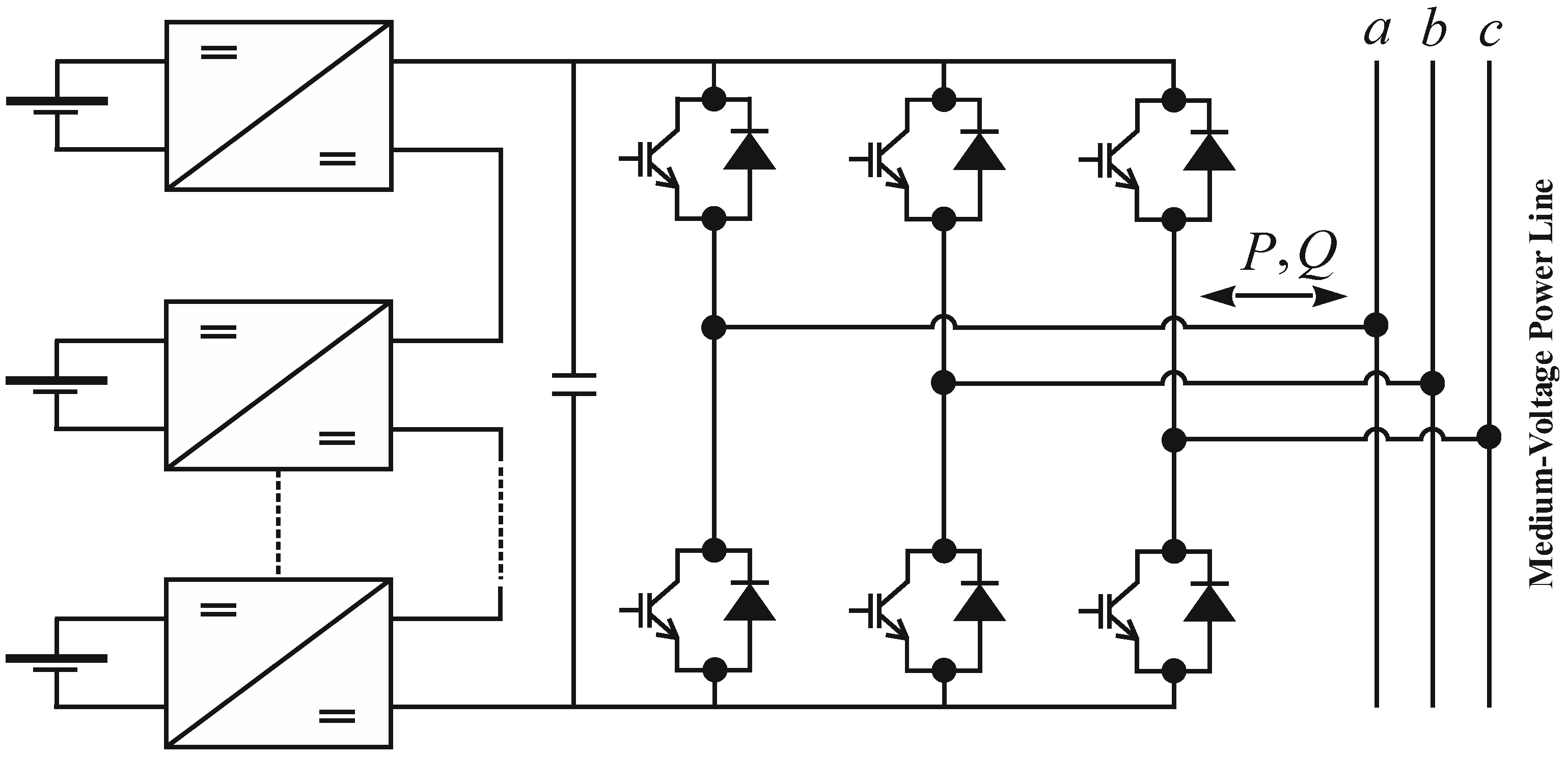
- Bidirectional Power Flow: Bidirectional power flow allows electrical power to flow in two directions. This means power can be transferred not only from a source to a load but also from a load back to the source. Bidirectional power flow is commonly seen in systems involving energy storage, renewable energy integration, and electric vehicle charging. For example, in a system with solar panels and a battery, power generated by the solar panels can be used to charge the battery, that is, unidirectional power flow from solar panels to the battery. However, during times of high demand or when the solar panels are not generating sufficient power, the energy stored in the battery can be discharged to power the load, that is bidirectional power flow from the battery to the load. The concept of bidirectional power flow is to be distinguished for active and reactive power, as shown in Figure 3 [23], where i ∈ N, that is, the total number of nodes in a power grid.
- Provide a summary of the existing research.
- Highlight gaps in current knowledge.
- Offer a new perspective on the topic.
2. Sustainable Energy Systems
- Energy, in a broader sense, encompasses all sources of energy, including electricity as well as other forms such as fuels for vehicles, heating [20], etc.
- Electricity is considered a subset of energy, that is, electricity is a specific form or type of energy.
3. Dynamic Needs
- The plan emphasizes efficient reactive power management and decentralized approaches.
- It assumes that DSOs will handle their own requirements using their connected equipment and resources.
- This decentralization reduces the need for compensation in the transmission grid and increases it in the distribution grid.
4. Control Techniques
- Pulse Width Modulation (PWM) Control [74]: It is a widely used technique in power electronics. It involves varying the width of pulses within a fixed period to regulate the average voltage or current delivered to the load. Unlike pulse density modulation and pulse frequency modulation, which, respectively, modulate the density or frequency of pulses, PWM focuses on modulating the width or duration of pulses. It is extensively used in applications such as motor drives, uninterruptible power supplies, and PWM-battery [75].
- Hysteresis/Bang-Bang Control [55]: It is a robust and simple control technique employed in power systems [56] and power electronics systems [71]. It operates by comparing the system’s output with predefined upper and lower hysteresis bands. If the output exceeds the upper band, the control action changes, and if it falls below the lower band, the control action reverts. Hysteresis control provides fast response making it suitable for applications such as converters, voltage regulators, and battery chargers.
- Sliding Mode Control [76]: It is, in general, a nonlinear control technique that ensures robust performance even in the presence of uncertainties or disturbances [77]. It involves creating a sliding surface to drive the system states toward a desired trajectory. Sliding mode control offers excellent disturbance rejection, insensitivity to parameter variations, and fast transient response [78]. It finds applications in power factor control [79].
- Model Predictive Control [80]: It is an advanced control technique that uses a dynamic model of a power electronics system to predict future behavior [71]. Based on this model, an optimization algorithm generates control actions that optimize a cost function while satisfying system constraints. MPC allows for predictive control of multiple system variables simultaneously, enabling superior performance and robustness. It is employed in applications such as grid-connected converters, renewable energy systems, and electric vehicle charging stations.
- Artificial Intelligence-based Control [81]: There are several examples of AI-based control techniques. Some of the commonly used ones include [82]: (1) Fuzzy Logic: A rule-based control technique that uses fuzzy logic and set theory to handle imprecise or uncertain information [83,84]. It allows for the representation of linguistic variables and the definition of rules describing system behavior. Fuzzy logic control offers intuitive and flexible control, making it suitable for systems with nonlinearities or complex dynamics. It finds applications in power dc-converters and voltage regulation [85,86]. (2) Neural Networks: These techniques employ artificial neural networks to learn and approximate system behavior based on training data [87]. They offer adaptive control capabilities and can handle complex and nonlinear systems. It has been successfully applied in power electronics for applications such as BSSs [88]. Note that explainable AI is a concern in power electronics as many AI algorithms lack transparency, often referred to as the “black-box” feature [73]. (3) Genetic Algorithms: GA can be considered a type of power electronics control technique [89]. They are a computational optimization technique inspired by the principles of natural evolution and genetics. GA involves using a population of potential solutions and applying genetic operators such as selection, crossover, and mutation. Through iterative evolution, GA aims to find an optimal or near-optimal solution to a given problem [28,89]. In the context of power electronics, GA can be used to optimize parameters, control strategies, or system configurations, thereby enhancing the performance, efficiency, and reliability of power electronic systems [90,91].
5. Role and Benefits of BSSs
- Frequency and Voltage Regulation: In interconnected grids, BSSs respond rapidly to frequency deviations [93], adjusting active power and regulating voltage levels through efficient management of reactive power. This enhances system stability, improves power quality, and strengthens grid performance. Similarly, in isolated grids, BSSs play a crucial role in monitoring and responding to frequency deviations. They inject power during high-demand periods to raise the frequency and absorb power during low-demand periods to lower it, maintaining a stable frequency range. BSSs also manage reactive power flow, regulating voltage levels for a consistent and reliable power supply in isolated grids [94].
- Load Balancing and Peak Shaving: BSSs can help balance the active and reactive power demand by supplying electricity during peak periods and storing excess power during low-demand periods. In addition, BSSs can reduce peak power demand, alleviate grid strain by supplying extra active power in high-demand periods, and enhance grid stability and efficiency by providing reactive power support to regulate voltage levels and improve power quality.
- Renewable Energy Integration and Grid Resiliency: Grid resiliency refers to the ability of an electric power system to withstand and recover from disruptions caused by natural disasters through understanding the causes of blackouts, preparing and hardening the grid, and leveraging new technologies for situational awareness and faster restoration. Grid resiliency means a power grid can handle and recover from problems such as natural disasters, equipment failures, cyber-attacks, or extreme weather events. BSSs facilitate the efficient integration of renewable energy sources by storing excess generation to minimize curtailments, and releasing it during periods of low renewable output, ensuring a continuous and stable power supply. Furthermore, BSSs can act as backup power sources during outages, providing uninterrupted electricity supply and enhancing grid resiliency.
- Reverse Power Flow Optimization: BSSs play a crucial role in optimizing reverse power flow in interconnected grids [95]. When excess power is simultaneously injected into two neighboring grids, BSSs actively absorb and store the surplus energy, thereby preventing grid instability and voltage rise. By efficiently managing to reverse active power, BSSs help maintain system stability and ensure reliable operations in interconnected grids. In addition, BSSs regulate reactive power to control voltage levels, contributing to optimal power quality during reverse power flow conditions. Their flexibility and ability to provide such ancillary services enable effective reverse power optimization, enhancing the overall performance of interconnected grids. Furthermore, considering electricity prices [95], BSSs can take advantage of varying prices by charging during low-cost periods and discharging during high-cost periods, optimizing cost savings. The increasing volume of services procured by TSOs through distributed resources highlights the need for a more active role of DSOs in maintaining network integrity and facilitating services [96].
- Transmission and Distribution Infrastructure Optimization: BSSs play a crucial role in power systems by providing active and reactive power support, ensuring stability, and promoting energy independence. Strategically located BSSs within the grid can alleviate congestion in transmission and distribution systems. They can store excess energy at one location and release it at another, reducing the need for infrastructure, for example, power lines, and upgrades.
6. Conclusions
Funding
Data Availability Statement
Conflicts of Interest
Appendix A
References
- Newell, W.E. Power Electronics—Emerging from Limbo. IEEE Trans. Ind. Appl. 1974, IA-10, 7–11. [Google Scholar] [CrossRef]
- Mohan, N.; Undeland, T.M.; Robbins, W.P. Power Electronics: Converters, Applications, and Design, 2nd ed.; Wiley: New York, NY, USA, 1995; ISBN 978-0-471-58408-7. [Google Scholar]
- Blaabjerg, F.; Chen, Z.; Kjaer, S.B. Power Electronics as Efficient Interface in Dispersed Power Generation Systems. IEEE Trans. Power Electron. 2004, 19, 1184–1194. [Google Scholar] [CrossRef]
- Mohagheghi, E.; Alramlawi, M.; Gabash, A.; Blaabjerg, F.; Li, P. Real-Time Active-Reactive Optimal Power Flow with Flexible Operation of Battery Storage Systems. Energies 2020, 13, 1697. [Google Scholar] [CrossRef]
- Merei, G.; Berger, C.; Sauer, D.U. Optimization of an Off-Grid Hybrid PV–Wind–Diesel System with Different Battery Technologies Using Genetic Algorithm. Sol. Energy 2013, 97, 460–473. [Google Scholar] [CrossRef]
- Alramlawi, M.; Gabash, A.; Mohagheghi, E.; Li, P. Optimal Operation of Hybrid PV-Battery System Considering Grid Scheduled Blackouts and Battery Lifetime. Sol. Energy 2018, 161, 125–137. [Google Scholar] [CrossRef]
- Sawle, Y.; Gupta, S.C.; Bohre, A.K. Review of Hybrid Renewable Energy Systems with Comparative Analysis of Off-Grid Hybrid System. Renew. Sustain. Energy Rev. 2018, 81, 2217–2235. [Google Scholar] [CrossRef]
- Poullikkas, A. A Comparative Overview of Large-Scale Battery Systems for Electricity Storage. Renew. Sustain. Energy Rev. 2013, 27, 778–788. [Google Scholar] [CrossRef]
- Zhao, H.; Wu, Q.; Hu, S.; Xu, H.; Rasmussen, C.N. Review of Energy Storage System for Wind Power Integration Support. Appl. Energy 2015, 137, 545–553. [Google Scholar] [CrossRef]
- Hameer, S.; Van Niekerk, J.L. A Review of Large-Scale Electrical Energy Storage. Int. J. Energy Res. 2015, 39, 1179–1195. [Google Scholar] [CrossRef]
- Geth, F.; Brijs, T.; Kathan, J.; Driesen, J.; Belmans, R. An Overview of Large-Scale Stationary Electricity Storage Plants in Europe: Current Status and New Developments. Renew. Sustain. Energy Rev. 2015, 52, 1212–1227. [Google Scholar] [CrossRef]
- Fathima, A.H.; Palanisamy, K. Energy Storage Systems for Energy Management of Renewables in Distributed Generation Systems. In Energy Management of Distributed Generation Systems; Mihet-Popa, L., Ed.; InTech: Rijeka, Croatia, 2016; ISBN 978-953-51-2473-3. [Google Scholar]
- Wang, G.; Konstantinou, G.; Townsend, C.D.; Pou, J.; Vazquez, S.; Demetriades, G.D.; Agelidis, V.G. A Review of Power Electronics for Grid Connection of Utility-Scale Battery Energy Storage Systems. IEEE Trans. Sustain. Energy 2016, 7, 1778–1790. [Google Scholar] [CrossRef]
- Gür, T.M. Review of Electrical Energy Storage Technologies, Materials and Systems: Challenges and Prospects for Large-Scale Grid Storage. Energy Environ. Sci. 2018, 11, 2696–2767. [Google Scholar] [CrossRef]
- Gabash, A.; Alkal, M.E.; Li, P. Impact of Allowed Reverse Active Power Flow on Planning PVs and BSSs in Distribution Networks Considering Demand and EVs Growth; IEEE: Bielefeld, Germany, 2013; pp. 11–16. [Google Scholar]
- Mazumder, S.K.; Kulkarni, A.; Sahoo, S.; Blaabjerg, F.; Mantooth, H.A.; Balda, J.C.; Zhao, Y.; Ramos-Ruiz, J.A.; Enjeti, P.N.; Kumar, P.R.; et al. A Review of Current Research Trends in Power-Electronic Innovations in Cyber–Physical Systems. IEEE J. Emerg. Sel. Top. Power Electron. 2021, 9, 5146–5163. [Google Scholar] [CrossRef]
- Jahns, T.M.; Dai, H. The Past, Present, and Future of Power Electronics Integration Technology in Motor Drives. CPSS Trans. Power Electron. Appl. 2017, 2, 197–216. [Google Scholar] [CrossRef]
- Schwarz, F.C. Power Processing. In Power Processing; National Aeronautics and Space Administration: Washington, DC, USA, 1971; Volume NASA SP-244. [Google Scholar]
- De Doncker, R.W. Medium-Voltage Power Electronic Technologies for Future Decentralized Power Systems. In Proceedings of the Power Conversion Conference-Osaka 2002 (Cat. No.02TH8579), Osaka, Japan, 2–5 April 2002; IEEE: Osaka, Japan, 2002; Volume 3, pp. 927–932. [Google Scholar]
- Incropera, F.P.; De Witt, D.P.; Bergman, T.L.; Lavine, A.S. Fundamentals of Heat and Mass Transfer; Wiley: New York, NY, USA, 1996; Volume 6, ISBN 978-0471457282. [Google Scholar]
- Kolar, J.W.; Krismer, F.; Lobsiger, Y.; Muhlethaler, J.; Nussbaumer, T.; Minibock, J. Extreme Efficiency Power Electronics. In Proceedings of the 2012 7th International Conference on Integrated Power Electronics Systems (CIPS), Nuremberg, Germany, 6–8 March 2012; IEEE: Nuremberg, Germany, 2012; pp. 1–22. [Google Scholar]
- Kawan, Y.K.; Gabash, A. Impact of Series Resonant Power Conditioning System Losses in Optimal Power Flow. In Proceedings of the 2018 IEEE International Conference on Environment and Electrical Engineering and 2018 IEEE Industrial and Commercial Power Systems Europe (EEEIC/I&CPS Europe), Palermo, Italy, 12–15 June 2018; IEEE: Palermo, Italy, 2018; pp. 1–6. [Google Scholar]
- Gabash, A. Flexible Optimal Operations of Energy Supply Networks: With Renewable Energy Generation and Battery Storage; Südwestdeutscher Verlag für Hochschulschriften: Saarbrücken, Germany, 2014; ISBN 978-3-8381-3838-1. [Google Scholar]
- Gabash, A.; Li, P. On Variable Reverse Power Flow-Part I: Active-Reactive Optimal Power Flow with Reactive Power of Wind Stations. Energies 2016, 9, 121. [Google Scholar] [CrossRef]
- Gabash, A.; Li, P. On Variable Reverse Power Flow-Part II: An Electricity Market Model Considering Wind Station Size and Location. Energies 2016, 9, 235. [Google Scholar] [CrossRef]
- Gabash, A.; Li, P. Active-Reactive Optimal Power Flow for Low-Voltage Networks with Photovoltaic Distributed Generation. In Proceedings of the 2012 IEEE International Energy Conference and Exhibition (ENERGYCON), Florence, Italy, 9–12 September 2012; IEEE: Florence, Italy, 2012; pp. 381–386. [Google Scholar]
- Suntio, T.; Messo, T.; Aapro, A.; Kivimäki, J.; Kuperman, A. Review of PV Generator as an Input Source for Power Electronic Converters. Energies 2017, 10, 1076. [Google Scholar] [CrossRef]
- Gabash, A.; Li, P. Flexible Optimal Operation of Battery Storage Systems for Energy Supply Networks. IEEE Trans. Power Syst. 2013, 28, 2788–2797. [Google Scholar] [CrossRef]
- Singh, B.; Al-Haddad, K.; Chandra, A. A Review of Active Filters for Power Quality Improvement. IEEE Trans. Ind. Electron. 1999, 46, 960–971. [Google Scholar] [CrossRef]
- Singh, B.; Singh, B.N.; Chandra, A.; Al-Haddad, K.; Pandey, A.; Kothari, D.P. A Review of Single-Phase Improved Power Quality Ac~dc Converters. IEEE Trans. Ind. Electron. 2003, 50, 962–981. [Google Scholar] [CrossRef]
- Singh, B.; Singh, B.N.; Chandra, A.; Al-Haddad, K.; Pandey, A.; Kothari, D.P. A Review of Three-Phase Improved Power Quality AC–DC Converters. IEEE Trans. Ind. Electron. 2004, 51, 641–660. [Google Scholar] [CrossRef]
- Gabash, A.; Li, P. Active-Reactive Optimal Power Flow in Distribution Networks with Embedded Generation and Battery Storage. IEEE Trans. Power Syst. 2012, 27, 2026–2035. [Google Scholar] [CrossRef]
- Stevens, R.H. Power Flow Direction Definitions for Metering of Bidirectional Power. IEEE Trans. Power Appar. Syst. 1983, PAS-102, 3018–3022. [Google Scholar] [CrossRef]
- Gabash, A.; Li, P. Reverse Active-Reactive Optimal Power Flow in ADNs: Technical and Economical Aspects. In Proceedings of the 2014 IEEE International Energy Conference (ENERGYCON), Cavtat, Croatia, 13–16 May 2014; IEEE: Cavtat, Croatia, 2014; pp. 1115–1120. [Google Scholar]
- Guidance for Setting a Renewable Electricity Goal: A Framework to Help Municipalities Achieve Their Objectives. Available online: https://www.epa.gov/sites/default/files/2018-08/documents/gpp-goal-setting-guidance.pdf (accessed on 29 May 2023).
- De Doncker, R.W. Power Electronic Technologies for Flexible DC Distribution Grids. In Proceedings of the 2014 International Power Electronics Conference (IPEC-Hiroshima 2014—ECCE ASIA), Hiroshima, Japan, 18–21 May 2014; IEEE: Hiroshima, Japan, 2014; pp. 736–743. [Google Scholar]
- Miller, N.W.; Zrebiec, R.S.; Hunt, G.; Deimerico, R.W. Design and Commissioning of a 5 MVA, 2.5 MWh Battery Energy Storage System. In Proceedings of the 1996 Transmission and Distribution Conference and Exposition, Los Angeles, CA, USA, 16–20 September 1996; IEEE: Los Angeles, CA, USA, 1996; pp. 339–345. [Google Scholar]
- Walker, L.H. 10-MW GTO Converter for Battery Peaking Service. IEEE Trans. Ind. Appl. 1990, 26, 63–72. [Google Scholar] [CrossRef]
- ENTSO-E Vision A Power System for a Carbon Neutral Europe. Available online: https://vision.entsoe.eu/ (accessed on 29 May 2023).
- Germany’s Energy Consumption and Power Mix in Charts. Available online: https://www.cleanenergywire.org/factsheets/germanys-energy-consumption-and-power-mix-charts (accessed on 29 May 2023).
- What Exactly Is Meant by “Gross Electricity Consumption”? Available online: https://www.bmwi-energiewende.de/EWD/Redaktion/EN/Newsletter/2016/01/Meldung/direkt-answers-gross-electricity-consumption.html (accessed on 29 May 2023).
- Denholm, P.; Ela, E.; Kirby, B.; Milligan, M. Role of Energy Storage with Renewable Electricity Generation; National Renewable Energy Lab.(NREL): Golden, CO, USA, 2010; ISBN 10.2172/972169. [Google Scholar]
- Denholm, P.; Hand, M. Grid Flexibility and Storage Required to Achieve Very High Penetration of Variable Renewable Electricity. Energy Policy 2011, 39, 1817–1830. [Google Scholar] [CrossRef]
- Mohler, D.; Sowder, D. Energy Storage and the Need for Flexibility on the Grid. In Renewable Energy Integration; Elsevier: Amsterdam, The Netherlands, 2017; pp. 309–316. ISBN 978-0-12-809592-8. [Google Scholar]
- Min, C.-G.; Kim, M.-K. Impact of the Complementarity between Variable Generation Resources and Load on the Flexibility of the Korean Power System. Energies 2017, 10, 1719. [Google Scholar] [CrossRef]
- A Quantitative Comparative Study of Power System Flexibility between Jing-Jin-Ji and Germany. Available online: https://transition-china.org/energyposts/a-quantitative-comparative-study-of-power-system-flexibility-between-jing-jin-ji-and-germany/ (accessed on 30 May 2023).
- Kundur, P.S.; Malik, O.P. Power System Stability and Control; McGraw-Hill Education: New York, NY, USA, 1994; ISBN 978-0-07-063515-9. [Google Scholar]
- Cárdenas, B.; Swinfen-Styles, L.; Rouse, J.; Garvey, S.D. Short-, Medium-, and Long-Duration Energy Storage in a 100% Renewable Electricity Grid: A UK Case Study. Energies 2021, 14, 8524. [Google Scholar] [CrossRef]
- Li, H.; Lin, Y.; Lu, Z.; Qiao, Y.; Qin, J.; Kang, C.; Ye, X. Long Duration Flexibility Planning Challenges and Solutions for Power System with Ultra High Share of Renewable Energy. IEEE Open Access J. Power Energy 2022, 9, 412–424. [Google Scholar] [CrossRef]
- Castillo, A.; Gayme, D.F. Grid-Scale Energy Storage Applications in Renewable Energy Integration: A Survey. Energy Convers. Manag. 2014, 87, 885–894. [Google Scholar] [CrossRef]
- Luo, G.; Li, Y.; Tang, W.; Wei, X. Wind Curtailment of China’s Wind Power Operation: Evolution, Causes and Solutions. Renew. Sustain. Energy Rev. 2016, 53, 1190–1201. [Google Scholar] [CrossRef]
- Frysztacki, M.; Brown, T. Modeling Curtailment in Germany: How Spatial Resolution Impacts Line Congestion. In Proceedings of the 2020 17th International Conference on the European Energy Market (EEM), Stockholm, Sweden, 16–18 September 2020; pp. 1–7. [Google Scholar]
- Mistry, K.D.; Roy, R. Impact of Demand Response Program in Wind Integrated Distribution Network. Electr. Power Syst. Res. 2014, 108, 269–281. [Google Scholar] [CrossRef]
- Hooshmand, E.; Rabiee, A. Robust Model for Optimal Allocation of Renewable Energy Sources, Energy Storage Systems and Demand Response in Distribution Systems via Information Gap Decision Theory. IET Gener. Transm. Distrib. 2019, 13, 511–520. [Google Scholar] [CrossRef]
- Calovic, M.S. Modeling and Analysis of Under-Load Tap-Changing Transformer Control Systems. IEEE Trans. Power Appar. Syst. 1984, PAS-103, 1909–1915. [Google Scholar] [CrossRef]
- Gabash, A.; Li, P. On the Control of Main Substations between Transmission and Distribution Systems. In Proceedings of the 2014 14th International Conference on Environment and Electrical Engineering, Krakow, Poland, 10–12 May 2014; IEEE: Krakow, Poland, 2014; pp. 280–285. [Google Scholar]
- Grids and Infrastructure. Available online: https://www.bmwk.de/Redaktion/EN/Artikel/Energy/electricity-grids-of-the-future-01.html (accessed on 29 May 2023).
- Flosdorff, R.; Hilgarth, G. Elektrische Energieverteilung, 9th ed.; Vieweg+Teubner: Wiesbaden, Germany, 2005; ISBN 978-3-519-36424-5. [Google Scholar]
- The Transmission Grid of 50 Hertz. Available online: https://www.50hertz.com/en/Grid (accessed on 29 May 2023).
- Our High Voltage Grid: Germany and the Netherlands. Available online: https://www.tennet.eu/grid/our-high-voltage-grid (accessed on 29 May 2023).
- TenneT Story. Available online: https://www.tennet.eu/about-tennet/about-us/our-story (accessed on 29 May 2023).
- Amprion Connects. Available online: https://www.amprion.net/Amprion/index-2.html (accessed on 29 May 2023).
- Structure Data. Available online: https://www.transnetbw.de/en/transparency/market-data/structure-data (accessed on 29 May 2023).
- Transmission System Operators. Available online: https://www.smard.de/page/en/wiki-article/5884/205528 (accessed on 29 May 2023).
- Number of Electricity Network Operators in Germany in the Years 2012 to 2022. Available online: https://de.statista.com/statistik/daten/studie/152937/umfrage/anzahl-der-stromnetzbetreiber-in-deutschland-seit-2006/ (accessed on 29 May 2023).
- Curtailed Energy Resulting from Feed-in Management Measures in Germany from 2010 to 2021. Available online: https://www.statista.com/statistics/1332954/renewable-energy-power-curtailment-germany/ (accessed on 29 May 2023).
- Monitoring Report 2022. Available online: https://www.bundesnetzagentur.de/DE/Fachthemen/ElektrizitaetundGas/Monitoringberichte/start.html (accessed on 29 May 2023).
- Femia, N.; Petrone, G.; Spagnuolo, G.; Vitelli, M. Power Electronics and Control Techniques for Maximum Energy Harvesting in Photovoltaic Systems, 1st ed.; CRC Press: Boca Raton, FL, USA, 2017; ISBN 978-1-315-21653-9. [Google Scholar]
- Nguyen, C.-L.; Lee, H.-H. A Novel Dual-Battery Energy Storage System for Wind Power Applications. IEEE Trans. Ind. Electron. 2016, 63, 6136–6147. [Google Scholar] [CrossRef]
- Shan, Y.; Hu, J.; Guerrero, J.M. A Model Predictive Power Control Method for PV and Energy Storage Systems with Voltage Support Capability. IEEE Trans. Smart Grid 2020, 11, 1018–1029. [Google Scholar] [CrossRef]
- Orlowska-Kowalska, T.; Blaabjerg, F.; Rodríguez, J. Advanced and Intelligent Control in Power Electronics and Drives; Springer: Berlin/Heidelberg, Germany, 2014; Volume 531. [Google Scholar]
- Kazmierkowski, M.P.; Malesani, L. Current Control Techniques for Three-Phase Voltage-Source PWM Converters: A Survey. IEEE Trans. Ind. Electron. 1998, 45, 691–703. [Google Scholar] [CrossRef]
- Zhao, S.; Blaabjerg, F.; Wang, H. An Overview of Artificial Intelligence Applications for Power Electronics. IEEE Trans. Power Electron. 2021, 36, 4633–4658. [Google Scholar] [CrossRef]
- Buso, S.; Mattavelli, P. Digital Control in Power Electronics; Synthesis Lectures on Power Electronics; Springer International Publishing: Cham, Switzerland, 2015; ISBN 978-3-031-01371-3. [Google Scholar]
- Muljadi, E.; Lipo, T.A. Series Compensated PWM Inverter with Battery Supply Applied to an Isolated Induction Generator. IEEE Trans. Ind. Appl. 1994, 30, 1073–1082. [Google Scholar] [CrossRef]
- Komurcugil, H.; Biricik, S.; Bayhan, S.; Zhang, Z. Sliding Mode Control: Overview of Its Applications in Power Converters. IEEE Ind. Electron. Mag. 2021, 15, 40–49. [Google Scholar] [CrossRef]
- Utkin, V. Variable Structure Systems with Sliding Modes. IEEE Trans. Autom. Control 1977, 22, 212–222. [Google Scholar] [CrossRef]
- Zhang, W.; Wang, W.; Liu, H.; Xu, D. A Disturbance Rejection Control Strategy for Droop-Controlled Inverter Based on Super-Twisting Algorithm. IEEE Access 2019, 7, 27037–27046. [Google Scholar] [CrossRef]
- Shtessel, Y.; Baev, S.; Biglari, H. Unity Power Factor Control in Three-Phase AC/DC Boost Converter Using Sliding Modes. IEEE Trans. Ind. Electron. 2008, 55, 3874–3882. [Google Scholar] [CrossRef]
- Camacho, E.F.; Bordons, C.; Camacho, E.F.; Bordons, C. Model Predictive Controllers; Springer: London, UK, 2007. [Google Scholar]
- Haenlein, M.; Kaplan, A. A Brief History of Artificial Intelligence: On the Past, Present, and Future of Artificial Intelligence. Calif. Manage. Rev. 2019, 61, 5–14. [Google Scholar] [CrossRef]
- Bose, B.K. Neural Network Applications in Power Electronics and Motor Drives—An Introduction and Perspective. IEEE Trans. Ind. Electron. 2007, 54, 14–33. [Google Scholar] [CrossRef]
- Zadeh, L.A. Fuzzy Sets. Inf. Control 1965, 8, 338–353. [Google Scholar] [CrossRef]
- Mamdani, E.H. Application of Fuzzy Algorithms for Control of Simple Dynamic Plant. Proc. Inst. Electr. Eng. 1974, 121, 1585. [Google Scholar] [CrossRef]
- Raviraj, V.S.C.; Sen, P.C. Comparative Study of Proportional–Integral, Sliding Mode, and Fuzzy Logic Controllers for Power Converters. IEEE Trans. Ind. Appl. 1997, 33, 518–524. [Google Scholar] [CrossRef]
- Mattavelli, P.; Rossetto, L.; Spiazzi, G.; Tenti, P. General-Purpose Fuzzy Controller for DC-DC Converters. IEEE Trans. Power Electron. 1997, 12, 79–86. [Google Scholar] [CrossRef]
- Basheer, I.A.; Hajmeer, M. Artificial Neural Networks: Fundamentals, Computing, Design, and Application. J. Microbiol. Methods 2000, 43, 3–31. [Google Scholar] [CrossRef]
- Lee, H.-J.; Jhang, S.-S.; Yu, W.-K.; Oh, J.-H. Artificial Neural Network Control of Battery Energy Storage System to Damp-Out Inter-Area Oscillations in Power Systems. Energies 2019, 12, 3372. [Google Scholar] [CrossRef]
- Schutten, M.J.; Torrey, D.A. Genetic Algorithms for Control of Power Converters. In Proceedings of the PESC ’95—Power Electronics Specialist Conference, Atlanta, GA, USA, 18–22 June 1995; IEEE: Atlanta, GA, USA, 1995; Volume 2, pp. 1321–1326. [Google Scholar]
- Billinton, R.; Allan, R.N. Reliability Evaluation of Engineering Systems; Springer: Boston, MA, USA, 1992; ISBN 978-1-4899-0687-8. [Google Scholar]
- Moradi-Shahrbabak, Z.; Tabesh, A.; Yousefi, G.R. Economical Design of Utility-Scale Photovoltaic Power Plants with Optimum Availability. IEEE Trans. Ind. Electron. 2014, 61, 3399–3406. [Google Scholar] [CrossRef]
- Ahmed, H.M.A.; Ahmed, M.H.; Salama, M.M.A. A Linearized Multiobjective Energy Management Framework for Reconfigurable Smart Distribution Systems Considering BESSs. IEEE Syst. J. 2022, 16, 1258–1269. [Google Scholar] [CrossRef]
- Münderlein, J.; Ipers, G.; Steinhoff, M.; Zurmühlen, S.; Sauer, D.U. Optimization of a Hybrid Storage System and Evaluation of Operation Strategies. Int. J. Electr. Power Energy Syst. 2020, 119, 105887. [Google Scholar] [CrossRef]
- Mišljenović, N.; Žnidarec, M.; Knežević, G.; Šljivac, D.; Sumper, A. A Review of Energy Management Systems and Organizational Structures of Prosumers. Energies 2023, 16, 3179. [Google Scholar] [CrossRef]
- Gabash, A.; Xie, D.; Li, P. Analysis of Influence Factors on Rejected Active Power from Active Distribution Networks; IEEE PESS: Ilmenau, Germany, 2012; pp. 25–29. [Google Scholar]
- Givisiez, A.G.; Petrou, K.; Ochoa, L.F. A Review on TSO-DSO Coordination Models and Solution Techniques. Electr. Power Syst. Res. 2020, 189, 106659. [Google Scholar] [CrossRef]









| 2012 | 2013 | 2014 | 2015 | 2016 | 2017 | 2018 | 2019 | 2020 | 2021 | 2022 | |
|---|---|---|---|---|---|---|---|---|---|---|---|
| TSOs | 4 | ||||||||||
| DSOs | 883 | 883 | 884 | 880 | 875 | 878 | 890 | 883 | 874 | 872 | 865 |
| 2010 | 2011 | 2012 | 2013 | 2014 | 2015 | 2016 | 2017 | 2018 | 2019 | 2020 | 2021 |
|---|---|---|---|---|---|---|---|---|---|---|---|
| 613 | 602 | 601 | 600 | 587 | 590 | 591 | 592 | 587 | 570 | 549 | 570 |
Disclaimer/Publisher’s Note: The statements, opinions and data contained in all publications are solely those of the individual author(s) and contributor(s) and not of MDPI and/or the editor(s). MDPI and/or the editor(s) disclaim responsibility for any injury to people or property resulting from any ideas, methods, instructions or products referred to in the content. |
© 2023 by the author. Licensee MDPI, Basel, Switzerland. This article is an open access article distributed under the terms and conditions of the Creative Commons Attribution (CC BY) license (https://creativecommons.org/licenses/by/4.0/).
Share and Cite
Gabash, A. Review of Battery Storage and Power Electronic Systems in Flexible A-R-OPF Frameworks. Electronics 2023, 12, 3127. https://doi.org/10.3390/electronics12143127
Gabash A. Review of Battery Storage and Power Electronic Systems in Flexible A-R-OPF Frameworks. Electronics. 2023; 12(14):3127. https://doi.org/10.3390/electronics12143127
Chicago/Turabian StyleGabash, Aouss. 2023. "Review of Battery Storage and Power Electronic Systems in Flexible A-R-OPF Frameworks" Electronics 12, no. 14: 3127. https://doi.org/10.3390/electronics12143127
APA StyleGabash, A. (2023). Review of Battery Storage and Power Electronic Systems in Flexible A-R-OPF Frameworks. Electronics, 12(14), 3127. https://doi.org/10.3390/electronics12143127
