Abstract
This manuscript presents a fully differential difference transconductance amplifier (FDDTA) architecture based on CMOS inverters. Designed in a 130-nm CMOS process it operates in weak inversion when supplied with 0.25 V. In addition, the FDDTA requires no supplementary external calibration circuit, like tail current or bias voltage sources, since it relies on the distributed layout technique that intrinsically matches the CMOS inverters. For analytical purposes, we carried out a detailed investigation that describes all the concepts and the whole operation of the FDDTA architecture. Furthermore, a comparison between the modeling equations and measured data assures high performance.
1. Introduction
As CMOS processes continue to develop, the demand for power reduction and lower supply voltage becomes more apparent. In some instances, such reductions may provide smaller devices like implantable chips, mobile phones, IoT electronic sensors, portable medical devices, etc.
Furthermore, since a majority of this equipment is made up of analog and digital blocks [1], which are embedded by the MOS transistor, shrinking the transistor’s size also lowers supply voltage. This reduction is mainly due to the transistor’s operating region [2], and, therefore, enables mobile devices to become more independent from recharging sources for a longer time and allows for more effective and safe use of the battery.
Power supply reduction can help to lower energy consumption according to recent literature [3,4,5,6], but analog block degradation of dynamic range (DR) occurs [7]. A good alternative is to use electronic blocks that alter differential signals to mitigate the loss in DR. Differential signal processing is superior, in terms of dynamic range and power supply rejection, when compared with single-ended processes, and differential signals can, thereby, eliminate common-mode noises and disturbances [8].
In our previous work, we studied the topology of Nauta OTA [9] adapted to operate in ultra-low power and low displacement voltage, using arrays of halo-implanted transistors [10]. Based on this work, we developed an FDDTA that was used in a fifth-order Butterworth low-pass filter [11]. As a complement to this research, this paper carries out a complete characterization of the FDDTA used in [11].
The analog building block widely employed to handle differential signals is the differential voltage amplifier, the output of which is proportional to the difference between two voltage inputs. Operational transconductance amplifiers (OTAs) usually consist of three stages: a common mode rejection stage, that rejects input variations; a gain stage, that amplifies the signal; and a driver stage, that provides output resistive load [12]. They are also capable of manipulating differential signals. However, they output a differential current signal.
Among the possible applications of OTAs include Gm-C filters, in which biomedical applications, having frequency ranges which vary below 100 Hz, can be highlighted [13]. In a similar application area, the fully differential DIGOTA [14] is a biomedical application, which combines a Muller C-element with a tri-state buffer to allow FD operation.
Another class of differential amplifiers is the differential difference amplifier (DDA). Proposed by Säckinger and Guggenbuhl [15], the DDA is an extension of the operational amplifier concept. Differing from the op-amp idea, the DDA compares two differential signals, and its fully-differential version requires a common-mode control circuit, similar to single-ended amplifiers.
The availability of multiple inputs makes this amp attractive for many applications, such as the following: filters, for example, ref. [16] presented a -C filter application employing low-power DDA; transconductance amplifiers, utilizing a common-mode feedback circuit suitable for fully balanced analog MOS structures, as displayed in the work by [17]; self-adaptive power consumption microphone preamplifiers, as proposed in [18]. DDA circuits have been highly studied in the past. In 1987, ref. [15] published a paper concerning a DDA implemented in a double-poly CMOS technology, featuring two differential inputs. In 1994, ref. [19] presented a DDA amplifier utilizing the body effect to improve linearity. In 2001, a low-power wide input range was presented in the work of [20]. Despite all this research, nowadays. little attention is dedicated to the architectural level.
Herein, we designed a fully differential difference transconductance amplifier (FDDTA) to reduce noise and power consumption at the system architectural level. This amplification technique translates into voltage supply reduction.
The FDDTA was designed in a 130 nm CMOS and operated efficiently in weak inversion when supplied with 0.25 V. The FDDTA did not require an external calibration circuit, like a tail current or bias voltage source, since it was based on the distributed layout technique, which inherently matched the CMOS inverters. Furthermore, we constructed a completely-differential buffer configuration for validation purposes.
2. Materials and Methods
2.1. The Conceptual FDDTA
The FDDTA, illustrated in Figure 1, is a six-terminal device that comprises two differential voltage input ports, () and (), and a differential output stage (). Operating in the linear range, the output is:
where states the small signal transconductance of the FDDTA.
Figure 1.
The FDDTA symbol, comprised of two differential voltage input ports and a differential output stage.
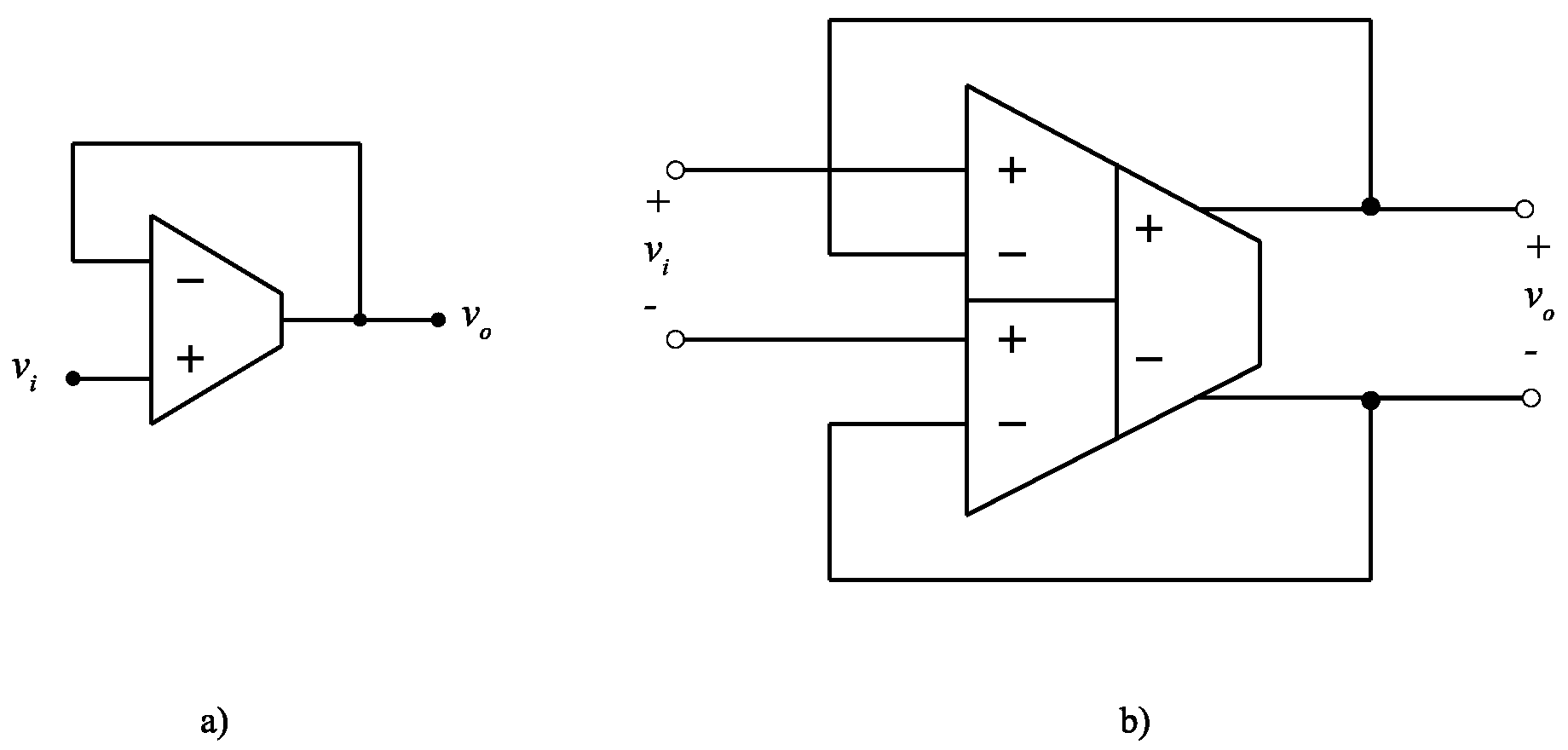
Figure 2 illustrates the FDDTA buffer configuration. comparing it to a single-ended OTA buffer configuration, and, thereby, showing that both follow the same feedback principle.
Figure 2.
A fundamental application case: (a) OTA buffer configuration (single-ended). (b) FDDTA buffer configuration (fully-differential).
2.2. Weak Inversion Operation
The drain current of a long channel MOS transistor operating in weak inversion is based on the channel diffusion current according to:
where (physical and process parameters) is the minimum drain current and n the slope factor in weak inversion. All the other symbols have their usual meanings. In addition, the transistor is saturated when () [2], which translates into lower supply voltage.
2.3. CMOS Inverter
The weak inversion operation is an effective way to reduce power consumption, something that, given [21], suits our design specifications well, since the proposed FDDTA contains a number of inverter blocks. Consequently, it was essential to study the CMOS inverter functioning in weak inversion prior to expanding these ideas to the entire circuit.
2.3.1. Transconductance of the CMOS Inverter
The circuit of Figure 3 illustrates the schematic of a CMOS inverter’s basic cell. Considering all transistors saturated in weak inversion (), and applying (2), we obtain and [10]
and
Figure 3.
CMOS inverter basic cell: schematic and symbols.
Assuming , both pMOS and nMOS transistors conduct the same short circuit current, . This current charges the inverter up to operate at its threshold voltage, [9]. Since a single inverter works as an amplifier when biased around the point [8], we calculate for , according to:
Note that we can establish the threshold voltage by choosing appropriate transistor geometries and also design the current [10]. In addition, from Figure 3, the output current is calculated as , and by invoking (4), we have:
Consequently, differentiating should then give the effective transconductance of the CMOS inverter at the bias point , according to:
where and are the transconductances of the pMOS and nMOS transistors, respectively. At this point, we define and is the sum to simplify further equations. In other words, they neither depend on biasing nor geometry parameters, since they are functions of physical parameters [2,10].
2.3.2. Small-Signal AC Model
The small-signal AC equivalent circuit model of the CMOS inverter has the following transfer function:
where incorporates the parasitic capacitances inherent to the circuit and the capacitive load. In addition, and are the output conductances of the pMOS and nMOS transistors, respectively.
3. Results
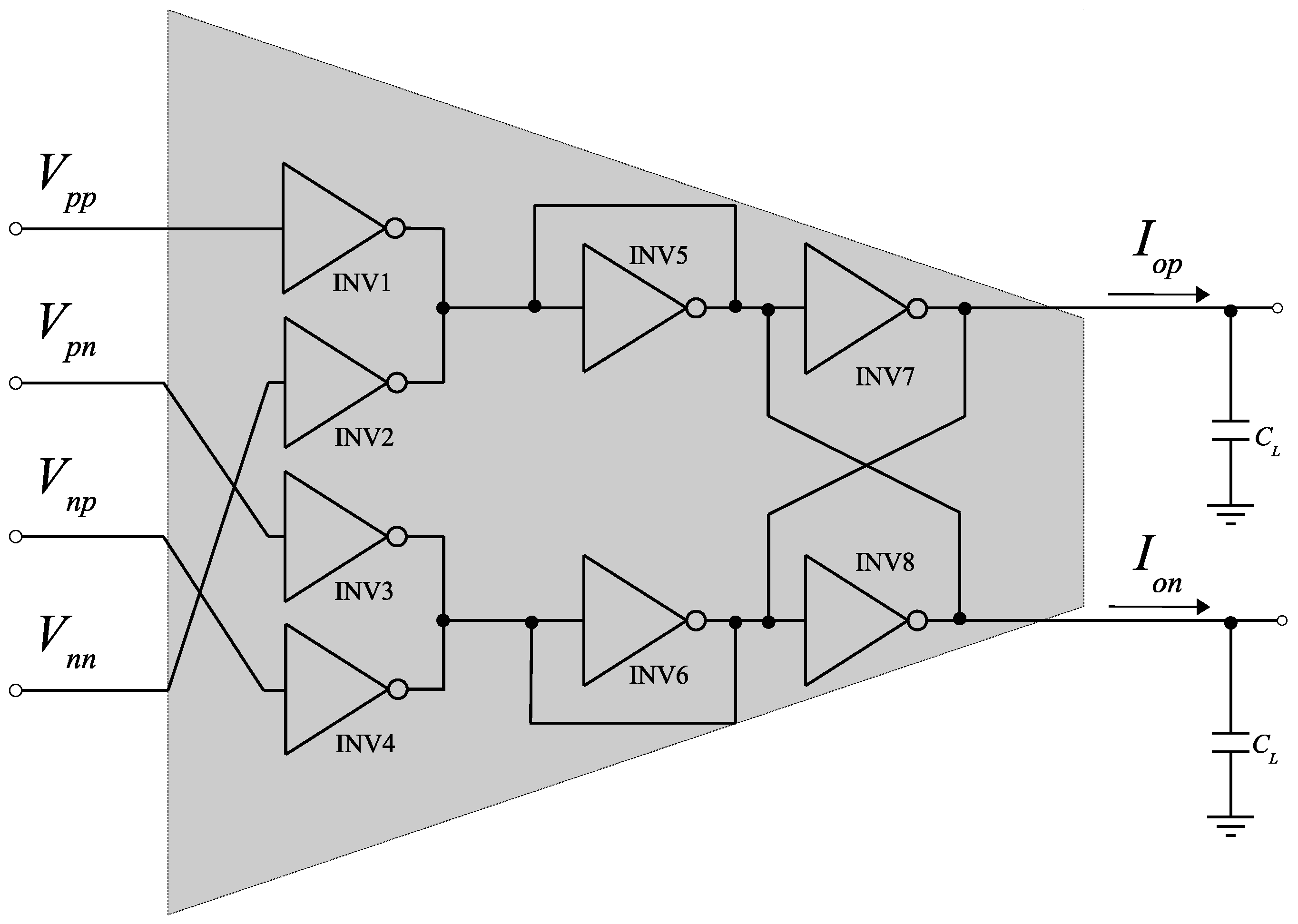
As illustrated in Figure 4, the proposed FDDTA was comprised of eight CMOS inverters. When both pMOS and nMOS transistors were intrinsically matched, a more linear CMOS V-I conversion was achieved [10], thus reducing distortion effects.
Figure 4.
The proposed fully-differential difference amplifier schematic.
The input stage is characterized by inverters INV1-INV4. All others, INV5 to INV8, are responsible for controlling and outputs. The cross-connected inverters, INV7 and INV8, inject currents in the impedances represented by the self-connected inverters, INV5 and INV6, respectively. This proposed schematic was based on previous work developed by [9], employed for integrated analog filters at very high frequencies, based on transconductance-C integrators. This architecture requires no auxiliary external calibration circuit, such as tail current or bias voltage, sources.
3.1. The FDDTA
In this subsection, we describe the modeling of the entire FDDTA circuit based on the previous concepts. In addition, we cover the overall design and the small-signal AC inherent model.
3.1.1. Transconductance of the FDDTA
Taking into account the circuit shown in Figure 4, where two differential signals (, ) are applied to the FDDTA inputs, we can write:
and
Regarding the fact that all transistors are similar, we obtain the differential output current, , by invoking (5). Regarding the switching point, , for all CMOS inverters [9], we obtain:
3.1.2. Small-Signal AC Model
We establish that and ; leading to the small-signal model depicted in Figure 5, having output voltages () and ():
and
Figure 5.
The small-signal AC model of the FDDTA.
4. Discussion
Since the overall design follows prior work developed in [10] we used a similar (8 × 8) array of unity halo-implanted transistors to mitigate the reduction in output impedance in a single transistor, which was inherent to the halo-implants. Furthermore, a more detailed discussion about an array of unity halo-implanted transistors can be found in [10,21,22].
All unity pMOS and nMOS transistors inside the distributed layout had their aspect ratio (W/L) equal to (2.0-m/2.0-m) and (0.4-m/0.6-m), enabling threshold voltages of 230-mV and 190-mV, respectively.
In addition, we performed a parallel association of six p-MOS and three nMOS to maintain a weak inversion operation, matching the CMOS inverter threshold to for a 0.25-V power supply, and accomplishing an overall reduction of the random offset.
The basic CMOS inverter cell had a threshold voltage () of 125-mV and a 35-nA short circuit current (), as discussed in Section 2.3, and illustrated in Figure 3.
4.1. Simulated Results
The proposed FDDTA was simulated in the Spectre simulator with BSIM models and implemented in the GF 130-nm CMOS process. Table 1 contains the values extracted through computer simulation for pMOS and nMOS transistors inside the distributed layout.
Table 1.
Parameter for pMOS and nMOS transistors inside the distributed layout.
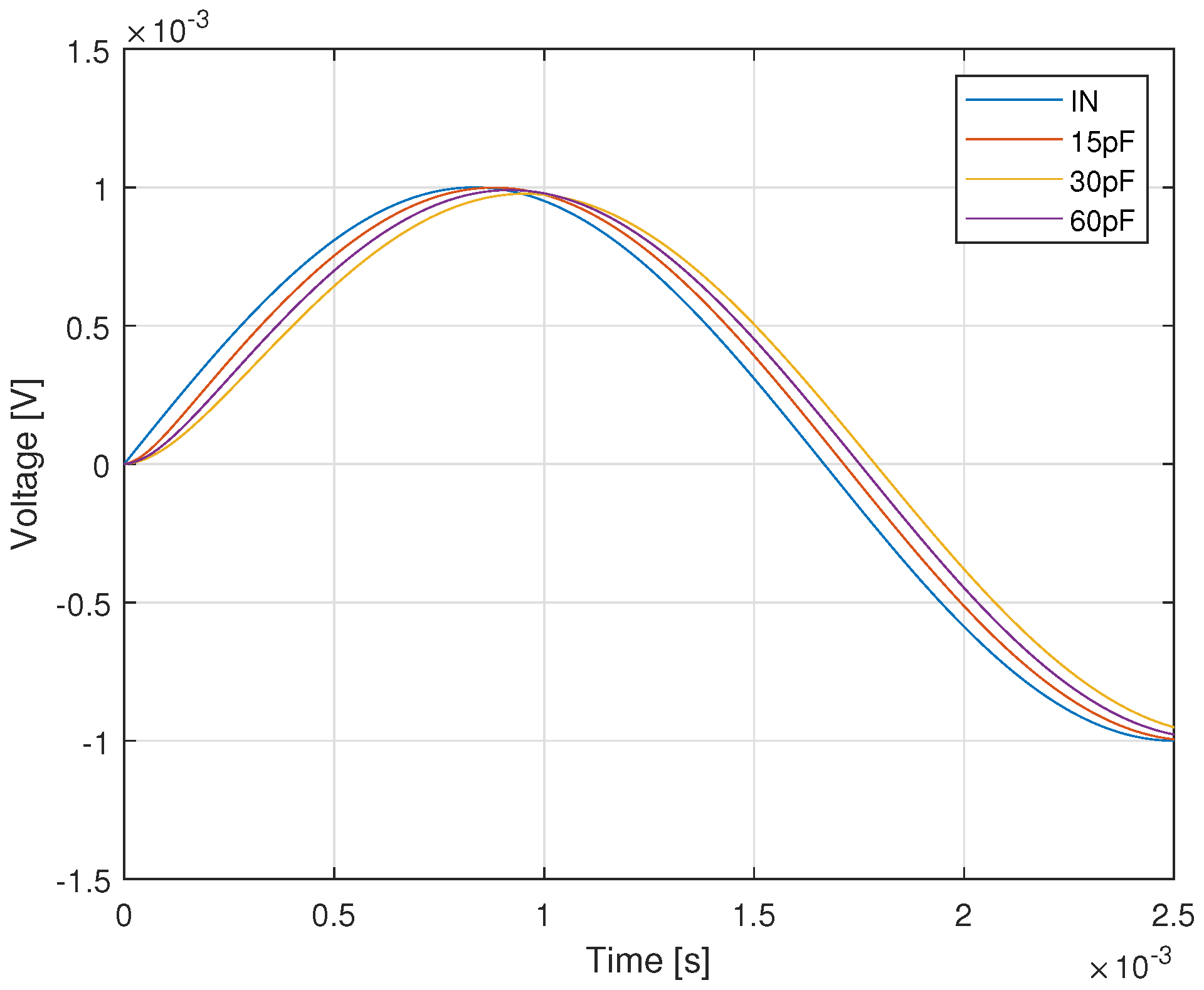
The Figure 6 and Figure 7, display the results of slew-rate response, simulated for a 0.5-mV differential input within a buffer configuration, using three different load capacitances of 15 pF, 30 pF and 60 pF on each output. As can be observed in the figure, the delay of the output stayed under 10% and, hence, it could be concluded that the circuit provided a fast response to AC signals.
Figure 6.
Slew rate.
Figure 7.
Slew rate with zoom.
Figure 8 presents the simulation of the FDDTA step response by applying a differential pulse of 10 m, with an output load of 15 pF, in both outputs, and evaluating the FDDTA response. We could observe the response behavior of a first-order circuit, as depicted in Equation (12), with a time constant and a rise time equal to ms.
Figure 8.
Step response for the FDDTA.
Figure 9 presents the simulation of the differential transconductance of the FDDTA structure by sweeping the and from −125 mV to 125 mv () and evaluating the output current when .
Figure 9.
Differential transconductance .
By invoking (9), and using the definitions presented in [10] we can obtain
and transconductance of FDDTA, , when = 0 and = 0, is defined by
which was very close to the simulated value of 2.26 S, as shown in Figure 9.
Figure 10 shows the open-loop magnitude and phase characteristics of the FDDTA with a load capacitance of 30 pF in each output. The proposed circuit offered a gain magnitude around 28 dB, with a cut-off frequency of around 480 Hz, and the gain was highly sensitive to the transistors’ mismatch. As expressed in (7), and also in Figure 11, we can see the results of a Monte Carlo simulation with 1000 samples that followed a normal distribution and of 27.78 dB and which, moreover, shows that the distributed layout/schematic technique intrinsically matches the CMOS inverters, maintaining the circuit under accurate control.
Figure 10.
Open loop gain and phase.
Figure 11.
Monte Carlo simulation of open loop gain.
Taking (12), we obtain the analytical open loop gain, and compare the result with Figure 10
this can be expressed in decibels as 29.4 dB, which was very close to the simulated value of 28.2 dB.
The CMRR and PSRR at low frequencies were 54.98 dB and 37.52 dB, respectively, shown in Figure 12 and Figure 13, followed by their respective Monte Carlo simulations (Figure 14 and Figure 15), also show the circuit was under accurate control, provided by the distributed layout/schematic technique. The simulated THD was 1.09% with 0.5-Hz resolution output spectrum for a common mode level of 125-mV, with a differential sinusoidal wave of 175-mVpp@100-Hz. For this configuration the dynamic range was 40.52 dB.
Figure 12.
CMRR.
Figure 13.
PSRR.
Figure 14.
Monte Carlo simulation of CMRR.
Figure 15.
Monte Carlo simulation of PSRR.
In Table 2, Table 3 and Table 4 the PVT corners of the proposed circuit are, respectively, shown. The MOS transistor corners were slow–slow (SS), slow–fast (SF), fast–slow (FS) and fast–fast (FF),the voltage corners were and the temperature corners were −20 C and 100 C. Therefore, we could conclude that the proposed circuit had acceptable on-chip integration.
Table 2.
Process Corners.
Table 3.
Temp. Corners.
Table 4.
Voltage Corners.
4.2. Measured Results
We performed the measurements in a fully differential buffer configuration of the proposed FDDTA. This configuration enabled us to analyze the compatibility between input and output swing, according to Figure 2.
The measurement setup included a Semiconductor Analyzer B1500A and a Dynamic Signal Analyzer DSA35670A, both operating at room temperature (27 C). In addition, the load capacitance was 30-pF to each output pin. Figure 16 shows the micrography of the test chip.
Figure 16.
Circuit micrograph overlayed with the layout.
Figure 17 shows the measured output, and the input signals, for a differential sinusoidal wave of 100-Hz with an amplitude of 175-mV peak-to-peak, applied to the FDDTA inputs. It shows that the FDDTA differential output replied to the differential input signal with some reduction in the output range.
Figure 17.
Fully-differential buffer configuration: measured input and output signals, for a differential sinusoidal wave of 100-Hz with an amplitude of 175-mV peak-to-peak, applied to the FDDTA inputs.
Furthermore, Figure 18 shows the measured Bode plot for the proposed FDDTA buffer configuration with a cut-off frequency of 3.2-kHz, and. therefore, highlights the first-order system behavior of the fully-differential buffer configuration.
Figure 18.
Fully-differential buffer configuration: measured frequency response with a cut-off frequency of 3.2-kHz.
We measured the harmonic distortion, depicted in Figure 19, using the DSA35670A Dynamic Signal Analyzer. For instance, we applied, to the FDDTA inputs, a common mode level of 125-mV with a differential sinusoidal wave of 175-mVpp@100-Hz, while the DSA35670A was set up with a 100-kHz sample frequency that resulted in a 0.5-Hz FFT resolution. For this scenario, we expected a 1% and a with a small and controlled amplitude, leading to a , exactly as depicted in Figure 19. In summary, all those measurements led us to endorse the proposed FDDTA as being fully functional in accordance with the developed models.
Figure 19.
Fully-differential buffer configuration: measured harmonic distortion. The 0.5-Hz resolution output spectrum for a common mode level of 125-mV with a differential sinusoidal wave of 175-mVpp@100-Hz, leading to a .
Table 5 shows a performance comparison between this work and other low-voltage and low-power FDDTAs, where our proposed architecture featured the smallest supply voltage of 0.25V and the linearity of the proposed circuit was consistent with the other works.
Table 5.
Performance comparison between proposed FDDTA and other low-voltage low-pass FDDTAs architectures.
5. Conclusions
This paper introduced a fully-differential difference transconductance amplifier architecture, based on CMOS inverters. This design employed an array of halo-implanted MOS transistors to reduce the negative effects of halo implants on output impedance and better match the CMOS inverters.
The circuit was implemented in a 130-nm CMOS process and operated in weak inversion for a 0.25-V power supply; thereby accomplishing specifications suitable for low-frequency applications.
The measurement results. in accordance with the developed theory, endorsed our proposed architecture, based on CMOS inverters. In fact, it spared supplementary external calibration circuits, while keeping performance.
Author Contributions
Conceptualization, O.S.S. and R.A.d.S.B.; methodology, R.A.d.S.B., P.M.P., L.H.d.C.F. and G.D.C.; measurement support, P.M.P.; investigation, O.S.S., P.M.P. and R.A.d.S.B.; data curation, O.S.S. and P.M.P.; writing—original draft preparation, O.S.S., P.M.P. and R.A.d.S.B.; writing—review and editing, L.H.d.C.F. and G.D.C.; funding acquisition, R.A.d.S.B. All authors have read and agreed to the published version of the manuscript.
Funding
This work was supported, in part, by the Brazilian National Council for Scientific and Technological Development (PQ 303090/2018-9 and GD 140929/2017-7) and FAPEMIG. The authors would like to thank MOSIS for the chip fabrication. The APC was funded by Federal University Itajuba and Institute of Science and Technology—ICT Unifei Itabira.
Data Availability Statement
Not applicable.
Conflicts of Interest
The authors declare no conflict of interest.
References
- Bae, W. CMOS Inverter as Analog Circuit: An Overview. J. Low Power Electron. Appl. 2019, 9, 26. [Google Scholar] [CrossRef]
- Tsividis, Y.; McAndrew, C. Operation and Modeling of the MOS Transistor; Oxford University Press: Oxford, UK, 2011. [Google Scholar]
- Crovetti, P.S. A Digital-Based Virtual Voltage Reference. IEEE Trans. Circuits Syst. I Regul. Pap. 2015, 62, 1315–1324. [Google Scholar] [CrossRef]
- Ballo, A.; Pennisi, S.; Scotti, G. 0.5 V CMOS Inverter-Based Transconductance Amplifier with Quiescent Current Control. J. Low Power Electron. Appl. 2021, 11, 37. [Google Scholar] [CrossRef]
- Grasso, A.D.; Pennisi, S.; Scotti, G.; Trifiletti, A. 0.9-V Class-AB Miller OTA in 0.35-μm CMOS With Threshold-Lowered Non-Tailed Differential Pair. IEEE Trans. Circuits Syst. I Regul. Pap. 2017, 64, 1740–1747. [Google Scholar] [CrossRef]
- Ballo, A.; Grasso, A.D.; Pennisi, S. Active load with cross-coupled bulk for high-gain high-CMRR nanometer CMOS differential stages. Int. J. Circuit Theory Appl. 2019, 47, 1700–1704. [Google Scholar] [CrossRef]
- Duque-Carrillo, J.F.; Torelli, G.; Perez-Aloe, R.; Valverde, J.M.; Maloberti, F. A class of fully-differential basic building blocks based on unity-gain difference feedback. In Proceedings of the ISCAS’95–International Symposium on Circuits and Systems, Seattle, WA, USA, 30 April–3 May 1995; Volume 3, pp. 2245–2248. [Google Scholar]
- Allen, P.E.; Holberg, D.R. CMOS Analog Circuit Design; Oxford University Press: Oxford, UK, 2002. [Google Scholar]
- Nauta, B. A CMOS transconductance-C filter technique for very high frequencies. IEEE J.-Solid-State Circuits 1992, 27, 142–153. [Google Scholar] [CrossRef]
- Braga, R.A.; Ferreira, L.H.C.; Colletta, G.D.; Dutra, O.O. Calibration-less Nauta OTA operating at 0.25-V power supply in a 130-nm digital CMOS process. In Proceedings of the 2017 IEEE 8th Latin American Symposium on Circuits & Systems (LASCAS), Bariloche, Argentina, 20–23 February 2017; pp. 1–4. [Google Scholar]
- Pinto, P.M.; Ferreira, L.H.; Colletta, G.D.; Braga, R.A. A 0.25-V fifth-order Butterworth low-pass filter based on fully differential difference transconductance amplifier architecture. Microelectron. J. 2019, 92, 104606. [Google Scholar] [CrossRef]
- Palani, R.; Harjani, R. Inverter-Based Circuit Design Techniques for Low Supply Voltages; Analog Circuits and Signal Processing; Springer: Cham, Switzerland, 2017; pp. 1–126. [Google Scholar]
- Cotrim, E.D.C.; de Carvalho Ferreira, L.H. An ultra-low-power CMOS symmetrical OTA for low-frequency Gm-C applications. Analog. Integr. Circuits Signal Process. 2012, 71, 275–282. [Google Scholar] [CrossRef]
- Toledo, P.; Crovetti, P.S.; Klimach, H.D.; Musolino, F.; Bampi, S. Low-Voltage, Low-Area, nW-Power CMOS Digital-Based Biosignal Amplifier. IEEE Access 2022, 10, 44106–44115. [Google Scholar] [CrossRef]
- Sackinger, E.; Guggenbuhl, W. A versatile building block: The CMOS differential difference amplifier. IEEE J.-Solid-State Circuits 1987, 22, 287–294. [Google Scholar] [CrossRef]
- Mincey, J.S.; Briseno-Vidrios, C.; Silva-Martinez, J.; Rodenbeck, C.T. Low-Power Gm-C Filter Employing Current-Reuse Differential Difference Amplifiers. IEEE Trans. Circuits Syst. II Express Briefs 2017, 64, 635–639. [Google Scholar]
- Czarnul, Z.; Takagi, S.; Fujii, N. Common-mode feedback circuit with differential-difference amplifier. IEEE Trans. Circuits Syst. I Fundam. Theory Appl. 1994, 41, 243–246. [Google Scholar] [CrossRef]
- Du, D.; Odame, K.M. A bandwidth-adaptive preamplifier. IEEE J.-Solid-State Circuits 2013, 48, 2142–2153. [Google Scholar]
- Huang, S.C.; Ismail, M. Design of a CMOS Differential Difference Amplifier and its Applications in A/D and D/A Converters. In Proceedings of the APCCAS’94—1994 Asia Pacific Conference on Circuits and Systems, Taipei, Taiwan, 5–8 December 1994; pp. 478–483. [Google Scholar]
- Alzaher, H.; Ismail, M. A CMOS fully balanced differential difference amplifier and its applications. IEEE Trans. Circuits Syst. II Analog. Digit. Signal Process. 2001, 48, 614–620. [Google Scholar] [CrossRef]
- Ferreira, L.H.C.; Sonkusale, S.R. A 60-dB gain OTA operating at 0.25-V power supply in 130-nm digital CMOS process. IEEE Trans. Circuits Syst. I Regul. Pap. 2014, 61, 1609–1617. [Google Scholar] [CrossRef]
- Galup-Montoro, C.; Schneider, M.C.; Loss, I.J. Series-parallel association of FET’s for high gain and high frequency applications. IEEE J.-Solid-State Circuits 1994, 29, 1094–1101. [Google Scholar] [CrossRef]
- Khateb, F.; Kumngern, M.; Kulej, T.; Biolek, D. 0.5 V differential difference transconductance amplifier and its application in voltage-mode universal filter. IEEE Access 2022, 10, 43209–43220. [Google Scholar] [CrossRef]
- Kumngern, M.; Suksaibul, P.; Khateb, F.; Kulej, T. 1.2 V differential difference transconductance amplifier and its application in mixed-mode universal filter. Sensors 2022, 22, 3535. [Google Scholar] [CrossRef] [PubMed]
- Khateb, F.; Kulej, T. Design and implementation of a 0.3-V differential difference amplifier. IEEE Trans. Circuits Syst. I Regul. Pap. 2018, 66, 513–523. [Google Scholar] [CrossRef]
- Kumngern, M.; Khateb, F. Fully differential difference transconductance amplifier using FG-MOS transistors. In Proceedings of the 2015 International Symposium on Intelligent Signal Processing and Communication Systems (ISPACS), Nusa Dua Bali, Indonesia, 9–12 November 2015; pp. 337–341. [Google Scholar]
- Kumngern, M. CMOS differential difference voltage follower transconductance amplifier. In Proceedings of the 2015 IEEE International Circuits and Systems Symposium (ICSyS), Langkawi, Malaysia, 2–4 September 2015; pp. 133–136. [Google Scholar]
Disclaimer/Publisher’s Note: The statements, opinions and data contained in all publications are solely those of the individual author(s) and contributor(s) and not of MDPI and/or the editor(s). MDPI and/or the editor(s) disclaim responsibility for any injury to people or property resulting from any ideas, methods, instructions or products referred to in the content. |
© 2023 by the authors. Licensee MDPI, Basel, Switzerland. This article is an open access article distributed under the terms and conditions of the Creative Commons Attribution (CC BY) license (https://creativecommons.org/licenses/by/4.0/).


















