Next Article in Journal
Phase-Angle-Encoded Snake Optimization Algorithm for K-Means Clustering
Next Article in Special Issue
Wideband ASK-OOK Data Recovery Circuit for Data Transmission in Over-Coupled Mode of SWPDT System
Previous Article in Journal
Melt Characteristics of a Deposited Layer on Rail Surface under Different Contact Models for Electromagnetic Launching
Previous Article in Special Issue
Dual-Band Low-Noise Amplifier for GNSS Applications
 
 
Font Type:
Arial Georgia Verdana
Font Size:
Aa Aa Aa
Line Spacing:
Column Width:
Background:
Article

Design of Voltage–Current Reference Source in CMOS Technology

by
Tomasz Borejko
* and
Witold Adam Pleskacz
Institute of Microelectronics & Optoelectronics, Warsaw University of Technology, ul. Nowowiejska 15/19, 00-665 Warsaw, Poland
*
Author to whom correspondence should be addressed.
Electronics 2024, 13(21), 4212; https://doi.org/10.3390/electronics13214212
Submission received: 25 September 2024 / Revised: 19 October 2024 / Accepted: 24 October 2024 / Published: 27 October 2024
(This article belongs to the Special Issue New Advances in Semiconductor Devices/Circuits)

Abstract

A design methodology for a resistorless low-power two-in-one voltage and current reference source working in subthreshold and moderate regions is described. The presented novel universal reference voltage–current source was implemented in ten different designs for seven different CMOS technologies. Six versions of these designs were silicon-proven using four different CMOS technologies. The example of implementation in 130 nm technology provides a reference current of 5 µA and reference voltage of 800 mV at supply voltages ranging from 0.9 V to 2.0 V with a total current consumption of 15 µA. The proposed circuit occupies a 1200 µm2 chip area and achieves 280 and 118 ppm/°C for all process corners and temperature variation from −40 °C to 125 °C. The power supply rejection ratio of output IREF without any filtering capacitor at 100 Hz and 10 MHz is 128 dB and 100 dB, respectively. The equivalent output current noise in the bandwidth from 1 Hz to 10 MHz reaches 9.1 nARMS.

1. Introduction

Reference voltage and current sources are necessary for many analog, mixed-signal, RF and digital integrated circuits. They are used to provide stable voltage and current bias for many SoC (System on Chip) building blocks, such as amplifiers, DAC and ADC, LDO, PLL and memories. The reason why the voltage and current reference block is so important is that it can provide stable reference voltage and/or current; i.e., it is insensitive to variations in the temperature, process and supply voltage. This circuit should be autonomous because it is needed at SoC start-up, when the voltage supply is switched on, and should be based on intrinsic physical properties, or on reproducible technology parameters. The wide usage of battery-operated wireless communication systems and portable electronic devices drives the continuous evolution of integrated circuits, aiming at lower power consumption and reduced supply voltage. In CMOS technology, both requirements are generally satisfied by shrinking MOSFET dimensions. Therefore, new circuit architectures can be necessary to satisfy circuit specifications.
This paper describes a design methodology for a resistorless low-power voltage–current reference source working in subthreshold and moderate regions. The proposed methodology was verified using ten different source designs for seven different CMOS technologies. Six versions of these designs were silicon-proven using four different CMOS technologies. The novel voltage–current reference source presented here consists of MOSFETs only. It is designed for low supply voltages, with a small temperature coefficient, low sensitivity to process variations and small area occupation on the chip. The presented examples of implemented reference source designs prove the transferability of such architecture between different technologies and nodes.
The paper is organized in the following way: Section 2 presents the known solutions of voltage and current reference circuits. The design and operating principles of the proposed voltage–current reference source are described in Section 3, which is focused on the method of the systematic design of the proposed voltage–current reference circuit. Section 4 gives details of the innovative circuit implementation with simulation and measurement results. Finally, conclusions are drawn in Section 5.

2. Known Reference Source Circuits

Most of the commonly used voltage and current reference sources use the architecture that has been called bandgap, described by Robert Widlar [1] and applied to the LM113 integrated circuit [2]. These first integrated reference voltage sources, using bipolar transistors, provided a reference voltage of 1.25 V, as temperature compensation usually occurs at this value. However, two main problems arise when scaling CMOS technologies: the presence of real bipolar transistors is not advisable, as this requires more processing steps and the production of more masks for the photolithography process, and the fact that the design of bandgap reference voltage circuits becomes difficult when the supply voltage decreases to 1.25 V, as this is an insufficient supply level to ensure correct operation.
In order to reduce the manufacturing cost of voltage or reference current sources in SoCs, their design should include only standard components available in a given CMOS process. A common solution to make this possible is to use parasitic bipolar transistors with vertical orientation that are always present in all CMOS technologies [3,4]. There are architectures based on bipolar transistors that allow the reference voltage to be reduced at supplies below 1 V. This is obtained using the resistance subdivision method as introduced in [5] and then extended by extra compensation circuitry in [6] and with improved PSRR [7]. The subsequent paper [8] improves the start-up of that architecture.
Other types of reference sources, implemented in a standard CMOS technology, are based on a weighted difference between the gate-source voltages of two MOSFETs [9]. However, design solutions of this type typically use one or more resistors that largely increase the area of the circuit [10].
In many architectures of all-MOS voltage or current references, the operating principle is based on the thermal properties of CMOS transistors biased in the weak inversion region [11]. However, unlike the bandgap reference circuits that are insensitive to process corners, the problem of reference sources based on MOSFETs in the subthreshold region is the process corner spread of threshold voltages. That may result in significant reference voltage and current variation up to 30%. To overcome this problem, another subthreshold voltage reference circuit resisting process corner variation was presented in [12] using MOSFETs with two different threshold voltages. With this technique, the variation can be reduced to ±0.7% in the worst process corner. The challenge is that the circuit includes several big resistors, which increases the silicon area. The next interesting solutions for low-power applications were proposed in [13,14], but the influence of process corners was not analyzed appropriately.
In summary, the existing publications are not focused enough on the analysis of process corner variations or the influence of device matching. Usually, the analytical derivations and simulation results are presented only for the typical process corner.

3. Novel Voltage–Current Reference Source Design and Principle of Operation

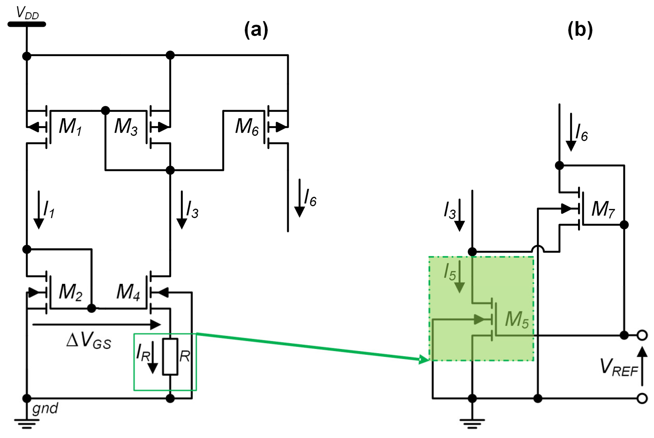
The schematic of the proposed two-in-one voltage and current reference source circuit built with MOSFET devices only is shown in Figure 1. This circuit is based on the development described in [15]. The principle of operation is presented in Figure 2.
The three-color families of characteristics shown in Figure 2 visualize the process corner spread of IDS current vs. temperature. The typical corner is labeled as TT. The FF and SS corners correspond to “fast” (highest IDSAT, lowest VTH) and “slow” (lowest IDSAT, highest VTH) MOSFETs, respectively. The current mirrors M1M2 and M3M4 form a closed loop gain greater than unity operating as a proportional to absolute temperature (PTAT) voltage source [11], which is shown in Figure 3. The equations derived from work [11] cannot be used because the presented circuit can work in both weak and moderate inversion. That is why the formula describing the ∆VGS voltage was derived directly from the EKV continuous MOSFET model, valid for all regions of operation [16].
The equation for MOSFET drain current can be expressed as follows:
I D = 2 n β V T 2 l n 2 1 + e V G V T O n V S 2 n V T l n 2 1 + e V G V T O n V D 2 n V T ,
where n is the subthreshold slope factor whose value depends on the process, β = μ C o x W / L , where µ is the electron or hole mobility in the channel, Cox is the thin gate oxide capacitance per unit area, and W and L are the channel width and length, respectively. VT = kT/q is the thermal voltage, VG/VS/VD are gate/source/drain to substrate voltages, respectively, and VTO is the threshold voltage. The reverse current is several orders of magnitude smaller than the forward current and can therefore be ignored in further calculations. The following dependencies for the drain currents of transistors M2 and M4 are then obtained:
I 1 = I D 2 = 2 n β 2 V T 2 l n 2 1 + e V G V T O 2 n V T ,   I 3 = I D 4 = 2 n β 4 V T 2 l n 2 1 + e V G V T O Δ V G S 2 n V T .
Solving the system of equations for ∆VGS, assuming that I 1 = N I 3 , β 4 = K β 2 , one obtains
Δ V G S = 2 V T l n e S I C 1 e I C 1 ,
where S is the loop gain: S = NK, where N, K are MOSFET size ratios: N = S M 1 S M 3 , K = S M 4 S M 2 ,   S M N = W N L N . IC is MOSFET inversion coefficient: I C = I D 4 2 n β 4 V T 2 .
If the inversion coefficient IC is close to zero (transistors M2,4 are in weak inversion), the expression under the natural logarithm in Formula (3) can be approximated by the square root of S (4), as shown in Figure 4.
l i m I C 0 e S I C 1 e I C 1 = S .
When the IC inversion coefficient is close to unity (transistors M2,4 are in moderate inversion), this relationship over a small range of loop gains (sufficient for practical applications) can be approximated by the linear function f(S)=S (Figure 4). After the above approximations are applied, the formula for ∆VGS is given by
Δ V G S = V T l n S   for   I C < < 1 ,
Δ V G S = 2 V T l n S   for   I C 1 .
Equation (5) is a well-known solution from [11], while (6) is the authors’ new solution for transistors M2 and M4 working in moderate inversion.
In the presented reference source, the resistor R (Figure 3a) is replaced by n-MOSFET M5 (Figure 3b) working in the linear region of weak or moderate inversion. This MOSFET is biased by the stable output reference voltage VREF to make sure that rds of M5 varies only with process and temperature, not with supply voltage. This behavior modifies the generated currents I5 and I3. This is shown by the current characteristics I6 = f(T,p) in Figure 2. Then, current I3 is multiplied M times by the current mirror M6 and biases transistor M7 operating in saturation. It converts the current I6 into a voltage VREF by coefficient β (Figure 2). The conversion coefficient β varies with process and temperature in the opposite way to I6. The PVT compensation circuit can be described by Equation (7):
V R E F 2 + A M + A M 2 + 2 A M 2 Δ V G S + V T H 7 ,
A M = 2 M 1 + 1 A ,
A = β 5 β 7 = S 5 S 7 ,
By substituting (3) in (7), the expression describing the output reference voltage VREF is given by
V R E F 2 + A M + A M 2 + 2 A M V T l n e S I C 1 e I C 1 + V T H 7 .
After the approximation (5 and 6) is applied, the simplified solution is shown below:
V R E F 2 + A M + A M 2 + 2 A M 2 V T l n S + V T H 7               for   weak   inversion
V R E F 2 + A M + A M 2 + 2 A M V T l n S + V T H 7               for   moderate   inversion
The reference voltage can be made temperature-independent by applying transistor sizing so that the thermal voltage multiplier (with a positive temperature coefficient) compensates for the temperature variation of the threshold voltage of transistor M7 (with a negative temperature coefficient). By differentiating the Equation (12) over temperature, one obtains
V R E F T = k V T T T + V T H 7 T T ,
k = 2 + A M + A M 2 + 2 A M l n e S I C 1 e I C 1 .
To include higher-order temperature compensation effects in the analytical model, one would have to assume that the k factor depends on the temperature, as IC(T) = f(T) ≠ const., which can be described by the formula
I C T = I D 4 T 0 1 + t c 1 T T 0 + t c 2 T T 0 2 2 V T 2 W L K P 4 T 0 T T O 0.5 ,
where T0, tc1 and tc2 are room temperature (300 °K) and temperature coefficients of the first (K−1) and second order (K−2), respectively. By differentiating (13) over temperature and neglecting higher-order effects from (15), one obtains
k = V T H 7 T T 0.086 m V ° K .
As indicated by (15), the temperature coefficient varies with the process parameters that change with temperature. Such dependencies create second-order effects (visible during the simulation of the final circuit) that have been omitted for simplicity.
The second functionality of the presented circuit is the current reference source. By adding an additional transistor M8 to the schematic, it is possible to form an output current mirror (Figure 1). To do that, it is necessary to choose different dimensions for transistors M2, M4, M5, M7 and to select the appropriate loop coefficients N and K and multiplier M for current mirror M6. Using (10) and assuming IREF = I6, the expression for the reference output current IREF is given by
I R E F = 1 + A M + A M 2 + 2 A M β 5 Δ V G S 2 2 + β 5 Δ V G S V T H 7 V T H 5 M + 1 .
By differentiating (17) over the temperature, one obtains
I R E F T = m V T β 5 V T H 7 T T V T H 5 T T + m V T V T H 7 V T H 5 β 5 T T + l m 2 V T 2 β 5 T T + m β 5 V T H 7 V T H 5 V T T T + 2 l m 2 V T β 5 V T T T ,
where
l = 1 + A M + A M 2 + 2 A M 2 ,
m = l n e S I C 1 e I C 1 .
Assuming that both M5 and M7 transistors are the same type, V T H 7 T T V T H 5 T T , a condition on the temperature stability of the new current reference source is obtained:
l m = 19.34 V T H 5 V T H 7 300 β 5 T T + β 5 150 β 5 T T + β 5
The presented architecture is based on MOSFET characteristics in the weak (subthreshold) and moderate inversion regions to make use of the PTAT voltage source made by the M1M4 subcircuit, which gives such behavior in those regions. There is no major difference in terms of PVT stability between weak and moderate, and rigid separation between both regions does not exist. The used supply voltage level and current values in bias branches will determine the regions of MOSFET operation. The visible trade-off between those two regions of MOSFET operation is power consumption vs. IREF and VREF random spread during device fabrication. It is related to higher mismatch effects in the deep subthreshold region. It is possible to mitigate that by increasing the width and length of the M2, M4 pair mainly, as well as the M5, M7 pair. The increasing area of current mirrors has a positive influence for output variation improvement at the expense of PSRR decreasing.
The analysis and theoretical calculations for the presented reference voltage–current source were performed in Matlab and wxMaxima software for solving symbolic equations. Verification and implementation were performed using Cadence Virtuoso with the Spectre SPICE simulator. All layouts were drawn with the Virtuoso Layout Editor and verified and RC-extracted using Cadence’s QRC and PEX Calibre from Siemens.

4. Example Implementation of a Novel Voltage–Current Reference Source

The presented reference voltage–current source was implemented in ten different designs for seven different CMOS technologies: ATMEL 0.5 μm, IBM 180 nm RF, IBM 180 nm HV, SMIC 180 nm, LFoundry 150 nm, UMC 130 nm and UMC 90 nm. The prototype circuit was manufactured in six versions using four technologies: UMC 90 nm, UMC 130 nm, LFoundry 150 nm and SMIC 180 nm. One of them is presented in detail below.

4.1. Schematic, Layout and Simulation Results of the New Voltage–Current Source

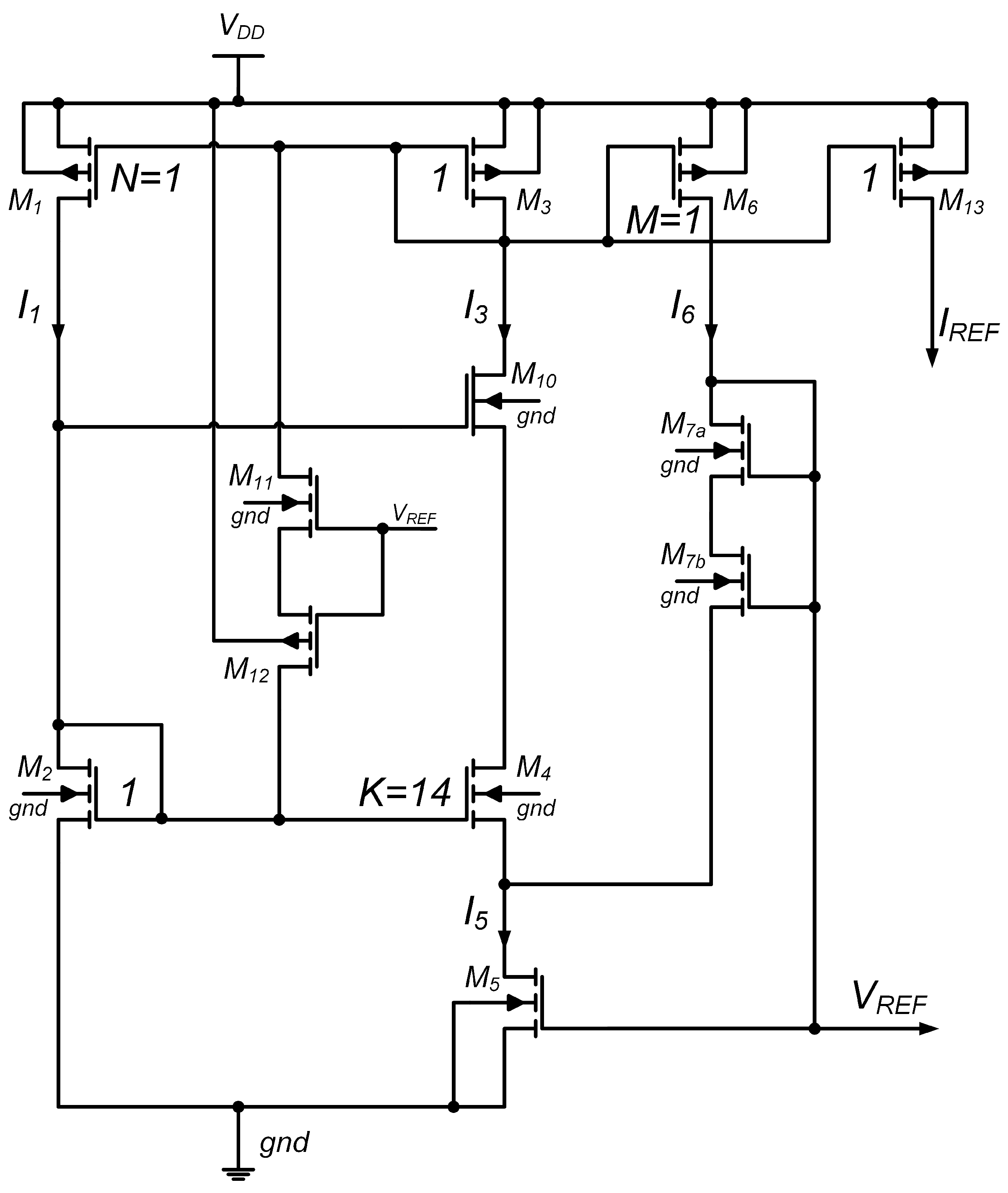
The example implementation of the proposed circuit shown in Figure 5 was designed in UMC CMOS 130 nm technology. The dimensions of the transistors used are indicated in Table 1 together with their drain currents.
In addition to the generic schematic of the proposed voltage–current reference source the cascode stage was added, formed by M10 native n-MOS with nearly zero threshold voltage, to improve the efficiency of the current mirror. Since the reference source has two stable states corresponding to the voltage given by (10) and to zero voltage, a capacitor-less start-up circuit formed by transistors M11,12 is used to ensure that the former stable state is achieved. The final layout of the designed reference source is shown in Figure 6. The silicon dimensions are 25 µm × 48 µm.
The key features of the designed circuit (obtained from post-layout simulations) are listed in Table 2. The reference output voltage and current at 27 °C and temperature coefficients are summarized for each process corner in Table 3.
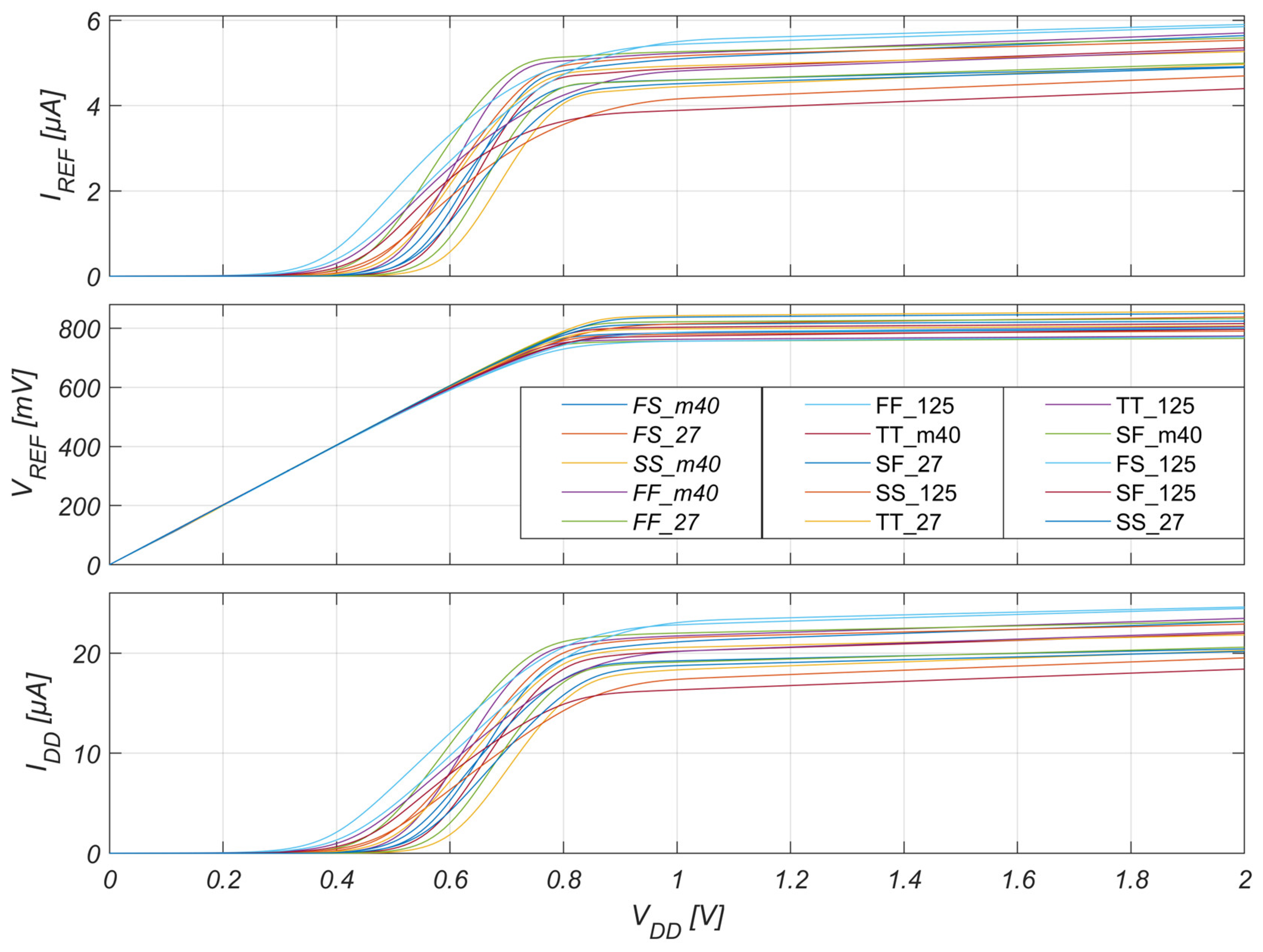
Figure 7, Figure 8, Figure 9, Figure 10, Figure 11 and Figure 12 show the results of post-layout simulations of the implemented reference voltage and current source circuit. The TC performance at temperatures ranging from −40 °C to 125 °C at VDD = 1.2 V is demonstrated in Figure 7.
The circuit has been verified for large supply voltage variations (Figure 8). The results indicate that the circuit generates stable reference voltage and current with the supply as low as 0.9 V for any process corner. The bottom value of supply voltage is imposed by the transistors in the current generator circuit. The p-MOS M1, M3, M6 and M13 must operate in saturation. Additionally, to maintain stable output reference voltage, transistor M7 must work in saturation. The lowest value of the supply voltage might be reduced by removing cascode M10.
The settling time for the circuit at start-up is shown in Figure 9 during transient simulation.
Monte Carlo (MC) simulations were performed to determine the process and transistor mismatch effects on the output reference voltage and current. The MC analysis proved that the presented current reference source should be very reproducible with the process fluctuation, which is shown in Figure 10a. On the other hand, the variations in device matching have a significant impact on output reference voltage and current level and repeatability from chip to chip (Figure 10b,e). Figure 10c,f show the MC analysis with device matching and process parameter fluctuation simultaneously.
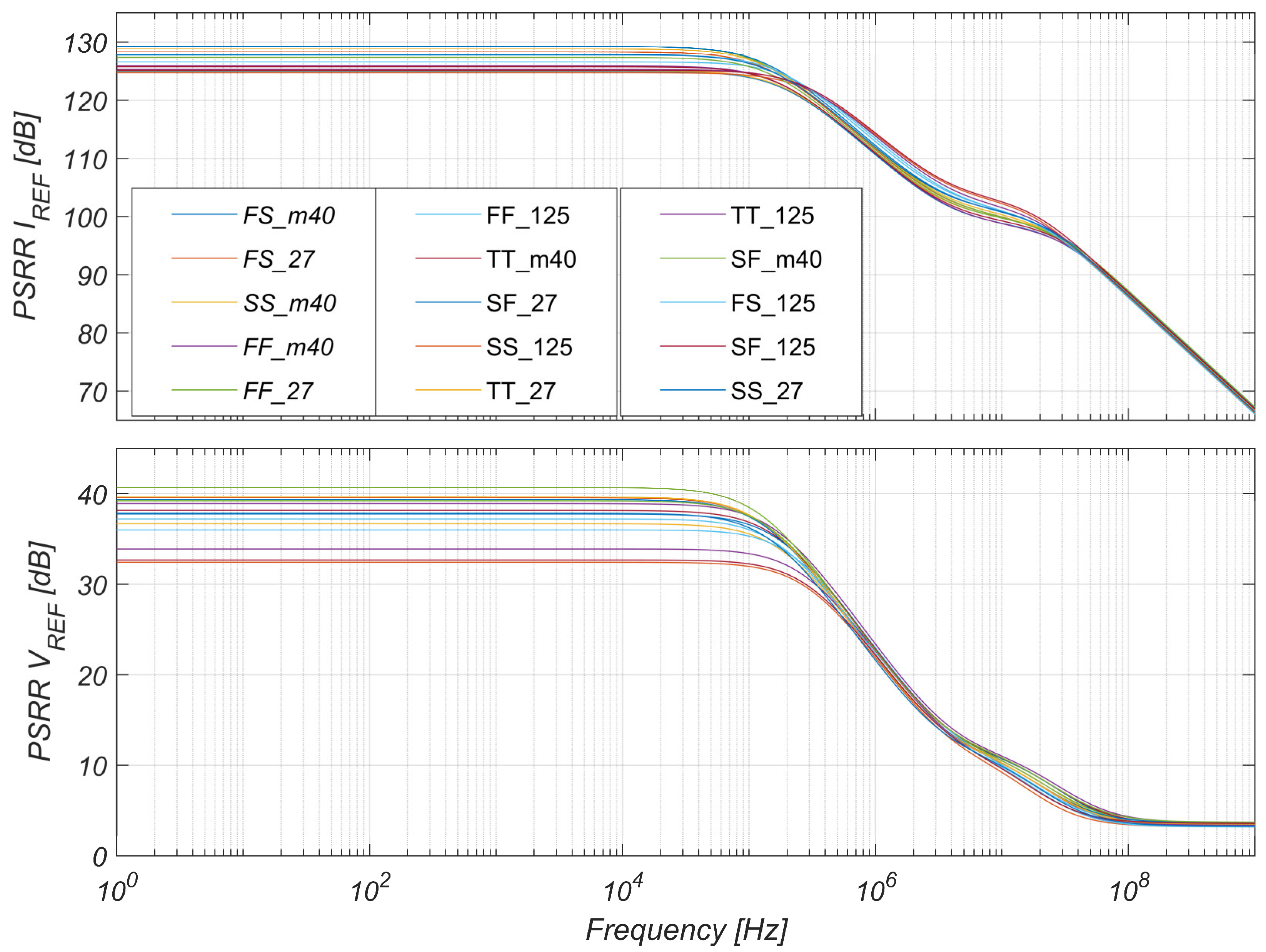
The power supply rejection ratio (PSRR) as well as output noise, without any filtering capacitors, of IREF and VREF are shown in Figure 11 and Figure 12.
The output voltage and current noise characteristics presented in Figure 12 show that in example implementation of the proposed circuit, the noise performances are affected at a lower frequency by 1/f noise due to the small area of the gate in transistors M5 and M7. The designers could increase the area of these pairs, if possible, to decrease 1/f noise. However, the noise reduction at low frequencies in the presented architecture is mainly accomplished by operation in the subthreshold region by all MOSFETs. The 1/f (flicker noise) is generally lower in the subthreshold region of a MOSFET transistor. This is because, in the subthreshold region, the drain current is significantly lower compared to the region above the threshold. Since flicker noise is closely related to the current flowing through the transistor, a lower current results in less noise. Flicker noise in MOSFET transistors is caused by charge trapping and release at the interface between the semiconductor and the oxide layer, leading to current fluctuations in the channel. In the subthreshold region, where the transistor operates with very low current (lower current density), these fluctuations have a smaller overall impact on the total current, thus reducing the flicker noise. In contrast, in the above-threshold region, where the current is higher, flicker noise becomes more prominent. The equivalent output noise in the presented novel source architecture is comparable with the state of the art.

4.2. Measurement Results of the Example Implementation of a Novel Current–Voltage Source

The circuit was designed using the Virtuoso Schematic and Layout Editor tools. The simulations and analysis were performed with the Spectre simulator and ADE tools. The parasitic elements were extracted with the Calibre PEX. The presented circuit was manufactured and measured. The voltage and current reference source are marked in Figure 13. The circuit is meant to provide a stable reference voltage level and bias current for the RF Front-End in the GNSS (Global Navigation Satellite System) chipset. The details of the reference source topography in the manufactured silicon die are hidden by dummy-fill metal, and that is why it is not visible on the probe station.
The reference voltage–current source was fabricated in the MPW Service shuttle run. The bare dies were connected by DC needles on the Cascade Summit 12000B-AP probe station. The samples were measured separately one by one using an Agilent B1500A semiconductor-device analyzer. The analyzer was equipped with a B1517A high-resolution source/monitor unit (HRSMU) with multiple, multipurpose sources. One of them was configured in Force mode in order to supply the circuit under test, and two others were used in Sense mode to measure the reference output voltage and current, respectively. The voltage measurement input resistance of HRSMU was 10 TΩ.
The measurement results are presented in Figure 14 in the form of IREF and VREF distribution among 90 dies. The experimental results show that the spread between dies in reference current and voltage values is not worse than MC simulation results. The small shift in global process parameters across all manufactured chips is visible in lower output current and higher output voltage in comparison to the MC post-layout simulations results. However, it is still smaller than the simulated process corner sensitivity.
The example implementation of the proposed circuit, which is presented in Section 4, was designed to provide IREF with high PSRR and small output noise in the active mode of SoC at the cost of power consumption. However, the proposed architecture of the reference voltage–current source was also designed for low-power applications without sacrificing some of the key performance. The low-power implementations are summarized in Table 4 as design Nos. 1, 8 and 9. The key parameters in those implementations were 22 ppm/°C, 72.4 ppm/°C and 31.5 ppm/°C respectively for TC. The wide supply voltage range was also ensured. The total power consumption of fabricated design No. 8 is only 29.7 nW, which was dedicated for low-power medical devices. The power reduction of the proposed solution is possible but with a compromise in AC parameters like PSRR and output noise.
The proposed novel voltage–current reference source was implemented in ten different designs for seven different CMOS technologies, and the obtained parameters are summarized in Table 4. Designs No. 7 (presented above in detail) and No. 10 were implemented as a simultaneous two-in-one voltage–current reference source. The described architecture is silicon-proven in submicron and nanometer technologies—designs 4, 5, 7, 8, 9, 10. The measurements of the manufactured chips confirmed their correct operation and agreed with the simulation results, although in some cases, the variations in the output value were larger than expected.

5. Conclusions

The parameters of the representative design Nos. 5, 7, and 9 from Table 4 are compared with other published voltage and current reference sources in Table 5. The presented novel only-CMOS circuit that simultaneously performs the functions of a voltage and current reference source without the use of passive devices or BJTs is comparable with other published achievements in the state of the art in terms of key parameters like PVT sensitivity with small silicon area and power consumption kept.
In general, the high robustness of the proposed circuit in response to PVT variations and device mismatch is confirmed by simulations and measurements. It achieves a good trade-off between the key parameters, such as power consumption, silicon area and PVT stability. The power consumption can go below 30 nW for 3.3 V supply voltage (design No. 9). In the presence of the process corners variations, the untrimmed mean temperature coefficient across all the designed reference voltage and current sources is 115 ppm/°C in the temperature range between −40 °C and 125 °C and it is still comparable with the state of the art. The presented architecture shows low sensitivity (the average of 5.5%) of output reference voltage and current to CMOS process variations and device mismatch. The presented examples of implemented reference source designs prove the transferability of this architecture between different technologies and nodes.
The easy integration in standard CMOS technology in a very small silicon area without the need to use highly resistive resistors is the key feature of the proposed circuit. For these reasons, the described solution is already used in many wireless and low-power mixed-signal integrated circuits. Moreover, the design solution of the voltage reference source proposed in the article is referred to by inventors from global EDA/CAD vendors in their patent applications [28].
Potential improvements to the presented solution could include an extra AC start-up circuit with a capacitor to speed up VREF and IREF settling time in all PVT corners. This will be necessary for applications that switch very often between active and sleep modes. The exemplary implementation in Figure 5 contains only basic start-up, which is good enough in this particular design, where SoC raises the reference source immediately after battery replacement and the user does not care about long settling time. The future work will focus on the implementation of the proposed architecture in FD-SOI technologies to check the potential usage of the back-gate bias technique for further PVT stabilization of the reference source and potential usage for post-production auto-tuning.

Author Contributions

The work presented in this paper was a collaboration of both authors. Analog design, visualization, writing, conceptualization, validation, resources, T.B.; supervision, writing—review and editing, project administration, funding acquisition, W.A.P. All authors have read and agreed to the published version of the manuscript.

Funding

This work was supported in part by the Polish National Centre for Research and Development under project No. NR02-0096-10.

Data Availability Statement

The data presented in this study are available on request from the corresponding author. The data are not publicly available due to the ongoing project restrictions.

Conflicts of Interest

The authors declare no conflicts of interest.

References

  1. Widlar, R. New developments in IC voltage regulators. IEEE J. Solid-state Circuits 1971, 6, 2–7. [Google Scholar] [CrossRef]
  2. Pease, R. The design of band-gap reference circuits: Trials and tribulations. In Proceedings of the Bipolar Circuits and Technology Meeting, Minneapolis, MN, USA, 17–18 September 1990. [Google Scholar] [CrossRef]
  3. Song, B.-S.; Gray, P. A precision curvature-compensated CMOS bandgap reference. In Proceedings of the 1983 IEEE International Solid-State Circuits Conference. Digest of Technical Papers, New York, NY, USA, 23–25 February 1983; pp. 240–241. [Google Scholar] [CrossRef]
  4. Leung, K.N.; Mok, P. A sub-1-V 15-ppm/°C CMOS bandgap voltage reference without requiring low threshold voltage device. IEEE J. Solid-state Circuits 2002, 37, 526–530. [Google Scholar] [CrossRef]
  5. Banba, H.; Shiga, H.; Umezawa, A.; Miyaba, T.; Tanzawa, T.; Atsumi, S.; Sakui, K. A CMOS bandgap reference circuit with sub-1-V operation. IEEE J. Solid-state Circuits 1999, 34, 670–674. [Google Scholar] [CrossRef]
  6. Chen, Z.; Wang, Q.; Li, X.; Song, S.; Chen, H.; Song, Z. A High-Precision Current-Mode Bandgap Reference with Nonlinear Temperature Compensation. Micromachines 2023, 14, 1420. [Google Scholar] [CrossRef] [PubMed]
  7. Barteselli, E.; Sant, L.; Gaggl, R.; Baschirotto, A. Design Techniques for Low-Power and Low-Voltage Bandgaps. Electricity 2021, 2, 271–284. [Google Scholar] [CrossRef]
  8. Nagulapalli, R.; Yassine, N.; Tammam, A.A.; Barker, S.; Hayatleh, K. A 10.5 ppm/°C Modified Sub-1 V Bandgap in 28 nm CMOS Technology with Only Two Operating Points. Electronics 2024, 13, 1011. [Google Scholar] [CrossRef]
  9. Leung, K.N.; Mok, P. A CMOS Voltage Reference Based on Weighted ΔV/sub GS/ for CMOS Low-Dropout Linear Regulators. IEEE J. Solid-State Circuits 2003, 38, 146–150. [Google Scholar] [CrossRef]
  10. di Naro, G.; Lombardo, G.; Paolino, C.; Lullo, G. A Low-Power Fully-Mosfet Voltage Reference Generator for 90 nm CMOS Technology. In Proceedings of the 2006 IEEE International Conference on IC Design and Technology, Padua, Italy, 1–4 May 2006; pp. 1–4. [Google Scholar] [CrossRef]
  11. Vittoz, E.; Fellrath, J. CMOS analog integrated circuits based on weak inversion operations. IEEE J. Solid-state Circuits 1977, 12, 224–231. [Google Scholar] [CrossRef]
  12. Lin, H.; Chang, D.-K. A Low-Voltage Process Corner Insensitive Subthreshold CMOS Voltage Reference Circuit. In Proceedings of the 2006 IEEE International Conference on IC Design and Technology, Padua, Italy, 1–4 May 2006; pp. 1–4. [Google Scholar] [CrossRef]
  13. Miller, S.; MacEachern, L. A nanowatt bandgap voltage reference for ultra-low power applications. In Proceedings of the 2006 IEEE International Symposium on Circuits and Systems, Kos, Greece, 21–24 May 2006; pp. 1–4. [Google Scholar] [CrossRef]
  14. Navidi, M.M.; Graham, D.W. A Low-Power Voltage Reference Cell with a 1.5 V Output. J. Low Power Electron. Appl. 2018, 8, 19. [Google Scholar] [CrossRef]
  15. Borejko, T.; Pleskacz, W.A. A Resistorless Voltage Reference Source for 90 nm CMOS Technology with Low Sensitivity to Process and Temperature Variations. In Proceedings of the 2008 11th IEEE International Workshop on Design and Diagnostics of Electronic Circuits and Systems (DDECS 2008), Bratislava, Slovakia, 16–18 April 2008; pp. 38–43. [Google Scholar] [CrossRef]
  16. Enz, C.C.; Krummenacher, F.; Vittoz, E.A. An Analytical MOS Transistor Model Valid in All Regions of Operation and Dedicated to Low-Voltage and Low-Current Applications. In Low-Voltage Low-Power Analog Integrated Circuits; Serdijn, W., Ed.; The Springer International Series in Engineering and Computer Science; Springer: Boston, MA, USA, 1995; Volume 328, pp. 83–114. [Google Scholar] [CrossRef]
  17. Łukaszewicz, M.; Borejko, T.; Pleskacz, W.A. A Resistorless Current Reference Source for 65 nm CMOS Technology with Low Sensitivity to Process, Supply Voltage and Temperature Variations. In Proceedings of the 2011 IEEE Symposium on Design and Diagnostics of Electronic Circuits and Systems—IEEE DDECS 2011, Cottbus, Germany, 13–15 April 2011; pp. 75–79. [Google Scholar] [CrossRef]
  18. Samir, A.; Girardeau, L.; Bert, Y.; Kussener, E.; Rahajandraibe, W.; Barthelemy, H. 173nA-7.5ppm/°C-771mV-0.03mm2 CMOS Resistorless Voltage Reference. In Proceedings of the 2011 Faible Tension Faible Consommation (FTFC), Marrakech, Morocco, 30 May–1 June 2011; pp. 71–74. [Google Scholar] [CrossRef]
  19. Vilella, E.; Diéguez, A. Design of a Bandgap Reference Circuit with Trimming for Operation at Multiple Voltages and Tolerant to Radiation in 90 nm CMOS Technology. In Proceedings of the 2010 IEEE Computer Society Annual Symposium on VLSI (ISVLSI), Lixouri, Greece, 5–7 July 2010; pp. 269–272. [Google Scholar] [CrossRef]
  20. Cabrini, A.; De Sandre, G.; Gobbi, L.; Malcovati, P.; Pasotti, M.; Poles, M.; Rigoni, F.; Torelli, G. A 1 V, 26 μW Extended Temperature Range Band gap Reference in 130-nm CMOS Technology. In Proceedings of the 31st IEEE European Solid-State Circuits Conference—ESSCIRC 2005, Grenoble, France, 12–16 September 2005; pp. 503–506. [Google Scholar] [CrossRef]
  21. Zhu, W.-r.; Yang, H.-g.; Gao, T.-q. A Novel Low Voltage Subtracting Band Gap Reference with Temperature Coefficient of 2.2 ppm/°C. In Proceedings of the 2011 IEEE International Symposium on Circuits and Systems—ISCAS 2011, Rio de Janeiro, Brazil, 15–18 May 2011; pp. 2281–2284. [Google Scholar] [CrossRef]
  22. Lee, J.; Cho, S.H. A 210 nW 29.3 ppm/°C 0.7 V voltage reference with a temperature range of −50 to 130 °C in 0.13 µm CMOS. In Proceedings of the 2011 Symposium on VLSI Circuits (VLSIC), Kyoto, Japan, 15–17 June 2011; pp. 278–279. [Google Scholar]
  23. Han, D.-O.; Kim, J.-H.; Kim, N.-H. Design of Bandgap Reference and Current Reference Generator with Low Supply Voltage. In Proceedings of the 2008 International Conference on Solid-State and Integrated-Circuit Technology—ICSICT 2008, Beijing, China, 20–23 October 2008; pp. 1733–1736. [Google Scholar] [CrossRef]
  24. Tang, S.; Narendra, S.; De, V. Temperature and process invariant MOS based reference current generation circuits for sub-1 V operation. In Proceedings of the 2003 International Symposium on Low Power Electronics and Design—ISLPED ‘03, Seoul, Republic of Korea, 27 August 2003; pp. 199–204. [Google Scholar] [CrossRef]
  25. Bendali, A.; Audet, Y. A 1-V CMOS Current Reference With Temperature and Process Compensation. IEEE Trans. Circuits Syst. I Regul. Pap. 2007, 54, 1424–1429. [Google Scholar] [CrossRef]
  26. Kelleci, B.; Karsilayan, A.I. Low-Voltage Temperature-Independent Current Reference with no External Components. In Proceedings of the IEEE International Symposium on Circuits and Systems, New Orleans, LA, USA, 27–30 May 2007; pp. 3836–3839. [Google Scholar] [CrossRef]
  27. Lee, E.K.F. Low Voltage CMOS Bandgap References with Temperature Compensated Reference Current Output. In Proceedings of the 2010 IEEE International Symposium on Circuits and Systems—ISCAS 2010, Paris, France, 30 May–2 June 2010; pp. 1643–1646. [Google Scholar] [CrossRef]
  28. Krishnamoorthy, H.P. Methods and Apparatuses for a CMOS-Based Process Insensitive Current Reference Circuit. U.S. Patent 9,977,454 B1, 22 May 2018. Available online: https://image-ppubs.uspto.gov/dirsearch-public/print/downloadPdf/9977454 (accessed on 18 October 2024).
Figure 1. Proposed voltage and current reference source (start-up circuit not included).
Figure 1. Proposed voltage and current reference source (start-up circuit not included).
Electronics 13 04212 g001
Figure 2. Resistorless CMOS voltage reference source—principle of operation.
Figure 2. Resistorless CMOS voltage reference source—principle of operation.
Electronics 13 04212 g002
Figure 3. (a) Schematic of ∆VGS PTAT source and I6 bias current. (b) PVT compensation circuit.
Figure 3. (a) Schematic of ∆VGS PTAT source and I6 bias current. (b) PVT compensation circuit.
Electronics 13 04212 g003
Figure 4. Expression f S = e S I C 1 e I C 1 as a function of the loop gain parameter S at different values of the channel inversion coefficient IC.
Figure 4. Expression f S = e S I C 1 e I C 1 as a function of the loop gain parameter S at different values of the channel inversion coefficient IC.
Electronics 13 04212 g004
Figure 5. Schematic of the proposed voltage–current reference source implemented in UMC 130 nm technology together with start-up circuit M11–12.
Figure 5. Schematic of the proposed voltage–current reference source implemented in UMC 130 nm technology together with start-up circuit M11–12.
Electronics 13 04212 g005
Figure 6. Layout of the designed voltage–current reference source implemented in UMC 130 nm technology.
Figure 6. Layout of the designed voltage–current reference source implemented in UMC 130 nm technology.
Electronics 13 04212 g006
Figure 7. The reference output current and voltage versus temperature for different process corners at supply voltage 1.2 V.
Figure 7. The reference output current and voltage versus temperature for different process corners at supply voltage 1.2 V.
Electronics 13 04212 g007
Figure 8. The output reference voltage and current as a function of supply voltage for all process corners and edge temperatures.
Figure 8. The output reference voltage and current as a function of supply voltage for all process corners and edge temperatures.
Electronics 13 04212 g008
Figure 9. Transient response of the voltage and current source at start-up for all process corners and edge temperatures at supply voltage 1.2 V.
Figure 9. Transient response of the voltage and current source at start-up for all process corners and edge temperatures at supply voltage 1.2 V.
Electronics 13 04212 g009
Figure 10. The results of the Monte Carlo simulations of IREF and VREF at 27 °C for 1000 runs at supply voltage 1.2 V. (a,d) Variation in the process parameters only. (b,e) Variation in device matching only. (c,f) Variation in device matching and process parameters simultaneously.
Figure 10. The results of the Monte Carlo simulations of IREF and VREF at 27 °C for 1000 runs at supply voltage 1.2 V. (a,d) Variation in the process parameters only. (b,e) Variation in device matching only. (c,f) Variation in device matching and process parameters simultaneously.
Electronics 13 04212 g010
Figure 11. Post-layout simulated PSRR of the voltage and current reference source for all process corners and edge temperatures at supply voltage 1.2 V.
Figure 11. Post-layout simulated PSRR of the voltage and current reference source for all process corners and edge temperatures at supply voltage 1.2 V.
Electronics 13 04212 g011
Figure 12. The spectral density of output noise from reference voltage and current source for all process corners and edge temperatures at supply voltage 1.2 V.
Figure 12. The spectral density of output noise from reference voltage and current source for all process corners and edge temperatures at supply voltage 1.2 V.
Electronics 13 04212 g012
Figure 13. Microphotography with reference voltage and current source as a part of GNSS RF Front-End.
Figure 13. Microphotography with reference voltage and current source as a part of GNSS RF Front-End.
Electronics 13 04212 g013
Figure 14. Histogram of IREF and VREF measured on 90 manufactured silicon dies at 27 °C and supply voltage 1.2 V.
Figure 14. Histogram of IREF and VREF measured on 90 manufactured silicon dies at 27 °C and supply voltage 1.2 V.
Electronics 13 04212 g014
Table 1. Dimensions of transistors used in the proposed circuit together with their drain currents for typical process corner (process = TT, T = 27 °C; VDD = 1.2 V).
Table 1. Dimensions of transistors used in the proposed circuit together with their drain currents for typical process corner (process = TT, T = 27 °C; VDD = 1.2 V).
DeviceM1M2M3M4M5M6M7M10M11M12M13
Wtot [ µm]2 × 402 × 92 × 4028 × 91.422 × 401.42210722 × 40
L [µm]10.510.50.8812 × 0.88100.120.121
IDS [µA]5.05.05.05.010.05.05.05.0005.0
Table 2. Summary of the post-layout simulation results at typical process corner, T = 27 °C, VDD = 1.2 V.
Table 2. Summary of the post-layout simulation results at typical process corner, T = 27 °C, VDD = 1.2 V.
ParameterUnitValue
Technology feature sizeum130
Supply current (output IREF not included)µA15.0
Supply voltage rangeV0.9–2.0
Temperature range°C−40–125
Reference output current (IREF)µA5.00
Temperature coefficient (TCI) of IREFppm/°C280
Line sensitivity of IREF (in VDD range)%±4.0
Process corners sensitivity of IREF%±7.4
IREF MC 3σ × 1000 runs Process onlyµAM = 4.99; σ = 0.06
IREF MC 3σ × 1000 runs Mismatch onlyµAM = 5.01; σ = 0.26
IREF MC 3σ × 1000 runs Process and MismatchµAM = 5.00; σ = 0.27
Noise density
@ 100 HzpA/√Hz81
@ 100 kHzpA/√Hz4.8
1 Hz–10 MHznARMS9.1
PSRR
@ 100 HzdB128
@ 10 MHzdB100
@ 1 GHzdB66
Reference output voltage (VREF)mV800
Temperature coefficient (TCV) of VREFppm/°C118
Line sensitivity of VREF (in VDD range)%±0.9
Process corners sensitivity of VREF%±5.2
VREF MC 3σ × 1000 runs Process onlymVM = 800; σ = 11
VREF MC 3σ × 1000 runs Mismatch onlymVM = 800; σ = 9
VREF MC 3σ × 1000 runs Process and MismatchmVM = 800; σ = 14
Noise density
@ 100 HzµV/√Hz3.9
@ 100 kHzµV/√Hz0.23
1 Hz–10 MHzµVRMS293
PSRR
@ 100 HzdB40
@ 10 MHzdB10
@ 1 GHzdB3.5
Settling timeµs4.7
Chip areaµm21200
Table 3. Summary of reference voltages, currents and temperature coefficients.
Table 3. Summary of reference voltages, currents and temperature coefficients.
Process CornerIREF [µA]TCI [ppm/°C]VREF [mV]TCV [ppm/°C]IDD [µA]
SS4.5950984118619.1
SF4.6788881634019.5
TT5.0028080011820.8
FS5.2554578272.821.9
FF5.3339075854.522.2
Table 4. Parameters of the designed voltage and current reference sources at typical process corner, 27 °C, and nominal supply. Designs not marked by * or ** present post-layout simulation results.
Table 4. Parameters of the designed voltage and current reference sources at typical process corner, 27 °C, and nominal supply. Designs not marked by * or ** present post-layout simulation results.
No.TechnologyVREF [V]
IREF [A]
IDD
[A]
VDD
[V]
TC
[ppm/°C]
Process Sens. [%]Line Sens. [%]Settling [s]Area [µm2]
1ATMEL 0.5 µm *1.105 V351 n1.4–7.022.0±9.0±2.7
2IBM 180 nm RF1.25 V3.21 µ1.4–2.052.3±3.8±1.22.2 µ14,900
3IBM 180 nm HV1.248 V13.1 µ1.4–2.0213±2.9±1.82.0 µ30,700
4SMIC 180 nm **1.244 V31.6 µ1.4–3.63210±1.0±1.516.6 µ1900
5LFoundry 150 nm **1.137 V24.5 µ1.8–3.63104±0.69±0.66.9 µ13,300
6UMC 130 nm (1)784 V13.2 µ0.9–2.040.7±5.2±0.8513 n1000
7UMC 130 nm (2) **829 mV
4.82 µA
14.46 µ0.9–2.0118
280
±5.2
±7.4
±0.9
±4.0
4.7 µ1200
8UMC 90 nm (1) **409 mV270 n0.9–3.372.4±3.7±3.016.3 µ1100
9UMC 90 nm (2) **337 mV9.0 n0.7–3.331.5±5.2±1.581.9 µ1300
10UMC 90 nm (3) **659 mV
845 nA
5.7 µ1.0–2.053.5
185
±7.2
±15
±1.2
±0.9
80 µ8200
* pre-layout simulation results. ** measurement results.
Table 5. Summarized performance of the proposed voltage and current reference source and comparison with the state-of-the-art simulated and measured reference source solutions.
Table 5. Summarized performance of the proposed voltage and current reference source and comparison with the state-of-the-art simulated and measured reference source solutions.
SourceProcessVREF [V]
IREF [A]
IDD
[A]
VDD
[V]
TC
[ppm/°C]
Process Sens. [%]Line Sens. [%]Settling [s]Area [µm2]
This work (5)150 nm **1.137 V24.5 µ1.8–3.63104±0.69±0.66.9 µ13,300
This work (7)130 nm **829 mV
4.82 µA
14.46 µ0.9–2.0118
280
±5.2
±7.4
±0.9
±4.0
4.7 µ1200
This work (9)90 nm **337 mV9.0 n0.7–3.331.5±5.2±1.581.9 µ1300
[17]65 nm6.45 µA47 µ2.6–3.6355±3.0--7000
[10]90 nm718 mV1.3 µ1.05–1.35101-±4.1--
[18]90 nm **771 mV173 n1.6–3.640±2.6±1.9-30,000
[19]90 nm724 mV18.7 µ1.0–1.283±3.9--19,910
[13]130 nm319 mV80 n0.52.2±7.8--250
[20]130 nm **798 mV26 µ1.0–2.06.64±0.8±0.2-20,000
[21]130 nm602 mV60 µ1.22.2±1.4---
[22]130 nm **501 mV300 n0.7–1.829.3±4.8±0.2-23,000
[23]130 nm **50.2 µA-1.229±0.3--38,000
[24]150 nm **90 µA-1.0257±5.0--38,000
[25]180 nm **144 µA83 µ1.0185±7.0---
[26]180 nm **54.1 µA700 µ1.847.4---55,000
[27]180 nm2.03 µA7.1 µ1.045±15---
** measurement results.
Disclaimer/Publisher’s Note: The statements, opinions and data contained in all publications are solely those of the individual author(s) and contributor(s) and not of MDPI and/or the editor(s). MDPI and/or the editor(s) disclaim responsibility for any injury to people or property resulting from any ideas, methods, instructions or products referred to in the content.

Share and Cite

MDPI and ACS Style

Borejko, T.; Pleskacz, W.A. Design of Voltage–Current Reference Source in CMOS Technology. Electronics 2024, 13, 4212. https://doi.org/10.3390/electronics13214212

AMA Style

Borejko T, Pleskacz WA. Design of Voltage–Current Reference Source in CMOS Technology. Electronics. 2024; 13(21):4212. https://doi.org/10.3390/electronics13214212

Chicago/Turabian Style

Borejko, Tomasz, and Witold Adam Pleskacz. 2024. "Design of Voltage–Current Reference Source in CMOS Technology" Electronics 13, no. 21: 4212. https://doi.org/10.3390/electronics13214212

APA Style

Borejko, T., & Pleskacz, W. A. (2024). Design of Voltage–Current Reference Source in CMOS Technology. Electronics, 13(21), 4212. https://doi.org/10.3390/electronics13214212

Note that from the first issue of 2016, this journal uses article numbers instead of page numbers. See further details here.

Article Metrics

Back to TopTop