Abstract
With the emphasis on energy conversion and energy-saving technologies, the single-phase pulse width modulation (PWM) rectifier method is widely used in urban rail transit because of its advantages of bidirectional electric energy conversion and higher power factor. However, due to the complex control and harsh environment, it can easily fail. Faults can cause current and voltage distortion, harmonic increases and other problems, which can threaten the safety of the power system and the train. In order to ensure the stable operation of the rectifier, incidences of faults should be reduced. A fault diagnosis technique based on Euclidean norm fusion multi-frequency bands and multi-scale permutation entropy is proposed. Firstly, by the optimal wavelet function, information on the optimal multi-frequency bands of the fault signal is selected after wavelet packet decomposition. Secondly, the multi-scale permutation entropy of each frequency band is calculated, and multiple fault feature vectors are obtained for each frequency band. To reduce the classifier’s computational cost, the Euclidean norm is used to fuse the multi-scale permutation entropy into an entropy value, so that each frequency band uses an entropy value to characterize the fault information features. Finally, the optimal multi-frequency bands and multi-scale permutation entropy after fusion are used as the fault feature vector. In the simulation system, it is shown that the method’s average accuracy is 78.46%, 97.07%, and 99.45% when the SNR is 5 dB, 10 dB, and 15 dB, respectively. And the fusion of multi-scale permutation entropy can improve the accuracy, recall rate, precision, and F1 score and reduce the False Alarm Rate (FAR) and the Missing Alarm Rate (MAR). The results show that the fault diagnosis method has high diagnosis accuracy, is a simple feature fusion method, and has good robustness to working conditions and noise.
1. Introduction
As the size of cities expands, the connection between cities is becoming closer and closer. Electric locomotives have greatly improved the traffic efficiency between cities and significantly shortened the distance between cities due to their efficient power output, excellent acceleration performance, and good environmental protection characteristics. This has made the application of electric locomotives in urban transportation systems increasingly extensive and ushered in a rapid development opportunity. However, the widespread popularity of electric locomotives has also brought a series of problems to be solved.
As the core method of the energy conversion of electric locomotives, the single-phase pulse width modulation (PWM) rectifier method, also known as the traction rectifier method, has the characteristics of bidirectional electric energy conversion and a higher power factor. In the traction state of the train, it provides stable direct current (DC) for the traction inverter, and in the electrical braking state of the train, it can feed excess power back to the grid. However, due to the harsh operating conditions and long-term high-speed and heavy-duty operation of electric locomotives, the rectifier often suffers from high temperature, high pressure, overcurrent, and other problems. As the operation time increases, the degree of aging of the rectifier components increases, resulting in a decline in performance [1]. Faults with the rectifier can cause input voltage and current distortion, which further leads to the output current imbalance of the traction inverter and the increase in harmonics. At the same time, it also causes oscillations in the catenary voltage, which ultimately affects the entire regional electric power system’s stability and destroys the traction transmission system of the train. According to the report of Jinan and Wuhan Railway Company, in 2017, the IGBT in the traction converter of a locomotive in the Jinan section was not maintained and cleaned in time, and the heat dissipation environment around the module deteriorated, resulting in local overheating and the explosion of the IGBT. In 2020 and 2021, due to the poor performance of IGBT rectifier components, a certain model in the Wuhan section suffered a breakdown and explosion damage, resulting in machine breakage and the emergency shutdown of the locomotive. Therefore, an advanced fault diagnosis method is needed to effectively enhance the operation and maintenance capability of rectifiers.
Rectifier fault diagnosis belongs to the fault diagnosis field of the power converter. Fault diagnosis methods include model-based, signal-based, and data-driven methods. In [2], four kinds of observers were used to diagnose four OC faults of IGBTs (Insulate-Gate Bipolar Transistors) in the rectifier. In [3], a traction rectifier model is developed to construct a grid current estimator, and then, the residual is acquired and applied to the fault detection, and the fault diagnosis of the sensor is realized. With the increasing complexity and nonlinearity of power converter control, although the model-based method can respond to the real fault characteristics in a system and has significant advantages in diagnosis speed, it depends on accurate operating parameters and system models, and complex modeling and uncertain parameters can affect the model-based method’s applicability [4]. The signal-based method has better diagnostic results, but it requires rich prior knowledge and theoretical analysis to design the threshold and has poor performance under load fluctuations [5].
For nonlinear, non-stationary fault signals, data-driven methods have been proposed and have received extensive attention. The data-driven approaches, also known as the knowledge approach, do not need accurate system models or signal symptoms, but they use the historical data of the system to solve the problems of unknown system structures and parameters and complex models. Compared with the other two methods, data-driven methods perform better in terms of robustness and dynamic characteristics.
In fact, in the face of variable loads and a harsh working environment, the modeling and signal analysis of the system will inevitably be limited to a certain extent. Therefore, data-driven methods are more suitable to rectifier fault diagnosis. The deep belief network (DBN) is has been adopted to extract fault characteristics from fault signals, and the fault diagnosis of a PWM rectifier was realized by using a least square support vector machine (LSSVM) [6]. Aiming at the open-circuit (OC) fault of PWM rectifier, a fault diagnosis method of deep feedforward network based on transient synthesis characteristics is proposed [7]. In [8], a deep convolutional neural network (DCNN) structure is designed, then fault features are extracted from the original fault data of the rectifier and further classified by DCNN, and the open-circuit fault diagnosis of the switching device is completed. These methods improve the diagnosis rate to a certain extent, but the models involved in the feature extraction process are complex in design and high in calculation cost, and can only work under specific and defined feature distributions, and are faced with problems such as model failure caused by changes in data distribution. Therefore, simple and effective feature extraction is of great significance to improve the fault diagnosis rate.
In recent years, the system has become more complex and the operating conditions have become increasingly harsh, which has prompted many advanced fault diagnosis technologies. In order to highlight the independence and diversity of fault features, in multi-scenario-oriented learning, a new cross-domain adaptive model based on sparse filtering is applied to the bearing fault diagnosis of high-speed EMU traction motors [9]. A cross-machine transmission diagnosis network, which combines interpretable modulated micro-Short-Time Fourier Transform (STFT) and physical information balance spectrum quality measurement, is used to learn domain invariance and discrimination characteristics at time-varying speeds, and solves the problems of large speed fluctuations and few fault samples of railway heavy freight trains [10]. In [11], there is a method combining the improved parrot optimization (IPO) algorithm and random forest (RF) for Autonomous Underwater Vehicle (AUV) fault diagnosis.
Effective feature extraction can reduce the operating cost and time cost of classifier, improve fault diagnosis results, and enhance data-driven method applicability and robustness. To characterize the nonlinear characteristics of the system and complex working condition changes, entropy can be used as a feature extraction tool to reflect the nonlinear characteristics caused by the instantaneous changes in the system, thereby quantifying the dynamic changes in the system fault signals and distinguishing different operating states [12]. Compared with traditional methods, entropy-based features show significant advantages in clustering performance, classification accuracy and noise robustness. IGBT OC fault diagnosis in converters is realized by using energy entropy as fault features and long short-term memory neural networks for training and fault identification [13]. In order to obtain better diagnostic results, the different entropies were used to extract inverter fault features, and then the Grey Wolf optimization support vector machine (GGO-SVM) was used for model training and fault identification [14]. In [15], the authors applied multiple empirical mode decomposition (MEMD) to decompose fault signals, and fuzzy entropy (FE) and artificial fish swarm algorithm (AFSA)-SVM were proposed for fault identification of wind power converters. Short-time wavelet entropy features were extracted from the modular multilevel converter with OC fault [16]. Although these methods can quantify the dynamic changes in system fault signals well, they are all based on the characteristics of a single scale and ignore fault information existing in other scales. It is worth noting that the ability of single-feature information to describe the fault features of complex systems is limited.
Due to the harsh operating environment of electric locomotives, the traction rectifier fault signal is characterized by strong noise, and is nonlinear and non-stable [17]. It is necessary to develop an intelligent fault diagnosis strategy for rectifiers that does not require accurate system models and signal prior knowledge. In addition, the method should have high reliability and strong robustness, be able to analyze nonlinear and non-stationary fault signals, and accurately characterize fault characteristics, which is crucial for practical engineering applications.
In this paper, a fault diagnosis method of traction rectifiers based on Euclidean norm fusion multi-frequency bands and multi-scale permutation entropy features is proposed. Firstly, the wavelet function suitable for fault signal decomposition under different working conditions and different operating modes is selected. Based on the optimal wavelet function, the multi-resolution decomposition of fault signals is performed by the wavelet packet algorithm, and a series of optimal multi-frequency band information is obtained. Secondly, the sequence of each frequency band is coarse granulated, and the multi-scale permutation entropy of each frequency band is calculated. Then, the multi-scale permutation entropy Euclidean norm is used as the fault feature. Finally, we obtain the fault types of traction rectifiers through the SVM. The principal contributions are listed as follows:
- (1)
- The fault signal is decomposed in multi-resolution by the wavelet packet, and low-frequency and high-frequency fault information is obtained. We selected the optimal multi-frequency bands corresponding to the optimal wavelet function, according to the energy–information entropy ratio. The problem of different fault signal decomposition effects caused by different wavelet function is overcome.
- (2)
- Multi-scale entropy can mine system information from different scales and reflect the complexity and uncertainty of the system at different time or spatial scales. Euclidean norm fusion has a certain smoothing and averaging effect, which can weaken the entropy fluctuations caused by various abnormal factors such as interference on each scale. After the fusion of multi-scale permutation entropy through the Euclidean norm, the entropy information of different scales is no longer an isolated individual, but can be organically combined to form a more comprehensive feature description.
- (3)
- The results of the evaluation indicators such as the accuracy, precision, recall, F1 score, False Alarm Rate (FAR), and Missing Alarm Rate (MAR) proved robust and stable.
The remaining organizational structure is as follows. Section 2 describes the traction rectifier system and analyzes fault modes. Section 3 introduces Euclidean norm fusion optimal multi-frequency bands and the multi-scale permutation entropy algorithm. Section 4 verifies the effectiveness and robustness. Section 5 presents the conclusion.
2. System Description and Fault Analysis
The traction transmission system in electric locomotives is a power conversion system, which mainly consists of high-voltage cable assembly, a main circuit breaker, voltage and current transformers, a main transformer, traction converters and traction motors, and their failure rate, as shown in Figure 1. Among them, the highest failure rate of main circuit breakers and converters is approximately 32%. However, the traction converter, as the core component of locomotive energy conversion, provides electric energy for traction the transmission system to ensure stable operation of electric locomotives. The traction converter mainly adopts an alternating current (AC)–DC–AC transmission mode [18], which is mainly composed of traction rectifiers and traction inverters, whose failure will cause the failure of the entire transmission system. A traction rectifier converts AC in the overhead contact system into DC, while the traction inverter converts DC into three-phase AC for traction motors. The rectifier is often accompanied by high temperature, frequent overvoltage and overcurrent, electromagnetic interference and other problems. Due to the complex control strategy and harsh operating conditions, its failure rate is much higher than that of traction inverters [19].
Figure 1.
Main components in the traction transmission system and their failure rates.
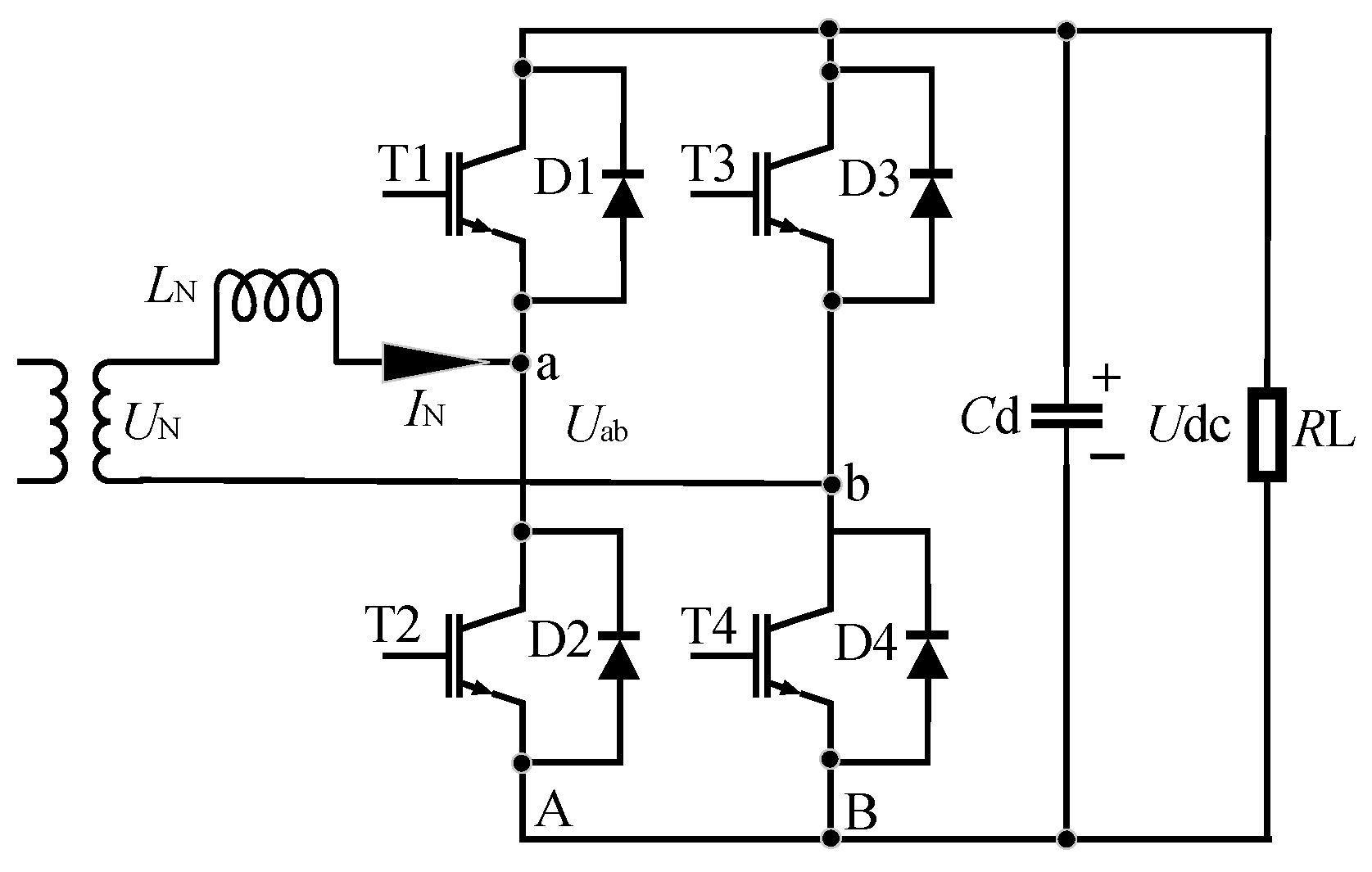
A single-phase PWM rectifier is the core device of electric energy conversion in the traction transmission system, as the input of traction converters, and its operating state directly affects the normal operation of the traction transmission system. The circuit topology is shown in Figure 2. When the intermediate support capacitor voltage is zero, the 1450 V/50 Hz AC voltage from the traction transformer supplies power to the through the charging resistance. When the voltage reaches 2000 V, the charging contactor cuts the charging resistance, the gate blockade of the rectifier switch device is lifted, and the rectifier begins to work. And the 1450 V AC voltage is rectified to 2800 V stable DC voltage for the traction inverter.
Figure 2.
A single-phase PWM rectifier circuit structure.
According to the survey report based on industrial applications, power semiconductor devices are the most vulnerable link in power electronic converters [20]. In the process of electric locomotive operation, the complicated working conditions IGBTs and diode rectifiers often face include sudden change because of short circuit or electrical system load produced by overcurrent, caused by surge voltage, perceptual load off of overvoltage, because of heat dissipation, and overheating caused by severe environment temperatures. There are also mechanical stresses, mainly from vibration shock and thermal expansion and contraction during locomotive operation. Therefore, the single-phase PWM rectifier fault source is mainly the open and short-circuit fault of IGBTs (represented by Ti) and power diodes (represented by Di). The short-circuit fault is easily detected by the monitoring and protection device of the system [21]. The open-circuit (OC) fault will not cause significant changes in the waveform of current and voltage, so it cannot be detected for a short period of time, which can cause secondary failures of other components, resulting in greater system losses [22]. Therefore, single-phase PWM rectifier fault diagnosis is usually aimed at OC faults of IGBTs and power diodes.
Reasonable fault signal acquisition is related to the complexity of diagnosis methods. In this paper, the rectifier input voltage Uab, which is robust to noise, is selected as the fault acquisition signal. In order to simulate the noise environment, white noise with a signal-to-noise ratio (SNR) of 10 dB is added to the fault signal. It is specified that the direction of the current flowing to the rectifier from the transformer is IN > 0, otherwise, IN < 0.
We injected an OC fault into the system to analyze the influence of OC fault on the rectifier. We simulated an OC fault by removing the IGBT gate signal and the power diode anode current. For example, at 1.5 s, the gated signal of T1 and the anode current of D1 were removed, respectively, to achieve OC faults of T1 and D1.
When T1 has occurred, the OC fault at 1.5 s, the Uab waveform is shown in Figure 3. When IN > 0, the T1 OC fault does not affect the circuit, and the rectifier still works normally. When IN < 0, because the capacitor Cd cannot charge the inductor LN, only the traction transformer voltage UN charges the inductor LN, resulting in voltage distortion and the rectifier cannot work normally.
Figure 3.
T1 OC fault.
When T1 and T3 are simultaneously OC faults at 1.5 s, the Uab waveform is shown in Figure 4. No matter IN > 0 or IN < 0, the charging step of capacitor Cd to inductor LN is lost, and the secondary voltage UN and inductor LN charge the capacitor Cd, or only the secondary voltage UN charges the inductor LN, the voltage waveform is distorted, and the rectifier still cannot work normally.
Figure 4.
T1 and T3 OC faults.
When D1 has occurred, the OC fault at 1.5 s, the waveform of the input voltage Uab of the rectifier is distorted and generates a transient high voltage, as shown in Figure 5, which results in an IGBT overvoltage fault in a short time.
Figure 5.
D1 OC fault.
During the actual train operation, IGBTs may have a single OC fault or a double OC fault, but the probability of a power diode double OC fault is relatively low. The combination of different switching devices forms different fault modes and produces different fault phenomena. In this paper, single-phase PWM rectifier 15 OC fault modes (normal mode and 14 fault modes including IGBT single and double OC faults as well as power diode single OC faults) are studied. Table 1 shows fault modes and fault labels corresponding to the fault types.
Table 1.
Fault modes and fault labels.
3. The Fault Diagnosis Method
3.1. The Mentioned Fault Diagnosis Method
The fault diagnosis method proposed in this paper is applied to the fault diagnosis of electric locomotive traction rectifiers, which includes the following main processes: fault signal collection, data processing, feature extraction, feature fusion, and pattern recognition. The block diagram of fault diagnosis is shown in Figure 6.
Figure 6.
Fault diagnosis block diagram.
- (1)
- Fault signal collection. We collected input voltage Uab signals of 15 fault modes of the rectifier under different working conditions by a voltage sensor to form the original fault sample set.
- (2)
- Data processing includes signal decomposition and optimal frequency band selection. Signal decomposition. We selected the db series wavelet functions suitable for signal decomposition and reconstruction, such as dbN (N = 2, 3, … 10). Using 9 wavelet functions, respectively, the fault signal was decomposed by wavelet packet multi-resolution, and 9 groups of multi-frequency bands were obtained. We calculated the energy–information entropy ratio of 9 groups of frequency bands, respectively, and selected a group of multi-frequency bands corresponding to the maximum ratio as the optimal multi-frequency band information of the fault signal. At this point, the optimal multi-frequency band information of each fault signal after wavelet packet decomposition reached a total of 2n frequency bands (n is the decomposition layers number of the wavelet packet), including the high-frequency and low-frequency information of fault signals.
- (3)
- Feature extraction. We calculated the multi-scale permutation entropy of each frequency band to form a multi-scale feature vector :where represents the multi-scale permutation entropy feature of the i-th frequency band, m represents the scale factor, and PF stands for permutation entropy.
- (4)
- Feature fusion. The Euclidean norm is used to fuse multi-scale feature vectors of each frequency band, which can combine multiple entropies into a single entropy that characterizes the fault feature. The feature vector after the fusion of the i-th frequency band is expressed as . The final fault feature vector of each fault signal is as follows:where indicates the number of frequency bands.
- (5)
- Pattern recognition. The SVM classifier was used for the fault identification mode. The feature was divided into a training set and a test set, and the mapping relationship between the fault mode, feature and fault was completed by training the model several times. The trained model will diagnose real-time or new test data, and output results such as whether fault, fault type and severity.
3.2. Signal Decomposition and Optimal Multi-Frequency Band Selection
In order to accurately analyze nonlinear and non-stationary signals, it is necessary to consider not only the multi-scale and multi-resolution analysis of signals, but also the effect of signal decomposition. Therefore, wavelet packet transform can decompose fault signals in multi-resolution to obtain more refined low- and high-frequency components, and mine accurate time–frequency features [23]. However, different wavelet functions have different decomposition effects on the same fault signal, which directly affects feature extraction. It is very important to select the wavelet function suitable for the fault signal. The criterion of the energy–entropy ratio refers to the ratio between the energy value and information entropy of each frequency band coefficient. The larger the energy value, the richer the fault information, and the smaller the information entropy, the smaller the uncertainty of the fault information [24]. The decomposition of the fault signal and the selection of the optimal multi-frequency bands are as follows:
- (1)
- Assuming the fault signal, 9 Daubechies (dbN, N = 2, 3, … 10) wavelet functions, the fault signal is decomposed by the wavelet packet. After m layer decomposition, W frequency bands are obtained, and the coefficient of the r-th frequency band is and .
- (2)
- After the fault signal is decomposed by the wavelet packet, 9 groups of frequency band information are obtained.where represents the frequency band information corresponding to different wavelet functions.
- (3)
- Energy and information entropy for each group of frequency bands are calculated as follows:where represents the energy probability distribution.
- (4)
- Calculate the energy–entropy ratio of the frequency band coefficient.
3.3. Multi-Scale Permutation Entropy and the Euclidean Norm
Permutation entropy can convert the time series of complex signals into an entropy value, and it is very sensitive to small changes in signals, especially to mutations and irregularities in dynamic systems [25]. Different fault types usually lead to different signal arrangement patterns, so that the permutation entropy has the ability to distinguish different fault types. Multi-scale permutation entropy can mine system information from different scales and reflect the complexity and uncertainty of the system at different time or spatial scales [26]. In the selected optimal multi-frequency bands, for a frequency band signal with length L, the calculation and fusion process for multi-scale permutation entropy are as follows:
- (1)
- Obtain the subsequence of the phase space by reconstructing the frequency band signal phase space, expressed as:where d and , respectively, represent the embedding dimension and time delay.
- (2)
- Sort the subsequences in the phase space from smallest to largest.where is the element position index in after reordering, and is called a permutation. In this way, each is mapped to a matching sequence with a total of permutations.
- (3)
- The occurrence probability of each permutation is , and is defined as:where represents the number of occurrences of the symbol sequence.
- (4)
- According to information entropy, the permutation entropy of time series is obtained.
- (5)
- When calculating the permutation entropy, only the numerical arrangement relationship of elements in the phase point is considered, and the key factor of numerical size is ignored. Therefore, the coarse process can be introduced to obtain the multi-scale permutation entropy. The coarse-graining process is:where expresses the coarse-graining factor, expresses the coarse-graining signal when the coarse-graining factor is , and is the k-th value of the time series.
- (6)
- The Euclidean norm, also known as the L2 norm, has a certain smoothing and equalizing effect, which can weaken the entropy fluctuations caused by various disturbance and other abnormal factors on individual scales. After the fusion of multi-scale permutation entropy through the Euclidean norm, the entropy information of different scales is no longer an isolated individual, but can be organically combined to form a more comprehensive feature description. Euclidean norm fusion multi-scale permutation entropy:
4. Simulation Results and Analysis
4.1. Construct the Fault Sample
According to the traction rectifier main parameters shown in Table 2, a rectifier model is established using MATLAB 2021. To verify the robustness to output voltage, we changed the output voltage from 2000 V to 2800 V, and collected voltage signals Uab in 15 fault modes every 10 V as fault signals. Therefore, there are 81 samples in 1 fault mode, and 1215 samples for 15 fault modes. To ensure the robustness to noise, white noise with a SNR of 5 dB, 10 dB and 15 dB was added to the fault signal and used as the fault sample data set.
Table 2.
Single-phase PWM rectifier main parameters.
In order to verify that the fault features of the model have stability and weak correlation with the output voltage, when the fault state is T1T3 and the SNR is 10 dB, the input voltage waveform of the rectifier under different output voltages is shown in Figure 7.
Figure 7.
The input voltage waveform under different output voltages. (a) Uout = 2800 V. (b) Uout = 2600 V.
It can be clearly observed from the figure that under the same fault state, although the output voltage is different, the input voltage waveform is very similar. This phenomenon shows that the fault features are stable, and the fault state T1T3 will make the input voltage show a specific and repeatable waveform mode, which will not change significantly due to the change in the output voltage, providing a stable basis for identifying the fault state T1T3 through the input voltage waveform. Further analysis shows that the change in output voltage has little influence on the input voltage waveform, which means that the input voltage waveform is mainly determined by the fault itself, and the correlation with the output voltage is weak. Based on this characteristic, fault diagnosis is feasible. We can establish a fault diagnosis model or standard based on the similarity of the input voltage waveform. By comparing the waveform to be detected with the characteristic waveform, we can initially judge whether the fault state T1T3 appears, which provides an effective method and reference basis for fault diagnosis.
4.2. Decomposition of Fault Signals and Selection of Optimal Multi-Frequency Bands
Considering the calculation cost and the effect of signal decomposition, we selected the db series wavelet function suitable for signal decomposition and reconstruction, such as dbN (N = 2, 3, … 10). Using nine wavelet functions, respectively, the fault signal is decomposed into 5 layers by the wavelet packet, and nine groups of multi-frequency band information are obtained, and each group’s frequency band information includes 32 frequency bands for each sample and each fault mode. The energy–entropy ratio of each group of frequency bands is calculated and compared. The energy–entropy ratio is the largest, indicating that the selected wavelet function is suitable for fault signal decomposition. The multi-frequency bands obtained from the decomposition of the corresponding fault signal are the optimal multi-frequency bands. Table 3 shows the wavelet function corresponding to the optimal multi-frequency bands selected after fault signal decomposition when the SNR is 10 dB and the output voltage is 2800 V for different fault modes.
Table 3.
Optimal frequency bands corresponding to the wavelet function.
4.3. Feature Extraction for Permutation Entropy
The optimal multi-frequency band permutation entropy of fault signals with a different SNR is used as the fault feature. For each SNR fault sample set, there are 1215 fault sample signals, and each fault sample has 32 permutation entropy features. From the 1215 fault samples, 729 samples were randomly selected as training samples, and the rest were test samples. Through the SVM [27] classifier, we present the diagnosis results. The average, maximum and minimum values of fault diagnosis results after 30 runs of each data set are used as evaluation indicators to ensure stability of the results, as shown in Figure 8.
Figure 8.
Fault diagnosis results of optimal multi-frequency band permutation entropy.
The results show that when the SNR is 15 dB, the average value of fault diagnosis results is 97.74%, and the maximum and minimum are, respectively, 99.17% and 95.21%, which indicates that the permutation entropy as a fault feature is reasonable. However, with the decrease in the SNR and the increase in noise, the fault diagnosis results gradually decrease. The average value of fault diagnosis results at 5 dB is only 61.45%, which indicates that single-scale permutation entropy has certain limitations on the description of fault features of nonlinear and non-stationary signals in a strong noise environment. Therefore, to improve diagnosis accuracy, we need to mine fault information on other scales to obtain multi-scale features, so as to reflect the complexity and uncertainty of the system under different time or spatial scales in strong noise environments.
In order to further demonstrate that the selected permutation entropy is feasible as the fault feature, approximate entropy and sample entropy are used as fault features. The accuracy, recall, precision, False Alarm Rate (FAR), Missing Alarm Rate (MAR) and F1 score are taken as evaluation indexes. After running 30 times by SVM, we analyzed each evaluation index average. As shown in Table 4, for different SNRs, when the permutation entropy was the fault feature, the accuracy, recall, precision and F1 score are at their greatest, while the FAR and the MAR are at their lowest. Therefore, permutation entropy is reasonable as a fault feature.
Table 4.
Diagnostic results with different entropies.
4.4. Feature Extraction and Fusion for Multi-Scale Permutation Entropy
According to the proposed method, the scale factor is selected as 30, and the multi-scale permutation entropy of each fault sample at different SNRs is calculated as the fault feature. Since each sample is decomposed into 32 frequency bands, each frequency band contains 30 permutation entropy features. Then, each sample dimension is 30 × 32. For the sake of reducing the classifier computational burden, the Euclidean norm is used to fuse the multi-scale features into an entropy value, so that each frequency band contains one fault feature, and the dimension of each sample is reduced to 1 × 32. To show the Euclidean norm fusion effect on features at different scales, the features fused at different scales were randomly divided into 729 training samples and 486 test samples, and SVM diagnosis result for the average value of 30 runs is used as the evaluation index. As shown in Figure 9, fault diagnosis data with different SNRs under different fusion scales were obtained.
Figure 9.
SVM diagnosis results of fuzzy entropy feature fusion at different scales.
The fault diagnosis results of multi-scale features are greater than those of single-scale features, which indicates the effectiveness of multi-scale feature fusion in feature extraction. When the scale is 1, the diagnosis result of single-scale permutation entropy is the lowest, and when the scale factor is in the range of 1–5, the accuracy of fault diagnosis results gradually increases with the increase in the scale factor, indicating that the Euclidean norm fusion of multi-scale permutation entropy is feasible. When the scale factor is 5, the mean value of fault diagnosis with different SNRs reaches the maximum, which is greater than at other scales. However, when the scale factor exceeds 5, the diagnostic result decreases gradually with the scale factor increase. The reason is that each coarse-grained sequence’s length is obtained by dividing the original signal’s length by the scale factor. As the scale factor increases, the length of the coarse-grained sequence shortens, leading to a reduction in the information within the time series. Since the shorter coarse-grained sequence may not comprehensively mirror the original signal’s complexity and dynamic features, this causes an increase in the multi-scale entropy’s estimation error, thus affecting the diagnostic accuracy. Therefore, in this study, the average value of diagnostic accuracy is the maximum indicator and the scale factor is 5.
4.5. Evaluation of Analysis Using Different Indexes
To evaluate the mentioned diagnosis strategy accuracy and stability, feature extraction and fusion of fault sample sets with different SNRs are carried out according to the proposed method. The accuracy, recall, precision, FAR, MAR and F1 score are taken as evaluation indexes. After running 30 times by SVM, and analyzing each evaluation index average, Table 5 shows the fault diagnosis results of 15 kinds of traction rectifier fault modes with different characteristics under different SNRs.
Table 5.
Fault diagnosis results of different features under different SNRs.
As shown in Table 5, for different SNRs, according to the proposed method, the indicators, accuracy, recall, precision, and F1 score are all improved, and the FAR and the MAR are reduced. When the SNR is 5 dB, 10 dB and 15 dB, respectively, compared with permutation entropy, the accuracy by the mentioned method, MPE-L2, is increased by 17.01%, 10.6111% and 1.71%, and the recall is increased by 17.06%, 11.2% and 1.8%, respectively. Precision is increased by 17.14%, 11.2% and 1.63%. F1 score is increased by 17.1%, 10.93% and 1.71%, respectively. The FAR and the MAR are decreased by 1.21% and 17.01%, 0.78% and 10.9%, 0.12% and 1.71%, respectively. The results indicate that permutation entropy is sensitive to noise, and the fault diagnosis results based on permutation entropy are relatively high in a weak noise environment. In a strong noise environment, the multi-scale permutation entropy can characterize fault information well, and has good robustness to noise.
5. Discussion
Although the robustness of current data-driven fault diagnosis methods under strong noise has been well proved, there are potential limitations: on the one hand, the results apply only for a specific type of fault research, the diagnostic effect of other fault types is doubtful, different fault characteristics are different, and existing models are difficult to capture new fault modes. On the other hand, it is only suitable for single-phase PWM rectifiers, and the principle, characteristics and fault mechanism of different systems are different, so it is easy to misdiagnose when it is extended to other systems. In order to improve practicability and generality, future research can be carried out from three directions: expanding the scope of fault type research, carrying out other system applicability studies, and in-depth exploration of the theoretical basis. For example, collecting multi-type fault data optimization model data, improving methods for different systems, and combining multiple algorithms to build a more powerful diagnosis system can not only provide a reference for subsequent research but can also enhance the influence and applicability of this paper and promote the development and perfection of data-driven fault diagnosis technology.
This research is a fault diagnosis technology of power electronic devices, involving the fault diagnosis of IGBTs and power diodes. The proposed research can be applied to other power electronic converters, such as wind power converters. The IGBT fault diagnosis of wind power converters is proposed [22]. It can also be used for open-circuit fault diagnosis of diodes of autotransformer rectifiers in power systems [28]. This study also involves the fusion method of multi-scale entropy. With the continuous development of sensor technology and measurement technology, the proposed research can be applied to bearings and rotating machinery, and a fault diagnosis method combining multi-scale arrangement entropy is proposed [29,30]. Therefore, this study can be applied to the open-circuit fault diagnosis of IGBTs and diodes in power electronic converters, as well as to the fault diagnosis of bearings and rotating machinery characterized by multi-scale entropy.
6. Conclusions
A fault diagnosis method using Euclidean norm fusion optimal multi-frequency bands and multi-scale permutation entropy features is proposed for rectifiers. Using rectifier input voltage as the fault signal, the optimal wavelet function for different fault signal decomposition is studied, and the optimal multi-frequency bands of fault signals after wavelet packet decomposition are selected. The fusion method of multi-scale permutation entropy is studied, so that the entropies from multiple scales of each frequency band are fused into one entropy to characterize fault features. The proposed method solves the decomposition and feature extraction of the rectifier nonlinear and non-stationary signals under different working conditions and different SNRs, and improves the robustness of the system to output voltage and noise. When the SNR is 5 dB, 10 dB and 15 dB, the average accuracy of fault diagnosis is 78.46%, 97.07% and 99.45%, respectively. Compared with single-scale permutation entropy, the accuracy is improved by 17.01%, 10.6111% and 1.71%, respectively. This shows that multi-scale permutation entropy can characterize fault features from different scales, and has good robustness to noise. The fusion of multi-scale features by the Euclidean norm can weaken the influence of abnormal factors on individual scales, and can organically combine entropy information of different scales to form a more comprehensive feature description. The diagnosis results on each evaluation index are improved, indicating that the fault diagnosis method proposed is stable and robust, adapts well to strong noise environments, and holds practical value.
Author Contributions
Conceptualization, J.L.; methodology, J.L.; software, X.M.; validation, X.M.; formal analysis, X.M.; investigation, X.M. and J.L.; resources, J.L.; data curation, X.M.; writing—original draft, X.M.; writing—review and editing, X.M.; visualization, J.L.; supervision, J.L.; project administration, J.L.; funding acquisition, J.L. All authors have read and agreed to the published version of the manuscript.
Funding
This research was supported by the Gansu Youth Science and Technology Foundation Project, Gansu Province, China, grant number 24JRRA266.
Data Availability Statement
The original contributions presented in this study are included in this article; further inquiries can be directed to the corresponding author.
Conflicts of Interest
All authors declare that the research was conducted in the absence of any commercial or financial relationships that could be construed as a potential conflict of interest.
References
- Chen, H.; Jiang, B.; Ding, S.X.; Huang, B. Data-driven fault diagnosis for traction systems in high-speed trains: A survey, challenges, and perspectives. IEEE Trans. Intell. Transp. Syst. 2020, 23, 1700–1716. [Google Scholar] [CrossRef]
- Hu, K.; Liu, Z.; Iannuzzo, F.; Blaabjerg, F. Simple and effective open switch fault diagnosis of single-phase PWM rectifier. Microelectron. Reliab. 2018, 88, 423–427. [Google Scholar] [CrossRef]
- Yu, Y.; Song, Y.; Tao, H. Fault location and type identification method for current and voltage sensors in traction rectifiers. J. Power Electron. 2024, 1–9. [Google Scholar] [CrossRef]
- Egone, N.; Ma, L.; Qin, N. Disturbance De-coupling for Faults Detection and Identification Based on Right Eigenvectors Assignment for a Single-phase PWM Rectifier. In Proceedings of the 2020 39th Chinese Control Conference (CCC), Shenyang, China, 27–29 July 2020. [Google Scholar]
- Arehpanahi, M.; Entekhabi, A.M. A New Technique for Online Open Switch Fault Detection and Location in Single-phase Pulse Width Modulation Rectifier. Int. J. Eng. 2022, 35, 1759–1764. [Google Scholar] [CrossRef]
- Shi, T.; He, Y.; Wang, T.; Li, B. Open switch fault diagnosis method for PWM voltage source rectifier based on deep learning approach. IEEE Access 2019, 7, 66595–66608. [Google Scholar] [CrossRef]
- Kou, L.; Liu, C.; Cai, G.; Zhang, Z.; Zhou, J.; Wang, X. Fault diagnosis for three-phase PWM rectifier based on deep feedforward network with transient synthetic features. ISA Trans. 2020, 101, 399–407. [Google Scholar] [CrossRef]
- Wang, R. Open-Circuit Fault Diagnosis of Power Rectifier Using Deep Convolutional Neural Network. J. Phys. Conf. Series. IOP Publ. 2020, 1642, 012009. [Google Scholar] [CrossRef]
- Lu, F.; Tong, Q.; Xu, J.; Feng, Z.; Wang, X.; Huo, J.; Wan, Q. Towards multi-scene learning: A novel cross-domain adaptation model based on sparse filter for traction motor bearing fault diagnosis in high-speed EMU. Adv. Eng. Inform. 2024, 60, 102536. [Google Scholar] [CrossRef]
- He, C.; Shi, H.; Li, R.; Li, J.; Yu, Z.J. Interpretable modulated differentiable STFT and physics-informed balanced spectrum metric for freight train wheelset bearing cross-machine transfer fault diagnosis under speed fluctuations. arXiv 2024, arXiv:2406.11917. [Google Scholar] [CrossRef]
- Huang, K.; Li, W.; Fang, H.; Wu, X.; Wang, L.; Peng, H. IPORF: A Combined Improved Parrot Optimizer Algorithm and Random Forest for Fault Diagnosis in AUV. Ocean Eng. 2024, 313, 119665. [Google Scholar] [CrossRef]
- Sandoval, D.; Leturiondo, U.; Pozo, F.; Vidal, Y. Low-Speed Bearing Fault Diagnosis Based on Permutation and Spectral Entropy Measures. Appl. Sci. 2020, 10, 4666. [Google Scholar] [CrossRef]
- Bai, X.; Li, M.; Di, Z.; Dong, W.; Liang, J.; Zhang, J.; Sun, H. Open circuit fault diagnosis of wind power converter based on VMD energy entropy and time domain feature analysis. Energy Sci. Eng. 2024, 12, 577–595. [Google Scholar] [CrossRef]
- Jiang, T.; Wang, Y.; Li, Z. Fault diagnosis of three-phase inverter based on CEEMDAN and GWO-SVM. In Proceedings of the 2020 Chinese Automation Congress (CAC), Shanghai, China, 6–8 November 2020. [Google Scholar]
- Liang, J.; Zhang, K. A new hybrid fault diagnosis method for wind energy converters. Electronics 2023, 12, 1263. [Google Scholar] [CrossRef]
- Han, Y.; Qi, W.; Ding, N.; Geng, Z. Short-time wavelet entropy integrating improved LSTM for fault diagnosis of modular multilevel converter. IEEE Trans. Cybern. 2021, 52, 7504–7512. [Google Scholar] [CrossRef] [PubMed]
- Mao, X.; Dong, H. Feature Fusion Based on Locally Linear Embedding in Fault Diagnosis of A Single-Phase PWM Rectifier. In Proceedings of the 2023 7th International Conference on Smart Grid and Smart Cities (ICSGSC), Lanzhou, China, 22–24 September 2023. [Google Scholar]
- Gonzalez-Jimenez, D.; Del-Olmo, J.; Poza, J.; Garramiola, F.; Madina, P. Data-driven fault diagnosis for electric drives: A review. Sensors 2021, 21, 4024. [Google Scholar] [CrossRef]
- Tian, Z.; Ge, X. An online fault diagnostic method based on frequency-domain analysis for IGBTs in traction PWM rectifiers. In Proceedings of the 2016 IEEE 8th International Power Electronics and Motion Control Conference (IPEMC-ECCE Asia), Hefei, China, 22–26 May 2016; pp. 3403–3407. [Google Scholar]
- Shaoyong, Y.; Bryant, A.; Mawby, P.; Xiang, D.; Ran, L.; Tavner, P. An industry-based survey of reliability in power electronic converters. IEEE Trans. Ind. Appl. 2011, 47, 1441–1451. [Google Scholar] [CrossRef]
- Liang, J.; Zhang, K.; Al-Durra, A.; Zhou, D. A novel fault diagnostic method in power converters for wind power generation system. Appl. Energy 2020, 266, 114851. [Google Scholar] [CrossRef]
- Liang, J.; Zhang, K.; Al-Durra, A.; Zhou, D. A multi-information fusion algorithm to fault diagnosis of power converter in wind power generation systems. IEEE Trans. Ind. Inform. 2023, 20, 1167–1179. [Google Scholar] [CrossRef]
- Kuai, Z.; Huang, G. Fault diagnosis of diesel engine valve clearance based on wavelet packet decomposition and neural networks. Electronics 2023, 12, 353. [Google Scholar] [CrossRef]
- He, H.; Tan, Y.; Wang, Y. Optimal base wavelet selection for ECG noise reduction using a comprehensive entropy criterion. Entropy 2015, 17, 6093–6109. [Google Scholar] [CrossRef]
- Liang, J.; Zhang, K. A robust fault diagnosis scheme for converter in wind turbine systems. Electronics 2023, 12, 1597. [Google Scholar] [CrossRef]
- Minhas, A.S.; Singh, S. A new bearing fault diagnosis approach combining sensitive statistical features with improved multiscale permutation entropy method. Knowl.-Based Syst. 2021, 218, 106883. [Google Scholar] [CrossRef]
- Benmahamed, Y.; Kherif, O.; Teguar, M.; Boubakeur, A.; Ghoneim, S.S.M. Accuracy improvement of transformer faults diagnostic based on DGA data using SVM-BA classifier. Energies 2021, 14, 2970. [Google Scholar] [CrossRef]
- Yang, C.; Zhang, F.; Cheng, L.; Zhang, Z. A General Diode Open-Circuit Fault Diagnosis Method for Autotransformer Rectifier Unit Considering Grid Voltage Disturbance. IEEE J. Emerg. Sel. Top. Power Electron. 2022, 11, 2214–2226. [Google Scholar] [CrossRef]
- Li, H.; Huang, J.; Yang, X.; Luo, J.; Zhang, L.; Pang, Y. Fault Diagnosis for Rotating Machinery Using Multiscale Permutation Entropy and Convolutional Neural Networks. Entropy 2020, 22, 851. [Google Scholar] [CrossRef] [PubMed]
- Fan, Q.; Liu, Y.; Yang, J.; Zhang, D. Graph Multi-Scale Permutation Entropy for Bearing Fault Diagnosis. Sensors 2024, 24, 56. [Google Scholar] [CrossRef] [PubMed]
Disclaimer/Publisher’s Note: The statements, opinions and data contained in all publications are solely those of the individual author(s) and contributor(s) and not of MDPI and/or the editor(s). MDPI and/or the editor(s) disclaim responsibility for any injury to people or property resulting from any ideas, methods, instructions or products referred to in the content. |
© 2025 by the authors. Licensee MDPI, Basel, Switzerland. This article is an open access article distributed under the terms and conditions of the Creative Commons Attribution (CC BY) license (https://creativecommons.org/licenses/by/4.0/).








