Abstract
In this paper, a design of a miniaturized branch-line directional coupler is presented. The coupler is designed with balanced coupled-line sections, which are electrically shortened by the application of lumped capacitors. To measure the parameters of the coupler, appropriate baluns have been designed. The coupler has been designed in a GaAs PH25 UMS (united monolithic semiconductor) technology with the center frequency of 24 GHz. The measured power split equals 3 dB with the transmission/coupling imbalance not exceeding 0.6 dB. The measured return losses equal 17 dB at the center frequency, whereas the isolation reaches 17 dB. The fabricated coupler‘s size equals 630 um × 487 um, which is 0.19 of the full size of the directional coupler in the chosen technology (1191 um × 1170 um).
1. Introduction
Directional couplers are well-known components in microwave electronics [1,2,3,4]. A broad range of networks, such as balanced amplifiers, balanced mixers, multichannel amplifiers, antenna feeding networks, Bulter matrices, and six-port correlators, consist of directional couplers as necessary components. Typically, single-ended devices are designed in microstrip, stripline, or monolithic technology [1,3], but, recently, an approach has started to develop in which such couplers are designed as balanced ones, with differentially excited ports [5,6,7,8,9,10]. In [11], one can see an example of balanced mixer design with the use of a differentially fed rat-race coupler. The most common realization of balanced couplers is in microstrip technology using dielectric substrates [5,6,7]. Some examples of balanced directional coupler designs in monolithic technologies can be found in, e.g., [10] and [12], where coupled-line directional couplers are shown. Coupled-line couplers are attractive due to their relatively small size, but they are difficult to design in microwave monolithic integrated circuit (MMIC) technologies, since a proper compensation of coupling coefficients has to be ensured in order to achieve good isolation and return loss properties [4]. Instead, branch-line directional couplers can be utilized as easy-to-design components, with the disadvantages of a limited bandwidth and large size. The relatively large size of branch-line couplers can be reduced by applying a widely known meandering technique [1] or the technique of shortening electrical lengths of transmission-line sections with either transmission-line stubs or lumped capacitors [13].
In this paper, we present a differentially fed branch line directional coupler fabricated using monolithic technology. To reduce the size of the coupler, the transmission-line sections have been shortened with lumped capacitors. Additionally, to measure the response of the coupler, balun networks have been designed and connected to each port of the coupler. A GaAs PH25 fabrication process offered by a united monolithic semiconductor (UMS) has been chosen for the physical realization of the directional coupler. However, the proposed coupler’s realization is not limited to the chosen technology and can easily be translated to other technologies in which similar trace geometries and integrated capacitors can be fabricated.
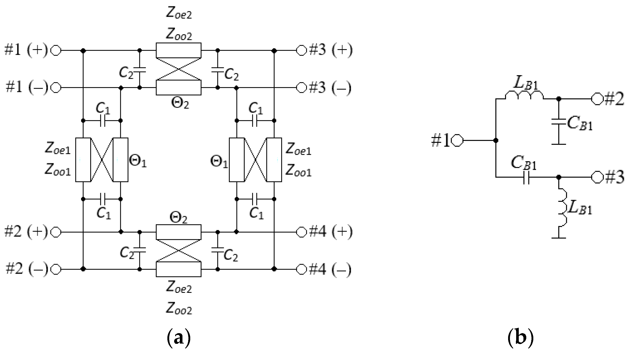
2. Design of a Miniaturized Differentially Fed Branch-Line Directional Coupler
The standard single-ended branch-line directional coupler consists of a connection of four sections of transmission-lines all having electrical lengths of 90° and the characteristic impedances of 35.35 Ω and 50 Ω. The differentially fed directional coupler is analyzed with the use of coupled-line sections instead of single-ended ones, as is shown schematically in Figure 1a. In order to miniaturize the coupler’s size, a technique shown in [14] has been applied. In the technique, each transmission line length Θ can be calculated based on the characteristic impedance Z1 of the original section and the characteristic impedance Z2 of the shorted section, i.e., Θ = arcsin(Z1/Z2). Whereas, the corresponding capacitances connected at both ends of the section are calculated as follows: C = 1/ω√(1/Z12 − 1/Z22). In case of the differentially fed coupler, the capacitors are connected between the coupled conductors and impact only the odd-mode characteristic impedances of the coupled-line sections. Therefore, one has to consider the values of odd-mode characteristic impedances when calculating Θ and C. The even-mode characteristic impedances have no impact on the couplers response and can take any value.
Figure 1.
(a) Schematic of a differentially fed miniaturized branch-line coupler and (b) LC balun.
The coupler has been optimized to operate with the center frequency f0 = 24 GHz, and the following values have been found: Z0o1 = 69 Ω, Z0o2 = 61 Ω, C1 = 0.161 pF, C2 = 0.136 pF, Θ1 = 21.68°, Θ2 = 17.07° (electrical lengths given at 24 GHz). The differential terminating impedances of all ports are equal to ZT diff = 50 Ω. After finding the initial values of the transmission line impedances and lumped capacitors, the layout of the coupler has been optimized using models of UMS capacitors implemented in AWR Microwave Office, while the S-parameters of the two-wire transmission lines have been calculated electromagnetically. The simulated results of the miniaturized differentially fed coupler from Figure 1a, using AWR Microwave Office software, are presented in Figure 2, and show the responses very close to the ideal branch-line directional coupler. In order to allow for measurements of the designed directional coupler, an LC-type balun network, shown schematically in Figure 1b, has also been considered [15]. The balun is not intended for use in future applications of the directional coupler, but it is required to evaluate the coupler with single ended wafer probes. The element values calculated for the balun operating at the center frequency f0 = 24 GHz and assuming terminating impedances of single-ended input and differential output equal ZT1 com = ZT2 diff = 50 Ω, are equal CB1 = 0.133 pF, and LB1 = 0.332 nH. The LC balun features bandwidth exceeding 20% taken for return losses better than 20 dB, which is significantly broader than the bandwidth of the designed directional coupler (corresponding coupler’s bandwidth equals 10%), thus the balun should not noticeably modify the coupler’s frequency response.
Figure 2.
Differential S-parameters of an ideal miniaturized differentially fed branch-line coupler.
3. Design of a Miniaturized Differentially Fed Branch-Line Directional Coupler in UMS PH25 Technology
For the design of the proposed miniaturized differentially fed branch-line coupler, the GaAs PH25 process from the United Monolithic Semiconductor has been chosen. The simplified dielectric stack-up is presented in Figure 3 and consists of 100 um thick GaAs base substrate on top of which two layers of silicon nitride are deposited. The principal metallization M2 is deposited on the top with the thickness of about 3 um. The additional thin metallization layer M1, featuring higher resistivity (0.06 Ohm/sq), is primarily designated for capacitors’ realization and trace crossover realization, and is thus not recommended for regular circuit design.
Figure 3.
Simplified cross-sectional view of the UMS PH25 process stack-up.
The calculated geometries of the symmetrical lines for UMS PH25 technology are as follows: w1 = 10 um and s1 = 35 um for the lines having characteristic impedances Z0o1 = 69 Ω, w2 = 35 um, and s2 = 20 um for the lines having characteristic impedances Z0o2 = 61 Ω. The capacitors, that reduce the electrical lengths of the balanced lines C1 and C2 have the sizes of about 54 × 25 um (size of the electrode on the M1 layer). The LC balun capacitors CB1 have the sizes of about 54 × 28 um, and the inductors LB1 consist of 1.5 and 2 turns of the 15-um track having 5-um spacing. The calculated scattering parameters of the designed directional coupler and LC balun are presented in Figure 4a and Figure 4b, respectively. As is shown, the response of the directional coupler is in agreement with the theoretical expectations, however, the bandwidth of the designed LC balun is narrower than the bandwidth of the ideal one. This is most likely caused by the distributed nature of the inductors featuring stray capacitance to the ground. Despite this fact, they can still be used for the evaluation of the network around the center operating frequency. The schematic connection of the coupler with four LC balun networks is presented in Figure 5a, and the layout of the designed network is shown in Figure 5b. The total size of the designed directional coupler is 630 um × 487 um without the LC baluns.
Figure 4.
(a) Simulations results obtained for the differentially fed branch-line directional coupler, and (b) the LC balun.
Figure 5.
(a) Schematic of the connection of a directional coupler with four LC baluns for measurement purposes, and (b) a layout of the designed monolithic branch-line coupler.
The S-parameters of the directional coupler together with the baluns have been calculated, and the results are presented in Figure 6. The coupler features return losses and isolation better than 20 dB at the center frequency of 24 GHz. The differential phase is equal 90 deg, while the transmission imbalance is very small. The measurement results, also shown in Figure 6, confirm that the isolation reaches about 20 dB at the center frequency, while the transmission imbalance does not exceed 0.6 dB. The resonant frequency of the measured circuit is shifted about 0.6 GHz towards higher frequency. This is most likely caused by the accuracy of baluns’ manufacturing, which, as narrowband circuits, are sensitive to the LC element values. Despite that, the power split has not been shifted, which confirms the proper operation of the directional coupler, which should operate well without baluns. Figure 7 shows the SEM (scanning electron microscope) photograph of the fabricated directional coupler.
Figure 6.
Calculated (dashed lines) and measured (solid lines) S-parameters of the differentially fed directional coupler together with the four LC baluns designed with the UMS PH25 technology. (a) Amplitude characteristics and (b) the differential phases.
Figure 7.
Scanning electron microscope (SEM) photograph of the fabricated directional coupler.
4. Conclusions
This paper presented the investigation on the realization of the differentially fed branch-line directional coupler in monolithic technology. This work is in contrast to previously published works where the differential couplers have been fabricated in dielectric substrate technologies and operate in relatively low frequency ranges up to 5.8 GHz [5,6,7,8]. On the other hand, an example of a coupled-line differential directional coupler has been shown in [10] operating in a 30 GHz frequency range. The drawback of such a design is the necessity for coupling coefficients’ compensation for achieving good return losses and isolation. Our presented design is superior in simplicity to apply, and well suited for integrated circuit design in which between-layer capacitors can be fabricated. Such capacitors are applied to reduce the size of the coupler and allow for an increase in the electrical lengths of the transmission lines and a reduction in their physical length. In order to measure the response of the fabricated coupler, additional LC baluns have been designed and appropriately connected. The final size of the designed directional coupler is about 630 um × 487 um. The obtained measured results are in close agreement with the theoretical ones, with isolation reaching 20 dB. The center frequency of the coupler has been slightly shifted upwards due to the manufacturing tolerance of the lumped elements.
Author Contributions
Conceptualization S.G., C.W. and R.S.; Investigation, R.S.; Methodology, K.W., S.G.; Supervision, S.G.; Writing—original draft, S.G., R.S., C.W. and K.W. All authors have read and agreed to the published version of the manuscript.
Funding
This work was partially supported by the National Research Centre Poland under contract no. UMO-2016/21/B/ST7/02200 and in part by the Polish Ministry of Science and Higher Education under subvention funds for the Department of Electronics of AGH.
Acknowledgments
The authors wish to thank UMS Foundry team for their substantive support during design process, and fabrication.
Conflicts of Interest
The authors declare no conflict of interest.
References
- Lee, J.; Trietiakov, Y.V.; Cressler, J.D.; Joseph, A.J. Design of a monolithic 30 GHz branch line coupler in SiGe HBT technology using 3-D EM simulation. In Proceedings of the Topical Meeting on Silicon Monolithic Integrated Circuits in RF Systems, Atlanta, GA, USA, 8–10 September 2004; pp. 274–277. [Google Scholar]
- Osis, D.; Paramesh, J.; Allstot, D.J. Analysis and design of lumped-element quadrature couplers with lossy passive elements. In Proceedings of the IEEE International Symposium on Circuits and Systems, Island of Kos, Greece, 21–24 May 2006; pp. 2317–2320. [Google Scholar]
- Tabarani, F.; Schumacher, H. Compact monolithic spiral quadrature coupler design. In Proceedings of the 13th Conference on Ph.D. Research in Microelectronics and Electronics (PRIME), Taormina, Italy, 12–15 June 2017; pp. 181–184. [Google Scholar]
- Gruszczynski, S.; Smolarz, R.; Wincza, K. Realization of High-Performance Broadband Quadrature Directional Couplers in UMS PH25 Technology. Electronics 2019, 8, 1520. [Google Scholar] [CrossRef]
- Shi, J.; Qiang, J.; Xu, K.; Qin, W.; Zhou, L.; Cao, Q. A differential branch-line coupler. In Proceedings of the IEEE 4th Asia-Pacific Conference on Antennas and Propagation (APCAP), Bali Island, Indonesia, 30 June 2015; pp. 431–432. [Google Scholar]
- Shi, J.; Qiang, J.; Cao, Q. Single-layer Balanced Branch-line Coupler. In Proceedings of the IEEE 5th Asia-Pacific Conference on Antennas and Propagation (APCAP), Kaohsiung, Taiwan, 26–29 July 2016; pp. 17–18. [Google Scholar]
- Wang, Y.; Ma, K.; Mou, S. A Transformer-Based 3-dB Differential Coupler. IEEE Trans. Circuits Syst. 2018, 65, 2151–2160. [Google Scholar] [CrossRef]
- Chang, C.-C.; Pang, Y.-H. Dual-Band Balanced-to-Balanced Rat-Race Coupler with Bandpass Response. In Proceedings of the IEEE Asia Pacific Microwave Conference (APMC), Kuala Lumpur, Malaysia, 13–16 November 2017; pp. 1207–1210. [Google Scholar]
- Duan, X.; Feng, W.; Zhao, Y.; Che, W.; Garcia, R.G. Single-band Balanced Coupler with Wideband Common-mode Suppression. In Proceedings of the International Conference on Microwave and Millimeter Wave Technology (ICMMT), Chengdu, China, 7–11 May 2018; pp. 1–3. [Google Scholar]
- Hamed, K.W.; Freundorfer, A.P.; Antar, Y.M.M. A New Broadband Monolithic Passive Differential Coupler for K/Ka-Band Applications. IEEE Trans. Microw. Theory Tech. 2006, 54, 2527–2533. [Google Scholar] [CrossRef]
- Ng, H.J.; Jahn, M.; Feger, R.; Wagner, C.; Stelzer, A. An efficient SiGe double-balanced mixer with a differential rat-race coupler. In Proceedings of the European Microwave Conference, Nuremberg, Germany, 6–10 October 2013; pp. 1551–1554. [Google Scholar]
- Voineau, F.; Martineau, B.; Sie, M.; Ghiotto, A.; Kerherve, E. A Differential Vertical Hybrid Coupler and Low Capacitance RF Pads for Millimeter-Wave Applications in 28 nm CMOS FDSOI. In Proceedings of the IEEE 18th Topical Meeting on Silicon Monolithic Integrated Circuits in RF Systems (SiRF), Anaheim, CA, USA, 14–17 January 2018; pp. 57–59. [Google Scholar]
- Piekarz, I.; Sorocki, J.; Wincza, K.; Gruszczynski, S. Rat-race directional couplers operating in differential mode. In Proceedings of the IEEE Radio and Wireless Symposium (RWS), Phoenix, AZ, USA, 15–18 January 2017; pp. 184–186. [Google Scholar]
- Gillick, M.; Robertson, I.D.; Joshi, J.S. CPW two-stage balanced monolithic 15 GHz amplifier using reduced-size branchline couplers. In Proceedings of the 23rd European Microwave Conference, Madrid, Spain, 6–10 September 1993; pp. 764–766. [Google Scholar]
- Song, C.; Lo, I.; Boric-Lubecke, O. 2.4 GHz 0.18\mum CMOS Passive Mixer with Integrated Baluns. In Proceedings of the IEEE MTT-S International Microwave Symposium Digest, Boston, MA, USA, 7–12 June 2009; pp. 409–412. [Google Scholar]
© 2020 by the authors. Licensee MDPI, Basel, Switzerland. This article is an open access article distributed under the terms and conditions of the Creative Commons Attribution (CC BY) license (http://creativecommons.org/licenses/by/4.0/).






