Do Lignin Nanoparticles Pave the Way for a Sustainable Nanocircular Economy? Biostimulant Effect of Nanoscaled Lignin in Tomato Plants
Abstract
1. Introduction
2. Results
2.1. LN Characterization
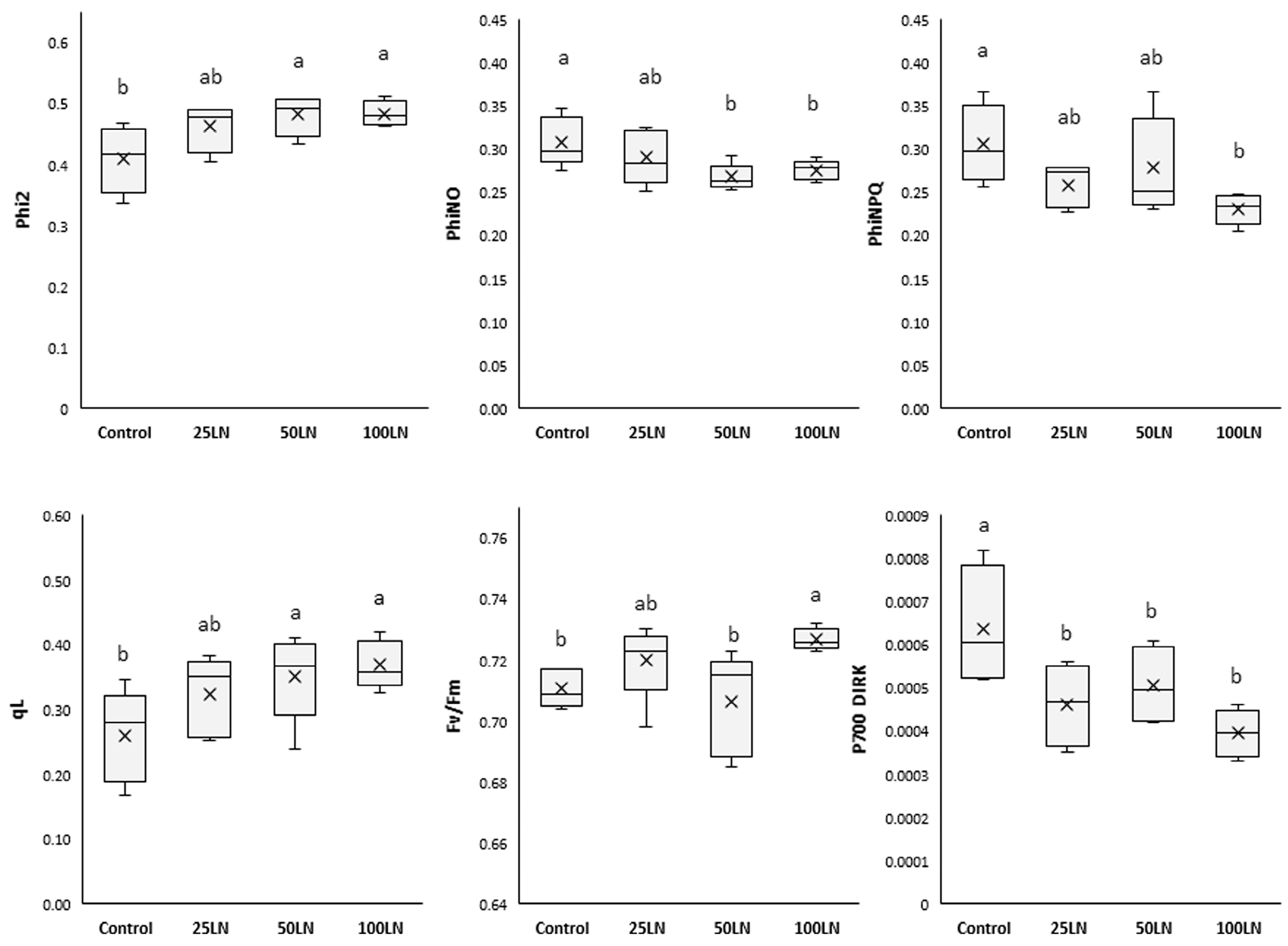
2.2. Effect of LNs on Some Different Aspects of Tomato Photosynthesis
2.3. Effect of LN Treatments on Plant Growth at Shoot and Root Level
2.4. Biochemical Determinations (TPC, TFC, Soluble Carbohydrates, SPAD, NBI)
3. Discussion
4. Materials and Methods
4.1. Pomace Treatment to Obtain LNs
4.2. Tomato Growth Conditions, LN Treatments, Physiological and Morphological Determinations, and Photosynthetic Activity
4.3. Biochemical Determinations
4.4. Statistical Analyses
5. Conclusions
Author Contributions
Funding
Data Availability Statement
Conflicts of Interest
References
- Mony, C.; Kaur, P.; Rookes, J.E.; Callahan, D.L.; Eswaran, S.V.; Yang, W.; Manna, P.K. Nanomaterials for Enhancing Photosynthesis: Interaction with Plant Photosystems and Scope of Nanobionics in Agriculture. Environ. Sci. Nano 2022, 9, 3659–3683. [Google Scholar] [CrossRef]
- Tolisano, C.; Luzi, F.; Regni, L.; Proietti, P.; Puglia, D.; Gigliotti, G.; Di Michele, A.; Priolo, D.; Del Buono, D. A Way to Valorize Pomace from Olive Oil Production: Lignin Nanoparticles to Biostimulate Maize Plants. Environ. Technol. Innov. 2023, 31, 103216. [Google Scholar] [CrossRef]
- Del Buono, D. Can Biostimulants Be Used to Mitigate the Effect of Anthropogenic Climate Change on Agriculture? It Is Time to Respond. Sci. Total Environ. 2021, 751, 141763. [Google Scholar] [CrossRef] [PubMed]
- Barros, M.V.; Salvador, R.; de Francisco, A.C.; Piekarski, C.M. Mapping of Research Lines on Circular Economy Practices in Agriculture: From Waste to Energy. Renew. Sustain. Energy Rev. 2020, 131, 109958. [Google Scholar] [CrossRef]
- Gilbertson, L.M.; Vikesland, P.J. Inspiring a Nanocircular Economy. Environ. Sci. Nano 2022, 9, 839–840. [Google Scholar] [CrossRef]
- Puglia, D.; Pezzolla, D.; Gigliotti, G.; Torre, L.; Bartucca, M.L.; Del Buono, D. The Opportunity of Valorizing Agricultural Waste, Through Its Conversion into Biostimulants, Biofertilizers, and Biopolymers. Sustainability 2021, 13, 2710. [Google Scholar] [CrossRef]
- Rebora, M.; Del Buono, D.; Piersanti, S.; Salerno, G. Reduction in Insect Attachment Ability by Biogenic and Non-Biogenic ZnO Nanoparticles. Environ. Sci. Nano 2023, 10, 3062–3071. [Google Scholar] [CrossRef]
- Abdelfattah, N.A.H.; Yousef, M.A.; Badawy, A.A.; Salem, S.S. Influence of Biosynthesized Magnesium Oxide Nanoparticles on Growth and Physiological Aspects of Cowpea (Vigna Unguiculata L.) Plant, Cowpea Beetle, and Cytotoxicity. Biotechnol. J. 2023, 18, 2300301. [Google Scholar] [CrossRef] [PubMed]
- Tolisano, C.; Del Buono, D. Biobased: Biostimulants and Biogenic Nanoparticles Enter the Scene. Sci. Total Environ. 2023, 885, 163912. [Google Scholar] [CrossRef]
- Rouphael, Y.; Colla, G. Editorial: Biostimulants in Agriculture. Front. Plant Sci. 2020, 11, 40. [Google Scholar] [CrossRef]
- Otero, P.; Garcia-Oliveira, P.; Carpena, M.; Barral-Martinez, M.; Chamorro, F.; Echave, J.; Garcia-Perez, P.; Cao, H.; Xiao, J.; Simal-Gandara, J.; et al. Applications of By-Products from the Olive Oil Processing: Revalorization Strategies Based on Target Molecules and Green Extraction Technologies. Trends Food Sci. Technol. 2021, 116, 1084–1104. [Google Scholar] [CrossRef]
- Contreras, M.d.M.; Romero, I.; Moya, M.; Castro, E. Olive-Derived Biomass as a Renewable Source of Value-Added Products. Process Biochem. 2020, 97, 43–56. [Google Scholar] [CrossRef]
- Duman, A.K.; Özgen, G.Ö.; Üçtuğ, F.G. Environmental Life Cycle Assessment of Olive Pomace Utilization in Turkey. Sustain. Prod. Consum. 2020, 22, 126–137. [Google Scholar] [CrossRef]
- López-Piñeiro, A.; Albarrán, A.; Nunes, J.M.R.; Barreto, C. Short and Medium-Term Effects of Two-Phase Olive Mill Waste Application on Olive Grove Production and Soil Properties under Semiarid Mediterranean Conditions. Bioresour. Technol. 2008, 99, 7982–7987. [Google Scholar] [CrossRef]
- Antónia Nunes, M.; Costa, A.S.G.; Bessada, S.; Santos, J.; Puga, H.; Alves, R.C.; Freitas, V.; Oliveira, M.B.P.P. Olive Pomace as a Valuable Source of Bioactive Compounds: A Study Regarding Its Lipid- and Water-Soluble Components. Sci. Total Environ. 2018, 644, 229–236. [Google Scholar] [CrossRef]
- Beauchet, R.; Monteil-Rivera, F.; Lavoie, J.M. Conversion of Lignin to Aromatic-Based Chemicals (L-Chems) and Biofuels (L-Fuels). Bioresour. Technol. 2012, 121, 328–334. [Google Scholar] [CrossRef]
- Xia, Q.; Chen, C.; Yao, Y.; Li, J.; He, S.; Zhou, Y.; Li, T.; Pan, X.; Yao, Y.; Hu, L. A Strong, Biodegradable and Recyclable Lignocellulosic Bioplastic. Nat. Sustain. 2021, 4, 627–635. [Google Scholar] [CrossRef]
- Lin, H.; Li, S.; Ning, L.; Ma, N.; Xu, P.; Hong, M.; Wang, F.; You, C. Development of Lignin-Coated Natural Polysaccharide-Based Nanopesticides for Both High Foliar Adhesion and Rapid Release of Pesticide Molecules against Bacteriostasis. Environ. Sci. Nano 2023, 10, 3197–3207. [Google Scholar] [CrossRef]
- Savy, D.; Cozzolino, V. Novel Fertilising Products from Lignin and Its Derivatives to Enhance Plant Development and Increase the Sustainability of Crop Production. J. Clean. Prod. 2022, 366, 132832. [Google Scholar] [CrossRef]
- Magnabosco, P.; Masi, A.; Shukla, R.; Bansal, V.; Carletti, P. Advancing the Impact of Plant Biostimulants to Sustainable Agriculture through Nanotechnologies. Chem. Biol. Technol. Agric. 2023, 10, 117. [Google Scholar] [CrossRef]
- Ariyanta, H.A.; Sari, F.P.; Sohail, A.; Restu, W.K.; Septiyanti, M.; Aryana, N.; Fatriasari, W.; Kumar, A. Current Roles of Lignin for the Agroindustry: Applications, Challenges, and Opportunities. Int. J. Biol. Macromol. 2023, 240, 124523. [Google Scholar] [CrossRef] [PubMed]
- Savy, D.; Cozzolino, V.; Nebbioso, A.; Drosos, M.; Nuzzo, A.; Mazzei, P.; Piccolo, A. Humic-like Bioactivity on Emergence and Early Growth of Maize (Zea mays L.) of Water-Soluble Lignins Isolated from Biomass for Energy. Plant Soil 2016, 402, 221–233. [Google Scholar] [CrossRef]
- Del Buono, D.; Luzi, F.; Puglia, D. Lignin Nanoparticles: A Promising Tool to Improve Maize Physiological, Biochemical, and Chemical Traits. Nanomaterials 2021, 11, 846. [Google Scholar] [CrossRef] [PubMed]
- Del Buono, D.; Luzi, F.; Tolisano, C.; Puglia, D.; Di Michele, A. Synthesis of a Lignin/Zinc Oxide Hybrid Nanoparticles System and Its Application by Nano-Priming in Maize. Nanomaterials 2022, 12, 568. [Google Scholar] [CrossRef]
- Falsini, S.; Clemente, I.; Papini, A.; Tani, C.; Schiff, S.; Salvatici, M.C.; Petruccelli, R.; Benelli, C.; Giordano, C.; Gonnelli, C.; et al. When Sustainable Nanochemistry Meets Agriculture: Lignin Nanocapsules for Bioactive Compound Delivery to Plantlets. ACS Sustain. Chem. Eng. 2019, 7, 19935–19942. [Google Scholar] [CrossRef]
- Stanisz, M.; Klapiszewski, Ł.; Dobrowolska, A.; Piasecki, A.; Czaczyk, K.; Jesionowski, T. The Practical Utility of Imidazolium Hydrogen Sulfate Ionic Liquid in Fabrication of Lignin-Based Spheres: Structure Characteristic and Antibacterial Activity. Front. Chem. 2022, 10, 946665. [Google Scholar] [CrossRef] [PubMed]
- Liu, C.; Li, Y.; Hou, Y. A Simple Environment-Friendly Process for Preparing High-Concentration Alkali Lignin Nanospheres. Eur. Polym. J. 2019, 112, 15–23. [Google Scholar] [CrossRef]
- Ashraf, S.A.; Siddiqui, A.J.; Elkhalifa, A.E.O.; Khan, M.I.; Patel, M.; Alreshidi, M.; Moin, A.; Singh, R.; Snoussi, M.; Adnan, M. Innovations in Nanoscience for the Sustainable Development of Food and Agriculture with Implications on Health and Environment. Sci. Total Environ. 2021, 768, 144990. [Google Scholar] [CrossRef]
- Dias, R.M.; da Costa Lopes, A.M.; Silvestre, A.J.D.; Coutinho, J.A.P.; da Costa, M.C. Uncovering the Potentialities of Protic Ionic Liquids Based on Alkanolammonium and Carboxylate Ions and Their Aqueous Solutions as Non-Derivatizing Solvents of Kraft Lignin. Ind. Crops Prod. 2020, 143, 111866. [Google Scholar] [CrossRef]
- Nowicka, B.; Ciura, J.; Szymańska, R.; Kruk, J. Improving Photosynthesis, Plant Productivity and Abiotic Stress Tolerance—Current Trends and Future Perspectives. J. Plant Physiol. 2018, 231, 415–433. [Google Scholar] [CrossRef]
- Sacksteder, C.A.; Kramer, D.M. Dark-Interval Relaxation Kinetics (DIRK) of Absorbance Changes as a Quantitative Probe of Steady-State Electron Transfer. Photosynth. Res. 2000, 66, 145–158. [Google Scholar] [CrossRef] [PubMed]
- Htwe, T.; Chotikarn, P.; Duangpan, S.; Onthong, J.; Buapet, P.; Sinutok, S. Integrated Biomarker Responses of Rice Associated with Grain Yield in Copper-Contaminated Soil. Environ. Sci. Pollut. Res. 2022, 29, 8947–8956. [Google Scholar] [CrossRef] [PubMed]
- Singh, R.; Upadhyay, A.K.; Singh, D.V.; Singh, J.S.; Singh, D.P. Photosynthetic Performance, Nutrient Status and Lipid Yield of Microalgae Chlorella Vulgaris and Chlorococcum Humicola under UV-B Exposure. Curr. Res. Biotechnol. 2019, 1, 65–77. [Google Scholar] [CrossRef]
- Kanazawa, A.; Ostendorf, E.; Kohzuma, K.; Hoh, D.; Strand, D.D.; Sato-Cruz, M.; Savage, L.; Cruz, J.A.; Fisher, N.; Froehlich, J.E.; et al. Chloroplast ATP Synthase Modulation of the Thylakoid Proton Motive Force: Implications for Photosystem I and Photosystem II Photoprotection. Front. Plant Sci. 2017, 8, 719. [Google Scholar] [CrossRef]
- Takagi, D.; Miyake, C. PROTON GRADIENT REGULATION 5 Supports Linear Electron Flow to Oxidize Photosystem I. Physiol. Plant. 2018, 164, 337–348. [Google Scholar] [CrossRef] [PubMed]
- Liu, Y.; Yue, L.; Wang, Z.; Xing, B. Processes and Mechanisms of Photosynthesis Augmented by Engineered Nanomaterials. Environ. Chem. 2019, 16, 430–445. [Google Scholar] [CrossRef]
- Nabiev, I.; Rakovich, A.; Sukhanova, A.; Lukashev, E.; Zagidullin, V.; Pachenko, V.; Rakovich, Y.P.; Donegan, J.F.; Rubin, A.B.; Govorov, A.O. Fluorescent Quantum Dots as Artificial Antennas for Enhanced Light Harvesting and Energy Transfer to Photosynthetic Reaction Centers. Angew. Chem. Int. Ed. 2010, 49, 7217–7221. [Google Scholar] [CrossRef]
- Falco, W.F.; Botero, E.R.; Falcão, E.A.; Santiago, E.F.; Bagnato, V.S.; Caires, A.R.L. In Vivo Observation of Chlorophyll Fluorescence Quenching Induced by Gold Nanoparticles. J. Photochem. Photobiol. Chem. 2011, 225, 65–71. [Google Scholar] [CrossRef]
- Hu, J.; Jia, W.; Wu, X.; Zhang, H.; Wang, Y.; Liu, J.; Yang, Y.; Tao, S.; Wang, X. Carbon Dots Can Strongly Promote Photosynthesis in Lettuce (Lactuca sativa L.). Environ. Sci. Nano 2022, 9, 1530–1540. [Google Scholar] [CrossRef]
- Righetto, M.; Privitera, A.; Fortunati, I.; Mosconi, D.; Zerbetto, M.; Curri, M.L.; Corricelli, M.; Moretto, A.; Agnoli, S.; Franco, L.; et al. Spectroscopic Insights into Carbon Dot Systems. J. Phys. Chem. Lett. 2017, 8, 2236–2242. [Google Scholar] [CrossRef]
- Yadav, V.K.; Gupta, N.; Kumar, P.; Dashti, M.G.; Tirth, V.; Khan, S.H.; Yadav, K.K.; Islam, S.; Choudhary, N.; Algahtani, A.; et al. Recent Advances in Synthesis and Degradation of Lignin and Lignin Nanoparticles and Their Emerging Applications in Nanotechnology. Materials 2022, 15, 953. [Google Scholar] [CrossRef] [PubMed]
- Zhu, J.; Tan, X.; Hafid, H.S.; Wakisaka, M. Enhancement of Biomass Yield and Lipid Accumulation of Freshwater Microalga Euglena Gracilis by Phenolic Compounds from Basic Structures of Lignin. Bioresour. Technol. 2021, 321, 124441. [Google Scholar] [CrossRef] [PubMed]
- Nardi, S.; Pizzeghello, D.; Bragazza, L.; Gerdol, R. Low-Molecular-Weight Organic Acids and Hormone-like Activity of Dissolved Organic Matter in Two Forest Soils in N Italy. J. Chem. Ecol. 2003, 29, 1549–1564. [Google Scholar] [CrossRef] [PubMed]
- Shu, F.; Jiang, B.; Yuan, Y.; Li, M.; Wu, W.; Jin, Y.; Xiao, H. Biological Activities and Emerging Roles of Lignin and Lignin-Based Products─A Review. Biomacromolecules 2021, 22, 4905–4918. [Google Scholar] [CrossRef] [PubMed]
- Savy, D.; Cozzolino, V.; Vinci, G.; Nebbioso, A.; Piccolo, A. Water-Soluble Lignins from Different Bioenergy Crops Stimulate the Early Development of Maize (Zea mays, L.). Molecules 2015, 20, 19958–19970. [Google Scholar] [CrossRef] [PubMed]
- Kok, A.D.-X.; Wan Abdullah, W.M.A.N.; Tang, C.-N.; Low, L.-Y.; Yuswan, M.H.; Ong-Abdullah, J.; Tan, N.-P.; Lai, K.-S. Sodium Lignosulfonate Improves Shoot Growth of Oryza Sativa via Enhancement of Photosynthetic Activity and Reduced Accumulation of Reactive Oxygen Species. Sci. Rep. 2021, 11, 13226. [Google Scholar] [CrossRef] [PubMed]
- Joshi, A.; Kaur, S.; Dharamvir, K.; Nayyar, H.; Verma, G. Multi-Walled Carbon Nanotubes Applied through Seed-Priming Influence Early Germination, Root Hair, Growth and Yield of Bread Wheat (Triticum aestivum L.). J. Sci. Food Agric. 2018, 98, 3148–3160. [Google Scholar] [CrossRef] [PubMed]
- Farooq, M.A.; Hannan, F.; Islam, F.; Ayyaz, A.; Zhang, N.; Chen, W.; Zhang, K.; Huang, Q.; Xu, L.; Zhou, W. The Potential of Nanomaterials for Sustainable Modern Agriculture: Present Findings and Future Perspectives. Environ. Sci. Nano 2022, 9, 1926–1951. [Google Scholar] [CrossRef]
- Tanase, C.; Boz, I.; Stingu, A.; Volf, I.; Popa, V.I. Physiological and Biochemical Responses Induced by Spruce Bark Aqueous Extract and Deuterium Depleted Water with Synergistic Action in Sunflower (Helianthus Annuus L.) Plants. Ind. Crops Prod. 2014, 60, 160–167. [Google Scholar] [CrossRef]
- Bano, A.; Qadri, T.A.; Khan, N. Bioactive Metabolites of Plants and Microbes and Their Role in Agricultural Sustainability and Mitigation of Plant Stress. South Afr. J. Bot. 2023, 159, 98–109. [Google Scholar] [CrossRef]
- Harun-Or-Rashid, M.; Akter, S.; Habiba, U.; Laboni, F.R.; Uddin, J.; Labu, Z.K.; Mim, F.; Reza, M.S. Antioxidant, Antibacterial, Cytotoxic and Thrombolytic Activities of Flowers of Mirabilis jalapa L: Possible Role of Phenolics and Flavonoids. J. Agric. Food Res. 2023, 14, 100893. [Google Scholar] [CrossRef]
- Mazrou, R.; Ali, E.F.; Hassan, S.; Hassan, F.A.S. A Pivotal Role of Chitosan Nanoparticles in Enhancing the Essential Oil Productivity and Antioxidant Capacity in Matricaria chamomilla L. Horticulturae 2021, 7, 574. [Google Scholar] [CrossRef]
- Cequier, E.; Aguilera, J.; Balcells, M.; Canela-Garayoa, R. Extraction and Characterization of Lignin from Olive Pomace: A Comparison Study among Ionic Liquid, Sulfuric Acid, and Alkaline Treatments. Biomass Convers. Biorefin. 2019, 9, 241–252. [Google Scholar] [CrossRef]
- Kuhlgert, S.; Austic, G.; Zegarac, R.; Osei-Bonsu, I.; Hoh, D.; Chilvers, M.I.; Roth, M.G.; Bi, K.; TerAvest, D.; Weebadde, P.; et al. MultispeQ Beta: A Tool for Large-Scale Plant Phenotyping Connected to the Open PhotosynQ Network. R. Soc. Open Sci. 2016, 3, 160592. [Google Scholar] [CrossRef] [PubMed]
- Seethepalli, A.; Dhakal, K.; Griffiths, M.; Guo, H.; Freschet, G.T.; York, L.M. RhizoVision Explorer: Open-Source Software for Root Image Analysis and Measurement Standardization. AoB Plants 2021, 13, plab056. [Google Scholar] [CrossRef] [PubMed]
- Paradiković, N.; Vinković, T.; Vinković Vrček, I.; Žuntar, I.; Bojić, M.; Medić-Šarić, M. Effect of Natural Biostimulants on Yield and Nutritional Quality: An Example of Sweet Yellow Pepper (Capsicum annuum L.) Plants. J. Sci. Food Agric. 2011, 91, 2146–2152. [Google Scholar] [CrossRef] [PubMed]
- Atanassova, M.; Georgieva, S.; Ivancheva, K. Total Phenolic and Total Flavonoid Contents, Antioxidant Capacity and Biological Contaminants in Medicinal Herbs. J. Univ. Chem. Technol. Metall. 2011, 46, 81–88. [Google Scholar]
- Al Murad, M.; Muneer, S. Physiological and Molecular Analysis Revealed the Role of Silicon in Modulating Salinity Stress in Mung Bean. Agriculture 2023, 13, 1493. [Google Scholar] [CrossRef]



| Treatment | Shoot Height (cm) | Number of Leaves (n°) | Leaf Thickness (mm) | Fresh Weight per Plant (g) | Dry Weight per Plant (g) |
|---|---|---|---|---|---|
| Control | 13.8 ± 0.5 a | 34 ± 2 a | 0.40 ± 0.07 b | 6.59 ± 0.74 b | 0.84 ± 0.14 c |
| LN25 | 13.7 ± 0.5 a | 35 ± 3 a | 0.73 ± 0.07 a | 7.68 ± 0.48 a | 1.22 ± 0.04 a |
| LN50 | 14.4 ± 0.4 a | 36 ± 2 a | 0.65 ± 0.13 a | 7.35 ± 0.31 ab | 1.04 ± 0.04 b |
| LN100 | 14.3 ± 0.2 a | 36 ± 1 a | 0.66 ± 0.25 a | 7.54 ± 0.45 a | 1.03 ± 0.05 b |
| Treatment | Total Length (cm) | Root Tips (n°) | Diameter (mm) | Root Area (cm2) | Volume (cm3) | Root Fresh Weight (g) | Root Dry Weight (g) |
|---|---|---|---|---|---|---|---|
| Control | 5094.3 ± 792.1 c | 810 ± 113 b | 0.76 ± 0.05 a | 121.7 ± 26.6 b | 3.59 ± 1.30 a | 1.33 ± 0.10 b | 0.25 ± 0.03 b |
| LN25 | 5567.7 ± 205.1 bc | 1091 ± 19 a | 0.76 ± 0.07 a | 133.5 ± 10.2 ab | 3.91 ± 7.16 a | 2.53 ± 0.72 a | 0.30 ± 0.05 ab |
| LN50 | 6485.1 ± 649.5 ab | 1207 ± 233 a | 0.73 ± 0.06 a | 148.5 ± 4.2 ab | 4.19 ± 3.71 a | 2.77 ± 0.01 a | 0.28 ± 0.02 ab |
| LN100 | 6654.9 ± 346.2 a | 1113 ± 53 a | 0.77 ± 0.04 a | 157.7 ± 16.7 a | 4.65 ± 8.36 a | 2.74 ± 0.17 a | 0.32 ± 0.01 a |
| Treatment | SPAD | NBI | TPC (mg g−1 FW GAE) | TFC (mg g−1 FW) | Soluble Carbohydrates (mg g−1 FW) |
|---|---|---|---|---|---|
| Control | 32.7 ± 3.8 b | 68.04 ± 6.66 b | 1.95 ± 0.47 b | 1.42 ± 0.14 b | 1.22 ± 0.29 a |
| LN25 | 36.8 ± 0.8 a | 72.46 ± 10.38 ab | 2.48 ± 0.34 a | 1.78 ± 0.06 a | 1.36 ± 0.34 a |
| LN50 | 36.4 ± 3.0 a | 75.06 ± 4.29 ab | 2.27 ± 0.27 ab | 1.73 ± 0.06 a | 1.16 ± 0.24 a |
| LN100 | 37.4 ± 1.6 a | 82.26 ± 6.62 a | 1.86 ± 0.19 b | 1.79 ± 0.06 a | 1.30 ± 0.30 a |
Disclaimer/Publisher’s Note: The statements, opinions and data contained in all publications are solely those of the individual author(s) and contributor(s) and not of MDPI and/or the editor(s). MDPI and/or the editor(s) disclaim responsibility for any injury to people or property resulting from any ideas, methods, instructions or products referred to in the content. |
© 2024 by the authors. Licensee MDPI, Basel, Switzerland. This article is an open access article distributed under the terms and conditions of the Creative Commons Attribution (CC BY) license (https://creativecommons.org/licenses/by/4.0/).
Share and Cite
Tolisano, C.; Priolo, D.; Brienza, M.; Puglia, D.; Del Buono, D. Do Lignin Nanoparticles Pave the Way for a Sustainable Nanocircular Economy? Biostimulant Effect of Nanoscaled Lignin in Tomato Plants. Plants 2024, 13, 1839. https://doi.org/10.3390/plants13131839
Tolisano C, Priolo D, Brienza M, Puglia D, Del Buono D. Do Lignin Nanoparticles Pave the Way for a Sustainable Nanocircular Economy? Biostimulant Effect of Nanoscaled Lignin in Tomato Plants. Plants. 2024; 13(13):1839. https://doi.org/10.3390/plants13131839
Chicago/Turabian StyleTolisano, Ciro, Dario Priolo, Monica Brienza, Debora Puglia, and Daniele Del Buono. 2024. "Do Lignin Nanoparticles Pave the Way for a Sustainable Nanocircular Economy? Biostimulant Effect of Nanoscaled Lignin in Tomato Plants" Plants 13, no. 13: 1839. https://doi.org/10.3390/plants13131839
APA StyleTolisano, C., Priolo, D., Brienza, M., Puglia, D., & Del Buono, D. (2024). Do Lignin Nanoparticles Pave the Way for a Sustainable Nanocircular Economy? Biostimulant Effect of Nanoscaled Lignin in Tomato Plants. Plants, 13(13), 1839. https://doi.org/10.3390/plants13131839

