Abstract
The author reviewed and classified maintenance reports that cited smoke, odor, or fumes (SOFs) that US airlines sent to the FAA over four years between 2018 and 2023. The US fleet composition was also calculated to put the number of SOF reports on each aircraft type in perspective. “Fume events” (engine oil or hydraulic fluid) were the most common type of onboard SOFs reported by US airlines (43%), followed by electrical (20%), and fans (6.1%). During these years, A320fam aircraft made up 20% of the US fleet but 80% of the reported fume events. Conversely, B737fam aircraft made up 27% of the US fleet but only 3.0% of the reported fume events. Aircraft design features, airline reporting practices, and maintenance procedures that may contribute to these differences were reviewed. Pilots were most likely to document a fume event during descent (47%) and takeoff/climb (19%). The A320fam, MD80fam, A330, and ERJ140-145 aircraft were over-represented in other types of SOFs reports. Airline narratives show that the APU can be the primary source of oil/hydraulic fumes, even when it is not operating. Additionally, failure to find the source of fumes, rectify it, and clean any secondary sources of fumes can cause repeat events.
1. Introduction
For decades, different types of airborne contaminants have been detected in the cabin and flight deck air on commercial and military aircraft [1,2,3,4]. Sources include failed electronics, faulty fans, and engine exhaust [1]. The airborne contaminants that have generated the most concern and attention about flight safety [5] and crew health [6] consequences are attributed to engine oil and hydraulic fluid, both of which can contaminate the air supply system [7,8,9,10].
Except for the Boeing 787, all modern commercial airliners extract hot, compressed air off one or more engine compressors (“bleed air”) before it is cooled, perhaps dehumidified, mixed with recirculated air, and delivered through a network of ducts to the cabin and flight deck. Inflight, the bleed air supply comes from the main aircraft engines; on the ground, it comes from a small auxiliary engine in the tail of the aircraft (auxiliary power unit; APU). Oil seals and other components in the main and auxiliary engine compressors can allow small to medium volumes of oil into the bleed air stream [11,12].
Hydraulic fluid contaminates bleed air, too, but less frequently than oil [1]. Hydraulic fluid is unlikely to contaminate the bleed air supplied by the propulsion engines; there is no obvious path for hydraulic fluid to be ingested because the engine intakes are located away from potential sources. Still, hydraulic fluid lines can leak or burst, and fluids that drip down the fuselage can travel to the APU inlet. Additionally, without strict instructions and placards for how to check and service hydraulic fluid levels, the reservoirs can be overserviced, and the spillage can contaminate the bleed air.
Other design features can facilitate bleed air contamination with oil and hydraulic fluid, too [10]. The bleed air is typically not filtered, so if either engine oil or hydraulic fluid contaminates the supply air upstream, the resulting fumes will be delivered to the cabin, flight deck, or both.
Although the APU and main engines are the primary sources of oil and hydraulic fumes, some constituents of the fumes will settle and accumulate on the duct and equipment surfaces upstream and downstream of the compressors. These residues subsequently become secondary sources of fumes when they are re-entrained into the bleed air stream when the bleed air temperature rises [13]. Engine oil degradation is also accelerated by water [12]. The presence of increased moisture in the bleed air may be a factor in the reports of oil fumes being more noticeable (i.e., odorous degradation products) coincident with what is likely to be an increase in the relative humidity of the intake air, such as passing through clouds or heavy rain.
Engine oils contain hazardous anti-wear and anti-oxidant compounds, added to either a pentaerythritol or trimethylolpropane base stock [12]. Hydraulic fluids are comprised almost wholly of aryl and alkylated phosphates, typically including tributyl phosphate (TBP). Thermal decomposition products of engine oils include ultrafine particles, aldehydes, and a wide variety of aromatic and aliphatic compounds [12,14,15]. Some hazardous components of engine oils and hydraulic fluids are reported, by regulation, on the product safety data sheet [1].
Exposure to oil and hydraulic fluid fumes onboard has repeatedly been associated with negative crew health and flight safety consequences [4,6,16,17]. Still, without either national or international crew reporting systems for fume events, it is difficult to estimate the frequency and patterns of these exposures. In the US, the only data that provide insight into reports of fumes and smoke fleet-wide are from airlines that comply with the Service Difficulty Reporting (SDR) regulation of the FAA. That rule, in part, requires airlines to “report the occurrence or detection of each failure, malfunction, or defect concerning an aircraft component that causes accumulation or circulation of smoke, vapor, or toxic or noxious fumes in the crew compartment or passenger cabin during flight” [18].
To better define the range of “smoke, vapor, or toxic or noxious fumes” reported on aircraft, as well as the design features, phases of flight, and maintenance practices that contribute to oil and hydraulic fluid fumes in the flight deck and cabin, the author reviewed and classified relevant SDR reports that US airlines sent to the FAA during the two years prior and two years after the WHO declared COVID-19 to be a pandemic. The author also characterized the US fleet composition during these four years, both to understand the relative proportions of reported fumes on each type of aircraft and to look for fume event trends as a function of aircraft type (defined here as the combination of make and model) as a surrogate measure of design.
2. Materials and Methods
2.1. Identified the Subset of Relevant SDRs
For each of the four years (2018, 2019, 2022, and 2023), the author downloaded a 12-month SDR dataset zip file from the SDR webpage of the FAA (i.e., 2018a.zip, 2019a.zip, 2020a.zip, and 2021a.zip) [19]. The SDRs that US operators filed with the FAA from 2020–2021 were excluded because of the significant reduction in air traffic during that time due to the COVID-19 pandemic [20,21]. The “a” in each file name represents “air carrier operations” under 14 CFR Part 121 (scheduled airline operations) and 14 CFR Part 135 (commuter and on-demand operations). The corresponding SDR datasets marked “g” (general aviation; 14 CFR Part 91 and some 14 CFR Part 135 operations) were not included.
Each year of downloaded reports was extracted, opened as a fixed-width delimited text file in Microsoft (MS) Excel for MS 365, and then merged into one MS Excel dataset. In a similar review of SDRs that US airlines submitted to the FAA for 2002-11, US airlines had classified 90% of all smoke/odor/fume (SOF) SDRs and 92% of fume event SDRs as either “smoke/fume/odor/sparks” or “fluid loss” (hereafter, combined and referred to as “smoke/fumes/fluid loss”) [1]. Thus, the author extracted the “smoke/fumes/fluid loss” SDRs from the complete set of SDRs for the four years of interest.
2.2. Reviewed and Classified the Type and Source of Fumes/Smoke
For each of the reports in the “smoke/fume/fluid loss” subset of SDRs, the author reviewed the narrative field (“Problem description”), sometimes supplemented by other relevant details (e.g., the failed/malfunctioning/defective part and its condition). Each type of fume was classified according to consistent application of specific criteria (Table A1) and professional judgment.
Reports that were classified as oil, hydraulic fluid, or “bleed” (defined as either oil or hydraulic fluid; see Table A1) were considered “fume events”. Reports with details that implied a fume event, but for which there was uncertainty, were categorized as “consistent with fume event” (CWFE) and reported separately. To interpret narratives about an unfamiliar condition or fault, the author relied on the professional judgment of one senior airline mechanic and two commercial airline pilots. Reports with insufficient details were categorized as “don’t know”. Reports that did not involve actual fumes or smoke in the cabin or flight deck (e.g., “replaced smoke detector”), those with an unrelated fluid loss, and apparent duplicates were excluded.
For the fume event reports, the author attempted to determine if the main source of the oil or hydraulic fumes had been the APU (primary), one or both engines (primary), or the downstream ducts and/or air conditioning packs (secondary). Table A2 explains these distinctions. Technically, the APU is not a primary source of hydraulic fluid, but the APU inlet is the main entry point for hydraulic fluid into bleed air.
2.3. Calculated Proportions of Fume Events/Other SOFs Reports by Aircraft Type (2018–2023)
US fleet composition data for 2018, 2019, 2022, and 2023 were identified in the Bureau of Transportation Statistics (BTS) Schedule B-43 datasets, which list the number of aircraft, by type, in the US fleet per year [22]. The four annual datasets were combined, and the average number of a given aircraft type was divided by the average number of operational aircraft in the fleet during the four years.
The aircraft types that US operators reported to the BTS and that were subject to the FAA SDR regulation, respectively, were sorted into groups that reflected similar designs. The scopes of the BTS and FAA reporting rules are similar but not identical. If an aircraft type was not reported to the BTS, then it was removed from the SDR list as well.
The US fleet data served as a denominator to put the annual average number of documented fume event SDRs and other SOF (o-SOF; other than fume events) SDRs, respectively, for each aircraft type in perspective.
The percentage of total fume event SDRs and total o-SOF SDRs for each aircraft type was, respectively, divided by the average percentage of that aircraft type in the US fleet during the same period. If this ratio was more than one, then the aircraft type was over-represented; if this ratio was less than one, then the aircraft type was under-represented.
The utilization of each aircraft of a given type (i.e., flight hours and number of flights) would have had an impact on the number of events, too, but those data were not reviewed. To gain some insight into variations in the total number of flights on the US fleet during these four years, the numbers of departures on US-registered aircraft from the BTS databases of airline traffic reports (“T-100 data”) were downloaded [23].
To characterize changes in the US fleet composition over time, the BTS Schedule B-43 data for 2002 were downloaded, sorted into aircraft type groupings, and compared to the 2023 data.
2.4. Summarized Phases of Flight for Fume Events (2018–2023)
The phases of flight during which fume events occurred were summarized, as reported by US airlines in the majority of the SDR reports.
2.5. Identified Repeat Fume Events on A320fam and B737fam Aircraft (2018–2023)
The numbers of repeat events by aircraft tail number for fume events on the A320 fam and B737fam fleets were identified. A “repeat event” was one that occurred within the four-year period, which could have been days, months, years, or a combination thereof for a given tail number.
3. Results
For reference, the SDR data are provided in Table S1 and the US fleet composition data are provided in Table S2. During these four years, US airlines reported almost a quarter of a million (243,676) SDRs to the FAA. Of the 9158 events which airlines had classified as “smoke/fumes/fluid loss”, 6679 (2.7% of the total SDRs) cited the actual presence of smoke or fumes in the cabin, flight deck, or both. The numbers of the fume event SDRs and o-SOF SDRs, respectively, that were submitted to the FAA by year, as well as the numbers of operational aircraft in the US fleet and flights (departures), are summarized in Table 1.
Table 1.
Number and type of relevant SDR reports, aircraft, and departures for the US fleet (2018–2023).
3.1. Reviewed and Classified Type and Source of Fumes/Smoke (2018–2023)
The different types of fumes and smoke that US airlines reported to the FAA, according to its SDR regulation, are listed in Table 2. The most prevalent type of fumes in this dataset was the combination of engine oil, hydraulic fluid, and bleed. (43%; 2845) Oil fumes were reported at least 20 times more frequently than hydraulic fluid fumes (1970 versus 97). The second most prevalent type of fumes was electrical (20%; 1359), followed by mechanical faults and failures of a variety of fans (6.1%; 408).
Table 2.
Types of onboard smoke/fume airline reports sent to the FAA (2018–2023).
The sources (primary or secondary) of the reported oil and hydraulic fluid fumes, based on the narrative description in each SDR, are summarized in Table 3. The APU was the most identified source of fumes (33% of fume events), as compared to engines and packs/ducts, not including events for which the source (i.e., either primary or secondary) was unclear from the information provided (52%).
Table 3.
Physical sources of oil/hydraulic fumes based on SDR narratives.
3.2. Calculated Proportions of SOFs Events and Fume Events by Aircraft Type (2018–2023)
Table A3 lists each aircraft type, the proportion of those aircraft in the US fleet (on average) during the four years, the percentage of fume event SDRs, and the percentage of o-SOF SDRs. It also includes a ratio for each aircraft type to indicate whether it was over- or under-represented in fume events and o-SOF SDRs, as a function of its proportion of the US fleet.
Most aircraft types were under-represented in fume event SDRs and o-SOF SDRs. Aircraft types that had at least 10 reports in each category per year and were over-represented in fume event SDRs were the A320fam (4×, n = 2272), MD80fam (1.1×, n = 77), and A330 (1.3×, n = 41). Aircraft types that had at least 10 reports in each category and were over-represented in o-SOF SDRs are listed in Table 4.
Table 4.
Aircraft types over-represented in o-SOF SDRs, with at least 10 reports per year.
The two most prevalent aircraft types in the US fleet were the Boeing 737 family (B737fam) (27%) and the Airbus 320 family (A320fam) (20%), including all variants. Figure 1 illustrates three data points for each of these aircraft types: the percentages of the US fleet in operation, fume event SDRs, and o-SOF SDRs, respectively, all averaged over the four years of interest. A320fam aircraft were over-represented in fume event SDRs that US airlines sent to the FAA (Figure 1) and in the category of reports classified as CWFE (n = 297 of 492; 60%).
Figure 1.
Percentages of US fleet, fume event SDRs, and other SOFs SDRs for A320fam and B737fam aircraft (2018–2023).
3.3. Summarized Phases of Flight for Fume Events (2018–2023)
The numbers and percentages of fume events reported during different phases of flight are summarized in Table 5. Crews reported most fume events during descent (47%) and takeoff/climb (19%).
Table 5.
Reported phases of flight for fume event SDRs (oil, bleed, and hydraulic fluid).
3.4. Identified Repeat Fume Events on A320fam and B737fam Aircraft (2018–2023)
The number of unique aircraft (identified by N-number) for fume events reported on the A320fam and B737fam fleets, respectively, is listed in Table 6. US operators reported an average of 3.4 fume events (up to a maximum of 48) on A320fam aircraft compared to an average of 1.1 fume events (up to a maximum of three) on B737fam aircraft.
Table 6.
Comparison of repeat fume events on A320fam and B737fam during a four-year period.
4. Discussion
4.1. Overview
The purpose of categorizing the type and source of fumes in each SDR was to gain insight into aircraft system design and maintenance procedures that contribute to the range of airborne contaminants reported on aircraft, particularly oil and hydraulic fluid fumes, which have been referred to as “fume events” [5].
The level of detail in each of the SDR narrative summaries varied. In many cases, determining which type and source of fumes/smoke to assign to a given SDR was self-evident. In other cases, interpreting the narrative report involved a combination of professional judgment and the consistent application of specific criteria (Table A1). When there was a choice, the most basic and useful category was applied; for example, fumes from a failed or defective fan or oven were generally classified as “fan” or “oven”, respectively, even though some of those failures were electrical (a category in its own right) rather than mechanical. Reports that implied a fume event, but for which there was some uncertainty, were categorized as “consistent with fume event” (CWFE) and were reported separately.
In 2021, the author published a similar review of SDR data, including reports that contained one or more of the following search terms: fume, odor, smell, smoke, and bleed air [1]. Within that subset, US operators had classified 90% and 92% of all-SOF and fume event reports, respectively, as “smoke/fume/fluid loss” within the SDR reporting system, so this four-year dataset during 2018–2023 was created solely by selecting all SDRs in those categories. This approach was more efficient and should be more inclusive, especially considering the multitude of spelling errors and slang in the SDR narrative fields. The proportion of “smoke/fume/fluid” reports that were not included in the 2002–2011 dataset, whether due to word choice or spelling, is unknown.
The nature of the 2002–2011 and the 2018–2023 fume event datasets appears to be comparable; airlines filed 94% of the 2002–2011 SDRs and 93% of the 2018–2023 SDRS under the same five ATA maintenance manual chapters (Figure 2).
Figure 2.
ATA maintenance manual chapters for fume event SDRs, 2002–2011 and 2018–2023.
The differences in the distribution of the ATA chapters may be a function of the different selection criteria for the two datasets [1]. Moreover, the composition of the US fleet changed between 2002 and 2023 (Table A4). Differences in the relative proportions of aircraft types that comprised at least 5% of the fleet in either 2002 or 2023 are shown in Figure 3. The proportions of B737fam, A320fam, and ERJ170-175s increased, whereas the proportions of B757s, MD80fam, and B727s decreased.
Figure 3.
Changes in the US fleet composition from 2002 to 2023.
Some of the fumes and smoke that US airlines reported to the FAA during these four years are from in-cabin sources, such as overheated or failed electronics (20%), ovens (2.9%), and leaky lavatories (0.58%). Cigarettes have been banned on domestic flights since 1990 [24] and on international flights since 2000 [25], but a new source of onboard smoke and fumes reported by airlines is lithium-ion batteries (0.39%).
Other contaminants that airlines reported would have entered the cabin via the ventilation system, but originated from outside the aircraft, such as engine exhaust and fuel fumes (2.9%) and birds (0.16%). Still other reported sources of airborne contaminants are internal to the air supply systems, such as faulty fans (6.1%), malfunctioning air cycle machine (ACM) components (4.2%), and duct insulation or grease (0.39%).
Some aircraft types were over-represented in types of smoke/fumes other than oil and hydraulic fluid (o-SOF), expressed as the ratio of proportion of o-SOF events and proportion of the US fleet. The four aircraft types with at least 10 such reports per year are listed in Table 4. Electrical fumes and CWFE were both in the top three categories for all four aircraft types. The ERJ-140/145 aircraft had an excess of ACM smoke SDRs (21% compared to the fleet-wide average for o-SOF SDRs of 7.3%). The A320fam fleet had an excess of CWFE SDRs (28% compared to the fleet-wide average of 13%). The A330s had an excess of oven-related smoke/fumes (9.8% compared to the fleet-wide average of 5.1%). MD80fam aircraft had an excess of fuel/exhaust SDRs (15% compared to the fleet-wide average of 5.1%). Some of the aircraft types listed in Table A4 are marked with a double asterisk to caution that, although they appear to be grossly over-represented in either fume event or o-SOF SDRs, the data are based on small fleets (<40 aircraft) with fewer than 10 reports per year. For that reason, the ratios are not reliable, so they are not included in Table 4.
Of note, the FAA received 39 reports for the 97 non-bleed B787 aircraft in the US fleet during this four-year period, equating to 0.1 smoke/fume event per aircraft per year. One-third of the B787 reports involved electrical faults, almost one-third were sourced to galley ovens, and the remainder were attributed to an assortment of other faults, none of which were consistent with either oil or hydraulic fluid.
4.2. Design Features of All Bleed Air Ventilation Systems, Including A320fam and B737fam
Oil and hydraulic fluid can enter the ventilation supply air system as a result of the aircraft design (Table A1). This has generated more concern and attention than other types of fumes and smoke (onboard fires, notwithstanding) because of their chemical constituents and decomposition products [14].
All current modern airliners except for the B787 are designed to extract a fraction of hot, pressurized air from an engine compressor (“bleed air”) to be used to ventilate and pressurize the cabin and flight deck. The bleed air is routed from either the APU or the engines to air conditioning packs (“packs”) through metal ducts designed to withstand high pressures and temperatures (Figure 4). The air is cooled in the packs and is also dehumidified as needed, primarily during ground operations and at lower altitudes.
Figure 4.
Components and layout of a typical aircraft supply system [26].
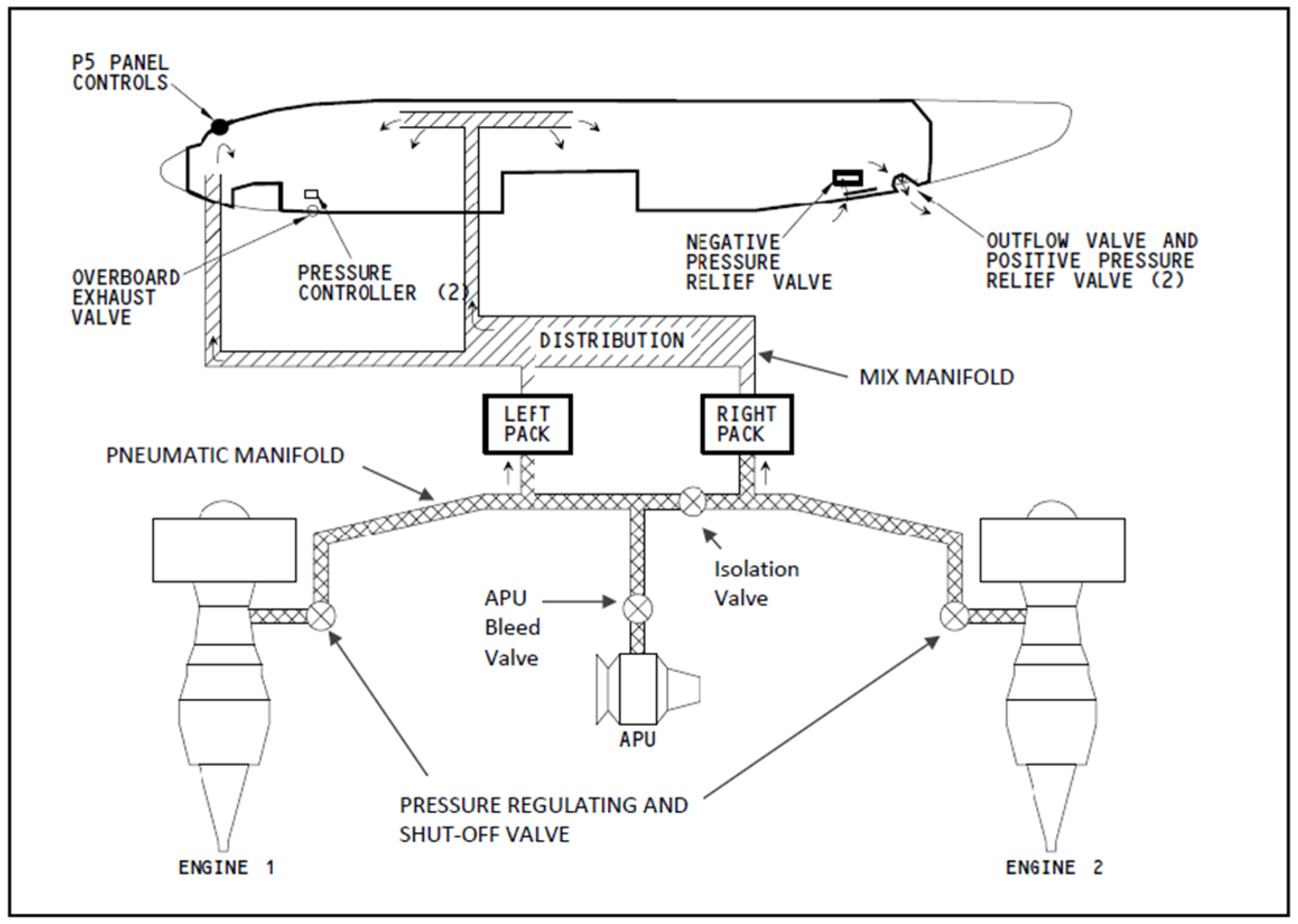
The cooled bleed air is sent to a chamber (often called the mix manifold or mixing chamber) where it is typically combined (in roughly equal parts) with air that has circulated through the cabin already (Figure 5). Finally, the mixed blend of bleed and recirculated air is distributed to the cabin and flight deck through low-pressure noise-insulated ducting for ventilation and pressurization. The temperatures in the flight deck and one or more zones of the aircraft cabin are fine-tuned by adding “trim air”—a stream of hot bleed air that is not cooled in the packs and adds heat to each zone, as needed. Figure 5 is a generic illustration of how ventilation air is supplied to the cabin and flight deck. Most aircraft will have more than one thermal/ventilation supply zone in the cabin, which is not captured in this graphic.
Figure 5.
Example of an aircraft environmental control system schematic (Reproduced from Figure 1 in [27]).
Typically, away from the gate and in-flight, the main aircraft engines are the source of bleed air supplied to the cabin and flight deck. At the gate, an auxiliary engine in the tail of the aircraft (the APU) serves a similar purpose. When the main engines are running at either normal or high power, air will generally be extracted (bled) off the compressor at a “low pressure” (LP) stage, which can also be referred to as “intermediate pressure”. When engine power is reduced, though, at top-of-descent, the system may transition to bleed “high pressure” (HP) compressor stage air (which is hotter) to maintain bleed air pressure. Given this design, bleed air is likely hottest during takeoff/climb (LP stage compressed air and engines operated at maximum power) and during descent (HP stage compressed air and engines operated at idle). The APU has its own dedicated compressor with just one extraction port, not two, so the temperature of the APU bleed air will generally be more consistent. Still, APU bleed air temperatures can vary with differences in ambient temperature and from one APU model to another.
4.2.1. Compressor Seals and Other APU/Engine Components Can Leak (Function of Design)
Each compressor—whether in the APU or the main engines—contains bearings, which are mechanical components designed to reduce friction between moving parts. The bearings are actively lubricated with oil from the engine’s lubrication system. Seals are situated near the bearings, intended to prevent oil from escaping into other areas of the engine, such as the bleed air stream. Seals are also intended to prevent contaminants (e.g., air, particles) from entering the bearing area, which could compromise lubrication or cause wear. Seals are not lubricated with oil but operate in environments where oil is present.
Within a compressor, oil can migrate across a worn or failed seal [28]. For example, the transient pressure differential across a seal during engine power and pressure setting changes (“transients”), such as main engine or APU start and top of descent, can facilitate this. These scenarios will vary according to the design and condition of the seals and bearings [29]. Another source of oil contamination in the compressor can occur at top-of-descent when the engine power is reduced to idle, the LP valve is closed, and the HP valve is opened. If oil leaks have accumulated behind the HP valve during the flight, then that oil can be released into the bleed air.
Oil fumes can also be reported during the takeoff/climb phase of the first flight after an engine wash procedure, which typically involves streaming water, often mixed with detergent, into the compressor while either “dry motoring” (rotating the engine using its starter motor, without fuel or ignition) or manually cranking the engine at low speed, all so that the blades can be washed. The problem is that the engine continues to generate oil pressure, but, unlike when compressed air is used to start the engine—rotating the compressor and turbines fast enough to initiate air compression, fuel injection, and ignition—oil is not prevented from passing through to the bleed air system.
4.2.2. Fluid Residues Become Secondary Sources of Fumes (Function of Design)
The presence of oil and hydraulic fumes that can be attributed to a specific maintenance fault or failure that occurs during a specific flight may be more the exception than the norm. On-aircraft tests show that engine oil in the compressor contaminates the air supply system as fumes in the form of a mixture of volatile components and suspended aerosols. As the oil fumes travel farther downstream of the compressor, the air gets cooler (whether upstream or downstream of the packs or in the heat exchangers) such that some of the volatile components condense as ultrafine particles [13]. Some of the oil fumes remain suspended aerosols that can also deposit on duct and pack surfaces, but they are produced by impaction rather than condensation [13]. Hydraulic fluid fumes contain a mixture of suspended fine particles and some volatiles. The fine particles can deposit on the ducts by impaction [13]. The SDR narratives suggest that hydraulic fluid residues also get released from the ducts and packs when the surface temperatures rise, and maybe more so when the humidity rises. This would be consistent with the chemistry of the breakdown of hydraulic fluid by thermal decomposition and hydrolysis; namely, that the production of breakdown products (many of them odorous) is accelerated by heat and water.
So, what starts as a primary source of oil (a compressor seal leak or an overserviced oil reservoir, for example) can become multiple secondary sources—residues that coat and collect on a maze of complex and difficult-to-access duct and air conditioning equipment surfaces. For example, when either engine oil or hydraulic fluid is ingested into the APU inlet, the fluids can soil the APU inlet and the ducting. From there, the fluids travel to the APU compressor, where they are subjected to high temperature and pressure, and continue to travel downstream as a mixture of aerosols and volatile compounds (fumes) through the pressurized ventilation ducting, an ozone or combined VOC-ozone converter (if installed), air conditioning packs, and acoustic lining in the low-pressure ventilation ducts, eventually being expelled through the air vents into the cabin and flight deck (Figure 5). Some of the particles may be delivered to the cabin and flight deck in the air stream, whereas some may temporarily settle on the duct and equipment surfaces along the way.
Oil and hydraulic residues on duct and pack surfaces can be released into the air stream later when “proper conditions cause their release” [13]. The primary condition is increased temperature of the ducts and packs, which is governed by engine power and bleed air settings. System temperatures will typically be highest during high-power takeoff and climb (when engine power is maximized) and descent (when the engines run at idle, but bleed air is extracted from the high-pressure bleed port). System temperatures can also rise when the temperature of the air conditioning packs is increased (perhaps on a cold day when additional cabin heating is necessary). A secondary condition appears to be the humidity of the ambient air drawn into the system, which can increase when flying through clouds or a rainstorm, and when either ice or water accumulates in and around the APU inlet. The pattern of fumes reported during climb, dissipating during cruise, and returning on descent is often reported in the SDR dataset, suggesting that secondary sources of fumes play a significant role.
The release of residues from secondary sources makes maintenance troubleshooting especially difficult. It is counterintuitive to have oil and hydraulic fumes sourced to the APU, for example, when the APU is not operating. In one SDR, the captain reported that on two legs during descent, “the air conditioned air smelled very bad, like dirty socks” [30]. Maintenance staff first checked the lights, monitors, ovens, and coffee makers, but found nothing. Then, they checked the air conditioning packs, engines, and APU inlet and, again, found nothing. They even did a high-power engine run but found nothing. These findings are consistent with an internal APU oil leak or spill, which would contaminate the ducting downstream of the APU and be released from the ducts and/or packs when the surfaces were heated by HP bleed air during descent.
In addition to understanding the patterns of primary and secondary sources of fumes, knowing the layout of the aircraft air supply system also helps pilots and mechanics to identify the source of fumes; specifically, which bleed source feeds which pack, and the subsequent distribution of ventilation supply air to the cabin and flight deck. For example, during normal operation on B737NG aircraft, “the left pack supplies 20% of its air to the cockpit and the remaining 80% to the mix manifold. The right pack supplies 100% of its air to the mix manifold” [27]. Moreover, on B737NG aircraft, bleed air from the APU “is supplied to the system on the left side of the isolation valve”, which means that 80% of the APU bleed air will be supplied to the cabin, but it will not be processed in the right pack [27]. A320fam aircraft will have their own environmental control system (ECS) design, which, too, will influence which primary and secondary source(s) of fumes are detectable in which areas of the aircraft, and during which phases of flight.
For any aircraft type, it is also important to know if any section of the APU duct is exposed to bleed air from either or both engines. If that section of duct is soiled by APU bleed air contaminants, it can act as a secondary source when hot engine bleed air passes through; again, the APU would be the primary source, but the engine bleed would facilitate the release of fumes. For example, one captain reported a “strong dirty sock smell on descent throughout the aircraft” [31]. The aircraft was grounded, and maintenance “found oil in the APU load compressor case drain” [31]. They removed and replaced the APU and “accomplished a burnout of [the] APU and both engine pneumatic ducts” [31]. The airline did not report repeat events on that aircraft to the FAA.
Once mechanics have identified and rectified the primary source, the ducts and packs must be cleaned. In one SDR, the captain reported a “plastic smell-odor on descent and every time thrust went to idle” [32]. On the ground, maintenance staff “operated both engine bleeds and both packs, but no odor was present” [32], noting that the APU had already been taken out of service. Again, these findings are consistent with the APU previously soiling the ducts, and the residues off-gassed when the engines were reduced to idle and the system switched to HP compressor bleed during descent. Maintenance procedures do not appear to have included an APU inspection, so, because no fault was found, the aircraft was deemed “okay for service” [32].
In another example, an aircraft was grounded because the cabin crew reported “musty fumes in cabin” [33] during descent. Maintenance determined that “the odor [had been] due to an event that occurred the previous flight [during] which the APU was found to be leaking oil and was placed on MEL as inoperative” [33]. Maintenance had identified the source (leaking APU) and isolated it, but they had not been instructed to inspect and clean the secondary sources of oil (contaminated packs and ducts), which caused a repeat event.
Removing oil and hydraulic residues from the ducting, seals, and pack components is complex and time-consuming. The primary method to remove oil residues from duct and pack surfaces is a “pack burn”. Hot bleed air is flushed through the system to “burn off” the residues. Pack burn procedures are only partly effective, though, because “temperatures are not necessarily high enough to remove some oil or hydraulic fluid components from the ducts, which may leave a residue of tar and other hydrocarbons” [34].
4.2.3. Difficult to Reproduce a Fume Event on the Ground (Function of Design)
In this dataset, most fume events were reported during takeoff/climb (19%) and descent (47%), but it can be either difficult or impossible to recreate these conditions—either maximum engine power (takeoff/climb) or high-pressure bleed air (descent)—on the ground. When maintenance workers are unable to duplicate the fumes on the ground, they may sign it off as “no fault found” and “aircraft is okay for service”, but then the fumes can return when the conditions under which crewmembers reported the fumes recur.
4.3. Comparison of B737fam and A320fam Fume Event Data
As noted above, almost half of the US fleet is comprised of Boeing 737fam (27%) and A320fam (20%) aircraft, including all variants. Although each group of aircraft have a similar market share and a similar size, operating range, and basic design, A320fam aircraft were over-represented in reported fume events by a factor of 4.0 (80% of events and 20% of the US fleet), whereas B737fam were under-represented by a factor of 0.11 (3.0% of events and 27% of the US fleet) (Table A3). These factors will be influenced by some combination of aircraft design features, maintenance procedures, and airline reporting practices. Aircraft utilization (i.e., number of flights, flight hours) will also have an impact on the number of documented fume events, but the utilization of B737fam and A320fam aircraft should be similar.
4.3.1. Comparison of Relevant Design Features on A320fam and B737fam
The A320fam group includes A318, A319, A320, and A321 models. The A320 was the first to enter commercial service in 1988, followed by other models. The A320neo (new engine option) entered service in 2005, followed by the A321neo. Of the 2270 fume events on the A320fam, approximately half (57%) were on the A320/A321 classic engine option (ceo) fleets, a fifth (22%) on A320/321neo, and the remainder on A319 (21%), except for one A318.
The B737fam was launched in 1965 and includes the next-generation (NG) B737s and the 737MAX, which entered commercial service in 1997 and 2017, respectively. Of the 85 fume events reported on B737fam aircraft, two-thirds were on 737NGs (69%), one-third on the 737MAX (31%), and the type of one B737 was undefined.
The A320ceo and B737NG aircraft all have the same standard engine option (CFM-56 series), although A320 customers can opt for an IAE V2500 engine instead. Likewise, the A320/321neo and B737MAX series all have the same standard engine option (CFM Intl Leap-1), although Airbus neo customers can opt for a Pratt & Whitney (PW) engine instead. The A320fam classic line and the B737 NG aircraft also have the same standard APU option (Honeywell (HW) 131-9), although Airbus customers have two additional choices (HW 36-300 and PW APIC APS3200). Data were not found for the relative proportions of the different engine and APU options on A320fam aircraft in operation.
Although the APUs are largely the same for both fleets, the APU inlet locations are different. In the A320fam line, it is on the belly adjacent to the APU access doors (Figure 6a). In the B737fam line, the APU inlet is on the left side of the aft fuselage (Figure 6b). Note that the APU inlets for the two other aircraft types that are over-represented for fume events in this dataset (MD80fam and A330) are also located on the aircraft belly. This was not universally true, though; the APU inlet on some regional aircraft (ERJ-170/175 and ERJ-190) is also on the belly (although further up towards the tail), and an excess of fume event SDRs were not reported on those aircraft.
Figure 6.
(a) Image of APU inlet adjacent to APU compartment door and drain mast on the aft belly of an A320fam aircraft (marked with red arrow) [35]. (b) Image of APU inlet on the side of the B737fam fuselage, just forward of and below the right horizontal stabilizer (marked with white arrow) [36].
On A320fam aircraft, Airbus has acknowledged that, partly by virtue of the location of the APU inlet, oil can be ingested into the APU bleed air. Specifically, Airbus has noted that, “misalignment of the APU drain mast with the bellows’ seals fitted on the right-hand APU compartment door may not allow fluids to be properly drained outside the APU compartment” [10]. So, if the seal around the compartment door is degraded, then improperly drained oil can seep through the section of the seal that is adjacent to the APU inlet [10]. Airbus has also noted the potential for oil fumes to enter the APU bleed air if the APU inlet ducting is misaligned or if the APU inlet duct seal is degraded [10].
In this dataset, US operators reported a significantly higher number of repeat events on A320fam aircraft than on B737fam aircraft (Table A3). In all, 143 A320fam aircraft had five or more reported SDR fume events (Table 6). A “repeat event” was one that occurred within the four-year period, so this could have been days, months, years, or a combination thereof for a given tail number. Still, the reporting patterns show that repeat events were more frequent on A320fam aircraft and drove up the total number of reported fume events on that section of the fleet.
4.3.2. Comparison of Maintenance Procedures on A320fam and B737fam
As part of continuing airworthiness requirements, aircraft manufacturers must provide each of their airline customers with an aircraft maintenance manual (AMM) for normal operations and troubleshooting procedures for abnormal conditions. In the US, airline maintenance staff are required to follow the AMM procedures, unless the FAA approves any alternative supplemental procedures [37]. AMM documents are not in the public domain, so they are not reviewed here, but many of the SDR narratives highlight the importance of a three-stage maintenance response (identify, rectify, and clean downstream systems) to avoid repeat events.
4.3.3. Comparison of Fume Event Reporting Norms and Practices
Concerns regarding under-reporting of smoke/fume SDRs have been raised in 2006 [38] and 2011 [39]. So, another factor to consider in the marked difference between the relative proportions of A320fam and B737fam fume event SDRs in this dataset is whether the reports in each of these subsets are equally representative. If A320fam and B737fam operators under-report equally, then the relative difference should be the same. To investigate, the author reviewed data for 2024 fume events at an all-A320fam operator, an all-B737fam operator, and an operator with both fleets, and then identified which fume events those airlines had reported to the FAA SDR database. The findings are presented in Table 7 and described below.
Table 7.
Fume events reported by three US operators, both internally and to the FAA.
All three operators under-reported fume events to the FAA in 2024, although to varying degrees. Some of the discrepancies between internal records and SDR submission rates for fume events may be a function of operators following the letter and not the spirit of the SDR reporting rule. For example, technically, if fumes are documented prior to pushback, then an SDR is not required. Repeat fume events were documented significantly more frequently by the all-A320fam operator than by the operator with the mixed fleet. One explanation may be that the mixed fleet operator developed and follows its own comprehensive maintenance job cards for troubleshooting and remediation which are compliant with, but considerably more thorough than, those provided by the aircraft manufacturer. The all-B737fam operator reportedly has a practice of only submitting an SDR for aircraft with a confirmed mechanical defect or fault, even though ground-based maintenance troubleshooting procedures are known to fall short because they typically do not reproduce the in-flight conditions when fumes were present.
Aircraft and component manufacturers must comply with a similar reporting rule to US airlines for smoke and fumes. Specifically, manufacturers must notify the FAA of “any failure, malfunction, or defect” in any of its products that either has resulted in or could result in the “accumulation of toxic or noxious fumes in the crew compartment or passenger cabin” [40]. The FAA has noted that the value of manufacturer defect reporting is the expectation that the agency will receive the “earliest possible notification…of a hazardous condition, and that appropriate corrective action will be initiated by the manufacturer” [41]. Those reports are not in the public domain, so it is not possible to comment on the rate of compliance. However, airlines continue to report fume events, suggesting that any corrective actions undertaken have been insufficient.
5. Conclusions
During these four years, US airlines have reported a broad range of airborne contaminants in cabin and flight deck air to the FAA.
Analysis of the fume events reported by US airlines provides constructive insights into design features and maintenance troubleshooting procedures to mitigate onboard exposure to smoke and fumes.
During these four years, US airlines reported more fumes and smoke sourced to oil/hydraulic fluid (i.e., fume events) than to electrical systems, fans, ACM, fuel/exhaust, ovens, deicing fluid, lavatories, and bird strikes combined. The SDR data show that bleed air supply systems are prone to contamination with oil fumes and, to a lesser extent, with hydraulic fluid fumes.
Certain aircraft types have higher reported rates of fume events than others. Some specific design features may explain part of the divergence in the relative proportions of fume events reported on A320fam and B737fam aircraft; differential reporting practices and maintenance procedures may play a role in the scale of the difference.
One design feature that aircraft types with the highest rate of fume event reports have in common is locating the APU inlet on the aircraft’s belly.
Airlines reported most fume events during descent and takeoff/climb, which is consistent with what is happening mechanically in the compressors and thermally in the ducts and air conditioning packs.
A three-part maintenance response—identifying the primary source of fumes, rectifying it, and cleaning the relevant ducts and air conditioning system components—would help to prevent repeat events. Troubleshooting procedures in aircraft maintenance manuals do not consistently direct mechanics to inspect the APU and its neighboring systems if the APU was not operating when crewmembers reported the fumes. Moreover, maintenance troubleshooting procedures do not typically direct mechanics to reproduce the engine power and bleed pressure settings during which the fume event occurred, because to do so can be difficult—if not impossible—on the ground. These omissions can lead to repeat events when aircraft are returned to service with no fault found and nothing fixed.
Most of the analyses and discussion are about fume events on the A320fam and B737fam aircraft because they were the dominant aircraft types in the US fleet during the study period; they are comparable to each other so will be operated on a similar number and duration of flight cycles, and there is marked difference in their relative proportions of reported fume events. However, findings regarding different types of fumes and smoke from other aircraft types are also worthy of attention to mitigate those sources of onboard exposures. These include the disproportionate number of ACM failures reported on ERJ140/145s, and the high proportion of electrical faults reported on A330, ERJ140/145s, and MD80fam, respectively.
6. Limitations
This SDR dataset is limited to reports that US airlines classified as “smoke/odor/fumes” or “fluid loss”, which should capture most of the relevant reports, but not all of them.
Airline compliance with fume event reporting is uneven, ranging from 13% to 78% in 2024 at two airlines, not considering whether mechanics had identified a specific mechanical fault or whether the aircraft had pushed back from the gate.
The author made every effort to consistently follow a set of defined criteria to classify each SDR event, but some interpretation of the data was necessary.
Most of the aircraft types included in the FAA SDR database were the same as those in the BTS Schedule B-43 aircraft inventory, but not all. In some cases, operators reported SDRs, but either none or few of the type of aircraft were included in the BTS databases (e.g., Cessna 560/680, EMB120-ERJ135s); in others, the aircraft type was included in the BTS database but there were almost no SDRs (e.g., Cessna 208).
Supplementary Materials
The following supporting information can be downloaded at: https://www.mdpi.com/article/10.3390/aerospace12050437/s1, Table S1: Smoke odor fumes SDR data and summaries; Table S2: US fleet composition based on B43 datasets.
Funding
This research received no external funding.
Data Availability Statement
The SDR and US fleet data are all in the public domain. (1) The dataset and summary of 6679 fume/smoke SDRs and 2845 fume event SDRs (including fields added by the author which are distinguished from FAA fields by blue shading and ALL CAPS in column headers) is made available as Table S1; and (2) The datasets and summaries of US fleet composition data for 2002, 2018, 2019, 2021, and 2022 is made available as Table S2.
Acknowledgments
J.A. thanks C.W. for his support, D.S. for such helpful feedback, B.J. and P.M. for the many ways that they improved aircraft maintenance procedures, and L.O., T.L. and S.M. for their bottomless patience in explaining how aircraft systems work.
Conflicts of Interest
J.A. has written two expert legal reports on behalf of airline crewmembers injured by oil fumes. She is not receiving compensation from the attorney for this paper and has not discussed or shared any part of it with him. The authors declare no conflict of interest.
Abbreviations
The following abbreviations are used in this manuscript:
| A320fam | Airbus 320 family aircraft (A319, A320, A321 including neo and ceo) |
| AMM | Aircraft Maintenance Manual |
| APU | Auxiliary Power |
| B737fam | Boeing 737 family aircraft (B737 next generation and MAX) |
| BTS | Bureau of Transportation Statistics |
| ceo | Classic engine option |
| CWFE | Consistent with a fume event |
| ECS | Environmental control system |
| FAA | Federal Aviation Administration |
| FE | Fume event |
| MEL | Minimum equipment list |
| N | Number |
| neo | New engine option |
| o-SOF | Other sources of SOF (i.e., other than oil and hydraulic fluid) |
| S/F/FL | Smoke/fume/fluid loss |
| SOFs | Smoke, odor, fumes |
| SDR | Service Difficulty Reporting |
Appendix A
Table A1.
Criteria for classifying types of onboard fumes/smoke reported by US airlines.
Table A1.
Criteria for classifying types of onboard fumes/smoke reported by US airlines.
| Type of Fumes/Smoke | Description of Criteria |
|---|---|
| ACM smoke | “ACM” (air cycle machine) faults or failures are often characterized by smoke, vibration, and/or a loud noise, as well as problems in regulating the onboard temperature. After an ACM fault or failure, the unit is usually removed and replaced. |
| Battery | “Battery” includes smoke or fumes generated by faulty/overheated onboard batteries and from faulty/overheated lithium-ion batteries brought on board as carry-on items. |
| Bird | “Bird” includes reports of birds being ingested into one or both engines during flight. |
| Bleed * | “Bleed” includes reports consistent with either engine oil or hydraulic fluid fumes with sufficient detail to be confident that it is one or the other but insufficient detail to be certain which one. The reports cite a distinct/strong odor sourced to the air supply vents and a reference to engine power (e.g., idle, full power, start) and/or phases of flight (e.g., climb, descent), often followed by decontamination of the ECS (“pack burn”). |
| CWFE ** | “Consistent with fume event” includes reports with a distinct odor sourced to the air supply vents, which is often described as “burning”, “hot plastic”, or “hot rubber”. The description of conditions is insufficient to assign the event to the bleed category but the details are consistent with a fume event, such as the timing of the fumes relative to changing engine/APU power, phase(s) of flight, the location(s) in cabin/flight deck, the maintenance troubleshooting procedures, or the remedial actions (e.g., pack burn, remove and replace (R&R) coalescer bag, R&R ozone converter, etc.). This category represents another datapoint on the spectrum of certainty with which fume events were classified. |
| Deicing | “Deicing” primarily includes reports of ingestion of deicing fluid into the APU inlet and bleed air stream when the APU is accidentally turned on during a deicing operation. Deicing fluid can also seep through aircraft door seals when the fluids are sprayed against them, especially at high pressure. |
| Duct-related | “Duct-related” includes materials such as grease or insulation fibers that enter the supply air when a duct ruptures or is damaged. |
| Electrical | “Electrical” includes reports that reference an electrical odor and/or description of a confirmed electrical fault such as a faulty light ballast, windshield heater, inflight entertainment system, or galley equipment. This does not include burned food, faulty ovens, or fans. |
| Fan | “Fan” includes failures or malfunctions of a variety of fans, especially the recirculated air fans in the air supply system. The faults can be electrical (e.g., overheated or failed component) or mechanical (faulty or worn bearings). |
| Fuel/exhaust | “Fuel” and “exhaust” are grouped together and include fumes from fueling operations and exhaust fumes from the aircraft, other aircraft, and ground-based air conditioning carts and service vehicles at airports. |
| Hydraulic fluid | “Hydraulic fluid” includes reference to hydraulic fluid ingestion into the APU inlet (especially if it is located on the aircraft belly), which can contaminate the APU-supplied bleed air and soil the air supply ducting upstream and downstream of the compressor. The fluid may be from the landing gear or from other fluid leaks or spills that streak across the fuselage and can be ingested. Hydraulic fluid fumes typically do not contaminate bleed air supplied by the propulsion engines because there is no obvious path for hydraulic fluid to be ingested into the engine intakes. However, hydraulic fluid fumes can manifest inflight from previously deposited residues on ducts and pack components. |
| Lavatory | “Lavatory” includes fluid spillage or blockage in the lavatory supply and sewage systems, including blue fluid, wastewater, and human waste. |
| Oil | “Oil” includes reports with a reference to the smell of “dirty socks”, “oil”, or “musty”, and with onboard conditions consistent with bleed air contamination, such as fumes onset during an engine power setting change, worse on takeoff and climb, subsides during cruise, returns on descent. Other factors include the reported location(s) of the fumes in the cabin/flight deck in the context of the ECS configuration and whether maintenance troubleshooting actions are consistent with oil fumes; this is often followed by a “pack burn” procedure intended to remove residues on ducts and air conditioning packs. |
| Oven | “Oven” faults or failures will be electrical in nature, but this category stands alone because its maintenance response is narrow and defined. If the oven is at fault, then it is often removed and replaced. This category does not include burned food or coffee. |
| Other | “Other” includes miscellaneous faults such as clogged water lines, lightning strikes, dirty residue on compressor blades before an engine wash, cracked heat exchangers, coolant leaks, and cargo. |
| Don’t know | “Don’t know” includes reports either with insufficient details to make a judgment or unfamiliar parts/faults. |
| Not applicable | “Not applicable” reports were removed from the original downloaded dataset because the narrative fields included a reference to either smoke or fumes, but without either smoke or fumes being present onboard (e.g., “ground crew reports smoke pouring from right engine” or “smoke detector batteries need to be replaced”). |
* Oil, bleed, and hydraulic fluid combine to make up 2845 reports (43% of total). ** Consistent with a fume event, but insufficient detail to be certain.
Table A2.
Physical sources of oil and hydraulic fluid fumes/smoke.
Table A2.
Physical sources of oil and hydraulic fluid fumes/smoke.
| Source | Description |
|---|---|
| APU leak, fault, fail (primary source) | Oil can seep through APU compressor seals when the pressure differential across the seal is insufficient to keep the oil out of the bleed air, as well as when the seal is worn, failed, or has accumulated coked oil around its face. Moreover, leaks from other APU components, such as the oil cooling fan and various valves, can also be ingested into the APU bleed air in a variety of ways, depending on the aircraft system design. If the APU oil reservoir is overserviced, then the excess oil can contaminate the APU/compartment, which can enter the APU bleed air stream. If oil in the APU compartment is improperly drained, it can be re-ingested into the APU inlet with some designs. Hydraulic fluid leaks and spills may be ingested into the APU inlet. |
| Engine leak, fault, fail (primary source) | Oil can seep through engine compressor seals when the pressure differential across the seal is insufficient to keep the oil out of the bleed air, as well as when the seal is worn, failed, or has accumulated coked oil around its face. Oil leaks from other engine components may also enter the bleed air, depending on the aircraft system design. If the engine oil reservoir is overserviced, then the excess oil may contaminate the engine bleed air stream. Hydraulic fluid is unlikely to enter the engine bleed air, so it should not be the primary source of these fumes. |
| Duct/pack residues (secondary source) | Contaminated duct and pack surfaces can be secondary sources of fumes. The network of ventilation ducts has these four components: (1) A section of pressurized duct carries bleed air from the APU compressor to each of the air conditioning packs; (2) sections of pressurized duct carry bleed air from the compressor in each propulsion engine to its respective air conditioning pack, assuming normal configuration; (3) smaller sections of pressurized duct carry a fraction of the APU and engine bleed air stream referred to as “trim air”. The trim air ducts bypass the packs and allow for small volumes of hot air to be fed into the supply duct for each zone to adjust the temperature in that zone; (4) low-pressure ducts downstream of the air conditioning packs typically carry a mixture of cooled, dehumidified bleed air and recirculated air to the cabin and flight deck, with configurations that vary according to aircraft type and settings. Air conditioning pack surfaces prone to contamination include primary heat exchangers, secondary heat exchangers, and coalescer bags. The components of each pack can also produce fumes or smoke from failures or malfunctions, but these reports are not included in this category. |
| Don’t know if primary or secondary source | There was insufficient information in the event description to determine if the source(s) of the fumes was primary, secondary, or both. |
Table A3.
Proportions of the US fleet and FE/o-SOFs reports by aircraft type (2018–2023).
Table A3.
Proportions of the US fleet and FE/o-SOFs reports by aircraft type (2018–2023).
| Aircraft Type # | Pct. of 7475 in US Fleet | Pct. (N) of 2845 FE SDRs | Ratio of Pct. FE SDRs ÷ Pct. of Fleet | Pct. (N) of 3834 o-SOF SDRs | Ratio of Pct. o-SOF SDRs ÷ Pct. of Fleet |
|---|---|---|---|---|---|
| B737fam | 27 (2035) | 3.0 (85) | 0.11 | 12 (472) | 0.45 |
| A320fam | 20 (1505) | 80 (2272) | 4.0 | 27 (1048) | 1.4 |
| E170/175-e2 | 7.5 (560) | 1.0 (30) | 0.14 | 3.3 (125) | 0.44 |
| B767 | 5.8 (436) | 1.1 (31) | 0.19 | 4.7 (181) | 0.81 |
| B757 | 5.4 (407) | 1.9 (53) | 0.34 | 3.6 (137) | 0.66 |
| CRJ900 * | 3.7 (278) | 0.70 (20) | 0.19 | 3.6 (137) | 0.96 |
| CRJ200 * | 3.5 (263) | 0.42 (12) | 0.12 | 1.6 (60) | 0.44 |
| Cessna208 | 3.3 (245) | 0 (0) | 0 | 0.37 (14) | 0.11 |
| B777 | 3.1 (233) | 0.70 (21) | 0.23 | 3.1 (120) | 1.0 |
| CRJ700-701 * | 2.9 (219) | 0.21 (6) | 0.07 | 2.9 (113) | 1.0 |
| MD80fam | 2.5 (188) | 2.7 (77) | 1.1 | 3.9 (151) | 1.6 |
| ERJ140-145 | 2.3 (170) | 2.1 (61) | 0.94 | 10 (390) | 4.5 |
| B747 | 1.7 (127) | 0.04 (1) | 0.02 | 0.70 (27) | 0.42 |
| A300-310 | 1.6 (122) | 0.39 (11) | 0.24 | 0.44 (17) | 0.27 |
| MD11 | 1.5 (109) | 0.46 (13) | 0.31 | 0.57 (22) | 0.39 |
| B787 | 1.3 (97) | 0 (0) | 0.00 | 1.1 (42) | 0.85 |
| A330 | 1.1 (85) | 1.4 (41) | 1.3 | 1.6 (61) | 1.4 |
| E190-e2 | 0.96 (72) | 0.49 (14) | 0.51 | 0.97 (37) | 1.0 |
| A220 | 0.75 (56) | 0.11 (3) | 0.14 | 0.21 (8) | 0.28 |
| ATR42-72 | 0.71 (53) | 0.04 (1) | 0.05 | 0.26 (10) | 0.37 |
| CRJ550 ** | 0.51 (38) | 0 (0) | 0 | 0 (0) | 0 |
| A350 ** | 0.25 (16) | 0 (0) | 0 | 0 (0) | 0 |
| Dash8 ** | 0.24 (18) | 0.35 (10) | 1.5 | 0.89 (34) | 3.7 |
| DC10 ** | 0.21 (16) | 0 (0) | 0 | 0 (0) | 0 |
| B727 ** | 0.12 (9) | 0 (0) | 0 | 0 (0) | 0 |
| EMB120-ERJ135 ** | 0.06 (5) | 0.39 | 6.4 | 1.7 (67) | 29 |
| Other | 1.5 (115) | 2.5 (72) | 1.7 | 15 (561) | 9.5 |
| Total | 100 (7745) | 100 (2845) | 100 | 100 (3834) | 100 |
# Rows shaded in grey indicate aircraft types that are over-represented in FE and o-SOF SDRs. * These CRJ aircraft are identified in the SDR database by their FAA Type Certificate Data Sheet number: CRJ200 (CL-600-2B19); CRJ700 (CRJ70C); CRJ701 (CL600-2C10); and CRJ900 (CRJ90C). ** Category contains less than 40 aircraft and less than 10 reports per year, so the ratios are not reliable because the statistics can be distorted by as few as one problem aircraft.
Table A4.
US fleet composition (BTS T-100 data) in 2002 and 2023.
Table A4.
US fleet composition (BTS T-100 data) in 2002 and 2023.
| Aircraft Type | Pct. of US Fleet 2002 (n = 6157) | Pct. of US Fleet 2023 (n = 7970) |
|---|---|---|
| B737fam | 22 | 29 |
| A320fam | 8.9 | 21 |
| E170/175-e2 | 0 | 8.6 |
| B767 | 5.5 | 6.0 |
| B757 | 10 | 4.8 |
| CRJ900 | 0 | 3.4 |
| Cessna208 | 4.2 | 3.2 |
| B777 | 2.1 | 3.0 |
| CRJ700-701 | 0.68 | 2.6 |
| CRJ100-200 | 4.0 | 2.5 |
| B747 | 2.2 | 1.9 |
| ERJ140-145 | 1.6 | 1.8 |
| MD80fam | 14 | 1.6 |
| A300-310 | 2.8 | 1.5 |
| A220 | 0 | 1.4 |
| MD11 | 1.2 | 1.3 |
| B787 | 0 | 1.2 |
| A330 | 0.15 | 1.0 |
| CRJ550 | 0 | 0.74 |
| E190-e2 | 0 | 0.72 |
| ATR42-72 | 1.5 | 0.68 |
| A350 | 0 | 0.35 |
| EMB120-135 | 1.2 | 0.10 |
| B727 | 5.6 | 0.088 |
| Dash8 | 0.70 | 0 |
| DC8 | 1.3 | 0 |
| DC10 | 2.4 | 0 |
| Saab340 | 2.8 | 0 |
| Other | 4.3 | 1.4 |
| Total | 100 | 100 |
References
- Anderson, J. Sources of onboard fumes and smoke reported by US airlines. Aerospace 2021, 8, 122. [Google Scholar] [CrossRef]
- Boeing Airplane Company. Decontamination Program: B-52 Aircraft; Report no.: D-14766-2; Boeing Airplane Company: Seattle, WA, USA, 1953; Available online: https://perma.cc/VA8L-XXV8 (accessed on 1 May 2025).
- Gaume, J. Analytical Considerations Concerned with Cephalagia on the DC-10 Aviation Medicine and Safety Research Science Research; McDonnell Douglas Corporation: Long Beach, CA, USA, 1973; Available online: https://perma.cc/Y4GD-Q3QA (accessed on 1 May 2025).
- Rayman, R.M.; McNaughton, G.B. Smoke and Fumes in the Cockpit. Aviat. Space Environ. Med. 1983, 54, 738–740. Available online: https://pubmed.ncbi.nlm.nih.gov/6626083 (accessed on 1 May 2025). [PubMed]
- ICAO. Circular 344-AN/202: Guidelines on Education, Training and Reporting Practices Related to Fume Events; International Civil Aviation Organization: Montréal, QB, Canada, 2015. [Google Scholar]
- Burdon, J.; Budnik, L.T.; Baur, X.; Hageman, G.; Howard, C.V.; Roig, J.; Coxon, L.; Furlong, C.E.; Gee, D.; Loraine, T.; et al. Health consequences of exposure to aircraft contaminated air and fume events: A narrative review and medical protocol for the investigation of exposed aircrew and passengers. Environ. Health. 2023, 22, 43. [Google Scholar] [CrossRef] [PubMed]
- Rolls-Royce; Intellectual Property Office, UK Department for Science, Innovation and Technology. Aircraft Pneumatic System Supplying Air to Environmental Controls System. Patent GB2544187A, 10 May 2017. Available online: https://perma.cc/6YPW-D942 (accessed on 1 May 2025).
- Pratt & Whitney; US Patent and Trademark Office. Detection of Oil Contamination in Engine Air. Patent 2017/0248571-A1, 31 August 2017. [Google Scholar]
- Boeing; United States Patent and Trademark Office. Seal Assembly and Method for Reducing Aircraft Engine Oil Leakage. Patent US 10,927,845 B2, 23 February 2021. Available online: https://perma.cc/2V5H-JJPF (accessed on 1 May 2025).
- Vera-Barcelo, L. A Clean APU Means Clean Air. Flight Airworthiness Support Technology. Airbus Tech. Mag. 2013, 52, 4–9, Airbus SAS. Available online: https://perma.cc/zk7p-jz8v (accessed on 1 May 2025).
- Michaelis, S. Aircraft clean air requirements using bleed air systems. Engineering 2018, 10, 142–172. [Google Scholar] [CrossRef]
- Johnson, D. Turbine engine lubricant and additive degradation mechanisms. In Aerospace Engineering; IntechOpen: London, UK, 2018; pp. 1–19. [Google Scholar]
- FAA. Aircraft Air Quality and Bleed Air Contamination Detection: Engine Stand Tests, Sensor Technologies, and Chemical Sampling; Report no.: DOT/FAA/TC-23/46, Phase 2; FAA: Atlantic City, NJ, USA, 2023; Volume 1. [Google Scholar] [CrossRef]
- EASA. Characterisation of the Toxicity of Aviation Turbine Engine Oils after Pyrolysis (AVOIL); European Aviation Safety Agency: Cologne, Germany, 2017; Available online: https://perma.cc/8KTC-NRK5 (accessed on 1 May 2025).
- SAE. Airborne Chemicals in Aircraft Cabins; Report no.: AIR 4766/2, Rev. A; SAE Aerospace: Warrendale, PA, USA, 2021. [Google Scholar] [CrossRef]
- Bobb, A.; Still, K. Known Harmful Effects of Constituents of Jet Oil Smoke; Naval Health Research Center: San Diego, CA, USA; USAF: Dayton, OH, USA, 2003. [Google Scholar]
- OHRCA-ACER. Cabin air quality project incidents report. Occupational Health Research Consortium in Aviation and the Airliner Cabin Environment Research Center of Excellence. Submitted to the US Federal Aviation Administration; Jul-2014. Available online: https://perma.cc/F5VC-6Z88 (accessed on 1 May 2025).
- FAA. 14 CFR 121.703: Service Difficulty Reports; FAA: Washington, DC, USA, 2006. [Google Scholar]
- FAA. Service Difficulty Reports Search Page. Federal Aviation Adminstration, US Department of Transportation Washington, DC. Available online: https://sdrs.faa.gov/Query.aspx (accessed on 2 July 2024).
- BTS. Commercial Aviation in 2020: Downturn in Airline Passengers, Employment, Profits, and Flights Operated, in the Wake of COVID-19, was Partially Mitigated by Increases in Air Cargo; Bureau of Transportation Statistics, US Department of Transportation: Washington, DC, USA, 2021. Available online: https://perma.cc/Y24R-L4ZB (accessed on 1 May 2025).
- BTS. US Airlines June 2021 Passengers Increased 304% from June 2020 but Still Declined 21% from Pre-Pandemic June 2019; Bureau of Transportation Statistics, US Department of Transportation: Washington, DC, USA, 2021. Available online: https://perma.cc/9C63-ET6Y (accessed on 1 May 2025).
- BTS. Schedule B-43 Aircraft Inventory, Air Carrier Financial Reports (F-41 Financial Data); Bureau of Transportation Statistics, US Department of Transportation: Washington, DC, USA, 2024. Available online: https://www.transtats.bts.gov (accessed on 8 July 2024).
- BTS. T-100 Segment Data; Bureau of Transportation Statistics, US Department of Transportation: Washington, DC, USA. Available online: https://transtats.bts.gov/ (accessed on 8 July 2024).
- US Congress. Public Law 101-164, Sec. 335: Permanent Prohibition Against Smoking on Scheduled Airline Flights; US Congress: Washington, DC, USA, 1989.
- US Congress. Public Law 106-181, Sec. 708: Prohibitions Against Smoking on Scheduled Flights; US Congress: Washington, DC, USA, 2000.
- Aviation.stackexchange.com. Image of Components and Layout of Typical Aircraft Air Supply System Reproduced by Permission from Response. no. 15520; Posted 8 June 2017. Available online: https://perma.cc/99CE-4NMT (accessed on 11 March 2025).
- AAIU. Serious Incident: Boeing 737-8AS, EI-EFB; Report no.: 2016-013; Air Accident Investigation Unit: Dublin, Ireland, 2018; Available online: https://perma.cc/D3KR-MXP8 (accessed on 18 September 2014).
- SAE. Air 4766/2 (2005); Arp 4418a-(2008) Under Review 2017; Society of Automotive Engineers: Warrendale, PA, USA, 2005. [Google Scholar]
- Chupp, R.E.; Hendricks, R.C.; Lattime, S.B.; Steinetz, B.M. Sealing in turbomachinery. J. Propuls. Power 2006, 22, 313–349. [Google Scholar] [CrossRef]
- FAA. Service Difficulty Report no. DALA2018073104799, B757, Difficulty Date 27 July 2018. Available online: https://sdrs.faa.gov/Query.aspx (accessed on 8 July 2024).
- FAA. Service Difficulty Report no. ASAA2019021828216, B737MAX, Difficulty Date 18 February 2019. Available online: https://sdrs.faa.gov/Query.aspx (accessed on 8 July 2024).
- FAA. Service Difficulty Report no. YENA2023062200729, A321, Difficulty Date 20 June 2023. Available online: https://sdrs.faa.gov/Query.aspx (accessed on 8 July 2024).
- FAA. Service Difficulty Report no. AALA202206249488, A319, Difficulty Date 23 June 2022. Available online: https://sdrs.faa.gov/Query.aspx (accessed on 8 July 2024).
- ASHRAE/ANSI. Standard 161: Air Quality Within Commercial Aircraft; American Society of Heating, Refrigerating, and Air Conditioning Engineers/American National Standards Institute: Peachtree Corners, GA, USA, 2023. [Google Scholar]
- Aircraft Maintenance World. Image of A320fam APU Inlet Reproduced from Aircraft Maintenance World Facebook Page; Uploaded 12 May 2021. Available online: https://perma.cc/K2BJ-7Q7J (accessed on 1 April 2025).
- Aviation.stackexchange.com. Image of B737fam APU Inlet Reproduced by Permission from Response. to User Question no. 8441; posted 2 September 2014. Available online: https://aviation.stackexchange.com/users/1696/fooot (accessed on 14 March 2005).
- FAA. 14 CFR 43.13: Performance Rules (General). Report no.: Amdt. 43–28, Federal Aviaiton Administration. Washington, DC, USA, 1987. Available online: https://www.ecfr.gov/current/title-14/chapter-I/subchapter-C/part-43/section-43.13 (accessed on 8 July 2024).
- FAA. FSAW 06-05a: Guidance for Smoke/Fumes in the Cockpit/Cabin. Federal Aviation Administration. Washington, DC, USA, 2006. Available online: https://perma.cc/A7BS-UAHK (accessed on 1 May 2025).
- Murawski, J.; Supplee, D. An attempt to characterize the frequency, health impact, and operational costs of oil in the cabin and flight deck supply air on US commercial aircraft. ASTM J. Int. 2008, 5, 1–15. [Google Scholar] [CrossRef]
- FAA. 14 CFR 21.3: Reporting of Failures, Malfunctions, or Defects, Admt. 21-36; Federal Aviation Administration: Washington, DC, USA, 1980.
- FAA. Advisory Circular 21-9A: Reporting Failures, Malfunctions, or Defects; Federal Aviation Administration: Washington, DC, USA, 1982. Available online: https://perma.cc/W3TV-3SQE (accessed on 8 July 2024).
Disclaimer/Publisher’s Note: The statements, opinions and data contained in all publications are solely those of the individual author(s) and contributor(s) and not of MDPI and/or the editor(s). MDPI and/or the editor(s) disclaim responsibility for any injury to people or property resulting from any ideas, methods, instructions or products referred to in the content. |
© 2025 by the author. Licensee MDPI, Basel, Switzerland. This article is an open access article distributed under the terms and conditions of the Creative Commons Attribution (CC BY) license (https://creativecommons.org/licenses/by/4.0/).





