Abstract
The removal efficiency of particulate matter of less than 2.5 microns (PM2.5) using an innovative wet scrubber tower with an IoT system for PM2.5 real-time monitoring was investigated. The PM2.5 used in this experiment was obtained from vehicle exhaust, specifically from running the diesel engine of a pickup truck with a range of PM2.5 with a concentration ranging from 50 µg/m3 to 500 µg/m3. Focused parameters related to PM2.5 were analyzed, such as the liquid-to-air ratio (it uses air because this device purifies PM2.5 for the airflow from the polluted ambient air), turbulence techniques enabled by the installation of a deflector and a baffle at the airflow inlet, water level fluctuation above the nozzle, spray nozzle size, and the type of packing material. The average PM2.5 removal efficiency was determined for each parameter relevant to the experiment. The results showed that increasing the liquid-to-air ratio increased the average PM2.5 removal efficiency, while the smaller droplet spraying water resulted in higher efficiency. The spray section achieved its highest efficiency at 58.63%, with a liquid-to-air ratio of 13.21 L/m3 and droplet size of 270 µm. The turbulence technique showed a higher potential for the removal of PM2.5, with an efficiency level of 71.56% at a water level of 150 mm. Moreover, the operation incorporates water spraying and turbulence induction, promoting higher removal efficiency, from 71.56% to 87.59%, at a water level of 150 mm and a liquid-to-air ratio of 9.03 L/m3. This condition resulted in an output concentration of PM2.5 less than 15 µg/m3, which meets the WHO’s guidelines for PM2.5 intensity. This cleverly designed wet scrubber tower can clean up to 13,320 m3 of air daily or remove up to 2,464 g of PM2.5 per day. No enhancement of PM2.5 removal efficiency was observed when two types of packing materials were used due to the formation of bigger droplets as the packing materials were passed through.
1. Introduction
Particulate matter 2.5 (PM2.5) is one of the eight most common air pollutants known as criteria air pollutants. This list includes carbon monoxide (CO), lead (Pb), ground-level ozone (O3), nitrogen dioxide (NO2), ammonia (NH3), sulfur dioxide (SO2), particulate matter 10 (PM10), and particulate matter 2.5 (PM2.5) [1]. PM2.5 is one of the biggest air pollution problems threatening human health, the environment, and the economy worldwide. The World Health Organization (WHO) announced that, in 2016, outdoor air pollution led to the death of 4.2 million people, with 91% of these people living in Asian countries and the West Pacific [2]. In Bangkok, PM2.5 originates from vehicle emissions in transportation and biomass combustion. In the dry season, which occurs between January and April every year, 45% of the PM2.5 pollution in Bangkok comes from diesel-powered vehicles, with the highest value of PM2.5 not exceeding 300 µm/m3 [3].
There are many end-of-pipe technologies to eliminate and reduce the levels of PM2.5 in air pollutants, such as cyclones, scrubbers, electrostatic precipitators, and baghouse filters. The effectiveness of each of these techniques depends on how the device is designed and applied. For instance, a cyclone can filter dirty air with 90% efficiency and can filter dust with a diameter greater than 20 µm. The removal efficiency of a spray tower can reach 90% for particles with a diameter exceeding 5 µm, and it typically falls within the range of 60% to 80% for particles with diameters ranging from 3 µm to 5 µm. When particles have a diameter of less than 3 µm, the removal efficiency of a spray tower decreases to below 50%. The venturi scrubber boasts a removal efficiency of 98% and can effectively filter particles as small as 0.5 µm in diameter. The electrostatic precipitator has a dirty-air-filtering efficiency of 99%. It can filter dust that is 1 µm in diameter but consumes substantial amounts of power. The baghouse dirty-air-filtering efficiency is nearly 100%. It can filter dust that is 1 µm in diameter; however, this device has high levels of airflow resistance and is expensive to operate and maintain [4,5].
Kim et al. [6] conducted a theoretical analysis of a gravitational wet scrubber particle removal efficiency that considered impaction, interception, and diffusion. Impaction generally removes dust with a diameter over 1 µm; the Brownian diffusion mechanism can remove particles smaller than 0.1 µm in diameter. Jiuan [7] also maintains that a counter-current flow arrangement is more efficient than a crossflow arrangement. Thus, particles are conditioned during scrubbing by wetting, trapping in water blankets, and impacting them with water droplets. To enhance the efficiency of the wet scrubber, numerous factors influencing the scrubbing process need to be taken into account, including scrubber design, droplet size, sizing, packed bed material, packed bed depth, selection of scrubbing liquid, and distribution rate of washing liquid [8]. In this study, we examined the improvement of the counterflow spray wet scrubber and its PM2.5 removal efficiency by reviewing and experimenting with three techniques. Three variables are relevant to PM removal efficiency enhancement: (1) droplet size (for a wet spray scrubber), (2) packed bed, and (3) turbulence in the wet scrubber. Smaller droplets can capture finer particles because they have a larger surface area-to-volume ratio. However, if the droplet size is too small, the momentum of the pollutant airflow can be imparted to the droplets. Decreasing the relative velocity between the droplet and particles results in lower collection efficiency [4]. The purpose of a packed bed is to increase the area of contact between two or three phases in a scrubbing process, such as liquid and gas [9]. The height and type of packing can be changed to improve the mass transfer. A larger packed bed depth is preferred for a scrubber since it helps boost absorption and efficiency [10]. Many packing types, such as the Pall ring, Raschig ring, Tri-packs, Tellerette, Berl saddle, Intalox, and others, are made from various materials [11]. The U.S. EPA suggests that packed-bed scrubbers are more suitable for gas scrubbing than PM scrubbing, as clogs in the bed and plugging make it more difficult to access, clean, and change the spray heads. The packed-bed wet scrubber can be used for low dust-loading applications and particulate matter larger than 5 µm. A deflector and baffle create water turbulence, allowing polluted air to flow through fluctuating water. This method can simultaneously increase the wettability of particles, agglomerate, and remove dust [12]. Meikap et al. [13] achieved a removal efficiency of 95% to 99% for particulate matter sizes of 0.1–100 µm in a modified multi-stage bubble column scrubber. Lee et al. [14] found that a swirling cyclone wet scrubber could collect 2.5 µm particles with an efficiency of 86% and 5 µm particles with an efficiency of 97%. Park et al. [15] observed that wet scrubbing with polydisperse aerosol can remove more than 90% of particles larger than 2 µm. Mohan [16] reported 75–99% PM2.5 removal efficiency with a novel spray-bubbler scrubber in which the bubble column removed maximum particles when the concentration increased. Park [15] investigated the performance of a water turbulence scrubber for the removal of particle matter and found that particles more prominent than 1 µm were drawn efficiently (nearly 100%), depending on the flow rate, dust-laden air stream concentration, and the reservoir water level. Hence, spray columns and bubble column scrubbers are efficient in scrubbing particulate matter from effluent [12]. The objectives of this research were to determine the effect of each parameter and combination of them on PM2.5 removal efficiency, design an actual size wet scrubber in the bus shelter for the protection of pedestrians from roadside traffic pollution, and monitor the real-time PM2.5 concentration with an IoT system to calculate the accurate removal quantity of PM 2.5.
2. Building and Developing a Prototype PM2.5 Absorption Tower
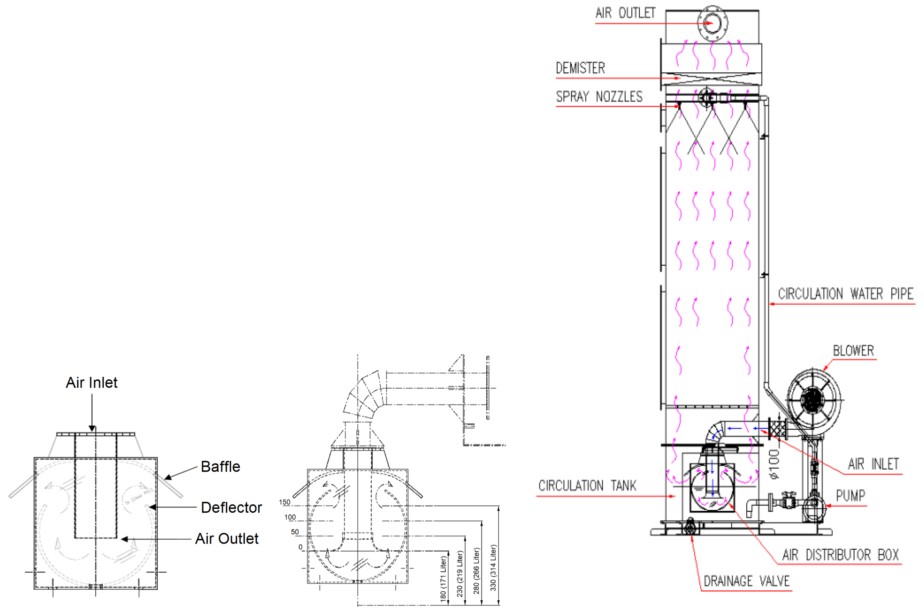
Due to the lack of theories for the design of an absorber tower to eliminate PM2.5, the design of the absorption tower relied on the design of the dissolved gas evaporator as a guideline. Jiuan [7] examined the structure and efficiency of counterflow and crossflow wet scrubbers and found that counterflow has a higher efficiency than crossflow. Therefore, we built the absorption tower prototype based on a counterflow wet scrubber with an air blower of 1 hp 220 V 50 Hz and a 1 hp 220 V 50 H water pump. The selected air blower could provide an airflow of up to 12.5 m3/min with an inverter frequency adjustment. The chosen water pump could provide a water flow of 45 L/min; thus, the experimental wet scrubber tower could achieve a liquid-to-air ratio of up to 13.21 L/m3. The wet scrubber parameters and features are presented in Table 1 and Figure 1, respectively.
Table 1.
Summary of the spray wet scrubber design parameters.
Figure 1.
Wet scrubber design.
3. Integrating the IoT System for the Hybrid Wet Scrubber
The Internet of Things (IoT) refers to devices, objects, or machines with IoT controllers, software, sensors, and network connections [17,18]. These devices can store and exchange data over wireless communication on the Internet. The data can be anything from environmental data collected through sensors or signals used for the remote control of the IoT device. The proposed IoT system was incorporated into the tower to manage the behavior data of the proposed hybrid wet scrubber tower for performance analysis. Figure 2 illustrates the detailed architecture of the designed IoT system.
Figure 2.
The architecture of the IoT system incorporated into the proposed hybrid wet scrubber tower.
The proposed system consisted of three layers: (1) IoT devices incorporated into the wet scrubber tower, (2) IoT communication, such as protocol and network technology, and (3) IoT cloud, which is a web application service for data collection and monitoring [19,20]. The IoT devices layer contains numerous sensors connected to the wet scrubber tower that are required for data collection [21,22]. In the water tank of the wet scrubber tower, water quality sensors were installed to collect data such as water level, pH, and electrical conductivity (EC) of water. At the inlet and outlet of the wet scrubber tower, air quality data, such as PM2.5 (µg/m3), relative humidity level (%), and temperature (°C), were collected. Subsequently, all the data collected from sensors were processed and transmitted to the IoT cloud layer using an IoT controller, which is an industrial-grade PLC controller. The IoT communication layer refers to the communication process between IoT devices and the IoT cloud. The IoT controller in the IoT devices layer was designed to connect and send all the data over cellular networks. Therefore, the MQTT protocol was essential in establishing communication between the IoT controller and the cloud [23]. All data collected from the IoT devices layer connected to the wet scrubber tower were processed in the cloud layer of the IoT system. The IoT cloud layer comprises a database and web application server to store the data and wait for the user to request the data display on the web browser [24].
4. Experimental Procedure
The experimental setup for PM2.5 removal by the IoT system and hybrid wet scrubber, using a combination of turbulent and spray wet scrubber technology, was developed as follows.
- (1)
- A 60 m3 experimental room was built as a controlled environment. Polluted air was produced using 2500 cc diesel direct engines from a 10-year-old pickup truck.
- (2)
- The prototype consisted of the experimental absorption tower encompassing an IoT system for real-time monitoring and was installed at the wet scrubber tower air inlet and outlet to measure PM2.5 levels. The Honeywell HPMA115S0 sensor was selected for this experiment. This suitable sensor is based on the EPA standards [25,26]. The HPMA115S0 sensor is a laser-based sensor that uses the light scattering method to measure the concentration of particles in the range of 0–1000 µg/m3. The sensor can provide an accuracy of ±15 µg/m3 for the measurement range of 0–1000 µg/m3 in control environments with a temperature of 25 °C and humidity of less than 95%.
- (3)
- PM2.5 concentrations in the inlet and outlet were measured using real-time monitoring over 4 h per experiment. According to (3), the PM 2.5 dust concentration at the inlet of every investigation was adjusted from 0 to 500 µg/m3. The dust removal efficiency was obtained using the following formula:where and were computed with 15 min intervals of data from the sensor monitor. and represent the concentration of PM2.5 in the inlet and outlet streams, respectively, and the area under the curve of PM2.5 concentration with interval time. The experimental setup is presented in Figure 3.
Figure 3. (a) Diagram of the wet scrubber tower with an IoT system for an indoor experiment; (b) developed wet scrubber tower installed indoors.
5. Result and Discussion
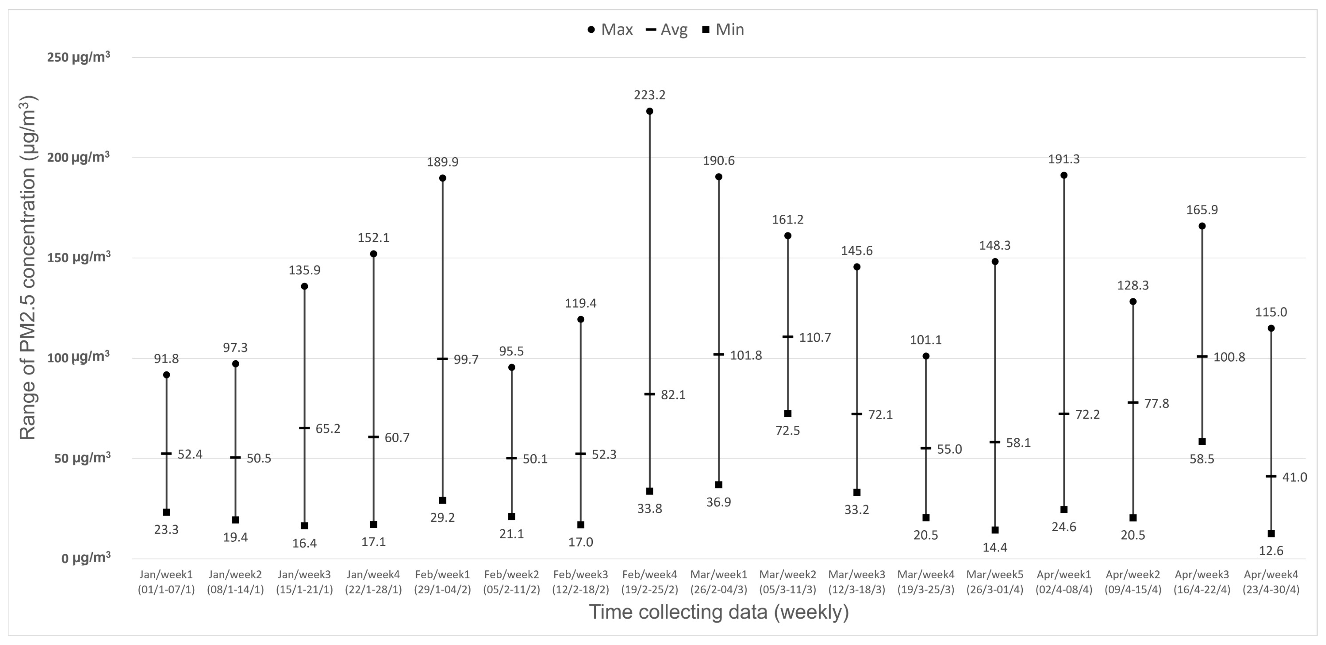
In experiment (3), the data on PM2.5 were collected from a bus shelter near the road in the center of the Phitsanulok municipality during the dry season between January and April 2023. The result was that the highest PM2.5 concentration occurred in February (223 µg/m3) (See Figure 4).
Figure 4.
PM2.5 data were collected from a bus shelter near the road in the center of the Phitsanulok municipality between January and April 2023.
The parameters for PM2.5 removal by wet scrubber tower, such as liquid-to-air ratio, turbulence created by water level above the nozzle, water droplet size, and packing material, were examined.
5.1. Effect of Liquid-to-Air Ratio
We investigated PM2.5 removal efficiency while keeping the flow rate of spray water constant at 45 L/min, using water droplets with a size of 270 µm. The airflow rate inputs were 8.51 m3, 6.08 m3, and 3.40 m3. The L/G coefficient, giving values of 5.41 L/m3, 9.56 L/m3, and 13.21 L/m3, is calculated from the water for the spray part at 45 L/min divided by the air volume that decreases by the air velocity falling from water resistance increasing by the water level above the nozzle. The influence of the liquid-to-air ratio on the average efficiency of PM2.5 removal with an air inlet concentration of 50–500 µg/m3 is shown in Figure 5, and the average efficiency of removal of PM2.5 is presented in Table 2. The results demonstrate that the average efficiency in removing PM2.5 operated using only the spray scrubbing method was 38.6% at the liquid-to-air ratio of 5.14 L/m3. However, the average efficiency increased, reaching 58.6% at the liquid-to-air ratio of 13.21 L/m3. Thus, lowering the air flow rate (lower amount of PM2.5) captured more PM2.5 water capacity (still constant flow rate at 45 L/min). The increasing liquid-to-air ratio resulted in a higher efficiency, which Danzomo [8] also reported. The experiment outcomes align with those recommended by the US EPA, with removal efficiencies of 60–80% for particles with a diameter ranging from 3 µm to 5 µm. Below 3 µm, removal efficiencies declined to less than 50% for the spray scrubbing method [4,5].
Figure 5.
Effect of liquid-to-air ratio as 5.41 L/m3, 9.56 L/m3, and 13.21 L/m3 on PM2.5 removal: average efficiency with a water droplet size of 270 µm operating with an air inlet concentration range of 50–500 µg/m3.
Table 2.
Effect of liquid-to-air ratio as 5.41 L/m3 and 13.21 L/m3 on PM2.5 removal efficiency.
5.2. Effect of Water Droplet Size
The effect of water droplet size on the average PM2.5 removal efficiency was investigated using a liquid-to-air ratio of 13.21 L/m3. The results are presented in Table 3. Water droplets with a size of 270 µm, 380 µm, and 520 µm had an average PM2.5 removal efficiency of 58.63%, 53.03%, and 38.63%, respectively. Small water droplets enhanced PM2.5 absorption more than larger ones, generating more surface contact area and greater absorption capacity. This was in line with the results presented by Mussatti [27], who found that smaller droplets captured finer particles, as they had a larger surface-area-to-volume ratio [4].
Table 3.
The average efficiency of PM2.5 removal is based on water droplet size.
5.3. Effect of Turbulence
The turbulence in this spray wet scrubber tower was achieved by installing a deflector and baffle (Figure 6) at the airflow inlet. Moreover, the water level above the nozzle was varied (50, 100, or 150 mm) by keeping the spray water at 45 L/min. This experiment used turbulence coupled with spraying water droplets, and PM2.5 absorption was expected at droplets and deflectors.
Figure 6.
A schematic diagram of the turbulence wet scrubber system.
The deflector and baffle reduced airflow velocity by water airflow resistance and increased the efficiency of PM 2.5 removal. The results of the average efficiency of PM2.5 removal as a function of inlet PM2.5 concentration in the range of 50–500 µg/m3 and different water levels above the nozzle, comparing with and without the spraying water, are presented in Table 4 and Figure 7. During operation, a pressure drop was observed from 155.45 mm H2O to 223.25 mm H2O with a 0–150 mm water level. This pressure drop was created by airflow resistance. Using only turbulence without water spraying had an average efficiency of 42.83%, 59.67%, 66.03, and 71.56.59% at 0 mm, 50 mm, 100 mm, and 150 mm of water above the air outlet, respectively. This could be explained by the fact that higher water above the air outlet caused a longer residence time of absorption, resulting in higher PM2.5 removal.
Table 4.
Increasing liquid-to-air ratio as a function of water level above the nozzle.
Figure 7.
Comparison of PM2.5 removal efficiency for only turbulence and turbulence with water spraying.
In contrast, using turbulence with water spraying produced an average efficiency of 48.55%, 71.12%, 80.83%, and 87.59% at 0 mm, 50 mm, 100 mm, and 150 mm of water above the air outlet, respectively. Adding water spraying absorption to the turbulence technique enhanced PM2.5 removal efficiency. In particular, higher water levels created a higher difference in average efficiency between turbulence and turbulence coupled with water spraying, which was 16% at a water level of 150 mm. The airflow speed was reduced by the airflow resistance of water above the air outlet, creating a higher liquid-to-air ratio from 5.14 L/m3 to 9.03 L/m3. Therefore, increased PM2.5 removal efficiency was observed with rising water levels, as shown in Table 4. This result was observed in previous studies [12,13,15,16]. Moreover, the results of the concentration of PM2.5 output during operation of the water spraying system with turbulence at water levels of 50–150 mm was less than 15 µg/m3, which met WHO guidelines for PM2.5 intensity.
Figure 8 shows the PM2.5 removal using turbulence with a water level of 150 mm operating with water spraying, the method which produced the highest efficiency. Figure 8 also presents the average removal efficiency and PM2.5 outlet concentration at an inlet range of 50–500 µg/m3. The average efficiency remained in the 85–92% range, whereas the outlet concentration increased from 9.88 µg/m3 to 14.62 µg/m3, and the inlet concentration increased from 50 µg/m3 to 250 µg/m3. The outlet concentration found in this study (14.62 µg/m3) was slightly lower than the WHO standard, as this standard specifies a PM2.5 outlet concentration of less than 15 µg/m3 at an inlet concentration of 250 µg/m3. However, the average outlet concentration over the range inlet concentration of 50–500 µg/m3 was 31.66 µg/m3. This met the guidelines of the Pollution Control Department of Thailand, which allows outlet concentrations of less than 35 µg/m3.
Figure 8.
Effect of 150 mm water level on average PM2.5 removal efficiency and PM2.5 outlet concentration operating with water spraying.
5.4. Effect of Packed Bed Type Absorption Tower
The packing material was expected to promote PM2.5 absorption due to increased contact surface and time between air and water. We used two types of packing materials: the Pall ring (A), with a specific surface of 102 m2/m3 of media, and the Raschig ring (B), with 190 m2/m3 of media (Figure 9). Each type was filled in an absorption tower with approximately the same surface contacting area of 100 m2. The effect of two types of packing material on the average PM2.5 removal was investigated in relation to the average PM2.5 removal in the absence of packing material. During operation, the liquid-to-air ratio and water droplet size were 13.21 L/m3 and 270 µm, respectively. They were set up with an air input concentration range of 50–500 µg/m3. Figure 10 and Table 5 show the results of the experiments with and without packing material. The average PM2.5 removal efficiency with water spraying only, water spraying and packed bed type A, and water spraying, and packed bed type B was 58.63%, 53.03%, and 52.31%, respectively. No improvement was found after adding packing material. The efficiency of using both types of packing material was approximately the same and it was lower than that obtained without any packing material by approximately 5%. The function of both types of packing material was the deceleration of the droplets with barriers in packing material and droplets merged to form bigger droplets when hitting the barriers, resulting in a decrease in contact surface area between air and water. US EPA [5] suggests that packed-bed scrubbers are more suitable for gas scrubbing than PM scrubbing, as the bed clogs and plugging are more challenging to access and clean and it is challenging to change the spray heads. The packed-bed wet scrubber can be used for low dust-loading applications and particulate matter larger than 5 µm [4,5].
Figure 9.
Packed bed type. (a) Pall ring; (b) Raschig ring.
Figure 10.
Effect of packed bed on average efficiency of PM2.5 removal.
Table 5.
Effect of packed bed type.
6. Conclusions
This study aimed to design a smart wet scrubber tower using the IoT system for real-time monitoring and examine the parameters that affected the performance of PM2.5 removal efficiency. The following results were obtained:
- Increasing the liquid-to-air ratio increased the average PM2.5 removal efficiency. The maximum efficiency (58.6%) was observed at the upper limit of the liquid-to-air ratio of the wet scrubber (13.21 L/m3).
- Spraying with small droplets produced a higher average PM2.5 removal efficiency. A droplet size of 270 µm exhibited the highest efficiency (58.63%).
- Turbulence in the spray wet scrubber tower was enabled via installation of a deflector and baffle. Increasingly, the water level in the deflector and baffle enhanced efficiency. The maximum efficiency (71.56%) was achieved at a water level of 150 mm using only a turbulence system. When the wet scrubber tower operates using both spraying water and turbulence, absorption efficiency increases from 71.56% to 87.59% at 150 mm of water level and 9.03 L/m3 liquid-to-air ratio. This condition produced an output concentration of PM2.5 that met the WHO guidelines for PM2.5 intensity. The wet scrubber tower could clean 13,320 m3/d of air and remove 2464 g of PM2.5 daily.
- The Pall and Raschig rings packing material type did not promote absorption efficiency, as the droplets became bigger when passing through the packing the material, resulting in a decreasing contact area between the surface and water.
Author Contributions
Conceptualization, A.W.; Methodology, A.W.; Software, A.W. and N.J.; Validation, P.M. and T.V.; Formal analysis, A.W. and T.V.; Investigation, A.W. and P.M.; Resources, A.W.; Data curation, A.W. and N.J.; Writing—original draft, A.W.; Writing—review & editing, T.V.; Supervision, T.V. All authors have read and agreed to the published version of the manuscript.
Funding
This research was funded by the Broadcasting and Telecommunications Research and Development Fund for Public Interest Thailand/Granted No. A64-1-(2)-005.
Data Availability Statement
Data are available on request from the authors.
Acknowledgments
The authors would like to express gratitude to the Center of Fuels and Energy from Biomass, Chulalongkorn University, for their kind support throughout this research project.
Conflicts of Interest
The authors declare no conflict of interest.
References
- Chulalongkorn University. Stay Safe in the PM 2.5 Dust. Available online: https://www.chula.ac.th/en/news/26593/ (accessed on 7 November 2020).
- Clean Air Association of Thailand. Clean Air White Paper, Thailand. Available online: http://www.tei.or.th/file/library/2019-clean-air-white-paper_26.pdf (accessed on 7 November 2022).
- Oanh, N.T.; Kondo, Y.; Co, H.X. Investigation on the Impacts of Urban-Rural Air Pollution on Air Quality and Climate in Southeast Asia; Final report for APN project: ARCP2007–07CMY-Oanh; Asia Pacific Network for Global Change Research: Kobe, Japan, 2009. [Google Scholar]
- Karl, B.S., Jr.; Charles, A.B. Air Pollution Control Technology Handbook; CRC Press: Boca Raton, FL, USA, 2021. [Google Scholar]
- United States Environmental Protection Agency. EPA Air Pollution Control Cost Manual. Available online: https://www3.epa.gov/ttncatc1/dir1/c_allchs.pdf (accessed on 7 November 2020).
- Kim, H.; Jung, C.; Oh, S.N.; Lee, K.W. Particle Removal Efficiency of Gravitational Wet Scrubber Considering Diffusion, Interception, and Impaction. Environ. Eng. Sci. 2001, 18, 125–136. [Google Scholar] [CrossRef]
- Jiuan, Y.L. Evaluation of Wet Scrubber Systems; University of Southern Queensland: Toowoomba, QLD, Australia, 2005. [Google Scholar]
- Danzomo, B.A.; Salami, M.J.E.; Jabirin, S.; Khan, M.; Nor, I.M. Performance Evaluation of Wet Scrubber System For Industrial Air Pollution Control. ARPN J. Eng. Appl. Sci. 2012, 7, 1669–1677. [Google Scholar]
- Mohammad Javad, J.; Majid, H.; Ahmadreza, Y.; Yadoolah, M.; Roohollah, G.; Marzieh, K. The Role of Packing Media in a Scrubber Performance Removing Sulfuric Acid Mists. Int. J. Occup. Hyg. 2015, 4, 26–31. [Google Scholar]
- Hegely, L.; Roesler, J.; Alix, P.; Rouzineau, D.; Meyer, M. Absorption methods for the determination of mass transfer parameters of packing internals: A literature review. AIChE J. 2017, 63, 3246–3275. [Google Scholar] [CrossRef]
- Buonicore, A.J.; Davis, W.T. Air Pollution Engineering Manual; Van Nostrand Reinhold: New York, NY, USA, 1992. [Google Scholar]
- Lee, B.-K.; Mohan, B.R.; Byeon, S.-H.; Lim, K.-S.; Hong, E.-P. Evaluating the performance of a turbulent wet scrubber for scrubbing particulate matter. J. Air Waste Manag. Assoc. 2013, 63, 499–506. [Google Scholar] [CrossRef] [PubMed]
- Meikap, B.C.; Biswas, M.N. Fly-ash removal efficiency in a modified multi-stage bubble column scrubber. Sep. Purif. Technol. 2004, 36, 177–190. [Google Scholar] [CrossRef]
- Lee, B.-K.; Jung, K.-R.; Park, S.-H. Development and application of a novel swirl cyclone scrubber—(1) Experimental. J. Aerosol Sci. 2008, 39, 1079–1088. [Google Scholar] [CrossRef]
- Park, S.-H.; Lee, B.-K. Development and application of a novel swirl cyclone scrubber: (2) Theoretical. J. Hazard. Mater. 2009, 164, 315–321. [Google Scholar] [CrossRef] [PubMed]
- Raj Mohan, B.; Meikap, B.C. Performance characteristics of the particulate removal in a novel spray-cum-bubble column scrubber. Chem. Eng. Res. Des. 2009, 87, 109–118. [Google Scholar] [CrossRef]
- Noura, M.; Atiquzzaman, M.; Gaedke, M. Interoperability in Internet of Things: Taxonomies and Open Challenges. Mob. Netw. Appl. 2019, 24, 796–809. [Google Scholar] [CrossRef]
- Sethi, P.; Sarangi, S.R. Internet of Things: Architectures, Protocols, and Applications. J. Electr. Comput. Eng. 2017, 2017, 9324035. [Google Scholar] [CrossRef]
- Minerva, R.; Abyi, B.; Domenico, R. Towards a definition of the Internet of Things (IoT). IEEE Internet Initiat. 2015, 1, 1–86. [Google Scholar]
- IEEE Std 2413–2019; IEEE Standard for an Architectural Framework for the Internet of Things (IoT). IEEE: New York, NY, USA, 2020; pp. 1–269. [CrossRef]
- Cao, K.; Liu, Y.; Meng, G.; Sun, Q. An Overview on Edge Computing Research. IEEE Access 2020, 8, 85714–85728. [Google Scholar] [CrossRef]
- Tubaishat, M.; Madria, S. Sensor networks: An overview. IEEE Potentials 2003, 22, 20–23. [Google Scholar] [CrossRef]
- Hunkeler, U.; Truong, H.L.; Stanford-Clark, A. MQTT-S—A publish/subscribe protocol for Wireless Sensor Networks. In Proceedings of the 2008 3rd International Conference on Communication Systems Software and Middleware and Workshops (COMSWARE ‘08), Bangalore, India, 6–10 January 2008; pp. 791–798. [Google Scholar]
- Paolis, L.T.D.; Luca, V.D.; Paiano, R. Sensor data collection and analytics with thingsboard and spark streaming. In Proceedings of the 2018 IEEE Workshop on Environmental, Energy, and Structural Monitoring Systems (EESMS), Salerno, Italy, 21–22 June 2018; pp. 1–6. [Google Scholar]
- Alfano, B.; Barretta, L.; Del Giudice, A.; De Vito, S.; Di Francia, G.; Esposito, E.; Formisano, F.; Massera, E.; Miglietta, M.L.; Polichetti, T. A Review of Low-Cost Particulate Matter Sensors from the Developers’ Perspectives. Sensors 2020, 20, 6819. [Google Scholar] [CrossRef] [PubMed]
- Hong, G.-H.; Le, T.-C.; Tu, J.-W.; Wang, C.; Chang, S.-C.; Yu, J.-Y.; Lin, G.-Y.; Aggarwal, S.G.; Tsai, C.-J. Long-term evaluation and calibration of three types of low-cost PM2.5 sensors at different air quality monitoring stations. J. Aerosol Sci. 2021, 157, 105829. [Google Scholar] [CrossRef]
- Mussatti, D.; Hemmer, P. EPA/452/B-02-001, Section 6 Particulate Matter Controls, Chapter 2 Wet Scrubbers for Particulate Matter. Available online: https://www.epa.gov/sites/default/files/2020-07/documents/cs6ch2.pdf (accessed on 3 November 2022).
Disclaimer/Publisher’s Note: The statements, opinions and data contained in all publications are solely those of the individual author(s) and contributor(s) and not of MDPI and/or the editor(s). MDPI and/or the editor(s) disclaim responsibility for any injury to people or property resulting from any ideas, methods, instructions or products referred to in the content. |
© 2023 by the authors. Licensee MDPI, Basel, Switzerland. This article is an open access article distributed under the terms and conditions of the Creative Commons Attribution (CC BY) license (https://creativecommons.org/licenses/by/4.0/).









