Abstract
The wet oxidation of pharmaceutical sludge for the treatment and production of value-added materials was investigated. The experiments were carried out in a stainless-steel autoclave reactor with chemical synthetic pharmaceutical sludge. The highest removal rate of total suspended solids (90.1%) and volatile suspended solids (98.4%) was achieved at 260 °C for 60 min with an initial oxygen pressure of 0.8 MPa. Simultaneously, the total chemical oxygen demand removal rate (78.7%) and the soluble chemical oxygen demand removal rate (81.6%) were obtained. The volatile fatty acid concentration—including acetic acid, propanoic acid, isobutyric acid and isovaleric acid—increased to 4819 mg/L with pH 12.56, which indicated the possibility of improving the quality of wet oxidized sludge solution as a potential carbon source by adding reagents. Scanning electron microscopy images showed that the sludge became a loose porous structure after wet oxidation, which is beneficial for dewatering performance. Energy dispersive spectroscopy images illustrate that carbon elements in sludge migrate from solid to liquid phases during the wet oxidation process. These results provide meaningful data for the design of further works and demonstrate that wet oxidation is a promising method for the treatment of pharmaceutical sludge, and the produced volatile fatty acids, including acetic acid and propanoic acid, are potential carbon sources for the biological treatment of wastewater.
1. Introduction
In the past few years, due to the growing concern for the improvement of human and livestock health, the pharmaceutical industry developed rapidly, which induced the production of a large amount of pharmaceutical wastewater. As a result, plenty of residual sludge was produced during the biological treatment of wastewater, which could cause significant environmental risks [1]. For example, pharmaceutical sludge contains a high concentration of various hazardous wastes with poor stability, such as refractory antibiotics and pathogenic microorganisms. In particular, some antibiotics are contained in pharmaceutical sludge. Therefore, it is necessary to dispose of pharmaceutical sludge effectively and completely. Traditionally, sludge was mainly treated by the following pathways: landfill, anaerobic digestion, and incineration [2,3]. Among the methods mentioned above, incineration is the most common one for the treatment of pharmaceutical sludge; however, it requires a large amount of investment in building construction and equipment installation and operation. Furthermore, secondary pollutants such as dioxins, nitrogen oxides, and dust are released during the incineration process [4]. Therefore, it is necessary to develop a suitable alternative disposal that can treat the waste effectively and deal with the unique characteristics of pharmaceutical sludge.
Extensive studies have been performed to treat these hazardous and refractory organic compounds by using advanced oxidation processes [5,6]. Wet oxidation (WO) is an effective thermal treatment method that is commonly performed at a temperature of 150–320 °C and a pressure of 2–15 MPa [7]. In the first step of WO, thermal hydrolysis occurs with the solubilization process, that is, the dissolution of solid to liquid. Subsequently, the organic pollutants are oxidized by free-radical agents produced under hydrothermal conditions, producing small molecule organics that are eventually oxidized into CO2 and H2O [8]. The WO process results in high volatile suspended solids (VSS) and chemical oxygen demand (COD) removal rates [9]. In fact, WO technology provides a high reduction of sludge, stabilization of heavy metals, and sludge mineralization, and small molecule organics can be utilized as a resource. Furthermore, the WO process is cheaper than the expensive incineration method, which always has high operating costs and air pollution discharges. In addition, the WO process can be performed with self-sustaining conditions, and heat can even be produced from wastes when the concentration of substrate is high enough. However, the widespread utilization of WO technology is influenced by its high temperature and pressure conditions, which are bound to high equipment and running expenses. Therefore, it is necessary to decrease the cost, for example, by producing some value-added materials. Once useful chemicals and products are acquired from the WO of sludge, then the influence of economic factors would be decreased, which is favorable for the utilization of WO in the sludge treatment area.
Many studies suggest technologies that could produce value-added materials from sludge, which include anaerobic digestion, hydrothermal gasification, and other methods [10]. There is no ideal method yet, considering the efficiency, cost, secondary pollution, and catalyst contamination. Since most organic materials are concentrated in particulates of the sludge, and only a small part of the sludge is dissolved, they are not readily accessible for further utilization. However, it has been found that carboxylic acids—including acetic acid, formic acid, and propanoic acid—can be produced by the WO of sludge and can be used as organic carbon sources in the wastewater treatment process.
Nowadays, most of the literature is focused on the production of volatile fatty acids (VFAs). For example, Gapes et al. stated that the WO of sludge could lead to better yield or increased purity of the generated acids, but, unfortunately, other papers associated with this subject have not been published yet [11]. The generation of acetic acid, the effect of substrate concentration, and the ratio of oxidant amount to total chemical oxygen demand (TCOD) have been less studied. The propanoic acid concentration was reported to increase from 0 mg/L at 180 °C to 13.5 mg/L at 240 °C; according to the study by Chung et al. [12], the increase was small, probably because the propanoic acid concentration goes through a maximum at a temperature between 180 and 240 °C. The effect of oxygen amount in acetic acid at 220, 230, and 240 °C within the reaction time of 60 min was quite complex [13]. At a fixed temperature and constant reaction time, Wu et al. [14] found that propanoic and butyric acid concentrations did not rise as expected when the total suspended solids (TSS) of the feed increased, but they went through maxima at around 6.4% TSS.
In conclusion, the available literature focuses on the improvement of the subsequent process of anaerobic digestion by maximizing the production of acetic acid. Actually, the VFAs, especially for the small molecule carboxylic acid, were easily adopted by microorganisms in the wastewater treatment process. Therefore, the effect of WO operation parameters on the formation and selectivity of products such as VFAs and acetic acid should be studied in depth.
With the rapid development of computer science and technology in recent years, research in the field of the environment has begun to integrate more deeply with it. There have been some studies in the field of biomass thermochemical treatment; Li et al. summarized the current outcomes of machine learning in predicting the yields, compositions, and properties of wet and dry biomass thermal treatments [15]. Shahbeik et al. combined the k-approximation algorithm, principal component analysis, and random forest regression model to develop a universal machine learning model for determining the distribution and composition of sludge pyrolysis products [16]. In the field of wet oxidation, Zhang et al. applied artificial neural networks to predict the total organic carbon removal rate of catalytic wet air oxidation and catalytic wet peroxide oxidation and found higher accuracy compared to response surface methodology [17]. However, research on the combination of wet oxidation technology and advanced computer science methods, such as machine learning, to predict reaction results is currently scarce and still requires further study.
In this study, the objectives were to (1) evaluate the influence of reaction temperature on TSS, VSS, TCOD, and SCOD removal rate after treatment and the level of sludge liquefaction; (2) reveal the factors that can enhance the production of VFAs such as reaction temperature and initial pH of the substrate; and (3) use scanning electron microscope (SEM) to study the characteristics of the WO residues and energy dispersive spectroscopy (EDS) to study the element distribution. To accomplish the objectives above, data were obtained experimentally and quantitative methods were used. Results from this project could provide important information to understand the WO process of pharmaceutical sludge.
2. Material and Methods
2.1. Materials
The experiments were conducted with dewatered pharmaceutical sludge obtained from a wastewater treatment plant (Taizhou, Zhejiang, China) supporting a pharmaceutical factory. The initial parameters of the sludge were as follows: VSS, 160.6 g/L; TSS, 192.3 g/L; VSS/TSS, 83.5%; pH, 8.17; and TCOD, 206.3 g/L. The sludge was stored in a refrigerator at 4 °C to avoid possible biological activities during the whole process of experiments. All the reagents used in the experiments were of analytical grade and purchased from Sinopharm Chemical Reagent Co., Ltd., Shanghai, China.
2.2. Wet Oxidation Reaction Reactor
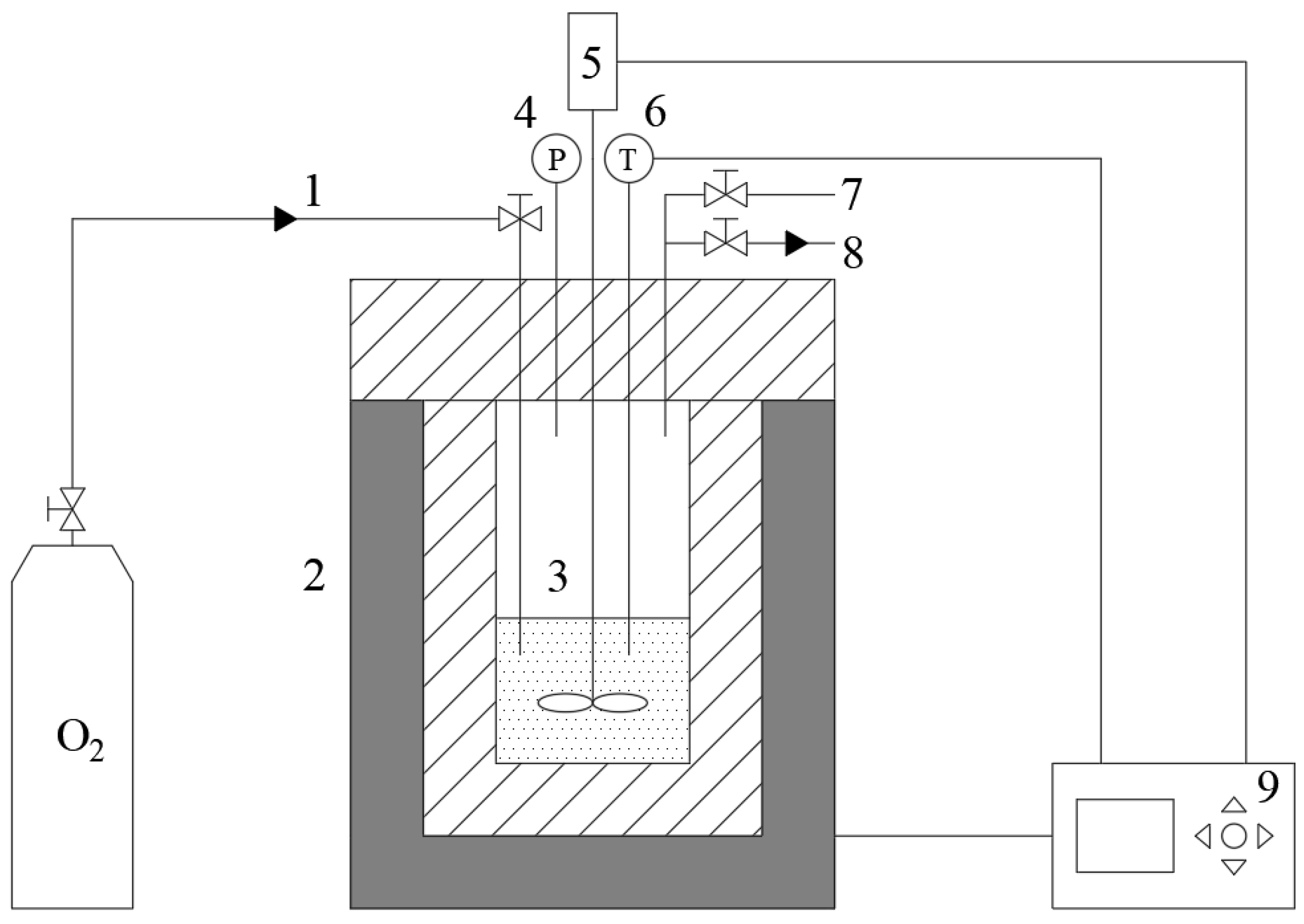
WO runs were conducted in a stainless-steel autoclave reactor purchased from Yanzheng Experiment Instrument Co., Ltd., Shanghai, China. The reactor integrates the function of heating, stirring, and temperature monitoring. The schematic diagram of the high-temperature and pressure reactor is shown in Figure 1.
Figure 1.
A schematic diagram of wet oxidation reactor. 1—input of pure oxygen, 2—heating jacket and the base, 3—oxidation reactor, 4—pressure meter, 5—magnetic stirrer, 6—thermocouple, 7—emergency bleeder valve, 8—output of gas, and 9—controller.
For a typical experiment run, 40 mL of sludge solution was added to the reactor initially. Then, pure O2 at 0.5 MPa was purged and vented three times to remove the air inside. On the fourth purge, oxygen was stored in the reactor as the oxidant and the pressure was increased to 0.8 MPa. The reaction temperature was set between 200 and 260 °C and monitored by a thermocouple to maintain a deviation of 2 °C. Once the reactor achieved the set temperature, the reaction time would start to count and was set to 60 min. The stirrer speed was kept constant at 300 rpm throughout the process. Since the WO runs were all conducted in batch mode, the pressure inside the reactor was self-pressurization and increased due to the rise of saturated vapor pressure during the reaction. After the desired reaction time, the reactor was immediately removed from the heating jacket and cooled down to room temperature without any assistance. The sample from this WO run could then be dealt with and analyzed. The purity of the O2 used in the WO reaction was 99.5% and was purchased from Huaxiong Gas Co., Ltd., Jiaxing, China.
2.3. Analysis
Various parameters such as TCOD, SCOD, TSS, VSS and pH were determined according to Standard Methods [18]. After acidification (pH < 2) and filtration with 0.22 μm membranes, VFAs were identified and quantitatively analyzed using gas chromatography (G5, Persee General Analytical Instrument Co., Ltd., Beijing, China) with bonded polyethylene glycol capillary columns (DB-FFAP, 30 m × 0.25 mm × 0.25 μm, Agilent Technologies Inc., Santa Clara, CA, USA) and flame ionization detector. Helium gas (Huaxiong Gas Co., Ltd., Jiaxing, China) was used as the carrier gas, and the temperature of the injector, column oven, and detector were fixed at 220, 160, and 220 °C, respectively. The powdered sample of dried sludge and WO residue were characterized by SEM (Gemini 300, Carl Zeiss AG, Oberkochen, Germany) and EDS (INCA X-Act, Oxford Instruments, Abingdon, UK) to observe the morphology and element distribution.
3. Results and Discussion
3.1. Removal of Total Suspended Solids and Volatile Suspended Solids
The effect of reaction temperature on the removal of TSS and VSS was investigated by varying the temperature from 200 to 260 °C. As shown in Figure 2, it is evident that the TSS and VSS removal rates increased simultaneously with the rise in temperature. The possible reason for this observation is that higher temperatures during the WO led to the more complete destruction of the cell wall, resulting in the solubilization of sludge and the decrease in TSS and VSS. The highest TSS removal rate (90.1%) and VSS removal rate (98.4%) were achieved at 260 °C in 60 min with an initial oxygen pressure of 0.8 MPa.
Figure 2.
Change in total suspended solids (TSS) and volatile suspended solids (VSS) removal rates at different reaction temperatures (60 min, initial oxygen pressure 0.8 MPa).
These findings align with the results reported by Strong et al. [19], who also used WO to dispose of sludge and achieved a TSS removal rate of 83% and a VSS removal rate of 93% at 220 °C for 2 h under a pure oxygen pressure of 2.0 MPa. The difference in TSS and VSS removal rates can be attributed to the high content of organic material, which is more easily dissolved into the liquid phase. Nonetheless, these results clearly demonstrate the significant impact of reaction temperature on the TSS and VSS removal rates, including the solubilization of sludge.
3.2. Removal of Total Chemical Oxygen Demand and Soluble Chemical Oxygen Demand
The value of COD can reflect the concentration of reducing contaminants and most organic pollutants. Therefore, the level of harmlessness of the sludge solution after the WO can be inferred by measuring TCOD. By measuring SCOD, the dissolved COD can be obtained. The effect of reaction temperature on the removal rates of TCOD and SCOD can be seen in Figure 3. TCOD significantly decreased as the reaction temperature rose. In detail, the value of the TCOD removal rate changed from the lowest value of 43.6% at 200 °C to 56.1% at 220 °C and 66.7% at 240 °C, while the reaction temperature rose. Consequently, the ratio of SCOD/TCOD increased from 52.2% at 200 °C to 64.7% at 220 °C and 80.9% at 240 °C. The maximum values of TCOD and SCOD removal rates, 78.7% and 81.6%, respectively, were obtained at 260 °C. Additionally, the maximum value of SCOD/TCOD, 86.6%, was also obtained at this temperature.
Figure 3.
Change in the chemical oxygen demand (COD) removal rate and the ratio of soluble chemical oxygen demand (SCOD)/total chemical oxygen demand (TCOD) at different reaction temperatures (60 min, initial oxygen pressure 0.8 MPa).
This trend is mainly due to the different reaction speeds of hydrolysis and oxidation. Shanableh et al. confirmed that the hydrolysis process goes faster than oxidation under subcritical conditions [20]. These results also illustrated the decrease in VSS under higher reaction temperatures, indicating that almost all the VSS was transferred to the liquid phase.
3.3. Production of Volatile Fatty Acids
During the WO process, organic materials could be oxidized to small molecule organics, carboxylic acid, and even carbon dioxide. VFAs are the dominant components of these intermediates, and they could be reused as value-added materials. The effect of reaction temperature on the concentration of acetic acid and VFAs is shown in Figure 4. The concentration of VFAs was found to increase dramatically as the reaction temperature rose. The maximum concentration of VFAs, 3977 mg/L, was obtained at 240 °C, which was more than twice that of low reaction temperature (1751 mg/L at 200 °C). Chung et al. [12] obtained similar data, showing that the concentration of acetic acid was quadrupled as the temperature rose within 40 min. At higher reaction temperatures, a slight decrease in VFAs’ concentration (3803 mg/L at 260 °C) was observed, mainly caused by the decomposition of C3-C6 VFAs.
Figure 4.
Production of acetic acid and volatile fatty acids (VFAs) with a reaction time of 60 min and an initial oxygen pressure of 0.8 MPa.
For acetic acid, the concentration increased from the minimum of 1512 mg/L (200 °C) to 2555 mg/L (220 °C) and 3575 mg/L (240 °C). However, it remained stable at around 3600 mg/L when the temperature rose from 240 to 260 °C. Shanableh et al. found that the maximum value of VFAs was obtained at 250 °C within 30 min, and the surplus oxidants would induce the oxidation of VFAs including acetic acid [21]. Therefore, this steady state might be caused by the slight decomposition of acetic acid as the temperature was quite high and oxidizers were abundant, which hindered the increase in acetic acid from the decomposition of other organic substances.
The value of acetic acid/VFAs was also calculated and proved that acetic acid was the main component of VFAs. The value was quite high from the very beginning (86.4% at 200 °C) and kept increasing with the rise of reaction temperature, reaching a peak of 94.8% at 260 °C. Acetic acid dominated post-reaction VFAs mainly because it was a stable intermediate and relatively resistant to decomposition under reaction conditions.
3.4. Effect of pH on the Production of Volatile Fatty Acids
The effect of initial pH is shown in Table 1. The experiments were performed at 260 °C with a reaction time of 60 min and an initial oxygen pressure of 0.8 MPa. The difference in the initial pH may influence the path of hydrolysis and oxidation, resulting in a change in the composition of small molecules after the reaction. Sulfuric acid and sodium hydroxide were added to adjust the pH of the substrate. Next, 10 mL of 0.1 mol/L sulfuric acid or 5 mL of 1 mol/L sodium hydroxide was added to the sample, and the same amount of pure water was reduced to ensure a consistent volume and COD concentration of the substrate.
Table 1.
The concentration of volatile fatty acids (VFAs) at different initial pH values.
It was obtained that an initial pH of 4.13, as well as the acidic substrate environment, had almost no impact on the concentration of acetic acid and VFAs. In contrast, after the WO run at an initial pH of 12.56, there was a 27.8% increase in the concentration of VFAs and a 28.9% increase in acetic acid, indicating an enhancement of VFAs and acetic acid production. In terms of C3-C6 VFAs, butyric acid and valeric acid could not be detected and were therefore neglected in Table 1. Meanwhile, a small amount of isobutyric acid and isovaleric acid were obtained (43 and 23 mg/L at an initial pH of 8.09). The concentration of propionic acid also increased by 16.0% with the addition of sodium hydroxide, but it still constituted a very small part of the total VFAs in comparison to acetic acid. Overall, both acetic and propionic acids were the main components of the VFAs regardless of the initial pH change, with acetic acid being the vast majority. This phenomenon is similar to the previous experimental results of Moreno et al. [22] and is also in line with the mechanism reported by Debellefontaine et al., which states that the main products at 250 °C are acetic and propionic acids [23].
The addition of sodium hydroxide induced more VFAs in the sludge solution after the WO process to be in the form of acid radical ions. The distribution of electron clouds on acid radical ions was more uniform than that of acids, resulting in better thermal stability of these small molecule organic acids. Therefore, the total concentration of VFAs was higher in an alkaline environment. However, it should be noted that a higher pH value increases the corrosion of the reaction equipment, which will induce an increase in the investment of the equipment. Therefore, the pH value should be adjusted in a suitable range. Additionally, Malhotra et al. also noted that a high initial pH at low temperature (180 °C) caused the free sugar in the WO solution to undergo a Maillard reaction [24], which might adversely affect subsequent biological treatment such as anaerobic digestion.
3.5. Characteristics of Sludge before and after Wet Oxidation
Scanning electron microscopy (SEM) and energy dispersive spectroscopy (EDS) were adopted to characterize the sludge before and after WO treatment, in order to investigate the changes in the microstructure, elemental composition, and distribution of sludge. Figure 5 illustrates the structural changes of the sludge before and after the WO reaction at scales of 100 nm, 500 nm, and 1 μm. Before the reaction, the sludge was in a cohesive and relatively complete block shape with sparse pores. After the WO reaction, the sludge particles became smaller and the number of pores significantly increased, which was conducive to the release of intercellular water and consequently improved dehydration performance.
Figure 5.
Scanning electron microscope (SEM) images before (a–c) and after (d–f) wet oxidation (260 °C, 0.8 MPa O2, initial pH 8.09) at scales of 100 nm (a,d), 500 nm (b,e) and 1 μm (c,f).
Further energy spectrum analysis shows (Figure 6) that the changes in the content of carbon and oxygen elements in the sludge before and after the WO reaction were significant. The carbon content in sludge decreased significantly after the WO reaction, while the oxygen content increased from 13.4% before the reaction to 25.4% after the reaction, indicating the formation of possible oxygen-containing substances. It should be noted that the TSS removal rate (90.1%) was obtained at 260 °C with a time of 60 min and an initial oxygen pressure of 0.8 MPa. Therefore, after the WO, the solid amount decreased significantly. Based on the calculation, the amount of Al and Fe increased. The possible reason may be that the metal ions were oxidized and precipitation occurred.
Figure 6.
Energy dispersive spectroscopy (EDS) images before (a) and after (b) sludge wet oxidation reaction.
3.6. Discussion on the Wet Oxidation Technology
Up to now, the detailed mechanism of sludge WO is still not very clear [25,26]. In fact, studying the mechanism is challenging due to the complexity of sludge and the complicated intermediates involved. However, WO is generally considered a free radical oxidation reaction [27]. Under hydrothermal conditions, the dissolution of oxygen leads to the production of a large number of free radicals, which possess strong oxidant activity. In the case of pharmaceutical sludge WO, based on the experimental results discussed above, it is hypothesized that hydrolysis is the first step. During hydrolysis, proteins and lipids decompose into the liquid phase along with the dissolution of inorganic materials.
As a result, a high VSS removal rate is acquired. Due to the high reaction temperature, the hydrolysis process occurs rapidly, even within several minutes. Once the solid materials are transferred to the liquid phase, the compounds will be oxidized by the strong oxidant free radicals. This oxidation process generates a significant amount of VFAs, including acetic acid, isobutyric acid, propanoic acid, etc. [28]. Thus, the biological oxygen demand/COD ratio of the liquid phase is very high, often exceeding 0.70 after complete reactions. Therefore, the liquid can be utilized as an organic carbon source in the wastewater treatment processes, as microorganisms readily consume it.
In some industries, sodium acetate is commonly purchased as a carbon source for industrial refractory wastewater treatment. Experimental results proved that the oxidation liquid produced through WO is useful for nitrogen removal in wastewater treatment. The advantage of WO also includes the exothermic reactions, which can help offset the energy consumption and maintain the reaction. After the WO reaction, the sludge particles become smaller and the pore structure significantly increases, which is conducive to the release of intercellular water and thus improves dehydration performance. The resulting solid can be used to produce ceramic aggregate or permeable brick. Therefore, WO can be regarded as an ideal method for the volume reduction and resource utilization of pharmaceutical sludge.
4. Conclusions and Prospects
The WO of pharmaceutical sludge for the treatment and production of value-added materials was investigated. Increased TSS and VSS removal rates were obtained with the rise in temperature. The maximum removal rates of 90.1% for TSS and 98.4% for VSS were achieved at 260 °C for 60 min with an initial oxygen pressure of 0.8 MPa. Simultaneously, the removal rates of TCOD and SCOD increased to a maximum of 78.7% and 81.6%, respectively. The liquefaction of sludge also reached its peak at 86.6% in terms of SCOD/TCOD ratio. The concentration of VFAs kept increasing from 200 to 240 °C and slightly decreased from 240 to 260 °C. Specifically, the concentration of acetic acid, the dominant component of VFAs, kept increasing from 200 to 240 °C and stabilizing from 240 to 260 °C. These trends indicate that there was a limit in the promotion of organic acid content by increasing temperature while keeping other conditions constant. Furthermore, the production of VFAs and acetic acid could be enhanced by improving their thermostability with alkaline substances such as NaOH. SEM images revealed that the sludge exhibited a loose porous structure, which is beneficial for dewatering performance. EDS images illustrated that carbon elements in sludge migrated from solid to liquid phases.
These findings have practical implications for the design of further experiments and industrial production. They demonstrate the possibility of enhancing the quality of wet oxidized sludge solution as a potential carbon source by adding reagents such as sodium hydroxide. These results confirm that the utilization of WO is a promising method for the treatment of pharmaceutical sludge. The VFAs produced, including acetic acid and propanoic acid, can serve as potential carbon sources for the biological treatment of wastewater.
However, it should be noted that the results of this study were obtained with a batch reactor. Continuous flow reaction systems are more accurate for practical applications. Additionally, it is important to investigate various pharmaceutical sludge from different sources to verify the efficiency of WO. Furthermore, future studies should include a wider range of sludge types as the raw material.
Considering the sustainability of the WO method, it is worth mentioning the extensive and meaningful studies conducted by Sadowska et al. in this area [29,30]. The potential benefits of value-added materials from the WO process are closely related to their environmental sustainability. Therefore, it is important to assess the sustainability features of WO technologies. Advanced assessment tools, such as techno-economic analysis, life cycle assessment analysis, energy analysis, emergy analysis and exergy analysis, as presented by Gheewala et al. [31], can be effective in evaluating sustainability characteristics and generating comprehensive results [32]. Thus, studies on the sustainability of the WO method should be conducted to accelerate the industrial utilization of WO technologies.
Author Contributions
Conceptualization, X.Z.; methodology, G.Y.; resources, Y.Z. (Yangyuan Zhou) and J.Z.; data curation C.Q. and X.L.; writing—original draft preparation, K.F., X.Z. and G.Y.; writing—review and editing, K.F. and X.Z.; funding acquisition, S.X. and X.Z.; project administration, Y.Z. (Yuting Zhu); supervision, S.X. All authors have read and agreed to the published version of the manuscript.
Funding
This work was supported by the National Key R&D Program of China (2021YFC3201301; 2018YFC1902103) and the National Natural Science Foundation of China (51978499).
Data Availability Statement
The data presented in this study are available on request from the corresponding author.
Conflicts of Interest
The authors declare no conflict of interest.
Abbreviations
| COD | chemical oxygen demand |
| EDS | energy dispersive spectroscopy |
| SCOD | soluble chemical oxygen demand |
| SEM | scanning electron microscopy |
| TCOD | total chemical oxygen demand |
| TSS | total suspended solids |
| VFAs | volatile fatty acids |
| VSS | volatile suspended solids |
| WO | wet oxidation |
References
- Li, C.X.; Xie, S.Y.; You, F.T.; Zhu, X.Y.; Li, J.; Xu, X.H.; Yu, G.W.; Wang, Y.; Angelidaki, I. Heavy metal stabilization and improved biochar generation via pyrolysis of hydrothermally treated sewage sludge with antibiotic mycelial residue. Waste Manag. 2021, 119, 152–161. [Google Scholar] [CrossRef] [PubMed]
- Li, R.; Pan, J.; Yan, M.; Yang, J.; Wang, Y. Comparative Treatment Efficiency and Fatty Acid Synthesis of Chlorella vulgaris: Immobilization Versus Co-cultivation. Waste Biomass Valorization 2021, 12, 4399–4405. [Google Scholar] [CrossRef]
- Yu, G.T.; Chen, D.Z.; Arena, U.; Huang, Z.; Dai, X.H. Reforming sewage sludge pyrolysis volatile with Fe-embedded char: Minimization of liquid product yield. Waste Manag. 2018, 73, 464–475. [Google Scholar] [CrossRef] [PubMed]
- Lin, H.; Ma, X.Q. Simulation of co-incineration of sewage sludge with municipal solid waste in a grate furnace incinerator. Waste Manag. 2012, 32, 561–567. [Google Scholar] [CrossRef] [PubMed]
- Yu, H.; Nie, E.; Xu, J.; Yan, S.W.; Cooper, W.J.; Song, W.H. Degradation of Diclofenac by Advanced Oxidation and Reduction Processes: Kinetic Studies, Degradation Pathways and Toxicity Assessments. Water Res. 2013, 47, 1909–1918. [Google Scholar] [CrossRef] [PubMed]
- Bustillo-Lecompte, C.F.; Mehrvar, M.; Quinones-Bolanos, E. Cost-effectiveness analysis of TOC removal from slaughterhouse wastewater using combined anaerobic-aerobic and UV/H2O2 processes. J. Environ. Manag. 2014, 134, 145–152. [Google Scholar] [CrossRef]
- Prince-Pike, A.; Wilson, D.I.; Baroutian, S.; Andrews, J.; Gapes, D.J. A kinetic model of municipal sludge degradation during non-catalytic wet oxidation. Water Res. 2015, 87, 225–236. [Google Scholar] [CrossRef]
- Robert, R.; Barbati, S.; Ricq, N.; Ambrosio, M. Intermediates in wet oxidation of cellulose: Identification of hydroxyl radical and characterization of hydrogen peroxide. Water Res. 2002, 36, 4821–4829. [Google Scholar] [CrossRef]
- Slavik, E.; Galessi, R.; Rapisardi, A.; Salvetti, R.; Bonzagni, P.; Bertanza, G.; Menoni, L.; Orhon, D.; Sozen, S. Wet Oxidation as an Advanced and Sustainable Technology for Sludge Treatment and Management: Results from Research Activities and Industrial-Scale Experiences. Dry. Technol. 2015, 33, 1309–1317. [Google Scholar] [CrossRef]
- SundarRajan, P.; Gopinath, K.P.; Arun, J.; GracePavithra, K.; Joseph, A.A.; Manasa, S. Insights into valuing the aqueous phase derived from hydrothermal liquefaction. Renew. Sustain. Energy Rev. 2021, 144, 111019. [Google Scholar] [CrossRef]
- Gapes, D.J.; Stuthridge, T.R.; Strong, P.J.; Lei, R.J.; Aggrey, A. Treatment of Biomass. WO2013128390A1, 6 September 2013. [Google Scholar]
- Chung, J.; Lee, M.; Ahn, J.; Bae, W.; Lee, Y.W.; Shim, H. Effects of operational conditions on sludge degradation and organic acids formation in low-critical wet air oxidation. J. Hazard. Mater. 2009, 162, 10–16. [Google Scholar] [CrossRef]
- Baroutian, S.; Smit, A.M.; Andrews, J.; Young, B.; Gapes, D. Hydrothermal degradation of organic matter in municipal sludge using non-catalytic wet oxidation. Chem. Eng. J. 2015, 260, 846–854. [Google Scholar] [CrossRef]
- Wu, Y.C.; Hao, O.J.; Olmstead, D.G.; Hsieh, K.P.; Scholze, R.J. Wet air oxidation of anaerobically digested-sludge. J. Water Pollut. Control Fed. 1987, 59, 39–46. [Google Scholar]
- Li, H.; Chen, J.; Zhang, W.; Zhan, H.; He, C.; Yang, Z.; Peng, H.; Leng, L. Machine-learning-aided thermochemical treatment of biomass: A review. Biofuel Res. J. 2023, 10, 1786–1809. [Google Scholar] [CrossRef]
- Shahbeik, H.; Rafiee, S.; Shafizadeh, A.; Jeddi, D.; Jafary, T.; Lam, S.S.; Pan, J.; Tabatabaei, M.; Aghbashlo, M. Characterizing sludge pyrolysis by machine learning: Towards sustainable bioenergy production from wastes. Renew. Energy 2022, 199, 1078–1092. [Google Scholar] [CrossRef]
- Zhang, C.; Sun, W.; Wei, H.; Sun, C. Application of artificial intelligence for predicting reaction results in advanced oxidation processes. Environ. Technol. Innov. 2021, 23, 101550. [Google Scholar] [CrossRef]
- Lipps, W.C.; Baxter, T.E.; Braun-Howland, E.B.; Association, A.P.H.; Association, A.W.W. Standard Methods for the Examination of Water and Wastewater, 24th ed.; American Public Health Association: Washington, DC, USA, 2023. [Google Scholar]
- Strong, P.J.; McDonald, B.; Gapes, D.J. Combined thermochemical and fermentative destruction of municipal biosolids: A comparison between thermal hydrolysis and wet oxidative pre-treatment. Bioresour. Technol. 2011, 102, 5520–5527. [Google Scholar] [CrossRef]
- Shanableh, A. Production of useful organic matter from sludge using hydrothermal treatment. Water Res. 2000, 34, 945–951. [Google Scholar] [CrossRef]
- Shanableh, A.; Jomaa, S. Production and transformation of volatile fatty acids from sludge subjected to hydrothermal treatment. Water Sci. Technol. 2001, 44, 129–135. [Google Scholar] [CrossRef]
- Moreno, J.F.; Oulego, P.; Collado, S.; Diaz, M. Production of biolipids from volatile fatty acids of sewage sludge by Yarrowia lipolytica. Fuel 2023, 348, 128488. [Google Scholar] [CrossRef]
- Debellefontaine, H.; Foussard, J.N. Wet air oxidation for the treatment of industrial wastes. Chemical aspects, reactor design and industrial applications in Europe. Waste Manag. 2000, 20, 15–25. [Google Scholar] [CrossRef]
- Malhotra, M.; Garg, A. Performance of non-catalytic thermal hydrolysis and wet oxidation for sewage sludge degradation under moderate operating conditions. J. Environ. Manag. 2019, 238, 72–83. [Google Scholar] [CrossRef] [PubMed]
- Lin, S.H.; Ho, S.J.; Wu, C.L. Kinetic and performance characteristics of wet air oxidation of high-concentration wastewater. Ind. Eng. Chem. Res. 1996, 35, 307–314. [Google Scholar] [CrossRef]
- Mishra, V.S.; Mahajani, V.V.; Joshi, J.B. WET AIR OXIDATION. Ind. Eng. Chem. Res. 1995, 34, 2–48. [Google Scholar] [CrossRef]
- Urrea, J.L.; Collado, S.; Oulego, P.; Diaz, M. Wet oxidation of the structural sludge fractions. J. Clean. Prod. 2017, 168, 1163–1170. [Google Scholar] [CrossRef]
- Jin, F.M.; Zeng, X.; Jing, Z.Z.; Enomoto, H. A Potentially Useful Technology by Mimicking Nature-Rapid Conversion of Biomass and CO2 into Chemicals and Fuels under Hydrothermal Conditions. Ind. Eng. Chem. Res. 2012, 51, 9921–9937. [Google Scholar] [CrossRef]
- Sadowska, B.; Szczypa, P. Measurement and valuation of non-productive functions of forest in the accounting system—Selected features. Zesz. Teoretyczne Rachun. 2018, 2018, 99–114. [Google Scholar] [CrossRef]
- Sadowska, B. Accounting in municipal sector entities—Current status and prospect of changes. Zesz. Teoretyczne Rachun. 2019, 2019, 151–168. [Google Scholar] [CrossRef]
- Gheewala, S.H. Life cycle assessment for sustainability assessment of biofuels and bioproducts. Biofuel Res. J. 2023, 10, 1810–1815. [Google Scholar] [CrossRef]
- Aghbashlo, M.; Hosseinzadeh-Bandbafha, H.; Shahbeik, H.; Tabatabaei, M. The role of sustainability assessment tools in realizing bioenergy and bioproduct systems. Biofuel Res. J. 2022, 9, 1697–1706. [Google Scholar] [CrossRef]
Disclaimer/Publisher’s Note: The statements, opinions and data contained in all publications are solely those of the individual author(s) and contributor(s) and not of MDPI and/or the editor(s). MDPI and/or the editor(s) disclaim responsibility for any injury to people or property resulting from any ideas, methods, instructions or products referred to in the content. |
© 2023 by the authors. Licensee MDPI, Basel, Switzerland. This article is an open access article distributed under the terms and conditions of the Creative Commons Attribution (CC BY) license (https://creativecommons.org/licenses/by/4.0/).





