Abstract
Microcapsules have received considerable attention owing to their excellent self-healing properties, and many researchers have attempted to modify their microcapsules’ characteristics to meet the requirements of various applications. Owing to their excellent physical and chemical properties, nanomaterial-modified (nanomodified) microcapsules can be used to protect surface coatings and internal structures of cement-based materials. This paper summarizes the progress in theoretical research and practical application of nanomodified microcapsules in coatings and cement-based materials, focusing on preparation processes and performance enhancements. The advantages and necessity of using nanomaterials are highlighted by clarifying the effects of nanomodified microcapsules on the performances of coatings and cement-based materials. In addition, the bottlenecks in the application of nanomodified microcapsules to coatings and cement-based materials are comprehensively examined, and the challenges and future development directions are specified. This review provides technical guidance for the preparation of smart nanomodified microcapsules and novel ideas for enhancing the functionality of protective coatings and the durability and safety of cement-based materials.
1. Introduction
Cement-based materials are widely used in construction engineering applications [1]. However, concrete is prone to cracking during service, which decreases material durability, leading to reduced lifetimes and safety [2,3,4,5]. Thus, if microcracks are not repaired in a timely manner, large cracks may form, resulting in structural damage and loss of life and property [6,7]. To prevent internal damage in concrete, researchers have focused on developing self-healing concrete surfaces [8] inspired by biological self-healing processes. To this end, the introduction of microcapsules to cement-based materials has emerged as a promising strategy [9,10,11,12]. Dry et al. [13] devised a built-in capsule for cement-based materials and found that, for efficient healing, microcapsule shells must exhibit sufficient mechanical strength to resist internal forces of concrete or external forces generated by concrete mixing [14]. Nanomaterials were also used to enhance the mechanical properties of conventional microcapsules [15]. Nanomaterial-modified (nanomodified) microcapsules with enhanced strengths can be applied to cement-based materials to improve their durability. Consequently, nanomodified microcapsules are increasingly used to protect surface coatings and internal structures of cement-based materials.
The self-healing efficiency of microcapsules is limited by the poor mechanical properties of currently used shell materials and leakage of core materials [16,17]. The mechanical properties and compactness of microcapsules can be enhanced by adding nanomaterials during the synthesis of microcapsule walls [18,19]. Moreover, the dispersion of nanomaterials in polymers can be improved to facilitate modification of the physical and chemical properties of microcapsules at the nanoscale [20,21,22]. The unique microstructures of nanomaterials can also enhance the thermal properties of microcapsules [23]. Moreover, the laminar and tubular structures of nanomaterials function as a microcapsule surface support and barrier, respectively, and thus can improve the mechanical properties of microcapsules [24]. Furthermore, microcapsules modified using nanomaterials are more robust to external temperature and humidity and corrosive ions than pristine microcapsules [25,26,27].
The above-described research shows that modified microcapsules can protect the surface coatings and internal structures of cement-based materials against adverse conditions. As such, nanomodified microcapsules can be applied in several technological areas, such as in coastal construction, transportation facility construction, and environmental protection [28,29,30]. Nanomodified microcapsules can also be used to repair microcracks in concrete and to prevent the intrusion of external air or liquids into concrete, thereby increasing its durability [31].
To fill the gaps in the literature related to the application of nanomodified microcapsules in the field of cement-based materials, this paper summarizes progress in research on nanomodified microcapsules and their practical application in cement-based materials. Firstly, we conducted a scientometrics analysis of the literature on nano-microcapsules in the past ten years by using Citespace 6.2. R6 software to summarize the hotspots and trends of today’s research. Then, the composition and preparation of nanomodified microcapsules are presented, and, finally, their application in cementitious materials is discussed. This will provide ideas for the development and use of smart high-performance coatings or cement-based materials.
2. Scientometrics Visualized Analysis on Nanomodified Microcapsules
2.1. Analysis of Publication Outputs, Countries and Authors
The literature data were retrieved via WOS, and the search scope was limited to 2013–2023, of which 1149 related studies met the criteria. The number of publication outputs in 10 years is shown in Figure 1. Based on the results, it can be concluded that the research on nanomodified microcapsules has been developing rapidly; especially in the last five years, this material has gradually attracted the attention of domestic and foreign scholars. Figure 2 and Figure 3 show the distribution of countries and authors’ cooperation in the study of nanomodified microcapsules. From the results, it can be seen that domestic scholars account for the largest proportion of research on nanocapsules, followed by the USA, England, and so on. And the cooperation between countries is relatively close; cross-country cooperation is the norm. From the author collaboration network shown in CiteSpace, it can be seen that Xing, Feng and Liu, Quantao have conducted the most research on nanomodified microcapsules and cooperated with others.
Figure 1.
The number of nanomodified microcapsule research literature changes over time.
Figure 2.
Map of national and regional cooperation networks.
Figure 3.
Author cooperation network map.
2.2. Analysis of Keywords
Keyword clustering can be used to show the hotspots of different research directions in the field, so we used the Citespace 6.2. R6 software to cluster the keywords in the literature (as shown in Figure 4). The results show that the analysis identifies five major clusters: #0 epoxy coating, #1 cementitious composite, #2 containing linseed oil, #3 urea–formaldehyde microcapsule, and #4 asphalt mixture. The smaller the number, the more keywords are included in it. The most researched topic in nanomodified microcapsules by domestic and foreign scholars is the utilization of nanomodified microcapsules in the application of epoxy coatings, followed by the utilization in cementitious materials, and the study of nanomodified microcapsules cannot be separated from the study of its core and wall materials. Then, Citespace software was used to calculate the relationship between keyword correlation and time (as shown in Figure 5) and keyword explosion (as shown in Figure 6) in the study of nanocapsules in the past 10 years. It can be seen that the research on nanocapsules in the past few years mainly focused on the preparation, surface modification, and stability of nanocapsules. The following years mainly focused on the application of nanocapsules in self-healing coatings and cement-based materials. Through the above summary, it can be seen that the hot spot of nano-microcapsule research is still the self-healing effect of coating and cement-based materials.
Figure 4.
Keyword clustering of nanomodified microcapsules activation modes.
Figure 5.
Timeline view for keywords of nanomodified microcapsules: 2013–2023.
Figure 6.
Burst keywords in nanomodified microcapsules.
3. Nanomaterials and Nanomodification
3.1. Nanomaterials
The performance of microcapsules depends on the nature of their walls and cores. Moreover, the type of nanomaterials directly influences the efficiency of synthesis and level of performance of microcapsules. Current techniques to modify microcapsules involve modifying the microcapsule core or the microcapsule wall. Microcapsule walls protect the core material and bind to the substrate, and microcapsule cores must slowly release their material at an adequate flow rate. Although many types of nanomaterials have been synthesized at the laboratory scale, nanomodifications have only been made using common nanomaterials (titania (TiO2), silica (SiO2), or graphene oxide (GO)). Many researchers have reported the modification of microcapsules with nanomaterials and the effects of such modification, as summarized in Table 1. In recent years, nanomaterials have been increasingly applied to modify microcapsules in cement-based materials, and researchers have highlighted that nanomaterials must be selected by considering the purpose and feasibility of modification [15,18,30,32].
Table 1.
Nanomaterials that have been used to modify microcapsule use in cement-based materials.
3.2. Walls of Self-Healing Microcapsules
The walls of microcapsules protect the repair agents and catalysts within their cores and therefore must exhibit high mechanical strength and toughness, as these walls must remain intact until their rupture is triggered by a predetermined stimulus. Walls may be prepared from inorganic, organic, polymer, or composite materials, with polymers (natural or synthetic) commonly being used. The microcapsule wall has also been inspired by membrane research [40,41]. White et al. [42] were the first to synthesize microcapsules, using dicyclopentadiene (DCPD) as the core material and urea–formaldehyde (UF) resin as the wall material, and many researchers have since used UF resin as the wall material for microcapsules. Li et al. [43] used in situ polymerization techniques to prepare formaldehyde/SiO2 hybrid microcapsules with a wall thickness of about 1 μm containing linseed oil (LO) that were embedded in an epoxy resin matrix. The resulting material was applied as a coating that effectively repaired and inhibited corrosion in microcracks, as shown in Figure 7. Li et al. [34] synthesized a microcapsule with a polyurea shell and an isophorone diisocyanate (IPDI) microcapsule with a SiO2/polyurea hybrid shell, respectively (Figure 8), and IPDI microcapsules were placed in air for 6 months or in water for 40 days, and the core material content exceeded 65.0 wt% after these experiments. Du et al. [44] prepared polyurea/melamine–formaldehyde (MF) resin double-shelled self-healing microcapsules by in situ and interfacial polymerization and using isocyanate as the core material. They found that, in humid environments, surface cracks treated with a coating containing these microcapsules healed themselves in 48 h. In summary, many researchers have studied various properties of nanomaterials and incorporated nanomaterials into microcapsule walls to prevent the premature rupturing of microcapsules. The mechanical properties and encapsulation efficiency of microcapsules have been improved, thereby increasing the self-healing efficiency of microcapsule-containing coatings.
Figure 7.
SEM images of synthesized microcapsules: (a) overall morphology, (b) single enlarged microcapsule, and (c) a ruptured microcapsule [43].
Figure 8.
Preparation process of microcapsules with a silica/polyurea hybrid shell and IPDI core [34].
3.3. Cores of Self-Healing Microcapsules
Microcapsule cores are typically loaded with repair agents and catalysts, and when microcapsules are stimulated, they rupture, which releases their core material to enable it to repair cracks. Therefore, the repair performance of nanomodified microcapsule core materials must be ensured. Microcapsule cores can be composed of water-soluble substances, oil-based substances, or their mixtures. The solubilities of the core and wall materials must be different to ensure that they do not chemically react with each other. Moreover, the surface tension of the core must be greater than that of the wall to enable core encapsulation. PU and resin-based materials are commonly used as core materials for microcapsules used in self-healing coatings. In recent years, researchers have used materials to modify microcapsule cores to improve various properties of microcapsules. Wang et al. [45] prepared slow-release self-healing microcapsules (RHMs) via the solvent evaporation method, using montmorillonite-modified epoxy resins (E-44 and E-51) as the core and ethyl cellulose (EC) as the wall material (Figure 9). The results show that the viscosity of the epoxy core was significantly increased, reducing the sensitivity of its viscosity to temperature. Kosarli et al. [46] used multi-walled carbon nanotubes (CNTs) to nanomodify the diglycidyl ether of bisphenol-A epoxy resins. Microcapsules prepared from these resins have enhanced the mechanical properties and electrical properties of self-healing coatings. Crall et al. [47] used magnetic nanoparticle surface modification to encapsulate urea formaldehyde in a phenyl acetate core, allowing the microcapsule to respond to a magnetic field, which can be guided by the magnetic field to the expected fracture location for repair. The above studies have shown that restorative materials have been incorporated into many materials in order to improve their physical and chemical properties. These studies provide a solid foundation for the use of microcapsules in cement-based materials to enhance these materials’ self-healing and corrosion-resistance abilities.
Figure 9.
The preparation process of RHMM [45].
3.4. Syntheses of Nanomodified Microcapsules
The method used to prepare nanomodified microcapsules determines their macroscopic properties and how they affect materials. Typical synthesis methods include in situ polymerization, interfacial polymerization, spray drying, solvent evaporation, sol–gel, and Pickering emulsion methods [48,49,50,51,52,53,54]. In situ polymerization is the most frequently used method because of its simple and convenient reaction conditions and process, and because the microcapsule size can be controlled by varying the stirring speed [55]. This is useful because the size of microcapsules also influences their healing efficiency [46]. Commonly used wall materials include UF [15], MF [56], and melamine–urea–formaldehyde resins [57]. Interfacial polymerization accelerates the growth of a microcapsule wall, which increases with the gradual consumption of the oil phase until a tough microcapsule shell is formed [34]. Moreover, high rates of nanomodified microencapsulation can be achieved by controlling the hydrolysis and condensation at the oil–water interface in the initial step of interfacial polymerization [58]. Solvent evaporation (Figure 10) is widely used to prepare core–shell microcapsules, owing to the short experimental cycle and easy implementation of this method, whereas the preparation of microcapsules using the sol–gel method is typically mediated by surfactants. The type of surfactant determines the microcapsule size [59], and polyvinyl alcohol, sodium dodecylbenzene sulfonate, gelatin, and 88A are commonly used [60,61,62,63,64]. The sol–gel process involves mild processing conditions (e.g., low temperatures and pressure) and is thus widely used [65]. It enables nanomaterials to be directly polymerized with organic monomers in the form of prepolymers [66].
Figure 10.
Schematic for the solvent evaporation technique synthesis process of PSF/SiO2 hybrid shell microcapsules [59].
Figure 11 illustrates the different pathways used for the preparation of nanomodified microcapsules. Some methods have limitations that remain to be solved, such as high raw material costs and complex processes. Moreover, as nanomaterials are randomly distributed in a solution, the required dosage should be determined in advance, as excess dosages may lead to agglomeration, which can limit the effectiveness of nanomaterial modification [67]. Moreover, the mechanisms of the syntheses of nanomodified microcapsules have yet to be delineated. Therefore, the effects of temperature, pH, emulsifier type, and synthesis time on nanomaterial modification must be thoroughly investigated.
Figure 11.
Schematic illustration for the preparation of ALD-treated hybrid microcapsule: oil-in-water emulsions obtained via emulsification process (a,a1); the inner PU layer of microcapsule formed via interfacial polymerization of Suprasec2644 and TEPA (b,b1); the outer PUF layer of microcapsule obtained via in-situ polymerization of urea and formaldehyde (c,c1); Al2O3 nano-layer obtained after ALD treatment (d,d1) [54].
4. Applications of Nanomodified Microcapsules in Cement-Based Materials
Cement-based materials are widely used in various industries because of their excellent compressive properties. In recent years, researchers have modified cement-based materials in various ways to improve their performance. Research has been focused on self-healing and microencapsulation as means to enhance the service time and durability of cement-based materials. The idea of self-healing cement-based materials is inspired by the ability of living organisms to heal their own wounds. Thus, microcapsules are introduced into the surface coatings or internal structures of cement-based materials, and their walls subsequently rupture under a predetermined mechanical or chemical stimulus to release their core materials to repair cracks. The ideal protective coatings of cement-based materials are characterized by excellent mechanical, waterproofing, adhesion, anti-penetration, and aging-resistance properties. Nevertheless, such coatings are commonly damaged by carbonation and chloride ion attacks. However, these coatings are protected if they contain microcapsules that bear repair materials in their cores that can repair such damage. Alternatively, microcapsules can be introduced into the internal structures to repair internal microcracks and enhance structures’ mechanical properties and corrosion resistance. The microcapsule performance, in these instances, can be enhanced by introducing nanomaterials.
4.1. Performance of Microcapsules Added to Surface Coatings
Microcapsules used in self-repair applications must have robust outer shells and respond rapidly to external stimuli. This is because microcapsule-filled self-healing protective coatings must protect the concrete matrix, prevent internal concrete damage, and prolong the service life of the material. However, the cement-based material-protecting effect of such coatings gradually diminishes over time owing to the generation of microcracks, through which air, water, carbon dioxide, and chloride ions can pass. To prevent this degradation, the microcapsule shell can be nanomodified and introduced into the coating to obtain a smart self-healing coating.
First, from a mechanical perspective, microcapsules must be well formed, and their shells must protect their core materials. Moreover, the shell material must be rough enough to be compatible with the coating substrate. In general, organic microcapsule walls are thin and not sufficiently tough for industrial needs. Therefore, researchers have used nanomaterials to modify microcapsule walls to improve their properties. Fereidoon et al. [68] added single-walled carbon nanotubes (SWCNTs) or nano-Al2O3 to UF resins, which were fabricated into self-healing microcapsules with better profiles and thermal properties than UF resin-based microcapsules not containing these nanomaterials. The surfaces of these modified microcapsules were also smoother than those of the latter microcapsules. The core content of the microcapsules was approximately 78 wt% and did not vary with the addition of nanomaterials. A particle size analysis showed that the addition of the SWCNTs and nano-Al2O3 decreased the average particle size from 168 μm to 115 μm and 95 μm, respectively, resulting in a more uniform dispersion of these microcapsules than of an unmodified microcapsule in a coating. Li et al. [38] self-assembled microcapsules at the oil–water interface of Pickering emulsions by interfacial aggregation of GO (the microcapsule wall material) and LO (the core material, i.e., healing agent) and then introduced these microcapsules into aqueous PU coatings. A coating containing 10% of these microcapsules could automatically repair scratches up to 20 μm wide, as shown in Figure 12. GO is highly compatible with aqueous materials owing to its high content of oxygen-containing functional groups [69]. An example of a graphene-reinforced polyurethane coating is shown in Figure 13. GO, which has good barrier properties [70], is thus a promising candidate for capsule wall materials.
Figure 12.
(a) SEM morphology of the scratch before healing; (b–d) SEM morphologies of the scratch after 15 days of healing for 5 wt%, 10 wt%, and 20 wt% microcapsules/PU composites, respectively [38].
Figure 13.
Schematics of the critical factors on the barrier properties of graphene-reinforced PU composite coatings [69].
Second, from a chemical perspective, self-healing microencapsulated coatings must be waterproof, have high corrosion resistance, and thereby alleviate the effect of external environmental factors on a substrate to achieve a protective effect. Therefore, the self-healing ability and chemical stability of microcapsules in a coating must be ensured, which is achieved by the use of an appropriate synthetic method. Kosarli et al. [46] prepared multiwalled CNT-modified microcapsules via in situ emulsion polymerization. The monitoring of in situ damage and healing processes revealed that these microcapsules restored both the mechanical and electrical properties of damaged coatings. That is, approximately 82% and 95.5% of the fracture toughness and electric properties of damaged coatings were recovered, respectively. Li et al. [53] modified nano-SiO2 with 5% Triton X-100-IPTS (T-IPTS) to enhance its affinity for oil droplets. They found that the T-IPTS-modified nano-SiO2 was readily adsorbed at an oil–water interface and thereby stabilized an emulsion. GO was also used as an emulsion stabilizer [38], with scanning electron microscopy (SEM) indicating that the GO-containing microcapsules were spherical, with excellent self-healing and corrosion-resistance properties. Because the preparation of self-healing coatings requires the transfer of microcapsules from Pickering emulsions to PU substrates, changes in the pH and surface tension may cause spillage of a healing agent. Thus, D-2000 was chemically bonded with GO to improve the stability of GO, as shown in Figure 14. According to electrochemistry experiments, a coating containing a 10% mass fraction of GO–D-2000 microcapsules exhibited the best self-healing ability. To enhance the stability of Pickering emulsions, Yu et al. [71] prepared GO-coated glycidyl methacrylate (GMA) microcapsules (GMA@GOMCs), using nano-iron(II,III) oxide (Fe3O4) to modify the GO. The microcapsules were embedded in an epoxy resin matrix that was used for the smart repair of hot-dipped galvanized steel surfaces, as shown in Figure 15. Because GMA is a bifunctional one-component healing agent [72], the GMA@GOMCs could be smoothly transferred from the Pickering emulsion to the epoxy resin matrix. No chemical synthesis was required for the preparation of GMA@GOMCs, and the process was simple and convenient. A thermogravimetric analysis (TGA) showed that the GMA@GOMCs exhibited a high encapsulation capacity, as evidenced by a 6.28% remaining weight and a 94.19% load capacity. Moreover, according to SEM and scratch tests, GMA@GOMCs exhibited satisfactory self-healing functionalities: a scratch was completely filled even when the added mass percentage of microcapsules was only 5%, and self-healing recovery was realized within 3 days of coating.
Figure 14.
Chemical stitching of GO sheets at the oil/water interface by D-2000 [38].
Figure 15.
Illustration of the Fe3O4 nanoparticles’ in situ formation on GO sheet surface (a,b), the self-assemble process of GO between water/oil phase (c–e), and the fabrication of the epoxy coatings (f,g) [71].
The abovementioned studies illustrate that nanomodified microcapsules have been used to enhance the mechanical properties and corrosion resistance of coatings used on cement-based materials. The toughness and barrier properties of microcapsule wall materials can be enhanced by addition of CNTs and GO. Moreover, various synthetic methods can be used to obtain highly stable microcapsules with excellent restorative properties. Technological advancements and an enhanced understanding of nanomaterials can promote their use in modifying the wall and core materials of microcapsules and the dispersants and emulsifiers used in their preparation.
4.2. Performance of Microcapsules Added to Internal Structures
The durability of cement-based materials directly affects the safety and reliability of construction projects. However, concrete cracking and steel corrosion limit the service life of cement-based materials. Therefore, maintenance activities must be undertaken to preserve engineering structures containing cement-based materials. The development of smart self-healing materials in recent decades has led to several breakthroughs in this field, such as the development of materials capable of detecting and repairing microcracks without human intervention [73] and novel core–shell-microencapsulated materials for internal concrete curing systems [74]. As mentioned, microcapsules applied to cement-based materials must exhibit excellent mechanical properties to ensure their integrity, which is a key functionality of microcapsule walls. Additionally, self-healing microcapsules must enhance cement-based materials’ intelligent self-healing functionality, waterproofing and anti-corrosion performances, and thermal stability. Therefore, many researchers have examined how nanomodified microcapsule walls enhance the performance of cement-based materials.
The effectiveness of microcapsule incorporation into cement-based materials depends on their size, shell thickness, healing agents, survivability, and interfacial adhesion. Additionally, the self-healing efficiency of microcapsule-modified concrete depends on the compatibility of microcapsules with cement-based materials, as well as on microcapsules’ mechanical stability and crack sensitivity [75]. Thus, microcapsules must be appropriately prepared and characterized. Lv et al. [76] used in situ polymerization to synthesize polymeric microcapsules with phenolic resin (PF) as the shell and DCPD as the core (i.e., restorative agent). X-ray computed tomography showed that the microcapsules were well dispersed in cement-based materials (Figure 16), reflecting that these materials should be self-healing. However, the authors did not clarify the bonding and healing efficiencies between the microcapsules and cement-based material matrix. Du et al. [36] prepared epoxy resin microcapsules coated with calcium carbonate (CaCO3/glutamine wax nanoparticles). These microcapsules were spherical, with rough surfaces, and bonded well with cement-based materials. Moreover, the recovery of the compressive strength of mortar mixed with the microcapsules reached 90.1% (14 days), and cracks (less than 0.35 mm) on the mortar surface were self-healed in 3 days.
Figure 16.
Three-dimensional reconstructed tomographic images of the segmented raw data: (a) a selected section of fractured cement paste, (b) a 3D rendering of the spatial dispersion of microcapsules, and (c) an OM image of a ruptured microcapsule triggered by cracking [76].
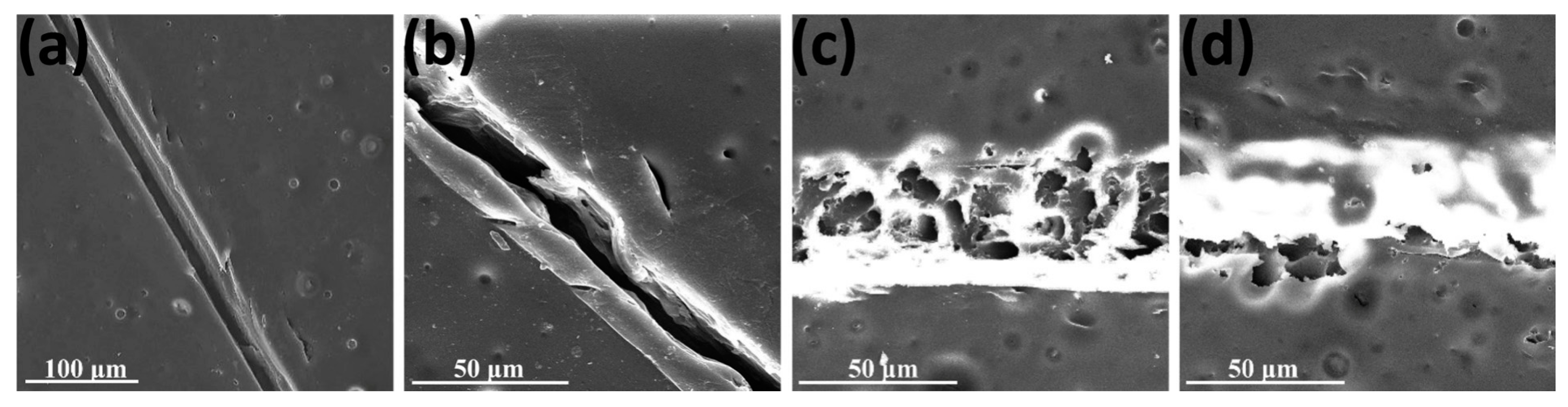
Other researchers highlighted that the integrity of microcapsules during the mixing and hydration of cement depends on their mechanical properties [77]. Nanoindentation tests were performed to evaluate the performance of microcapsules with various diameters and wall thicknesses, and load–displacement curves were obtained. The results indicated that the elastic modulus and rupture force of microcapsules depend on their shell thickness and shell–diameter ratio, which led to the development of double-walled microcapsules. Zhou et al. [52] constructed dopamine hydrochloride-functionalized melamine–phenol–formaldehyde double-walled self-healing microcapsules (E-51@MPF/SiO2) by combining in situ polymerization and sol–gel methods. Single-axis compression tests revealed that a curing rate of up to 72.8% could be achieved using these double-walled microcapsules. Calvo et al. [78] embedded concrete with nano-SiO2 microcapsules to create an ultrahigh-performance concrete. They found that, in this concrete, the self-healing efficiency for small crack mouth-opening displacements (150 mm) was higher than that for crack widths of 300 mm, and the healing effect increased with healing time (up to 28 days). That is, the self-healing ability depended on the crack width and healing period. Du et al. [79] synthesized self-healing microcapsules with toluene-di-isocyanate (TDI) as the curing agent and SiO2 nanoparticles/paraffin wax/polyethylene wax (PEW) as the composite capsule wall material via a melt condensation method. The micromechanical properties and chemical structures of the microcapsules were characterized. The core fraction of the microcapsules was 72.6%, and the nano-SiO2 in their walls gave them an elastic modulus of 1.87 GPA, a hardness of 61.67 MPa, and a weight-loss rate of only 2.6% in 60 days. The compressive strength recovery of a mortar containing these microcapsules was 87.8% when preloaded with 60% fc0 (initial compressive strength of mortars), and it self-healed in air within 10 days. These microcapsules could also self-repair mortar surface cracks with widths of up to 0.48 mm within 4 h, as shown in Figure 17.
Figure 17.
Surface-crack self-healing of mortars containing optimum content microcapsules. (a) AM3 before self-healing, (b) AM3 for 4 h self-healing [79].
Nanomodified microcapsules can also enhance the waterproofing performance of cement-based materials. Dong et al. [80] prepared polyvinyl alcohol/aluminum nanocapsules to modify an expansion agent to solve the cracking problem of cement-based materials. According to single-axis compression and nuclear magnetic resonance spectroscopy analyses, the microcapsule material exhibited low porosity and a good sealing effect, and the peak stress and porosity were higher than those of ordinary expansion materials. Dahesh et al. [31] incorporated ZnO microcapsules (ZnOMCs) into bulk concrete and found that its compressive strength and flexural strength recovery were enhanced. In addition, a ZnOMC dosage as low as 1% could promote the sealing of cracks in bulk concrete. Salmana et al. [81] incorporated nano-SiO2 microcapsules into concrete mixtures and performed porosity and water absorption tests of the resulting concretes. These indicated that the best results were obtained with the addition of 10 wt% microcapsules to concrete.
The chemical activities of microencapsulated repair materials are influenced by the external environment (i.e., temperature and humidity) [82]. To mitigate these effects, Du prepared nano-SiO2/paraffin/TDI microcapsules and blended them with a mortar to evaluate their self-healing ability. This was performed by examining the mechanical properties and widths of surface cracks on the resulting microencapsulated mortar (MM). When this MM was preloaded with 60% fc0 and allowed to self-heal for 7 days at a relative humidity (RH) of 95% and temperature of 20 °C, the percentage of harmful pores, retention of compressive strength, and recovery of the chloride diffusion coefficient were 28.1%, 80.9%, and 68.1%, respectively. When the RH was 50% and the temperature was 50 °C, the corresponding values were 25.8%, 83.5%, and 72.1%. In environments with high sulfate contents, concrete may also undergo internal cracking, which threatens structural integrity [4]. Sulfate-resistant microcapsules were prepared using paraffin wax, PEW, and nano-SiO2 as the composite capsule wall materials and IPDI as the core. Ultrasonic testing revealed that the self-healing effect and performance of concrete mixed with microcapsules were superior to those of pristine concrete. The compressive strength-loss rate of HUN3 (concrete containing MS3) was only 11.8% after 180 wet-and-dry cycles, as shown in Figure 18. The self-healing ability of microencapsulated concrete is also influenced by the external ambient temperature [83]. Controlled experiments at 10, 30, 50, and 60 °C were performed using SiO2/paraffin/PEW microencapsulated mortars containing TDI. The mortar containing the microcapsules self-healed in 7 days at 50 °C, and the compressive strength recovery rate was 94.1%. In addition, surface cracks with widths of 0.4–0.5 mm completely self-healed within 3 h at 60 °C. Jiang et al. [84] used an ultrasonic emulsification solvent evaporation method to prepare nano-SiO2/ethyl cellulose (EC) microcapsules that were used to generate concrete with self-healing and fire resistance, using the ultrasonic emulsification solvent evaporation method. The self-healing efficiency of the concrete was approximately 61%, and its fire resistance was similarly satisfactory. Du et al. [5] reported that concrete used in severely cold regions was prone to freeze–thaw damage, which manifested as cracking and surface peeling. The authors incorporated nano-SiO2/paraffin/PEW TDI microcapsules (CON3) into concrete and performed freeze–thaw tests for 100 cycles. The compressive strength loss rate of CON3 was 13.6%, and its mass loss rate was only 1.63%. Moreover, its compressive strength recovery rate was 96.9% after 7 days of self-healing, which reflected the excellent frost resistance and self-healing properties of this CON3-modified concrete.
Figure 18.
Microstructure of the HUN3 concrete after 14 d of self-healing (180 dry–wet cycles) [4,85].
In summary, nanomodified microcapsules can enhance the reactivity of repair agents and their bonding strength with cement-based substrates. Previously reported nanomodified microcapsules have demonstrated highly efficient crack repair and robustness to environmental changes. Therefore, self-healing microcapsules can enhance the performance of cement-based materials used in marine engineering, bridge engineering, and tunnel engineering projects, which typically have harsh operational environments. Nevertheless, it is necessary to enhance the long-term stability of self-healing microcapsules and their compatibility with cement-based substrates.
4.3. Release of Core Materials
Microcapsules can be designed so that they release their core-housed repair agents in response to a predetermined stimulus, which is typically achieved by embedding stimulus-responsive nanomaterials or molecules in the microcapsule shell [85]. Thus, when the stimulus is present, it is detected by the responsive nanomaterials or molecules, resulting in the release of the core material. This release occurs due to the stimulus causing the pore size of the wall to increase or destroying the mechanical properties and integrity of the wall [86]. The two distinct methods of releasing the core material are shown in Figure 19. During the service life of cement-based materials, minor cracks may be generated on their surface or internal structures, which may develop into large cracks visible to the naked eye owing to mechanical loads and exposure to corrosive media, temperature, and humidity [13,54,87,88]. Potentially erosive material may then penetrate the materials through such cracks [89]. As such, reinforcement corrosion is a key cause of reinforced concrete damage. Concrete is alkaline, and chlorination and carbonation can lower the pH of concrete [90,91], leading to severe concrete damage [92,93]. Microencapsulated coatings applied to the surface of cement-based materials have various triggering mechanisms, such as pH variations, mechanical input, or ultraviolet (UV) irradiation. Smart self-healing coatings typically have built-in stimulus-response mechanisms, such that they can respond spontaneously and induce self-healing to inhibit corrosion and extend the life of the coating and thus protect the substrate.
Figure 19.
Two distinct methods of releasing the core material: (a) bulk erosion and (b) surface erosion [86].
The abovementioned studies show that many different response molecules have been incorporated into microcapsule shells to generate smart microcapsules that can respond to various stimuli by initiating self-healing. Thus, studies have developed microcapsules with mechanical, pH, electromagnetic wave, ultrasonic responses, and electromagnetic or ultrasonic wave response (as shown in Table 2). Future research must be focused on engineering additional responses in microcapsules for use in cement-based materials, the selection of response molecules, and the construction of microcapsule systems.
Table 2.
Different response modes of microcapsules.
4.3.1. Mechanical Response
Microcapsules can be triggered through mechanical stimulation, as shown in Figure 20. First, a crack tip stimulates a microcapsule wall. After a certain stress value is reached, the microcapsule wall state transforms from an elastic deformation state to plastic deformation state and ultimately ruptures. This releases the repair agent and catalyst to realize intelligent self-healing. Moreover, since the restorative catalyst and microcapsule walls mix with each other during the release process, the mixture is generally stronger than the matrix material, so it will not become the center of new dangerous cracks in the matrix. White et al. [42] systematically described the classical theory and technologies of microencapsulation-based self-healing polymer materials, and since then, microencapsulation technologies have emerged as a focus of self-healing technology research. In this context, mechanical response mechanisms have been the most commonly studied. To achieve fast and intelligent responses to external stimuli, Selvakumar et al. [94] prepared ceria (CeO2) nanoparticles and chromium trioxide (Cr2O3) nanoparticles via gel combustion and auto-ignition methods, respectively. They then fabricated mechanical stimuli-sensitive microcapsules with UF resin as the capsule wall and LO and corrosion inhibitors (CeO2 and Cr2O3) as the core materials via in situ polymerization. Next, they examined the corrosion rate and corrosion inhibition efficiency values for mild steel coated with an epoxy layer containing the microcapsules and subjected to room-temperature acidic environments. They found that the crack length gradually decreased and approached zero after 90 s, and the corrosion inhibition efficiency was 98.41%. Li et al. [37] prepared polyurethane–formaldehyde multilayer microcapsules with CNTs. Dopamine was used to modify the CNTs such that the microcapsules formed covalent bonds with the epoxy resin and curing agent at the interface, as shown in Figure 21. The mechanical properties of the microcapsules were better than those of unmodified microcapsules, and they exhibited high wear resistance. Overall, microcapsules with excellent mechanical properties and high repair efficiencies can be incorporated into cement-based materials to enhance their self-healing abilities in engineering contexts.
Figure 20.
The autonomic healing concept. A microencapsulated healing agent is embedded in a structural composite matrix containing a catalyst capable of polymerizing the healing agent. (a) Cracks form in the matrix wherever damage occurs; (b) the crack ruptures the microcapsules, releasing the healing agent into the crack plane through capillary action; (c) the healing agent contacts the catalyst, triggering polymerization that bonds the crack faces closed [42].
Figure 21.
Covalent bonds formation mechanism in the interface between microcapsules and epoxy [37].
4.3.2. pH Response
Microcapsules can be chemically triggered by pH, which is one of the most widely studied environmental stimuli [103]. Shi et al. [95] reported that nanomaterials or microcapsules containing corrosion inhibitors and embedded into coatings exhibited an anticorrosion performance that was superior to that of bulk-dosed corrosion inhibitors. Jia et al. [96] prepared an inexpensive, biocompatible antiseptic system through in situ growth processes. This system consisted of a porous ceramic precoat, cerium nanoparticles as the curing agent, and chitosan (CS) multilayers as the inhibitors. It could respond to changes in the local pH, owing to the formation of ceria precipitates and the pH-buffering activity and mobile-swelling capacity of CS macromolecules, thereby protecting magnesium from biocorrosion. The pH response mechanism is shown in Figure 22. Hong et al. [104] used EC as the shell material and calcium oxide (CaO) as the core material to prepare hydroxide ion (OH-)-regulated microcapsules. EC is sensitive to chloride ions, and their reaction with CaO releases OH-, which increased the pH and delays the corrosion of reinforcing steel. Figure 23 shows the regulation of a reinforcement corrosion mechanism by microcapsules. Lv et al. [97] used a silane coupling agent [3-(2-aminoethylamino)propyl]trimethoxysilane to increase the triggering efficiency of polyphenol formaldehyde (PPF) microcapsules in cement-based materials. Environmental SEM showed that the triggering efficiency was 63%, considerably higher than that of ordinary cement. However, the incorporation of PPF microcapsules deteriorated the mechanical properties of cement-based materials, and the design must be optimized to enhance the microcapsule performance. Metal corrosion is typically caused by chloride ion penetration and acidification and aggravated in the presence of water, oxygen, and potential differences [105]; the associated electrochemical processes are influenced by the system’s pH. In this system, the release rate of the core material is affected by the environmental pH value, and the rate increases significantly with a decreasing pH value. Therefore, pH-responsive microcapsules have emerged as promising candidates for enhancing the properties of cement-based materials.
Figure 22.
Schematic for mechanism of the self-healing activity for M-CSCe: (a) the as-prepared protonated coating; (b) the disintegration of the defective barrier layer via corrosion invasion, leading to local pH upshift; (c) the swelling of chitosan chains into the active sites and the generation of cerium oxides/hydroxides that heal the damage [96].
Figure 23.
The schematic of OH−-regulated intelligent microcapsules for the corrosion protection of the reinforcing bar in reinforced concrete: (a) without microcapsules and (b) with microcapsules [104].
4.3.3. UV Response
UV-sensitive microcapsules can endow coatings with self-cleaning properties. Such microcapsules are typically developed using nano-TiO2 as a photocatalyst, and the generated hydroxyl groups facilitate the surface cleaning process [106]. Chen et al. [98] synthesized UV-responsive nanoscale microcapsules using Pickering emulsion templates. Specifically, they prepared PS microcapsules with fluoroalkylsilane (FAS) as the capsule core and TiO2 nanoparticles as the UV-responsive material, where the SiO2 and TiO2 nanoparticles were modified with T-IPTS. They found that the rate of release of FAS could be regulated by the content of TiO2 nanoparticles in the microcapsules. SEM and UV illumination analyses (Figure 24) showed that the microcapsules were uniformly dispersed in the coating, and the maximum water contact angle of the coating was 116°. Thus, dirt was removed from the surface through hydrophobic mechanisms.
Figure 24.
Schematic representation of the release mechanism in UV-responsive microcapsules [98].
Given that different types of stimuli exist in nature, scholars have focused on developing multistimuli-responsive microcapsules. Cong et al. [99] used nano-SiO2 and nano-TiO2 as stabilizers for Pickering emulsions prepared using mild and rapid UV-initiated polymerization to obtain microcapsules that could encapsulate up to 30 wt% of hydrophobic compounds. The microcapsules responded rapidly to both pH and UV stimuli. The authors embedded the microcapsules in aqueous coatings and demonstrated that these coatings could intelligently self-heal in acidic conditions or under UV irradiation and had hydrophobic surfaces. Thus, they have various practical applications.
4.3.4. Electromagnetic or Ultrasonic Wave Response
Because microcapsules are not necessarily deployed at the tip of a fracture, they cannot be triggered through only mechanical means, and new triggering mechanisms must be developed. Yang et al. [107] demonstrated that electrical damage in thermoplastic polymers can be repaired using superparamagnetic nanoparticles stimulated by an external oscillating magnetic field. Li et al. [19] used a melt condensation method to prepare nano-Fe3O4/paraffin/TDI nanocapsules that responded to electromagnetic waves. The retention of the compressive strength of a polymer containing 6 wt% electromagnetically controlled rupture microcapsules cured at room temperature for 24 h was 56.6%. The retention of the compressive strength of a polymer containing microcapsules cured for 24 h at room temperature after 30 min of electromagnetic field-induced self-healing was 91.4%. Li et al. [100] prepared nano-Fe3O4/PEW/epoxy microcapsules, which responded well to electromagnetic induction. Cracks with initial widths of 0.4–0.5 mm in mortar containing electromagnetically induced rupture microcapsules could be repaired within 7 days (Figure 25). Ultrasonic waves represent a microcapsule-disrupting stimulus that is green, artificially controllable, and highly efficient and can rupture a microcapsule wall at the required time and location. Song et al. [101] synthesized nano-2-E51/UF microcapsules, which responded to ultrasonic stimulation, as shown in Figure 26. The concentration of sodium ions released was experimentally measured, and the maximum release rate (89.88%) was attained within a few minutes. Li et al. [102] prepared TDI/graphite/paraffin/PEW microwave-responsive microcapsules (NMRMs) and used them to make a self-healing concrete. A thermal infrared imager was used to monitor the change in the temperature of the specimen exposed to microwave radiation. Microcapsules containing 5% graphite could be rapidly triggered to rupture under microwave radiation. The compressive strength-reserve ratio of concrete mortar containing 5% NMRM was 92.6% under 60% fc0 preloading conditions. Overall, this research has shown that electromagnetic or ultrasonic wave-based triggering of microcapsules to release their repair materials can diversify microcapsules’ applications.
Figure 25.
Surface cracks repairing ratios of mortars [100].
Figure 26.
Schematic diagram of ultrasound trigger microcapsule inhibitor [101].
Nanomodified microcapsules have excellent mechanical properties and high repair efficiencies and can rapidly respond to external stimuli. Consequently, they have been widely used to promote the self-repair capabilities of cement-based materials. Because the cracks of cement-based materials are typically small, researchers have explored the introduction of fluorescent molecules into microcapsules to visualize the cracks and facilitate observation and inspection. Hussain et al. [108] prepared SiO2-coated leuco dye-based thermochromic pigments (STCs) and blended them into a cement paste. Colorimetric studies showed that the SiO2 protected the STCs and allowed them to maintain their temperature-sensitive discoloration response over long periods. Fluorescence-labeled self-healing microcapsules can repair microcracks and facilitate the visualization of the repair process [109]. Wang et al. [109] used an intercalation method to embed fluorescently labeled microcapsules into epoxy resin and explored various self-healing periods of the nanostructural variations of a cement treated with the fluorescent resin, as shown in Figure 27. The width of the repaired crack at 21d was 23 μm. When the microcapsule content was 3%, the strength recovery rate of the cement-based materials was 35.8%, and the healing rate of the external microcracks was 19.2%. This demonstrates that the fluorescence intensity profile of materials treated with fluorescently labeled microcapsules can indicate the location of microcracks and crack widths, which can enhance the efficiency of concrete crack prevention and repair. Although the utility of inserting fluorescent labels into microcapsules has yet to be comprehensively explored, the resulting nanomaterials appear to have broad prospects in the field of intelligent self-repairing and self-warning materials.
Figure 27.
LSCM images of resin matrix intercalated fluorescence-labeled self-healing microcapsule repairing internal cracks for 21 d [109].
5. Conclusions and Suggestion
In this paper, the research of nearly 10 microcapsules was analyzed using Citespace software, and we summarize the processes used for the fabrication of nanomodified microcapsules and their applications in composite coatings and cement-based materials.
The nanomaterials currently used for microcapsule modification include nano-SiO2, GO, nano-Al2O3, carbon nanotubes, and nano-TiO2. To improve the self-healing efficiency and mechanical properties of a resin matrix, it can be modified with GO, nano-TiO2, and CNTs. Nanomodified microcapsules can be prepared through in situ polymerization, interfacial polymerization, spray drying, solvent evaporation, sol–gel, and Pickering emulsion methods. The strengths and limitations of each method must be evaluated to select a method that will afford microcapsules with the desired functions and requirements.
Nanomodified microcapsules applied in coatings must have an intact morphology and must be compatible with coatings. In recent years, SWCNTs or Al2O3 nanoparticles have been used to improve the shapes and thermal properties of microcapsules. Microcapsules obtained using nano-SiO2 or GO as emulsion stabilizers can be added to coating to make it corrosion resistant. Controlled release technologies have attracted considerable interest, and research on the stimulation mechanisms of microcapsules has gradually shifted from mechanical responses to external-temperature and pH responses, among others. Embedding microcapsules containing a corrosion inhibitor into a coating is more effective than directly using bulk corrosion inhibitors. In addition, nanomodified microcapsules improve the response of coatings to UV light, so that they exhibit a rapid self-healing response to UV light, which damages coatings. In addition, the photocatalytic effect of nano-TiO2 can degrade organic matter on the surface of a coating by redox reactions and thus remove dirt from the surface via hydrophobic mechanisms.
Nanomodified microcapsules applied in the internal structures of cement-based materials must exhibit excellent mechanical properties and high compatibility with cement-based materials. Recently, ZnO nanoparticles or SiO2 nanoparticles have been used to solve cracking problems in concrete and enhance its strength recovery. Moreover, owing to their excellent thermal stability, TiO2 nanoparticles have broad application prospects in low-temperature cement and building energy saving. In general, cracks in cement-based materials promote the ingress of chloride ions, water, and oxygen, which lead to the corrosion of reinforcement. Consequently, pH-responsive smart microcapsules have attracted widespread interest. Nano-Fe3O4 is highly sensitive to electromagnetic induction, and the nano-Fe3O4-modified microcapsules can be rapidly triggered to repair cracks even when they are not located at the tips of cracks.
Future work on nanomodified microcapsules must be focused on preparing low-cost, high-performance multifunctional coatings and cement-based composites. Novel nanomodified microcapsules must be established and used in coatings and cement-based materials. These nanomaterials could be pretreated with efficient dispersants and surfactants to enhance their compatibility. To overcome the surface van der Waals forces and incompatibility of nanomaterials, their surface properties must be modified, such as by using various coupling agents for grafting nanomaterials onto microcapsules. Additionally, experiments must be performed to increase the yields obtained from the synthesis of nanomodified microcapsules to realize these materials’ commercial and industrial applications.
Author Contributions
Conceptualization, S.Z. and S.G.; methodology, X.X., X.Q. and R.R.; data curation, X.X., X.Q. and R.R.; writing—original draft preparation, X.X.; writing—review and editing, S.Z. and S.G. All authors have read and agreed to the published version of the manuscript.
Funding
This work was supported by the Open Funds of Shaanxi Provincial Key Laboratory of Highway Bridges and Tunnels (CHD300102210518), the Fundamental Research Funds for the Central Universities, CHD (300102210518), the National Natural Science Foundation of China (No. 51978354), and the Outstanding Youth Foundation of Shandong province (No. ZR2020YQ43). The fellowship support received from the Tai Shan Scholar Programme is gratefully acknowledged.
Data Availability Statement
Not applicable.
Conflicts of Interest
The authors declare no conflict of interest.
References
- Li, W.; Dong, B.; Yang, Z.; Xu, J.; Chen, Q.; Li, H.; Xing, F.; Jiang, Z. Recent advances in intrinsic self-healing cementitious materials. Adv. Mater. 2018, 30, 1705679. [Google Scholar] [CrossRef] [PubMed]
- Paul, S.C.; Van Zijl, G.P.A.G. Corrosion deterioration of steel in cracked SHCC. Int. J. Concr. Struct. Mater. 2017, 11, 557–572. [Google Scholar] [CrossRef]
- Zhang, X.; Li, M.; Tang, L.; Memon, S.A.; Ma, G.; Xing, F.; Sun, H. Corrosion induced stress field and cracking time of reinforced concrete with initial defects: Analytical modeling and experimental investigation. Corros. Sci. 2017, 120, 158–170. [Google Scholar] [CrossRef]
- Du, W.; Lin, R.; Liu, Q. Investigation of isophorone diisocyanate microcapsules to improve self-healing properties and sulfate resistance of concrete. Constr. Build. Mater. 2021, 300, 124438. [Google Scholar] [CrossRef]
- Du, W.; Liu, Q.; Lin, R. Effects of toluene-di-isocyanate microcapsules on the frost resistance and self-repairing capability of concrete under freeze-thaw cycles. J. Build. Eng. 2021, 44, 102880. [Google Scholar] [CrossRef]
- Han, W.; Zhou, G.; Gao, D.; Zhang, Z.; Wei, Z.; Wang, H.; Yang, H. Experimental analysis of the pore structure and fractal characteristics of different metamorphic coal based on mercury intrusion-nitrogen adsorption porosimetry. Powder Technol. 2020, 362, 386–398. [Google Scholar] [CrossRef]
- Li, S.; Zhou, G.; Liu, Z.; Wang, N.; Wei, Z.; Liu, W. Synthesis and performance characteristics of a new ecofriendly crust-dust suppressant extracted from waste paper for surface mines. J. Clean. Prod. 2020, 258, 120620. [Google Scholar] [CrossRef]
- Jiang, W.; Zhou, G.; Wang, C.; Xue, Y.; Niu, C. Synthesis and self-healing properties of composite microcapsule based on sodium alginate/melamine-phenol–formaldehyde resin. Constr. Build. Mater. 2021, 271, 121541. [Google Scholar] [CrossRef]
- Dong, B.; Wang, Y.; Fang, G.; Han, N.; Xing, F.; Lu, Y. Smart releasing behavior of a chemical self-healing microcapsule in the stimulated concrete pore solution. Cem. Concr. Compos. 2015, 56, 46–50. [Google Scholar] [CrossRef]
- Yang, Z.; Hollar, J.; He, X.; Shi, X. Laboratory assessment of a self-healing cementitious composite. Transp. Res. Rec. 2010, 2142, 9–17. [Google Scholar] [CrossRef]
- Yang, Z.; Hollar, J.; He, X.; Shi, X. A self-healing cementitious composite using oil core/silica gel shell microcapsules. Cem. Concr. Compos. 2011, 33, 506–512. [Google Scholar] [CrossRef]
- Xue, C.; Li, W.; Li, J.; Tam, V.W.; Ye, G. A review study on encapsulation-based self-healing for cementitious materials. Struct. Concr. 2019, 20, 198–212. [Google Scholar] [CrossRef]
- Dry, C. Matrix cracking repair and filling using active and passive modes for smart timed release of chemicals from fibers into cement matrices. Smart Mater. Struct. 1994, 3, 118. [Google Scholar] [CrossRef]
- Han, N.-X.; Xing, F. A comprehensive review of the study and development of microcapsule based self-resilience systems for concrete structures at Shenzhen University. Materials 2016, 10, 2. [Google Scholar] [CrossRef] [PubMed]
- Shokrian, M.D.; Shelesh-Nezhad, K.; Najjar, R. Toughening effect of nanocomposite-wall microcapsules on the fracture behavior of epoxy. Polymer 2019, 168, 104–115. [Google Scholar] [CrossRef]
- Ilyaei, S.; Sourki, R.; Akbari, Y.H.A. Capsule-based healing systems in composite materials: A review. Crit. Rev. Solid State Mater. Sci. 2021, 46, 491–531. [Google Scholar] [CrossRef]
- Li, W.; Jiang, Z.; Yu, Q. Multiple damaging and self-healing properties of cement paste incorporating microcapsules. Constr. Build. Mater. 2020, 255, 119302. [Google Scholar] [CrossRef]
- Jiang, X.; Luo, R.; Peng, F.; Fang, Y.; Akiyama, T.; Wang, S. Synthesis, characterization and thermal properties of paraffin microcapsules modified with nano-Al2O3. Appl. Energy 2015, 137, 731–737. [Google Scholar] [CrossRef]
- Li, Y.; Yu, J.; Cao, Z.; Du, W.; Zhang, Y.; Zou, Y. Preparation and characterization of nano-Fe3O4/paraffin encapsulated isocyanate microcapsule by electromagnetic controlled rupture for self-healing cementitious materials. Constr. Build. Mater. 2020, 265, 120703. [Google Scholar] [CrossRef]
- Kim, S.; Tserengombo, B.; Choi, S.-H.; Noh, J.; Huh, S.; Choi, B.; Chung, H.; Kim, J.; Jeong, H. Experimental investigation of dispersion characteristics and thermal conductivity of various surfactants on carbon based nanomaterial. Int. Commun. Heat Mass Transf. 2018, 91, 95–102. [Google Scholar] [CrossRef]
- Krishnamoorti, R. Strategies for dispersing nanoparticles in polymers. MRS Bull. 2007, 32, 341–347. [Google Scholar] [CrossRef]
- Jiang, F.; Zhao, W.; Wu, Y.; Wu, Y.; Liu, G.; Dong, J.; Zhou, K. A polyethyleneimine-grafted graphene oxide hybrid nanomaterial: Synthesis and anti-corrosion applications. Appl. Surf. Sci. 2019, 479, 963–973. [Google Scholar] [CrossRef]
- Li, B.; Liu, T.; Hu, L.; Wang, Y.; Gao, L. Fabrication and properties of microencapsulated paraffin@SiO2 phase change composite for thermal energy storage. ACS Sustain. Chem. Eng. 2013, 1, 374–380. [Google Scholar] [CrossRef]
- Zhang, Y.; Wang, K.; Tao, W.; Li, D. Preparation of microencapsulated phase change materials used graphene oxide to improve thermal stability and its incorporation in gypsum materials. Constr. Build. Mater. 2019, 224, 48–56. [Google Scholar] [CrossRef]
- Wang, K.; Jansen, D.C.; Shah, S.P.; Karr, A.F. Permeability study of cracked concrete. Cem. Concr. Res. 1997, 27, 381–393. [Google Scholar] [CrossRef]
- Basheer, L.; Kropp, J.; Cleland, D.J. Assessment of the durability of concrete from its permeation properties: A review. Constr. Build. Mater. 2001, 15, 93–103. [Google Scholar] [CrossRef]
- Dong, B.; Fang, G.; Wang, Y.; Liu, Y.; Hong, S.; Zhang, J.; Lin, S.; Xing, F. Performance recovery concerning the permeability of concrete by means of a microcapsule based self-healing system. Cem. Concr. Compos. 2017, 78, 84–96. [Google Scholar] [CrossRef]
- Irico, S.; Bovio, A.; Paul, G.; Boccaleri, E.; Gastaldi, D.; Marchese, L.; Buzzi, L.; Canonico, F. A solid-state NMR and X-ray powder diffraction investigation of the binding mechanism for self-healing cementitious materials design: The assessment of the reactivity of sodium silicate based systems. Cem. Concr. Compos. 2017, 76, 57–63. [Google Scholar] [CrossRef]
- Huang, H.; Ye, G.; Qian, C.; Schlangen, E. Self-healing in cementitious materials: Materials, methods and service conditions. Mater. Des. 2016, 92, 499–511. [Google Scholar] [CrossRef]
- Yu, X.; Qi, H.; Huang, Z.; Zhang, B.; Liu, S. Preparation and characterization of spherical β-cyclodextrin/urea–formaldehyde microcapsules modified by nano-titanium oxide. RSC Adv. 2017, 7, 7857–7863. [Google Scholar] [CrossRef]
- Dahesh, A.Z.; Othman, F.M.; Abdul-Hamead, A.A. Improve Mass Concrete by Controlling the Crack Sealing Mechanism Using Microcapsules of Zinc Oxide. Mater. Sci. Forum 2020, 1002, 541–550. [Google Scholar] [CrossRef]
- Antoniou, M.; Tsounidi, D.; Petrou, P.S.; Beltsios, K.G.; Kakabakos, S.E. Functionalization of silicon dioxide and silicon nitride surfaces with aminosilanes for optical biosensing applications. Med. Devices Sens. 2020, 3, e10072. [Google Scholar] [CrossRef]
- Li, G.; Cui, H.; Zhou, J.; Hu, W. Improvements of nano-TiO2 on the long-term chloride resistance of concrete with polymer coatings. Coatings 2019, 9, 323. [Google Scholar] [CrossRef]
- Li, X.; Li, X.; Zhao, Y.; Li, Q.; Wang, J.; Kang, M. Controllable preparation of isophorone diisocyanate microcapsules with silica/polyurea hybrid shells and application in self-healing epoxy coatings. Prog. Org. Coat. 2022, 163, 106638. [Google Scholar] [CrossRef]
- Yan, J.; Gao, Z.; Tan, Q.; Yang, X.; Hu, W. Study on Wettability and Corrosion Behavior of Al2O3 Doped Polyurea Coatings. Prot. Met. Phys. Chem. Surf. 2020, 56, 965–972. [Google Scholar]
- Du, W.; Li, E.; Lin, R. Preparation and characterization of nano-CaCO3/ceresine wax composite shell microcapsules containing E-44 epoxy resin for self-healing of cement-based materials. Nanomaterials 2022, 12, 197. [Google Scholar] [CrossRef] [PubMed]
- Li, H.; Ma, Y.; Li, Z.; Cui, Y.; Wang, H. Synthesis of novel multilayer composite microcapsules and their application in self-lubricating polymer composites. Compos. Sci. Technol. 2018, 164, 120–128. [Google Scholar] [CrossRef]
- Li, J.; Li, Z.; Feng, Q.; Qiu, H.; Yang, G.; Zheng, S.; Yang, J. Encapsulation of linseed oil in graphene oxide shells for preparation of self-healing composite coatings. Prog. Org. Coat. 2019, 129, 285–291. [Google Scholar] [CrossRef]
- Paredes, J.; Villar-Rodil, S.; Martínez-Alonso, A.; Tascon, J.M. Graphene oxide dispersions in organic solvents. Langmuir 2008, 24, 10560–10564. [Google Scholar] [CrossRef]
- Goustouridis, D.; Raptis, I.; Mpatzaka, T.; Fournari, S.; Zisis, G.; Petrou, P.; Beltsios, K.G. Non-Destructive Characterization of Selected Types of Films and Other Layers via White Light Reflectance Spectroscopy (WLRS). Micro 2022, 2, 495–507. [Google Scholar] [CrossRef]
- Kollia, E.; Mastrotheodoros, G.; Kosma, V.; Beltsios, K.G. Single step fabrication of polymer/silicate porous composite membranes via water-glass induced phase inversion. Polym.-Plast. Technol. Mater. 2019, 58, 957–966. [Google Scholar] [CrossRef]
- White, S.R.; Sottos, N.R.; Geubelle, P.H.; Moore, J.S.; Kessler, M.R.; Sriram, S.; Brown, E.N.; Viswanathan, S. Autonomic healing of polymer composites. Nature 2001, 409, 794–797. [Google Scholar] [CrossRef] [PubMed]
- Li, K.; Li, H.; Cui, Y.; Li, Z.; Ji, J.; Feng, Y.; Chen, S.; Zhang, M.; Wang, H. Dual-functional coatings with self-lubricating and self-healing properties by combining poly (urea–formaldehyde)/SiO2 hybrid microcapsules containing linseed oil. Ind. Eng. Chem. Res. 2019, 58, 22032–22039. [Google Scholar] [CrossRef]
- Du, G.; Hu, J.; Zhou, J.; Wang, G.; Guan, S.; Liu, H.; Geng, M.; Lü, C.; Ming, Y.; Qu, J. The study on the mechanical properties of PU/MF double shell self-healing microcapsules. Chin. J. Chem. Eng. 2020, 28, 1459–1473. [Google Scholar] [CrossRef]
- Wang, X.; Zhang, X.; Zou, F.; Zhu, J. Self-healing microcapsules modified by montmorillonite for modulating slow-release properties. Mater. Chem. Phys. 2022, 291, 126688. [Google Scholar] [CrossRef]
- Kosarli, M.; Foteinidis, G.; Tsirka, K.; Bekas, D.G.; Paipetis, A.S. Concurrent recovery of mechanical and electrical properties in nanomodified capsule-based self-healing epoxies. Polymer 2021, 227, 123843. [Google Scholar] [CrossRef]
- Crall, M.D.; Keller, M.W. Targeted self-healing by magnetically guiding microcapsules. ACS Appl. Mater. Interfaces 2017, 9, 6504–6511. [Google Scholar] [CrossRef]
- Jia, R.; Liu, X.; Huang, Z.; Wang, D.; Zhao, C.; Hui, Z.; He, X.; Wu, D. Novel polyurethane elastomer modified by hybrid shell nano-/microcapsules for unique self-lubricating behavior. Ind. Eng. Chem. Res. 2020, 59, 22123–22131. [Google Scholar] [CrossRef]
- Mytara, A.D.; Chronaki, K.; Nikitakos, V.; Papaspyrides, C.D.; Beltsios, K.; Vouyiouka, S. Synthesis of polyamide-based microcapsules via interfacial polymerization: Effect of key process parameters. Materials 2021, 14, 5895. [Google Scholar] [CrossRef]
- Xu, H.; Tan, Z.; Abe, H.; NAITO, M. Microcapsule assembly of single-walled carbon nanotubes from spray-dried hollow microspheres. J. Ceram. Soc. Jpn. 2011, 119, 180–184. [Google Scholar] [CrossRef][Green Version]
- Ghorbani, M.; Ebrahimnezhad-Khaljiri, H.; Eslami-Farsani, R.; Vafaeenezhad, H. The synergic effect of microcapsules and titanium nanoparticles on the self-healing and self-lubricating epoxy coatings: A dual smart application. Surf. Interfaces 2021, 23, 100998. [Google Scholar] [CrossRef]
- Zhou, G.; Jiang, W.; Li, S.; Liu, R.; Zhang, Q.; Qi, G.; He, Z. Preparation and performance analysis of dopamine hydrochloride functionalized E-51@ MPF/SiO2 double-wall microcapsules for microcracks self-healing in cement-based materials. Constr. Build. Mater. 2022, 325, 126622. [Google Scholar] [CrossRef]
- Li, H.; Li, S.; Li, F.; Li, Z.; Wang, H. Fabrication of SiO2 wrapped polystyrene microcapsules by Pickering polymerization for self-lubricating coatings. J. Colloid Interface Sci. 2018, 528, 92–99. [Google Scholar] [CrossRef] [PubMed]
- Wu, F.; Li, J.; Quan, H.; Han, J.; Liu, X.; Zhang, X.; Yang, J.; Xiang, Y. Robust polyurea/poly (urea–formaldehyde) hybrid microcapsules decorated with Al2O3 nano-shell for improved self-healing performance. Appl. Surf. Sci. 2021, 542, 148561. [Google Scholar] [CrossRef]
- Shahabudin, N.; Yahya, R.; Gan, S.N. Microcapsules of Poly (urea-formaldehyde)(PUF) Containing alkyd from Palm Oil. Mater. Today Proc. 2016, 3, S88–S95. [Google Scholar] [CrossRef]
- Wang, H.P.; Yuan, Y.C.; Rong, M.Z.; Zhang, M.Q. Melamine resin-walled microcapsules containing styrene: Preparation and characterization. Adv. Mater. Res. 2008, 47, 286–289. [Google Scholar] [CrossRef]
- Liu, X.; Sheng, X.; Lee, J.K.; Kessler, M.R. Synthesis and characterization of melamine-urea-formaldehyde microcapsules containing ENB-based self-healing agents. Macromol. Mater. Eng. 2009, 294, 389–395. [Google Scholar] [CrossRef]
- Jia, Y.; Wang, H.; Tian, K.; Li, R.; Xu, Z.; Jiao, J.; Cao, L.; Wu, Y. A combined interfacial and in-situ polymerization strategy to construct well-defined core-shell epoxy-containing SiO2-based microcapsules with high encapsulation loading, super thermal stability and nonpolar solvent tolerance. Int. J. Smart Nano Mater. 2016, 7, 221–235. [Google Scholar] [CrossRef][Green Version]
- Li, H.; Li, S.; Li, Z.; Zhu, Y.; Wang, H. Polysulfone/SiO2 hybrid shell microcapsules synthesized by the combination of pickering emulsification and the solvent evaporation technique and their application in self-lubricating composites. Langmuir 2017, 33, 14149–14155. [Google Scholar] [CrossRef]
- Bandeira, P.; Monteiro, J.; Baptista, A.M.; Magalhães, F.D. Tribological performance of PTFE-based coating modified with microencapsulated [HMIM][NTf 2] ionic liquid. Tribol. Lett. 2015, 59, 13. [Google Scholar] [CrossRef]
- Xiao, C.-D.; Shen, X.-C.; Tao, L. Modified emulsion solvent evaporation method for fabricating core–shell microspheres. Int. J. Pharm. 2013, 452, 227–232. [Google Scholar] [CrossRef] [PubMed]
- Chen, D.; OuYang, X.; Wang, Y.; Yang, L.; Wu, K.; He, C. Adsorption of caprolactam from aqueous solution by novel polysulfone microcapsules containing [Bmim][PF6]. Colloids Surf. A Physicochem. Eng. Asp. 2014, 441, 72–76. [Google Scholar] [CrossRef]
- Fan, J.; Zheng, Y.; Xie, Y.; Sun, Y.; Luan, Y.; Jiang, W.; Wang, C.; Liu, S.; Liu, X. Effect of solvent evaporation technique on the characteristics of curing agent microcapsules and the curing process. Compos. Sci. Technol. 2017, 138, 80–90. [Google Scholar] [CrossRef]
- Li, H.; Wang, Q.; Li, M.; Cui, Y.; Zhu, Y.; Wang, B.; Wang, H. Preparation of high thermal stability polysulfone microcapsules containing lubricant oil and its tribological properties of epoxy composites. J. Microencapsul. 2016, 33, 286–291. [Google Scholar] [CrossRef]
- Bae, J. Fabrication of carbon microcapsules containing silicon nanoparticles-carbon nanotubes nanocomposite by sol-gel method for anode in lithium ion battery. J. Solid State Chem. 2011, 184, 1749–1755. [Google Scholar] [CrossRef]
- Pi, Z.; Xiao, H.; Liu, R.; Liu, M.; Li, H. Effects of brass coating and nano-SiO2 coating on steel fiber–matrix interfacial properties of cement-based composite. Compos. Part B Eng. 2020, 189, 107904. [Google Scholar] [CrossRef]
- Geng, Y.; Li, S.; Hou, D.; Zhang, W.; Jin, Z.; Li, Q.; Luo, J. Fabrication of superhydrophobicity on foamed concrete surface by GO/silane coating. Mater. Lett. 2020, 265, 127423. [Google Scholar] [CrossRef]
- Fereidoon, A.; Ghorbanzadeh Ahangari, M.; Jahanshahi, M. Effect of nanoparticles on the morphology and thermal properties of self-healing poly (urea-formaldehyde) microcapsules. J. Polym. Res. 2013, 20, 151. [Google Scholar] [CrossRef]
- Li, J.; Cui, J.; Yang, J.; Li, Y.; Qiu, H.; Yang, J. Reinforcement of graphene and its derivatives on the anticorrosive properties of waterborne polyurethane coatings. Compos. Sci. Technol. 2016, 129, 30–37. [Google Scholar] [CrossRef]
- Su, Y.; Kravets, V.; Wong, S.; Waters, J.; Geim, A.K.; Nair, R.R. Impermeable barrier films and protective coatings based on reduced graphene oxide. Nat. Commun. 2014, 5, 4843. [Google Scholar] [CrossRef]
- Yu, F.; Feng, H.; Xiao, L.; Liu, Y. Fabrication of graphene oxide microcapsules based on Pickering emulsions for self-healing water-borne epoxy resin coatings. Prog. Org. Coat. 2021, 155, 106221. [Google Scholar] [CrossRef]
- Meng, L.M.; Yuan, Y.C.; Rong, M.Z.; Zhang, M.Q. A dual mechanism single-component self-healing strategy for polymers. J. Mater. Chem. 2010, 20, 6030–6038. [Google Scholar] [CrossRef]
- Indhumathi, S.; Dinesh, A.; Pichumani, M. Diverse perspectives on self healing ability of Engineered Cement Composite–All-inclusive insight. Constr. Build. Mater. 2022, 323, 126473. [Google Scholar]
- Shang, X.; Zhan, B.; Li, J.; Zhong, R. Novel microcapsules for internal curing of high-performance cementitious system. Sci. Rep. 2020, 10, 8318. [Google Scholar] [CrossRef] [PubMed]
- Ma, W.; Sun, D.; Ma, X.; Cui, S. Preparation and investigation of self-healing cementitious composite based on DMTDA-epoxy binary microcapsules system. J. Build. Eng. 2022, 56, 104779. [Google Scholar] [CrossRef]
- Lv, L.; Yang, Z.; Chen, G.; Zhu, G.; Han, N.; Schlangen, E.; Xing, F. Synthesis and characterization of a new polymeric microcapsule and feasibility investigation in self-healing cementitious materials. Constr. Build. Mater. 2016, 105, 487–495. [Google Scholar] [CrossRef]
- Lv, L.; Tang, J.; Xiao, F.; Schlangen, E.; Zhu, G.; Han, N.; Xing, F. Applying nano-indentation to measure micromechanical properties of phenol–formaldehyde microcapsules for self-healing cement based materials. In Proceedings of the Fifth International Conference on Self-Healing Materials, Durham, NC, USA, 22–24 June 2015; pp. 22–24. [Google Scholar]
- Calvo, J.G.; Pérez, G.; Carballosa, P.; Erkizia, E.; Gaitero, J.; Guerrero, A. Development of ultra-high performance concretes with self-healing micro/nano-additions. Constr. Build. Mater. 2017, 138, 306–315. [Google Scholar] [CrossRef]
- Du, W.; Yu, J.; He, B.; He, Y.; He, P.; Li, Y.; Liu, Q. Preparation and characterization of nano-SiO2/paraffin/PE wax composite shell microcapsules containing TDI for self-healing of cementitious materials. Constr. Build. Mater. 2020, 231, 117060. [Google Scholar] [CrossRef]
- Dong, K.; Ni, G.; Nie, B.; Xu, Y.; Wang, G.; Sun, L.; Liu, Y. Effect of polyvinyl alcohol/aluminum microcapsule expansion agent on porosity and strength of cement-based drilling sealing material. Energy 2021, 224, 119966. [Google Scholar] [CrossRef]
- Salmana, R.T.; Abdul-Hamead, A.A.; Othman, F.M. Investigation of the Effect of Microcapsule Additive on Mechanical and Physical Properties of Concrete. Eng. Technol. J. 2021, 39, 1639–1645. [Google Scholar] [CrossRef]
- Du, W.; Liu, Q.; Lin, R.; Yu, J. Influence of external environment on self-repairing ability of the cement-based materials containing paraffin/toluene-di-isocyanate microcapsules. Constr. Build. Mater. 2021, 281, 122584. [Google Scholar] [CrossRef]
- Du, W.; Yu, J.; Gu, S.; Wang, R.; Li, J.; Han, X.; Liu, Q. Effect of temperatures on self-healing capabilities of concrete with different shell composition microcapsules containing toluene-di-isocyanate. Constr. Build. Mater. 2020, 247, 118575. [Google Scholar] [CrossRef]
- Jiang, W.; Zhou, G.; Duan, J.; Liu, D.; Zhang, Q.; Tian, F. Synthesis and characterization of a multifunctional sustained-release organic–inorganic hybrid microcapsule with self-healing and flame-retardancy properties. ACS Appl. Mater. Interfaces 2021, 13, 15668–15679. [Google Scholar] [CrossRef]
- Qiao, Y.; Wan, J.; Zhou, L.; Ma, W.; Yang, Y.; Luo, W.; Yu, Z.; Wang, H. Stimuli-responsive nanotherapeutics for precision drug delivery and cancer therapy. Wiley Interdiscip. Rev. Nanomed. Nanobiotechnol. 2019, 11, e1527. [Google Scholar] [CrossRef] [PubMed]
- Siegel, R.A.; Rathbone, M.J. Overview of controlled release mechanisms. In Fundamentals and Applications of Controlled Release Drug Delivery; Springer: Boston, MA, USA, 2011; pp. 19–43. [Google Scholar]
- Wiktor, V.; Jonkers, H. Bacteria-based concrete: From concept to market. Smart Mater. Struct. 2016, 25, 084006. [Google Scholar] [CrossRef]
- Feng, J.; Chen, B.; Sun, W.; Wang, Y. Microbial induced calcium carbonate precipitation study using Bacillus subtilis with application to self-healing concrete preparation and characterization. Constr. Build. Mater. 2021, 280, 122460. [Google Scholar] [CrossRef]
- Ren, Y.; Zhu, G.; Tang, J. Synthesis of cement shell microcapsules via W/O Pickering emulsions. Colloids Surf. A Physicochem. Eng. Asp. 2020, 584, 124073. [Google Scholar] [CrossRef]
- Huang, J.; Zhu, Y.; Ma, Y.; Hu, J.; Huang, H.; Wei, J.; Yu, Q. pH-Triggered Release Performance of Microcapsule-Based Inhibitor and Its Inhibition Effect on the Reinforcement Embedded in Mortar. Materials 2021, 14, 5517. [Google Scholar] [CrossRef]
- Stefanoni, M.; Angst, U.; Elsener, B. Corrosion rate of carbon steel in carbonated concrete—A critical review. Cem. Concr. Res. 2018, 103, 35–48. [Google Scholar] [CrossRef]
- Fan, L.; Bao, Y.; Meng, W.; Chen, G. In-situ monitoring of corrosion-induced expansion and mass loss of steel bar in steel fiber reinforced concrete using a distributed fiber optic sensor. Compos. Part B Eng. 2019, 165, 679–689. [Google Scholar] [CrossRef]
- Mennucci, M.; Banczek, E.; Rodrigues, P.; Costa, I. Evaluation of benzotriazole as corrosion inhibitor for carbon steel in simulated pore solution. Cem. Concr. Compos. 2009, 31, 418–424. [Google Scholar] [CrossRef]
- Selvakumar, N.; Jeyasubramanian, K.; Sharmila, R. Smart coating for corrosion protection by adopting nano particles. Prog. Org. Coat. 2012, 74, 461–469. [Google Scholar] [CrossRef]
- Shi, X.; Nguyen, T.A.; Suo, Z.; Liu, Y.; Avci, R. Effect of nanoparticles on the anticorrosion and mechanical properties of epoxy coating. Surf. Coat. Technol. 2009, 204, 237–245. [Google Scholar] [CrossRef]
- Jia, Z.; Xiong, P.; Shi, Y.; Zhou, W.; Cheng, Y.; Zheng, Y.; Xi, T.; Wei, S. Inhibitor encapsulated, self-healable and cytocompatible chitosan multilayer coating on biodegradable Mg alloy: A pH-responsive design. J. Mater. Chem. B 2016, 4, 2498–2511. [Google Scholar] [CrossRef] [PubMed]
- Lv, L.; Guo, P.; Xing, F.; Han, N. Trigger efficiency enhancement of polymeric microcapsules for self-healing cementitious materials. Constr. Build. Mater. 2020, 235, 117443. [Google Scholar] [CrossRef]
- Chen, K.; Zhou, S. Fabrication of ultraviolet-responsive microcapsules via Pickering emulsion polymerization using modified nano-silica/nano-titania as Pickering agents. RSC Adv. 2015, 5, 13850–13856. [Google Scholar] [CrossRef]
- Cong, Y.; Chen, K.; Zhou, S.; Wu, L. Synthesis of pH and UV dual-responsive microcapsules with high loading capacity and their application in self-healing hydrophobic coatings. J. Mater. Chem. A 2015, 3, 19093–19099. [Google Scholar] [CrossRef]
- Li, E.; Du, W.; Zhuang, R.; Ba, M.; Yuan, L.; Zhang, Q.; Zhang, Y. Preparation and characterization of electromagnetic-induced rupture microcapsules for self-repairing mortars. Materials 2022, 15, 3608. [Google Scholar] [CrossRef] [PubMed]
- Song, Z.; Liu, Y.; Jiang, L.; Pei, C.; Xu, N.; Chu, H.; Guo, M. Using ultrasonic wave to trigger microcapsule inhibitor against chloride-induced corrosion of carbon steel in simulated concrete pore solution. Constr. Build. Mater. 2021, 311, 125331. [Google Scholar] [CrossRef]
- Li, Y.; Yu, J.; Cao, Z.; He, P.; Liu, Q.; Han, X.; Wan, Y. Preparation and application of novel microcapsules ruptured by microwave for self-healing concrete. Constr. Build. Mater. 2021, 304, 124616. [Google Scholar] [CrossRef]
- Huang, B.; Chen, F.; Shen, Y.; Qian, K.; Wang, Y.; Sun, C.; Zhao, X.; Cui, B.; Gao, F.; Zeng, Z. Advances in targeted pesticides with environmentally responsive controlled release by nanotechnology. Nanomaterials 2018, 8, 102. [Google Scholar] [CrossRef] [PubMed]
- Hong, S.; Qin, S.; Dong, B.; Xing, F. Corrosion features of the reinforcing bar in concrete with intelligent OH− regulation of microcapsules. Materials 2019, 12, 3966. [Google Scholar] [CrossRef] [PubMed]
- Wang, Y.; Fang, G.; Ding, W.; Han, N.; Xing, F.; Dong, B. Self-immunity microcapsules for corrosion protection of steel bar in reinforced concrete. Sci. Rep. 2015, 5, 18484. [Google Scholar] [CrossRef] [PubMed]
- Parkin, I.P.; Palgrave, R.G. Self-cleaning coatings. J. Mater. Chem. 2005, 15, 1689–1695. [Google Scholar] [CrossRef]
- Yang, Y.; He, J.; Li, Q.; Gao, L.; Hu, J.; Zeng, R.; Qin, J.; Wang, S.X.; Wang, Q. Self-healing of electrical damage in polymers using superparamagnetic nanoparticles. Nat. Nanotechnol. 2019, 14, 151–155. [Google Scholar] [CrossRef]
- Hussain, M.; Sikandar, M.A.; Nasir, A.; Ahmed, W. Effect of SiO2 coated leuco-dye based thermochromic pigment on the properties of Portland cement pastes. J. Build. Eng. 2021, 35, 102019. [Google Scholar] [CrossRef]
- Wang, X.; Li, Y.; Zhang, C.; Zhang, X. Visualization and quantification of self-healing behaviors of microcracks in cement-based materials incorporating fluorescence-labeled self-healing microcapsules. Constr. Build. Mater. 2022, 315, 125668. [Google Scholar] [CrossRef]
Disclaimer/Publisher’s Note: The statements, opinions and data contained in all publications are solely those of the individual author(s) and contributor(s) and not of MDPI and/or the editor(s). MDPI and/or the editor(s) disclaim responsibility for any injury to people or property resulting from any ideas, methods, instructions or products referred to in the content. |
© 2024 by the authors. Licensee MDPI, Basel, Switzerland. This article is an open access article distributed under the terms and conditions of the Creative Commons Attribution (CC BY) license (https://creativecommons.org/licenses/by/4.0/).


























