Abstract
This paper proposes a modeling and analysis method for a Caputo–Fabrizio (C-F) definition-based fractional-order Boost converter with fractional-order inductive loads. The proposed method analyzes the system characteristics of a fractional-order circuit with three state variables. Firstly, this paper constructs a large signal model of a fractional-order Boost converter by taking advantage of the state space averaging method, providing accurate analytical solutions for the quiescent operating point and the ripple parameters of the circuit with three state variables. Secondly, this paper constructs a small signal model of the C-F definition-based fractional-order Boost converter by small signal linearization, providing the transfer function of the fractional-order system with three state variables. Finally, this paper conducts circuit-oriented simulation experiments where the steady-state parameters and the transfer function of the circuit are obtained, and then the effect of the order of capacitor, induced inductor, and load inductor on the quiescent operating point and ripple parameters is analyzed. The experimental results show that the simulation results are consistent with those obtained by the proposed mathematical model and that the three fractional orders in the fractional model with three state variables have a significant impact on the DC component and steady-state characteristics of the fractional-order Boost converter. In conclusion, the proposed mathematical model can more comprehensively analyze the system characteristics of the C-F definition-based fractional-order Boost converter with fractional-order inductive loads, benefiting the circuit design of Boost converters.
1. Introduction
Fractional-order calculus is a mathematical tool related to memory processes, fractal geometry, and other physical phenomena [1,2]. In recent years, many studies have studied the fractional-order models of complex circuit systems by combining fractional-order operators with circuit system modeling [3,4,5]. Fractional calculus operators increase the degrees of freedom of mathematical models. They enable a concise and accurate description of memory properties and spatial global correlations in mechanical and physical processes [6]. The DC–DC converter, characterized as a circuit with the capability of controllable transformation of DC voltage, has found extensive applications in various power electronic equipment and systems. However, the pronounced nonlinearity inherent in DC–DC converters poses significant challenges in the construction of their precise mathematical models [7,8]. Studies have shown that fractional-order models are superior in characterizing the electrical properties of components in the context of DC–DC converters [9,10,11,12,13]. Applying fractional-order operators to mathematical modeling of DC–DC converters can provide a more comprehensive and accurate description of the electrical characteristics of DC–DC converters [14,15].
Up to now, fractional-order calculus has no universally accepted definition [16]. When studying practical systems, the Caputo definition is often used [17]. However, there is a bias in describing the full memory effect because of the singular kernel of the Caputo definition [18,19]. To overcome this issue, Caputo and Fabrizio proposed the C-F definition [20]. Applying the C-F definition to system modeling can solve the singularity problem and simplify the calculation process. Over the past few years, the C-F definition has been widely used in various fields such as thermodynamics [21,22], medicine [23,24,25], and power electronics [26,27,28,29].
With the progress of society, the industrial field has higher requirements for the accuracy of DC–DC converter models. Therefore, scholars have proposed various fractional-order modeling methods to obtain fractional-order mathematical models of DC–DC converters in different modes, such as the state space averaging method and equivalent small parameter method [30,31]. Studies have shown that fractional order can affect the output performance of circuit systems, including DC components and ripple parameters of current and voltage. Fractional calculus not only increases the degrees of freedom in the DC–DC converter design but also improves the accuracy of circuit system control [32,33,34,35]. However, the above studies are mostly based on the Caputo definition. Compared with actual circuits, traditional models based on the Caputo definition may ignore certain non-ideal discontinuous characteristics of components [36,37]. Therefore, the circuit parameters such as induced current and output voltage obtained from the analysis based on traditional fractional-order models are continuous. Additionally, the obtained steady-state characteristics, such as voltage ratio, are independent of component order [38,39]. These results differ from actual circuits. To obtain a more accurate and comprehensive mathematical model, some scholars have introduced additional components to the model. However, this approach increases the complexity of the model and affects further analysis and control of the circuit [40,41].
To overcome these problems, the C-F definition has been applied to the modeling of DC–DC converter circuits in recent studies. The C-F definition-based system modeling method can characterize the properties that Caputo definition-based fractional-order models cannot accurately represent [42,43,44,45]. The results indicate that the C-F definition can accurately characterize the nonlinear characteristics of capacitor voltage and inductor current in DC–DC converters, simplify the circuit topology, and make the electrical characteristics of the models closer to the actual circuits [46,47,48]. However, these studies only consider the operating conditions of resistive loads. In practical applications, the subordinate circuits carried are mostly capacitive or inductive loads, such as inductor coils, inductor filters, and capacitor couplers. Their electrical characteristics can also be described by fractional-order models [49,50,51,52,53,54,55]. Similar to integer-order models, considering loads with energy storage characteristics during mathematical modeling can transform the model from a fractional-order model with two state variables to a fractional-order model with three state variables, which can provide a more comprehensive description of the system characteristics of circuits. Therefore, this paper establishes and analyzes the C-F definition-based mathematical model of Boost converters with fractional-order inductive loads. Overall, this paper makes contributions as follows:
- (1)
- A large signal model of a fractional-order Boost converter with a fractional-order inductive load based on the C-F definition is constructed by using the state space averaging method. The accurate analytical solutions of the quiescent operating point and the ripple parameters of three state variables are derived. Moreover, simulation experiments are conducted where the results are consistent with the calculation results, verifying the correctness of the proposed model.
- (2)
- The transfer functions of the fractional-order circuit with three state variables are derived by performing the small-signal linearization method. Simulation experiments are conducted where the results from frequency sweep analysis verify the correctness of the transfer function.
- (3)
- According to the aforementioned results, the effect of the DC component of the state variables and ripple parameters on the order of energy storage components is analyzed.
2. Preliminaries
The C-F fractional derivative can be defined as follows [20]:
where denotes the -order C-F fractional derivative. The Laplace transform is derived as follows:
When applying the C-F definition to the electronic component modeling, the impedance expressions for capacitors and inductors are as follows:
where , , , and are the order, the inductance, and the capacitance of components. // is the parallel symbol. The equivalent circuit topology of the fractional-order capacitor and inductor based on the C-F definition are shown in Figure 1.
Figure 1.
The equivalent circuit topology defined by the C-F derivative. (a) Capacitor. (b) Inductor.
As shown in Equation (2), when and are greater than 1, the equivalent resistance is negative, which means that the system requires external energy injection and does not match the actual electronic components [56]. Therefore the orders between 0 and 1 are considered only in this paper.
3. Modeling of the C-F Definition-Based Fractional-Order Boost Converter with Inductive Load
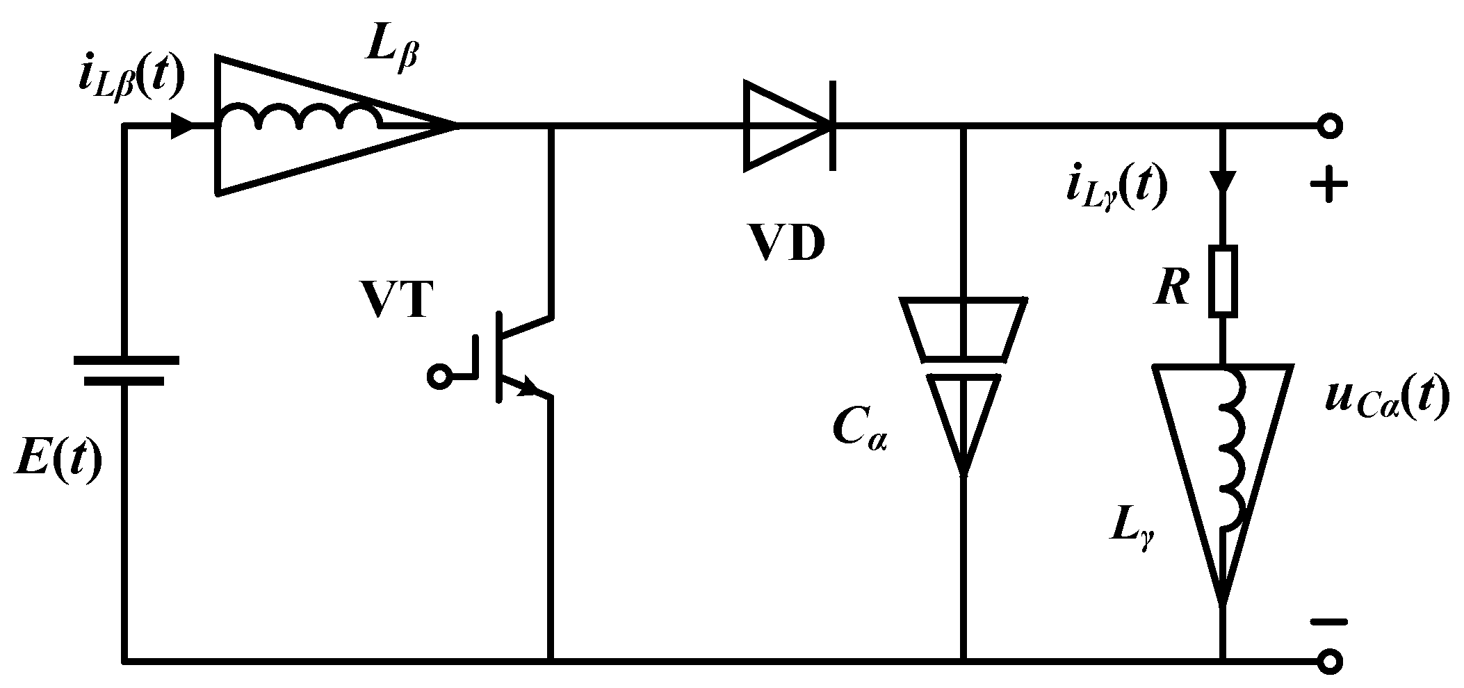
The fractional-order Boost converter with inductive load is shown in Figure 2. is the voltage of fractional-order capacitor with order . is the current of fractional-order inductor with order . is the current of fractional-order inductive load with order and R is purely resistive load. is the voltage of the power supply. According to Equation (2), the equivalent circuit parameters of the energy storage component in the circuit can be expressed by
where , C, , L, , and are the equivalent resistance and capacitance. and are the ideal switch and diode, assuming that the circuit operates in continuous conduction mode, which means that never equals 0. There are two states during the operation of the circuit. In State 1, is on and is off, for . In State 2, is off and is on, for . T is the switching period, d is the duty ratio, and n is the number of switching periods.
Figure 2.
The fractional-order Boost converter circuit with inductive loads.
According to the equivalent circuits of capacitors and inductors, the equivalent circuits of Boost converters in different states are shown in Figure 3.
Figure 3.
The equivalent circuit of the C-F definition-based Boost converter in different states. (a) State 1. (b) State 2.
3.1. Quiescent Operating Point
To analyze the system characteristics of the circuit in stable operating conditions, it is necessary to first solve the circuit parameters at the quiescent operating point. Normally, a small signal analysis of the circuit is required during the solving process. However, the fractional-order energy storage components in the circuit are based on the C-F definition, so there are resistive components in the equivalent circuit of fractional-order energy storage components that cannot store energy. This leads to discontinuity in the current and voltage in fractional-order Boost converters based on the C-F definition, which makes traditional small signal analysis methods unable to function properly. Therefore, this article sets the equivalent output voltage, induced current, and load inductor current as state variables, which satisfy continuity and exhibit continuous small ripple. Therefore, a small signal analysis of fractional-order Boost converters based on the C-F definition can be carried out. The state vector and output vector are set as follows:
Then, the steady-state converter model can be expressed as follows:
where
Considering only the DC component of the system state variable, Equation (14) can be transformed as follows:
where is null vector .
By solving Equation (16), the quiescent operating point of the system can be obtained as follows:
3.2. Ripple Parameters
Ripple parameters are important in the design of DC–DC converters. In State 1, the expression for the change in equivalent current is derived as follows:
The expressions for and are
After applying Laplace transform to Equation (20), the solution yields as follows:
To solve Equation (21), it is necessary to discuss the denominator characteristic roots, and the judgment item is
When , the solution of the denominator is
By inverse Laplace transform, Equation (24) can be rewritten as follows:
When , the solution of the denominator is
Then, Equation (21) can be simplified as follows:
The parameters are consistent with those in Equation (25). By inverse Laplace transform, Equation (32) can be rewritten as follows:
By inputting the time parameters of State 1, Equation (33) can be rewritten as follows:
By inverse Laplace transform, Equation (38) can be rewritten as follows:
In summary, the extreme values of the voltages of the equivalent capacitor ( and ) and the current of the equivalent inductances (, , and ) are as follows:
According to the circuit in Figure 3, the theoretical waveforms of a fractional-order Boost converter with inductive load based on the C-F are shown in Figure 4. Due to the short duration of a single cycle, the output voltage change can be regarded as a linear change.
Figure 4.
The theoretical waveforms.
In State 1, the induced current continuously increases. The maximum value of the induced current is as follows:
There is a coupling relationship between the output voltage and the load current in state 1. So their changing trends are variable. The load current and output voltage at the beginning and the ending can be obtained as follows:
From Equation (45), . So, the minimum values of the load current and capacitor voltage are as follows:
In State 2, the induced current, output voltage, and load current are coupled, their changing trend is not fixed. The values at the beginning and the ending can be obtained as follows:
So, the maximum values of the load current and output voltage , as well as the minimum value of the induced current are as follows:
3.3. Small-Signal Model
The state vector and output vector in Equation (5) are continuous with minimal ripple. To create a small-signal AC model, the converter waveform can be linearized as follows:
Substitute Equation (49) into Equation (14) and set to 0. Then, neglecting DC components and second-order nonlinear terms, the small signal components in the equation can be sorted out as follows:
where
By inverse Laplace transform, Equation (50) can be rewritten as follows:
According to Equation (52), the transfer function of the circuit system is as follows:
Therefore, the transfer function from duty cycle to induced current is
where
The transfer function from duty cycle to output voltage is
where
The transfer function from duty cycle to load current is
where
4. Simulation Experiment Results
4.1. Analysis of Circuit Parameters at the Quiescent Operating Point
To validate the correctness of derivation, the calculation values are compared with the circuit-oriented simulation results. The simulation circuit is constructed with Multisim regarding Figure 2, and the C-F derivative defines the fractional-order models of capacitors and inductors in circuit-oriented simulations. To make the simulation more convincing, the following two sets of parameters are set in this paper.
- Set 1: , , , , , , , , .
- Set 2: , , , , , , , , .
The comparison results are shown in Table 1 and the circuit-oriented simulation results are shown in Figure 5. Due to software limitations, while ensuring data accuracy, circuit-oriented simulation results retain four significant digits and calculation results retain six significant digits. It can be seen from Table 1 that within the allowable error range, the calculated results are consistent with the simulation results. The waveforms in Figure 5 conform to the changing trend of the theoretical waveforms in Figure 4. These results demonstrate consistency between theoretical analysis and numerical simulation results. Further verified the accuracy of the previous derivation.
Table 1.
The comparison results between circuit-oriented simulation results and calculation results.
Figure 5.
The circuit-oriented simulation results with different conditions.
To explore the effect of the order of components on the induced current, output voltage, and load current, the system performance is analyzed through simulation with MATLAB R2012a. According to [29,57], the fractional order of the real capacitor and inductor is close to 1. According to the simulation results, the order of the induced inductor has a much greater impact on the state variables of the circuit than the order of the capacitor and load inductor. Depending on the actual application conditions of the circuit, the analog components are analyzed in the range of orders , ∈ [0.95, 1), ∈ [0.99, 1) for the characteristics of the converter. The remaining circuit parameters use the data from Set 2. It can be seen from Equation (17) that the output voltage and the load current are only related to and as shown in Figure 6. Similarly, the induced current is related to , and as shown in Figure 7. According to the simulation results, the average value of capacitor voltage increases with the increase of , and its rising slope also increases accordingly; The change is small with the increase of . When approaches 1, the average value of capacitor voltage decreases with the increase of , and its slope of decrease also increases. The variation trends of load current and induced current are consistent with the variation trends of capacitor voltage, with only numerical variations. The induced current decreases linearly with the increase of , and the effect of is much greater than that of and .
Figure 6.
The effect of and on the value of the output voltage and load current.
Figure 7.
The effect of , , and on the value of the induced current.
The effect of , , and on ripple amplitude is shown in Figure 8. From the simulation results, as increases, the ripple amplitude of the load current and output voltage decreases, while the ripple amplitude of the induced current increases, and the slope of the change also increases continuously. As increases, the ripple amplitude of the output voltage and load current increases, and the slope of the rise also increases continuously, while the ripple amplitude of the induced current decreases linearly. As increases, the ripple amplitude of the induced current and output voltage increases, while the ripple amplitude of the load current decreases. The slope of the change increases significantly when approaches 1. From a numerical perspective, and have a significant effect on the ripple amplitude of the load current and output voltage, while has a significant effect on the ripple amplitude of the induced current. It is worth noting that there are discontinuous points in the waveform of the ripple amplitude of the induced current, output voltage, and load current at point A in Figure 8. This is because , meaning the judgment item Equation (22) has changed from negative to positive, that the calculation method for the extreme value of the state variable has changed. This discontinuous point also verifies the correctness of the derivation.
Figure 8.
The effect of , , and on the ripple amplitude of the induced current, output voltage, and load current.
4.2. Verification of Small Signal Models
The simulation parameters are consistent with Set 1. To get the amplitude-frequency characteristics of the simulated circuit, frequency sweeps can be performed using MATLAB R2012a/Simulink. The scanning and calculation results are shown in Figure 9, where , and are the transfer functions from duty cycle to induced current, output voltage, and load current obtained by the Frestimate(∗) function, respectively. The Frestimate(∗) function is used for frequency response estimation of simulated models. The transfer functions can be obtained as follows:
where , and can be derived using Equations (54), (56) and (58). It can be seen from Equation (60) and Figure 9 that, within the tolerance of the error, the calculated results and simulation results are accordant. The experimental results verified the feasibility of applying the small signal modeling scheme to fractional-order Boost circuits with inductive loads and also verified that the derived method provides a theoretical basis for subsequent linear controller design. The experimental results show that the transfer function of the proposed model can accurately describe the amplitude-frequency and phase-frequency characteristics in the mid to low-frequency domain, verifying the feasibility of applying the small signal modeling scheme to fractional-order Boost circuits with inductive loads and also verifying the correctness of the proposed model, providing a theoretical basis for subsequent linear controller design.

Figure 9.
The amplitude-frequency characteristic. (a) . (b) . (c) .
5. Conclusions
This paper presents a novel C-F definition-based modeling method for Boost converters with inductive loads using the fractional-order model, analyzes the effect of the order of fractional components on the characteristics of the converter, and verifies the validity of the C-F definition for the modeling of Boost converter circuits through simulation experiments. Firstly, a C-F definition-based mathematical model with three state variables of Boost converters with a fractional-order inductive load is constructed by using the state space averaging method. Furthermore, the quiescent operating point of the Boost converters and the ripple parameters’ accurate analytical solutions of those three state variables are derived. Secondly, the transfer functions of the fractional-order Boost converters with three state variables are derived by using the small-signal linearization method. Then, circuit-oriented simulation experiments are conducted. The static operating point and ripple parameters of the circuit are obtained in the experiments. At the same time, the transfer functions of the simulated circuit are obtained through frequency sweep analysis. Those results are consistent with the numerical calculation results, verifying the correctness of the numerical derivation. Finally, the effect of the order of the capacitor, induced inductor, and load inductor on the DC component of state variable and ripple parameters is analyzed through numerical simulation. The results show that as the order of induced inductor and capacitor increases, there is a significant change in the values of voltage and current in the circuit and the ripple of the waveform is reduced. The effect of the order of the load inductance on the voltage and current in the circuit gradually increases as its value approaches 1, which is negatively correlated with the ripple amplitude of the output voltage and induced current, and positively correlated with the ripple amplitude of the load current. The order of the induced inductor mainly affects the induced current, while the order of the capacitor and load inductor mainly affects the load current and output voltage. In summary, the proposed model can comprehensively characterize the steady-state characteristics of fractional-order Boost converters with inductive loads, helping the circuit design of Boost converters. The C-F definition can be used in the modeling of Boost circuits.
The modeling method proposed in this paper is simple and easy to implement and can obtain analytical solutions of the required parameters for design. This method can be applied to other fractional-order systems with three state parameters. However, the C-F definition ignores some fractional-order characteristics to simplify derivation, which may result in some errors when describing the dynamic performance of fractional-order Boost circuits. And when considering electromagnetic induction, fatigue, or damage, the accuracy of models needs to be further improved. In the future, the mathematical model of C-F definition-based fractional-order Boost converters will be compared with other definitions, such as the Caputo definition, and Atangana–Baleanu definition, to analyze the advantages and disadvantages of different definitions in the mathematical modeling of fractional-order circuits.
Author Contributions
Conceptualization, D.Y. and X.L.; methodology, D.Y.; software, D.Y. and Y.W.; validation, D.Y., X.L. and Y.W.; formal analysis, D.Y.; investigation, D.Y. and Y.W.; resources, X.L.; data curation, D.Y.; writing—original draft preparation, D.Y.; writing—review and editing, D.Y.; visualization, D.Y.; supervision, X.L.; project administration, D.Y. and X.L.; funding acquisition, X.L. All authors have read and agreed to the published version of the manuscript.
Funding
This work is supported by the National Natural Science Foundation of China under grant 61873035.
Data Availability Statement
Data is contained within the article.
Conflicts of Interest
The authors declare no conflicts of interest. The funders had no role in the design of the study; in the collection, analyses, or interpretation of data; in the writing of the manuscript; or in the decision to publish the results.
References
- Tarasov, V.E. On history of mathematical economics: Application of fractional calculus. Mathematics 2019, 7, 509. [Google Scholar] [CrossRef]
- Petráš, I. Fractional calculus. In Fractional-Order Nonlinear Systems: Modeling, Analysis and Simulation; Springer Science & Business Media: Berlin/Heidelberg, Germany, 2011; pp. 7–42. [Google Scholar]
- Sun, H.; Zhang, Y.; Baleanu, D.; Chen, W.; Chen, Y. A new collection of real world applications of fractional calculus in science and engineering. Commun. Nonlinear Sci. Numer. Simul. 2018, 64, 213–231. [Google Scholar] [CrossRef]
- Chen, Y.; Petras, I.; Xue, D. Fractional order control-a tutorial. In Proceedings of the 2009 American Control Conference, St. Louis, MO, USA, 10–12 June 2009; IEEE: Piscataway, NJ, USA, 2009; pp. 1397–1411. [Google Scholar]
- Koseoglu, M.; Deniz, F.N.; Alagoz, B.B.; Alisoy, H. An effective analog circuit design of approximate fractional-order derivative models of M-SBL fitting method. Eng. Sci. Technol. Int. J. 2022, 33, 101069. [Google Scholar] [CrossRef]
- Suzuki, J.L.; Gulian, M.; Zayernouri, M.; D’Elia, M. Fractional modeling in action: A survey of nonlocal models for subsurface transport, turbulent flows, and anomalous materials. J. Peridyn. Nonlocal Model. 2023, 5, 392–459. [Google Scholar] [CrossRef]
- Swaminathan, N.; Cao, Y. An overview of high-conversion high-voltage DC–DC converters for electrified aviation power distribution system. IEEE Trans. Transp. Electrif. 2020, 6, 1740–1754. [Google Scholar] [CrossRef]
- Al-Greer, M.; Armstrong, M.; Ahmeid, M.; Giaouris, D. Advances on system identification techniques for DC–DC switch mode power converter applications. IEEE Trans. Power Electron. 2018, 34, 6973–6990. [Google Scholar] [CrossRef]
- Song, S.; Zhang, X.; An, Y.; Ma, Y. Advanced fractional-order lithium-ion capacitor model with time-domain parameter identification method. IEEE Trans. Ind. Electron. 2021, 69, 13808–13817. [Google Scholar] [CrossRef]
- Jiang, Y.; Zhang, B. Comparative study of Riemann–Liouville and Caputo derivative definitions in time-domain analysis of fractional-order capacitor. IEEE Trans. Circuits Syst. II Express Briefs 2019, 67, 2184–2188. [Google Scholar] [CrossRef]
- Al-Daloo, M.; Soltan, A.; Yakovlev, A. Advance interconnect circuit modeling design using fractional-order elements. IEEE Trans. Comput.-Aided Des. Integr. Circuits Syst. 2019, 39, 2722–2734. [Google Scholar] [CrossRef]
- Koton, J.; Dvorak, J.; Kubanek, D.; Herencsar, N. Designing series of fractional-order elements. Analog. Integr. Circuits Signal Process. 2021, 106, 553–563. [Google Scholar] [CrossRef]
- Koton, J.; Kubanek, D.; Herencsar, N.; Dvorak, J.; Psychalinos, C. Designing constant phase elements of complement order. Analog. Integr. Circuits Signal Process. 2018, 97, 107–114. [Google Scholar] [CrossRef]
- Nicola, M.; Nicola, C.I. Improved Performance in the Control of DC–DC Three-Phase Power Electronic Converter Using Fractional-Order SMC and Synergetic Controllers and RL-TD3 Agent. Fractal Fract. 2022, 6, 729. [Google Scholar] [CrossRef]
- Chen, X.; Chen, Y.; Zhang, B.; Qiu, D. A modeling and analysis method for fractional-order DC–DC converters. IEEE Trans. Power Electron. 2016, 32, 7034–7044. [Google Scholar] [CrossRef]
- Atangana, A.; Hammouch, Z. Fractional calculus with power law: The cradle of our ancestors. Eur. Phys. J. Plus 2019, 134, 429. [Google Scholar] [CrossRef]
- Almeida, R. A Caputo fractional derivative of a function with respect to another function. Commun. Nonlinear Sci. Numer. Simul. 2017, 44, 460–481. [Google Scholar] [CrossRef]
- Losada, J.; Nieto, J.J. Properties of a new fractional derivative without singular kernel. Progr. Fract. Differ. Appl. 2015, 1, 87–92. [Google Scholar]
- Gabrick, E.C.; Protachevicz, P.R.; Lenzi, E.K.; Sayari, E.; Trobia, J.; Lenzi, M.K.; Borges, F.S.; Caldas, I.L.; Batista, A.M. Fractional Diffusion Equation under Singular and Non-Singular Kernel and Its Stability. Fractal Fract. 2023, 7, 792. [Google Scholar] [CrossRef]
- Caputo, M.; Fabrizio, M. A new definition of fractional derivative without singular kernel. Prog. Fract. Differ. Appl. 2015, 1, 73–85. [Google Scholar]
- Javed, F.; Riaz, M.B.; Iftikhar, N.; Awrejcewicz, J.; Akgül, A. Heat and mass transfer impact on differential type nanofluid with carbon nanotubes: A study of fractional order system. Fractal Fract. 2021, 5, 231. [Google Scholar] [CrossRef]
- Sitthiwirattham, T.; Arfan, M.; Shah, K.; Zeb, A.; Djilali, S.; Chasreechai, S. Semi-analytical solutions for fuzzy Caputo–Fabrizio fractional-order two-dimensional heat equation. Fractal Fract. 2021, 5, 139. [Google Scholar] [CrossRef]
- Idrees, M.; Alnahdi, A.S.; Jeelani, M.B. Mathematical Modeling of Breast Cancer Based on the Caputo–Fabrizio Fractal-Fractional Derivative. Fractal Fract. 2023, 7, 805. [Google Scholar] [CrossRef]
- Cramer, E.Y.; Ray, E.L.; Lopez, V.K.; Bracher, J.; Brennen, A.; Castro Rivadeneira, A.J.; Gerding, A.; Gneiting, T.; House, K.H.; Huang, Y.; et al. Evaluation of individual and ensemble probabilistic forecasts of COVID-19 mortality in the United States. Proc. Natl. Acad. Sci. USA 2022, 119, e2113561119. [Google Scholar] [CrossRef] [PubMed]
- Anjam, Y.N.; Shafqat, R.; Sarris, I.E.; Ur Rahman, M.; Touseef, S.; Arshad, M. A fractional order investigation of smoking model using Caputo–Fabrizio differential operator. Fractal Fract. 2022, 6, 623. [Google Scholar] [CrossRef]
- Wang, Y.; Chen, Y.; Liao, X. State-of-art survey of fractional order modeling and estimation methods for lithium-ion batteries. Fract. Calc. Appl. Anal. 2019, 22, 1449–1479. [Google Scholar] [CrossRef]
- Yang, N.; Xu, C.; Wu, C.; Jia, R.; Liu, C. Fractional-order cubic nonlinear flux-controlled memristor: Theoretical analysis, numerical calculation and circuit simulation. Nonlinear Dyn. 2019, 97, 33–44. [Google Scholar] [CrossRef]
- Alilou, M.; Azami, H.; Oshnoei, A.; Mohammadi-Ivatloo, B.; Teodorescu, R. Fractional-Order Control Techniques for Renewable Energy and Energy-Storage-Integrated Power Systems: A Review. Fractal Fract. 2023, 7, 391. [Google Scholar] [CrossRef]
- Lin, D.; Liao, X.; Dong, L.; Yang, R.; Samson, S.Y.; Iu, H.H.C.; Fernando, T.; Li, Z. Experimental study of fractional-order RC circuit model using the Caputo and Caputo–Fabrizio derivatives. IEEE Trans. Circuits Syst. I Regul. Pap. 2021, 68, 1034–1044. [Google Scholar] [CrossRef]
- Mahdavi, J.; Emaadi, A.; Bellar, M.; Ehsani, M. Analysis of power electronic converters using the generalized state-space averaging approach. IEEE Trans. Circuits Syst. I Fundam. Theory Appl. 1997, 44, 767–770. [Google Scholar] [CrossRef]
- Yang, C.; Xie, F.; Chen, Y.; Xiao, W.; Zhang, B. Modeling and analysis of the fractional-order flyback converter in continuous conduction mode by caputo fractional calculus. Electronics 2020, 9, 1544. [Google Scholar] [CrossRef]
- Xie, L.; Liu, Z.; Zhang, B. A modeling and analysis method for CCM fractional order Buck-Boost converter by using R–L fractional definition. J. Electr. Eng. Technol. 2020, 15, 1651–1661. [Google Scholar] [CrossRef]
- Wei, Z.; Zhang, B.; Jiang, Y. Analysis and modeling of fractional-order buck converter based on Riemann-Liouville derivative. IEEE Access 2019, 7, 162768–162777. [Google Scholar] [CrossRef]
- Chen, Y.; Chen, X.; Hu, J.; Zhang, B.; Qiu, D. A symbolic analysis method for fractional-order boost converter in discontinuous conduction mode. In Proceedings of the IECON 2017-43rd Annual Conference of the IEEE Industrial Electronics Society, Beijing, China, 29 October–1 November 2017; IEEE: Piscataway, NJ, USA, 2017; pp. 8738–8743. [Google Scholar]
- Jia, Z.; Liu, C. Fractional-order modeling and simulation of magnetic coupled boost converter in continuous conduction mode. Int. J. Bifurc. Chaos 2018, 28, 1850061. [Google Scholar] [CrossRef]
- Fang, S.; Wang, X. Modeling and analysis method of fractional-order buck–boost converter. Int. J. Circuit Theory Appl. 2020, 48, 1493–1510. [Google Scholar] [CrossRef]
- Sheikh, N.A.; Ching, D.L.C.; Ullah, S.; Khan, I. Mathematical and statistical analysis of RL and RC fractional-order circuits. Fractals 2020, 28, 2040030. [Google Scholar] [CrossRef]
- Kianpoor, N.; Yousefi, M.; Bayati, N.; Hajizadeh, A.; Soltani, M. Fractional order modelling of DC–DC boost converters. In Proceedings of the 2019 IEEE 28th International Symposium on Industrial Electronics (ISIE), Vancouver, BC, Canada, 12–14 June 2019; IEEE: Piscataway, NJ, USA, 2019; pp. 864–869. [Google Scholar]
- Sharma, M.; Rajpurohit, B.S.; Agnihotri, S.; Rathore, A.K. Development of fractional order modeling of voltage source converters. IEEE Access 2020, 8, 131750–131759. [Google Scholar] [CrossRef]
- Leng, M.; Zhou, G.; Tian, Q.; Xu, G.; Blaabjerg, F. Small signal modeling and design analysis for boost converter with valley V 2 control. IEEE Trans. Power Electron. 2020, 35, 13475–13487. [Google Scholar] [CrossRef]
- Siddhartha, V.; Hote, Y.V.; Saxena, S. Non-ideal modelling and IMC based PID Controller Design of PWM DC–DC Buck Converter. IFAC-PapersOnLine 2018, 51, 639–644. [Google Scholar] [CrossRef]
- Gómez-Aguilar, J.F.; Morales-Delgado, V.F.; Taneco-Hernández, M.A.; Baleanu, D.; Escobar-Jiménez, R.F.; Mohamed Al Qurashi, M. Analytical solutions of the electrical RLC circuit via Liouville–Caputo operators with local and non-local kernels. Entropy 2016, 18, 402. [Google Scholar] [CrossRef]
- Atangana, A.; Alkahtani, B.S.T. Extension of the resistance, inductance, capacitance electrical circuit to fractional derivative without singular kernel. Adv. Mech. Eng. 2015, 7. [Google Scholar] [CrossRef]
- Rosales, J.; Filoteo, J.D.; González, A. A comparative analysis of the RC circuit with local and non-local fractional derivatives. Rev. Mex. Fís. 2018, 64, 647–654. [Google Scholar] [CrossRef]
- Montesinos-García, J.J.; Barahona-Avalos, J.L.; Linares-Flores, J.; Juárez-Abad, J.A. Uncertainty Observer-Based Control for a Class of Fractional-Order Non-Linear Systems with Non-Linear Control Inputs. Fractal Fract. 2023, 7, 836. [Google Scholar] [CrossRef]
- Liao, X.; Ran, M.; Yu, D.; Lin, D.; Yang, R. Chaos analysis of Buck converter with non-singular fractional derivative. Chaos Solitons Fractals 2022, 156, 111794. [Google Scholar] [CrossRef]
- Liao, X.; Wang, Y.; Yu, D.; Lin, D.; Ran, M.; Ruan, P. Modeling and analysis of Buck-Boost converter with non-singular fractional derivatives. Chaos Solitons Fractals 2023, 169, 113336. [Google Scholar] [CrossRef]
- Xie, L.; Shi, J.; Yao, J.; Wan, D. Research on the Period-Doubling Bifurcation of Fractional-Order DCM Buck–Boost Converter Based on Predictor-Corrector Algorithm. Mathematics 2022, 10, 1993. [Google Scholar] [CrossRef]
- Abuaisha, T.; Kertzscher, J. Fractional-order modelling and parameter identification of electrical coils. Fract. Calc. Appl. Anal. 2019, 22, 193–216. [Google Scholar] [CrossRef]
- Raorane, A.A.; Patil, M.D.; Vyawahare, V.A. Analysis of full-wave controlled rectifier with lossy inductive load using fractional-order models. In Proceedings of the 2015 International Conference on Industrial Instrumentation and Control (ICIC), Pune, India, 28–30 May 2015; IEEE: Piscataway, NJ, USA, 2015; pp. 750–755. [Google Scholar]
- Zhu, J.; Chen, D.; Zhao, H.; Ma, R. Nonlinear dynamic analysis and modeling of fractional permanent magnet synchronous motors. J. Vib. Control 2016, 22, 1855–1875. [Google Scholar] [CrossRef]
- Khubalkar, S.; Junghare, A.; Aware, M.; Das, S. Modeling and control of a permanent-magnet brushless DC motor drive using a fractional order proportional-integral-derivative controller. Turk. J. Electr. Eng. Comput. Sci. 2017, 25, 4223–4241. [Google Scholar] [CrossRef]
- Tripathy, M.C.; Mondal, D.; Biswas, K.; Sen, S. Experimental studies on realization of fractional inductors and fractional-order bandpass filters. Int. J. Circuit Theory Appl. 2015, 43, 1183–1196. [Google Scholar] [CrossRef]
- Zhang, L.; Kartci, A.; Elwakil, A.; Bagci, H.; Salama, K.N. Fractional-order inductor: Design, simulation, and implementation. IEEE Access 2021, 9, 73695–73702. [Google Scholar] [CrossRef]
- Said, L.A.; Ismail, S.M.; Radwan, A.G.; Madian, A.H.; Abu El-Yazeed, M.F.; Soliman, A.M. On the optimization of fractional order low-pass filters. Circuits Syst. Signal Process. 2016, 35, 2017–2039. [Google Scholar] [CrossRef]
- Yu, D.; Liao, X.; Wang, Y.; Ran, M.; Dalin; Xia, J. Modeling and Characteristic Analysis of Fractional-Order Boost Converter based on the Caputo–Fabrizio Fractional Derivatives. Fractals 2023, 31, 2350082. [Google Scholar] [CrossRef]
- Liao, X.; Yu, D.; Lin, D.; Ran, M.; Xia, J. Characteristic Analysis of Fractional-Order RLC Circuit based on the Caputo–Fabrizio Definition. Fractals 2022, 30, 2250078. [Google Scholar] [CrossRef]
Disclaimer/Publisher’s Note: The statements, opinions and data contained in all publications are solely those of the individual author(s) and contributor(s) and not of MDPI and/or the editor(s). MDPI and/or the editor(s) disclaim responsibility for any injury to people or property resulting from any ideas, methods, instructions or products referred to in the content. |
© 2024 by the authors. Licensee MDPI, Basel, Switzerland. This article is an open access article distributed under the terms and conditions of the Creative Commons Attribution (CC BY) license (https://creativecommons.org/licenses/by/4.0/).









