Abstract
As it results from many research works, the majority of real dynamical objects are fractional-order systems, although in some types of systems the order is very close to integer order. Application of fractional-order models is more adequate for the description and analysis of real dynamical systems than integer-order models, because their total entropy is greater than in integer-order models with the same number of parameters. A great deal of modern methods for investigation, monitoring and control of the dynamical processes in different areas utilize approaches based upon modeling of these processes using not only mathematical models, but also physical models. This paper is devoted to the design and analogue electronic realization of the fractional-order model of a fractional-order system, e.g., of the controlled object and/or controller, whose mathematical model is a fractional-order differential equation. The electronic realization is based on fractional-order differentiator and integrator where operational amplifiers are connected with appropriate impedance, with so called Fractional Order Element or Constant Phase Element. Presented network model approximates quite well the properties of the ideal fractional-order system compared with e.g., domino ladder networks. Along with the mathematical description, circuit diagrams and design procedure, simulation and measured results are also presented.
Keywords:
fractional-order dynamical system; fractional dynamics; fractional calculus; fractional-order differential equation; entropy; constant phase element; analogue realization PACS Codes:
02.30.Yy; 45.80.+r; 05.45.-a; 07.50.Qx; 07.07.Tw; 37N35; 26A33; 34A08
1. Introduction
The standard dynamical systems and also standard control systems used until recently were all considered as integer-order (IO) systems, regardless of the reality. In their analysis and design, the Laplace transform was used heavily for simplicity. The appropriate mathematical methods for such type of systems were fully developed in former times. As it results from recent research works, the majority of real objects in general are in fact fractional-order (FO) systems or arbitrary real order systems including integer order. Because of the higher complexity and the absence of adequate mathematical tools, fractional-order dynamical systems were only treated marginally in the theory and practice of control systems, e.g., [1,2]. Their analysis requires familiarity with FO derivatives and integrals [3,4,5]. Although the FO calculus is an about 300 year old topic, the theory of FO derivatives was developed mainly in the 19th century. In the last decades there has been, besides the theoretical research of FO derivatives and integrals [6,7,8,9], a growing number of applications of FO calculus in many different areas such as, for example, long electrical lines, electrochemical processes, dielectric polarization, modeling and identification of thermal systems [10,11,12,13], colored noise, chaos, viscoelastic materials, signal processing [14,15], information theory [16], applied information theory, dynamical systems identification [17,18,19] and of course in control theory as well [4,20,21,22,23,24,25]. This is a confirmation of the statement that real objects are generally FO, however, for many of them the fractionality is very low, like e.g., electronic systems composed of quality electronic elements.
Fractional-order models are more adequate for the description of dynamical systems than integer-order models, because their total entropy is greater than in integer-order models with the same number of parameters [26]. The concepts of the FO calculus and entropy allow one to improve the analysis of system dynamics [27]. The paper [28] also analyzed IO and FO dynamical systems through the entropy measure and demonstrated that the concepts are simple, straightforward to apply and therefore future research and analysis of more complex systems is required. With such models it is possible to consider also the real order of the dynamical systems and consider more quality criterion while designing the FO controllers with more degrees of freedom compared to their IO counterparts [29,30,31,32,33], but appropriate methods for the analytical or numerical calculations of fractional-order differential equations (FODE) are needed in such cases [6,7,8,9,20].
A great deal of modern methods for investigation, monitoring and control of processes in different areas utilize approaches based upon modeling of these processes using not only mathematical models but also physical models based on FO differentiators and integrators with appropriate FO impedance. One of the major areas of application of the analog models is the study of the FO dynamical systems, FO controllers (FOC), FO filters, FO oscillators, etc. Early work on the realization of fractional-order differentiators started with the works of Carlson, Halijak and Roy [34,35]. The authors of [34] attempted to create a “fractional capacitor” having a transfer function of 1/s1/n where n is a positive real number. The author in [35] introduced the method for realization of an immittance of order λ, whose argument is nearly constant at λπ/2, |λ| < 1, over an extended frequency range. This fractional order element (FOE) or constant phase element (CPE) was realized through cross RC ladder network, which is the model of infinite-length power transmission line. In [36] the authors also introduced the concept of a fractional-order integrator using a single-component FOE. A single component FOE is a capacitive-type probe coated with a porous film of poly-methyl methacrylate dipped in a polarisable medium. The fractional exponent can be varied between 0 and 1. The work [37], inspired by the work described in [38], and also the work [39], etc., described a quite simple model of the FOE. Theoretical focus on the design of FOE is discussed also in [40,41]. Electronic realizations of fractional-order integrator and controllers were attempted and presented in our earlier works [42,43,44] and also in many other works like e.g., [45,46,47,48].
In this paper, except for the principle of electronic realization of the FO integrator and FOE, we will concentrate also on the electronic realization of the FO controlled object and FO controller, whose mathematical model is FODE. The electronic realization is based on a FO differentiator and integrator where operational amplifiers are connected with appropriate impedances or in our realization, with the so-called FOE or CPE. The presented network model, in spite of its simplicity, approximates quite well the properties of the ideal FO system compared with e.g., domino ladder networks. Along with the mathematical description, circuit diagrams of the designed FO dynamical systems, and design procedure of the FO elements, also simulation and measured results, are presented.
2. Definition of the Fractional Order Control System and Its Model
For the definition of the FO control system we consider the simple unity feedback control system shown in Figure 1 where FS(s) denotes the transfer function of the controlled system which is either IO type or more generally FO type and FC(s) is the transfer function of the controller, also either IO type or FO type. Y(s) denotes the output of the controlled system and U(s) its input. W(s) is the desired value of the output of the system and E(s) is the error or deviation between W(s) and Y(s). We could consider also disturbances at the input or output of the system.
Figure 1.
Simple unity feedback control system.
Figure 1.
Simple unity feedback control system.

Two basic mathematical models of the FO regulated systems and FO controllers are FO differential equations and FO Laplace transfer functions.
2.1. Fractional-Order Differential Equation
In the time domain we can describe FO system by an FODE or by a system of FO differential equations. Very frequently used, as a model of the controlled system in control theory, is the following three-term FODE [8,9,20]:
where α, β are generally real numbers, a2, a1, a0 are arbitrary constants, u(t) is the input signal into the dynamical system and y(t) is the output of the system defined by FODE (1) with zero initial conditions. For one kind of our final desired FO controlled object [20] they have the following values α = 2.2, β = 0.9, a2 = 0.8, a1 = 0.5, a0 = 1. In the case of a2 = 0 we have two-term FODE. The analytical solution [8,9] of FODEs is rather complicated. More convenient are numerical solutions [20,25].
Similarly the FO PIλDμ controller can be described by the FO integro-differential equation [8]:
where K is a proportional constant, Ti is an integration constant, Td is a derivation constant, λ is an integral order and μ is a derivation order. For our final desired FO controller they have the following values K = 20.5, Ti = 0, Td = 3.7343, λ = 0, μ = 1.15 [20].
2.2. Fractional-Order Laplace Transfer Function
To the FODE of the controlled object (1) there corresponds, in the s domain, the following FO Laplace transfer function:
and to the FO integro-differential equation of the controller (2) there corresponds, in the s domain, the following FO Laplace transfer function:
With different FO systems notions such as weak or strong integrator or differentiator, weak or strong fractional-type pole, or zero arise, with interesting contributions to the dynamics of the system (stability, phase shift etc.), as some properties are emphasized, others are eliminated. An FO system combines some characteristics of systems of the order N and (N +1). By changing the order as a real and not only an integer value we have more possibilities for an adjustment of the roots of the characteristic equation according to special requirements.
3. Principles of Electronic Realization of the FO Dynamical System
The basic concept of all techniques of electronic realization of an FO dynamical system is realization of the FO integrator or differentiator and consequently realization of the analogue electronic circuit with the equivalent mathematical model as FO dynamical system ‒ controlled object and/or controller.
3.1. Principles of Electronic Realization of the FO Integrator and Differentiator
The FO integro-differential operator can be designed and built on the principle clearly visible in Figure 2. The basic element of this circuit is the appropriate feedback element in the first stage—the so called fractance or FOE or CPE—which along with resistance Ri defines the order of the FO integrator or differentiator (exchange Ri and FOE). The function of the second stage is to determine the desired gain of the whole FO operator and to invert the output signal.
Figure 2.
Diagram of the electronic realization of the FO operator.
Figure 2.
Diagram of the electronic realization of the FO operator.

The impedance of an ideal fractional-order element is defined as:
For s = jω will then be:
where ϕ = απ/2 is the argument of the impedance in radians or ϕ = 90α for ϕ in degrees.
The exponent α decides the character of the impedance Z(s) and denotes the order of integration or differentiation in the electronic realization of the FO operator (Figure 2). If α = +1, it is a classical inductive reactance, α = 0 means a real resistance or conductance, α = −1 represents a classical capacitive reactance. The values 0<α<1 correspond to an FO inductor, the values −1 < α < 0 to an FO capacitor.
3.2. Principles of Electronic Realization of the FO Controlled System and Controller
The electronic realization of the FO controlled system and controller in our earlier work [42], based on sequential integration of FODE (1), is rather complicated and requires a number of active elements. The method in this contribution is based on the equivalent Laplace transfer function (7) of the electronic circuit shown in Figure 3 to the FO Laplace transfer function (3) and to the FODE (1):
For the considered fractional-order controlled object (3) with α = 2.2, β = 0.9, a2 = 0.8, a1 = 0.5, a0 = 1 we can choose e.g., α1 = −1, the first stage is then the classical IO integrator with D1 = 1/C1, then α2 = −0.3, α3 = −0.9 and the values D2, D3 depend on realization of FOE2, FOE3, see next part, R1 = R4. It results from equations (3) and (7) that a0 = R1/R4 = 1, β = |α3| = 0.9 and α = |α1+α2+α3| = 2.2 as required.
Figure 3.
Diagram of the electronic realization of the FO controlled system (1), (3).
Figure 3.
Diagram of the electronic realization of the FO controlled system (1), (3).

Similarly, the equivalent Laplace transfer function to the transfer function (8) of the PDμ controller [20] has the electronic circuit depicted in Figure 4:
Figure 4.
Diagram of the electronic realization of the PDμ controller.
Figure 4.
Diagram of the electronic realization of the PDμ controller.

3.3. Design Procedure of the Fractional-Order Element
The impedance of an ideal FOE or CPE in s and ω domain is defined by equations (5) and (6). The modulus of impedance depends on frequency ω according to the magnitude of α. Its value in decibels varies with 20α decibels per decade of frequency and in correspondence with the sign of α, the modulus increases or decreases. At ω = 1 the modulus equals D, independent of α. Argument ϕ of the impedance is constant and frequency independent for an ideal FOE. The properties of ideal FOE cannot be realized with classical electrical networks containing a finite number of discrete R, C components. The task is to build a network that sufficient accurately approximates the FOE in a desired frequency range. The basic structure of the electronic model of the FOE [37,38] is shown in Figure 5.
Figure 5.
The network model of the FOE.
Figure 5.
The network model of the FOE.

The resistances and capacitances in parallel branches k = 1, 2,… m form a geometric sequence:
The values of R1, C1 are chosen according to the time constant τ1 = R1C1 which determines together with the number of branches m the low and high frequencies:
The desired amplitude Δϕ of oscillations [37] (ripple) of argument (phase) around its average value are defined by values of parameters a, b:
For the chosen and calculated values of components R, C we can calculate the input admittance of the FOE as follows:
The obtained value of D will generally differ from the required Dr. Therefore, all values of resistances in sections Rk and Rp have to be multiplied by ratio Dr / D and also all capacitances divided by the same ratio [37].
4. Design of the FOE for the Considered Control System
For the considered FO controlled object (3), α= 2.2, β = 0.9, a2 = 0.8, a1 = 0.5, a0 = 1 and choosing α1 = −1, D1= 1/C1, α2= −0.3, α3= −0.9 in section 3.2, the values of the Rk and Ck of all FOEs, according to section 3.3, can be determined. For example, for FOE2 the chosen value of α2 is α2= −0.3 and the corresponding argument according to (6) is ϕ2 = −27°. The resulting values of Rk, Ck for m = 4, Δφ = 0.5° are R1 = 220k, R2 = 127k, R3 = 73.27k, R4 = 42.28k, Rp = 161k, C1 = 10µ, C2 = 2.77µ, C3 = 769n, C4 = 213n, Cp = 81.76n. In Figure 6 are depicted the Bode plots—amplitude and phase—obtained from the simulations in Micro-Cap 9.
Figure 6.
Bode plots of the FOE2.
Figure 6.
Bode plots of the FOE2.

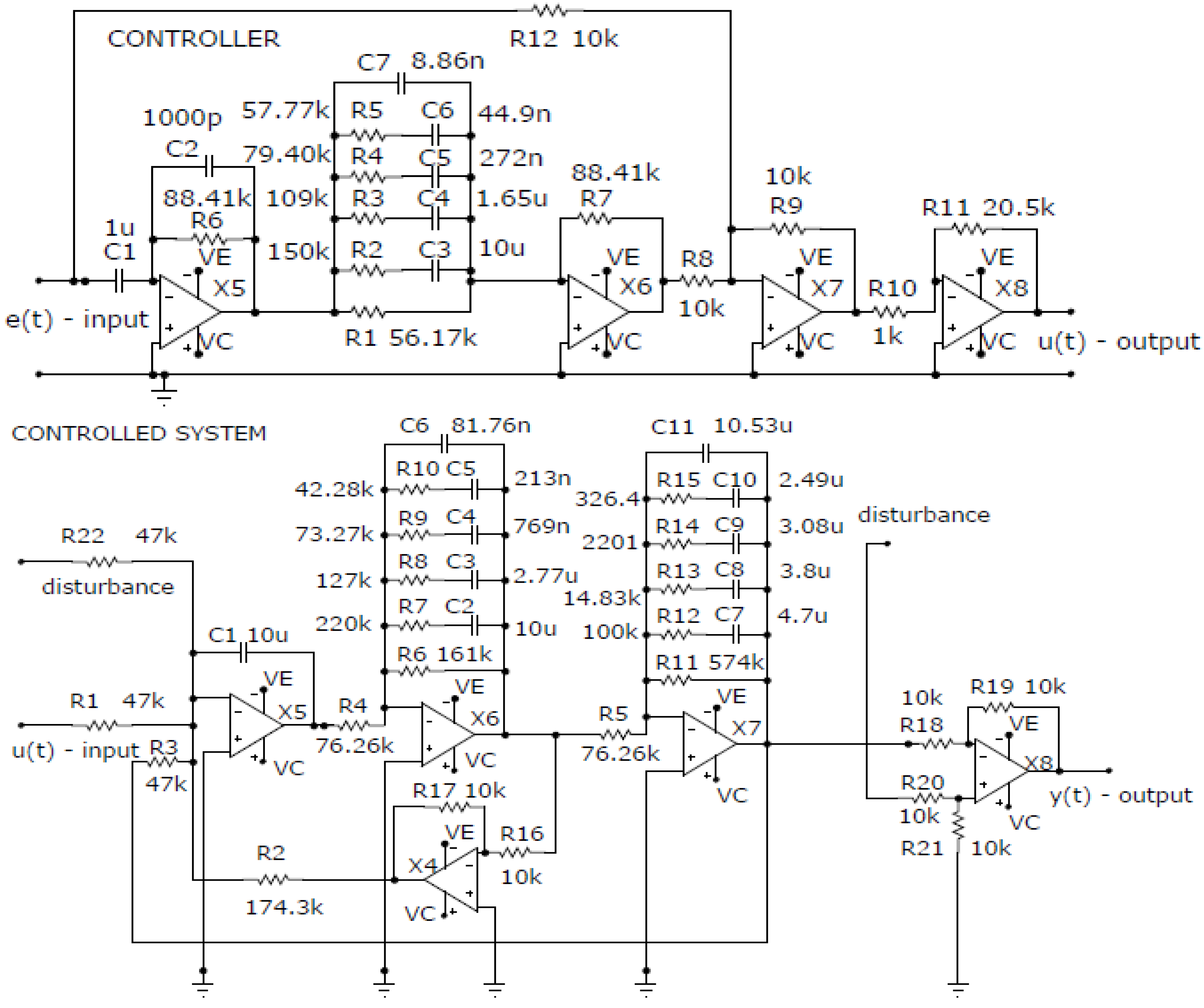
The modulus of impedance decreases by 6 decibels per decade and the phase is −27° according to α2 = −0.3 as desired. It is evident from Figure 6 that the properties of the ideal FOE cannot be precisely realized with classical electrical networks containing a finite number of discrete R, C components. At both ends of the frequency range the normal operating conditions are not satisfied since the necessary sections are missing. In the proposed model the accuracy was increased by substituting the missing sections with approximating resistor Rp and capacitor Cp. The phase is virtually constant over the frequency range covering nearly three decades. The model contains only five resistors and five capacitors. Moreover, the frequency band can be easily extended by adding further sections and recalculating the capacitance Cp. For practical applications, however, the number of parallel branches m must be chosen as a compromise between the model accuracy and simplicity. By using a similar technique we can design also other FOEs for the controlled object and for the controller as well, and the values of Rk, Ck are noted in Figure 7. The complete diagrams of the electronic realization of the FO PDμ controller and FO controlled system are depicted in Figure 7.
The diagrams of the electronic realization of the FO PDμ controller and FO controlled system [20] depicted in Figure 7 are based on the electronic circuits shown in Figure 3 and Figure 4 which together with the designed FOEs have desired Laplace transfer functions (7), (8) and also (3) and (4). In Figure 8 are the photos of the analogue realization of the control system from Figure 7. Because the calculated component values differ from the values delivered in standard series they were obtained by serial/parallel connection of several components (two or three) to approximate the calculated values.
Figure 7.
Circuit diagram of the controller and controlled system.
Figure 7.
Circuit diagram of the controller and controlled system.

Figure 8.
Photos of the analogue realization of the FO control system.
Figure 8.
Photos of the analogue realization of the FO control system.

5. Verification of the Analogue Realization of the FO Control System
The verification of the designed analogue realization of the FO system was performed firstly by comparing the step responses of the controlled system obtained by simulation in Micro-Cap 9 software (MC9) of the circuit depicted in Figure 7 with simulation results obtained by simulation of the corresponding mathematical model in Matlab. Afterwards, qualitative comparisons of the simulated and measured step responses of the FO feedback control system have been made. At the end the actual parameters of the realized FO controlled system were obtained by identification using measured data.
The step response [Figure 9(a) - MC9] of the electronic realization of our well-known FO controlled object for α = 2.2, β = 0.9, a2 = 0.8, a1 = 0.5, a0 = 1 whose circuit diagram is depicted in Figure 7 is in a good agreement with the step response of its model (1), (3) computed in Matlab and shown in Figure 9(b).
Figure 9.
Step responses of the controlled object.
Figure 9.
Step responses of the controlled object.

The step responses of the feedback control system (Figure 1) computed in MC9 software and in Matlab are depicted in Figure 10. We can see the good agreement of the step response of the whole feedback control system (Figure 1 and Figure 7) computed in MC9 (Figure 10a) with the step response of the corresponding mathematical model of such feedback control system (13) computed in Matlab (Figure 10b):
The slight differences are mainly at the beginning of the responses, especially in the magnitude of the first maximum of the step response. The measured step response of the electronic realization of the feedback control system (Figure 7 and Figure 8) is depicted in Figure 11. We can see again the qualitatively good equivalence of the measured response with the both computed step responses depicted in Figure 10. As mentioned above the values of calculated components Rk, Ck differ from the values delivered in standard series. Therefore they were approximated by serial/parallel connection of several components. As a result, the parameters of the realized FO controlled object differ from the desired values. Because of this, there are differences between measured and simulated results. Moreover, for practical applications the number of parallel branches m for all FOEs must be chosen as a compromise between the model accuracy and its simplicity. Therefore amplitude and phase Bode plots have satisfactory behavior only over the limited frequency range. This influences also the accuracy of the whole feedback control system.
Figure 10.
Step responses of the feedback control system.
Figure 10.
Step responses of the feedback control system.

Figure 11.
Measured step response of the feedback control system.
Figure 11.
Measured step response of the feedback control system.

As we can see from the Nyquist diagram (Figure 12) of the open control loop (14) the feedback control loop (13) is stable.
Figure 12.
Nyquist diagram of the open control loop.
Figure 12.
Nyquist diagram of the open control loop.

The measured data of the step response were used for identification [19] of the real parameters of the controlled system. We have used the criterion of the sum of squares (15) of the vertical deviations of the experimental (ye,i) and theoretical/modeled (ym,i) outputs of the system, as it is used in the classical least squares method:
Considering the controlled system as a three-member differential equation (1), using criterion (15) and using the optimization method for nonlinear function minimization fmincon from Matlab, the following parameters of the controlled object were obtained α = 2.2043, β = 0.9528, a2 = 0.8254, a1 = 0.5091, a0 = 1.0346 and the value of the criterion (15) was 0.2826. From the comparison with the desired values α = 2.2, β = 0.9, a2 = 0.8, a1 = 0.5, a0 = 1 it can be seen that the corresponding absolute errors are 0.2%, 5.8%, 3.2%, 1.8% and 3.5%. Higher accuracy can be achieved by more precise approximation of the calculated components Rk, Ck and also considering more parallel branches m for designed FO elements.
6. Conclusions
In this article we have described the design and the electronic realization of the fractional-order controller and controlled system which is based on equivalence of the Laplace transfer function of the corresponding electronic circuit to the Laplace transfer function of the original FO systems. The electronic realization utilizing the fractional-order differentiator and integrator where operational amplifiers are connected with appropriate impedance, so called Fractional Order Element or Constant Phase Element. This method provides a simpler circuit in comparison with our previous works. Also, our presented method for the design of FOE based on passive components—resistors and capacitors—is very simple and gives satisfactory results. It is possible to simulate the properties of ideal FOE in a desired frequency range with good accuracy and the method works for arbitrary orders of the FO operator. Presented network model is simple and approximates quite well the properties of the ideal FO system compared with e.g., domino ladder networks. Qualitatively, comparison of the simulation results with measured results gives good agreement. Because the calculated component values differ from the values delivered in standard series they were obtained by serial/parallel connection of several components to approximate the calculated values. As a result, the parameters of the realized FO system differ from the desired values. Because of this, there are slight quantitative differences between measured and simulated results. Higher accuracy can be achieved by more precise approximation of the calculated components Rk, Ck. Moreover, for practical applications the number of parallel branches m for all FOEs must be chosen as a compromise between the model accuracy and its simplicity. Therefore amplitude and phase Bode plots have satisfactory behavior only over the limited frequency range. This influences also the accuracy of the whole feedback control system. The accuracy and the performance of the implementation can be improved also considering more parallel branches m for designed fractional-order elements. Our future research will focus on designing a selectable fractional-order differentiator as a first step for creating a fractional-order PIλDμ controller where the gain of the proportional controller, the gains and fractional orders of the derivative and integrative controller, or the number of branches can be done automatically by a microcontroller.
Acknowledgments
This work was partially supported by grants VEGA 1/0746/11, 1/0729/12, 1/0497/11, 1/2578/12, and by grant APVV-0482-11 from the Slovak Grant Agency, the Slovak Research and Development Agency. Most parts of this article have been presented at the conferences ICCC 2012 and SGEM 2012, held at the Podbanské, Slovak Republic, 28–31 May 2012 and at Albena, Bulgaria, 17–23 June 2012, respectively. The authors would like to thank the anonymous reviewers for their suggestions that helped to improve the original version of this paper.
Conflicts of Interest
The authors declare that there is no conflict of interests regarding the publication of this article.
References
- Manabe, S. The Non-Integer Integral and its Application to Control Systems. ETJ Japan 1961, 6, 83–87. [Google Scholar]
- Outstaloup, A. From fractality to non integer derivation through recursivity, a property common to these two concepts: A fundamental idea from a new process control strategy. In Proceedings of the 12th IMACS World Congress, Paris, France, 18–22 July 1988; pp. 203–208.
- Oldham, K.B.; Spanier, J. The Fractional Calculus; Academic Press: New York, NY, USA, 1974. [Google Scholar]
- Axtell, M.; Bise, M.E. Fractional Calculus Applications in Control Systems. In Proceedings of the IEEE 1990 National Aerospace and Electronics Conference, New York, NY, USA, 21–25 May 1990; pp. 563–566.
- Kalojanov, G.D.; Dimitrova, Z.M. Teoretiko-experimentalnoe opredelenie oblastej primenimosti sistemy PI (I) reguliator-objekt s necelocislennoj astaticnostiu, (Theoretico-experimental determination of the domain of applicability of the system PI (I) regulator—fractional-type astatic systems). Izvestia vyssich ucebnych zavedenij, Elektromechanika 1992, 2, 65–72. (in Russian). [Google Scholar]
- Samko, S.G.; Kilbas, A.A.; Marichev, O.I. Fractional Integrals and Derivatives: Theory and Applications; Gordon and Breach Science Publishers: Yverdon, Switzerland, 1993. [Google Scholar]
- Miller, K.S.; Ross, B. An Introduction to the Fractional Calculus and Fractional Differential Equations; Wiley: New York, NY, USA, 1993. [Google Scholar]
- Podlubny, I. The Laplace transform method for linear differential equations of the fractional order. In UEF-02-94; The Academy of Science Institute of Experimental Physics: Košice, Slovak Republic, 1994; Available online: http://arxiv.org/abs/funct-an/9710005 (accessed on 30 October 1997).
- Podlubny, I. Fractional Differential Equations; Academic Press: San Diego, CA, USA, 1999. [Google Scholar]
- Podlubny, I.; Dorcak, L.; Misanek, J. Application of fractional-order derivates to calculation of heat load intensity change in blast furnace walls. Trans. TU Kosice 1995, 5, 137–144. [Google Scholar]
- Dorcak, L.; Terpak, J.; Podlubny, I.; Pivka, L. Methods for monitoring of heat flow intensity in the blast furnace wall. Metalurgija 2010, 49, 75–78. [Google Scholar]
- Gabano, J.D.; Poinot, T.; Kanoun, H. Identification of a thermal system using continuous linear parameter-varying fractional modeling. Control Theory Appl. 2011, 5, 889–899. [Google Scholar] [CrossRef]
- Victor, S.; Melchior, P.; Nelson-Gruel, D.; Oustaloup, A. flatness control for linear fractional MIMO systems: Thermal application. In Proceedings of the 3rd IFAC Workshop on Fractional Differentiation and Its Application, Ankara, Turkey, 5–7 November 2008; pp. 5–7.
- Barbosa, R.S.; Machado, J.A.T.; Silva, M.F. Time domain design of fractional differ integrators using least-squares. Signal Process. 2006, 86, 2567–2581. [Google Scholar] [CrossRef]
- Ortigueira, M.D.; Machado, J.A.T. Fractional signal processing and applications. Signal Process. 2003, 83, 2285–2286. [Google Scholar] [CrossRef]
- Bar-Yam, Y. Dynamics of Complex Systems; Perseus Books Reading: Cambridge, MA, USA, 1997. [Google Scholar]
- Zhou, S.; Chen, Y.Q. Genetic Algorithm-based identification of fractional-order systems. Entropy 2013, 15, 1624–1642. [Google Scholar] [CrossRef]
- Helmicki, A.J.; Jacobson, C.A.; Nett, C.N. Control oriented system identification: A worst-case/deterministic approach in H∞. IEEE Trans. Automat. Control 1991, 36, 1163–1176. [Google Scholar] [CrossRef]
- Dorcak, L.; Terpak, J.; Laciak, M. Identification of fractional-order dynamical systems based on nonlinear function optimization. In Proceedings of the 9th International Carpathian Control Conference, Sinaia, Romanie, 25–28 May 2008; pp. 127–130.
- Dorcak, L. Numerical models for the simulation of the fractional-order control systems. In UEF-04-94; The Academy of Sciences, Institute of Experimental Physics: Košice, Slovak Republic, 1994. http://xxx.lanl.gov/abs/math.OC/0204108/ (accessed on 10 April 2002). [Google Scholar]
- Barbosa, R.S.; Machado, J.A.T.; Ferreira, I.M. PID controller tuning using fractional calculus concepts. Fract. Calc. Appl. Anal. 2004, 7, 119–134. [Google Scholar]
- Machado, J.A.T. Analysis and design of fractional-order digital control systems. J. Syst. Anal. Model. Sim. 1997, 27, 107–122. [Google Scholar]
- Chen, W. A new definition of the fractional Laplacian. 2002. arXiv:cs/0209020v1. arXiv.org e-Print archive. http://arxiv.org/abs/cs/0209020/ (accessed on 18 September 2002).
- Valério, D.; da Costa, J.S. Ninteger: A non-integer control toolbox for Matlab. In Proceedings of The First IFAC Workshop on Fractional Differentiation and its Applications, Bordeaux, France, 19–21 July 2004; pp. 1–6.
- Chen, Y.Q.; Petras, I.; Xue, D. Fractional order control: A tutorial. In Proceedings of the American Control Conference, St. Louis, Missouri, MO, USA, 10–12 June 2009; pp. 1397–1411.
- Magin, R.L.; Ingo, C. Spectral Entropy in a Fractional Order Model of Anomalous Diffusion. In Proceedings of the 13th International Carpathian Control Conference, Podbanske, Slovak Republic, 28–31 May 2012; pp. 458–463.
- Tal-Figiel, B. Application of information entropy and fractional calculus in emulsification processes. In Proceedings of the 14th European Conference on Mixing, Warszawa, Poland, 10–13 September 2012; pp. 461–466.
- Machado, J.A.T. Entropy Analysis of Integer and Fractional Dynamical Systems. Nonlinear Dynamics 2010, 62, 371–378. [Google Scholar]
- Monje, C.A.; Vinagre, B.M.; Chen, Y.Q.; Feliu, V.; Lanusse, P.; Sabatier, J. Proposals for fractional PIl Dμ tuning. In Proceedings of the First IFAC Workshop on Fractional Differentiation and its Applications, Bordeaux, France, 19–21 July 2004; pp. 1–6.
- Monje, C.A.; Chen, Y.Q.; Vinagre, B.M.; Xue, D.; Fileu, V. Fractional Order Controls—Fundamentals and Applications; Springer-Verlag: London, UK, 2010. [Google Scholar]
- Monje, C.A.; Vinagre, B.M.; Feliu, V.; Chen, Y.Q. Tuning and Auto-Tuning of Fractional Order Controllers for Industry Applications. IFAC J. Control Eng. Pract. 2008, 16, 798–812. [Google Scholar] [CrossRef]
- Monje, C.A.; Vinagre, B.M.; Calderon, A.J.; Feliu, V.; Chen, Y.Q. Auto-tuning of fractional lead-lag compensators. In Proceedings of the 16th IFAC World Congress, Prague, Czech Republic, 4–8 July 2005.
- Kaczorek, T. Selected Problems of Fractional Systems Theory; Springer: Berlin, Germany, 2011. [Google Scholar]
- Carlson, G.E.; Halijak, C.A. Approximation of fractional capacitors (1/s)1/n by a regular Newton process. IEEE Trans. Circ. Theory 1964, 11, 210–213. [Google Scholar] [CrossRef]
- Roy, S.C.D. On the realization of a constant-argument immittance or fractional operator. IEEE Trans. Circ. Theory 1967, 14, 264–274. [Google Scholar] [CrossRef]
- Mondal, D.; Biswas, K. Performance study of fractional order integrator using single-component fractional order element. IET Circ. Device. Syst. 2011, 5, 334–342. [Google Scholar] [CrossRef]
- Valsa, J.; Dvorak, P.; Friedl, M. Network Model of the CPE. Radioengineering 2011, 20, 619–626. [Google Scholar]
- Machado, J.A.T. Discrete time fractional-order controllers. FCAA J. Fract. Calc. Appl. Anal. 2001, 4, 47–66. [Google Scholar]
- Slezak, J.; Gotthans, T.; Drinovsky, J. Evolutionary Synthesis of Fractional Capacitor Using Simulated Annealing Method. Radioengineering 2012, 21, 1252–1259. [Google Scholar]
- Podlubny, I.; Vinagre, B.M.; O’Leary, P.; Dorcak, L. Analogue realizations of fractional-order controllers. Nonlinear Dynamics 2002, 29, 281–296. [Google Scholar] [CrossRef]
- Petras, I.; Podlubny, I.; O'Leary, P.; Dorcak, L.; Vinagre, B.M. Analog Realizations of Fractional Order Controllers; FBERG TU: Košice, Slovak Republic, 2002. [Google Scholar]
- Dorcak, L.; Terpak, J.; Petras, I.; Dorcakova, F. Electronic realization of the fractional-order systems. Acta Montan. Slovaca 2007, 12, 231–237. [Google Scholar]
- Dorcak, L.; Terpak, J.; Petras, I.; Valsa, J.; Gonzalez, E. Comparison of the electronic realization of the fractional-order system and its model. In Proceedings of the 13th International Carpathian Control Conference, High Tatras, Slovak Republic, 28–31 May 2012; pp. 119–124.
- Dorcak, L.; Terpak, J.; Petras, I.; Valsa, J.; Gonzalez, E.; Horovcak, P. Electronic realization of the fractional-order system. In Proceedings of the 12th International Multidisciplinary Scientific GeoConference, Albena, Bulgaria, 17–23 June 2012; pp. 103–110.
- Sierociuk, D.; Dzielinski, A. New method of fractional order integrator analog modeling for orders 0.5 and 0.25. In Proceedings of the 16th International Conference on Methods and Models in Automation and Robotics (MMAR), Miedzyzdroje, Poland, 22–25 August 2011; pp. 137–141.
- Mukhopadhyay, S.; Coopmans, C.; Chen, Y.Q. Purely analog fractional order PI control using discrete fractional capacitors (fractors): Synthesis and experiments. In Proceedings of the ASME 2009 International Design Engineering Technical Conferences & Computers and Information in Engineering Conference, San Diego, CA, USA, 30 August–2 September 2009.
- Haba, T.C.; Loum, G.L.; Zoueu, J.T.; Ablart, G. Use of a Component with Fractional Impedance in the Realization of an Analogical Regulator of Order ½. J. Appl. Sci. 2008, 8, 59–67. [Google Scholar]
- Dorcak, L.; Gonzalez, E.; Terpak, J.; Petras, I.; Valsa, J.; Zecova, M. Application of PID retuning method for laboratory feedback control system incorporating FO dynamics. In Proceedings of the 14th International Carpathian Control Conference, Rytro, Poland, 26–29 May 2013; pp. 38–43.
© 2013 by the authors; licensee MDPI, Basel, Switzerland. This article is an open access article distributed under the terms and conditions of the Creative Commons Attribution license (http://creativecommons.org/licenses/by/3.0/).