Abstract
In this paper, the applications of thermoplastic, thermoset polymers, and a brief description of the functions of each subsystem are reviewed. The synthetic route and characteristics of polymeric materials are presented. The mechanical properties of polymers such as impact behavior, tensile test, bending test, and thermal properties like mold stress-relief distortion, generic thermal indices, relative thermal capability, and relative thermal index are mentioned. Furthermore, this paper covers the electrical behavior of polymers, mainly their dielectric strength. Different techniques for evaluating polymers’ suitability applied for electrical insulation are covered, such as partial discharge and high current arc resistance to ignition. The polymeric materials and processes used for manufacturing cables at different voltage ranges are described, and their applications to high voltage DC systems (HVDC) are discussed. The evolution and limitations of polymeric materials for electrical application and their advantages and future trends are mentioned. However, to reduce the high cost of filler networks and improve their technical properties, new techniques need to be developed. To overcome limitations associated with the accuracy of the techniques used for quantifying residual stresses in polymers, new techniques such as indentation are used with higher force at the stressed location.
1. Introduction
Various types of composite and polymeric materials are suitable as insulators for electrical systems. The dielectric strength of polymers depends on the application and other external factors such as electrode size, shape, and nature of the outer surface, among others, and test conditions [1]. The studies suggested materials permittivity behaviors can play an essential factor and available polarizable aromatic rings like bromine and iodine that can enhance its dielectric constant. The applications and materials listed below (Table 1) with different values are used for capacitors insulation [2]. According to findings in [3], higher voltage stress, thinner insulation, and higher working temperature are the primary requirements for electrical equipment as insulating to possess higher dielectric strength and higher temperature ratings. Müller et al. [3] stated that composite materials are becoming an essential part of today’s industry due to low weight advantages. An additional benefit of polymeric materials is the ease of processing, low relative permittivity, adhesive properties [4,5,6], corrosion resistance, high fatigue strength, outstanding performance, faster assembly, and favorable cost to traditional materials [7,8]. Consequently, composite materials offer the opportunity to provide the suitable product with the final application’s required performance, thereby optimizing the price-performance ratio [9]. Additionally, nanocomposites are also characterized by distinctive advantages, including homogenous structure, no fiber rupture, optical transparency, improved or unchanged processability [7].
Table 1.
Dielectric materials for capacitor insulations. Adapted from [2].
Polymeric materials and processes used for manufacturing cables at different voltage ranges are described, and their application to HVDC is discussed. The evolution and limitations of polymeric insulated power cables for various applications and their advantages and future trends are mentioned. These are extensively applicable with high-voltage (HV) systems as insulation material. Polymers can work at high temperatures under electrical strain due to their high breakdown toughness. This study contributes to the breakdown field as well as the electric strength of polymeric materials. Composite materials are conveniently used as insulators, with dielectric strength in the range of 106–109 V/m at room temperature [10]. The composite materials are convenient as insulators. It can be prepared by mingling two or more materials with distinct properties that simultaneously display unique properties. Natural fibers (cellulose, cotton, silk, wool) with sand, quartz, and natural resins extracted from plants with petroleum deposits (shellac, pitch, or linseed oil) were used to prepare the first composite material for the insulation system. The early stage of development for composite material looks on only at new materials with fewer design criteria. With time for action, the early development stage needs to focus on the mechanical, electrical properties and operating temperatures [11]. Inorganic materials are incorporated with micro and nanoscale to form a composite that procures awareness in power and voltage [7,12,13,14,15,16,17]. The alumina (Al2O3), silica (SiO2), titanium oxide (TiO2), glass and carbon fibers, carbon nanotube, graphene sheet combined as filler received particular attention concerning traditional composite material as it shows improved and enhanced electrical and mechanical properties than the single polymer [18,19,20,21,22,23,24,25,26,27,28,29,30,31,32,33,34,35,36,37,38,39,40]. Microcomposite polymer requires a large amount of filler than the nanocomposite and looks like the original polymer, and hence the nanocomposite behavior remains unchanged to density. Additionally, the length between two adjacent fillers is minimal compared to typical micro composites. The interaction between filler and polymer matrices depends on the fixed surface area, which is more with nanocomposite due to the ratio between nano and micro is 3:1 [7]. Nowadays, smart polymeric materials are a well-known composite for the new generation in biochemical sciences. It can enclose unique potential by using different compounds with distinct properties for biological and medicinal applications. These polymers are more sensitive to the environment, and as such, a small difference in the background will drastically produce changes in their physical properties.
The advantages of materials performance in the polymer composite field give rise signals to basic research and development unit to produce low-cost synthetic route with new composite materials that can pursue efficient energy. The HV insulation system’s critical parameters are excellent adhesion to the substrate, grater glass transition temperature, lower ability for moisture absorption, and the polymer material’s excessive thermal stability. The problem of polymer’s high-dielectric properties can be solved by introducing voids into polymers, which help decrease their dielectric strength. The performance of polymers depends on size as well as the distribution of gaps in the structure.
Therefore, the present review article is adapting attention to developing the polymers’ electrical features concerning the polymeric materials’ thermal and electrical properties as insulators. Most commonly, epoxy resin and polyethylene are cross-linked with different sizes of particles used for insulating systems. These polymeric materials are applicable with HV systems power generators, transformers, cables, or in general, for electrical equipment. Additionally, this paper covers polymers’ electrical behavior, mainly their dielectric strength, partial discharge in polymeric insulation, and high current arc resistance to ignition. Partial discharge has been recognized as a suitable technique to assess polymeric materials for insulation applications. Partial discharge refers to electrical discharges appearing in HV equipment insulation subjected to high voltage stress.
In Section 2, the types of polymers are described. Properties of polymers are depicted in Section 3. Section 4 describes specific techniques to determine the suitability of polymeric insulations for high voltage apparatus applications, while Section 5 demonstrates some real life examples of this type of insulation system for power equipment. Afterwards, Section 6 discusses the challenges and future directions. Finally, in Section 7, the conclusions from this review are presented.
2. Polymers
Polymers are high molecular weight and long-chain compounds formed by connecting many monomers (small units) through covalent bonding. Small companies’ connections could lead, during polymerization, to different arrangements of polymer chains, namely linear, branched or cross-linked. The next subsections include the different types of polymers and how they are prepared and characterized.
2.1. Types of Polymers
2.1.1. Thermoplastic Polymers
These are mostly linear or branched polymers that soften and flow when heated, rapidly shape into complex products while in a melted state, and then hardens (solidify) when cooled. The hardening and softening process as a function of the material temperature is fully reversible [41]. Thus, most thermoplastics can be remolded many times without chemical structure effects, although chemical degradation may limit the number of cycles. The apparent advantage of thermoplastic polymers is that waste thermoplastics can be recycled, and a piece that is broken or rejected after molding can be re-grounded and remolded. The plastics used for drink bottles are typical thermoplastics that are widely recycled [42]. The largest scale volume thermoplastics include polyethylene, polypropylene, polystyrene, poly (vinyl chloride). Other thermoplastics include polyethylene terephthalate, polycarbonate, and polyamide (nylon).
Electricity is essential to our standard of living because it powers almost every aspect of our lives, but electricity is potentially lethal. On the other hand, plastics do not conduct electricity and are therefore used in various applications where their insulating properties are needed. Plastics are especially suited to housings for goods such as hairdryers, electric razors, and food mixers as they protect the user from the risk of electric shock. The thermoplastic polymers used in electric machines as insulators [43] are provided in the following Table 2.
Table 2.
Application of thermoplastic with electrical system.
2.1.2. Thermoset Polymers
These polymers possess a cross-linked network structure formed exclusively by a covalent bond. Based on their cross-link, thermosets are stiff and brittle materials but are stable at elevated temperatures and resistant to solvents and other chemicals [44]. Thermosets do not melt upon heating because the cross-link prevents the chains from sliding past each other. When heated, thermoset material softens under certain temperatures, not melting, but further heating will cause decomposition by breaking down the chain’s covalent bonds. Unlike thermoplastics, thermosets are shaped by placing them into a mold. The chemical reaction is initiated to cause cross-links that cause the material to harden and take a permanent shape. The process of crosslinking is called curing. Thus, thermoset materials become healed or set with thermal energy. The nature of the curing of a thermoset material is similar to baking a cake. The ingredients, which include polymer or monomer (that is capable of forming cross-links), colorants, curing agents, fillers, and other additives, are mixed and placed into the mold of the desired shape. The mixture is heated to crosslink and then cooled to facilitate removal from the mold. Thermoset is widely used to insulate electric wiring, while thermosets (which are thermally stable) are used for switches, circuit breakers, light fittings, and handles. Table 3 shows applications of common thermosets in electrical applications [45].
Table 3.
Common thermoset polymer for electrical application.
2.1.3. Elastomers
Elastomers are polymers that can be stretched usually too many times their original length but quickly return to the original shape without suffering permanent deformation when the stress is removed. Elastomer comes from the word “elastic” (describing the ability of a material to return to its original shape when the load is removed) and “mer” (from polymer, in which “poly” means many and “mer” means part). Upon elongation, the polymer chains assume a more ordered arrangement that corresponds to lower entropy and results in warming of the elastomer [9]. When the stress is removed, the elastomer contracts and cools at the same time. Figure 1 illustrates the concept of elastomers.
Figure 1.
Model of elastomer with a low degree of cross-linking under stress.
Thermoplastic elastomer (TPE) has gained recognition as the third generation of polymeric materials for high voltage (HV) insulators. The TPE electrifying aspects were observed to achieve few particular HV insulations, at least for the distribution class applications, especially in light contamination environments. Nowadays, TPEs, mainly silicone rubber (PDMS), ethylene-vinyl acetate copolymer (EVA), ethylene propylene diene rubber (EPDM), styrene-butadiene rubber (SBR), chloroprene rubber, have become the material of choice as an insulator due to their performance and less expense [46,47,48].
2.2. Preparation and Characterization of Polymeric Materials
Several techniques are used in producing the nanocomposites to have optimal dispersion of fiber in the matrix [49]. A well-known and established method of processing polymer nanocomposites is the sol-gel process, in-situ polymerization, solution mixing process, melt mixing process, and in-situ intercalative polymerization [3,6,13,50,51,52]. In addition, Thomas et al. [50], Müller et al. [3], Ilona et al. [6], and Shaoyun et al. [52] have extensively discussed the process of preparing the nanocomposite polymer.
2.2.1. Poly(9,10-phenanthrenequinone) for HV Electrode
Polyanthraquinone (P.A.Q.) can be produced directly with halogenated quinone used for low voltage system (Figure 2). Still, high voltage quinone- based polymers such as poly(9,10-phenanthrenequinone) (P.F.Q.) required indirect polymerization consisting of five steps of synthesis (Figure 3). Initially, a precursor 2,7-dibromo-9,10-phenanthrenequinone, as a monomer, was prepared by using phenanthraquinone and N-bromosuccinimide (N.B.S.) in the presence of concentrated sulfuric acid (H2SO4) followed by bromination [53]. Then reduced by tin (Sn) in acidic medium (Hydrochloric acid, HCl, and glacial acetic acid, CH3COOH) and a monomer, 2,7-dibromo-9,10-dihydroxyphenanthrene was obtained [54]. Later, acetylation of this hydroxy compound monomer using acetic anhydride, pyridine, ethyl acetate produces the monomer (9,10-diacetoxy-2,7-dibromophenanthrene) [55]. Finally, a polymer poly(9,10-diacetoxyphenanthrene) was obtained using 1,5-cyclooctadiene, nickel complex Ni(C.O.D.)2 and 2,2′-bipyridyl dissolved with D.M.F. after polymerized with bromophenanthrene, [56]. This polymer was treated with lithium aluminum hydride (LiAlH4), anhydrous tetrahydrofuran (T.H.F.) in an acidic medium (HCl) resulted in less active poly(9,10-phenanthrenequinone), called PFQ_L. The final step, oxidization of less active PFQ_L to P.F.Q. (poly(9,10-phenanthrenequinone) utilizing 2,3-dichloro-5,6-dicyanobenzoquinone (D.D.Q.), as an oxidizing agent. The reduced graphene oxide (rGO) was prepared by incorporating graphene oxide with potassium permanganate and H2SO4, H3PO4, HCl, H2O2, and hydrazine hydrate [57]. The composite (rGO-PFQ) was produced by adding rGO during the polymerization reaction with 9,10-diacetoxy-2,7-dibromophenanthrene in the presence of Ni(C.O.D.)2 and 2,2′-bipyridyl [58].
Figure 2.
Direct polymerization of low voltage polymer.
Figure 3.
Indirect polymerization of HV polymer.
Low voltage quinone-based polymers like P.A.Q. can be directly polymerized with Ni(C.O.D.)2. Whereas indirect multistep polymerization prevents the oxidation of Ni(C.O.D.)2 while protecting quinone groups with acetyl groups helped to synthesize increased operating voltage polymers such as P.F.Q. Additionally, P.F.Q./rGO composite has a better porosity, enhancing electrical performance and rate capabilities compare with P.A.Q. polymers. Indirect polymerization of high redox potential ortho quinones also helps to synthesize higher operating voltage polymers such as P.F.Q. preferred over direct polymerization of para-quinones producing low voltage polymers.
2.2.2. Thermoplastic High Performance for Cable Insulation System
The polyethylene is cross-linked with different fillers’ sizes to change the polymer’s physical properties and make it capable of working with HV systems (cable system).
Polyethylene Materials
High-density polyethylene (HDPE) and low-density polyethylene (LDPE) are commodity polymers that are widely used for varieties of applications that include electrical insulations, packaging, household items and automotive parts. Some of the interesting properties of these polymers include chemical resistance, rigidity, stiffness and thermal stability. For electrical applications, these polymers are commonly used as insulators due to their exceptional electrical, mechanical, chemical and thermal properties. Polymer-based electric insulators exhibit high dielectric strength, high resistivity, low dielectric loss, and adequate mechanical properties. HDPE (density of 0.947 g/cm3 and melt flow index of 42 g/10 min) and LDPE (density of 0.92 g/cm3 and melt flow index of 25 g/10 min) are reported to have average dielectric strength of 70 and 79 kV/mm respectively. Though, LDPE exhibit relatively high electric strength, but its weak mechanical properties, thermal resistance and melt flow viscosity restricted its application in certain areas. However, these properties can be improved by mixing the LDPE with other polymers (polymer blend) or other materials (polymer composites) to produce material with optimum desirable properties [59].
The Dow material acting as the base resin was a non–commercial low-density polyethylene (LDPE) blended with high-density polyethylene (HDPE, Dow 40055E) to prepare new polymeric material that has the capacity to work with high temperature that can be applied as an insulation product with different types of cable. Small-scale material was synthesized by utilizing HDPE and LDPE (20:80) with the help of an extruder (Haake PTW 16/40D) [60]. However, for large scale, cross-linked low-density polyethylene (XLPE) and LDPE were produced as a reference for mini cables by incorporating the LDPE as a base material Berstorff ZE40UT extruder for blending [61]. The samples were prepared for mechanical (1.7 mm thickness) and breakdown (thickness 85 μm) testing using compression molding. The behavior of materials with temperature was studied with Mettler Toledo FP82 hot stage. The sample’s thickness required for the mini cable material will be 4 mm and blended on the Troester extruder.
The crystallization temperature (Tc) isothermal for the LDPE/HDPE blended material in the range of 113–119 °C indicating the formation of lamellar crystals due to the presence of HDPE [61]. It also suggests that polymeric material’s cooling temperature must be within the range of 0.5–10 °C/min, enhancing the breakdown strength and regenerating electrical effects [60]. When blended materials are cooled slowly, it would be challenging to retain mechanical properties that require high operating temperatures. Generally, stiff materials were formed than XLPE, which help to construct cable due to their operating condition, usually 30 °C higher than XLPE. The XLPE cable and mini cable breakdown data were studied and suggested maximum voltage below 400 kV; conversely, none of the extruded thermoplastic systems failed and shown both systems were extremely good electric materials for cable. The PE blended materials can be used for mini cables and XLPE based materials as reference for mini cables.
Polypropylene Materials
Polypropylene (PP) is a thermoplastic and commodity polymer used in a wide variety of applications. Its properties are similar to polyethylene, but it is slightly harder, stronger and more heat resistant. PP is produced via chain-growth polymerization from high purity propylene monomer that is obtained from the cracking of the petroleum hydrocarbons. Upon polymerization, PP can form three basic chain structures depending on the relative orientation of the methyl groups, namely isotactic PP (methyl groups are positioned at the same side with respect to the backbone of the polymer chain), syndiotactic (alternating methyl group arrangement) and atactic (irregular methyl group arrangement). The stereoregularity of these polymers is determined by the catalyst used to prepare it. In 1950s, Natta showed that the Ziegler organometallic type catalyst could be used to produce stereoregular PP with high crystallinity. Isotatic PP was synthesized by using heterogeneous Ziegler-Natta catalyst of a violet crystalline modified titanium (III) chloride with a co-catalyst or activator, usually organometallic compounds such as diethylaluminium chloride. However, this polymerization reaction simultaneously produces syndiotactic PP and atactic PP as minor products because these Ziegler-Natta based catalysts are multi-sites. Syndiotactic PP can be produced selectively using different catalysts such as homogenous Ziegler-Natta based catalyst and metallocene based catalyst. These different catalysts produce different microstructures of syndiotactic PP with different crystallization behavior and properties through different polymerization mechanisms. Atactic polypropylene can also be produced selectively using metallocene catalysts, atactic polypropylene produced this way has a considerably higher molecular weight [62,63].
For electrical applications, PP is commonly used as insulators due to their excellent electrical, mechanical, chemical and thermal properties. For high-voltage insulation, PP with average molecular of 250,000 g/mol, a density of 0.9 g/cm3 and melt flow index of 12 g/10 min has been reported to have average dielectric strength of 55 kV/mm which is lower than the average values of 70 and 79 kV/mm for pure HDPE and LDPE respectively. However, the electric strength of PP was improved when blended with LDPE and HDPE samples in different ratios. A maximum values of 63 kV/mm for PP/LDPE blend and 67 kV/mm for PP/HDPE blend were reported [59].
Similarly, different ethylene ratios (9, 12, 15 mol%) blended with a polymer having various percentage weight and formed copolymer systems of propylene-ethylene (namely, VERSIFY™ 2200, 2300, and 2400; series no) for high voltage application. The Dow H358-02 was used as the isotactic polypropylene throughout the studies [64]. Some of the components need to be dissolved during the blending, and xylene was the best solvent. The blending process can be summarized in the below points:
- Solution blending;
- Melt blending;
- Extrusion.
The desired properties of the material with polypropylene achieved with the presence of space-filling morphologies. PEC blends’ molecular structure was an essential parameter for its behavior, and LDPE used in polyethylene was a secondary choice. Materials were formed with various ratios and cooled with different rates, behave like an XLPE system. All materials are compatible with low temperatures. Considering the material’s thickness, the cable performance with PP blend is the excellent and average thickness for E2200 (3.39 mm) and XLPE (4.34 mm) for mini cable insulation. The PE blended materials can be used for mini cables and XLPE based materials as references for mini wires.
Carbon Nanotube–Polyurethane Nanocomposite
The composite material produced with thermoplastic and carbon nanotubes (CNTs) can be used with a high voltage system. For this purpose, extruder temperature and screw speed were maintained at 215 °C and 300 rpm, respectively, for mixing CNTs (3 wt%) and polyurethane. The composites are in the form of granules. The thermoplastic polyurethane (TPU) materials are dried for 3 h, at 90 °C, followed by injection molding. Molding and melt temperature (40 and 220 °C) were controlled with a plate thickness of about 2 mm, but for extrusion, melt temperature was 185 °C and plate thickness 1.5 mm [12].
The acceptance criteria for any material for the industrial application have a large-scale melting range. The developed TPU can work with high temperature and confirmed by transmission electron microscopy (TEM) with injection molding, and extrusion samples gave across 10 m. It is homogeneous as well as elongation breaks about 560%. The size of dispersed particles of powder sample was obtained with the scanning electron microscope (SEM). It also confirmed the attachment of CNTs into the moiety of composite and not emerged through tubular protrusions by anchoring junctions with structural size about 20 µm after accumulation fragments with 100 mm plane surface level in the powder sample. The weathering was investigated by keeping composite test material and reference with latitude northern at 50° for 9 to 18 months and found that the filler will not degrade, only the matrix [65,66]. Analytical ultracentrifugation (AUC) and photoelectron spectroscopy (XPS) studies gave a strong indication of carbon nanotubes’ presence in the nanocomposite materials. The internal diameter of pure material means the matrix of polyurethane and CNTs is smaller than the composite. Similar behavior can be seen in a composite having polyamide (PA) and silicon dioxide as well as with carbon nanotubes mixed polyoxymethylene (POM) and cement [66]. TGA recorded the decomposition of CNTs in the range of 500–650 °C [67]. Therefore, the composite material with CNTs has importance in electrical equipment, mainly in rollers and electromagnetic shielding.
2.2.3. Epoxy Resin of 9,9′-bis-(3,5-dibromo-4-hydroxyphenyl)anthrone-10 and Jute Composite
Thanki et al. [68] synthesized an epoxy resin from 9,9′-bis-(3,5-dibromo-4-hydroxyphenyl) anthrone-10 and epichlorohydrin by diluting them in isopropyl alcohol, and adding sodium hydroxide solution dropwise as a catalyst. After refluxing at 70 °C, they obtain a brown resin that was purified by extraction with chloroform [68].
At room temperature, synthesized EANBr was dissolved in tetrahydrofuran, and the curing agent was added (EPK 3251). The fabric jute was mixed with the resultant solution, and the remaining solvent evaporated. The mylar film was introduced in duplicate between developed sheets, and temperature and pressure were controlled, also silicon lubricant was used as mold release spray. The product was known as J–EANBr composite [68].
The Fourier transform infrared spectroscopy (FTIR) confirmed the presence of alkane (C–H, 1450 cm−1), stretching (–OH, =C–H, –C=O, Ar C==C, Ar–O–R, C–O–H, C–Br) at 3532.56, 3070.21, 1664.48, 1592.61, 1254.19, 1071.1 and 631.2 cm−1 absorption frequencies respectively with EANBr sample. The nuclear magnetic resonance (NMR) studies indicated the formation of EANBr. The differential scanning calorimetry (D.S.C.) thermograms of EANBr and EANBrC are compared and found the broad endothermic transition of EANBrC (291.4 °C) and EANBr (265.3 °C) are expected due to tangible change and confirmed by no weight loss in the corresponding thermogravimetric analysis (TGA) thermogram. EANBr has a single step degradation reaction compared with J–EANBr, transition (291.4 °C) and two-step degradation and stable up to 310 °C [69]. EANBr and EANBrC are thermally steady up to 340 and 310 °C, respectively. As related to EPK 3251 cured EAN (360 °C), EPK 3251 cured EANBr (310 °C) has shown lower thermal stability. As well, the maximum weight loss (Tmax) value for EANBrC (416.5 °C) is significantly more than EPK 3251 cured EAN (394.4 °C) but EANBrC (416.5 °C) has exhibited a higher value of Tmax than EANBr (407.1 °C).
The mechanical and electrical properties of J-EANBr is better than J-EAN. In terms of tensile strength, almost similar with J-EAN with lower flexural strength. The electric strength is 40% lower in case of J-EANBr but volume resistivity is 29 times better than J-EAN, primarily expected to distinct degrees of cross linking and polarity, which impacts interfacial bond, due to annulment of partial charges because of OH groups of jute. The jute and EANBr have a better option as polymeric materials for electrical components due to their excellent properties with harsh environment, better hydrolytic activity, and thermal stability for low load bearing housing, electrical and electronic applications.
3. Properties of Polymers
3.1. Mechanical
Polymer chemical and physical properties are dependent on their molecular weight, chemical composition, and physical structures [70]. One of the properties of polymeric material is strong, which is the stress required to break the sample [6]. These strength properties are as follows: tensile, compressional, flexural, impact [71]. Factors affecting the strength of polymers are molecular weight, cross-linking, and crystallinity [71].
Young’s modulus or tensile modulus is the induced stress divided by strain in the elastic region [71]. Ultimate elongation is defined as its ability to undergo deformation. Toughness measures the energy absorbed by the material to deform without fracturing.
The mechanical properties of the polymer are affected by temperature. Figure 4 shows a typical graph of stress versus strain and the effect of temperature, with an increase in the temperature, the elastic modulus, and tensile strength decrease, but the ductility increases [71].
Figure 4.
Effect of temperature on the mechanical properties of the polymer. Adapted from [71].
Viscoelasticity, two types of deformations exist, namely elastic and viscous. Elastic deformation is recoverable, while viscous deformation is a plastic deformation where the deformation is permanent upon removing the applied stress [71].
HV insulating systems’ fabrication involves utilizing composite polymer; its application could be seen in electrical appliances. They are subjected to quivering wear and tear due to the rate of occurrence of magnetic force and shearing stress. To improve the mechanical performance of polymers, inorganic fillers are added to the polymers [72]. To enhance the strength and toughness is the need for polymer nanocomposites [73]. The composites’ mechanical properties are strongly influenced by the filler’s size and shape, the matrix properties, and the interfacial adhesion between the filler and matrix [74]. The basic principles of mechanical properties comprise tensile, compressive, bending, shear, and impact behavior is of importance [75]. The polymeric material is tested with standardized tests such as tensile strength, Izod impact strength, and softening point, but its application in a critical situation increases. Thus, the choice of material used depends upon a balance of stiffness, toughness, processability, and price in applying polymer [76].
3.1.1. Impact Behavior
Impact energy is known to reduce the static strength, reliability and improving tensile properties that simultaneously impact property. The basic stuff is impact toughness, which measures the needed energy to split a particular specimen. Figure 5a,b show supported beam load and cantilever beam load, respectively [77]. The determination of the Charpy impact strength of an unnotched (acU) (KJ/m2) specimen is given in Equation (1).
Figure 5.
(a) Charpy (beam load) and (b) Izod (cantilever beam load). Adapted from [77].
Notched Charpy impact strength (acN) (KJ/m2) can be determined by Equation (2), where Wc is the absorbed energy, b (m) is the with, and h (m) is the height.
The difference between Charpy impact strength acU and notched Charpy impact strength acN indicates how sensitive a material is to external notches, i.e., takes the problematic notch effect for the Charpy impact test into consideration and shows how effective fillers are. Thus, notch sensitivity can be calculated from the quotients of acN and acU indicated in Equation (3):
3.1.2. Tensile Test
Tensile tests involve the application of tensile force causing the elongation until the specimen breaks, and various loading conditions are essential and cannot be overemphasized [78]. The young modulus (E) (kN/m2) can be estimated with Equation (4):
where is a change in stress (kN/m2) and is a change in a strain which is dimensionless. A typical stress–strain curve is shown in Figure 6. Non-flexible polymers have high Young’s modulus, while ductile polymers are elastic modulus with the ability to withstand extended elongation without fracturing [71]. In contrast, elastomers have a low stress–strain relationship with tough elastic texture [71].
Figure 6.
Stress–strain curves of various polymeric materials. Adapted from [77].
3.1.3. Bending Test
One of the most significant mechanical properties is the flexural strength and varies with specimen depth, temperature, and test span length [71]. The flexural strength (σbh), (MPa), known as the maximum stress at break, can be quantified using Equation (5):
The flexural or bending test is typically used in the quantification of the flexural strength. The flexural modulus (Eh), (MPa) can be estimated with Equation (6):
where F is the breaking force in (N), L is the support distance in (mm), b is the width (mm) of the specimen in (mm), h is the thickness of the specimen in (mm), ΔF/Δf is the slope of the force-deflection curve. The load is applied at the specimen’s center under standardized bending speed, temperature, and humidity. It is upon the most common type of loading encountered and essential in determining the polymer’s characteristic values. The initial flexural modulus can be calculated using a slope of the line measuring Δf and ΔF as presented in Figure 7, depicting a typical force bending flexural test.
Figure 7.
The initial slope of the bending force-deflection diagram. Adapted from [77].
Lim et al. [79] use a combination of the different fillers of aluminum oxide (Al2O3), Zinc oxide (ZnO), and organoclay. However, it was discovered that with 1.5% aluminum oxide, improved mechanical, burning rate, and dielectric breakdown compared to Zinc oxide and organoclay. Hedir et al. [80] irradiated the crosslinked polyethylene (XLDPE) with fluorescent lamps for 240 h. The results show a decline in resistivity, mechanical properties, and contact angle, increasing water retention and weight loss. Yasmin and Daniel [81] and Yang et al. [82] attributed that the tensile strength and elastic modulus can be increased by adding fillers at optimum content. Ray et al. [83] research on filler effect by using up to the upper limit and postulated that the stiffness and rigidity increase up to a certain level. Afterward, it harms the mechanical properties.
3.2. Thermal
Significant efforts have been made to enhance the thermal properties of various polymers, as well as to produce heat tolerant polymers, in order to qualify them for use in applications requiring efficient serviceability at high temperatures. The production of heat-resistant polymers began in the late 1950s with the goal of producing heat-resistant polymers that could satisfy the needs of the aerospace and electronics industries. Heat resistant polymers differ from ordinary polymers in that they can retain their desired properties at high temperatures. While there is no universal consensus about how to classify heat resistant polymers, the following is a helpful general classification [84]: (a) Heterocyclic polymers such as polyoxadiazoles, polybenzimidazoles; (b) condensation polymers such as polyhydrazides, polyesters, polyazomethines, and polyamides; (c) Condensation heterocyclic copolymers such as poly(amide-imide)s, poly(ether-imide)s, poly(amide-hydrazide) and poly(ester-imide)s, and (d) Ladder polymers including poly(benzimidazo benzophenanthroline) and polyquinoxaline.
3.2.1. Mold Stress-Relief Distortion
Products from injected molded polymers have residual stresses that may unfavorably affect the product performance, directly related to other processing conditions such as holding pressure, molding, and melting temperature [85]. Injection modeling in polymers is a common phenomenon. It has several merits such as low-cost mass production and good finishing’s. However, due to the tricky deformations/bends or twist and pressure, residual stresses build up. The viscoelastic properties of polymers coupled with their high pressure during molding leads to complex situations such as orientation, stretching, and chain relaxation [85].
For most polymeric parts, residual stresses are quantified by destructive methods such as layer removal and hole drilling [86]. Although these techniques have problems related to their accuracy, their major drawback is reusing the measured parts. To overcome these limitations, new methods such as indentation are used. This technique involves applying higher force at the stressed location to align the same depth and add residual stresses at the indented locations.
3.2.2. Generic Thermal Indices
UL746B [87] and IEC60216 [88] were widely applied to determine relative thermal indices of polymers suitable for applications related to electrical applications. This is important to decide on the highest operating temperature considering the lifetime of the products. For polymeric materials, three essential properties can lead to their thermal categorization. These include electrical, mechanical/tensile, and impact properties.
The thermal index of polymers relies on the base polymers’ property due to their deterioration, decomposition, and degradation caused by chemical reactions. In general, polymers’ relative thermal index is vital in determining base polymers’ long-standing thermal resistance [89].
3.2.3. Relative Thermal Capability
Nowadays, synthesis polymers are readily available and produced through the extrusion process. Due to the broader application of polymers, it is essential to know the relative thermal capability of polymers. It is vital to understand their thermal properties at molten temperatures, assembly, and the final product.
The thermal conductivity of polymer composites refers to both polymers and their fillers [90]. However, the importance of polymers’ thermal conductivity has not been overemphasized concerning that of the fill. It is generally known that polymers’ thermal conductivity is vital at low filler loadings due to the separation of the polymer matrix’s thermally conductive fillers. To obtain high thermal conductivity in composite polymers, there is the need to create a continuous filler network. However, one major issue with network formation is high cost, reduced mechanical properties. The fundamental factors influencing polymers’ thermal conductivity are their chain structure, crystallinity, and orientation domains [90]. On the other hand, polymers have thermal conductivities that are lower than ceramic or metals. Table 4 shows the thermal conductivities of renowned polymers, usually with low thermal conductivity [91].
Table 4.
Thermal conductivities of polymers.
3.2.4. Relative Thermal Index
The performance of two materials (developed new and reference) are compared to their thermal stability. Underwriters Laboratories (UL) standards are involved in projects with thermal aging of polymeric material. Properties of polymeric material can be changed by increasing the temperature, which will be considered the main factor in determining the particular material’s thermal aging as per the procedure mentioned in UL 746B. The mathematical equation will give a relation between time and temperature, as presented in Equation (7):
where, A = Constant, frequency factor; B = Energy constant for activation; T = Absolute temperature in Kelvin.
ln(t) = A + B/T
A comparison between newly produced polymers with control material will be made. The results established a relative thermal index based on the material’s specific property, color, and thickness [87,88].
3.2.5. Temperature Excursions beyond the Maximum Temperature
The long-term aging data related to the product’s stability, developed with a polymeric material, can establish a better thermal index. The temperature extrusions with short-term accepted for specific application for the material have enough thermal indices. The material will go to transition temperature immediately or anytime during the operation with electrical equipment. The heating appliance, initially thermostat will come automatically after highest temperature excursion but later on-air ambient temperature increases, the circuit will clear by thermostat and peak temperature decreases [92].
3.3. Electrical
3.3.1. Dielectric Strength
In certain cases, a material’s dielectric strength is the determining factor in the design of the device in which it would be used. The common way to know the dielectric strength of a material is by applying a voltage until the material or insulator reaches a point where the electrical properties breakdown. The breakdown normally manifests itself as an electrical arc between the electrodes, resulting in a drastic reduction in resistance.
It is challenging to know the exact value of any material’s dielectric strength because it may vary due to external factors and depending on the application [93]. Practically, it is challenging to realize the intrinsic dielectric strength of polymers because of external factors, which may lower polymers’ dielectric strength. Most pure polymeric plastics such as PVC, PMM, PET, polycarbonate, polyethylene, and polypropylene have a dielectric strength range of 100 to 300 kV/cm. Some halogenated polymers such as Teflon show up to 700 kV/cm [94]. Table 5 provides the approximate values of dielectric strength of few commercial polymeric materials used in electrical equipment [94].
Table 5.
Dielectric constant and dielectric strength of some polymers [94].
Although it is difficult to understand the actual dielectric strength of polymeric material due to the above factors involved, many researchers have endeavored to increase the dielectric strength of polymeric materials proportional to the voltage for a specific thickness by adopting three primary methodologies are and filling nanoparticles in polymers, engineering filler-polymer interfaces, and coating film surfaces [95].
Factors affecting the dielectric strength of polymers include:
- Environmental exposure: Certain ecological conditions such as severe exposure to chemicals, radiation, ozone, and oxidation weaken or break the chemical bond of polymers [93]. Most polymers fail prematurely due to moisture that creates conducting path within their layers, leading to treeing [96]. Performing an approach on polymers together with the presence of contaminants fast-tracks the breakdown process.
- Electrode effects: It is a fact that the electrode properties may influence the breakdown strength of polymers depending on temperature [97]. Different electrode materials, sizes, and geometries [92] can also affect polymers’ breakdown strength. The area of the electrodes is inversely proportional to the dielectric strength [97].
- Temperature: One significant factor that affects the dielectric strength of polymers is temperature. However, for polymers subjected to high temperatures, there is the likelihood of oxidation and corona coupled with severe degradation and tracking of the material [93].
- Voltage application: The rate of voltage change on polymers can also affect their dielectric strength. Fast application of voltage encourages electrical conduction, while slower voltage application promotes unavoidable degradation due to local heating, causing lower dielectric strength [93].
- Frequency: The frequency of the applied voltage is another factor that influences the dielectric strength of polymers. The heat created in any dielectric is related to the applied frequency [93].
- Specimen width: The thickness of a polymeric material is inversely proportional to its dielectric strength [96]. Increasing thickness of dielectric material creates a weaker path that may go a long way in causing breakdown [93]. Defects such as a cavity, metallic components, or contaminants within any polymer material provide an avenue for electrical discharges such as partial discharge or corona that may lead to severe degradation of the specimen and lower dielectric strength [96].
3.3.2. Dielectric Constant and Dissipation Factor
Generally, polymeric materials are used in two ways i.e., to isolate electrical network devices from one another and from the ground, and to act as a capacitor dielectric component. For polymeric materials to be used as insulating materials, the insulating material’s capacitance should be as low as possible while retaining sufficient chemical and mechanical, chemical properties. As a consequence, it’s preferable to use a material with a low relative permittivity. For the other application, a high dielectric constant value is desirable such that the capacitor dimensions should be reduced to a minimum value.
Polymeric materials used to provide insulation as well as capacitor dielectrics should have minimal dissipation factor to minimize the material heating. Since the dielectric loss increases linearly with frequency for a given loss index value, a low loss index value is recommended for high-frequency applications. When comparing materials with nearly the same dielectric constant or when using some material under such conditions that the dielectric constant remains basically constant, the dissipation factor is a quantity to consider [98].
3.3.3. Volume or Surface Resistivity
Volume resistivity may be used to help design a polymeric material for a specific application. Humidity or temperature resistivity will vary dramatically, and this must be taken into account when planning for operating environments of the polymeric material. Volume resistivity is commonly used in the study of an insulating material’s uniformity, either in terms of processing or to detect conductive impurities that impair the material’s durability but are difficult to detect using other methods. Ref [99] defines a commonly used research technique for determining electrical insulating materials’ insulation resistance, volume resistance, and surface resistivity, as well as their conductivity. This technique only considers measurements taken when the DC voltage is applied.
In summary, the electrical breakdown strength of polymers decreases with increasing electrode area, the frequency of the voltage, the thickness of the sample, absorbed moisture, temperature, and reducing the rising rate of ramp voltage.
4. Assessment of Polymeric Insulations for HV Applications
To determine the suitability of polymeric insulations for high voltage apparatus applications, specific techniques can be deployed and discussed in this section.
4.1. Partial Discharges
PD has been established to evaluate different polymeric materials for application in HV apparatus, be it cable, electrical motors, transformers, etc. PD is defined as a localized electrical discharge that partially bridges the conductors’ insulation and maybe closer or far away from a conductor [100,101]. In another context, the PD is regarded as an incomplete breakdown of the HV insulation system. PD activity mostly relies on the electric field strength applied to a specific area and its non-uniformity. For short gaps, PD possesses fast and slow-rise-time pulses that generate small electrical sparks or arcs or pseudo glow discharges, or pulseless glows [102,103]. Four main types of PD occur Corona, Surface discharges, cavities, and electrical trees (Figure 8).
Figure 8.
Types of Partial Discharge.
Internal discharge is a common phenomenon in voids within solid or liquid dielectrics [104]. These voids can embed in the insulation material during the manufacturing process of the apparatus. This form of discharge is extremely important and has a significant effect on polymeric insulation. A surface discharge, on the other hand, occurs at the HV insulating with a high tangential electric field [105]. Internal discharge is a common phenomenon in voids within solid or liquid dielectrics [104]. These voids can embed in the insulation material during the manufacturing process of the apparatus. This type of discharge, on the other hand, is less concentrated and hazardous than internal discharge. Corona discharge, on the other hand, occurs in air insulation and is usually harmless. Treeing is a form of discharge that is triggered by a sequence of internal discharges. Since the advent of polymer nanocomposites, various studies have been conducted on PD properties of such materials. Kozako et al. [106], for example, reported that only two wt% nanofiller is needed to increase the PD resistance of polyamide/layered silicate nanocomposites. Another investigated by Tanaka et al. [7] looked at PD resistance in epoxy/layered silicate nanocomposites. The authors concluded that by incorporating a limited amount of nanofillers into epoxy resins, PD tolerance of polymer nanocomposites could be greatly enhanced. Many experimental findings on the enhancement of partial discharge property of polymer nanocomposites have been reported. Henk et al. [107] studied the effects of nanoparticle amorphous silica dispersion in epoxy and polyethylene. Nano-silica was found to have a significant impact on thermoset partial discharge durability (epoxy and cross-link polyethylene). However, no effect was found with thermoplastics (low density polyethylene and medium density polyethylene).
4.2. High-Current Arc Resistance to Ignition (HAI)
The High-Ampere Arc Ignition (HAI) testing is a method that studies and assesses the electrical insulation flammability. This method is described in detail at the standard for safety UL 764A [108,109,110]. The HAI test subjects three specimens of the studied electrical insulation to electric arcs, recording the average number required to produce ignition in it, with a maximum of 200 (over this number is considered no ignition of the material). The test generates the electric arcs by using two round electrodes in contact with the studied electrical insulation; these electrodes have 3.2 mm of diameter; the difficulty is described in Figure 9. One of the electrodes is fixed and made of copper, where the other is stainless steel (303 alloys) movable rod; through the separation of these rods, an electric arc is generated. The electrodes are placed in a 45° plane of the studied electrical insulation specimen, and the fixed rod is sharpened to a 30° chisel point and the movable rod to a 60° conical point. The stainless steel rod movement is done using an air piston controlled by an electrical relay [108,109].
Figure 9.
Electrode positioning and operating mechanism in HAI. Adapted from [109].
The testing method proposed by the standard UL 764A starts by applying a voltage of 240 V AC at a frequency of 60 Hz. An air core impedance is connected in series to the electrodes for yielding a short circuit current of 32.5 A, with a power factor of 0.5. The rate of electric arcs generated is 40 arcs/min, and the separation of the electrodes is an average of 254 ± 2.54 mm/s. There is no need to synchronize the electrodes’ separation with a particular value of the sinusoidal current variation [108,109].
Several issues have been established for the replicability of this test, such as the identification of the ignition in the studied electrical insulation and the placement of the electrodes, that by not being described in detail, could lead to different kinds of arcs (random intensity or white flashes) [108,109]. To fix the latter issue, it was identified that the electrodes should return to their original position between cycles [108]. The identification problem was, in the beginning, attenuated by the use of a dark glass shield that allowed for a better distinction of the candle-like flame, which indicated the origin of the ignition in the studied specimen. However, this was improved by the use of a liquid crystal light attenuator [109]. The liquid crystal light attenuator allows for a better distinction of a low or high-energy arc, improving the test by providing the operator the crucial information regarding the test’s continuity. The continuous series of soft energy arcs indicate that the electrodes should be moved to a different testing area of the studied specimen. Additionally, to enhance the distinction of a high from a low energy arc, the use of a digital arc energy meter is advised. This device records the magnitude of current and voltage for discrete intervals to calculate the electric arc’s energy magnitude. These recommendations allow for a more descriptive signature between different materials taking into account its resistance to ignition [109].
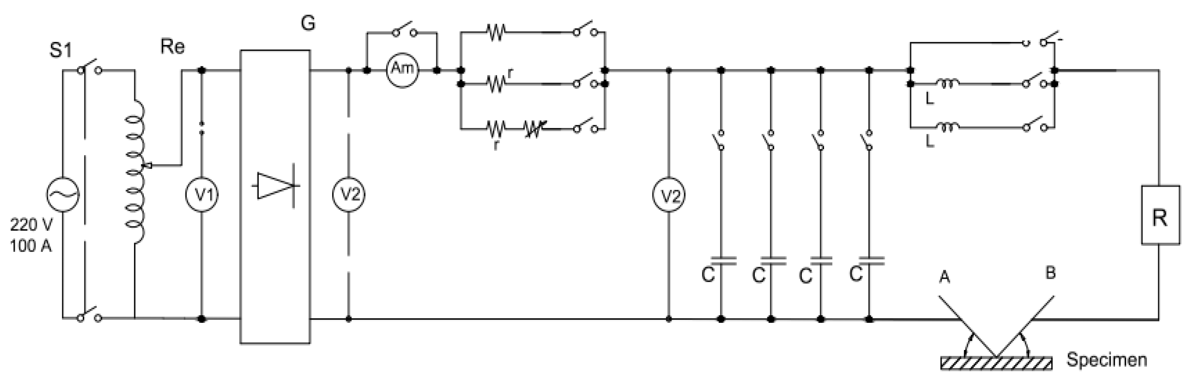
The initial interest in making an HAI test in DC conditions originated from the automotive industry, which changed the traditional 12 V DC battery supply to a 36 V DC battery supply with a 42 V DC charging unit. This originated an interest in determining the ignition resistance of the automotive polymeric materials [111]. Initially, a primary circuit for studying the glass-fiber-reinforced plastics (GRP) for a DC supply was proposed, as shown in Figure 10. This test was based on the HAI test described by the standard UL 764A. This circuit uses a 200 V AC source; the capacitors generate a DC discharge between electrodes A and B, the release takes 0.5 to 12.8 ms depending on the capacitance values. The rate of the discharges is 20–40 arcs/min until the arc ignites the specimen. The use of a high-speed camera (4800 frames/s) allowed recording the length of the whole process, registering the arc discharge, arc ignition, and the combustion duration [112]. Similar studies have been realized in common polymers for the automotive industry [113,114,115].
Figure 10.
Basic circuit diagram of high current DC arc ignition testing apparatus formed by power switch (S1), regulator (Re), AC voltmeter (V1), rectifier (G), DC voltmeter (V2), DC ammeter (Am), charging resistance (r), capacitor (C), discharge resistance (R), fixed electrode (A), mobile electrode (B) and Inductance for current stabilization (L). Adapted from [112].
The interest in the DC testing method has increased in recent years due to the rise of renewable technologies like solar photovoltaics and wind power and DC microgrids’ implementation [116]. This lead to proposing new DC-HAI testing, based on the original HAI testing described by the standard UL 764A, with the inclusion of some improvements, such as an automated control via a LabView-based program. The proposed testing setup is shown in Figure 11, where the movable electrode has three different positions: start, stable and safe. For this test, there are nine configuration parameters [116]:
Figure 11.
Resistance to high-ampere arc ignition (DC-HAI). Adapted from [117].
- Output current
- Start arc delay
- Stable position delay
- Safe position delay
- Stop arc delay
- Start position delay
- Start position
- Stable position
- Safe position.
The safe position is the most considerable distance between the electrodes, allowing for a better judgment regarding the specimen’s ignition. On the other hand, the stable position’s purpose is to establish and arc stability [116]. The test realized by this proposed method resulted in a standard deviation ratio of 5% for DC arc that took 200 ms and 8% for an arc that has currents of 10 A; this proved to be consistent and repeatable [116].
5. Applications
5.1. Transformer Insulation
Epoxy resins, polyester, silicone, and imides are the most commonly used polymers for electric machines and dry transformers (see Figure 12) [6]. Dry-type transformers, known as epoxy-insulated transformers, are applied in areas requiring high fire protection, such as oil depots, high-rise buildings, and airports. Reinforced polyester with glass filaments is primarily used as a support for the protective system in oil transformers. These films increase the load due to breaking and provide strong resistance to infringement [118]. These tapes are suitable for leaded insulation wires, cable winding, and external protection. On the other hand, silicone transformer oil is primarily used as a coolant in high voltage power transformers. It has good heat capacity values, low viscosity, and high dielectric strength. Polyesteramideimides have long time endurance to 180–210 °C and have high heat resistance [119]. They are used as wire insulations in oil transformers.
Figure 12.
Epoxy-resin cast dry type transformer.
5.2. Insulated Power Cables
In most power cables ranging from high to medium level, polymers are extensively applied as insulation materials. Such polymeric materials include polyethylene (PE), HDPE, LDPE, ethylene-propylene rubber (EPR), etc. Nevertheless, LDPE is more versatile and, until the 1960s, it was the most widely used polymeric material. Nowadays, cross-linked polyethylene (XLPE) has been preferred over paper because of its enhanced properties, such as efficiency and the ability to withstand high temperatures [120]. However, recently, XLPE cables have started to be replaced by HDPE in more advanced distribution systems because of their higher resistance to lightning strikes and water (see Figure 13) [121]. In some medium cables that require greater flexibility, EPR is used [120]. However, for low voltage applications, PVC is much more preferred because of its low manufacturing and durability cost. In new technologies such as the HVDC, polymeric cables are not used, and instead, oil impregnated paper is widely utilized. For such applications, polymeric cables are highly prone to partial discharges. Novel techniques such as the modifying the thermal resistivity and reducing the space have been proposed for the development of the polymer-insulated HVDC cables [122]. Other techniques being developed to improve polymeric cables under the HVDC include the development of nanocomposites, addition of inorganic particles [7,123,124]. All these additions can improve mechanical strength, thermal stability, and stringent dielectric breakdown. The research now focuses on applying nanoparticles to enhance the dielectric properties of nanocomposite [125]. For polyethylene and poly-vinyl chloride insulation, their rated voltages can be up to 275 kV and 3.3 kV respectively.
Figure 13.
XPLE insulated power cable.
Nowadays, the focus is on developing insulating cables with unique properties capable of operating at high temperatures and electric stress levels. A recent research demonstrates the existence of a byproduct-free cross-linked copolymer blend that is seen as a potential solution to the widely used XLPE commonly employed for high voltage DC cable insulation [126]. The result show that the copolymer blend’s loss tangent is three to four times lower than that of XLPE, with magnitudes of 0.12 at 70 °C and 0.01 at 50 °C [126]. The copolymer has shown good electrical properties and is free from cross-linking byproducts. As a result, this material is a promising option for HV components, such as HVDC cables, that require clean insulation materials.
5.3. Electrical Encapsulation Materials
Electrical encapsulation materials are required to properly operate transformers, motor coils, sensors, and solenoids [127]. Among the first electrical encapsulation materials were the resins, which had many advantages for protecting encapsulated electrical components [128], such as high insulation, low relative permittivity, low cost, and easy synthesis [129]. Thermoplastic resins have shown a better performance than thermosets by requiring thinner walls for them to be stronger than thermosets [127]. In addition, thermoplastics are produced in faster cycles, generate lesser scrap, and lack the environmental issues related to thermosets [127]. Nevertheless, when submitted to specific temperatures, resins’ behavior could cause shrinkage or expansion of the material, generating focused stress and leading to premature failure [128]. A test is proposed to study this impulsive failure factor where cured resins samples are subjected to a wide range of temperatures. The embedment pressure is calculated; this study shows that the embedment pressure is higher for lower temperatures [128].
To manufacture most high-performance coils, thermoplastics such as PA 66, PBT polyester, and PET polyester polymer compositions are used for the encapsulation [127]. PA 612 could be applied as the encapsulation material for encapsulated sensors because it can withstand repeated thermal cycling more than polyesters [127]. Nowadays, to encapsulate high voltage multichip power assemblies, usually silicone gels are implemented; because of the high electrical insulation and softness, these are mainly used if there are bonding wires [130]. However, for temperatures above 250 °C, these materials have shown breaking symptoms. In cases requiring a higher temperature operation, silicone elastomer has proven to be a proper replacement [130].
The most common material for integrated circuits (IC) encapsulation is epoxy resins [131]. These properties differ among them because of the different formulations made to improve specific properties that enhance individual performances. These are related to thermal resistance, electric insulation, reliability in moisture, reliability temperature, and pressure [132]. Incorporating fillers such as alumina, boron nitride, alumina nitride, or other ceramic powder increases the thermal conductivity of the encapsulation’s electrical insulation [129]. The inorganic filler reaches 65% to 90% of the total weight [131]. In recent years the incorporation of microscale and nanoscale insulating fillers in epoxy resins has been studied to increase the mechanical stress resistance and increase the dielectric strength [133,134,135]. Those investigations had shown that increasing the filler content increased the current conduction and volume conductivity, a conclusion that was not expected given the nature of the inorganic fillers [131]. This hint that the epoxy/filler intermolecular interaction could be directly related to the bulk transportation capabilities [131]. The issue with the epoxy/filler encapsulation is related to generating charge propagation over the surface of the ICs, due to the significant injection of electronic charge from the embedded bond wires [136]. The amount of filler in an epoxy molding compound varies the dielectric strength because at high temperatures for higher quantities of filler, the conductivity and electric field dependence increases [137]. This could be attributed to the consequent increment in the filler particles and the epoxy matrix [137].
5.4. Electrical and Electronic Plastics
Many electrical applications are requiring high graded polymer. At present, electrical apparatus commonly use plastic as an insulation system. Plastics have good dielectric strength, heat performance, and water resistance, making them ideal for electrical components. Several computer parts are made up of polymers. In general, conductive polymers are utilized in every computer element to ensure conductivity so that the device works well. On the other hand, plastics are used in making external parts of home appliances such as TV, toasters, juicers, and blenders. Currently, most electrical tools are made of plastics. Other plastic materials applications are relays, circuit breakers, transformer comments, cabling, and wires [138].
5.5. High Voltage Transmission Line Insulators
In the past, porcelain ceramic insulators were used in both transmission and distribution lines. In high-voltage transmission systems, polymer or composite insulators are becoming more common. Polymer Insulators, which are distinguished by their compact size, lightweight, high mechanical power, ease of installation, and low maintenance, have emerged as a new generation of high voltage transmission line insulators. The protective ribbed mold on polymer insulators is made of silicon organic rubber, which makes it different from other insulators [139].
Since its introduction in the early 1970s, electric utilities have gradually embraced polymer insulators as suitable substitutes for porcelain and glass insulators. Ethylene propylene polymers are used to make the insulators. EPR and Silicon Rubber are some of the polymers that are used as insulators. Among them, the EPR are one of the most weather-resistant synthetic polymers available [140]. It has superior ageing and color quality as well as excellent electrical, chemical, and mechanical properties. Heat, oxygen, ozone, and sunlight resistance is exceptional in all EPRs. Figure 14 shows a polymer suspension insulator used for high voltage line. Most polymer insulators are designed with a rated voltage ranging from 7.5 to 765 kV. For bushings in high voltage lines, certain type of polymers are used. These include polyoxymethylene, polyphenylene sulfide and ultra-high molecular weight polyethylene.
Figure 14.
Polymer suspension insulators.
Nowadays, the focus is to develop new stress control techniques using advanced materials. Many researchers have recently looked at using field grading material to minimize electric field enhancement on high-voltage insulators in order to improve the design of the equipment [141]. Two main types of grading exist, i.e., capacitive grading and resistive grading. In the capacitive grading, a number of fillers may be added to the host matrix in order to boost the dielectric materials permittivity. In this situation, the electric field on the overhead insulators is redistributed [142]. In resistive grading, the idea is to have the electric field varying with the conductivity so as to have a non-linear conducting behavior. In this case, the base polymer is filled with an inorganic filler to achieve nonlinear characteristics. When the electric field strength reaches a withstand level, the nonlinear grading material turns out to be conductive, which tends to homogenize the electric field propagation within the bulk of the insulation, thereby eliminating the field enhancement effect [143].
6. Challenges and Future Directions
For over a century, insulating materials have been developed. There have been ongoing advances in insulating materials, from pure polymers to nanocomposites, and the mechanical, thermal, electrical properties of such materials have significantly improved. For instance, there have been increase in the electrical strength of materials at low temperature by nine folds, the withstand temperature of materials has increased 15 times. Furthermore, the thermal conductivity and the breakdown strength of materials increased by 30 and 3000 times respectively [144].
Despite all the aforementioned developments, there are still problems and challenges. For instance, the fundamental chemistry and physics underlying improved dielectric properties of polymer nanocomposites is not well understood, interface modifications is not well developed, insufficient nanoparticle dispersion and the repeatability of related experiments has been poor. As a result, there is refine individual materials while simultaneously improving composites’ overall performance. Another challenge has to do with the biodegradable nature of conductive polymers, severely limiting their applications.
This research suggests new directions for polymers used as insulating materials: improving interface modification and manufacturing technology, investigating novel dispersion and surface modification techniques for nano materials, analyzing the formation of interfaces using computer calculations and analog simulations, designing multilayer technologies and components for application in a simpler and smaller items [7]. Furthermore, adding practical nanofillers to a polymer matrix, such as graphene, will significantly improve the conductivity of biodegradable polymers.
In terms of electrical applications, the focus should be on developing nanostructured materials for ultra-capacitors, electro-optic, discharge-resistant high-voltage equipment insulation, sensors, and actuators.
7. Conclusions
This paper extensively reviewed polymer materials, thermoplastics, and thermosets for application in electrical apparatus. Polyethylene has been the widely applied material for manufacturing cables at the medium and high voltage range due to its high electrical strength and low production costs. Using a cross-linking process, good thermal and mechanical characteristics can be achieved with XLPE, HDPE, and EPR. On the other hand, at low voltage for indoor applications, PVC is replaced with superior polymeric insulation due to safety and public health regulations. For HVDC applications, polymeric insulated cables have not been as successful as oil-impregnated paper cables because of some operational conditions that reduce reliability and increase the functioning costs.
On the other hand, smart polymeric materials were more useful in biological and medicinal applications due to their sensitivity to the environment. However, it has been observed that more research is required in the mechanical, electrical, and thermal stresses of polymers to increase the reliability and power density. Besides, residual stresses are a common phenomenon that affects the production of injected molded polymers. These stresses come up due to deformations/bends, twists, or pressure. The high pressure during molding also leads to complex situations such as chain reaction, stretching, and relaxation. These residuals are usually quantified using techniques with lower accuracy. To improve the accuracy, new techniques such as indentation are typically employed.
It is also important to note that for polymers, thermal conductivity refers to the polymers and their fillers. It is interesting to note that thermal conductivities are significant at low filler loadings due to the polymer matrix’s thermally conductive fillers’ disjointing. However, polymers’ properties can be changed by increasing the temperature according to the procedure mentioned in UL 746B. Additionally, several factors affect the dielectric strength of polymers, which include: (1) environmental; (2) electrode effects; (3) temperature; and (4) voltage application and frequency.
However, current research concentrates on developing novel materials (e.g., nanofiller-added polymers) that possess additional capabilities such as improved mechanical strength and electrical erosion reduction. In general, PD has already been established to evaluate the quality of high voltage insulation systems. Future development trends for nanocomposites should concentrate on developing nanostructured materials for ultra-capacitors, electro-optic, discharge resistant high voltage equipment insulation, sensors and actuators.
Author Contributions
S.K.M.H. formulated the study and contributed with the abstract, introduction, polymer characteristics, and conclusion; J.A.A.-R. and A.A.M. involved the abstract, introduction, electrical properties, and conclusion; Y.U. and H.R. contributed the abstract, types, synthesis, thermal properties of the polymer, and conclusion; B.H.J. helped with introducing mechanical properties and N.A.B. with electrical properties and abstracts; F.M.-S. contributed the thermal properties, applications, conclusions as well as references. All the authors extensively reviewed the paper, provided areas of improvement, and added substantive information. All authors have read and agreed to the published version of the manuscript.
Funding
The authors would like to express their appreciation to Agencia Nacional de Investigación y Desarrollo (ANID) for the support received through the projects Fondecyt regular 1200055 and Fondef ID19I10165 and the UTFSM for the project PI_m_19_01. Nurul Aini Bani would like to thank the Ministry of Higher Education (MOHE), Malaysia via Universiti Teknologi Malaysia (UTM) (Research cost center no. Q.K130000.3556.06G43) for the support received.
Institutional Review Board Statement
Not applicable.
Informed Consent Statement
Not applicable.
Data Availability Statement
Not applicable.
Conflicts of Interest
The authors declare no conflict of interest. The funders had no role in the design of the study; in the collection, analyses, or interpretation of data; in the writing of the manuscript, or in the decision to publish the results.
References
- Alfalahi, A.H.M. Study of factors affecting the dielectric strength of [EP/ZrO2-y2O3] Nanocomposites. J. Eng. Appl. Sci. 2018, 13, 484–488. [Google Scholar]
- Nasreen, S.; Treich, G.M.; Baczkowski, M.L.; Mannodi-Kanakkithodi, A.K.; Cao, Y.; Ramprasad, R.; Sotzing, G. Polymer Dielectrics for Capacitor Application. In Kirk-Othmer Encyclopedia of Chemical Technology; John Wiley & Sons, Inc.: Hoboken, NJ, USA, 2017; pp. 1–29. [Google Scholar]
- Müller, K.; Bugnicourt, E.; Latorre, M.; Jorda, M.; Echegoyen Sanz, Y.; Lagaron, J.; Miesbauer, O.; Bianchin, A.; Hankin, S.; Bölz, U.; et al. Review on the processing and properties of polymer nanocomposites and nanocoatings and their applications in the packaging, automotive and solar energy fields. Nanomaterials 2017, 7, 74. [Google Scholar] [CrossRef]
- Bur, A.J. Dielectric properties of polymers at microwave frequencies: A review. Polymer 1985, 26, 963–977. [Google Scholar] [CrossRef]
- Rimdusit, S.; Ishida, H. Development of new class of electronic packaging materials based on ternary systems of benzoxazine, epoxy, and phenolic resins. Polymer 2000, 41, 7941–7949. [Google Scholar] [CrossRef]
- Pleşa, I.; Noţingher, P.; Schlögl, S.; Sumereder, C.; Muhr, M.; Pleşa, I.; Noţingher, P.V.; Schlögl, S.; Sumereder, C.; Muhr, M. Properties of polymer composites used in high-voltage applications. Polymers 2016, 8, 173. [Google Scholar] [CrossRef]
- Tanaka, T.; Montanari, G.C.; Mulhaupt, R. Polymer nanocomposites as dielectrics and electrical insulation-perspectives for processing technologies, material characterization and future applications. IEEE Trans. Dielectr. Electr. Insul. 2004, 11, 763–784. [Google Scholar] [CrossRef]
- Madi, A.; He, Y.; Jiang, L.; Yan, B. Surface tracking on polymeric insulators used in electrical transmission lines. Indones. J. Electr. Eng. Comput. Sci. 2016, 3, 639. [Google Scholar] [CrossRef][Green Version]
- Lalankere, G. Opportunities and challenges of employing composite materials in switchgear industry. In Proceedings of the 20th International Conference on Electricity Distribution (CIRED), Prague, Czech Republic, 8–11 June 2009; p. 644. [Google Scholar]
- Britton, L.G. Avoiding Static Ignition Hazards in Chemical Operations; John Wiley & Sons, Inc.: Hoboken, NJ, USA, 1999; ISBN 9780470935408. [Google Scholar]
- Stone, G.C.; Boulter, E.A.; Culbert, I.; Dhirani, H. Historical Development of Insulation Materials and Systems. In Electrical Insulation for Rotating Machines; Kartalopoulos, S., Ed.; John Wiley & Sons, Inc.: Hoboken, NJ, USA, 2004; pp. 73–94. [Google Scholar]
- Wohlleben, W.; Meier, M.W.; Vogel, S.; Landsiedel, R.; Cox, G.; Hirth, S.; Tomović, Ž. Elastic CNT–polyurethane nanocomposite: Synthesis, performance and assessment of fragments released during use. Nanoscale 2013, 5, 369–380. [Google Scholar] [CrossRef]
- Camargo, P.H.C.; Satyanarayana, K.G.; Wypych, F. Nanocomposites: Synthesis, structure, properties and new application opportunities. Mater. Res. 2009, 12, 1–39. [Google Scholar] [CrossRef]
- Han, Z.; Garrett, R. Overview of Polymer Nanocomposites as dielectrics and electrical insulation materials for large high voltage rotating machines. NSTI-Nanotech 2008, 2, 727–732. [Google Scholar]
- Keith Nelson, J. Overview of nanodielectrics: Insulating materials of the future. In Proceedings of the 2007 Electrical Insulation Conference and Electrical Manufacturing Expo, Nashville, TN, USA, 22–24 October 2007; pp. 229–235. [Google Scholar]
- Matthews, F.L.; Rawlings, R.D. Composite Materials: Engineering and Science, 1st ed.; CRC Press: Cambridge, UK, 1999; ISBN 1855734737. [Google Scholar]
- Sheer, M.L. Advanced composites: The leading edge in high performance motor and transformer insulation. In Proceedings of the 20th Electrical Electronics Insulation Conference, Boston, MA, USA, 7–10 October 1991; pp. 181–185. [Google Scholar]
- Tanaka, T.; Imai, T. Advances in nanodielectric materials over the past 50 years. IEEE Electr. Insul. Mag. 2013, 29, 10–23. [Google Scholar] [CrossRef]
- Rajendran Royan, N.R.; Sulong, A.B.; Sahari, J.; Suherman, H. Effect of Acid- and Ultraviolet/Ozonolysis-Treated MWCNTs on the electrical and mechanical properties of epoxy nanocomposites as bipolar plate applications. J. Nanomater. 2013, 2013, 717459. [Google Scholar] [CrossRef]
- Druffel, T.; Geng, K.; Grulke, E. Mechanical comparison of a polymer nanocomposite to a ceramic thin-film anti-reflective filter. Nanotechnology 2006, 17, 3584–3590. [Google Scholar] [CrossRef]
- Seena, V.; Fernandes, A.; Pant, P.; Mukherji, S.; Ramgopal Rao, V. Polymer nanocomposite nanomechanical cantilever sensors: Material characterization, device development and application in explosive vapour detection. Nanotechnology 2011, 22, 295501. [Google Scholar] [CrossRef]
- Petrović, Z.S.; Cho, Y.J.; Javni, I.; Magonov, S.; Yerina, N.; Schaefer, D.W.; Ilavský, J.; Waddon, A. Effect of silica nanoparticles on morphology of segmented polyurethanes. Polymer 2004, 45, 4285–4295. [Google Scholar] [CrossRef]
- Qian, Y.; Lindsay, C.I.; Macosko, C.; Stein, A. Synthesis and properties of vermiculite-reinforced polyurethane nanocomposites. ACS Appl. Mater. Interfaces 2011, 3, 3709–3717. [Google Scholar] [CrossRef] [PubMed]
- Sánchez-Adsuar, M.S.; Linares-Solano, A.; Cazorla-Amorós, D.; Ibarra-Rueda, L. Influence of the nature and the content of carbon fiber on properties of thermoplastic polyurethane-carbon fiber composites. J. Appl. Polym. Sci. 2003, 90, 2676–2683. [Google Scholar] [CrossRef]
- Koerner, H.; Price, G.; Pearce, N.A.; Alexander, M.; Vaia, R.A. Remotely actuated polymer nanocomposites—Stress-recovery of carbon-nanotube-filled thermoplastic elastomers. Nat. Mater. 2004, 3, 115–120. [Google Scholar] [CrossRef]
- Kim, H.; Miura, Y.; Macosko, C.W. Graphene/Polyurethane nanocomposites for improved gas barrier and electrical conductivity. Chem. Mater. 2010, 22, 3441–3450. [Google Scholar] [CrossRef]
- Khan, U.; May, P.; O’Neill, A.; Vilatela, J.J.; Windle, A.H.; Coleman, J.N. Tuning the mechanical properties of composites from elastomeric to rigid thermoplastic by controlled addition of carbon nanotubes. Small 2011, 7, 1579–1586. [Google Scholar] [CrossRef]
- Zhang, R.; Dowden, A.; Deng, H.; Baxendale, M.; Peijs, T. Conductive network formation in the melt of carbon nanotube/thermoplastic polyurethane composite. Compos. Sci. Technol. 2009, 69, 1499–1504. [Google Scholar] [CrossRef]
- Potschke, P.; Haussler, L.; Pegel, S.; Steinberger, R.; Scholz, G. Thermoplastic polyurethane filled with carbon nanotubes for electrical dissipative and conductive application. KGK Kautschuk Gummi Kunststoffe 2007, 60, 432–437. [Google Scholar]
- De Girolamo Del Mauro, A.; Grimaldi, A.I.; La Ferrara, V.; Massera, E.; Miglietta, M.L.; Polichetti, T.; Di Francia, G. A simple optical model for the swelling evaluation in polymer nanocomposites. J. Sens. 2009, 2009, 703206. [Google Scholar] [CrossRef]
- Chen, W.; Tao, X. Self-organizing alignment of carbon nanotubes in thermoplastic polyurethane. Macromol. Rapid Commun. 2005, 26, 1763–1767. [Google Scholar] [CrossRef]
- Koerner, H.; Liu, W.; Alexander, M.; Mirau, P.; Dowty, H.; Vaia, R.A. Deformation–morphology correlations in electrically conductive carbon nanotube—thermoplastic polyurethane nanocomposites. Polymer 2005, 46, 4405–4420. [Google Scholar] [CrossRef]
- BASF. Polyurethanes Elastollan Material Properties. Available online: http://www.polyurethanes.basf.de/pu/Elastollan/Elastollan_Materialeigenschaften (accessed on 7 March 2019).
- Zhang, L.; Zhu, J.; Zhou, W.; Wang, J.; Wang, Y. Thermal and electrical conductivity enhancement of graphite nanoplatelets on form-stable polyethylene glycol/polymethyl methacrylate composite phase change materials. Energy 2012, 39, 294–302. [Google Scholar] [CrossRef]
- Cong, H.; Radosz, M.; Towler, B.F.; Shen, Y. Polymer–inorganic nanocomposite membranes for gas separation. Sep. Purif. Technol. 2007, 55, 281–291. [Google Scholar] [CrossRef]
- Wang, T.-L.; Yang, C.-H.; Shieh, Y.-T.; Yeh, A.-C.; Juan, L.-W.; Zeng, H.C. Synthesis of new nanocrystal-polymer nanocomposite as the electron acceptor in polymer bulk heterojunction solar cells. Eur. Polym. J. 2010, 46, 634–642. [Google Scholar] [CrossRef]
- Ruiyi, L.; Qianfang, X.; Zaijun, L.; Xiulan, S.; Junkang, L. Electrochemical immunosensor for ultrasensitive detection of microcystin-LR based on graphene–gold nanocomposite/functional conducting polymer/gold nanoparticle/ionic liquid composite film with electrodeposition. Biosens. Bioelectron. 2013, 44, 235–240. [Google Scholar] [CrossRef]
- Kaur, J.; Lee, J.H.; Shofner, M.L. Influence of polymer matrix crystallinity on nanocomposite morphology and properties. Polymer 2011, 52, 4337–4344. [Google Scholar] [CrossRef]
- Kutvonen, A.; Rossi, G.; Ala-Nissila, T. Correlations between mechanical, structural, and dynamical properties of polymer nanocomposites. Phys. Rev. E 2012, 85, 41803. [Google Scholar] [CrossRef]
- Kutvonen, A.; Rossi, G.; Puisto, S.R.; Rostedt, N.K.J.; Ala-Nissila, T. Influence of nanoparticle size, loading, and shape on the mechanical properties of polymer nanocomposites. J. Chem. Phys. 2012, 137, 214901. [Google Scholar] [CrossRef]
- Ducháček, V. Recent developments for thermoplastic elastomers. J. Macromol. Sci. Part B 1998, 37, 275–282. [Google Scholar] [CrossRef]
- Grigore, M.; Grigore, E.M. Methods of recycling, properties and applications of recycled thermoplastic polymers. Recycling 2017, 2, 24. [Google Scholar] [CrossRef]
- Habib Mnaathr, S.; Saher, H.; Al-Hseenawy, N. The influences of thermoplastic polymers on the electrical efficiency if used as material insulation in cables. Chem. Mater. Eng. 2014, 2, 169–172. [Google Scholar] [CrossRef]
- Ashby, M.F.; Shercliff, H.; Cebon, D. Materials: Engineering, Science, Processing and Design, 1st ed.; Elsevier Butterworth-Heinemann: Oxford, UK, 2007; ISBN 0750683910. [Google Scholar]
- Hanna, D.; Goodman, S.H. Handbook of Thermoset Plastics, 3rd ed.; Elsevier Science: Amsterdam, The Netherlands, 2013; ISBN 9781455731091. [Google Scholar]
- Ismail, N.H.; Mustapha, M. A review of thermoplastic elastomeric nanocomposites for high voltage insulation applications. Polym. Eng. Sci. 2018, 58, E36–E63. [Google Scholar] [CrossRef]
- Ellingford, C.; Wemyss, A.M.; Zhang, R.; Prokes, I.; Pickford, T.; Bowen, C.; Coveney, V.A.; Wan, C. Understanding the enhancement and temperature-dependency of the self-healing and electromechanical properties of dielectric elastomers containing mixed pendant polar groups. J. Mater. Chem. C 2020, 8, 5426–5436. [Google Scholar] [CrossRef]
- Wemyss, A.M.; Ellingford, C.; Morishita, Y.; Bowen, C.; Wan, C. Dynamic polymer networks: A new avenue towards sustainable and advanced soft machines. Angew. Chem. 2021. [Google Scholar] [CrossRef]
- Adeosun, S.O.; Lawal, G.I.; Balogun, S.A.; Akpan, E.I. Review of green polymer nanocomposites. J. Miner. Mater. Charact. Eng. 2012, 11, 385–416. [Google Scholar] [CrossRef]
- Thomas, S.; Stephen, R.; Thomas, S.; Bandyopadhyay, S. Polymer nanocomposites: Preparation, properties and applications. Rubber Fibers Plast. Int. 2007, 1, 49–56. [Google Scholar]
- Gacitúa, W.E.; Ballerini, A.A.; Zhang, J. Polymer nanocomposites: Synthetic and natural fillers a review. Maderas Cienca Y Tecnol. 2005, 7, 159–178. [Google Scholar] [CrossRef]
- Fu, S.; Sun, Z.; Huang, P.; Li, Y.; Hu, N. Some basic aspects of polymer nanocomposites: A critical review. Nano Mater. Sci. 2019, 1, 2–30. [Google Scholar] [CrossRef]
- Vo, T.H.; Shekhirev, M.; Kunkel, D.A.; Orange, F.; Guinel, M.J.-F.; Enders, A.; Sinitskii, A. Bottom-up solution synthesis of narrow nitrogen-doped graphene nanoribbons. Chem. Commun. 2014, 50, 4172–4174. [Google Scholar] [CrossRef] [PubMed]
- Xianying, D.; Meilin, W.; Bencai, D.; Shujing, L.; Yuli, Z.; Xiangjun, Z.; Libing, G. 2,7-Dibromo-9-Hydroxyl Phenanthrene Derivatives and Preparation Method Thereof. China Patent CN102775279B, 5 March 2014. [Google Scholar]
- Långvik, O.; Sandberg, T.; Wärnå, J.; Murzin, D.Y.; Leino, R. One-pot synthesis of (R)-2-acetoxy-1-indanone from 1,2-indanedione combining metal catalyzed hydrogenation and chemoenzymatic dynamic kinetic resolution. Catal. Sci. Technol. 2015, 5, 150–160. [Google Scholar] [CrossRef]
- Yamamoto, T.; Etori, H. Poly(anthraquinone)s Having a .pi.-Conjugation System along the Main Chain. Synthesis by organometallic polycondensation, redox behavior, and optical properties. Macromolecules 1995, 28, 3371–3379. [Google Scholar] [CrossRef]
- Marcano, D.C.; Kosynkin, D.V.; Berlin, J.M.; Sinitskii, A.; Sun, Z.; Slesarev, A.; Alemany, L.B.; Lu, W.; Tour, J.M. Improved synthesis of graphene oxide. ACS Nano 2010, 4, 4806–4814. [Google Scholar] [CrossRef] [PubMed]
- Pirnat, K.; Bitenc, J.; Vizintin, A.; Krajnc, A.; Tchernychova, E. Indirect synthesis route toward cross-coupled polymers for high voltage organic positive electrodes. Chem. Mater. 2018, 30, 5726–5732. [Google Scholar] [CrossRef]
- Ahmed Dabbak, S.; Illias, H.; Ang, B.; Abdul Latiff, N.; Makmud, M. Electrical properties of polyethylene/polypropylene compounds for high-voltage insulation. Energies 2018, 11, 1448. [Google Scholar] [CrossRef]
- Hosier, I.L.; Vaughan, A.S.; Swingler, S.G. Structure–property relationships in polyethylene blends: The effect of morphology on electrical breakdown strength. J. Mater. Sci. 1997, 32, 4523–4531. [Google Scholar] [CrossRef]
- Green, C.D.; Vaughan, A.S.; Stevens, G.C.; Sutton, S.J.; Geussens, T.; Fairhurst, M.J. Recyclable power cable comprising a blend of slow-crystallized polyethylenes. IEEE Trans. Dielectr. Electr. Insul. 2013, 20, 1–9. [Google Scholar] [CrossRef]
- Rishina, L.A.; Kissin, Y.V.; Lalayan, S.S.; Krasheninnikov, V.G. Synthesis of atactic polypropylene: Propylene polymerization reactions with TiCl4–Al(C2H5)2Cl/Mg(C4H9)2 catalyst. J. Appl. Polym. Sci. 2019, 136, 47692. [Google Scholar] [CrossRef]
- De Rosa, C.; Auriemma, F. Structure and physical properties of syndiotactic polypropylene: A highly crystalline thermoplastic elastomer. Prog. Polym. Sci. 2006, 31, 145–237. [Google Scholar] [CrossRef]
- Green, C.; Vaughan, A.; Stevens, G.; Pye, A.; Sutton, S.; Geussens, T.; Fairhurst, M. Thermoplastic cable insulation comprising a blend of isotactic polypropylene and a propylene-ethylene copolymer. IEEE Trans. Dielectr. Electr. Insul. 2015, 22, 639–648. [Google Scholar] [CrossRef]
- Wohlleben, W.; Brill, S.; Meier, M.W.; Mertler, M.; Cox, G.; Hirth, S.; von Vacano, B.; Strauss, V.; Treumann, S.; Wiench, K.; et al. On the lifecycle of nanocomposites: Comparing released fragments and their in-vivo hazards from three release mechanisms and four nanocomposites. Small 2011, 7, 2384–2395. [Google Scholar] [CrossRef] [PubMed]
- Nguyen, T.; Pellegrin, B.; Bernard, C.; Gu, X.; Gorham, J.M.; Stutzman, P.; Stanley, D.; Shapiro, A.; Byrd, E.; Hettenhouser, R.; et al. Fate of nanoparticles during life cycle of polymer nanocomposites. J. Phys. Conf. Ser. 2011, 304, 12060. [Google Scholar] [CrossRef]
- Mansfield, E.; Kar, A.; Hooker, S.A. Applications of TGA in quality control of SWCNTs. Anal. Bioanal. Chem. 2010, 396, 1071–1077. [Google Scholar] [CrossRef]
- Thanki, J.D.; Parsania, P.H. Physico-chemical study of modified mannich base cured epoxy resin of 9,9’-bis(4-Hydroxy Phenyl) Anthrone-10 and its jute and glass composites. J. Polym. Mater. 2016, 33, 101–109. [Google Scholar]
- Thanki, J.D.; Patel, J.P.; Parsania, P.H. Synthesis and characterization of epoxy resin of 9,9′-bis-(3,5-dibromo-4-hydroxyphenyl) anthrone-10 and its jute composite. Des. Monomers Polym. 2018, 21, 9–17. [Google Scholar] [CrossRef]
- Su, W.-F. Principles of Polymer Design and Synthesis; Lecture Notes in Chemistry; Springer: Berlin/Heidelberg, Germany, 2013; Volume 82, ISBN 978-3-642-38729-6. [Google Scholar]
- Balani, K.; Verma, V.; Agarwal, A.; Narayan, R. Physical, Thermal, and Mechanical Properties of Polymers. In Biosurfaces; Balani, K., Verma, V., Agarwal, A., Narayan, R., Eds.; John Wiley & Sons, Inc.: Hoboken, NJ, USA, 2015; pp. 329–344. [Google Scholar]
- Schadler, L.S. Polymer-Based and Polymer-Filled Nanocomposites. In Nanocomposite Science and Technology; Ajayan, P.M., Schadler, L.S., Braun, P.V., Eds.; Wiley-VCH Verlag GmbH & Co. KGaA: Weinheim, Germany, 2004; pp. 77–153. [Google Scholar]
- Lach, R.; Antonova Gyurova, L.; Grellmann, W. Application of indentation fracture mechanics approach for determination of fracture toughness of brittle polymer systems. Polym. Test. 2007, 26, 51–59. [Google Scholar] [CrossRef]
- Mohamad, N.; Muchtar, A.; Ghazali, M.J.; Mohd, D.; Azhari, C.H. The effect of filler on epoxidised natural rubber-alumina nanoparticles composites. Eur. J. Sci. Res. 2008, 24, 538–547. [Google Scholar]
- Kimura, K. Multistress aging of machine insulation systems. In Proceedings of the 1995 Conference on Electrical Insulation and Dielectric Phenomena, Virginia Beach, VA, USA, 22–25 October 1995; pp. 205–210. [Google Scholar]
- Crompton, T.R. Polymer Reference Book; Smithers Rapra Technology Ltd.: Shewsbury, Shropshire, UK, 2006; ISBN 1859574920. [Google Scholar]
- Grellmann, W.; Seidler, S. Polymer Testing; Hanser Publications: München, Germany, 2013; ISBN 9781569905494. [Google Scholar]
- Bonten, C. Kunststofftechnik Einführung und Grundlagen, 1st ed.; Carl Hanser Verlag: München, Germany, 2014; ISBN 3446440933. [Google Scholar]
- Lim, K.S.; Mariatti, M.; Kamarol, M.; Ghani, A.B.A.; Shafi Halim, H.; Abu Bakar, A. Properties of nanofillers/crosslinked polyethylene composites for cable insulation. J. Vinyl Addit. Technol. 2019, 25, E147–E154. [Google Scholar] [CrossRef]
- Hedir, A.; Bechouche, A.; Moudoud, M.; Teguar, M.; Lamrous, O.; Rondot, S. Experimental and predicted XLPE cable insulation properties under UV radiation. Turkish J. Electr. Eng. Comput. Sci. 2020, 28, 1763–1775. [Google Scholar] [CrossRef]
- Yasmin, A.; Daniel, I.M. Mechanical and thermal properties of graphite platelet/epoxy composites. Polymer 2004, 45, 8211–8219. [Google Scholar] [CrossRef]
- Yang, H.S.; Kim, H.J.; Son, J.; Park, H.J.; Lee, B.J.; Hwang, T.S. Rice-husk flour filled polypropylene composites; mechanical and morphological study. Compos. Struct. 2004, 63, 305–312. [Google Scholar] [CrossRef]
- Ray, D.; Bhattacharya, D.; Mohanty, A.K.; Drzal, L.T.; Misra, M. Static and Dynamic Mechanical Properties of Vinylester Resin Matrix Composites Filled with Fly Ash. Macromol. Mater. Eng. 2006, 291, 784–792. [Google Scholar] [CrossRef]
- Mehdipour-Ataei, S.; Tabatabaei-Yazdi, Z. Heat Resistant Polymers. In Encyclopedia of Polymer Science and Technology; John Wiley & Sons, Inc.: Hoboken, NJ, USA, 2015; pp. 1–31. [Google Scholar]
- Guevara-Morales, A.; Figueroa-López, U. Residual stresses in injection molded products. J. Mater. Sci. 2014, 49, 4399–4415. [Google Scholar] [CrossRef]
- Pak, S.Y.; Kim, S.Y.; Kim, S.H.; Youn, J.R. Measurement of residual stresses in polymeric parts by indentation method. Polym. Test. 2013, 32, 946–952. [Google Scholar] [CrossRef]
- UL Standard for Polymeric Materials. In Long Term Property Evaluations (UL—746B); Underwriters’ Laboratories: Chicago, IL, USA, 2018.
- IEC Electrical Insulating Materials. In Thermal Endurance Properties—Part 1: Ageing Procedures and Evaluation of Test Results (IEC 60216-1:2013); International Electrotechnical Commission: Geneva, Switzerland, 2013; pp. 1–66.
- PBI. Advanced Materials Co. Ltd. Heat Resistance. Available online: http://www.pbi-am.com/en/properties/heat-resistance (accessed on 8 March 2019).
- Chen, H.; Ginzburg, V.V.; Yang, J.; Yang, Y.; Liu, W.; Huang, Y.; Du, L.; Chen, B. Thermal conductivity of polymer-based composites: Fundamentals and applications. Prog. Polym. Sci. 2016, 59, 41–85. [Google Scholar] [CrossRef]
- Ngo, I.-L.; Jeon, S.; Byon, C. Thermal conductivity of transparent and flexible polymers containing fillers: A literature review. Int. J. Heat Mass Transf. 2016, 98, 219–226. [Google Scholar] [CrossRef]
- UL Standard for Polymeric Materials. In Use in Electrical Equipment Evaluations (UL—746C); Underwriters’ Laboratories: Chicago, IL, USA, 2018.
- Jafri, S.Z. Experimental Investigation of Dielectric Strength of Polymer Films; Department of Electrical and Computer Engineering, University of Windsor: Windsor, ON, Canada, 2001. [Google Scholar]
- Polymer Science Dielectric Strength of Polymers. Available online: https://polymerdatabase.com/polymer%20physics/Dielectric%20Strength.html (accessed on 14 July 2020).
- Tan, D.Q. The search for enhanced dielectric strength of polymer-based dielectrics: A focused review on polymer nanocomposites. J. Appl. Polym. Sci. 2020, 137, 49379. [Google Scholar] [CrossRef]
- Dissado, L.A.; Fothergill, J.C. Electrical Degradation and Breakdown in Polymers; Stevens, G.C., Ed.; IET: London, UK, 1992; ISBN 0863411967. [Google Scholar]
- Hikita, M.; Nagao, M.; Sawa, G.; Ieda, M. Dielectric breakdown and electrical conduction of poly(vinylidene-fluoride) in high temperature region. J. Phys. D Appl. Phys. 1980, 13, 661–666. [Google Scholar] [CrossRef]
- Jansen, J.A. Characterization of Plastics in Failure Analysis. In Failure Analysis and Prevention; ASM International: Novelty, OH, USA, 2018; pp. 437–459. [Google Scholar]
- ASTM D257–14 Standard Test Methods for DC Resistance or Conductance of Insulating Materials. In Annual B. ASTM Standard; ASTM International: Pennsylvania, PA, USA, 2014.
- Illias, H.A.; Tunio, M.A.; Bakar, A.H.A.; Mokhlis, H.; Chen, G. Partial discharge phenomena within an artificial void in cable insulation geometry: Experimental validation and simulation. IEEE Trans. Dielectr. Electr. Insul. 2016, 23, 451–459. [Google Scholar] [CrossRef]
- Kreuger, F.H. Partial Discharge Detection in High-Voltage Equipment; Butterworths-Heinemann Ltd.: Oxford, UK, 1989; ISBN 9780408020633. [Google Scholar]
- Bartnikas, R. Partial discharges. Their mechanism, detection and measurement. IEEE Trans. Dielectr. Electr. Insul. 2002, 9, 763–808. [Google Scholar] [CrossRef]
- Benzerouk, D. Pulse Sequence Analysis and Pulse Shape Analysis: Methods to Analyze Partial Discharge Processes; University of Siegen: Siegen, Germany, 2008. [Google Scholar]
- Chen, G.; Mokhlis, H.; Abu Bakar, A.H.; Illias, H.A.; Tunio, M.A. Partial discharge behaviours within a void-dielectric system under square waveform applied voltage stress. IET Sci. Meas. Technol. 2014, 8, 81–88. [Google Scholar]
- Edin, H. Partial Discharges Studied with Variable Frequency of the Applied Voltage. Ph.D Thesis, Department of Electrical Engineering, KTH Royal Institute of Technology, Stockhom, Sweeden, 2001. [Google Scholar]
- Kozako, M.; Fuse, N.; Ohki, Y.; Okamoto, T.; Tanaka, T. Surface degradation of polyamide nanocomposites caused by partial discharges using IEC (b) electrodes. IEEE Trans. Dielectr. Electr. Insul. 2004, 11, 833–839. [Google Scholar] [CrossRef]
- Henk, P.O.; Kortsen, T.W.; Kvarts, T.; Saeidi, A. Increasing the PDendurance of epoxy and XLPE insulation by nanoparticle silica dispersion in the polymer. In Proceedings of the Nordic Insulation Symposium 2001, Stockholm, Sweeden, 11–13 June 2001. [Google Scholar]
- Middendorf, W. Successful Performance of the High Current Arc Ignition Test. IEEE Trans. Electr. Insul. 1982, EI-17, 429–433. [Google Scholar] [CrossRef]
- Middendorf, W.H.; Kirshteyn, M. The high current arc ignition test. IEEE Electr. Insul. Mag. 1988, 4, 21–25. [Google Scholar] [CrossRef]
- UL Standard for Polymeric Materials. In Short Term Property Evaluations (UL—746A); Underwriters’ Laboratories: Chicago, IL, USA, 2012.
- Wagner, R.; Stimitz, J. Properties of Plastic Materials for Use in Automotive Applications—Study of Arc Track Properties of Plastic Materials when Subjected to DC Voltages Ranging from 12 VDC—150 VDC: Addendum Report; Underwriters’ Laboratories: Chicago, IL, USA, 2004. [Google Scholar]
- Watanabe, T.; Sato, M.; Kuwajima, H. High current DC arc ignition testing of GRP. Composites 1982, 13, 24–28. [Google Scholar] [CrossRef]
- Zuercher, J.; Hetzmannseder, E. Testing Arc Faults in Automotive 42 V Applications. In Proceedings of the 42 Volt Automotive Systems Conference, Chicago, IL, USA, 17–18 September 2001. [Google Scholar]
- Hetymannseder, E.; Zuercher, H.; Hastings, J. Method for Realistic Evaluation of Arc Faults Detection Performance. In Proceedings of the 21st International Conference on E1ectrical Contacts, Zurich, Switzerland, 9–12 September 2002; pp. 296–302. [Google Scholar]
- Hastings, J.K.; Zuercher, J.C.; Hetzmannseder, E. Electrical Arcing and Material Ignition Levels. In Proceedings of the Society for Automotive Engineering (SAE) 2004 World Congress, Detroit, MI, USA, 8–11 March 2004. [Google Scholar]
- Jiang, H.; Brazis, P.; Navarro, N. DC high-energy arcing ignition (HAI) resistance for polymeric materials: Part I: Consistency and repeatability of DC-HAI system. In Proceedings of the 2012 IEEE Symposium on Product Compliance Engineering Proceedings, Portland, OR, USA, 5–7 November 2012; pp. 1–4. [Google Scholar]
- Stone, G.C. Advancements during the past quarter century in on-line monitoring of motor and generator winding insulation. IEEE Trans. Dielectr. Electr. Insul. 2002, 9, 746–751. [Google Scholar] [CrossRef]
- North West Laboratory Insulation. Materials for Transformers Winding. Available online: http://ferrite.ru/products/electrical_tape_en/ (accessed on 8 March 2019).
- Kirby, A.J. Polyimides: Materials, Processing and Applications; RAPRA Technology Limited Shawbury: RAPRA Review Reports; Pergamon Press: Oxford, UK, 1992; ISBN 9780080419664. [Google Scholar]
- Moore, G.F. Electric Cables Handbook, 3rd ed.; Blackwell Science: Oxford, UK, 1997; ISBN 9780632040759. [Google Scholar]
- Souza, R.E.; Gomes, R.M.; Lima, G.S.; Silveira, F.H.; De Conti, A.; Visacro, S. Analysis of the impulse breakdown behavior of covered cables used in compact distribution lines. Electr. Power Syst. Res. 2018, 159, 24–30. [Google Scholar] [CrossRef]
- Hanley, T.L.; Burford, R.P.; Fleming, R.J.; Barber, K.W. A general review of polymeric insulation for use in HVDC cables. IEEE Electr. Insul. Mag. 2003, 19, 13–24. [Google Scholar] [CrossRef]
- Tanaka, T. Dielectric nanocomposites with insulating properties. IEEE Trans. Dielectr. Electr. Insul. 2005, 12, 914–928. [Google Scholar] [CrossRef]
- Abdel-Gawad, N.M.K.; El Dein, A.Z.; Mansour, D.-E.A.; Ahmed, H.M.; Darwish, M.M.F.; Lehtonen, M. Multiple enhancement of PVC cable insulation using functionalized SiO2 nanoparticles based nanocomposites. Electr. Power Syst. Res. 2018, 163, 612–625. [Google Scholar] [CrossRef]
- Singha, S.; Thomas, M. Dielectric properties of epoxy nanocomposites. IEEE Trans. Dielectr. Electr. Insul. 2008, 15, 12–23. [Google Scholar] [CrossRef]
- Kumara, S.; Xu, X.; Hammarström, T.; Ouyang, Y.; Pourrahimi, A.M.; Müller, C.; Serdyuk, Y.V. Electrical characterization of a new crosslinked copolymer blend for DC cable insulation. Energies 2020, 13, 1434. [Google Scholar] [CrossRef]
- Wichmann, M.W.; Boyer, T.D.; Keller, C.T. Coil encapsulation with thermoplastic resins. In Proceedings of the Electrical Insulation Conference and Electrical Manufacturing and Coil Winding Conference, Rosemont, IL, USA, 25 September 1997; pp. 525–528. [Google Scholar]
- Melick, D.; Browning, D.; Shelton, K. Evaluation of electrical material properties: Embedment stress testing on electrical encapsulation resins. In Proceedings of the Electrical/Electronics Insulation Conference, Chicago, IL, USA, 4–7 October 1993; pp. 639–641. [Google Scholar]
- Vanga-Bouanga, C.; Savoie, S.; Frechette, M.F.; David, E. Modification of polyethylene properties by encapsulation of inorganic material. IEEE Trans. Dielectr. Electr. Insul. 2014, 21, 1–4. [Google Scholar] [CrossRef]
- Locatelli, M.-L.; Khazaka, R.; Diaham, S.; Pham, C.-D.; Bechara, M.; Dinculescu, S.; Bidan, P. Evaluation of encapsulation materials for high-temperature power device packaging. IEEE Trans. Power Electron. 2014, 29, 2281–2288. [Google Scholar] [CrossRef]
- Imperiale, I.; Reggiani, S.; Pavarese, G.; Gnani, E.; Gnudi, A.; Baccarani, G.; Ahn, W.; Alam, M.A.; Varghese, D.; Hernandez-Luna, A.; et al. Role of the Insulating fillers in the encapsulation material on the lateral charge spreading in HV-ICs. IEEE Trans. Electron. Devices 2017, 64, 1209–1216. [Google Scholar] [CrossRef]
- George, J.; Compagno, T.; Rodgers, K.; Waldron, F.; Barrett, J. Reliability of plastic-encapsulated electronic components in supersaturated steam environments. IEEE Trans. Components, Packag. Manuf. Technol. 2015, 5, 1423–1431. [Google Scholar] [CrossRef]
- Imai, T.; Sawa, F.; Nakano, T.; Ozaki, T.; Shimizu, T.; Kozako, M.; Tanaka, T. Effects of nano- and micro-filler mixture on electrical insulation properties of epoxy based composites. IEEE Trans. Dielectr. Electr. Insul. 2006, 13, 319–326. [Google Scholar] [CrossRef]
- Castellon, J.; Nguyen, H.; Agnel, S.; Toureille, A.; Frechette, M.; Savoie, S.; Krivda, A.; Schmidt, L.E. Electrical properties analysis of micro and nano composite epoxy resin materials. IEEE Trans. Dielectr. Electr. Insul. 2011, 18, 651–658. [Google Scholar] [CrossRef]
- Choudhury, M.; Mohanty, S.; Nayak, S.K.; Aphale, R. Preparation and characterization of electrically and thermally conductive polymeric nanocomposites. J. Miner. Mater. Charact. Eng. 2012, 11, 744–756. [Google Scholar] [CrossRef]
- van der Pol, J.A.; Rongen, R.T.H.; Bruggers, H.J. Model and design rules for eliminating surface potential induced failures in high voltage integrated circuits. Microelectron. Reliab. 2000, 40, 1267–1272. [Google Scholar] [CrossRef]
- Cornigli, D.; Reggiani, S.; Gnudi, A.; Gnani, E.; Baccarani, G.; Fabiani, D.; Varghese, D.; Tuncer, E.; Krishnan, S.; Nguyen, L. Characterization of dielectric properties and conductivity in encapsulation materials with high insulating filler contents. IEEE Trans. Dielectr. Electr. Insul. 2018, 25, 2421–2428. [Google Scholar] [CrossRef]
- Nationwide Plastics. Plastics for Electrical Insulation. Available online: https://www.nationwideplastics.net/industries/electrical-insulation/ (accessed on 7 March 2019).
- Vose, F.C.; Nichols, F.S. A polymer insulator for high-voltage transmission lines. Electr. Eng. 1963, 82, 684–688. [Google Scholar] [CrossRef]
- Pigini, A. Polymeric Materials for HV Insulators. Available online: https://www.inmr.com/polymeric-materials-insulators/ (accessed on 12 April 2021).
- Al-Gheilani, A.; Rowe, W.; Li, Y.; Wong, K.L. Stress Control Methods on a High Voltage Insulator: A Review. In Energy Procedia; Elsevier: Amsterdam, The Netherlands, 2017; Volume 110, pp. 95–100. [Google Scholar]
- Qasim, S.A.; Gupta, N. Functionally graded material composites for effective stress control in insulators. In Proceedings of the IEEE International Conference on Properties and Applications of Dielectric Materials; Institute of Electrical and Electronics Engineers Inc.: Sydney, Australia, 2015; pp. 232–235. [Google Scholar]
- Wang, F.; Zhang, P.; Gao, M.; Zhao, X.; Gao, J. Research on the non-linear conductivity characteristics of nano-Sic silicone rubber composites. In Proceedings of the Annual Report—Conference on Electrical Insulation and Dielectric Phenomena (CEIDP), Chenzhen, China, 20–23 October 2013; pp. 535–538. [Google Scholar]
- Li, S.; Yu, S.; Feng, Y. Progress in and prospects for electrical insulating materials. High Volt. 2016, 1, 122–129. [Google Scholar] [CrossRef]
Publisher’s Note: MDPI stays neutral with regard to jurisdictional claims in published maps and institutional affiliations. |
© 2021 by the authors. Licensee MDPI, Basel, Switzerland. This article is an open access article distributed under the terms and conditions of the Creative Commons Attribution (CC BY) license (https://creativecommons.org/licenses/by/4.0/).













