Abstract
The recent and continuous improvement in the transportation field provides several different opportunities for enhancing safety and comfort in passenger vehicles. In this context, Adaptive Cruise Control (ACC) might provide additional benefits, including smoothness of the traffic flow and collision avoidance. In addition, Vehicle-to-Vehicle (V2V) communication may be exploited in the car-following model to obtain further improvements in safety and comfort by guaranteeing fast response to critical events. In this paper, firstly an Adaptive Model Predictive Control was developed for managing the Cooperative ACC scenario of two vehicles; as a second step, the safety analysis during a cut-in maneuver was performed, extending the platooning vehicles’ number to four. The effectiveness of the proposed methodology was assessed for in different driving scenarios such as diverse cruising speeds, steep accelerations, and aggressive decelerations. Moreover, the controller was validated by considering various speed profiles of the leader vehicle, including a real drive cycle obtained using a random drive cycle generator software. Results demonstrated that the proposed control strategy was capable of ensuring safety in virtually all test cases and quickly responding to unexpected cut-in maneuvers. Indeed, different scenarios have been tested, including acceleration and deceleration phases at high speeds where the control strategy successfully avoided any collision and stabilized the vehicle platoon approximately 20–30 s after the sudden cut-in. Concerning the comfort, it was demonstrated that improvements were possible in the aggressive drive cycle whereas different scenarios were found in the random cycle, depending on where the cut-in maneuver occurred.
1. Introduction
Over the last few years, there has been a growing push towards intelligent transport systems (ITS) to achieve sustainable mobility. Advanced Driver-Assistance Systems (ADASs) provide an important help in achieving this goal, especially if equipped with technologies enabling a communication network with the surrounding environment. Indeed, by exploiting connectivity features, improvements in terms of driving safety and traffic congestion can be obtained. Connectivity is achieved through dedicated channels including vehicle-to-vehicle (V2V), vehicle-to-infrastructure (V2I), or vehicle-to-everything (V2X) communications. In particular, V2V allows the exchange of information between two or more vehicles. As an example, the dedicated short-range communications (DSRCs) standard can be adopted for the exchange of speed and acceleration trends among all vehicles. Depending on the direction of the information flow, several topologies may be identified. In the literature, predecessor-following, bidirectional predecessor-leader following, two predecessor-following, and two predecessor-leader following scenarios are typically detected [1,2,3]. Cooperative Adaptive Cruise Control (CACC) along with lane keeping are some prominent examples of ADASs exploiting V2V to achieve improvements in traffic flow throughput, safety, and energy consumption. CACC is particularly promising when platooning to guarantee the desired headway distance [4]. CACC basically combines adaptive cruise control (ACC) [5] characteristics (i.e., longitudinal dynamics control) and information coming from the surrounding vehicles [6]. Due to this combination, CACC results in greater accuracy, faster responses, and the string stability which cannot be always achieved by ACC.
Research efforts have demonstrated the ability to integrate these V2V-equipped systems into both vehicle design optimization and control frameworks. Focusing on the design, Anselma and Belingardi [7] proposed an off-line path following optimization procedure that considers V2V communication in a predecessor-following scenario. The obtained results demonstrate that potential enhancement in energy savings could derive from the integration of V2V information into the control strategy, thus enabling the rightsizing of the power sources in the design process. An example in the control field is provided in [8], where a robust model predictive control algorithm is introduced to succeed in managing CACC, even when data packet losses occur.
These systems should also ensure unchanged performances and quick responses even to dangerous and unexpected maneuvers (such as sudden lane changes), avoiding fatal collisions and accidents. An example could be the cut-in maneuver which destabilizes the platoon, forcing the following vehicles to abruptly brake, hence risking to either rear-end the vehicle that operated the lane change action or to be rear-ended from the vehicles immediately behind. Furthermore, the occurrence of these situations makes the design of the CACC system highly complex as the vehicles should also be able to return to a stable condition in a very short time [8]. However, the effective handling of these maneuvers is still an open question and several solutions have been proposed in the literature. Different control algorithms could be employed in this field, including rule-based, optimization-based, and learning-based strategies, all having diverse strengths and weaknesses [9]. Rule-based algorithms are easy to implement but generally lack optimality and require a heavy calibration effort to be effective in different driving situations. In [10], a rules-based strategy has been implemented in highway mergers at several speeds to ensure safety in diverse conditions. The results are compared with a reference benchmark based on mixed integer linear programming (MILP). They found that as the complexity of the problem increases, the performance of the controller deteriorates. Among the methods that potentially approach optimality, artificial intelligence-based algorithms have undergone considerable development in recent years [11,12]. As an example, in [11], different supervised learning algorithms used for the identification of cut-in maneuvers are compared and optimal performances are found in the Gradient Boosting algorithm. However, their robustness and real-time implementation are still open points due to their computational burden.
Concerning the real-time application as well as the ability to manage different driving situations while maintaining an optimization-based control logic, Model Predictive Control of is one of the most effective methods. The reasons lie in its characteristics along with the operating logic. Indeed, the MPC is based on a receding horizon control strategy. This family of controllers use a model of a system to derive the optimal controls (or inputs) for a defined prediction horizon by minimizing a certain objective function, subjected to constraints. This function is quadratic and considers mainly the error between the output and reference signals, as will be highlighted in the following sections. Although the general operating principle remains the same, different types of MPC can be found in the literature, including non-linear MPC (NMPC), robust MPC, and adaptive MPC. More precisely, NMPC employs a nonlinear model of the system and often requires high computational effort, whereas robust MPC is designed to handle unmeasured disturbance acting on the system [13].
Kazemi et al. [14] propose a learning-based stochastic model predictive control algorithm to manage cut-in actions when platooning. A pipeline of artificial neural networks (ANNs) derives the driver behavior and predicts lane change operations. Then, the cut-in probability is integrated into the MPC-based control framework. In [15], a non-linear MPC system capable of managing cut-in and cut-out operations is demonstrated for a heterogeneous vehicle platoon, highlighting the controller’s ability to fulfil safety and comfort requirements in addition to fuel economy capabilities.
However, to the authors’ knowledge, most of the studies may be computationally demanding and might not always be implemented in real time operations. Moreover, they may require a large pool of information that may not always be available, especially when dealing with artificial intelligent algorithms that have to be trained for various scenarios. Therefore, an alternative approach is necessary.
The purpose of this study is to implement and test a simple yet effective control strategy capable of ensuring safety in unexpected and sudden maneuvers that destabilize a platoon of three Battery Electric Vehicles (BEVs). This controller could be implemented along with advanced sensors and does not need any particular tuning to be effective in any scenario, improving its advantages. The strategy is based on an Adaptive Model Predictive Control (AMPC) algorithm for platoon safety enhancement. More specifically, modifications to the model proposed in [14] were made and proved to be effective in simplifying the problem, while still retaining the model robustness as well as allowing for the expected safety enhancement. The various scenarios are simulated using a high-fidelity model in a Simulink® environment and the controller is developed exploiting the Model Predictive Control Toolbox™ [16].
The choice of a linear adaptive MPC stems from the reduced computational effort required compared to a non-linear strategy. Indeed, the former can be solved using quadratic programming, whereas for the latter it is necessary to develop highly complex and therefore computationally expensive algorithms. As an example, in [17], a NMPC based on a real-time scheme is analyzed and compared to the performance of a linear MPC based on quadratic programming; they demonstrated that comparable computational efforts can be achieved, but dedicated and more sophisticated algorithms need to be developed. However, these objectives are beyond the scope of this article and could be implemented in future works.
In the present study, the prediction model is adapted considering the different operating conditions that may arise. More precisely, the Adaptive MPC uses a fixed system model; nonetheless, the parameters change over time. At the beginning of each control interval, the prediction is made considering an appropriate model for the conditions in which it is found [16]. This structure is generally used when the plant is non-linear or holds characteristics that change over time, assuming that over a reduced time interval the plant is approximately linear. This hypothesis was adopted to avoid worsening the computation effort required, guaranteeing fast responses in the analyzed driving scenarios. The performances of the proposed approach are evaluated for different driving missions with extremely aggressive driving sections, maintaining the required safety distances even at high speed cut-in situations.
The remainder of this article is presented as follows: The first section of the paper is devoted to the BEV numerical model to exhaustively illustrate the adopted equations. Then, the MPC-based framework is presented along with the state space system used to describe the platoon scenario. Finally, the obtained results are discussed and the conclusions of the work are inferred.
2. Methodology
The current investigation involved three vehicles travelling along the same road (where no gradient has been considered), where the two followers are controlled to perform Cooperative ACC. In the present section, the vehicle powertrain is specified along with the general equations used. Then, the control strategy adopted by the followers is introduced and particular attention is paid to the procedure implemented to guarantee the vehicles’ string stability and safety.
2.1. Vehicle Modelling
A Battery Electric Vehicle (BEV) has been chosen for the purpose of this study. This type of powertrain exploits the electrical power supplied by a battery and transforms it into mechanical power by means of an Electrical Machine (EM).
The main data regarding the passenger vehicle, the EM, and the battery are found in Table 1 and are extracted from [18,19,20] considering a Fiat 500e model 2020.
Table 1.
Vehicle, electrical machine, and battery characteristics.
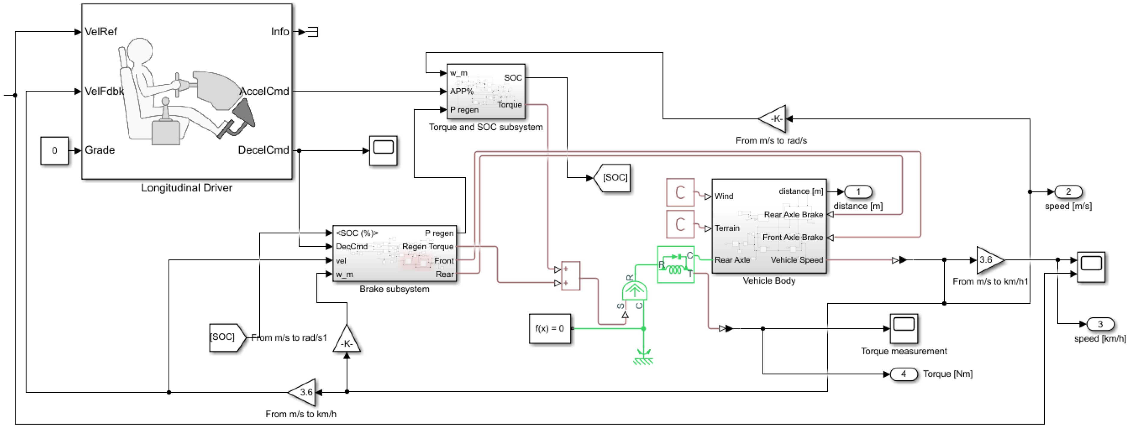
In order to simulate the behavior of each vehicle, a BEV model has been implemented in Simulink® and its’ blocks are found in Figure 1. The model involves a Longitudinal Driver block (i.e., a Proportional-Integrative Controller) which exploits velocity and acceleration of the selected drive cycle to output an acceleration/deceleration command; it is basically a percentage indicating the pedal position of either the accelerator or the brake; therefore, the higher the value the more aggressive the driving behavior. This information is then provided to two different customized blocks that compute either the tractive power request to the battery or the regenerative braking torque, accordingly to the command. Once the battery power request is known, it can be exploited to compute the diverse electrical parameters (i.e., internal resistance, open-circuit voltage, and current) and, finally, the variation in State of Charge (SOC). All the equations used are found in Section 2.2.
Figure 1.
Battery Electric Vehicle implementation on Simulink®.
The accelerator pedal position (APP) is also exploited to compute the EM torque propelled, which is later fed to the tires (modelled by means of the Pacejka formula) [21]. The actual vehicle velocity is used by the driver model to minimize the error with the reference value, hence closing the control loop.
2.2. Battery and EM Modelling
As aforementioned, a customized block (namely the Torque and SOC subsystem in Figure 1) has been developed in order to simulate the electrical behavior of the powertrain. The inputs required are the rotational speed of the EM, which depends on the vehicle velocity and the transmission, and the APP percentage. These parameters are used to compute the EM torque , which is then exploited to compute the battery power request , as follows:
where is the rotational speed of the EM, holds for the electrical power losses, and is the auxiliary power request (i.e., the power needed to run auxiliary components). In the present study, such power absorption is set to 500 W. Once the battery power request is calculated, it can be exploited along with the actual SOC to find the internal resistance and the open-circuit voltage . These two values are then used to compute the current flowing through the battery , exploiting the equivalent battery model [22,23], as found in Equation (2):
Finally, the variation in SOC is calculated:
where is the maximum capacity of the battery, expressed in ampere-seconds. The integral is solved using the integrator block available in Simulink®.
2.3. Control Problem Definition
The scenario studied in this research is the Cooperative Adaptive Cruise Control. For simplicity, only the longitudinal dynamic is considered, whereas any impact on the lateral motion is neglected. In CACC, a string of vehicles travel along the same road lane and might communicate diverse information via V2V technologies, thus ensuring platoon stability and safety. In order to explain the dynamic relationships among the string, we can start considering the lead-following vehicles framework. Herein, these two have an inter-vehicular distance whose desired value (also referred to as reference value) is computed using the following formula [14,24]:
where is the standstill spacing (i.e., the desired distance when the velocity of the platoon is null), is the time gap that ensures a reasonable degree of safety, given that the higher the velocity of the following vehicle, the larger the desired distance, and is the velocity of the i-th vehicle. By comparing the reference value to the actual one, it is possible to compute the spacing error as follows:
where is the real distance between the two vehicles, and are the actual position of the lead and following vehicles, respectively, and is the spacing error. An exhaustive description of the dynamics of the i-th vehicle can be provided by the following linearized system:
where: all the derivatives are to be considered over time, is the derivative of the spacing error, is the velocity of the preceding vehicle, is the acceleration of the follower, and are the acceleration of the lead and following vehicles, respectively, is the variation in acceleration of the i-th vehicle, τ is the driveline time constant (i.e., 0.1 s in this article), and is the control input provided by the controller. The state space equation of this system can therefore be written as:
in which is the derivative of the state vector and represent the evolution of the system, and are the state and output vectors, respectively, and can be found below along with the state matrices:
In order to solve the system and obtain an optimal control strategy, the Adaptive Model Predictive Control is computed via the Matlab/Simulink Toolbox ™ [16]. Moreover, in order to allow for optimal handling of the control input, the system is discretized using the Euler forward method with fixed time step . Hence, the state space formulation in (8) and the corresponding matrices become:
in which is the current time sample. It is worth mentioning that the communication channel is considered ideal and therefore does not involve any time delay or package loss.
The optimal control input at the current time sample is computed as the one minimizing the cost function [25]:
where: and are appropriate weights applied to the corresponding terms, is the target outputs vector, which are initially set to zero (i.e., both the spacing error and the relative velocity between the two vehicles should be zero at the beginning of the simulation), is the prediction horizon, and and are the slack variable and the corresponding weight, used to quantify the worst case constraint violation. Hence, the optimal control input is defined as:
in which the constraints applied to the spacing error and the relative velocity are set as soft ones whereas the constraint on the acceleration is of the hard type.
It is worth pointing out that no time delay in the controller has been considered in this work due to the fact that it is out of the scope of this article.
2.4. Safety Enhancement in Cut-In Maneuvers
The main objective of this study is to enhance safety during a sudden cut-in maneuver for three platooning vehicles. The made up scenario embeds a fourth vehicle that at a certain time step enters the platoon between the leader and the first following vehicle (also referred to as I follower). The second follower is itself being controlled by the Adaptive MPC, as explained in the section above, and the goal is to avoid collision between I and II followers in the cut-in phase. For sake of clarity, the scenario just presented is illustrated in Figure 2. In order to avoid any collision and ensure safety, two major changes have been applied to the control strategy of the I follower.
Figure 2.
Platooning scenario: lead vehicle (in red) preceding the two followers (in grey) and the cut-in vehicle (in green), which is about to suddenly switch lanes.
The spacing error between the I follower and the lead vehicle was computed, modifying the approach proposed in [14]:
where is a binary term that is null and switches to 1 when a possible cut-in maneuver is detected, and is a parameter large enough to nullify the exponential when is equal to 1. Thus, using this modified version of the formula, the spacing error fed to the MPC is larger when the fourth vehicle is cutting into the platoon, and, as a consequence, the cost function drastically increases. Therefore, the controller starts to decelerate the I follower before the cut-in maneuver occurs, avoiding any possible collision in the string. The formulation of is one of the novelties introduced by the present research; it basically holds for the cut-in probability and could eventually result from a cut-in detection technology. However, development of this system is out of the scope of this research, and some examples are already found in the literature [26,27]. The computation of has been modified to achieve a more flexible strategy capable of enhancing safety even when a limited amount of data is available and/or when the AI based algorithm may fail in providing this cut-in probability.
The second change applied to the strategy controlling the I follower is the variation in the target spacing error. As already mentioned, at the beginning, the values in were both null in order to closely follow the targets. However, by increasing the first term of the vector (i.e., the one referring to the target spacing error), the I follower vehicle actually moves slightly further away from the leader, hence resulting in larger flexibility and higher safety. The variation on target spacing error is numerically small (i.e., 3 m for the purpose of the present study).
Moreover, such variation is gradually achieved through a soft ramp not to worsen the passenger comfort. As a follow up, the previously explained logic could eventually be triggered by advanced sensors driven by the value or via V2X communications, in the case of detected incoming vehicles close to the platoon.
The aforementioned modifications allow the proposed strategy to be simple (i.e., not requiring any advanced algorithm to properly work) and at the same time effective, enhancing safety and avoiding any collision during a sudden cut-in maneuver, as demonstrated in the next section.
3. Results
As previously discussed, the research aims at enhancing safety during a cut-in maneuver while platooning. In order to test the proposed controller and prove its robustness, two aggressive cycles have been considered, namely the Supplemental Federal Test Procedure US06 and a random cycle (generated using a Random Cycle Generator software [28]). The main characteristics of the second cycle are provided in Table 2, whereas the entire drive cycle is found in Appendix A in Figure A2 (see also Figure A1 for the speed profile of the US06).
Table 2.
Main properties of the Random Cycle.
It is worth mentioning that the cut-in vehicle is also controlled by the Adaptive Model Predictive Control explained in the section above, without the modifications proposed to enhance the safety, which are in turn applied to the I follower control strategy.
The cut-in maneuver has been tested in different time instants in both drive missions to exhaustively address safety in diverse scenarios. In the following section, four cases are illustrated:
- Two involve the sudden cut-in maneuver occurring at high velocity, yet in an approximately coasting phase (i.e., the vehicles are at a constant speed and no steep changes in velocity are found).
- Two embed the aggressive cut-in maneuver to occur in dangerous conditions, including an aggressive acceleration in the Random cycle and a steep deceleration in the US06.
For the sake of conciseness, the latter scenarios are discussed and illustrated in the following part, whereas the first two frameworks are briefly discussed, and the figures are found only in Appendix A (Figure A3 and Figure A4).
Regarding the cut-in maneuvers occurring in a coasting phase, the two scenarios are discussed together, due to their similarity. In both drive cycles, it can be observed how as soon as the I follower perceives the vehicle entering the platoon it decelerates for about 5 s. This deceleration allows the I follower to increase the distance again with respect to its predecessor up to 40 m, and avoid any collision between the two.
Concerning instead the II follower, it decreases its speed at a lower rate than the I following vehicle, and safely handles the sudden cut-in without any rear-end collision. As illustrated in Figure A3 and Figure A4 (in Appendix A), the new equilibrium following the insertion of the cut-in vehicle is reached approximately after 20 s, confirming the quality of the proposed control strategy.
It is worth focusing on the aggressive and highly dangerous phases considered in the study, which, in the authors’ opinion, provide better insight into the quality of the proposed strategy. Figure 3 reports the safety analysis for the cut-in occurring during an aggressive acceleration in the Random Cycle. More specifically, Figure 3a depicts the speed profiles in the Random Cycle of the three platooning vehicles along with the cut-in one (refer to the legend for the trace colors). The cut-in is clearly marked by the vertical dashed line and occurs at 2488 s, in the middle of an aggressive acceleration. As soon as the I follower (blue trace) perceives the vehicle cutting-into the platoon, it starts to decelerate at the maximum rate (i.e., 3 m/s2), whereas the II follower (green trace) easily avoids any accident by lowering its velocity at a moderate rate. Figure 3a also highlights that the stability of the new string is reached roughly 30 s after the cut-in occurs. The noticeable overshoot in speeds of both the I and II following vehicles is mainly due to the fact that the control strategy aims at minimizing the spacing error, and hence, will consistently accelerate both vehicles once the cut-in maneuver is over.
Figure 3.
Safety analyses of the aggressive acceleration phase of the Random Cycle: (a) speed traces of the four vehicles (i.e., the three vehicles platooning and the fourth cutting in vehicle (in red)), (b) actual and reference inter-vehicular distances between the I follower and its preceding vehicle, and (c) actual and reference inter-vehicular distances between II and I followers.
Figure 3b,c display information on the real and reference inter-vehicular distances between I follower and its preceding vehicle and II and I followers, respectively. It is worth observing that when referring to the I follower, the distance is measured with respect to the leader vehicle afore the cut-in maneuver is performed, whereas it subsequently switches to the distance between the I follower and the cut-in vehicle in the remaining portion of the cycle. The traces prove that the proposed strategy allows the I follower to be appropriately distant from the lead vehicle and to bear the cut-in without causing any accident.
Similarly, Figure 4 reports the safety analysis for the cut-in occurring during the deceleration phase in the US06 drive mission. All of the charts and traces retain the same meaning as for Figure 3. More specifically, Figure 4a illustrates the vehicles’ speed profiles in the US06, whereas Figure 4b provides a zoomed time window in the neighborhood of the cut-in maneuver occurring at 473 s. The I follower sharply decelerates as soon as the sudden event occurs (Figure 4b, reaching the minimum value of 3 m/s2). As far as the inter-vehicular distance between the I follower and its preceding vehicle (Figure 4c) is concerned, it is worth observing that the abrupt change is promptly balanced by the proposed strategy.
Figure 4.
Safety analyses on the aggressive deceleration phase of the US06 drive mission: (a) speed traces of the four vehicles (i.e., the three vehicles platooning and the fourth cutting in vehicle (in red)), (b) zoomed time window of the four vehicles speed profiles, (c) actual and reference inter-vehicular distances between the I follower and its preceding vehicle (i.e., the leader until the cut-in maneuver occurs and then the cut-in vehicle), and (d) actual and reference inter-vehicular distances between II and I followers.
Referring to the II follower, its deceleration mildly increases while avoiding the collision, still remaining close to the reference distance (Figure 4d). Overall, the platoon reaches the new equilibrium in about 20 s. As demonstrated in virtually all cases, the proposed safety enhancer strategy avoids a rear-end collision between II and I followers when the fourth vehicle suddenly moves into the platoon.
In order to provide an exhaustive analysis of the strategy general performances, a brief study on comfort has been also performed. In doing so, the root mean square value of the accelerations has been considered throughout the entire cycle for the three vehicles that were originally platooning. The precise values are presented in Table 3 along with the relative variation with respect to the lead vehicle (in brackets), for the two extreme test cases presented.
Table 3.
Comfort analysis results.
As illustrated, there is a substantial improvement in comfort when simulating the US06, especially when considering the II follower. On the random cycle instead, a worsening value arises for the acceleration of the I follower. This is mainly to be ascribed to the fact that the cut-in maneuver occurs at high speed during an acceleration phase; thus, the sudden deceleration of the I follower to respond to the cut-in decreases the comfort. Indeed, if we compute the comfort of the lead and I following vehicles up to the cut-in event, similar values arise and the latter even proves for a slight improvement in the driving comfort. Thus, the worsened value derived for the entire cycle is basically to be attributed to the instantaneous response of the I follower to the cut-in maneuver.
4. Conclusions
Safety enhancement in the transportation field is of crucial interest nowadays due to the innovative technologies and sensors being used in recent vehicles.
This study presented the design of a simple yet effective strategy exploiting an Adaptive Model Prediction Control algorithm to improve safety. The quality of the proposed controller has been tested in a three Battery Electric Vehicles platoon on two different and aggressive cycles, namely the US06 and a Random mission (generated using a Random Cycle Generator software). All the scenarios have been tested on a high-fidelity vehicle model implemented in Simulink®, ensuring the robustness of the control strategy.
The strategy succeeded in avoiding accidents deriving from a sudden cut-in maneuver in virtually all test cases. Compelling evidence of the control strategy quality is also provided by the two aggressive scenarios proposed, including a cut-in occurring at high speeds while accelerating and a second cut-in happening when decelerating. A comfort analysis has also been performed, demonstrating that the sudden response to the cut-in maneuver worsens the driving conditions when referring to the I follower. Still, in the US06, both following vehicles have demonstrated improved performance in comfort with respect to the leader.
The proposed strategy could be applied in different frameworks, ensuring safety in a vehicle string without requiring any advanced technology. It could be utilized along with sensors capable of detecting possible cut-ins, already found in literature, and it could avoid rear-end collisions in a variety of different scenarios, even at high speeds.
Future works might include a larger number of vehicles platooning to study the response of each of them during a sudden maneuver. Moreover, it could be interesting to consider both longitudinal and lateral dynamics and analyze the controller response when the cut-in maneuver occurs during a curve. Finally, V2X solutions may be interfaced to the proposed strategy to further check on its robustness.
Author Contributions
Conceptualization: M.S., A.M. and D.A.M.; data curation, A.C.; formal analysis, A.C. and A.M.; investigation, A.C., M.S. and A.M.; methodology, A.C., M.S., A.M. and D.A.M.; project administration, G.T. and D.A.M.; software, A.C. and M.S.; supervision, G.T. and D.A.M.; validation, M.S., G.T. and D.A.M.; visualization, A.C. and M.S.; writing—original draft, A.C., M.S. and A.M.; writing—review & editing, G.T. and D.A.M. All authors have read and agreed to the published version of the manuscript.
Funding
This research received no external funding.
Institutional Review Board Statement
Not applicable.
Informed Consent Statement
Not applicable.
Data Availability Statement
Not applicable.
Conflicts of Interest
The authors declare no conflict of interest.
Appendix A
Figure A1.
Speed profile over time of the aggressive US06 drive cycle.
Figure A1.
Speed profile over time of the aggressive US06 drive cycle.

Figure A2.
Speed profile over time of the Random Cycle generated using the TNO software.
Figure A2.
Speed profile over time of the Random Cycle generated using the TNO software.

Figure A3.
Safety analyses on a coasting phase of the Random Cycle: (a) speed traces of the four vehicles (i.e., the three vehicles platooning and the fourth cutting in vehicle (in red)), (b) actual and reference inter-vehicular distances between the I follower and its preceding vehicle (i.e., the leader until the cut-in maneuver occurs and then the cut-in vehicle), and (c) actual and reference inter-vehicular distances between II and I followers.
Figure A3.
Safety analyses on a coasting phase of the Random Cycle: (a) speed traces of the four vehicles (i.e., the three vehicles platooning and the fourth cutting in vehicle (in red)), (b) actual and reference inter-vehicular distances between the I follower and its preceding vehicle (i.e., the leader until the cut-in maneuver occurs and then the cut-in vehicle), and (c) actual and reference inter-vehicular distances between II and I followers.

Figure A4.
Safety analyses on a coasting phase of the US06 drive mission: (a) speed traces of the four vehicles (i.e., the three vehicles platooning and the fourth cutting in vehicle (in red)), (b) actual and reference inter-vehicular distances between the I follower and its preceding vehicle (i.e., the leader until the cut-in maneuver occurs and then the cut-in vehicle), and (c) actual and reference inter-vehicular distances between II and I followers.
Figure A4.
Safety analyses on a coasting phase of the US06 drive mission: (a) speed traces of the four vehicles (i.e., the three vehicles platooning and the fourth cutting in vehicle (in red)), (b) actual and reference inter-vehicular distances between the I follower and its preceding vehicle (i.e., the leader until the cut-in maneuver occurs and then the cut-in vehicle), and (c) actual and reference inter-vehicular distances between II and I followers.

References
- Zheng, Y.; Eben Li, S.; Wang, J.; Cao, D.; Li, K. Stability and Scalability of Homogeneous Vehicular Platoon: Study on the Influence of Information Flow Topologies. IEEE Trans. Intell. Transp. Syst. 2016, 17, 14–26. [Google Scholar] [CrossRef] [Green Version]
- Swaroop, D.; Hedrick, J.K. Constant Spacing Strategies for Platooning in Automated Highway Systems. J. Dyn. Syst. Meas. Control 1999, 121, 462–470. [Google Scholar] [CrossRef]
- Wang, Z.; Wu, G.; Barth, M.J. A Review on Cooperative Adaptive Cruise Control (CACC) Systems: Architectures, Controls, and Applications. In Proceedings of the 21st International Conference on Intelligent Transportation Systems (ITSC), Maui, HI, USA, 4–7 November 2018; pp. 2884–2891. [Google Scholar]
- Van De Hoef, S.; Johansson, K.H.; Dimarogonas, D.V. Coordinating Truck Platooning by Clustering Pairwise Fuel-Optimal Plans. In Proceedings of the 2015 IEEE 18th International Conference on Intelligent Transportation Systems, Gran Canaria, Spain, 1–15 September 2015; pp. 408–415. [Google Scholar]
- Anselma, P.G. Optimization-Driven Powertrain-Oriented Adaptive Cruise Control to Improve Energy Saving and Passenger Comfort. Energies 2021, 14, 2897. [Google Scholar] [CrossRef]
- Shladover, S.E.; Nowakowski, C.; Lu, X.-Y.; Ferlis, R. Cooperative Adaptive Cruise Control: Definitions and Operating Concepts. Transp. Res. Rec. 2015, 2489, 145–152. [Google Scholar] [CrossRef]
- Anselma, P.G.; Belingardi, G. Enhancing Energy Saving Opportunities through Rightsizing of a Battery Electric Vehicle Powertrain for Optimal Cooperative Driving. SAE Int. J. Connect. Autom. Veh. 2020, 3, 71–83. [Google Scholar] [CrossRef]
- Van Nunen, E.; Verhaegh, J.; Silvas, E.; Semsar-Kazerooni, E.; van de Wouw, N. Robust Model Predictive Cooperative Adaptive Cruise Control Subject to V2V Impairments. In Proceedings of the 2017 IEEE 20th International Conference on Intelligent Transportation Systems (ITSC), Yokohama, Japan, 16–19 October 2017; pp. 1–8. [Google Scholar]
- Tran, D.-D.; Vafaeipour, M.; El Baghdadi, M.; Barrero, R.; Van Mierlo, J.; Hegazy, O. Thorough State-of-the-Art Analysis of Electric and Hybrid Vehicle Powertrains: Topologies and Integrated Energy Management Strategies. Renew. Sustain. Energy Rev. 2020, 119, 109596. [Google Scholar] [CrossRef]
- Ding, J.; Li, L.; Peng, H.; Zhang, Y. A Rule-Based Cooperative Merging Strategy for Connected and Automated Vehicles. IEEE Trans. Intell. Transp. Syst. 2020, 21, 3436–3446. [Google Scholar] [CrossRef]
- Bouhoute, A.; Mosbah, M.; Zemmari, A.; Berrada, I. On the Application of Machine Learning for Cut-in Maneuver Recognition in Platooning Scenarios. In Proceedings of the 2020 IEEE 91st Vehicular Technology Conference (VTC2020-Spring), Antwerp, Begium, 25–28 May 2020; pp. 1–5. [Google Scholar]
- Popescu, V.; Nedevschi, S. Cut-in Maneuver Recognition and Behavior Generation Using Bayesian Networks and Fuzzy Logic. In Proceedings of the 2012 IEEE 8th International Conference on Intelligent Computer Communication and Processing, Cluj-Napoca, Romania, 30 August–1 September 2012; pp. 123–130. [Google Scholar]
- Bemporad, A.; Morari, M. Robust Model Predictive Control: A Survey. In Proceedings of the Robustness in Identification and Control; Garulli, A., Tesi, A., Eds.; Springer: London, UK, 1999; pp. 207–226. [Google Scholar]
- Kazemi, H.; Mahjoub, H.N.; Tahmasbi-Sarvestani, A.; Fallah, Y.P. A Learning-Based Stochastic MPC Design for Cooperative Adaptive Cruise Control to Handle Interfering Vehicles. IEEE Trans. Intell. Veh. 2018, 3, 266–275. [Google Scholar] [CrossRef] [Green Version]
- Basiri, M.H.; Ghojogh, B.; Azad, N.L.; Fischmeister, S.; Karray, F.; Crowley, M. Distributed Nonlinear Model Predictive Control and Metric Learning for Heterogeneous Vehicle Platooning with Cut-in/Cut-out Maneuvers. In Proceedings of the 2020 59th IEEE Conference on Decision and Control (CDC), Jeju Island, Korea, 14–18 December 2020; pp. 2849–2856. [Google Scholar]
- Adaptive MPC—MATLAB & Simulink. Available online: https://www.mathworks.com/help/mpc/ug/adaptive-mpc.html (accessed on 2 July 2021).
- Gros, S.; Zanon, M.; Quirynen, R.; Bemporad, A.; Diehl, M. From Linear to Nonlinear MPC: Bridging the Gap via the Real-Time Iteration. Int. J. Control 2016, 93, 1–19. [Google Scholar] [CrossRef]
- FCA NorthAmerica 2019 Fiat 500e Specifications. Available online: https://media.fcanorthamerica.com/download.do?id=20137 (accessed on 18 June 2021).
- United States Environmental Protection Agency. Data on Cars Used for Testing Fuel Economy. Available online: https://www.epa.gov/compliance-and-fuel-economy-data/data-cars-used-testing-fuel-economy (accessed on 18 June 2021).
- THE NEW FIAT 500: ALL-NEW, ALL-ELECTRIC, ALL CINQUECENTO. Available online: http://www.media.stellantis.com/uk-en/fiat/press/the-new-fiat-500-all-new-all-electric-all-cinquecento (accessed on 12 August 2021).
- Pacejka, H.B.; Besselink, I.J.M. Magic Formula Tyre Model with Transient Properties. Veh. Syst. Dyn. 1997, 27, 234–249. [Google Scholar] [CrossRef]
- He, H.; Xiong, R.; Fan, J. Evaluation of Lithium-Ion Battery Equivalent Circuit Models for State of Charge Estimation by an Experimental Approach. Energies 2011, 4, 582–598. [Google Scholar] [CrossRef]
- Maino, C.; Misul, D.; Musa, A.; Spessa, E. Optimal Mesh Discretization of the Dynamic Programming for Hybrid Electric Vehicles. Appl. Energy 2021, 292, 116920. [Google Scholar] [CrossRef]
- Yanakiev, D.; Kanellakopoulos, I. Nonlinear Spacing Policies for Automated Heavy-Duty Vehicles. IEEE Trans. Veh. Technol. 1998, 47, 1365–1377. [Google Scholar] [CrossRef]
- Optimization Problem—MATLAB & Simulink. Available online: https://www.mathworks.com/help/mpc/ug/optimization-problem.html (accessed on 6 July 2021).
- Carvalho, A.; Williams, A.; Lefèvre, S.; Borrelli, F. Autonomous Cruise Control with Cut-in Target Vehicle Detection. In Advanced Vehicle Control AVEC’16; CRC Press: Boca Raton, FL, USA, 2017; pp. 93–98. [Google Scholar]
- Choi, K.; Jung, H.G. Cut-in Vehicle Warning System Exploiting Multiple Rotational Images of SVM Cameras. Expert Syst. Appl. 2019, 125, 81–99. [Google Scholar] [CrossRef]
- Random Cycle Generator. Available online: https://www.tno.nl/en/focus-areas/traffic-transport/roadmaps/sustainable-traffic-and-transport/sustainable-mobility-and-logistics/improving-air-quality-by-monitoring-real-world-emissions/random-cycle-generator/ (accessed on 8 July 2021).
Publisher’s Note: MDPI stays neutral with regard to jurisdictional claims in published maps and institutional affiliations. |
© 2021 by the authors. Licensee MDPI, Basel, Switzerland. This article is an open access article distributed under the terms and conditions of the Creative Commons Attribution (CC BY) license (https://creativecommons.org/licenses/by/4.0/).



