Power Transfer Control Strategy Based on True Bipolar MMC-MTDC System
Abstract
:1. Introduction
2. MMC-MTDC System and Its Power Transfer Conditions
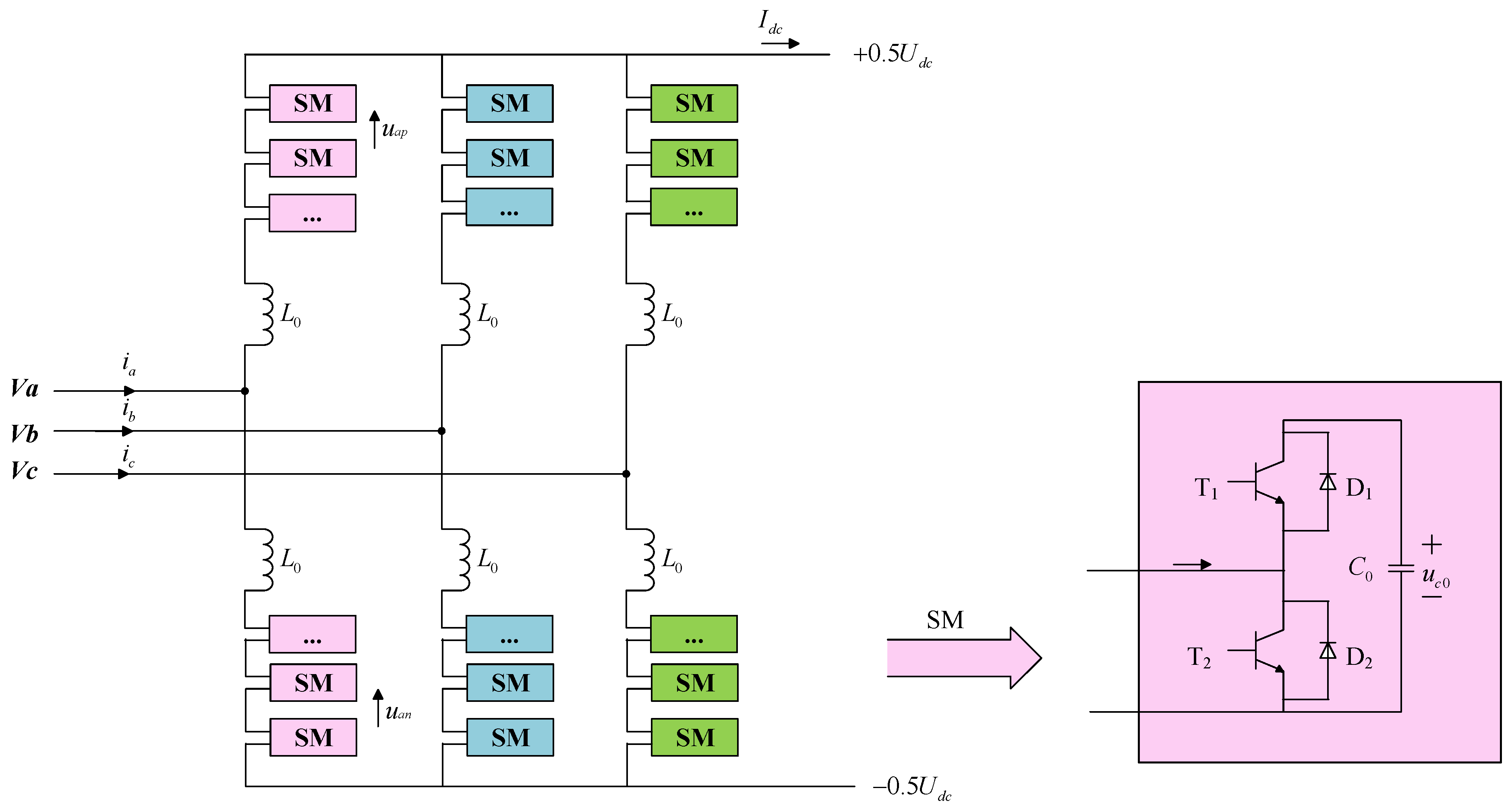
2.1. Basic Working Principle of MMC
2.2. Typical True Bipolar MMC-MTDC System
2.3. True Bipolar MMC-MTDC Operation Mode
- Bipolar ground operation with metal loop. Metal loop can provide unbalanced current path, and both positive and negative converter stations can operate independently through the metal loop. The bipolar MMC-MTDC system is equivalent to two independent loop networks and has the condition of power transfer.
- Bipolar with metal-free loop grounding operation. Metal-free loop layer provides current path, and positive and negative converter stations run in series. The bipolar MMC-MTDC system is equivalent to a ring network and does not have the condition of power transfer.
- Unipolar with metal loop ground operation. The fault pole is out of operation, and the non-fault pole provides the current loop through the metal loop, which is equivalent to the monopole MMC-MTDC system and does not have the condition of power transfer.
2.4. True Bipolar MMC-MTDC Control Mode
- When both the upper and lower stages of the converter station adopt bipolar control mode, the power reference value of the converter station can be equally distributed between the upper and lower stages of the converter station.
- When the unipolar/bipolar mixed control mode is used, the power reference value of the unipolar control mode of the converter station is independently controlled, and the power reference value of the bipolar control mode of the converter station is the total power reference value of the bipolar. When the unipolar converter station of bipolar control mode fails, the power transfer cannot be carried out.
- When both the upper and lower stages of the converter station adopt unipolar control mode, the power reference values of the upper and lower levels of the converter station are independently controlled, and the power transfer cannot be carried out in this control mode.
3. Power Transfer Control Strategy
3.1. DC Line Fault
3.2. Converter Station Fault
3.2.1. Inter-Polar Power Transfer Control Strategy
3.2.2. Inter-Station Power Control Strategy
4. Simulation Verification of Power Transfer Control Strategy
4.1. DC Line Fault Simulation
4.2. Fault Simulation of Converter Station
4.2.1. Simulation Analysis of Inter-Pole Power Transfer
4.2.2. Simulation Analysis of Inter-Station Power Transfer
5. Conclusions
- In the case of single-pole line fault, considering the two factors of line transmission power margin and the power margin of converter station’s power transfer, the power reference value of converter station at the sending end can be adjusted cooperatively to transfer the overloaded power of fault pole to the non-fault pole effectively, so that both the upper and lower poles can operate normally and stably.
- In the case of converter station fault, considering that the inter-pole power transfer is preferred to the inter-station power transfer, the power transmission capacity of the system can be effectively improved, and the system generator tripping and load shedding can be reduced. To a certain extent, the transition of the system to a stable state is accelerated, and the stability of the system is improved.
- In the true bipolar MMC-MTDC system, the priority of the power margin of the converter station should be considered when carrying out inter-station power transfer. The converter station with large power margin has the priority to carry out power transfer, which can reduce the participation of the converter station and improve the reliability of the system.
Author Contributions
Funding
Institutional Review Board Statement
Informed Consent Statement
Data Availability Statement
Acknowledgments
Conflicts of Interest
References
- Xing, C.D. Design of neutron module controller for MMC control system. Power Syst. Prot. Control. 2016, 44, 114–121. (In Chinese) [Google Scholar]
- Yang, S.; Xiang, W.; Yang, R.Z.; He, Y.J.; Wen, J.Y. Research on adaptive reclosing technology for the half-bridge MMC and hybrid DC circuit breaker based on HVDC systems. Proc. CSEE 2020, 40, 4440–4451. (In Chinese) [Google Scholar]
- Jiang, C.B.; Yu, Y.J.; Wang, X.; Zhao, C.Y. Fault current active transfer MMC for DC power grid. Power Syst. Technol. 2021, 45, 170–178. (In Chinese) [Google Scholar]
- Li, G.; Liu, X.; Zhang, S.; Jiang, T.; Chen, H.; Li, X. Calculation method of short-circuit fault current at TWBS-HVDC side based on MMC. Autom. Electric Power Syst. 2020, 44, 91–100. (In Chinese) [Google Scholar]
- Lv, J.; Wu, Z.; Dou, X.; Chen, Q.; Yang, J.; Xiao, X. Protection strategy of inter-pole short-circuit fault in medium-voltage DC distribution network based on MMC. Electr. Power Eng. Technol. 2019, 39, 43–50. (In Chinese) [Google Scholar]
- Wang, H. VSG based control technology of HVDC inverter side MMC. J. Chang. Inst. Technol. 2019, 33, 52–56. (In Chinese) [Google Scholar]
- Tang, G.F. HVDC Transmission Technology Based on Voltage Source Converter; Electric Power Press: Beijing, China, 2010. (In Chinese) [Google Scholar]
- Liu, B. Research on Coordinated Control Strategy of Multi-Terminal Flexible HVDC Transmission System; Anhui University of Science and Technology: Huainan, China, 2019. (In Chinese) [Google Scholar]
- Ding, J.J. Research on Control Strategy and Stability of MMC-MTDC System; Lanzhou University of Technology: Lanzhou, China, 2019. (In Chinese) [Google Scholar]
- Abedin, T.; Lipu, M.; Hannan, M.A.; Ker, P.J.; Rahman, S.A.; Yaw, C.T.; Muttaqi, K.M. Dynamic modeling of hvdc for power system stability assessment: A review, issues, and recommendations. Energies 2021, 14, 4829. [Google Scholar] [CrossRef]
- He, Y.; Zhou, L.; Li, Y.; Gu, W.; Zhao, B.; Wang, S. Power conversion strategy of VSC-MTDC system based on real bipolar wiring mode. Autom. Electr. Power Syst. 2017, 41, 95–101. (In Chinese) [Google Scholar]
- Li, Y.B. The Fault Characteristics and Control Strategies of MMC-Based HVDC Grid; China Electric Power Research Institute: Beijing, China, 2017. (In Chinese) [Google Scholar]
- Li, C.; Hu, W.W.; Tang, Z.J. Control strategy of power transfer in bipolar HVDC flexible transmission system. High Volt. Technol. 2018, 44, 2173–2180. (In Chinese) [Google Scholar]
- Wang, S.; Liu, T.; Li, B.; Yu, Y. Analysis on characteristic of DC network line breakage fault and a control-based protection strategy. Sci. Technol. Eng. 2019, 19, 201–207. (In Chinese) [Google Scholar]
- Wen, H.Z. Research on Emergency Coordinated Control Strategy of Modular Multilevel Converter Based HVDC Grids; Guangxi University: Nanjing, China, 2020. (In Chinese) [Google Scholar]
- Yu, X.; Wang, Y.Z.; Zhang, Q.; Wang, Y.; Dong, Y.; Gan, Z. Power transfer strategy of parallel three-terminal hybrid UHVDC transmission system. Autom. Electr. Power Syst. 2020, 44, 150–156. (In Chinese) [Google Scholar]
- Uddin, W.; Busarello, T.D.C.; Zeb, K.; Khan, M.A.; Yedluri, A.K.; Kim, H.-J. Control Strategy Based on Arm-Level Control for Output and Circulating Current of MMC in Stationary Reference Frame. Energies 2021, 14, 4160. [Google Scholar] [CrossRef]












| Parameters | MMC1 Value | MMC2 Value | MMC3 Value | MMC4 Value |
|---|---|---|---|---|
| rated capacity MW | 1500 | 1500 | 3000 | 3000 |
| DC rated voltage/kV | ±535 | ±535 | ±535 | ±535 |
| SM steady operating voltage/kV | 2.296 | 2.296 | 2.296 | 2.296 |
| rated voltage at transformer grid side/kV | 230 | 525 | 230 | 525 |
| rated voltage at transformer valve side/kV | 290.88 | 290.88 | 290.88 | 290.88 |
| number of SM | 233 | 233 | 233 | 233 |
| SM capacitance/mF | 8 | 8 | 15 | 15 |
| bridge arm reactor/mH | 100 | 100 | 75 | 75 |
| upper and lower pole line reactance/mH | 150 | 150 | 150 | 150 |
| neutral line reactance/mH | 300 | 300 | 300 | 300 |
Publisher’s Note: MDPI stays neutral with regard to jurisdictional claims in published maps and institutional affiliations. |
© 2021 by the authors. Licensee MDPI, Basel, Switzerland. This article is an open access article distributed under the terms and conditions of the Creative Commons Attribution (CC BY) license (https://creativecommons.org/licenses/by/4.0/).
Share and Cite
Ding, C.; Tian, X.; Nie, T.; Yuan, Z. Power Transfer Control Strategy Based on True Bipolar MMC-MTDC System. Energies 2021, 14, 8306. https://doi.org/10.3390/en14248306
Ding C, Tian X, Nie T, Yuan Z. Power Transfer Control Strategy Based on True Bipolar MMC-MTDC System. Energies. 2021; 14(24):8306. https://doi.org/10.3390/en14248306
Chicago/Turabian StyleDing, Can, Xiaojian Tian, Taiping Nie, and Zhao Yuan. 2021. "Power Transfer Control Strategy Based on True Bipolar MMC-MTDC System" Energies 14, no. 24: 8306. https://doi.org/10.3390/en14248306
APA StyleDing, C., Tian, X., Nie, T., & Yuan, Z. (2021). Power Transfer Control Strategy Based on True Bipolar MMC-MTDC System. Energies, 14(24), 8306. https://doi.org/10.3390/en14248306

