Three-Phase Grid-Connected Inverter Power Control under Unbalanced Grid Conditions Using a Time-Domain Symmetrical Components Extraction Method †
Abstract
:1. Introduction
- Bidirectional real and reactive power control of a three-phase inverter under different unbalanced conditions were applied.
- The grid currents and PCC voltages were balanced.
- The oscillation in real and reactive power injected/supplied to/from the grid was minimized.
- Since the unbalanced problem was solved, then all other loads connected to the grid will not be affected by the unbalanced load.
- A simple controller was used (P-Controller).
- The symmetrical components extraction method was used to find the symmetrical components. This method utilized time delays and simple addition/subtraction. As a result, it required fewer calculations compared to methods that employed complex transformations.
- Balancing the three-phase grid under unbalanced grid conditions has been discussed in the literature, and a method of controlling the power and balancing the grid has been discussed, but that approach was only used under strong grid situations (where the grid impedance was neglected). In addition, the power control under an unbalanced load (unbalanced grid currents) has been accomplished in only one direction. However, this work extends the literature to cover unbalanced grid impedance, unbalanced PCC, and unbalanced grid current situations, as well as a bidirectional power control method.
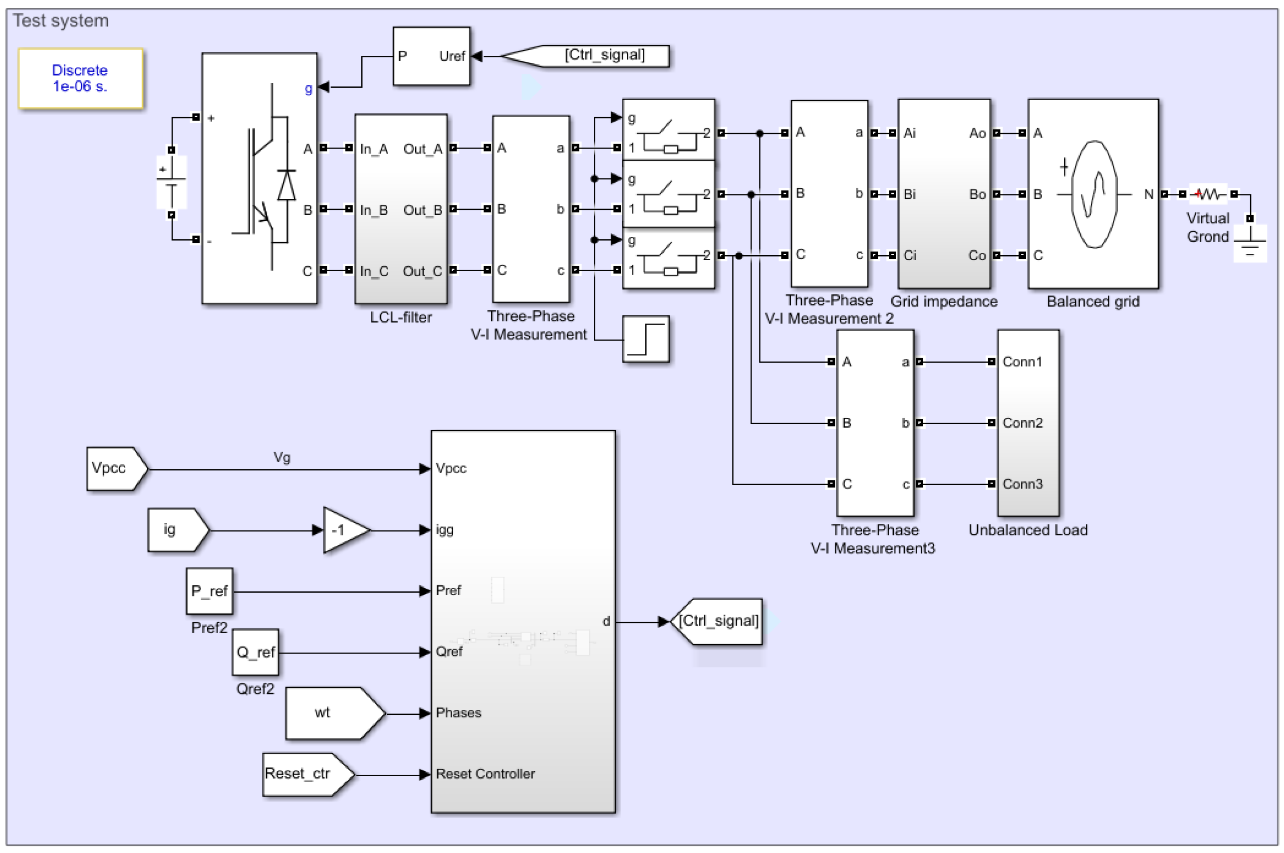
2. System Model Description
3. Current Control under Unbalanced Grid Conditions
4. Power Control under Unbalanced Grid Conditions
5. Case Studies
5.1. Simulation Results
5.2. Experimental Results
- 1.
- At first, it was considered that the load was connected to the grid without the inverter. In this scenario, the grid voltages are balanced, as illustrated in Figure 10, but the grid currents and PCC voltages are unbalanced. A Tektronix MDO3024 oscilloscope was utilized to record the waveforms.
- 2.
- The inverter was turned on, and the system needed a few milliseconds to balance the grid currents and the PCC voltages. The experimental data using the dSPACE ControlDesk toolbox are shown in Figure 11. The experimental results for grid voltages, PCC voltages, grid currents, inverter currents, and load currents, as measured by the oscilloscope, are shown in Figure 12.
- 3.
- The full proposed method was applied, assuming kW and var. The system is now capable of applying power control, balancing grid currents, and balancing PCC voltages. The experimental data, which were collected using the dSPACE ControlDesk toolbox, are shown in Figure 13. Figure 14 displays the experimental data for the PCC voltages, grid currents, and inverter currents obtained using the Tektronix oscilloscope.
- 4.
- Assuming that kW and var, the system is capable of balancing the grid currents and PCC voltages, as well as bidirectional power control. Some experimental findings using the Tektronix MDO3024 oscilloscope are shown in Figure 15. The dSPACE ControlDesk toolbox experimental results are shown in Figure 16.Based on these results, the oscillations in real and reactive power have been removed, the PCC voltage and grid currents are now balanced, and the real and reactive power of the grid are successfully controlled.
- 5.
- 6.
- The system was tested with several cases, as seen in Figure 19. It acted as a shunt APF at s, and the proposed method to inject kW and var was energized at s. Then, the power command was changed to kW at s and var at s. At s, the desired power was set to be kW and var at s. The grid simulator data were obtained using the NHR 9400 Panel. The real power transmitted to the grid is represented in Figure 20 as the desired value, with a slight inaccuracy. A P-controller was utilized, which was the cause of the error. This technique has the disadvantage in that the P-controller, although being straightforward, has a steady-state error and causes some controller offsets. The sign of the real power in the grid simulator results indicates the power flow direction. A positive sign means the the grid is supplying the power, while a negative sign means that the grid is absorbing power. These findings indicate that the proposed methodology can balance grid currents and PCC voltages while operating with bidirectional power control under unbalanced grid conditions.
6. Conclusions
Author Contributions
Funding
Institutional Review Board Statement
Informed Consent Statement
Data Availability Statement
Conflicts of Interest
References
- Pillay, P.; Manyage, M. Definitions of Voltage Unbalance. IEEE Power Eng. Rev. 2002, 22, 49–50. [Google Scholar] [CrossRef]
- Li, P.; Dan, B.; Yong, K.; Jian, C. Research on three-phase inverter with unbalanced load. In Proceedings of the Nineteenth Annual IEEE Applied Power Electronics Conference and Exposition, Anaheim, CA, USA, 22–26 February 2004; pp. 128–133. [Google Scholar]
- Choi, W.; Morris, C.; Sarlioglu, B. Modeling three-phase grid-connected inverter system using complex vector in synchronous dq reference frame and analysis on the influence of tuning parameters of synchronous frame PI controller. In Proceedings of the 2016 IEEE Power and Energy Conference at Illinois (PECI), Urbana, IL, USA, 19–20 February 2016; pp. 1–8. [Google Scholar]
- Liu, Y.; Bai, R.; Wang, D.; Ma, W.; Wang, L. Proportional-Resonant Control Method Of Three-Phase Grid-Connected Inverter. In Proceedings of the 26th Chinese Control and Decision Conference (2014 CCDC), Changsha, China, 31 May–2 June 2014; pp. 4797–4800. [Google Scholar]
- Kalaivani, C.; Rajambal, K. Grid Integration of Three-phase Inverter using Decoupled Double Synchronus Reference Frame PLL. In Proceedings of the 2019 International Conference on Computation of Power, Energy, Information and Communication (ICCPEIC), Chennai, India, 27–28 March 2019; pp. 221–226. [Google Scholar]
- Alathamneh, M.; Ghanayem, H.; Nelms, R.M. Power Control of a Three-phase Grid-connected Inverter using a PI Controller under Unbalanced Conditions. In Proceedings of the SoutheastCon 2022, Mobile, AL, USA, 26 March–3 April 2022; pp. 447–452. [Google Scholar]
- Alathamneh, M.; Yang, X.; Nelms, R.M. Power Control of a Three-phase Grid-connected Inverter using a Proportional-Resonant Control Method under Unbalanced Conditions. In Proceedings of the IECON 2021–47th Annual Conference of the IEEE Industrial Electronics Society, Toronto, ON, Canada, 13–16 October 2021; pp. 1–6. [Google Scholar]
- Alathamneh, M.; Ghanayem, H.; Yang, X.; Nelms, R.M. PR Controller for a Three-phase Grid-connected Inverter in an Unbalanced System using a Time-Domain Symmetrical Components Extraction Method. In Proceedings of the 2022 IEEE 31st International Symposium on Industrial Electronics (ISIE), Anchorage, AK, USA, 1–3 June 2022; pp. 18–23. [Google Scholar]
- Bak, Y.; Lee, J.-S.; Lee, K.-B. Balanced Current Control Strategy for Current Source Rectifier Stage of Indirect Matrix Converter under Unbalanced Grid Voltage Conditions. Energies 2017, 10, 27. [Google Scholar] [CrossRef]
- Chen, X.; Wu, W.; Gao, N.; Liu, J.; Chung, H.S.-H.; Blaabjerg, F. Finite Control Set Model Predictive Control for an LCL-Filtered Grid-Tied Inverter with Full Status Estimations under Unbalanced Grid Voltage. Energies 2019, 12, 2691. [Google Scholar] [CrossRef]
- Mohammed, N.; Ciobotaru, M.; Town, G. Online Parametric Estimation of Grid Impedance Under Unbalanced Grid Conditions. Energies 2019, 12, 4752. [Google Scholar] [CrossRef]
- Alharbi, M.; Isik, S.; Alkuhayli, A.; Bhattacharya, S. Power Ripple Control Method for Modular Multilevel Converter under Grid Imbalances. Energies 2022, 15, 3535. [Google Scholar] [CrossRef]
- Yu, Y.; Wang, Z.; Wan, X. Optimal Current Balance Control of Three-Level Inverter under Grid Voltage Unbalance: An Adaptive Dynamic Programming Approach. Energies 2019, 12, 2864. [Google Scholar] [CrossRef]
- Ma, W.; Ouyang, S.; Xu, W. Improved Frequency Locked Loop Based Synchronization Method for Three-Phase Grid-Connected Inverter under Unbalanced and Distorted Grid Conditions. Energies 2019, 12, 1023. [Google Scholar] [CrossRef]
- Wang, S.; Bao, D.; Gontijo, G.; Chaudhary, S.; Teodorescu, R. Modeling and Mitigation Control of the Submodule-Capacitor Voltage Ripple of a Modular Multilevel Converter under Unbalanced Grid Conditions. Energies 2021, 14, 651. [Google Scholar] [CrossRef]
- Tan, K.-H.; Lin, F.-J.; Chen, J.-H. A Three-Phase Four-Leg Inverter-Based Active Power Filter for Unbalanced Current Compensation Using a Petri Probabilistic Fuzzy Neural Network. Energies 2017, 10, 2005. [Google Scholar] [CrossRef]
- Shin, H.; Chae, S.H.; Kim, E.-H. Unbalanced Current Reduction Method of Microgrid Based on Power Conversion System Operation. Energies 2021, 14, 3862. [Google Scholar] [CrossRef]
- Nakadomari, A.; Shigenobu, R.; Kato, T.; Krishnan, N.; Hemeida, A.M.; Takahashi, H.; Senjyu, T. Unbalanced Voltage Compensation with Optimal Voltage Controlled Regulators and Load Ratio Control Transformer. Energies 2021, 14, 2997. [Google Scholar] [CrossRef]
- Najafi, F.; Hamzeh, M.; Fripp, M. Unbalanced Current Sharing Control in Islanded Low Voltage Microgrids. Energies 2018, 11, 2776. [Google Scholar] [CrossRef]
- Kim, J.-M.; Song, G.-S.; Jung, J.-J. Zero-Sequence Voltage Injection Method for DC Capacitor Voltage Balancing of Wye-Connected CHB Converter under Unbalanced Grid and Load Conditions. Energies 2021, 14, 1019. [Google Scholar] [CrossRef]
- Ahmed, E.M.; Aly, M.; Elmelegi, A.; Alharbi, A.G.; Ali, Z.M. Multifunctional Distributed MPPT Controller for 3P4W Grid-Connected PV Systems in Distribution Network with Unbalanced Loads. Energies 2019, 12, 4799. [Google Scholar] [CrossRef]
- Demirdelen, T.; Inci, M.; Bayindir, K.C.; Tumay, M. Review of hybrid active power filter topologies and controllers. In Proceedings of the 4th International Conference on Power Engineering, Energy and Electrical Drives, Istanbul, Turkey, 13–17 May 2013; pp. 587–592. [Google Scholar]
- Akagi, H.; Kanazawa, Y.; Nabae, A. Generalized Theory of the Instantaneous Reactive Power in Three-Phase Circuits. In Proceedings of the International Power Electronics Conference (IPEC’83), Tokyo, Japan, 27–31 March 1983; pp. 1375–1386. [Google Scholar]
- Kennel, R.; Szczupak, P.; Boller, T. Sensorless Control of 3-Phase PWM Rectifier in Case of Grid Phase Disconnection. In Proceedings of the IEEE 36th Power Electronics Specialists Conference, Recife, Brazil, 12–16 June 2005; pp. 2019–2022. [Google Scholar]
- Ketzer, M.B.; Jacobina, C.B. Sensorless PWM rectifiers with active filter action. In Proceedings of the 2015 IEEE 24th International Symposium on Industrial Electronics (ISIE), Buzios, Brazil, 3–5 June 2015; pp. 405–410. [Google Scholar]
- Green, T.C.; Marks, J.H. Control techniques for active power filters. Proc. IEEE Electr. Power Appl. 2005, 152, 369–381. [Google Scholar] [CrossRef]
- Mortezaei, A.; Lute, C.; Simoes, M.G.; Marafao, F.P.; Boglia, A. PQ, DQ and CPT control methods for shunt active compensators—A comparative study. In Proceedings of the IEEE Energy Conversion Congress and Exposition (ECCE), Pittsburgh, PA, USA, 14–18 September 2014; pp. 2994–3001. [Google Scholar]
- Kothuru, S.; Kotturu, J.; Kumar Reddy, C.H. Reduction of harmonics in 3-phase, 3-wire system by the use of shunt active filter. In Proceedings of the International Conference on Circuits, Power and Computing Technologies (ICCPCT-2014), Nagercoil, India, 20–21 March 2014; pp. 7–12. [Google Scholar]
- Al-Gahtani, S.; Nelms, R.M. A Modified IRPT Control Method for a Shunt Active Power Filter for Unbalanced Conditions. In Proceedings of the 2019 IEEE 28th International Symposium on Industrial Electronics (ISIE), Vancouver, BC, Canada, 12–14 June 2019; pp. 720–727. [Google Scholar]
- Al-Gahtani, S.; Nelms, R.M. A New Voltage Sensorless Control Method for a Shunt Active Power Filter for Unbalanced Conditions. In Proceedings of the 2019 IEEE International Conference on Environment and Electrical Engineering and 2019 IEEE Industrial and Commercial Power Systems Europe (EEEIC/ICPS Europe), Genova, Italy, 11–14 June 2019; pp. 1–6. [Google Scholar]
- Al-Gahtani, S.F.; Nelms, R.M. Performance of a Shunt Active Power Filter for Unbalanced Conditions Using Only Current Measurements. Energies 2021, 14, 397. [Google Scholar] [CrossRef]
- Alathamneh, M.; Yang, X.; Nelms, R.M.; Al-Gahtani, S. Power Control of a Three-phase Grid-connected Inverter using a Time-Domain Symmetrical Components Extraction Method under Unbalanced Conditions. In Proceedings of the IECON 2021–47th Annual Conference of the IEEE Industrial Electronics Society, Toronto, ON, Canada, 13–16 October 2021; pp. 1–6. [Google Scholar]
- Akagi, H.; Kanazawa, Y.; Nabae, A. Instantaneous reactive power compensators comprising switching devices without energy storage. IEEE Trans. Ind. Appl. 1984, 20, 625–630. [Google Scholar] [CrossRef]
- Duesterhoeft, W.C.; Schulz, M.W.; Clarke, E. Determination of Instantaneous Currents and Voltages by Means of Alpha, Beta, and Zero Components. Trans. Am. Inst. Electr. Eng. 1951, 70, 1248–1255. [Google Scholar] [CrossRef]
- Yang, X.; Alathamneh, M.; Nelms, R.M. Improved LCL Filter Design Procedure for Grid-Connected Voltage-Source Inverter System. In Proceedings of the 2021 IEEE Energy Conversion Congress and Exposition (ECCE), Vancouver, BC, Canada, 10–14 October 2021; pp. 3587–3591. [Google Scholar]




















| f | Grid frequency | 60 Hz | 
| Grid phase voltage | 120 V RMS | |
| Switching frequency | 5 kHz | |
| DC source voltage | 400 V | |
| Inverter side inductor | 2.3 mH | |
| Grid side inductor | 0.58 mH | |
| C | Capacitor | 15 F | 
| R | Damping resistor | 1.5 | 
| Grid Impedance for phases a,b,c | 5.1, 4.5, 3 mH | |
| Three-phase load | 8, 16, 32 | 
| Publisher’s Note: MDPI stays neutral with regard to jurisdictional claims in published maps and institutional affiliations. | 
© 2022 by the authors. Licensee MDPI, Basel, Switzerland. This article is an open access article distributed under the terms and conditions of the Creative Commons Attribution (CC BY) license (https://creativecommons.org/licenses/by/4.0/).
Share and Cite
Alathamneh, M.; Ghanayem, H.; Yang, X.; Nelms, R.M. Three-Phase Grid-Connected Inverter Power Control under Unbalanced Grid Conditions Using a Time-Domain Symmetrical Components Extraction Method. Energies 2022, 15, 6936. https://doi.org/10.3390/en15196936
Alathamneh M, Ghanayem H, Yang X, Nelms RM. Three-Phase Grid-Connected Inverter Power Control under Unbalanced Grid Conditions Using a Time-Domain Symmetrical Components Extraction Method. Energies. 2022; 15(19):6936. https://doi.org/10.3390/en15196936
Chicago/Turabian StyleAlathamneh, Mohammad, Haneen Ghanayem, Xingyu Yang, and R. M. Nelms. 2022. "Three-Phase Grid-Connected Inverter Power Control under Unbalanced Grid Conditions Using a Time-Domain Symmetrical Components Extraction Method" Energies 15, no. 19: 6936. https://doi.org/10.3390/en15196936
APA StyleAlathamneh, M., Ghanayem, H., Yang, X., & Nelms, R. M. (2022). Three-Phase Grid-Connected Inverter Power Control under Unbalanced Grid Conditions Using a Time-Domain Symmetrical Components Extraction Method. Energies, 15(19), 6936. https://doi.org/10.3390/en15196936
 
        

 
       