Abstract
This paper presents the comparisons between two types of switched reluctance machines (SRMs) and SRM converters. An SRM with a segmental rotor is compared with a conventional SRM (CSRM), and an SRM converter containing a passive boost circuit is compared with a conventional asymmetric half-bridge (AHB) converter. The segmental SRM has an asymmetric rotor with a segmented structure. The four rotor segments are made of steel laminations. Two segments are misaligned with the other two by 15 degrees. The torque ripple of the SRM with this structure is decreased, and the static torque is increased compared to a conventional SRM. The boost converter comprises a front-end circuit and a conventional AHB converter. The front-end circuit boosts the voltage level. The boosted voltage accelerates the rising and falling progress of the phase current. In this way, the SRM can obtain a greater speed and a smaller torque ripple. The comparison is conducted in simulation and validated through the experimental results. The experiment results have demonstrated that the segmental SRM obtains a maximum 7% torque ripple reduction at a low-speed range, compared to the CSRM. With the boost converter, both the CSRM and the segmental SRM can achieve a lower torque ripple and a higher maximum speed.
1. Introduction
Compared to other electric machine types, the switched reluctance machine (SRM) has advantages, such as a simple structure, robustness, high reliability, and a low manufacturing cost. These advantages make the SRM a promising candidate for electric vehicle (EV) applications. The high reliability of the SRM also makes it an attractive machine for other applications, such as off-shore renewable energy applications [1,2]. The SRM has the main disadvantage of high torque ripple at low speed. Extensive research has been performed to overcome this disadvantage.
The multi-stack configuration is a candidate solution for reducing the SRM torque ripple, including the three-stack SRM [3]. A multi-stack SRM is presented in [4] with axially misaligned rotor poles. A two-stack SRM with bidirectional startup capability has been proposed in [5]. The SRM introduced in [6] has obtained a 3 Nm increase for the average torque, compared to a Toyota Prius motor. Compared to conventional SRM (CSRM), the multi-layer SRM topology, which is presented in [7], has obviously reduced the output torque ripple. Compared to a CSRM, a two-layer SRM in [8] has a greater average torque and a lower torque ripple. Multi-stack SRMs have been demonstrated in [9,10] with the segmental rotor. The segmental rotor is shifted by 14 degrees mechanically.
A SRM structure with a segmental rotor has been presented in [11,12]. A much greater force density is possible for this structure [11]. The segmental rotor is made of several silicon steel segments. An SRM with a segmental rotor was compared with a CSRM in [13]. Compared with the CSRM, the segmental SRM has shown 10% higher rated torque. A segmental SRM was demonstrated in [14]. An 80 kW SRM with a segmental rotor has been proposed in [15].
Another solution to reduce the torque ripple of the SRM is the asymmetric rotor or/and stator structure. A three-phase asymmetric SRM with 12 stator poles and 10 rotor poles (12/10) has been proposed in [16]. The SRM has been analyzed using the finite element method (FEM). A 6/4 asymmetric stator SRM has been introduced in [17]. The width of the stator and the air-gap length were analyzed. A control method for an SRM with an asymmetric rotor has been demonstrated in [18]. The torque ripple performance was investigated. An asymmetric rotor SRM obtained a reduced torque ripple of 10%, in [19], compared to a CSRM, while in [20], a torque ripple improvement of 20% was achieved.
A 12/4 six-phase SRM with a four-segmental rotor structure and a misaligned rotor configuration has been proposed in [19,20]. Two segments were shifted by 15 degrees from the other two. Compared with a conventional structure SRM, the proposed SRM has decreased the torque ripple ratio by 6.5% [21].
Another solution for decreasing the torque ripple of SRM is by accelerating the demagnetization and excitation period of the phase winding. A SRM converter with a diode and a two-capacitor network has been reviewed in [22,23]. The boost capacitor stores the energy from the phase winding, and it boosts the DC link voltage. The SRM converters with a boost capacitor in Sood topology, Buck–Boost topology, and with a DC link boost capacitor have been reviewed in [24]. Different types of boost converters for SRM have been reviewed in [25]. A boost converter for SRM with a faster current build-up and rapid demagnetization has been proposed in [26]. C-dump converters with boosting voltage capability have been reviewed in [27]. A converter with a passive boost function for SRM has been presented in [28] for torque ripple reduction. A novel converter with four-level capability has been demonstrated with the SRM in [29]. With the high voltage for demagnetization, the demagnetization time is reduced, and it decreased the torque ripple. A MATLAB/Simulink simulation has been performed to analyze the novel four-level converter.
In this paper, the SRM segmental rotor structure is compared with a conventional SRM (CSRM). Importantly, the segmental SRM is expected to reduce the torque ripples. The multi-stack structure has been considered to design the segmental structure. With the 15 degrees misalignment configuration, the multi-stack character is simplified to a 2D structure [30]. The static characteristics and dynamic performance are compared and tested in the MATLAB/Simulink simulation, and validated experimentally. A converter with a passive boost circuit is compared to a conventional asymmetric half-bridge (AHB) converter. Simulation and experiment results are conducted for the converter validation. In Section 2, the segmental SRM is compared to the CSRM with the conventional AHB converter as the driver. The boost converter is compared to a conventional AHB converter in Section 3 as the driver for the conventional SRM, while the segmental SRM is used in Section 4 for the same comparison. The Conclusions and Summary are covered in Section 5.
The main contributions can be summarized as:
- A segmental SRM with a lower torque ripple has been compared to a CSRM.
- A boost converter has been compared with a conventional AHB converter.
- The boost converter is tested with the segmental SRM and generates a higher maximum speed compared to the conventional AHB converter.
2. Comparison of the Segmental SRM and a Conventional SRM
The SRM with a misaligned segmented rotor is compared to a conventional SRM in this section. The SRM control system is presented in Figure 1. A PID controller is used for speed control. A hysteresis controller is used for current control. The converter is a conventional asymmetric half-bridge converter. Figure 2 presents the conventional converter circuit. The control model is implemented in MATLAB/Simulink™, and then the code generation capabilities of MATLAB™ are used to automatically generate efficient and optimized code for the microcontroller.
Figure 1.
SRM control system diagram.
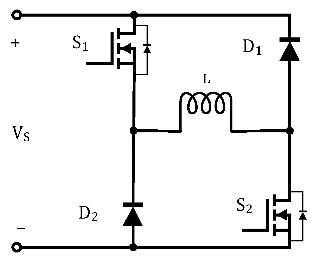
Figure 2.
Asymmetric half-bridge (AHB) ‘conventional’ converter for the SRM.
2.1. The Conventional SRM
Table 1 lists the parameters of the conventional SRM.
Table 1.
Parameters of the conventional SRM.
Figure 3 illustrates the structure of the conventional SRM. The number of stator poles is 12, and the number of rotor poles is 8.
Figure 3.
Structure of the conventional SRM.
2.2. The Segmental SRM
Table 2 lists the parameters of the segmental SRM. The number of phases is six. The segmental SRM has two phases working simultaneously. This means that the working phase ratio is 1/3. It is the same as the conventional three-phase SRM. Figure 4 shows the structure of the segmental SRM. The segmental SRM has a fully pitched (FP) winding configuration. The winding distributes symmetrically with a pitch of 30 degrees.
Table 2.
Parameters of the segmental SRM.
Figure 4.
Structure of the segmental SRM [30].
The rotor is made of four segments and one rotor core. The material of the segments is silicon steel. The material of the rotor core is aluminum. Two segments are shifted by 15 degrees with respect to the other two. This misalignment makes sure that the maximum torque point of the present phase is in line with the zero torque point of the next phase. The torque ripple of the SRM will be reduced in this configuration.
2.3. Finite Element Analysis and Simulink™ Simulation Comparison
The SRMs are simulated using the finite element method (FEM). The software Simcenter MAGNET™ has been used to run the FEM simulation with static performance. The static computation takes around 30 min. The static simulations of the torque performance for the two SRMs are performed. Figure 5 shows the static torque simulation results for the conventional SRM. The dashed line presents the sum of the positive torque. It shows that the torque ripple for the conventional SRM is 6.54 Nm and 97% to the average torque, which is 6.60 Nm.
Figure 5.
Static simulation results of torque performance for the conventional SRM with 97% torque ripple to the average torque, edited from [30].
Figure 6 shows the static simulation results of the torque for the segmental SRM. It can be seen that the average static torque of the segmental SRM is higher than the conventional SRM. The torque ripple is 11.26 Nm, and the average torque is 23.92 Nm. Compared to the conventional SRM, the segmental SRM has a lower torque ripple ratio, which is 47% to the average torque, and has a higher average static torque.
Figure 6.
Static simulation results of the torque performance for the segmental SRM with 47% torque ripple to the average torque, edited from [30].
Dynamic simulations are performed for the two types of SRM to compare the torque ripple. Based on the static characteristics, MATLAB/Simulink™ software is employed to perform the dynamic simulation. The Simulink™ simulation runs very quickly and generates a result within several minutes.
Figure 7 demonstrates the simulated torque waveforms at 500 rpm for the two types of SRMs. It shows that the torque ripple for the segmental SRM is 1.58 Nm, and it is 2.9 Nm for the conventional SRM.
Figure 7.
Comparison of simulated torque waveforms at 500 rpm.
2.4. Experimental Validation and Comparison
Experiments are conducted to validate and to compare the SRMs. Figure 8a shows the converter hardware of the conventional converter for the conventional SRM. There are PCBs for the power supply, controller, and converter for each phase. Figure 8b shows the hardware of the converter for the segmental SRM. The power supply board is used to provide a DC voltage supply for the sensors, microcontroller, and the switch drivers modules. The controller board contains the controller chip and sensor ports. Each phase has an independent driver board. The switches, driver modules, and heat sinks are installed on the phase winding driver boards.
Figure 8.
Converter hardware: (a) hardware for the conventional SRM; (b) hardware for the segmental SRM.
Figure 9 displays the setup for the experiment test. A DC motor is used as the load. The power generated from the DC motor is dissipated through a resistor bank.
Figure 9.
Experiment setup for the SRM test.
Figure 10 displays the measured torque ripple percentage comparison with different speeds for the two types of SRM [30]. It demonstrates that the segmental SRM has a lower torque ripple at the low-speed range, compared to the conventional SRM.
Figure 10.
Measured torque ripple comparison at different speeds.
Figure 11 displays the measured torque waveform at 2000 rpm and a 1.24 Nm torque load. It shows that the segmental SRM has a lower torque ripple with 0.13 Nm, compared to the conventional SRM with a 0.21 Nm torque ripple.
Figure 11.
Measured torque waveforms comparison with 2000 rpm and 1.24 Nm torque load.
2.5. Section Conclusions
Compared to the conventional SRM, the simulation and experimental results show that the segmental SRM generates a lower torque ripple at different speeds.
In this section, the CSRM is compared with the segmental SRM driven by the conventional converter. Tests were performed, both in simulation and experimentally. The results prove that the torque ripple ratio for the segmental SRM is lower below the rated speed, with a maximum of 7%, while at the rated speed, torque ripple improvement is not ensured.
3. Simulation and Experiment Comparison of the Boost Converter and Conventional Converter
A boost converter for the SRM is presented in this section. It is compared to a conventional converter.
The boost converter comprises a conventional asymmetric half-bridge (AHB) converter with a fronted-end boost circuit. The fronted-end circuit is a passive boost circuit. It is made of a diode and a capacitor. Once the phase winding is turned off, the capacitor stores the current flowing back from the phase winding and boosts the capacitor voltage. When the phase winding is turned on for the next stroke, the capacitor will energize it first. The boost capacitor voltage can accelerate the energizing progress.
3.1. Conventional Converter
Figure 12 presents the different modes for the conventional AHB converter. At the excitation mode in Figure 12a, all switches are turned on and the phase winding is energized by the DC source voltage. The phase current increases. At the free-wheeling mode in Figure 12b, the switch on the upper arm is turned off and the current loop is completely within the converter. At the demagnetization mode in Figure 12c, both switches are turned off and the phase current decreases and charges to the DC source.
Figure 12.
Working mode of the conventional AHB converter: (a) Excitation mode; (b) Free-wheeling mode; (c) Demagnetization mode.
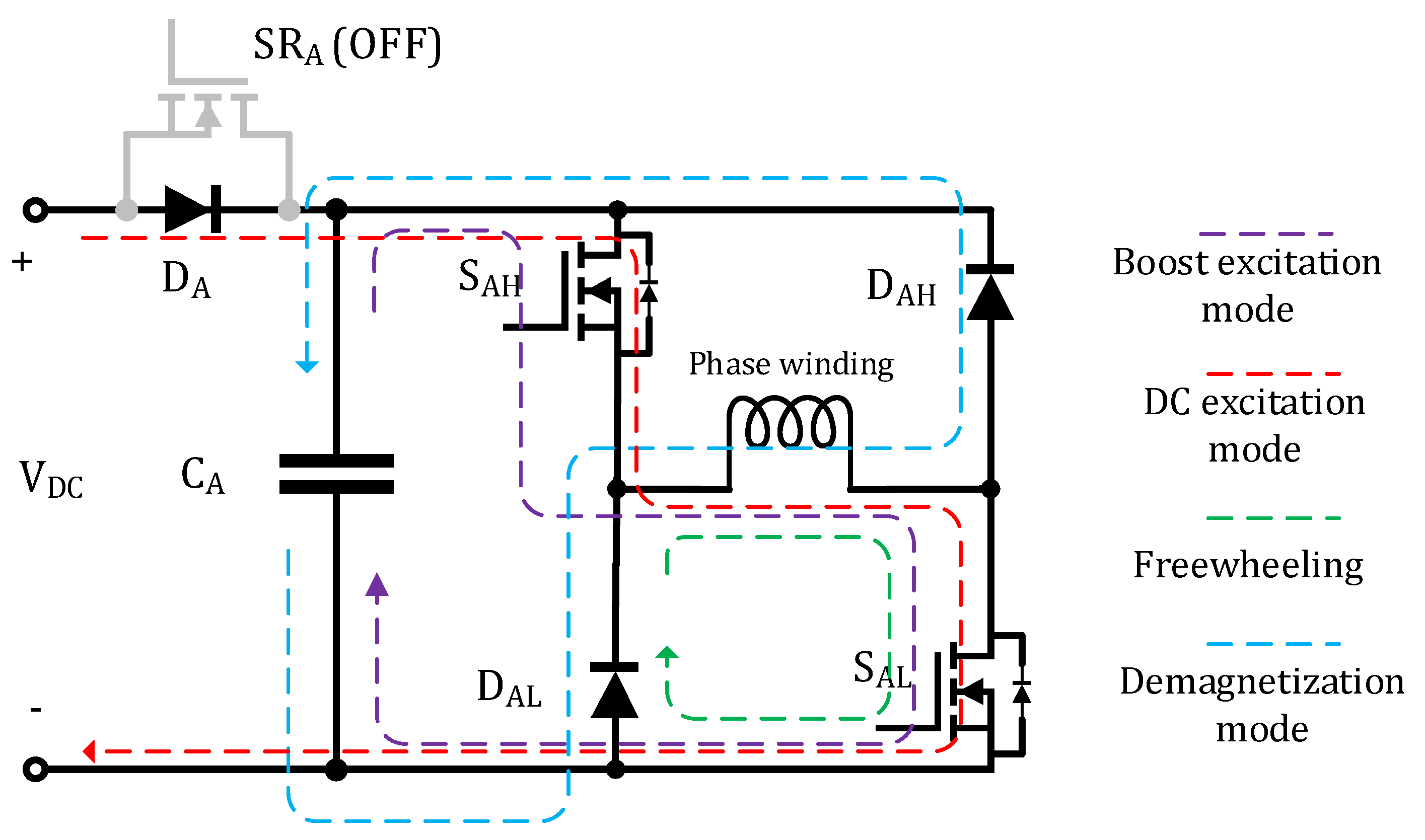
3.2. Boost Converter
Figure 13 presents the circuit of the boost converter and its different modes. A front-end circuit with a diode, a switch, and a capacitor are connected to the conventional AHB converter [31]. The switch SRA is used to switch for the selection of regenerative mode and motoring mode for the electric machine. When the electric machine is running in motoring mode, the switch SRA is turned off. When the electric machine is running in regenerative mode, the switch SRA is turned on. Once the switch SRA is on, the boost converter works as a conventional AHB converter. In this paper, the SRM is running in motoring mode and the switch SRA is turned off.
Figure 13.
Circuit diagram of the boost converter, cited from [31].
Boost excitation mode in Figure 13: During this mode, the voltage level of the boost capacitor CA is greater than the DC source . The diode DA is turned off. The phase winding is energized by the capacitor CA.
DC excitation mode in Figure 13: During this mode, the voltage level of the boost capacitor CA is same as or lower than the DC source voltage level VDC. The diode DA will be turned on by the voltage difference from the DC source voltage to the capacitor voltage. The phase winding is energized by the DC source.
Freewheeling mode in Figure 13: During this mode, the switch on the upper arm is turned off. The current loop is completed within the converter.
Demagnetization mode in Figure 13: During this mode, all the switches are switched off. The current flows back to the boost capacitor CA. The voltage level of the capacitor is boosted. The energy is stored in the capacitor. Once the switches turn on for the next stroke, the winding will firstly be energized by the voltage-boosted capacitor CA. With the help of the boosted voltage, the rising and falling time of the phase current will be decreased. It helps the SRM to output a greater average torque and a smaller torque ripple ratio. The calculation method in detail is published in [31].
Figure 14 presents the simplified circuit model during Mode 4 [31]. In this paper, the phase winding resistance R is 0.07 ohm and is neglected.
Figure 14.
Simplified circuit model for Mode 4.
The equation group (1) expresses the equivalent circuit model.
where, is the phase voltage, ) is the inductance of the phase winding, is the phase current, is the boost capacitor voltage, is the phase winding magnetic flux linkage, and is capacitance of the capacitor CA.
3.3. MATLAB/Simulink™ Simulation and Comparison
A MATLAB/Simulink™ simulation is conducted to compare the boost converter and the conventional converter.
Figure 15a illustrates the simulation results of the DC source voltage, the phase current, and the phase voltage, with a conventional converter at 3000 rpm speed and 1.07 Nm load. The DC source voltage is 72 V. It can be seen that the phase voltage is not boosted, and it is the same voltage level as the DC source voltage.
Figure 15.
Simulation results comparison at 3000 rpm speed and 1.07 Nm load: (a) simulation results of the DC supply voltage, phase current, and phase voltage with the conventional converter; (b) simulation results of the boost capacitor voltage, phase current, and phase voltage with the boost converter.
Figure 15b shows the simulation results of the boost capacitor voltage, phase current, and phase voltage for the boost converter at 3000 rpm speed and 1.07 Nm load. It shows that the voltage of the boost capacitor is increased from 72 V to 107 V.
Figure 16 presents the simulated torque waveforms at 500 rpm. It shows that the SRM outputs a lower torque ripple with the boost converter, compared to the conventional converter. The torque ripple comparison with different speeds is published in [31]. Compared to the conventional converter, the SRM with the boost converter generates a lower torque ripple at low-speed ranges [31].
Figure 16.
Comparison of Simulink™-simulated torque waveforms with 500 rpm speed.
3.4. Experimental Validation and Comparison
Experimental tests are conducted to validate the boost converter. Figure 17 presents the measured boost capacitor voltage VC, phase current Iph, and phase voltage Vph 3000 rpm speed and 1.07 Nm load. It shows that the voltage of the boost capacitor is increased from 72 V to 120 V.
Figure 17.
Measured phase voltage (75.2 V/div), phase current (20 A/div), and boost capacitor voltage (75.2 V/div) with the boost converter at 3000 rpm and 1.07 Nm load.
Different speeds are tested to analyze the torque ripple. Figure 18 illustrates the comparison between the measured torque ripples. It shows that the conventional SRM output has a lower torque ripple percentage with the boost converter, compared to the conventional converter.
Figure 18.
Measured torque ripple percentage comparison at different speeds, and the two types of converters.
The boost converter boosts the winding terminal voltage. It helps the SRM output a higher power with a higher maximum speed.
The induced electromotive force (EMF) of the SRM is expressed in Equation (2), which is referenced from equation (1.18) of [32]:
where is the induced EMF, is the phase current, is the phase inductance depending on the rotor position and phase current, and is the rotor electrical speed.
With the boost converter, more voltage is available to compensate for a higher EMF; hence, a higher speed and/or a higher current can be reached, as of Equation (2). The increased speed is visible in Figure 19. This increased no-load maximum speed is combined with an increase of current, compensating for the increased friction and windage losses.
Figure 19.
Measured maximum speed comparison with different converters at the max current, 34 A, for the conventional SRM.
Figure 19 presents the experimental results of the maximum speed test. To remove the electromagnetic noise, a moving average filter is applied to the speed sensor, which is an encoder [33]. The conventional SRM has been tested with the same maximum phase current, which is 34 A, but with different converters. The measured results show that the maximum speed with the conventional converter is about 3550 rpm, and it is 3800 rpm with the boost converter. The experimental results show that boost converter has increased the maximum speed of the conventional SRM by 7%.
3.5. Section Conclusions
In this section, a comparison is performed between the boost converter and the conventional converter as drives for the conventional SRM. Unfortunately, the comparison between converters did not result in a significant torque ripple improvement for the boost converter for a certain speed range. This is probably due to the increase of the current ripple, which is caused by the increase of the phase voltage. However, the no-load maximum speed was improved.
4. Comparison of the Boost Converter and the Conventional Converter with the Segmental SRM
In this section, the boost converter in Figure 13 is compared to the conventional converter in Figure 2, with the segmental SRM.
4.1. Segmental SRM with the Conventional Converter
The conventional converter in Figure 2 is tested with the segmental SRM. The torque ripple test and maximum speed test have been simulated and tested experimentally, and then compared with the boost converter.
4.2. Segmental SRM with the Boost Converter
The boost converter in Figure 13 is tested with the segmental SRM. The torque ripple test and maximum speed test have been implemented to compare the boost converter with the conventional converter.
The analytical method is used to calculate the turn-off angle for the boost converter. After the turning off of the phase winding, the phase current in Figure 20a is calculated with (3). The boost capacitor voltage in Figure 20b is calculated with (2). The torque in Figure 20c is calculated with (5).
Figure 20.
Analytical calculation of the phase current, boost capacitor voltage, and torque waveforms after the turning off: (a) calculated current waveform; (b) calculated voltage waveform; (c) calculated torque waveform.
With the calculated torque waveform, the average torque for the turning off period can be calculated. The turn-off angle is selected with the highest average output torque. A full table scan method is applied to calculate the optimized turn-off angle [31]. The details of the scan method have been introduced in [31].
Figure 21 shows the calculated turn-off angle table. The current controller calculates the turn-off angle with this table.
Figure 21.
Calculated turn-off angle table for the boost converter with the segmental SRM.
Figure 22a displays the maximum torque corresponding to the turn-off angle table.
Figure 22.
(a) Optimized maximum average torque with the boost converter; (b) The corresponding boost voltage.
Figure 22b displays the corresponding boost capacitor voltage. The maximum value is 365.9 V.
4.3. Comparison in the Simulink Simulation
A Simulink simulation has been applied to compare the torque ripple ratio of the segmental SRM between with the conventional converter and with the boost converter.
Figure 23 presents the simulated torque waveforms of the segmental SRM at 500 rpm. It shows that compared with the SRM working with a conventional converter, the SRM with the boost converter produces a lower torque ripple. The torque ripple with the conventional converter is 1.58 Nm. Additionally, it is 1.27 Nm with the boost converter. The simulated torque ripple is reduced by 19.6%.
Figure 23.
Simulated torque waveforms comparison for the segmental SRM with the conventional converter, and the boost converter at 500 rpm.
4.4. Comparison in Experimental Tests
Experiments have been performed to validate the performance of the boost converter with the segmental SRM. Figure 24 presents the measured boost capacitor voltage VC, phase current Iph, and phase voltage Vph of the segmental SRM with the boost converter with 3000 rpm and 1.07 Nm torque load. The capacitor voltage VC is boosted from 72 V to 85 V.
Figure 24.
Measured phase voltage (40 V/div), phase current (10 A/div), and boost capacitor voltage (40 V/div) with 3000 rpm and 1.07 Nm torque load.
Figure 25 presents the measured torque ripple waveforms of the segmental SRM with two types of converters. The torque ripple value of the conventional converter is 0.14 Nm, which is 13% to the average torque; and it is 0.07, which is 6.5% with the boost converter. The experimental torque ripple is reduced by 6.5%.
Figure 25.
Measured torque waveforms of the segmental SRM with two types of converters with 3000 rpm and 1.07 Nm torque load.
The boost converter boosts the voltage, and it can increase the maximum speed of the SRM. The experiment has been conducted to validate the increase of the maximum speed with the boost converter.
Figure 26a presents the maximum speed with the boost converter, which is 4979 rpm. Figure 26b shows the maximum speed of the segmental SRM with the conventional converter. It reaches 4836 rpm. Compared to the conventional converter, the maximum speed of the segmental SRM with the boost converter is increased by 2.9%.
Figure 26.
Measured maximum speed of the segmental SRM (a) with the conventional converter; (b) with the boost converter.
4.5. Section Conclusions
In this section, the conventional converter was compared to the boost converter, with the segmental SRM. Simulations and experiments were performed for the comparison. The simulation results showed that the segmental SRM produces a 19.6% lower torque ripple with the boost converter, compared to the conventional converter. The experimental results presented that the segmental SRM reaches a 6.5% lower torque ripple with the boost converter, compared to the conventional converter. The experimental results also showed that the maximum speed of the segmental SRM was improved by 2.9% with the boost converter.
5. Discussion
As reported in the scientific literature, the multi-stack SRM is often designed as a 3D structure. It makes the manufacturing of the SRM more difficult. In this study, the 3D multi-stack structure is simplified to a 2D design structure, with misalignment between the stacks. This simplification is achieved with the short flux structure, fully pitched winding, and misaligned rotor segments. The 2D structure is easier to analyze with FEM simulations and is easier to manufacture.
When reviewing the current state of the art, some boost converters with parallel type capacitors are reported. One main problem there, is that the parallel capacitor is shared with all the SRM phases. It makes the operational behavior of each phase mixed, due to the shared capacitor. In contrast, with the design presented in this article, the parallel capacitor works independently for each phase. It makes the voltage equation of each phase straightforward, and makes it possible to calculate the voltage curve with analytical differential equations.
A part of the torque ripple in this paper is generated with the current control method, which is the hysteresis current control method. Because the phase inductance of the SRM is changing with the rotor position, it makes the transfer function of the current open-loop system difficult to calculate. As a result, a simple control method, the hysteresis control method, is selected for this research. The hysteresis current controller generates a high-current ripple, which contributes to the torque ripple.
The torque waveforms are measured on the shaft of the experimental motor setup. The torque reconstruction method can be performed to observe the torque waveforms at the air gap. The details of the method can be found in [30].
The analytical method in this paper can be used for future work. In the present work, the analytical method is used for the turn-off period of the switches conducting the current of the SRM’s phases. For future research, it would be an interesting topic to apply this analytical method to the entire current conduction period of the SRM.
6. Conclusions
In this paper, a segmental SRM was compared to a CSRM, and a boost converter was compared to a conventional converter. The rotor of the segmental SRM is made of silicon steel segments and an aluminum shaft. The boost converter comprises a passive boost circuit and a conventional AHB converter. Simulation and experiment results were conducted to verify the design of the motor and its drive system.
With the conventional AHB converter, the simulation results at 500 rpm showed that the torque ripple value of the segmental SRM equals 1.58 Nm, while it is 2.9 Nm for the CSRM. The experiment results presented that the torque ripple of the segmental SRM is 7% lower than the CSRM, with the conventional converter.
The boost converter has been validated with the simulation and experiment results. The experiment showed that the phase voltage has been boosted from 72 V to 120 V. The experiment results of the boost converter with the CSRM illustrated that the boost converter produced a lower torque ripple at a certain speed range. Furthermore, the no-load maximum speed with the boost converter was improved by 7%.
The experimental results of the boost and conventional converters with the segmental SRM have demonstrated that the torque ripple of the segmental SRM can be reduced by up to 6.5% with the boost converter. The maximum speed of the segmental SRM can be improved by up to 2.9% with the boost converter.
Author Contributions
Conceptualization, Y.L.; methodology, Y.L.; software, Y.L.; validation, Y.L., J.C. and M.A.F.; formal analysis, Y.L.; investigation, O.H.; resources, O.H.; data curation, O.H.; writing—original draft preparation, Y.L.; writing—review and editing, J.C., M.A.F. and M.E.B.; visualization, Y.L.; supervision, O.H.; project administration, O.H.; funding acquisition, O.H. All authors have read and agreed to the published version of the manuscript.
Funding
This research was funded by China Scholarship Council and VUB scholarship fundings.
Data Availability Statement
Not applicable.
Acknowledgments
Y.L. was sponsored by China Scholarship Council. The authors also acknowledge Flanders Make for the support to our research group.
Conflicts of Interest
The authors declare no conflict of interest.
References
- Stansby, P.; Moreno, E.C.; Draycott, S.; Stallard, T. Total wave power absorption by a multi-float wave energy converter and a semi-submersible wind platform with a fast far field model for arrays. J. Ocean Eng. Mar. Energy 2022, 8, 43–63. [Google Scholar] [CrossRef]
- Wu, J.; Qin, L.; Chen, N.; Qian, C.; Zheng, S. Investigation on a spring-integrated mechanical power take-off system for wave energy conversion purpose. Energy 2022, 245, 123318. [Google Scholar] [CrossRef]
- Siadatan, A.; Najmi, V.; Asgar, M.; Afjei, E. A new 6/4 two layers switched reluctance motor: Concept, simulation and analysis. In Proceedings of the International Aegean Conference on Electrical Machines and Power Electronics and Electromotion, Joint Conference, Istanbul, Turkiye, 8–10 September 2011; pp. 244–249. [Google Scholar]
- Hekmati, P.; Brown, I.P. Rotary-Reciprocating Movement Switched-Reluctance Machines with Consequent Axially Shifted Poles. IEEE Trans. Magn. 2018, 54, 1–10. [Google Scholar] [CrossRef]
- Gu, L.; Clark, A.; Wang, W.; Hearron, J.; Fahimi, B. Magnetic design of two-phase switched reluctance motor with bidirectional startup capability. In Proceedings of the 2014 IEEE Energy Conversion Congress and Exposition (ECCE), Pittsburgh, PA, USA, 14–18 September 2014; pp. 1387–1392. [Google Scholar]
- Siadatan, A.; Fatahi, N.; Sedaghat, M. Optimum Designed Multilayer Switched Reluctance Motors for use in Electric Vehicles to Increase Efficiency. In Proceedings of the 2018 International Symposium on Power Electronics, Electrical Drives, Automation and Motion (SPEEDAM), Amalfi, Italy, 20–22 June 2018; pp. 304–308. [Google Scholar]
- Siadatan, A.; Najmi, V.; Afjei, E. Modeling, simulation and analysis of a novel two layer 8/6 hybrid Switched Reluctance Motor/field-assisted generator. In Proceedings of the 20th Iranian Conference on Electrical Engineering (ICEE2012), Tehran, Iran, 15–17 May 2012; pp. 495–500. [Google Scholar]
- Vatani, M.; Mirsalim, M.; Vaez-Zadeh, S. A New Double-Layer Switched Reluctance Motor with a Low Torque Ripple. In Proceedings of the 2019 27th Iranian Conference on Electrical Engineering (ICEE), Yazd, Iran, 30 April–2 May 2019; pp. 792–797. [Google Scholar]
- Higuchi, T.; Ueda, T.; Abe, T. Torque ripple reduction control of a novel segment type SRM with 2-steps slide rotor. In Proceedings of the the 2010 International Power Electronics Conference-ECCE ASIA, Sapporo, Japan, 21–24 June 2010; pp. 2175–2180. [Google Scholar]
- Higuchi, T.; Nakao, Y.; Abe, T. Characteristics of a novel segment type SRM with 2-step slide rotor. In Proceedings of the 2009 International Conference on Electrical Machines and Systems, Tokyo, Japan, 15–18 November 2009; pp. 1–4. [Google Scholar]
- Mecrow, B.C.; Finch, J.W.; El-Kharashi, E.A.; Jack, A.G. Switched reluctance motors with segmental rotors. IEE Proc.-Electr. Power Appl. 2002, 149, 245–254. [Google Scholar] [CrossRef]
- Mecrow, B.C.; El-Kharashi, E.A.; Finch, J.W.; Jack, A.G. Segmental rotor switched reluctance motors with single-tooth windings. IEE Proc. Electr. Power Appl. 2003, 150, 591–599. [Google Scholar] [CrossRef]
- Deng, X.; Mecrow, B. A comparison of conventional and segmental rotor 12/10 switched reluctance motors. In Proceedings of the 2019 IEEE International Electric Machines & Drives Conference (IEMDC), San Diego, CA, USA, 12–15 May 2019; pp. 1508–1513. [Google Scholar]
- Widmer, J.D.; Mecrow, B.C. Optimised Segmental Rotor Switched Reluctance Machines with a greater number of rotor segments than stator slots. In Proceedings of the 2011 IEEE International Electric Machines & Drives Conference (IEMDC), Niagara Falls, ON, Canada, 15–18 May 2011; pp. 1183–1188. [Google Scholar]
- Widmer, J.D.; Martin, R.; Mecrow, B.C. Optimisation of an 80kW Segmental Rotor Switched Reluctance Machine for automotive traction. In Proceedings of the 2013 International Electric Machines & Drives Conference, Chicago, IL, USA, 12–15 May 2013; pp. 427–433. [Google Scholar]
- Khor, M.T.; Sotudeh, R. A 3-phase 12/10 asymmetrical switched reluctance motor. In Proceedings of the 2005 European Conference on Power Electronics and Applications, Dresden, Germany, 11–14 September 2005; p. 9. [Google Scholar]
- Bogusz, P.; Korkosz, M.; Prokop, J. Performance analysis of Switched Reluctance Motor with asymmetric stator. In Proceedings of the 2011 IEEE International Symposium on Industrial Electronics, Gdańsk, Poland, 27–30 June 2011; pp. 661–666. [Google Scholar]
- Bogusz, P.; Korkosz, M.; Prokop, J. Control method of high-speed switched reluctance motor with an asymmetric rotor magnetic circuit. Arch. Electr. Eng. 2016, 65, 48. [Google Scholar] [CrossRef][Green Version]
- Torres, J.; Moreno-Torres, P.; Navarro, G.; Blanco, M.; Nájera, J.; Santos-Herran, M.; Lafoz, M. Asymmetrical Rotor Skewing Optimization in Switched Reluctance Machines Using Differential Evolutionary Algorithm. Energies 2021, 14, 3194. [Google Scholar] [CrossRef]
- Xu, Z.; Yu, Q.; Zhang, F. Design and Analysis of Asymmetric Rotor Pole Type Bearingless Switched Reluctance Motor. CES Trans. Electr. Mach. Syst. 2022, 6, 3–10. [Google Scholar] [CrossRef]
- Lan, Y.; Peng, W.; Aksoz, A.; Benomar, Y.; Bossche, P.V.d.; Baghdadi, M.E.; Hegazy, O. Design and Modelling of 12/4 Fully-Pitched Segmental Switched Reluctance Motors. In Proceedings of the 2020 Fifteenth International Conference on Ecological Vehicles and Renewable Energies (EVER), Monte-Carlo, Monaco, 10–12 September 2020; pp. 1–8. [Google Scholar]
- Jin-Woo, A.; Jianing, L.; Dong-Hee, L. Classification and Analysis of Switched Reluctance Converters. J. Electr. Eng. Technol. 2010, 5, 571–579. [Google Scholar]
- Liang, J.; Xu, G.; Lee, D.H.; Ahn, J.W. Classification of capacitive type converter topologies for SRM. In Proceedings of the 2010 International Conference on Electrical Machines and Systems, Incheon, Republic of Korea, 10–13 October 2010; pp. 1670–1675. [Google Scholar]
- Pires, V.F.; Pires, A.J.; Cordeiro, A.; Foito, D. A Review of the Power Converter Interfaces for Switched Reluctance Machines. Energies 2020, 13, 3490. [Google Scholar] [CrossRef]
- Lan, Y.; Benomar, Y.; Deepak, K.; Aksoz, A.; Baghdadi, M.E.; Bostanci, E.; Hegazy, O. Switched Reluctance Motors and Drive Systems for Electric Vehicle Powertrains: State of the Art Analysis and Future Trends. Energies 2021, 14, 2079. [Google Scholar] [CrossRef]
- Zan, X.; Wu, N.; Xu, R.; Cui, M.; Jiang, Z.; Ni, K.; Alkahtani, M. Design and Analysis of a Novel Converter Topology for Photovoltaic Pumps Based on Switched Reluctance Motor. Energies 2019, 12, 2526. [Google Scholar] [CrossRef]
- Gaafar, M.A.; Abdelmaksoud, A.; Orabi, M.; Chen, H.; Dardeer, M. Performance Investigation of Switched Reluctance Motor Driven by Quasi-Z-Source Integrated Multiport Converter with Different Switching Algorithms. Sustainability 2021, 13, 9517. [Google Scholar] [CrossRef]
- Muthulakshmi, P.S.; Dhanasekaran, R. A new modified switched reluctance motor drive using passive network for torque ripple minimization. In Proceedings of the 2015 International Conference on Communications and Signal Processing (ICCSP), Melmaruvathur, India, 2–4 April 2015; pp. 718–723. [Google Scholar]
- Guntuk, V.S.; Bakle, U.V.; Lahare, V.S.; Bochare, A.R.; Thakre, M.P. A Novel 4-level Converter for Switched Reluctance Motor Drive in Plug-In HEVs. In Proceedings of the 2019 International Conference on Intelligent Computing and Control Systems (ICCS), Madurai, India, 15–17 May 2019; pp. 626–631. [Google Scholar]
- Lan, Y.; Frikha, M.A.; Croonen, J.; Benômar, Y.; El Baghdadi, M.; Hegazy, O. Design Optimization of a Switched Reluctance Machine with an Improved Segmental Rotor for Electric Vehicle Applications. Energies 2022, 15, 5772. [Google Scholar] [CrossRef]
- Lan, Y.; Croonen, J.; Deepak, K.; Benômar, Y.; El Baghdadi, M.; Hegazy, O. Turn-off Angle Analytical Calculation Method of a Passive Boost Converter with Parallel Type Capacitors for Switched Reluctance Motors. In Proceedings of the 2022 IEEE 20th International Power Electronics and Motion Control Conference (IEEE-PEMC), Brasov, Romania, 25–29 September 2022. [Google Scholar]
- Krishnan, R. Switched Reluctance Motor Drives; CRC Press: Boca Raton, FL, USA, 2001. [Google Scholar]
- Ilmiawan, A.F.; Wijanarko, D.; Arofat, A.H.; Hindersyah, H.; Purwadi, A. An easy speed measurement for incremental rotary encoder using multi stage moving average method. In Proceedings of the 2014 International Conference on Electrical Engineering and Computer Science (ICEECS), Kuta, Bali, Indonesia, 24–25 November 2014; pp. 363–368. [Google Scholar]
Disclaimer/Publisher’s Note: The statements, opinions and data contained in all publications are solely those of the individual author(s) and contributor(s) and not of MDPI and/or the editor(s). MDPI and/or the editor(s) disclaim responsibility for any injury to people or property resulting from any ideas, methods, instructions or products referred to in the content. |
© 2022 by the authors. Licensee MDPI, Basel, Switzerland. This article is an open access article distributed under the terms and conditions of the Creative Commons Attribution (CC BY) license (https://creativecommons.org/licenses/by/4.0/).

























