Abstract
Pyrolysis is a thermochemical conversion process producing biochar, gas, and bio-oil at high temperatures in an oxygen-free environment. Specific pyrolysis conditions enable a significant production of the aqueous phase of bio-oil, commonly known as wood vinegar. Wood vinegar contains organic compounds such as acetic acid and phenols derived from bio-oil. These compounds have herbicidal properties against weeds and biostimulant properties for plant growth. This study reveals the potential for efficient management of cranberry residues consisting of stems and leaves by producing wood vinegar through pyrolysis at 475 °C with a humidity level of 20%. Membrane separation of wood vinegar, using nanofiltration (NF) and reverse osmosis (RO) membranes, yielded phenols in the retentate and acetic acid in the permeate with respective yields of 44.7% with NF membrane and 45% with RO membrane. Biostimulation tests using 2% of the retentate showed significant germination rates for basil, sage, and parsley plants. Additionally, using 40 mL of the wood vinegar permeate (30 mL injected at the base and 10 mL sprayed on the leaves) resulted in leaf damage, measured by conductivity (leakage of electrolytes released by the leaves), of 62.3% and 20.5% respectively for quack grass and white clover, two weeds found in cranberry production.
1. Introduction
The 2020–2030 sustainable agriculture plan of the Quebec government aims to establish high-quality agriculture with environmental respect. This plan prioritises objectives such as improving soil health and conservation, optimising water management, and reducing the use of chemical pesticides [1]. In this context, the Quebec Cranberry Producers Association (APCQ) has explored the valorisation of cranberry agricultural residues (stems and leaves) through pyrolysis. APCQ estimates that over 23,000 tons of cranberry residues are generated annually in the province [2]. Using co-products from pyrolysis could tackle weeds in cranberry cultivation and stimulate cranberry plant growth. Pyrolysis can be defined as the thermochemical conversion of organic matter in the absence of oxygen. Fast pyrolysis primarily produces pyrolytic oil or bio-oil, non-condensable gases, and solid residues named biochar, under the influence of high temperatures (around 500 °C) and rapid cooling of condensable gas [3]. Research studies explored the production of bio-oil through pyrolysis using diverse sources of biomass as feedstocks such as wood, agricultural residues, agroindustrial waste, and forestry byproducts [4]. This approach not only address waste management concerns, but also positions bio-oil as a sustainable source of green energy, generating both chemical products and biofuels. However, the production of bio-oil faces challenges, including high acidity, low thermal stability, low heating value, and high viscosity in comparison to diesel, posing obstacles for its efficient use in car engines [5]. To address these issues, researchers have explored hydrodeoxygenation as a method to upgrade bio-oil into biofuels, aiming to reduce oxygen content, enhance heating value, and improve thermal stability. Despite advancements, the process remains costly. Beyond biofuels, researchers have explored the production of chemicals such as aromatics, acids, and esters from bio-oil, emphasising the value-added potential of certain organic compounds. Polyols, carboxylic acids, phenols, and levulinates have been extensively studied as chemical products derived from bio-oil [6,7]. Some studies also focus on the biocidal potential of bio-oil for various applications, including wood protection, food preservation, and pest control. With increasing concerns about resistance to conventional pesticides and antimicrobials, bio-oil emerges as a promising candidate with insecticidal, antifungal, and antibacterial properties [8].
Fractional condensation of pyrolysis gas can be used to produce mainly two fractions of bio-oil: a dark oily phase that can be used as an energy source or as a chemical feedstock and an contains an aqueous phase, wood vinegar, which is rich in decomposition products of cellulose, hemicellulose, and small lignin molecules [9]. The aqueous phase is primarily composed of macromolecules with phenolic groups from lignin degradation [10]. Fast pyrolysis is often preferred for its ability to produce significant amounts of bio-oil compared to other pyrolysis methods [3]. Wood vinegar contains various chemical molecules, including cyclopentanone, methoxyphenol, acetic acid, methanol, acetone, furfural, phenol, formic acid, levoglucosan, and vanillin. Their content depends on pyrolysis conditions and biomass composition concerning the relative proportion of cellulose, hemicellulose, and lignin. Acetic acid in wood vinegar is essential in the industrial sector. It is used in agriculture for its herbicidal activity against white goosefoot, field bindweed, and Japanese knotweed. It is also used for its antifungal activity against Monilinia fructicola (blue rot) and Aspergillus flavus, which secretes highly toxic and carcinogenic aflatoxins [11]. Meanwhile, phenolic compounds in wood vinegar are used for crop biostimulation. Phenolic compounds are the most widely distributed secondary metabolites present in the plant kingdom. They play structural roles in cell walls and have various roles in plant growth and survival [12].
Several methods are currently used to extract acetic acid and phenolic compounds from bio-oil or its aqueous phase. These include ion exchange resin, activated carbon adsorption process, and vacuum evaporation [13]. However, these aren’t suitable for industrial applications. For instance, with vacuum evaporation, a bio-oil phase change occurs, leading to high energy costs for the process. Therefore, research and development should focus on developing low cost and more efficient separation technologies [14].
This study aims to evaluate the potential for producing wood vinegar through the pyrolysis of stems and leaves from cranberry production, with applications in biostimulation and herbicidal purposes. Optimal separation of acetic acid and phenolic compound fractions using membrane processes was studied. The acetic acid obtained from the permeate was studied for treating weeds in cranberry fields. Phenolic compounds found in the retentate were used for biostimulation of various crop plants.
2. Materials and Methods
2.1. Selection and Preparation of Cranberry Residues
The cranberry residues were generously provided by APCQ. They essentially consist of thin woody stems and leaves collected after the harvest of cranberry fruits. Small quantities of damaged berries are also present.
The collected residues were divided into two batches and dried at 10 and 20% (w.b.), before being ground and sieved to particle sizes between 1 and 4 mm.
2.2. Elemental Analysis
The samples were analyzed using a Truspec Micro elemental analyzer (Leco, St Joseph, Michigan, IL, USA). The residue samples were first combusted at 1000 °C, then the composition of the combustion gases was analyzed using infrared detectors (carbon, hydrogen, and sulfur) and a thermal conductivity detector (nitrogen).
2.3. Fibres Content: Hemicellulose, Cellulose, and Lignin
The samples were homogenised and ground to a particle size between 1 and 1.5 mm using a Pulverisette 15 (Frisch, Landsberger, Berlin, Germany) and stored at room temperature in buckets and bags. A sample of each biomass was taken for characterization, that is, the determination of the biomass composition in terms of cellulose, hemicellulose, lignin, and extractable. Extractables and hemicellulose were determined respectively by the NDF (Neutral Detergent Fibre) method and the ADF (Acid Detergent Fibre) method using the ANKOM fibre analyser (ANKOM, NY, USA) method [15]. See Equations (1) and (2). Lignin content was evaluated by the Klason Lignin method, and cellulose was calculated by Equation (3).
2.4. Pyrolysis Operating Conditions
Pyrolyis experiments were carried out to determine the optimal temperature to recover the highest yield of wood vinegar from the cranberry residues dried at 10 and 20% (w.b.). The auger pyrolysis system used (Figure 1) is described by Brassard et al. [16]. For each pyrolysis test, 650 g of residues were introduced into the pyrolysis feed hopper. A flow of nitrogen was injected into the hopper at a flow rate of 5 L/min to ensure a reaction in the absence of oxygen. The ground residues were fed to the reaction chamber through the auger screw at a rate of 3.5 g/min, corresponding to a residence time of the residues of 100 s. The biochar was collected in the tank maintained at 200 °C during the pyrolysis test. Fine particles were separated from the pyrolysis gas by an internal deflector 10.2 cm in diameter and 10.5 cm long placed at the reactor exit. The gas was evacuated through an opening in the top part of the tank and directed towards the countercurrent condensation system composed of three condensers as described by Álvarez-Chávez et al. [17], one at 120 °C to recover the oily phase of bio-oil, another for the recovery of the aqueous phase, and the last at 4 °C for the recovery of the remaining aqueous phase. The reported yields (Y) are calculated on wet basis according to Equations (4)–(6) as follows:
Figure 1.
Schematic view of the pyrolysis unit.
2.5. Membrane Filtration
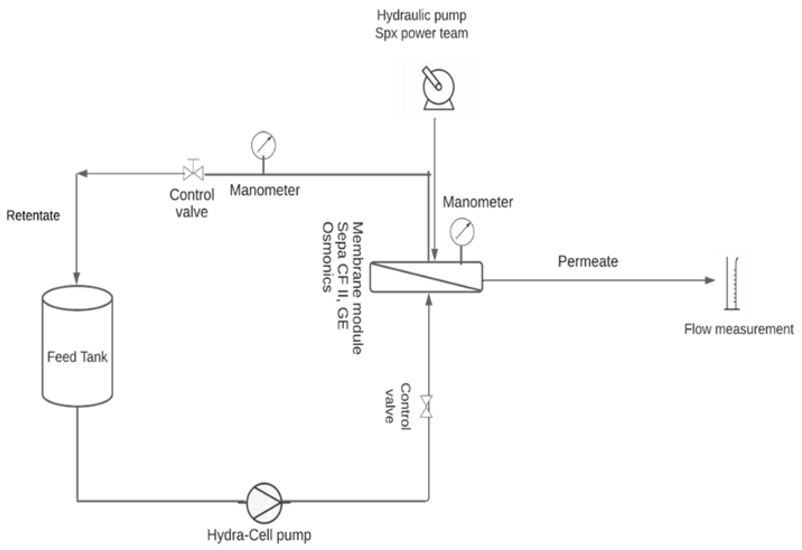
The membrane system used consisted of a membrane module (Sepa CF II, GE Osmonics, Fairfield, CT, USA), a manual hydraulic pump (Spx Power team), a feed tank with treatment volumes of 1 to 4 L, a high-pressure pump of 600 psi (Hydra-Cell Wanner Engineering Inc., Minneapolis, MN, USA), a pressure gauge and a graduated cylinder for flow rate measurement (Figure 2). Various nanofiltration (NF) and reverse osmosis membranes with a molecular weight cut-off greater than 100 g/mol were used for the separation of acetic acid (molecular weight 60 g/mol) from polyphenols derived from the aqueous phase (Table 1). The membranes were inserted one at a time into the plate designed to hold the membranes. Next, the hydraulic port of the membrane unit was activated to establish a pressure reaching the operational pressure to compress the membrane cell and prevent it from opening at high pressures. Three different pressures were studied for each membrane, specifically 200, 400 and 600 psi. A volume of 800 mL of wood vinegar served as the working volume and was introduced into the feed tank. The feed rate used for all experiments was 3 L/min at 20 °C.
Figure 2.
Schematic representation of the membrane unit.
Table 1.
Characteristics of the nanofiltration and reverse osmosis membranes.
2.6. Determination of Filtration Parameters
Permeability is an intrinsic characteristic of the membrane structure. It is calculated based on the viscosity (μ), the water permeate flow (), and the transmembrane pressure (ΔP). It corresponds to the slope of the line whose origin is (0, 0). The permeability of pure water was measured before and after membrane filtration of wood vinegar to assess membrane integrity in terms of permeability. The permeate flow was calculated using Equation (7):
where represents the permeate flow in m/s, Q is the volumetric flow rate in m3/s, and A is the membrane surface area in m2. For determining the retention rate (TR), a sample of each permeates and concentrate generated during tests were collected and analysed. Then, the acetic acid retention rate was calculated using Equation (8):
where is the concentration in mg/L of acetic acid in the feed solution, and is the concentration in mg/L of acetic acid in the permeate [18].
2.7. Gas Chromatography (GC) Coupled with Mass Spectrometry (MS)
Gas chromatography (GC) coupled with mass spectrometry (MS) analyses were performed on pyrolysates, retentates, and permeates. Quantification of acetic acid was done using an internal standard. For other organic compounds, quantification is based on percentages of peak area relative to each compound compared to the total peak areas obtained from the chromatogram (relative yield). These relative peak areas are then added up based on their associated categories. The relative yield is calculated using Equation 9.
where Ps is the peak area of identified products, and Ptotal is the total peak area of detected products.
2.8. Biostimulation Tests
Biostimulation tests were conducted with the retentate obtained by membrane separation. A germination test was conducted to evaluate the biostimulant potential of phenols recovered in the retentate. Basil, parsley, and sage seeds of equal size and weight were purchased. Seeds were planted in pots (6.8 cm × 7.87 cm) filled with commercial potting soil and left to germinate at 25 °C for 28 days. Optimal germination conditions recommended by their respective producers indicated a 65% humidity rate for the potting soils. To achieve this rate, the potting soil was moistened with 7.6 mL of water or water and retentate solutions. The control contained 7.6 mL of distilled water, while the five tests contained a mix of water and retentate at concentrations of: 0.5, 1, 1.5, 2, and 2.5%. Nine seeds were sown per pot to the recommended planting depth (about 1 cm) and spaced 2.5 cm apart. Finally, the pots were covered with perforated plastic film to maintain humidity and ensure aeration. Seedlings were considered emerged when cotyledons were visible and freed from the soil. Seeds were counted every 24 h from when the first seedlings emerged (after 48 h) until the emergence percentage was constant over a 48-h period. All tests were conducted in triplicate.
2.9. Determination of Leaf Chlorophyll Rates
Analyses of chlorophylls a and b were carried out after 28 days of treatment on treated and untreated leaf samples weighing 2 g. The weighed samples were added separately to 95% diethyl ether, 96% methanol, and 100% acetone (100 mL for each 2 g). They were homogenised with a homogeniser at 1000 rpm for one minute. The homogenate was filtered and centrifuged at 2500 rpm for ten minutes. The supernatant was separated, and absorbances were read at 400–700 nm on a UV-260 spectrophotometer. It was recorded that Chlorophyll a shown maximum absorbance at 662 nm, chlorophyll b at 646 nm, and total chlorophyll at 470 nm. The number of these pigments was calculated according to the formulas of Wellburn [19]. Each experiment was replicated three times.
2.10. Bioherbicide Test
Weed Sampling Laboratory experiments were conducted to determine the bioherbicide effect of wood vinegar permeate (Table 1). White clover (trifolium repens) and couch grass (agropyrum repens) weeds were collected from VMO Gardens. The geographic coordinates of the VMO gardens are −72.40189830° (longitude) and 45.86137170° (latitude). Weed plants were picked with their native soil and placed in pots for transportation to our laboratory, where tests were conducted under controlled conditions.
2.11. Bioherbicide Action on Conductivity
Phytotoxicity was determined in a preliminary experiment by soaking 0.07 g of leaves taken from white clover and couch grass in 10 mL of permeate at 12% (v/v) acetic acid for 10 min. Controls for this study were performed with the same volumes and the same treatment with pure vinegar found commercially and diluted with distilled water until it reached 12% (v/v). Another control used was distilled water at the same treatment volume. Each treatment was replicated three times. Leaves were placed in a glass jar containing water to maintain high humidity for 1 h. The leaves were then placed in erlenmeyer flasks containing 15 mL of deionised water and left to equilibrate for 18 h under stirring (250 rpm). Conductivity of the solutions containing the leaves was measured, and a qualitative estimate of the damage was done. Damage assessment includes three categories: 0 indicated little or no damage (necrosis and water-soaked appearance); + indicated damage to almost half of the leaf; ++ indicated severe damage to most of the leaf disc. Solutions containing the leaves were autoclaved for 1 h and equilibrated by stirring for 4 h before conductivity was measured again. Leaf injuries caused by treatments were calculated for each leaf with conductivity before autoclaving (electrolyte leakage caused by the treatment) divided by conductivity after autoclaving (maximum electrolyte leakage from a killed leaf disc). Leaf injuries caused by the treatment were expressed as a percentage of maximum conductivity. Each treatment was replicated three times. Table 2 presents the qualitative assessment grid of the bioherbicidal action of cranberry wood vinegar permeates on couch grass and white clove.
Table 2.
Qualitative assessment grid of the bioherbicidal action of cranberry wood vinegar permeates on couch grass and white clove.
3. Results
3.1. Production of Wood Vinegar from Pyrolysis of Cranberry Residues
The pyrolysis temperature is an essential parameter that affects the composition and yield of co-products. The high lignin (43.9%) and carbon (46.8%) content in cranberry residues result in a substantial production of biochar during thermal degradation (Table 3) [20]. Biochar is the primary product obtained from the pyrolysis of cranberry residues. Specific conditions are requires to generate more aqueous phases of bio-oil [21,22]. Under the studied conditions, two parameters have been found to enhance the yield of the aqueous phase of bio-oil production. Initially, a moisture level of 20% in cranberry residues serves to lower viscosity and achieve a substantial wood vinegar yield, whereas a lower yield is obtained at a 10% moisture level. Notably, elevating the moisture content from 10% to 20% decreases viscosity by augmenting the initial water content, thereby facilitating wood vinegar production. Another critical factor to optimize for of wood vinegar production is the pyrolysis temperature. A temperature of 475 °C with a humidity of 20% resulted in the highest wood vinegar yield, at 26.7% (w/w) (Table 4). Mabrouki et al. [23] showed that an increase in temperature positively affects acetic acid yield. However, beyond a certain threshold, at very high temperatures, there is secondary cracking of volatile compounds leading to a high gas production and low bio-oil output. This observation was made in this study when the pyrolysis temperature reached 550 °C
Table 3.
Characterization and elemental analyses of cranberry residues.
Table 4.
Average yield of wood vinegar, biochar, and oily fraction of bio-oil based on the moisture of the biomass and pyrolysis temperature.
3.2. Membrane Processes Applied to Wood Vinegar
The GC-Ms analysis of wood vinegar shows the predominant presence of acetic acid, catechol, and phenol derivatives. The Table 5 displays a comparative examination of how acetic acid and catechol behave in terms of retention when subjected to various membrane types (Desal DL, NF90, and BW30) and varying transmembrane pressures (200, 400, and 600 psi). With nanofiltration membranes, the retention of acetic acid slightly decreases with increasing pressure. The Desal DL membrane has a very low retention rate for acetic acid at 600 psi (28.8%) compared to NF90 (71.7%) and BW30 (89.4%) membranes, resulting in a higher concentration of acetic acid in the permeate obtained with the Desal DL membrane. Catechol rejections increase with increasing pressure for the Desal DL membrane but decrease for the NF90 and BW30 membranes. The high catechol rejections obtained with the Desal DL membrane are due to steric and electric effects that disrupt solute transport. Conversely, the reduction in catechol rejections observed in the NF90 and BW30 membranes can be attributed to a concentration polarisation, which occurs due to elevated pressure and leads to the transport of a greater quantity of solutes toward the membrane surface. This reduces charge efficiency, leading to a decrease in the rejection rate [24,25].
Table 5.
Retention rate of acetic acid and catechol obtained with the Desal DL, NF90, and bw30 membranes as a function of pressure.
3.3. The quality of the Permeate and Retentate
An examination of the permeate and retentate from wood vinegar reveals that acetic acid is the prevailing compound in the permeate, constituting a relative yield of 45% (refer to Table 6). Additionally, the permeate contains various other organic compounds, including 3-methyl butanoic acid (14.7%), 1-hydroxy-2-propanone (11.7%), and Furfural (10%). Studies have shown that the retention of acetic acid could be altered in the presence of other organic acids due to intermolecular interactions between acetic acid and other components [26]. On the other hand, the retentate displays a lower yield of acetic acid, accounting for only 7.5%. Its primary distinguishing characteristic is the prevalence of phenolic compounds, notably catechol (36%), 4-methyl-1,2-benzenediol (8.4%), and 3-methyl-1,2-benzenediol (5.4%).
Table 6.
Relative yields % of organic compounds obtained by GC-MS present in the permeate and retentate obtained with the Desal DK membrane at 600 psi.
3.4. Biostimulation Test
3.4.1. Evaluation of Germination Rates
Figure 3 illustrates the germination rates of basil, parsley, and sage at six retentate concentrations in the moistening solution. There is no observable distinction in the germination percentage of basil between the treatments and the control on the second day of growth. In Figure 3A, a clear linear increase in germination rates is observed, as the retentate concentrations rise between the second and fourth days. On the third day, the rates observed with treatments at 0.50, 1, and 2.5% exceed those of the untreated control seeds by 3.7, 11.1, and 11.1%, respectively. However, the germination rate of the 1.5% treatment is 3.7% lower than the control. These results are in line with findings by Reigosa et al. [27] that showed that low concentrations of low molecular weight phenolic compounds can be neutral or stimulate germination. Our study demonstrates this trend with the notably high germination rates observed in the 0.5% and 1% treatments. Over a 28-day period, germination percentages resulting from soil treatments at concentrations of 0.5, 1, 1.5, 2, and 2.5% reached levels of 88, 92, 96, 85, 88 and 92%, respectively. It’s worth noting that soil treatment also influences germination kinetics. Specifically, on the third day, the germination rates of the 0.5, 1 and 2% treatments surpass those of the second day by 17.4, 20, and 18.2%, respectively, in contrast to the control, which exhibits a gradual increase at a rate of 9.09% compared to the second-day percentage.
Figure 3.
Average germination rate of basil (A), parsley (B), and sage (C) at six retentate concentrations in the moistening solution.
For parsley, the germination rates of the 1.5 and 2% treatments surpass those of the control by 22 and 29%, respectively. However, after 28 days, parsley germination was hindered by the 0.5, 1 and 2.5% concentrations, resulting in reductions of 14.8, 18.5, and 7.4%, respectively. The inhibitory effect of the 2.5% soil treatment can be at-tributed to the fact that the 2% concentration represents the minimum inhibitory concentration for germination. The inhibition of germination by low concentrations may be due to the difficulty of product penetration into the seeds. Furthermore, with the water potential considered equal to 0 Joule/kg, soil treatment with solutes lowers water potential and increases osmotic pressure on plant tissues [28]. This is reflected in our study by the weak stem elongation. On the other hand, significant germination of concentrations 1.5 and 2% might be due to penetration and accumulation of solutes in the seeds, causing a reduction in seed water potential and thus seed imbibition. This physiological response was observed in tomatoes, which maintain their germination capability when the water potential is less than −0.3 MPa [29]. Regarding sage, seed germination was inhibited by the various retentate concentrations. Germination rates of treatment 0.5, 1 and 1.5%; 2 and 2.5% are lower than the control by 22, 18, 22, 3.7 and 14% respectively. The inhibition of sage seed germination can be explained by the allelochemical activity of the solutes present in the retentate, namely catechol, which makes up 31% of the retentate composition. Studies have shown that catechol has a moderate activity inhibiting germination by 30 to 70% [30]. Allopathic mechanisms in seed germination tests may involve membrane alteration, resulting in metabolite loss and a significant decrease in the capability to establish the osmotic potential necessary for cellular elongation [31]. Germination inhibition can also be caused by interactions of concentration, compound combinations, and sensitivity of the tested species [32]. Luo et al. [33] studied the effect of wood vinegar and biochar obtained through the pyrolysis of poplar trees on the germination of two plants, pepper (Capsicum annuum Linn), and tomato (Lycopersicon esculentum Miller). The addition of wood vinegar had no effects on the germination of pepper and tomato, while it promoted the lengths of the root and shoot at low concentrations (0.002 and 0.02%). Additionally, wood vinegar individually promoted the root development of pepper seedlings, such as the root length by 45.4–51.6% and increased the biomass of the shoot and root by 20.9–22.0% and 100–113%, respectively; however, co-application showed little effects. For the tomato, wood vinegar individually exerted little influence on its growth, while biochar individually facilitated its seedling growth, including root development and above ground and underground biomass production. Compared to the individual application of wood vinegar, the co-application of wood vinegar and biochar significantly increased the root length, surface area, and volume of tomato by 98.0%, 66.7%, and 83.1%, respectively. These results could attribute to the enhanced nutrient availability and the slow-released active acid and phenol components in wood vinegar adsorbed by the biochar. Compared to this study, our research demonstrates the impact of wood vinegar retentate on seed germination capacity. This could be attributed to the quantity of nutrients and phenolic compounds present in the concentrated retentate, whereas non-concentrated wood vinegar may not yield such results [34]. In fact, Karimian et al. [34] demonstrated that the use of different proportions of wood vinegar has positive effects on soil acidity, electrical conductivity, soluble magnesium, soluble calcium, and organic carbon. These results were even more significant when the concentration of wood vinegar was equal to or greater than 0.4 g/kg. The co-application of wood vinegar and biochar led to increase in the stem diameter, dry weight, and wet weight of the plant.
3.4.2. Chlorophyll Content
The results concerning the chlorophyll a (Chla), chlorophyll b (Chlb), and total chlorophyll (Chl) contents in basil, parsley, and sage are illustrated in Figure 4. For basil, the estimated chlorophyll pigment content reveals that treatments involving the retentate at various concentrations lead to higher total chlorophyll levels (the sum of Chla and Chlb). This increase is particularly pronounced (approximately 30%) in plants treated with a 2.5% concentration (0.7 mg/g of fresh matter, FM) compared to untreated plants (0.479 mg/g FM) (see Figure 4A). These results align with the findings on germination rates, indicating that lower concentrations (0.5%) have a stimulating effect and result in higher chlorophyll content (0.664 mg/g FM), surpassing the levels in the 1% (0.61 mg/g FM) and 1.5% (0.580 mg/g FM) treatments. This improvement could potentially be associated with an increase in leaf surface area, enhanced leaf hydration, or improved phosphorus (P) nutrition, which is vital for CO2 assimilation re-actions in plants [24].
Figure 4.
Average Chlorophyll a, b, and total chlorophyll content (%) of basil (A), parsley (B), and sage (C) at six retentate concentrations.
For parsley, treating the soil with retentate solutions enhanced the plant’s photo-synthetic capacity by increasing Chla, Ch1b, and Chl levels, except at 1% concentration (Figure 4B). Treated plants exhibited a significant rise in total Chl compared to the control by 10, 24.7, 29.7 and 12.94% for the 0.5, 1.5, 2, and 2.5% treatments, respectively. This pigment increase in these plants might stem from enhanced transpiration, photosynthesis, stomatal conductance, and overall plant growth. These results are also evidenced by the dark green hue of the leaves due to the presence of numerous thylakoid membranes containing both Chla and Chlb.
As for sage, treating the soil with different retentate concentrations brought about changes in the plant’s pigments and photosynthetic components, as depicted in Figure 4C. The total chlorophyll concentration surpasses that of the control by 68, 60.5, 43.9, 72.0 and 52.5% for the 0.5, 1, 1.5, 2 and 2.5% concentrations, respectively. Nevertheless, following the 0.5% treatment, there was a decline in chlorophyll content. Similar results were reported by Khatun et al. [25] on drought-stressed soya bean plants and by Tofig [26] on durum wheat and bread wheat exposed to water stress. Their studies revealed that the activity of glutamate synthetase, an enzyme involved in the biosynthesis of glutamate—a precursor of chlorophyll pigments—can be impacted by water stress. Additionally, the high chlorophyll content observed with the 2% concentration can be attributed to enhanced water absorption and uptake of biogenic salts like magnesium. These biogenic salts are essential for chlorophyll renewal. The used soils are mineral rich based on conductivity analysis conducted (1810 µS/cm). For instance, magnesium activates crucial enzymes for the plant, including ATPases, ribu-lose-1,5-bisphosphate carboxylase (RUBISCO), RNA polymerase, and protein kinases [27].
3.4.3. Plant Growth
Application of varying concentrations of the retentate to the soil has triggered enhanced plant growth, as illustrated in Figure 5 and Figure 6. As the treatment concentration increased from 0.5 to 2.5%, there was a corresponding increase in plant height: 0.3, 0.8, 6.8, 11 and 10.6% for basil; 1.2, 1.3, 4.5, 8.3 and 7.9% for parsley; and 1.9, 0.6, 3.3, 6.9 and 4.9% for sage compared to the control groups. This differential growth in plant length is notably distinct for all three plants, showing a consistent trend of exponential growth with the increasing retentate concentration from 0 to 2%, followed by a minor growth deceleration at 2.5%. Although for basil, a more pronounced growth disruption is observed between the 1 and 1.5% treatments, the overall trend remains consistent across all plants. Therefore, for all three plants, the optimal growth concentration is 2% and the minimum growth inhibitory concentration is 2.5%. This confirms literature data on the optimal retentate concentrations for bio-stimulation and justifies the initially chosen investigation range (from 0.5 to 2.5%) [18,28]. Additionally, these results align with the chlorophyll content findings, indicating that the highest total chlorophyll content was achieved with the 2% treatments for basil, parsley, and sage. It’s also worth noting that, irrespective of the concentrations, all plants treated with the retentate showed no visible signs of wilting (Figure 6). Zhang et al. [35] conducted experiments using mixtures of lignocellulosic biomass for the biostimulation of blueberry plants. They added biochar alone at 1.5 and 3%, as well as wood vinegar at 0.2%, and combined biochar and wood vinegar at 1.5%. After 103 days, there was no difference in plant height compared to the control. However, concerning fruit yield per tree, only wood vinegar at 0.2% (320) resulted in a higher fruit count than the control (270). This study, even though it did not employ membrane filtration to concentrate phenolic compounds in wood vinegar, still demonstrates that wood vinegar derived from lignocellulosic biomass enables the biostimulation of agricultural plants. Nevertheless, the presence of biochar had no positive impact on blueberries fruit quality or yield.
Figure 5.
Plant growth after 28 days based on retentate concentrations in the moistening solution.
Figure 6.
Morphological appearance of plants after 28 days of treatment.
3.5. Bioherbicide Test
3.5.1. Assessment of Permeate Phytotoxicity by Conductivity Measurement
The white clover plants (Trifolium repens) unearthed from the sampling site were small with sprawling, rooting stoloniferous stems at the nodes. Their leaves were trifoliate with long petioles. The leaflets were non-denticulated, green, and each bore a V-shaped whitish central mark. The flowers were pinkish white, characterised by a globular inflorescence with a long stalk. As for the couch grass (Agropyron repens, (L.) Beauv.), their rhizomes were marked by the presence of nodes and internodes that gave rise to roots and offshoots (Figure 7). These offshoots turned upwards, transforming into upright leafy stems approximately 30 cm tall. The leaves were flat and nearly smooth.
Figure 7.
Healthy white clover and couch grass potted.
The evaluation of phytotoxicity in the permeate, determined through conductivity measurements as presented in Table 7, demonstrates that the application of wood vinegar permeates leads to a higher percentage of leaf lesions in both couch grass and white clover, when compared to the control. A 12% acetic acid concentration (v/v) induces an elevation in oxidative stress within plant cells, primarily due to its toxic properties. Additionally, it’s worth emphasising that the permeate derived from wood vinegar exhibited higher phytotoxicity compared to white vinegar, leading to significantly greater percentages of leaf lesions. This phenomenon can be attributed to the specific molecules present in the wood vinegar permeate, including butanoic acid and furfural, which appear to act synergistically with acetic acid [36].
Table 7.
Electrolyte leakage and visual assessment of leaf lesions of couch grass and white clover treated with white vinegar and the permeate of wood vinegar in Erlenmeyer flasks.
3.5.2. Assessment of Wood Vinegar Permeates Phytotoxicity on Weeds
The phytotoxicity of the treatments was determined through a qualitative visual assessment of the condition of the weeds. The application of wood vinegar permeates resulted in the withering and discolouration of both the couch grass and white clover leaves. Treating white clover and couch grass with the wood vinegar permeate also impacted the chlorophyll content and leaf area. This manifested as tissue withering and subsequently, the death of the plants, in contrast to the untreated control (Figure 8). Treatment with white vinegar resulted in a yellowing of the tissue between the primary leaf veins and around the leaf edges. In contrast, treatment with the wood vinegar permeates caused the leaves to darken. A phytotoxicity exceeding 75% was observed after four days for both species treated with the wood vinegar permeates, whereas it was observed after 15 days with white vinegar. Meanwhile, the controls showed no change in leaf shape or colour, and thus no phytotoxicity was detected (0%).
Figure 8.
Morphological appearance of white clover and couch grass after 25 days of treatment with the wood vinegar permeate and white vinegar (12%).
The assessment of electrolyte leakage through electrical conductivity measurements shows that the leaf lesion percentage obtained with the wood vinegar permeates was 95% for the couch grass and 86% for the white clover, compared to the control (Figure 9). The wood vinegar permeates proved to be more phytotoxic than white vinegar, with a leaf lesion percentage 2.7% and 1.3% higher respectively for couch grass and white clover. Topal et al. [30] also reported that bioherbicidal activity was higher in the case of wood vinegar compared to pure vinegar. The organic compounds detected in the permeate, including butanoic acid, furfural, and catechol, endow the wood vinegar permeates with superior herbicidal activity compared to pure vinegar, as they can synergies with acetic acid.
Figure 9.
Electrolyte leakage and visual assessment of leaf lesions of couch grass and white clover treated with white vinegar and the permeate of wood vinegar in pots.
4. Conclusions
This study focused on the pyrolysis of cranberry residues under conditions to maximize the production of the aqueous phase of bio-oil, also known as wood vinegar. The highest yield of wood vinegar was obtained at a pyrolysis temperature of 475 °C and with the residues at a moisture rate of 20%. It contains a high proportion of organic compounds, notably acetic acid, and phenols. Among the various nanofiltration and re-verse osmosis membranes that were studied, fractionating the wood vinegar with the Desal DK nanofiltration membrane resulted in a superior separation of phenols at 44.7% in the retentate and acetic acid at 45% in the permeate. The biostimulation tests with solutions at different concentrations of the retentate demonstrated that the highest germination percentages were achieved following the treatment of the soil and seeds with concentrations of 1 and 2% respectively for basil (96%) and parsley (89%). Furthermore, plants treated with 2% wood vinegar retentate showed a significant increase in total chlorophyll compared to the controls. Their retentate, rich in phenols, proved to be a good soil amendment. As for the herbicidal activity, electrical conductivity measurements revealed that the wood vinegar permeates (12% v/v) was the most phytotoxic, causing leaf lesions of 62.3 and 20.5% respectively for the couch grass and white clover.
This was the first attempt to investigate the effects of different fractions of wood vinegar produced from the pyrolysis of cranberry residues for bioherbicidal and biostimulant effect. The results of this study are prominent because they demonstrate the feasibility of valorising lignocellulosic biomass both in agriculture and forestry and confirms that pyrolysis could be a viable approach for managing lignocellulosic residues. These residues are generated in significant quantities worldwide, often being incinerated and producing greenhouse gases. Moreover, the use of acetic acid and phenols could reduce the reliance on chemical pesticides and fertilisers.
Author Contributions
Conceptualisation, Methodology, Writing—Original Draft: G.B.; Conceptualisation, Writing—Review & Editing: A.N.; Visualisation, Writing—Review & Editing: D.K.; Writing—Review & Editing: P.B.; Writing—Review & Editing: É.L.R.; Writing—Review & Editing: S.G.; Writing—Review & Editing, Supervision, Funding Acquisition: K.A. All authors have read and agreed to the published version of the manuscript.
Funding
This project has been funded by le ministère de l’Agriculture, des Pêcheries et de l’Alimentation du Québec (MAPAQ) under the project number IA119519.
Data Availability Statement
The authors confirm that the data supporting the findings of this study are available within the article.
Acknowledgments
All authors have read and agreed to the published version of the manuscript. The authors would like to acknowledge Institut National de la Recherche Scientifique (INRS) and le ministère de l’Agriculture, des Pêcheries et de l’Alimentation du Québec (MAPAQ) for their financial support.
Conflicts of Interest
The authors declare no conflict of interest.
References
- Gratton, F. Agriculture durable au Québec: Rencontre entre Marcel Groleau et Christiane Pelchat. Vecteur Environ. 2021, 54, 6–9. [Google Scholar]
- Trépanier, K. Analyse Environnementale et Socio-Économique de la Production de Canneberges au Québec en Fonction des Principes de Développement Durable; Université de Sherbrooke: Québec, QC, Canada, 2015. [Google Scholar]
- Bridgwater, A.V. Review of fast pyrolysis of biomass and product upgrading. Biomass Bioenergy 2012, 38, 68–94. [Google Scholar] [CrossRef]
- Hu, X.; Gholizadeh, M. Progress of the applications of bio-oil. Renew. Sustain. Energy Rev. 2020, 134, 110124. [Google Scholar] [CrossRef]
- Hu, X.; Mourant, D.; Gunawan, R.; Wu, L.; Wang, Y.; Lievens, C.; Li, C.-Z. Production of value-added chemicals from bio-oil via acid catalysis coupled with liquid–liquid extraction. RSC Adv. 2012, 2, 9366–9370. [Google Scholar] [CrossRef]
- Li, H.; Mahmood, N.; Ma, Z.; Zhu, M.; Wang, J.; Zheng, J.; Yuan, Z.; Wei, Q.; Xu, C.C. Preparation and characterization of bio-polyol and bio-based flexible polyurethane foams from fast pyrolysis of wheat straw. Ind. Crops Prod. 2017, 103, 64–72. [Google Scholar] [CrossRef]
- Cáceres, L.A.; McGarvey, B.D.; Briens, C.; Berruti, F.; Yeung, K.K.-C.; Scott, I.M. Insecticidal properties of pyrolysis bio-oil from greenhouse tomato residue biomass. J. Anal. Appl. Pyrolysis 2015, 112, 333–340. [Google Scholar] [CrossRef]
- Venderbosch, R.; Prins, W. Fast pyrolysis technology development. Biofuels Bioprod. Biorefin. 2010, 4, 178–208. [Google Scholar] [CrossRef]
- Le Roux, É.; Barnabé, S.; Godbout, S.; Zamboni, I.; Palacios, J. Production and characterization of two fractions of pyrolysis liquid from agricultural and wood residues. Biomass Convers. Biorefin. 2020, 12, 3333–3343. [Google Scholar] [CrossRef]
- Stewart, D. Lignin as a base material for materials applications: Chemistry, application and economics. Ind. Crops Prod. 2008, 27, 202–207. [Google Scholar] [CrossRef]
- Vidra, A.; Németh, Á. Bio-produced acetic acid: A review. Period. Polytech. Chem. Eng. 2018, 62, 245–256. [Google Scholar] [CrossRef]
- Lattanzio, V. Phenolic Compounds: Introduction. In Natural Products; Ramawat, K., Mérillon, J.M., Eds.; Springer: Berlin/Heidelberg, Germany, 2013; pp. 1543–1580. [Google Scholar] [CrossRef]
- Chen, K.; Hao, S.; Lyu, H.; Luo, G.; Zhang, S.; Chen, J. Ion exchange separation for recovery of monosaccharides, organic acids and phenolic compounds from hydrolysates of lignocellulosic biomass. Sep. Purif. Technol. 2017, 172, 100–106. [Google Scholar] [CrossRef]
- Chan, Y.H.; Loh, S.K.; Chin, B.L.F.; Yiin, C.L.; How, B.S.; Cheah, K.W.; Wong, M.K.; Loy, A.C.M.; Gwee, Y.L.; Lo, S.L.Y. Fractionation and extraction of bio-oil for production of greener fuel and value-added chemicals: Recent advances and future prospects. Chem. Eng. J. 2020, 397, 125406. [Google Scholar] [CrossRef]
- Van Soest, P.; Robertson, J.; Lewis, B. Symposium: Carbohydrate methodology, metabolism, and nutritional implications in dairy cattle. J. Dairy Sci. 1991, 74, 3583–3597. [Google Scholar] [CrossRef] [PubMed]
- Brassard, P.; Godbout, S.; Raghavan, V.; Palacios, J.H.; Grenier, M.; Zegan, D. The production of engineered biochars in a vertical auger pyrolysis reactor for carbon sequestration. Energies 2017, 10, 288. [Google Scholar] [CrossRef]
- Álvarez-Chávez, B.J.; Godbout, S.; Raghavan, V. Effect of fractional condensation system coupled with an auger pyrolizer on bio-oil composition and properties. J. Anal. Appl. Pyrolysis 2021, 158, 105270. [Google Scholar] [CrossRef]
- Abou-Yousef, H.; Steele, P. Increasing the efficiency of fast pyrolysis process through sugar yield maximization and separation from aqueous fraction bio-oil. Fuel Process. Technol. 2013, 110, 65–72. [Google Scholar] [CrossRef]
- Wellburn, A.R. The spectral determination of chlorophylls a and b, as well as total carotenoids, using various solvents with spectrophotometers of different resolution. J. Plant Physiol. 1994, 144, 307–313. [Google Scholar] [CrossRef]
- Garcia-Perez, M.; Wang, S.; Shen, J.; Rhodes, M.; Lee, W.J.; Li, C.-Z. Effects of temperature on the formation of lignin-derived oligomers during the fast pyrolysis of Mallee woody biomass. Energy Fuels 2008, 22, 2022–2032. [Google Scholar] [CrossRef]
- Duman, G.; Okutucu, C.; Ucar, S.; Stahl, R.; Yanik, J. The slow and fast pyrolysis of cherry seed. Bioresour. Technol. 2011, 102, 1869–1878. [Google Scholar] [CrossRef]
- Almeida, T.M.; Bispo, M.D.; Cardoso, A.R.; Migliorini, M.V.; Schena, T.; de Campos, M.C.V.; Machado, M.E.; Lopez, J.A.; Krause, L.C.; Caramao, E.B. Preliminary studies of bio-oil from fast pyrolysis of coconut fibers. J. Agric. Food Chem. 2013, 61, 6812–6821. [Google Scholar] [CrossRef]
- Demirbas, A. Pyrolysis of municipal plastic wastes for recovery of gasoline-range hydrocarbons. J. Anal. Appl. Pyrolysis 2004, 72, 97–102. [Google Scholar] [CrossRef]
- Zhang, Y.; Hui, J.; Qin, Q.; Sun, Y.; Zhang, T.; Sun, H.; Li, M. Transfer-learning-based approach for leaf chlorophyll content estimation of winter wheat from hyperspectral data. Remote Sens. Environ. 2021, 267, 112724. [Google Scholar] [CrossRef]
- Khatun, M.; Sarkar, S.; Era, F.M.; Islam, A.M.; Anwar, M.P.; Fahad, S.; Datta, R.; Islam, A.A. Drought Stress in Grain Legumes: Effects, Tolerance Mechanisms and Management. Agronomy 2021, 11, 2374. [Google Scholar] [CrossRef]
- Tofig, A. Effect of drought stress on some physiological traits of durum (Triticum durum Desf.) and bread (Triticum aestivum L.) wheat genotypes. J. Stress Physiol. Biochem. 2015, 11, 29–38. [Google Scholar]
- Teella, A.; Huber, G.W.; Ford, D.M. Separation of acetic acid from the aqueous fraction of fast pyrolysis bio-oils using nanofiltration and reverse osmosis membranes. J. Membr. Sci. 2011, 378, 495–502. [Google Scholar] [CrossRef]
- Manohar, M.S. Effect of “osmotic” systems on germination of peas (Pisum sativum L.). Planta 1966, 71, 81–86. [Google Scholar] [CrossRef] [PubMed]
- Ni, B.-R.; Bradford, K.J. Quantitative models characterizing seed germination responses to abscisic acid and osmoticum. Plant Physiol. 1992, 98, 1057–1068. [Google Scholar] [CrossRef]
- Topal, S.; Kocaçalışkana, I.; Arslan, O. Herbicidal potential of catechol as an allelochemical. Z. Für Naturforschung C 2006, 61, 69–73. [Google Scholar] [CrossRef]
- Marthandan, V.; Geetha, R.; Kumutha, K.; Renganathan, V.G.; Karthikeyan, A.; Ramalingam, J. Seed priming: A feasible strategy to enhance drought tolerance in crop plants. Int. J. Mol. Sci. 2020, 21, 8258. [Google Scholar] [CrossRef]
- Valanciene, E.; Jonuskiene, I.; Syrpas, M.; Augustiniene, E.; Matulis, P.; Simonavicius, A.; Malys, N. Advances and prospects of phenolic acids production, biorefinery and analysis. Biomolecules 2020, 10, 874. [Google Scholar] [CrossRef]
- Luo, X.; Wang, Z.; Meki, K.; Wang, X.; Liu, B.; Zheng, H.; You, X.; Li, F. Effect of co-application of wood vinegar and biochar on seed germination and seedling growth. J. Soils Sediments 2019, 19, 3934–3944. [Google Scholar] [CrossRef]
- Karimian, N.; Ghorbani Dashtaki, S.; Motaghian, H.; Iranipour, R.; Khalili Moghadam, B. Effect of Application of Biochar and Wood Vinegar on Some Chemical and Microbiological Properties of Soil under Forage Corn Cultivation. J. Water Soil Conserv. 2022, 29, 23–44. [Google Scholar] [CrossRef]
- Zhang, Y.; Wang, X.; Liu, B.; Liu, Q.; Zheng, H.; You, X.; Sun, K.; Luo, X.; Li, F. Comparative study of individual and co-application of biochar and wood vinegar on blueberry fruit yield and nutritional quality. Chemosphere 2020, 246, 125699. [Google Scholar] [CrossRef] [PubMed]
- Mine, S.; Boopathy, R. Effect of organic acids on shrimp pathogen, Vibrio harveyi. Curr. Microbiol. 2011, 63, 1–7. [Google Scholar] [CrossRef]
Disclaimer/Publisher’s Note: The statements, opinions and data contained in all publications are solely those of the individual author(s) and contributor(s) and not of MDPI and/or the editor(s). MDPI and/or the editor(s) disclaim responsibility for any injury to people or property resulting from any ideas, methods, instructions or products referred to in the content. |
© 2023 by the authors. Licensee MDPI, Basel, Switzerland. This article is an open access article distributed under the terms and conditions of the Creative Commons Attribution (CC BY) license (https://creativecommons.org/licenses/by/4.0/).








