Arc Fault Protection of the High-Current Busbar Assembly of an Ore Furnace
Abstract
:1. Introduction
2. Materials and Methods
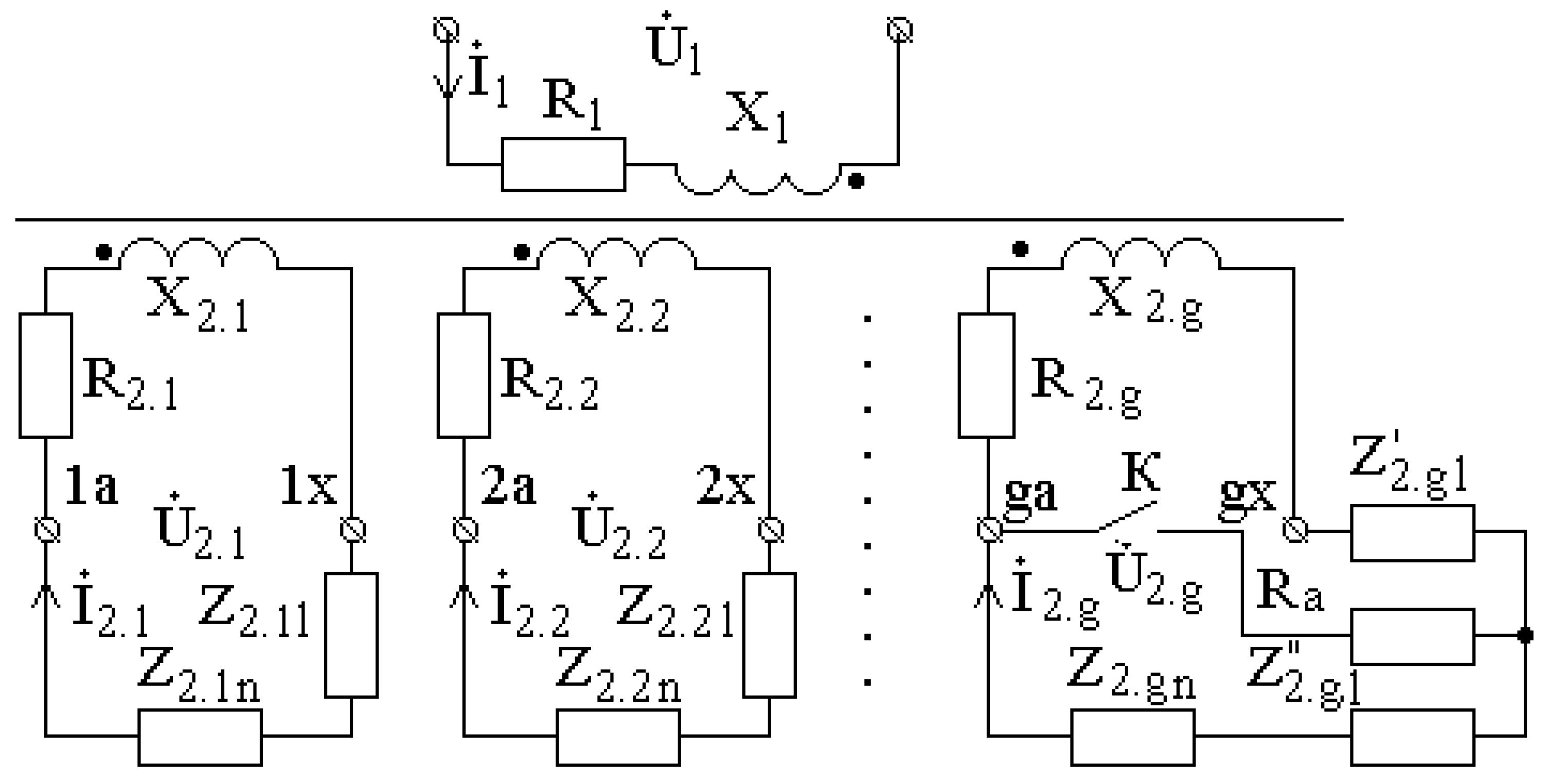
2.1. Simulation of Currents in a Busbar Assembly in the Case of AFs
- -
- U1—the complex voltage applied to the primary winding;
- -
- I1—the complex value of the current;
- -
- R1 and jX1—active and reactive resistances in the primary winding;
- -
- Z1—impedance of the primary winding, Z1 = R1 + jX1;
- -
- —the complex values of the currents in the splits of the secondary winding;
- -
- R2.gl; R2.gn; jX2.gl; jX2.gn—active and reactive resistances of undamaged pairs of bus tubes and the load connected to them;
- -
- Z2.gl; Z2.gn—impedances of undamaged pairs of bus tubes and the load connected to them, Z2.gl = R2.gl + jX2.gl; Z2.gn = R2.gn + jX2.gn
- -
- R’2.gl and R’’2.gl; jX’2.gl and jX’’2.gl—active and reactive resistances of the sections of the damaged pair of bus tubes from the furnace transformer to the AF point and after it;
- -
- Z’2.gl and Z’’2.gl—impedances of the sections of the damaged pair of bus tubes from the furnace transformer to the AF point and after it, Z’2.gl = R’2.gl + jX’2.gl; Z’’2.gl = R’’2.gl + jX’’2.gl;
- -
- Ra—the arc resistance.
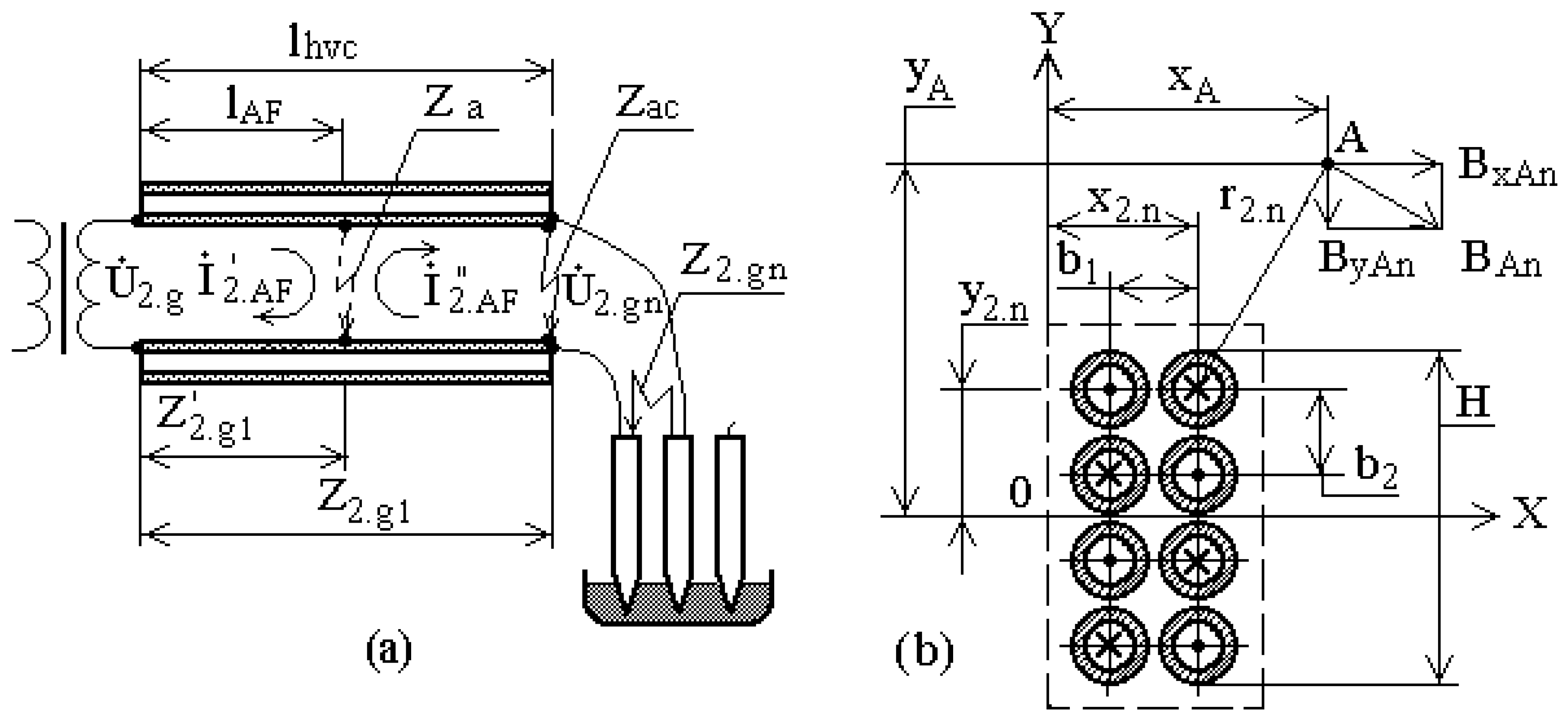
2.2. Simulation of the Magnetic Field of a Busbar Assembly
3. Results and Discussion
3.1. Mathematical Model Applicability
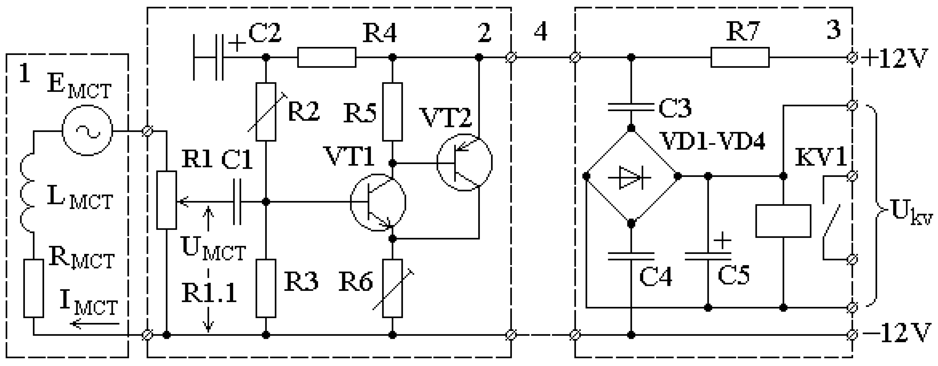
3.2. Current Protection Based on MCT with One Winding
3.3. Current Protection Based on MCT with Two Windings
3.4. Protection Parameters
3.5. Discriminating Element of the Current Protection
4. Conclusions
- A feature of the design of high-power furnaces for ore-smelting production is the secondary winding of the furnace transformer made of 4–8 isolated splits and a busbar assembly made of the same number of pairs of bifilar bus tubes, arranged in a staggering manner with air gaps of 20–40 mm. Therefore, in such a busbar assembly, only arc faults can occur between these paired bus tubes. To protect against AFs, the bus tubes are insulated by means of wrapping them in several layers of gluey fiberglass cloth.
- The choice of MCT for the protection of a busbar assembly against AFs, where the currents attain 35–150 kA inside it, is caused by the fact that the fiberglass cloth insulation of bus tubes is destroyed during operation by the abrasive dust contained in the ambient medium. The design of current protections using CTs and Rogowski coils is a difficult and expensive engineering problem due to the need to use a large number of these devices, the high cost of CTs, and the difficulty of mounting Rogowski coils in the air gaps in a busbar assembly.
- To design an AF protection of a busbar assembly based on MCTs, the currents in its bus tubes are estimated without and during AFs. Next, the magnetic field of the busbar assembly is simulated using these currents and the spatial arrangement of the bus tubes in the assembly. From the analysis of the results, the MCT positions and the number of their windings are determined.
- Unlike the more well-known methods, the suggested technique can be used to simulate currents in a furnace transformer with a secondary winding made of G isolated splits and in a busbar assembly with the same number of pairs of bus tubes, both in the normal operation mode of the furnace transformer with the busbar assembly and in the case of an AF in an arbitrary pair of bus tubes.
- The suggested technique also enables simulating the magnetic field of a busbar assembly both in the normal operation mode of the furnace transformer with the busbar assembly and in the case of an AF in an arbitrary pair of bus tubes.
- Based on the analysis of the distribution of the magnetic fields of a busbar assembly in the normal operation mode and in the case of an AF, two simple and cheap current protections are designed on the basis of MCTs. The choice of the number of MCTs and their positions is justified; the design of these MCTs and their fastening are suggested; and techniques for the reliable transmission of the output signal and setting the response threshold are developed.
- The suggested current protections on the basis of MCTs are perhaps the only simple and cheap means that can prevent the complete damage of an expensive busbar assembly due to an AF between the bus tubes of one of its splits. The timely shutdown of a furnace transformer in the event of an AF between the bus tubes of a busbar assembly is carried out to make it possible not only to quickly disconnect the damaged pair of bus tubes and successfully complete the smelting of ferroalloy in the furnace, but also to significantly reduce the furnace downtime and the cost of repair.
- Further research will be aimed at the improvement of the suggested current protection, i.e., increasing its sensitivity by developing techniques for protection against external magnetic fields.
Author Contributions
Funding
Data Availability Statement
Conflicts of Interest
Nomenclature
| AF | arc fault |
| CT | current transformer |
| MCT | magnetic current transformers |
| EMF | electromotive force |
| DC | direct current |
References
- Dantsis, Y.B.; Katsevich, L.S.; Zhilov, G.M.; Mitrofanov, N.N.; Rozenberg, V.L.; Cherenkova, I.M. Short Networks and Electrical Parameters of Electric Arc Furnaces; Metallurgiya: Moscow, Russia, 1987. (In Russian) [Google Scholar]
- Dantsis, Y.B. Methods of Electrotechnical Calculations of Ore-Thermal Furnaces; Energiya: Leningrad, Russia, 1973. (In Russian) [Google Scholar]
- Kluss, F. Einfuring in die Problem des Elektrischen Lichtbogen und Widerstandofens; Springer: Berlin/Heidelberg, Germany, 1951. [Google Scholar]
- Smelyanskiy, M.Y.; Bortnichuk, N.I. Short Networks of Electric Furnaces; Gosenergoizdat: Leningrad, Russia, 1962. (In Russian) [Google Scholar]
- Romani, A. Methode rapide de calcul de l’inductance de systemes de conducteuers a forte densite de courant des fours électriques. J. Four Electr. 1956, 5, 167–175. [Google Scholar]
- Andreae, F. Formules et tables pour le calcul de l’impedance des barres omnibus pour fours électriques. J. Four Electr. 1951, 2, 35. [Google Scholar]
- Berkovich, M.A.; Molchanov, V.V.; Semenov, V.A. Fundamentals of Relay Protection Technology; Energoatomizdat: Moscow, Russia, 1984. (In Russian) [Google Scholar]
- Andreev, V. Relay Protection and Automatics of Power Supply Systems, 4th ed.; Vyssshaya Shkola: Moscow, Russia, 2008. (In Russian) [Google Scholar]
- Elmore, W.A. Protective Relaying Theory and Applications; Marcel Dekker Inc.: New York, NY, USA; Basel, Switzerland, 2004. [Google Scholar]
- Kojovic, L. Rogowski Coils Suit Relay Protection and Measurement. IEEE Comput. Appl. Power 1997, 10, 47–52. [Google Scholar] [CrossRef]
- Kojovic, L.A.; Bishop, M.T. Electrical Arc Furnace Protection System. U.S. Patent 6,810,069, 26 October 2004. [Google Scholar]
- Liu, X.; Li, R.; Liu, Z.; Jiang, R.; Guo, W.; Xing, W.; Li, G.; Deng, M. Method for Collecting Current on Low-Voltage Side of Electric Furnace Transformer and Relay Protection Device. CN Patent 102,435,813, 2 May 2012. [Google Scholar]
- Zasypkin, A.S. Relay Protection of Transformers; Energoatomizdat: Moscow, Russia, 1989. (In Russian) [Google Scholar]
- Chiesa, N.; Mork, B.A.; Hoidalen, H.K. Transformer Model for Inrush Current Calculations: Simulations, Measurements and Sensitivity Analysis. IEEE Trans. Power Deliv. 2010, 25, 2599–2608. [Google Scholar] [CrossRef]
- Yazdani-Asrami, M.; Taghipour-Gorjikolaie, M.; Mohammad Razavi, S.; Asghar Gholamian, S. A novel intelligent protection system for power transformers considering possible electrical faults, inrush current, CT saturation and over-excitation. Int. J. Electr. Power Energy Syst. 2015, 64, 1129–1140. [Google Scholar] [CrossRef]
- Novozhilov, A.N.; Novozhilov, T.A.; Rakhimberdinova, D.M. Simulations of Currents in Conditions of Electrical Damage in the Windings of a Single-Phase Furnace Transformer with a Split Secondary Winding. Russ. Electr. Eng. 2020, 91, 403–407. [Google Scholar] [CrossRef]
- Bessonov, L.A. Theoretical Foundations of Electrical Engineering; Vysshaya Shkola: Moscow, Russia, 1967. (In Russian) [Google Scholar]
- Simonyi, K. Foundations of Electrical Engineering; The Maximillan Company: New York, NY, USA, 1963. [Google Scholar]
- Novozhilov, T.A.; Novozhilov, A.N.; Rakhimberdinova, D.M. Currents in the Bus Assembly of a High-Current System for an Electrofurnace. Russ. Eng. Res. 2020, 40, 995–999. [Google Scholar] [CrossRef]
- Ellis, W.; Lodi, E. Lodi Structured Programming Using Turbo BASIC; Academic Press Inc.: London, UK, 1988; p. 337. [Google Scholar]
- Rakhimberdinova, D.M.; Novozhilov, T.A.; Novozhilov, A.N.; Kislov, A.P. Protection of the Short Network of the Ore Thermal Furnace Against Short Circuits. AIP Conf. Proc. 2021, 2337, 030011. [Google Scholar] [CrossRef]
- Kakuyevitskiy, L.I.; Smirnova, T.V. Directory of Protection and Automation Relays; Energiya: Moscow, Russia, 1972. (In Russian) [Google Scholar]










| MF Component, T | Damaged Split no. | |||
|---|---|---|---|---|
| 5 | 6 | 7 | 8 | |
| By at the point Y = 0 at the current / in a damaged split | ||||
| ∆Bx calculated using Equations (3) and (4) at the current / in a damaged split | ||||
| Relay Type | Number of Turns wc | Area of Turn Qc, m2 | Winding Parameter | |
|---|---|---|---|---|
| Rc, Ohm | Xc, Ohm | |||
| RP-25 | 3000 | 0.000875 | 170.8 | 180.4 |
| RP-25 | 3850 | 0.000875 | 298.4 | 297.1 |
| RP-25 | 6700 | 0.000875 | 858.3 | 899.8 |
Disclaimer/Publisher’s Note: The statements, opinions and data contained in all publications are solely those of the individual author(s) and contributor(s) and not of MDPI and/or the editor(s). MDPI and/or the editor(s) disclaim responsibility for any injury to people or property resulting from any ideas, methods, instructions or products referred to in the content. |
© 2023 by the authors. Licensee MDPI, Basel, Switzerland. This article is an open access article distributed under the terms and conditions of the Creative Commons Attribution (CC BY) license (https://creativecommons.org/licenses/by/4.0/).
Share and Cite
Rakhimberdinova, D.; Novozhilov, A.; Kolesnikov, E.; Andreeva, O.; Talipov, O.; Kislov, A. Arc Fault Protection of the High-Current Busbar Assembly of an Ore Furnace. Energies 2023, 16, 7834. https://doi.org/10.3390/en16237834
Rakhimberdinova D, Novozhilov A, Kolesnikov E, Andreeva O, Talipov O, Kislov A. Arc Fault Protection of the High-Current Busbar Assembly of an Ore Furnace. Energies. 2023; 16(23):7834. https://doi.org/10.3390/en16237834
Chicago/Turabian StyleRakhimberdinova, Dilara, Aleksandr Novozhilov, Evgeniy Kolesnikov, Oksana Andreeva, Olzhas Talipov, and Aleksandr Kislov. 2023. "Arc Fault Protection of the High-Current Busbar Assembly of an Ore Furnace" Energies 16, no. 23: 7834. https://doi.org/10.3390/en16237834
APA StyleRakhimberdinova, D., Novozhilov, A., Kolesnikov, E., Andreeva, O., Talipov, O., & Kislov, A. (2023). Arc Fault Protection of the High-Current Busbar Assembly of an Ore Furnace. Energies, 16(23), 7834. https://doi.org/10.3390/en16237834

