Abstract
Due to photovoltaic (PV) power generation depending on the environment, its output power is volatile, and effectively dealing with its power fluctuation has become a key concern. Aiming at this problem, this article presents an optical storage cooperative control technology based on an Alternating Sequence Filter (ASF), which controls the power management of the Energy Storage System (ESS) consisting of a vanadium redox battery, battery, and supercapacitor. Firstly, an ASF is designed to stabilize the PV power generation by alternating sequence and improve system response speed. Secondly, according to the output signal of the filter, the charge and discharge of the three energy storage units are dynamically adjusted, and the power fluctuation is compensated in real-time to improve the system stability and conversion efficiency. Finally, the simulation results of actual illumination show that the control strategy calls the ESS to stabilize the power fluctuation, so that the power of the direct current bus is stabilized at about 15 kw, and the fluctuation is maintained between −4.48% and 4.05%. The strategy significantly reduces power fluctuation and improves the dynamic response ability and energy storage utilization of the system.
1. Introduction
With the increase in energy demand and the development of energy storage (ES) technology, traditional energy sources’ drawbacks are becoming increasingly obvious [1]. New energy technologies, especially photovoltaic (PV) power generation, as a symbol of the new era, have received widespread attention. It has gradually become the focus of global research and has occupied an important position in the energy competition of various countries [2]. However, due to the physical characteristics of PV power generation relying on solar radiation, there are inevitably alternations and randomness, resulting in volatility and instability in power generation, which becomes its inherent defect [3]. This instability determines that it cannot be used directly, resulting in the low utilization of solar PV generation [4]. To alleviate the randomness of PV, researchers have proposed a technology that combines Energy Storage Systems (ESSs) with PV power generation to achieve smooth output of PV power by peak shaving and valley filling [5].
With the introduction of ESS, in the process of photovoltaic grid connection, countries also have relevant research and national standards for the technical requirements of electrochemical energy storage system access to the grid. The national standard of China’s “Technical Regulations for Accessing Electrochemical Energy Storage Systems to Power Grids” has strict regulations on power quality, power control and grid adaptability, such as the requirement that the DC component should not exceed 0.5% of the AC rated value [6]. Similarly, the IEEE standard 519-2022 [7] makes requirements for power quality, including voltage fluctuations, total harmonic distortion of voltage and current, and other grid specifications and technologies. It is required that the total harmonic distortion (THD) is less than 8%, and the higher the voltage level, the lower the THD requirement.
Since the advent of this technology, it has been widely used and achieved remarkable results. Liu et al. [8] pointed out that as the climate crisis intensifies, the ongoing evolution of the power grid towards a more sustainable form is being facilitated by renewable energy sources, ESS, and smart loads. Srujan et al. [9] studied the integrated Battery ESS (BESS) and proposed an energy management method for solar PV charging stations combined with BESS. Xie et al. [10] considered integrating a BESS with a virtual ESS and investigated the optimal sizing of the BESS within the smart microgrid system to ensure maximum cost reduction while maintaining system stability. Abomazid et al. [11] investigated optimal scheduling for an EMS model of a hydrogen production system, which is integrated with a PV system and BESS to fulfill the industrial hydrogen facilities’ power and hydrogen demands. Zhang et al. [12] pointed out that sodium-ion batteries showed significant potential in large-scale ESS due to the richness and accessibility of sodium reserves. Although PV systems with ESSs can cope with most scenarios, with the increasingly complex and harsh application environment of PV power generation, ESS gradually shows its limitations and struggles to cope with new challenges [13].
Aiming at this problem, researchers have proposed a Hybrid Energy Storage System (HESS) and quickly applied it to the field of PV power generation [14,15,16]. For example, Mahmoud et al. [17] emphasized that a solitary type of ESS might fall short of fulfilling the system’s requirements, leading to the adoption of an HESS that integrates supercapacitors (SCs) with batteries. In addition, References [18,19] used a system model combining a solar PV system with an HESS composed of a battery and an SC to increase the penetration rate of solar energy in a weak current system. Huang [20] introduced a peer-to-peer energy exchange framework for a microgrid, incorporating PV distributed generation and a HESS. Wang [21] proposed an HESS comprising a battery and SC, along with an energy management strategy, inspired by the high-power hybrid systems used in automotive applications. As artificial intelligence advances, the integration of intelligent algorithms into ESS research has become more widespread. For example, Kang et al. [22] proposed a complex deep reinforcement learning method with strategy-based algorithms utilizing artificial intelligence algorithms when studying the real-time optimal ESS planning under the uncertainty of new energy. With the development of the PV industry, ensuring a safer and more efficient coordinated operation between PV power generation and various energy storage units (ESUs) has become a new research hotspot [23], prompting the continuous emergence of various advanced control strategies [24,25].
Given the cooperative operation control of PV HESS, many scholars have put forward different control technologies according to different scenarios [26]. In the study of realizing seamless transmission from island mode to grid connection mode, Amin et al. [27] proposed an innovative, straightforward, and efficient resynchronization technique utilizing the universal droop control DG inverter. This method is designed to prevent excessive transient overcurrent and ensure smooth connection or reconnection to the main grid. Hoda et al. [28] proposed an optimization model to minimize the energy cost and enhance the power supply in rural areas using two optimization techniques. Shubhra et al. [29] introduced a neural network-based control approach for integrating solar PV cell systems with distribution networks, utilizing the Gaussian activation function as the core mechanism. Based on the moving average method, Xing et al. [30] presented a practical control strategy to regulate the output power of a Virtual Synchronous Generator (VSG). This approach aims to enhance the efficient use of PV generation while reducing the negative effects of its intermittent nature on system stability. Similarly, Reference [17] used VSG technology to control HESS, but the frequency response of the microgrid depends largely on the parameters of VSG. Therefore, an optimistic algorithm is employed to design the ideal VSG for the two objective functions. Ding et al. [31] proposed an active exploration approach grounded in reinforcement learning, utilizing BESS to stabilize the voltage within the distribution network, thereby addressing uncertainty. In addition, forecasting the amount of electricity generated by a solar power plant will improve the validity of decisions made in the process of managing electricity distribution in decentralized systems. Ghenai et al. [32] proposed a short-term prediction model of photovoltaic power based on an artificial neural network and the Levenberg–Marquardt method to predict the power output and charging state of the system, which is helpful for the power distribution control of a hybrid energy storage system. Morgoeva et al. [33] combines data mining tools to propose a method of using machine learning to predict solar power generation, aiming to improve the efficiency of the control strategy process when energy management is performed on a hybrid system.
In the above literature, many scholars have proposed better cooperative control strategies for PV power generation systems with HESS, and have shown good results in certain PV power generation systems. Nonetheless, as advancements in new energy technologies persist and the scale of PV power generation continues to broaden, the current control strategies confront several challenges that necessitate resolution in the context of increasingly intricate application scenarios. Exploring more efficient control strategies to better adapt to these complex scenarios has become an important direction of current PV power generation system research. Aiming at this problem, this paper proposes a cooperative control method for PV power generation systems based on an Alternating Sequence Filter (ASF), which aims to solve the balance between the response speed and capacity optimization of ES devices in PV power generation systems. In addition, the PV power generation system is combined with an HESS composed of a battery, Vanadium Redox Battery (VRB), and SC. This approach alternates the allocation of power fluctuations from the PV generation system among various ES devices. By designing an alternating sequence, the system achieves dynamic switching and collaborative operation among the ESUs, ultimately optimizing energy efficiency and enhancing the overall system stability.
The main contributions and innovations of this paper are as follows. By integrating PV power generation with the VRB, battery, and SC in HESS, the system refines frequency partitioning, thereby maximizing ESU complementarity and ensuring a smoother PV output. Furthermore, the ASF with multi-scale filtering effectively isolates each ESU’s power frequency, which helps reduce charge–discharge cycles and extend the ESS lifespan. With adjustable ASF structures, different filtering scales and frequency separations can be achieved, allowing more flexible ESU scheduling and adaptation to various complex environments. The core structural arrangement of this paper is delineated as follows: Section 1 mainly discusses the research background of the cooperative control of PV HESS, and summarizes the research status of HESS and its control strategy. Section 2 introduces the composition of the PV hybrid ES microgrid system, the ESU connection structure, and the double closed-loop control strategy. Section 3 introduces the ASF based on morphology, including the operation of the morphological filter in the design process, the principle of the ASF, and the multi-scale decomposition method, and tests the application of the filter in the ESS. In Section 4, the designed ASF is used as the control core in the PV HESS, and the experimental results are analyzed. Section 5 mainly summarizes the research and experimental results of this paper, puts forward the conclusion of this paper, and looks forward to the shortcomings.
2. PV Hybrid ES Microgrid System and Control Structures
The PV hybrid ES microgrid system developed in this article, as shown in Figure 1, comprises three parts: a PV array, an HESS, and a microgrid Direct Current (DC) bus [34]. The PV, battery, VRB, and SC are each connected to the common DC bus via individual DC/DC converters, which can further improve the stability and robustness of the system while ensuring the power balance.
Figure 1.
PV hybrid ES microgrid system.
In Figure 1, the left side of the DC bus is a PV power generation system. The PV array is connected to the boost circuit, and the MPPT algorithm is used for maximum power tracking, and then incorporated into the DC bus. The right side is connected to a diversified hybrid energy storage system composed of battery, super capacitor and vanadium flow through a bidirectional DC-DC converter. The DC-DC controller instructions of the three energy storage units are adjusted by the power distribution control algorithm to realize the power distribution of the three energy storage units, which suppresses the large fluctuation of photovoltaic output power and makes the system output stable power.
In the HESS, the signal interaction between the charge and discharge and the PV power generation system is a two-way control process [35]. By introducing a bidirectional DC-DC converter, the charging and discharging current and voltage of the ES device can be accurately controlled, thereby adjusting the output power of the battery and SC. This adjustment can quickly and effectively suppress power fluctuations and improve power stability on the DC bus. After the introduction of the DC-DC converter, there are four typical structures between the VRB, battery, and SC, as shown in Figure 2.
Figure 2.
The connection mode of the SC and battery. (a) The SC has a separate DC-DC. (b) The battery has a separate DC-DC. (c) The VRB has a separate DC-DC. (d) Each ES has a separate DC-DC.
According to Figure 2a–c, since the battery and the SC are not connected separately, the management of one of the ES devices is not direct enough, which may lead to overcharge or over-discharge of the ES device. In the structure depicted in Figure 2d, the battery and the SC are connected in series through different DC-DC bidirectional converters, and the two ES devices are completely separated. Such an HESS can perform mutually exclusive charge and discharge control on the two ESUs, thereby improving the control flexibility of the system and making the control more convenient. Therefore, this paper chooses this topology as the connection structure of the ESU of the optical storage system.
By controlling each ESU through a bidirectional DC-DC converter, the charging and discharging process of the ESU can be effectively and flexibly managed [36]. In addition, the two ES devices adopt the double closed-loop control strategy of voltage inner loop and current outer loop, which has a fast response speed and good stabilization efficiency. The control block diagram is shown in Figure 3.
Figure 3.
Control topology diagram of HESS.
In Figure 3, the power allocation controller first allocates the power in the system and then transmits the power signal of each ESU to the controller. The controller produces Pulse Width Modulation (PWM) signals to govern the operation of the bidirectional DC-DC converter, enabling precise management of the battery and super capacitor (SC) power outputs. This methodology efficiently mitigates PV power fluctuations and guarantees stable power supply on the DC bus.
3. ASF Based on Morphology and Its Application
In the field of signal processing and image processing, traditional filtering algorithms such as mean filtering and median filtering can effectively remove noise, but the effect is limited when dealing with complex morphological features. The ASF uses morphological filters of different scales to enhance and extract morphological features in the signal while removing unwanted alternating components. In the design process, it is necessary to model the alternating sequence to determine its periodicity and amplitude characteristics, and to select and adjust the morphological operations accordingly.
3.1. Design of ASF Based on Morphology
The ASF is a fine multi-scale filter, which can decompose the signal into multiple sub-signals with different bandwidths. Using feature sizes such as morphological filters to define bandwidth effectively divides the original signal into components of different frequencies or scales. This decomposition method helps to analyze the multi-level structure of the signal more deeply and improves the accuracy and effect of signal processing.
3.1.1. Morphological Filter Design
The morphological filter is mainly based on morphological operations, and its core operations include corrosion, expansion, open operation, and closed operation [37]. For the processing of alternating sequences, the morphological filter can be described by the following equation:
- Erosion operations can be represented by the following equation,where represents the input signal; represents structural elements; represents corrosion operation.
- The dilation operation can be represented by the following equation,where represents expansion operation.
- The opening operation first involves a corrosion operation, and then an expansion operation,
- The closing operation first involves an expansion operation, and then a corrosion operation,when designing a morphological filter, the signal sequence must be modeled first. The PV ES power is expressed in a sinusoidal standard form,where is the amplitude; is the angular frequency; is phase; is noise.
3.1.2. Design of ASF
The design of ASF is based on the principle of the morphological filter, and its core goal is to decompose and process the signal at multiple scales. In the design process, the scale parameters of the filter are first determined, that is, the structural elements of the morphological filter (such as window size or element shape), which determine the range of each bandwidth. Secondly, the filter divides and processes the signal in multiple levels and multiple frequencies in turn. Each filtering level performs fine filtering for different frequency ranges, retains the specific characteristics of the target signal, and suppresses noise or unwanted frequency bands.
In the multi-scale filtering of ES power using a morphological filter, signal components at various scales can be isolated by adjusting the structural element size. When the structural element is larger, the extracted signal’s frequency decreases, while a smaller structural element results in a higher extraction frequency. The multi-scale filter’s opening and closing operations are shown below.
Multi-scale open operation:
Multi-scale closed operation:
where denotes the structural element of scale .
The ASF gradually decomposes the signal into components of different scales by alternately using open and closed operations. For a given scale , the ASF is defined as follows:
where denotes the output of the alternating filter on the scale .
A larger scale structure element is applied to the filtering results to obtain a higher frequency power signal,
where represents the result of quadratic scale filtering, denotes a larger-scale structural element, and is the scale.
To cover the signal components from high frequency to low frequency, ASFs are gradually applied at multiple scales. Assuming that are the structural elements of different scales, the multi-scale decomposition result is
where represents the sum of the signal components at each scale after the multi-scale decomposition of the ES power signal.
In summary, the filtering flow chart of the ASF is shown in Figure 4.
Figure 4.
ASF filtering flow chart.
Through the ASF algorithm, the HEES signal is processed by different scale structural elements to obtain different scale filtering signals, and each ES power instruction is obtained by making a difference. Assuming the structural scale , firstly, the structural element is used for ASF, and the power command of the VRB is
where represents the VRB power instruction.
Secondly, the structure element is used for filtering, and then the power instruction of the battery is obtained by subtracting the total VRB power instruction,
where represents the battery power instruction.
Finally, the filtering result of the structure element is different from the original signal, and the SC power instruction is obtained as follows:
where represents the SC power instruction.
In summary, the steps of the ASF algorithm based on morphology proposed in this paper are as follows:
- The morphological filter is designed according to Equations (1)–(4), and the basic morphological operations such as corrosion, expansion, opening and closing are established;
- According to Equations (6) and (7), the multi-scale opening and closing operation of the energy storage system is established;
- The multi-scale alternating sequence filter of the hybrid energy storage system is designed and established according to Equations (8)–(10);
- According to the Equation (5), the energy storage signal is established, and the multi-scale alternating sequence filter is used to decompose the energy storage power signal according to Equation (11), and the power instructions of each frequency band are obtained;
- The power command of the energy storage unit is calculated and distributed according to Equations (12)–(14), and the energy storage power distribution control is completed.
3.2. The Application of ASF
In this paper, the actual meteorological data of a day of PV electric field in Hongliuliuyuan, Zhengtai, Guazhou, Gansu Province, are used. The current full radiation and temperature are shown in Figure 5. In the figure, the sampling time is 15 min.
Figure 5.
The PV array receives radiation intensity and temperature. (a) Full radiation; (b) temperature.
The PV power generation model is developed in MATLAB/Simulink version R2021b, employing the MPPT algorithm for maximum power tracking. Table 1 displays the parameters of the PV array. The PV output power at the specified temperature and radiation is shown in Figure 6.
Table 1.
PV array simulation parameters.
Figure 6.
PV output power.
In the PV HESS, it is crucial for the DC bus power to consistently deliver a stable output at a predetermined level. If the PV output power falls below the expected power for the DC bus, the HESS must provide additional output to ensure the stability of the DC bus power. Conversely, when the PV output power exceeds the expected DC bus power, the HESS is needed to absorb the excess power, facilitating peak shaving and valley filling. Then the expected power of the DC bus is set to , and the HESS power is
where represents the HESS power. When , this represents the output power of the HESS, and vice versa, when , this represents the absorption power of the HESS; represents the expected power on the DC bus; represents the output power of PV power generation.
Calculated by Equation (15), the output power of the HESS is shown in Figure 7.
Figure 7.
The curve of HESS’s output power.
As shown in Figure 7, this is the power instruction of the whole energy storage system. When the power is greater than 0, the energy storage system will output external power. When the power is less than 0, the energy storage system will absorb power. Compared with the photovoltaic output power in Figure 6, the power curves of the two are just complementary.
The Fast Fourier Transform (FFT) function in the MATLAB toolbox version R2021b is called to perform an FFT on the ES power to obtain the amplitude–frequency characteristic curve, as shown in Figure 8.
Figure 8.
HESS power spectrum diagram.
According to Figure 8, the HESS power energy is mainly concentrated within 5 Hz, and a small part of the energy is dispersed above 5 Hz. Considering the frequency range and capacity of the ESU, 5 Hz and below can be used as low-frequency signals, which are stabilized by the VRB, and 5 Hz~50 Hz is used as the intermediate frequency signal, which is stabilized by the battery, while the high-frequency signal above 50 Hz has a very small part of the energy, which is borne by the SC. Therefore, it is key to use the ASF to perform multi-scale frequency separation on the HESS power.
In the ASF, when the structuring element changes, the filtering effect also changes. The comparison of the filtering effects of various scale structuring elements is shown in Figure 9.
Figure 9.
Effects of different scales’ structural elements.
According to Figure 9, the filtering effect is quite different under different scale elements. When the structural element is 0.05, the effect is better, and the waveform profile of the original HESS power signal can be guaranteed as much as possible under the basic conditions of reducing the high frequency. Therefore, the structure size of the ASF element is set to 0.05, and the frequency of the HEES power is separated to obtain the power command of the VRB. The structure element is 0.01, and the difference between the filtering result and the VRB power command is used to obtain the battery power command. The remaining signal is used as the SC power command, as shown in Figure 10.
Figure 10.
Separation results of ASF.
As shown in Figure 10, it can be seen that the ASF successfully removes the burrs in the HEES power, making the low-frequency signal stabilized by the VRB smoother and bearing most of the energy, while the SC power command is fast and bears less energy. This distribution method can reduce the frequent charging and discharging of energy types (VRB, battery, etc.) and prolong the service life. The results show that the frequency separation effect of the ASF proposed in this paper on HEES power is good and effective.
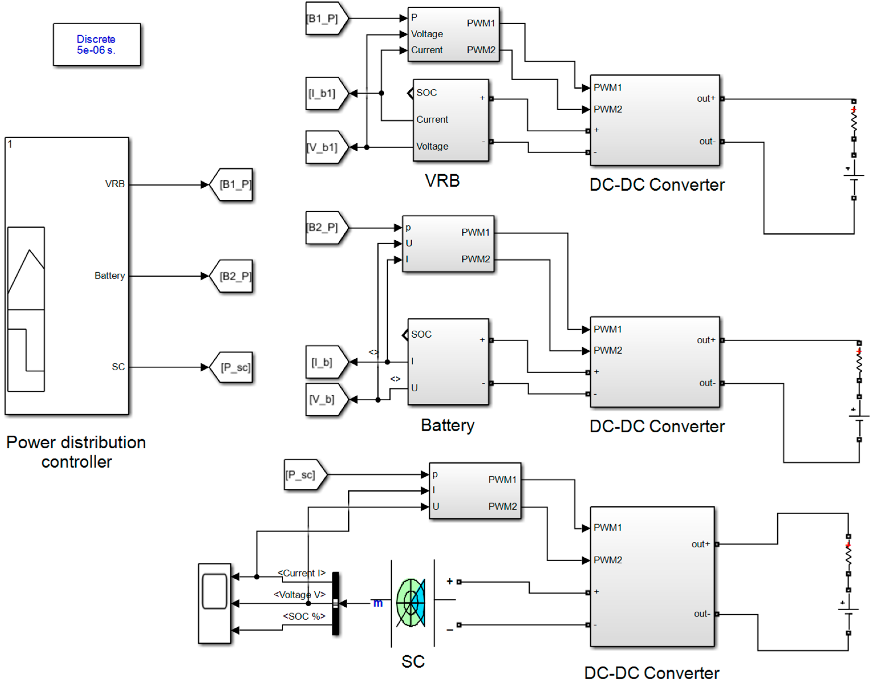
4. PV HESS Overall Operation Simulation
In this paper, the PV electric field located in Hongliuliuyuan, Zhengtai, Guazhou, Gansu Province, is used as a case study to validate the effectiveness of the proposed method. The full radiation and temperature are shown in Figure 5. The model of the cooperative operation control system of the PV HESS is built and is shown in Figure 11.
Figure 11.
Model of cooperative operation control system for PV HESS.
In Figure 11, the PV array parameters are the same as those in Section 3.2, and the ASF is used as the core algorithm of the power distribution controller. The output power curves of the three energy storages in the HESS are shown in Figure 12.
Figure 12.
Output power curve of ESU.
As shown in Figure 12, the ESU operates according to the power command curve. The VRB has less charge and discharge changes while bearing most of the energy, and dominates the energy output direction. The battery supplements the energy, and the SC mainly processes the abrupt signal in the PV output power, which complements the advantages of the battery.
In the meantime, the DC bus power, PV output power, and DC bus power are shown in Figure 13, and the DC bus power is shown in Figure 14.
Figure 13.
Comparison of PV output power and DC bus power.
Figure 14.
DC bus power.
According to Figure 13 and Figure 14, ASF is used as the core control algorithm of the power distribution controller. Through simulation, the results show that the DC bus can be guaranteed to be stable and maintained above and below the expected power. There is a slight fluctuation in the violent fluctuation of PV power, and the fluctuation range is maintained at , which is within the acceptable fluctuation range. Therefore, it can be proven that the strategy proposed in this paper is effective in stabilizing the fluctuation of PV power and maintaining the stability of DC bus power.
5. Conclusions
This paper focuses on the fluctuation and randomness in the output power of PV generation systems and proposes an innovative cooperative control strategy, which combines ASF and HESS. By dynamically coordinating the PV power generation system and the ES device, the strategy presented in this article aims to optimize the smooth output of the PV system and enhance the overall performance of the system. Based on the simulation results, the following conclusions were drawn:
- The power fluctuation is the main problem of photovoltaic power generation. In this paper, the theoretical design is carried out according to the specific HESS scenario of ASF application, and a control strategy based on ASF is proposed to realize the dynamic switching and cooperative work of ES devices;
- The ASF method significantly enhances the dynamic response capability of the system, reduces the occurrence of overcharge and discharge, and effectively alleviates the adverse effects on the equipment while optimizing the efficiency of the ES device;
- The simulation results show that the cooperative control strategy based on alternating sequence successfully suppresses the power fluctuation, and the fluctuation rate is maintained between −4.84% and 4.05%.
In summary, the ASF-based control strategy for PV systems proposed here offers a new solution to power fluctuation. Future research should explore its application in various PV systems, considering complex environmental factors, and aim for more accurate and efficient control using real-time data and advanced algorithms.
Author Contributions
Conceptualization, Z.H. and Y.Z.; methodology, Y.Z. and B.T.; validation, C.Z. and Y.F.; formal analysis, B.T. and H.W.; investigation, Y.F. and H.W.; resources, Z.H., Y.F. and H.W.; writing—original draft preparation, Y.Z. and B.T.; writing—review and editing, Z.H. and Y.Z.; visualization, B.T.; project administration, Z.H. and Y.Z.; funding acquisition, Y.Z. All authors have read and agreed to the published version of the manuscript.
Funding
This research was funded by the State Grid Corporation of China Science and Technology Project, grant number 52270723000900K.
Data Availability Statement
Some or all data, models, or code that support the findings of this study are available from the corresponding author upon reasonable request.
Conflicts of Interest
Author Zifen Han was employed by the company State Grid Gansu Electric Power Company. Authors Yi Fan and Huijuan Wu were employed by the company State Grid Gansu Electric Power Company Zhangye Power Supply Branch. The remaining authors declare that the research was conducted in the absence of any commercial or financial relationships that could be construed as a potential conflict of interest.
References
- Wang, J.; Ye, L.; Ding, X.; Dang, Y. A Novel Seasonal Grey Prediction Model with Time-Lag and Interactive Effects for Forecasting the Photovoltaic Power Generation. Energy 2024, 304, 131939. [Google Scholar] [CrossRef]
- Bojod, J.; Erkal, B. Distributed Energy Resources for Techno-Economic with Ant Colony Optimization (ACO) based Artificial Neural Network. In Proceedings of the 7th International Conference on Energy, Electrical and Power Engineering (CEEPE), Yangzhou, China, 26–28 April 2024. [Google Scholar] [CrossRef]
- Ding, Y.; Cui, R.; Dai, Q.; Wang, H.; Cheng, Y. Lower Voltage Riding through Control Strategy for Rural Area Distributed Photovoltaic Power Generation System. In Proceedings of the 8th Asia Conference on Power and Electrical Engineering (ACPEE), Tianjin, China, 14–16 April 2023. [Google Scholar] [CrossRef]
- Serban, E.; Serban, H. A Control Strategy for a Distributed Power Generation Microgrid Application with Voltage- and Current-Controlled Source Converter. IEEE Trans. Power Electron. 2010, 25, 2981–2992. [Google Scholar] [CrossRef]
- Rekioua, D. Energy Storage Systems for Photovoltaic and Wind Systems: A Review. Energies 2023, 16, 3893. [Google Scholar] [CrossRef]
- Yang, X.D.; Yan, B.W.; Huang, J.Y.; Wu, D.L.; Hu, B.Q.; Gong, L.W. Research on Grid-connected Index System of Electrochemical Energy Storage Power Station. Sol. Energy 2022, 43, 58–66. [Google Scholar] [CrossRef]
- IEEE Std 519-2022 (Revision of IEEE Std 519-2014); IEEE Standard for Harmonic Control in Electric Power Systems. IEEE: Piscataway, NJ, USA, 2022; Volume 1, pp. 1–31.
- Liu, J.; Hu, H.; Yu, S.S.; Trinh, H. Virtual Power Plant with Renewable Energy Sources and Energy Storage Systems for Sustainable Power Grid-Formation, Control Techniques and Demand Response. Energies 2023, 16, 3705. [Google Scholar] [CrossRef]
- Srujan, D.; Thogaru, R.; Mitra, A.; Borghate, V.B. Energy Management in Grid Assisted BESS Integrated Solar PV Based Smart Charging Station. In Proceedings of the ECON 2019—45th Annual Conference of the IEEE Industrial Electronics Society, Lisbon, Portugal, 14–17 October 2019. [Google Scholar] [CrossRef]
- Xie, C.; Wang, D.; Lai, C.S.; Wu, R.; Wu, X.; Lai, L.L. Optimal sizing of battery energy storage system in smart microgrid considering virtual energy storage system and high photovoltaic penetration. J. Clean. Prod. 2021, 281, 125308. [Google Scholar] [CrossRef]
- Abomazid, A.M.; El-Taweel, N.A.; Farag, H.E.Z. Optimal Energy Management of Hydrogen Energy Facility Using Integrated Battery Energy Storage and Solar Photovoltaic Systems. IEEE Trans. Sustain. Energy 2022, 13, 1457–1468. [Google Scholar] [CrossRef]
- Zhang, H.; Gao, Y.; Liu, X.; Zhou, L.; Li, J.; Xiao, Y.; Peng, J.; Wang, J.; Chou, S. Long-Cycle-Life Cathode Materials for Sodium-Ion Batteries toward Large-Scale Energy Storage Systems. Adv. Energy Mater. 2023, 13, 2300149. [Google Scholar] [CrossRef]
- Karimi, Y.; Oraee, H.; Guerrero, J.M. Decentralized Method for Load Sharing and Power Management in a Hybrid Single/Three-Phase-Islanded Microgrid Consisting of Hybrid Source PV/Battery Units. IEEE Trans. Power Electron. 2017, 32, 6135–6144. [Google Scholar] [CrossRef]
- Tajamal, K.; Omar, M.; Usman, M.; Khan, S.; Larkin, S.; Raw, B. A Review on the Hybrid Solar-Wind-Pumped Hydroelectric Energy Storage Systems. In Proceedings of the 8th International Conference on Engineering and Emerging Technologies (ICEET), Kuala Lumpur, Malaysia, 27–28 October 2022. [Google Scholar] [CrossRef]
- Mansor, M.A.; Hasan, K.; Othman, M.M.; Noor, S.Z.B.M.; Musirin, I. Construction and Performance Investigation of Three-Phase Solar PV and Battery Energy Storage System Integrated UPQC. IEEE Access 2020, 8, 103511–103538. [Google Scholar] [CrossRef]
- Bouakkaz, A.; Gil Mena, A.J.; Haddad, S.; Ferrari, M.L. Efficient energy scheduling considering cost reduction and energy saving in hybrid energy system with energy storage. J. Energy Storage 2021, 33, 101887. [Google Scholar] [CrossRef]
- Mohamed, M.M.; El Zoghby, H.M.; Sharaf, S.M.; Mosa, M.A. Optimal virtual synchronous generator control of battery/supercapacitor hybrid energy storage system for frequency response enhancement of photovoltaic/diesel microgrid. J. Energy Storage 2022, 51, 104317. [Google Scholar] [CrossRef]
- Zahedi, A. Maximizing solar PV energy penetration using energy storage technology. Renew. Sustain. Energy Rev. 2011, 15, 866–870. [Google Scholar] [CrossRef]
- Bharatee, A.; Ray, P.K.; Ghosh, A. A Power Management Scheme for Grid-connected PV Integrated with Hybrid Energy Storage System. J. Mod. Power Syst. Clean Energy 2022, 10, 954–963. [Google Scholar] [CrossRef]
- Huang, H.; Nie, S.; Lin, J.; Wang, Y.; Dong, J. Optimization of Peer-to-Peer Power Trading in a Microgrid with Distributed PV and Battery Energy Storage Systems. Sustainability 2020, 12, 923. [Google Scholar] [CrossRef]
- Wang, Z.; Li, J.; Hu, C.; Li, X.; Zhu, Y. Hybrid energy storage system and management strategy for motor drive with high torque overload. J. Energy Storage 2023, 75, 109432. [Google Scholar] [CrossRef]
- Kang, D.; Kang, D.; Hwangbo, S.; Niaz, H.; Lee, W.B.; Liu, J.J.; Na, J. Optimal planning of hybrid energy storage systems using curtailed renewable energy through deep reinforcement learning. Energy 2023, 284, 128623. [Google Scholar] [CrossRef]
- Mitali, J.; Dhinakaran, S.; Mohamad, A. Energy storage systems: A review. Energy Storage Sav. 2022, 1, 166–216. [Google Scholar] [CrossRef]
- Hassan, A.J.; Marikkar, U.; Prabhath, G.K.; Balachandran, A.; Bandara, W.C.; Ekanayake, P.B.; Godaliyadda, R.I.; Ekanayake, J.B. A Sensitivity Matrix Approach Using Two-Stage Optimization for Voltage Regulation of LV Networks with High PV Penetration. Energies 2021, 14, 6596. [Google Scholar] [CrossRef]
- Liu, J.; Chen, X.; Yang, H.; Li, Y. Energy storage and management system design optimization for a photovoltaic integrated low-energy building. Energy 2020, 190, 116424. [Google Scholar] [CrossRef]
- Olabi, A.; Abdelghafar, A.A.; Maghrabie, H.M.; Sayed, E.T.; Rezk, H.; Al Radi, M.; Obaideen, K.; Abdelkareem, M.A. Application of artificial intelligence for prediction, optimization, and control of thermal energy storage systems. Therm. Sci. Eng. Prog. 2023, 39, 101730. [Google Scholar] [CrossRef]
- Amin, M.; Zhong, Q.-C. Resynchronization of Distributed Generation Based on the Universal Droop Controller for Seamless Transfer Between Operation Modes. IEEE Trans. Ind. Electron. 2020, 67, 7574–7582. [Google Scholar] [CrossRef]
- El-Sattar, H.A.; Sultan, H.M.; Kamel, S.; Khurshaid, T.; Rahmann, C. Optimal design of stand-alone hybrid PV/wind/biomass/battery energy storage system in Abu-Monqar, Egypt. J. Energy Storage 2021, 44, 103336. [Google Scholar] [CrossRef]
- Singh, B. Gaussian Activation Function Based Neural Network Control Strategy for Single Stage PV-Battery Integrated Three Phase Distribution System. In Proceedings of the 45th Annual Conference of the IEEE Industrial Electronics Society, Lisbon, Portugal, 14–17 October 2019. [Google Scholar] [CrossRef]
- Xing, P.; Li, M.; Li, H.; Tian, C.; Xu, C. Control Strategy of an AC-DC Hybrid Microgrid Based on Virtual Synchronous Generator. In Proceedings of the 2nd IEEE Conference on Energy Internet and Energy System Integration (EI2), Beijing, China, 20–22 October 2018. [Google Scholar] [CrossRef]
- Ding, Z.; Huang, X.; Liu, Z. Active Exploration by Chance-Constrained Optimization for Voltage Regulation with Reinforcement Learning. Energies 2022, 15, 614. [Google Scholar] [CrossRef]
- Khalid, M.; Ahmad, F.F.; Panigrahi, B.; Al-Fagih, L.; Ghenai, C.; Rejeb, O. Artificial neural network-based models for short term forecasting of solar PV power output and battery state of charge of solar electric vehicle charging station. Case Stud. Therm. Eng. 2024, 61, 105152. [Google Scholar] [CrossRef]
- Morgoeva, A.D.; Morgoev, I.D.; Klyuev, R.V.; Kochkovskaya, S.S. Forecasting hourly electricity generation by a solar power plant using machine learning algorithms. Bull. Tomsk. Polytech. Univ. 2023, 334, 7–19. [Google Scholar] [CrossRef]
- Ranjan, R.; Panchbhai, A.; Kumar, A. Decentralized Primary Control of PV-Battery System Integrated with DC Microgrid in Off-Grid Mode. In Proceedings of the IEEE International Conference on Power Electronics, Smart Grid, and Renewable Energy (PESGRE), Trivandrum, India, 2–5 January 2022. [Google Scholar] [CrossRef]
- Afkar, M.; Gavagsaz-Ghoachani, R.; Phattanasak, M.; Pierfederici, S. Stability investigation of two distributed generation in DC microgrids. In Proceedings of the International Electrical Engineering Congress (iEECON), Krabi, Thailand, 8–10 March 2023. [Google Scholar] [CrossRef]
- Serban, E.; Pondiche, C.; Ordonez, M. DAB-based Energy Storage System with Flexible Voltage Configuration and Extended Power Capability. In Proceedings of the IEEE Applied Power Electronics Conference and Exposition (APEC), Orlando, FL, USA, 19–23 March 2023. [Google Scholar] [CrossRef]
- Zhao, W.; Ai, X.; Xiao, X.; Xiao, W.; Qi, S.; Li, J.; Zhang, J.; Lei, W. A background correction method for energy-dispersive x-ray fluorescence spectra based on morphological operation. X-Ray Spectrom. 2024, 53, 27–37. [Google Scholar] [CrossRef]
Disclaimer/Publisher’s Note: The statements, opinions and data contained in all publications are solely those of the individual author(s) and contributor(s) and not of MDPI and/or the editor(s). MDPI and/or the editor(s) disclaim responsibility for any injury to people or property resulting from any ideas, methods, instructions or products referred to in the content. |
© 2024 by the authors. Licensee MDPI, Basel, Switzerland. This article is an open access article distributed under the terms and conditions of the Creative Commons Attribution (CC BY) license (https://creativecommons.org/licenses/by/4.0/).













