Abstract
This paper presents the analysis and design of an isolated bidirectional DC-DC converter for applications where both input and output voltages may vary in a wide range. The proposed topology is derived from the integration of an isolated Current-Fed Dual-Active-Bridge (CF-DAB) stage with a Four-Switch Buck-Boost cell (4SBB), sharing one switching leg. Detailed design procedures are outlined for both CF-DAB and 4SBB stages, allowing to achieve Zero-Voltage turn-on of all devices while minimizing the inductor current RMS values. An optimized design of the CF-DAB coupled inductors allowed to achieve the desired leakage inductance value without the need for an additional magnetic component. Experimental results taken on a 5 kW prototype interfacing two voltage ports with VL ∈ [42 V, 72 V], VH ∈ [225 V, 435 V] validate the proposed design procedure.
1. Introduction
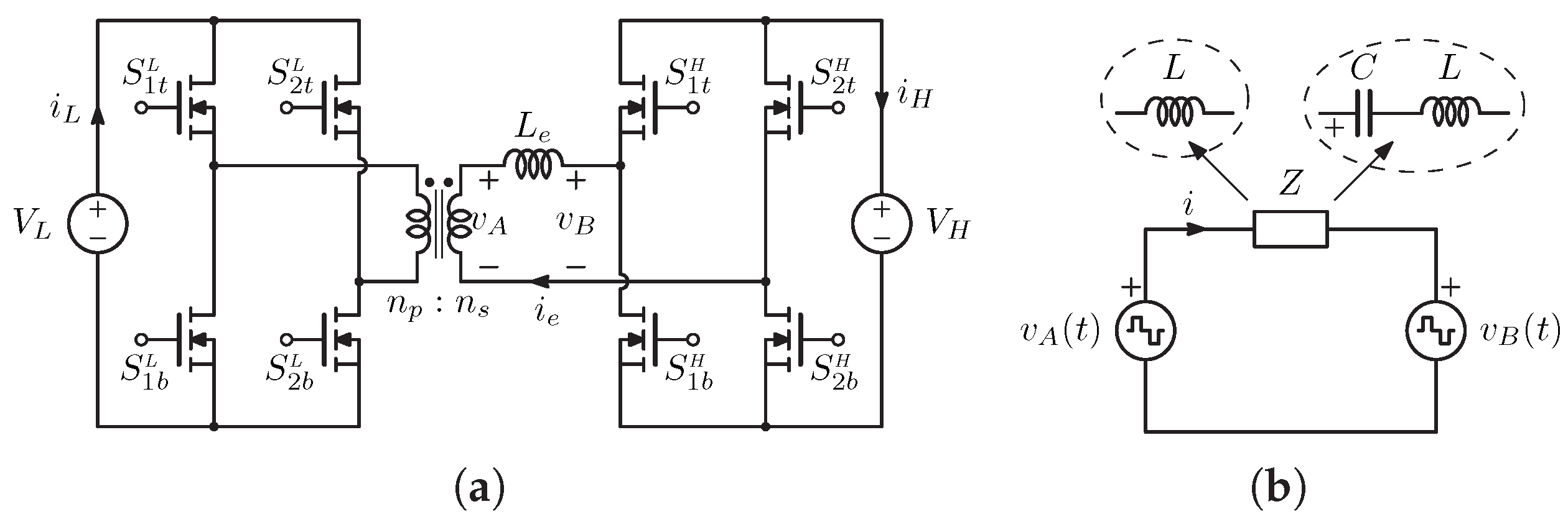
One of the most popular isolated bidirectional DC-DC converters is the Voltage-Fed Dual-Active-Bridge (VF-DAB) topology, whose schematic is reported in Figure 1a, together with its equivalent model in Figure 1b ([1,2,3,4,5,6,7,8,9,10]). The latter shows the energy transfer mechanism between the two ports that is based on the generation of two voltages and applied to a current-shaping impedance that can be a simple inductor (this is the case of inductance in Figure 1a) or a resonant tank. When one needs to cope with fixed input and output voltage values, the topology can be optimally designed with good efficiency guaranteeing Zero-Voltage turn-on of all switches, and the simplest modulation commonly adopted is based on the generation of square-wave voltages and with a controlled phase shift among them, which is used to control the power transfer between the two ports. However, to cope with wide input and output voltage variations, non-optimal operation occurs, and maintaining the Zero-Voltage-Switching (ZVS) condition requires more complex modulation strategies tha exploit the two other degrees of freedom the topology offers, i.e., the internal phase-shifts of both bridges. In this case, three-level voltages and are generated with an individually controlled pulse duration.
Figure 1.
Voltage-Fed Dual-Active-Bridge (VF-DAB) topology: (a) basic scheme; (b) equivalent model highlighting the energy transfer mechanism.
When interfacing low-voltage energy sources, like batteries, a Current-Fed (CF) topology is usually preferred thanks to its smooth input current guaranteed by input inductors. In this case, the natural extension of the VF-DAB topology is the Current-Fed Dual-Active-Bridge (CF-DAB), shown in Figure 2, that can be seen as the integration of two interleaved synchronous Boost converters with a VF-DAB sharing the same CF-port switches.
Figure 2.
Current-Fed Dual-Active-Bridge (CF-DAB) topologies: (a) using an isolation transformer; (b) using coupled inductors with series-connected secondary windings.
As we can see, besides the natural topology implementation of Figure 2a derived from the aforementioned sub-topology integration, it is also possible to use the scheme of Figure 2b that employs coupled inductors with series-connected secondary windings. Both topology implementations have the same behavior and work according to the equivalent scheme of Figure 1b, just like the VF-DAB converter. The main difference comes from the amplitude of voltage (see Figure 1b) set by the CF-port switches, which is now related to voltage across the intermediate filter capacitor . This voltage is a function of the input voltage and of the duty cycle referred to the CF-port bottom switches and . Compared to VF-DAB topology, in CF-DAB topology, the duty cycle offers an additional degree of freedom that allows to cope with a varying input voltage while maintaining the same voltage , i.e., the same input voltage for the DAB section. Such modulation for the CF-DAB is known in the literature as Plus Phase Shift modulation (see [11]). An example of possible switch modulation is shown in Figure 3: the switches of the CF port are modulated similarly to an interleaved Boost cell, with the same duty cycle , but with the two legs phase shifted by 180°. On the other hand, the VF-port switches are operating with a fixed duty cycle but controlling the phase shift between the two legs. This yields three-level voltages and , where , with equivalent duty cycles and , whose value ranges from 0 to 0.5 (the maximum value corresponds to square-wave voltages). The interesting property of the CF-DAB topology is that the same equivalent duty cycle of voltage can be obtained with two different values of the Boost cell duty cycle , i.e.,
Figure 3.
Example of modulation of the CF-DAB converter: (a) with Boost duty cycle ; (b) with Boost duty cycle ( is the coupled inductors turns ratio).
All these different implementations have been intensively investigated in the literature. In particular, the basic topology of Figure 2a was discussed in [11,12,13,14,15,16,17,18,19,20,21,22,23,24], including the resonant operation [25,26]. The coupled inductor arrangement was analyzed in [27,28,29,30], with a different name, namely Bidirectional Interleaved Boost with Coupled Inductors (BIBCI). A third possible implementation, not discussed here, is the push–pull configuration, whose analysis can be found in [31,32,33,34]. As already pointed out, the boost action of the CF-DAB topology allows to cope with possible variations of the CF-port voltage while keeping the intermediate voltage constant. However, when voltage is also allowed to vary in a given range, non-optimal operating modes appear, just like the VF-DAB, thus impairing the ZVS range and the efficiency.
This paper proposes an isolated bidirectional DC-DC Converter that guarantees Zero-Voltage turn-on conditions for all switches, despite both input and output voltages being allowed to vary in a wide range. The paper is organized as follows: Section 2 reviews the topology derivation and analysis, illustrating the proposed design procedure; Section 3 discusses the actual prototype implementation, with emphasis on the magnetic elements; Section 4 describes a suitable control architecture, while the experimental results and the loss analysis are reported in Section 5 and in Section 6, respectively. Finally, the conclusions in Section 7 summarize the major outcomes and contributions.
2. Topology Derivation and Analysis
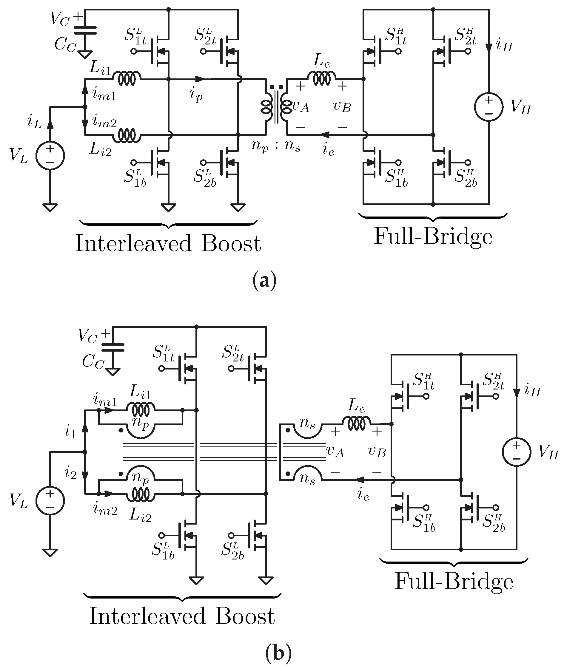
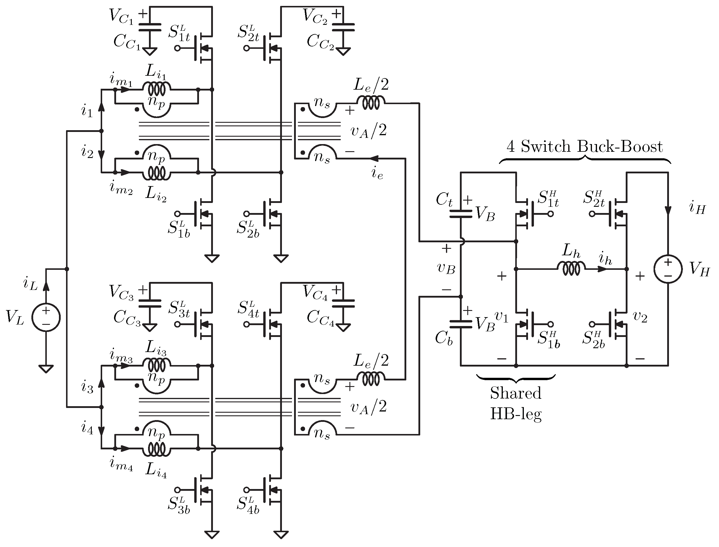
The proposed converter is based on a modified CF-DAB topology with the aim of guaranteeing a suitable input/output voltage variation while operating in an optimal working point, i.e., the one where the amplitudes and of the two voltages and are equal. First of all, the VF-port full-bridge configuration is replaced by a half-bridge (HB) one, losing the associated degree of freedom (in this case, voltage is forced to be a pure square-wave, being the HB leg operated at a fixed 50% duty cycle). Then, the VF-port half-bridge leg is shared with the input half-bridge leg of a Four-Switch Buck-Boost (4SBB) topology, giving rise to the final scheme reported in Figure 4, where two paralleled CF-port structures are employed only for better handling the high current involved here. As we can see, the coupled inductor implementation of the CF-DAB stage (see Figure 2b) is preferred over the standard one (see Figure 2a) for the following reasons:
Figure 4.
Proposed isolated bidirectional DC-DC converter, allowing wide input and output voltage variations.
- no need to take care of the transformer magnetizing current (see Figure 2a) that, if allowed to drift, can lead to core saturation;
- the unavoidable air gap in the coupled inductors helps to increase the leakage inductance, and the series connection of the secondary windings adds the contributions of each coupled inductor. This offers the chance to avoid the use of an additional magnetic component to implement the energy transfer inductor .
Comparing the CF cell in Figure 4 with Figure 2b, we see that the intermediate filter capacitor was split into two capacitors () and (), one for each HB-leg, because, in this way, any mismatch in the driving signals can be compensated by a slightly different capacitor average voltage. Moreover, the split capacitors allow a better PCB routing and component positioning. In the following, we consider and , .
As a matter of fact, the 4SBB stage has already been used in combination with other topologies, mainly with the half-bridge version of the LLC topology, as discussed in [35,36,37,38,39]. In all situations, the merged sub-topologies can be studied separately, their interaction being limited to the current flowing in the shared HB-leg, responsible for the ZVS condition. The following design is based on the converter specifications reported in Table 1. The design and considerations reported hereafter are made assuming a transferred power from the CF-port toward the VF-port. However, the topology is completely symmetrical and bidirectional, meaning that the control strategy does not change in either direct or reversed power flow, except for the sign of the phase shift between the generated voltages and and of the phase shift between the two legs of the 4SBB stage, i.e., between voltages and (see Figure 4).
Table 1.
Specifications for the wide-input-wide-output isolated bidirectional DC-DC converter.
2.1. 4SBB Analysis and Design
As already observed, the shared leg - must work with a fixed duty cycle (i.e., ), while the duty cycle of leg - is modulated, to cope with the output voltage variations. The volt-second balance of inductor yields
As voltage is regulated by the boost input cell duty cycle , the variation necessary to cope with the specified output voltage range becomes ()
For example, assuming , it is possible to use rated devices at the LV port, and selecting , the duty cycle range of the 4SBB cell results in . In this case, voltage remains regulated at , meaning that the switch voltage stress of leg - is . The other degree of freedom the 4SBB topology offers, i.e., the phase-shift between voltages and , can be exploited to achieve the ZVS turn-on condition for the four HV-port switches. Depending on and values, eight different operating modes are possible, summarized by the diagram of Figure 5 (see [40]).
Figure 5.
Operating mode boundaries between eight regions, labeled , for the 4SBB stage.
An example of voltage and current waveforms is reported in Figure 6 for Regions 2 and 8, corresponding to with , and with , respectively. As we can see, each switching period can be divided into four sub-intervals, giving rise to a piecewise linear inductor current waveform given by (k = 1, 2, 3, 4):
where are the current values at the beginning of each sub-interval.
Figure 6.
Example of 4SBB voltage and current waveforms. Top: Region 2 (, ); bottom: Region 8 (, ).
In the steady state, , and from the output capacitor charge balance, we obtain
where is the logic status of the right leg upper switch. Since the converter voltage gain depends only on the duty cycle , the phase-shift angle can be used to optimize the converter operation in terms of soft-switching condition and inductor current RMS value. In particular, the ZVS conditions for all switches are summarized in Figure 7. Here, represents the minimum current value for soft commutations, while current () is the switched current during positive (negative) transition of voltages . Clearly, since the 4SBB shares a switching leg with the CF-DAB, the total current entering (leaving) the switching node of Leg 1 is not just , but also includes contribution from the CF-DAB topology. It is interesting to observe that in Region 1, it is impossible to satisfy the Zero-Voltage turn-on condition for Leg 1 in both commutations (unless helped by current coming from the CF-DAB stage), since the same current value should be positive and negative at the same time. The same can be said for Leg 2 in Region 5. Thus, looking at Figure 5, the design should be implemented so as to operate in Regions 4 and 8 (or possibly in Regions 3 and 7) for negative values of the phase shift angle and in Regions 2 and 6 (or possibly in Regions 3 and 7) for positive values of . In any case, the phase shift should be minimized in order to maintain a reasonable inductor current RMS value. Minimum RMS current is found for negative values when the power transfer is from the CF port toward the VF port.
Figure 7.
Switch current value at the commutation instants and ZVS condition: (a) leg , ; (b) leg , .
Thus, considering such situation with a negative phase-shift angle , the suggested design procedure is as follows:
- select the bus voltage ;
- select the current value for the ZVS condition ;
- select the minimum (maximum) voltage and calculate the corresponding value;
- determine the phase-shift range corresponding to Region 4 if or 8, if (this limits the analysis to the regions of interest);
- after creating a vector of inductor values, for each of these values and for any value inside the previously determined range, perform the following:
- calculate the inductor current RMS value;
- calculate the current values (see Figure 7 for their definition) entering/leaving the two switching nodes for the four transitions in each switching period;
- since the ZVS condition requires the current values calculated at the previous step to be higher than or lower than , take the opposite of the currents that should be negative and calculate the minimum between them for each value, i.e., ;
- calculate the minimum value for the phase-shift angle that guarantees the ZVS condition, i.e., ;
- record the inductor current RMS value at that represents the minimum value among the phase-shift values that ensure the ZVS condition for a given value of ;
- plot the minimum inductor current RMS values found at the previous step against the considered inductance values;
- repeat the entire procedure for the maximum (minimum) voltage ;
- select the inductance value as a trade-off between the optimum values resulting from the analysis conducted at the different input/output voltages.
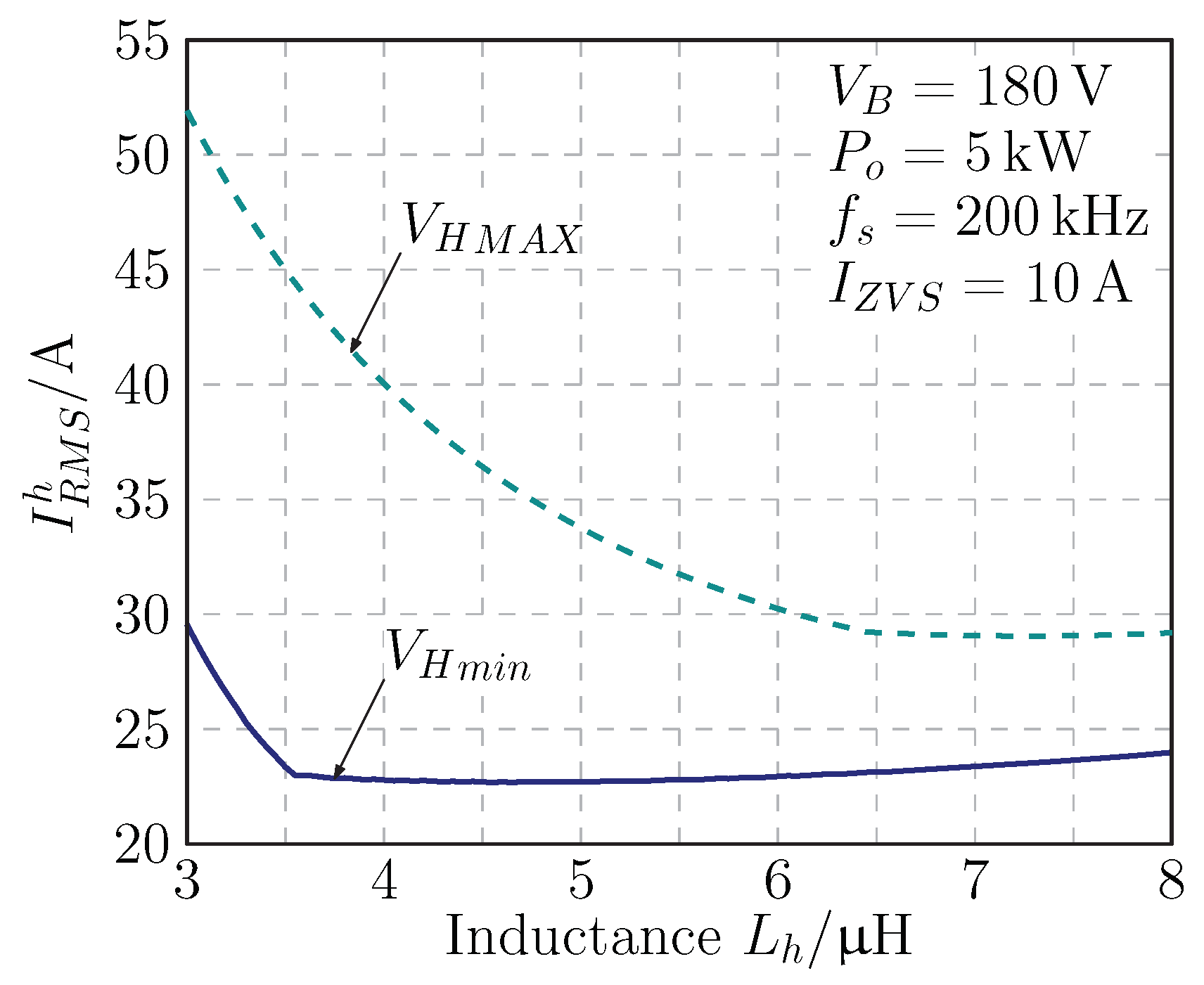
Consider, for example, , a value derived after a proper characterization of the VF port devices. The minimum inductor current RMS value as a function of the inductance value, resulting from Step 6 of the above-described procedure, is shown in Figure 8 for both minimum and maximum voltage . Comparing the two curves and observing that the one corresponding to is almost flat above , a value of is selected.
Figure 8.
Minimum inductor current RMS value as a function of the inductance value for minimum and maximum voltages .
Once the inductor value is selected, the phase-shift simply affects the inductor current waveform, with no effect on the voltage gain. It becomes interesting to analyze how the optimum phase-shift value changes when the transferred power, as well as voltage , change in a specified range. Here, is the phase-shift angle that guarantees a switch current at the switching instants with an amplitude higher than . The result of such analysis is reported in Figure 9.
Figure 9.
Optimum normalized phase-shift angle as a function of the transferred power for different values.
As we can see, these curves are not monotonic, complicating the task of calculating . A possible solution could be to create a look-up table that, based on the two entries , offers the optimum phase-shift value. It is important to highlight the fact that when the power flow is reversed, the value of the phase shift simply changes sign, but its optimal magnitude has the same dependency on the transferred power as shown in Figure 9. Thus, the proposed design approach remains valid, irrespective of the power flow direction.
2.2. CF-DAB Analysis and Design
The Voltage-Fed and Current-Fed DAB topologies have been extensively analyzed in the literature, and considering the three degrees of freedom the topologies have, i.e., , , and , a total of twelve operating regions are possible, depending on the sequence of rising and falling edges of voltages and in each switching period. Fortunately, with a fixed , the possible regions reduce to just four, as can be inferred from Figure 10 that shows voltages and when the phase-shift angle ranges from to (the operating region sequence is 2 - 12 - 8 - 6 - 2). The number enclosed by round brackets at the left of each graph identifies a specific operating region. From the general converter analysis, it is easy to recognize that Region 2 corresponds to phase-shift values , irrespective of the value. Considering that the curve of the transferred power is monotonic only for , the regions of interest are only 12, 8 and 6. In particular, Regions 8 and 6 correspond to a power flow from the CF-port toward the VF-port, while Regions 8 and 12 are used for the power flow from the VF-port toward the CF-port.
Figure 10.
Different operating regions when the phase-shift angle ranges from to . Note that Regions 2 and 8 are encountered for both negative and positive values.
As we can see, each of these regions is characterized by only three sub-intervals in each half switching period. Assuming the small-ripple approximation holds for all capacitor voltages, the inductor currents are piece-wise linear waveforms. By imposing the steady-state condition , the current values at the beginning of each sub-interval are easily found. The analysis is carried out in normalized form, considering the following base quantities ( is the converter switching frequency):
| Base time interval: | |
| Base voltage: | |
| Base impedance: | |
| Base current: | |
| Base power: | |
| Normalized current: | |
| Normalized voltage: | |
| Normalized power: | |
| Normalized time: |
For the three regions of interest, the normalized current values at the switching instants are reported in Table 2 (see Figure 3 for their definition), while the normalized transferred power is reported in Table 3 (in these tables, the normalized phase-shift angle is used). Once again, it is important to recognize that when the power flow is reversed, the phase shift becomes negative, and the operating regions become 8 and 12. From Table 3, we see that the expression of the normalized transferred power is the same in Regions 6 and 12, with only a change in sign when changes sign.
Table 2.
Normalized current values at the switching instants for the CF-DAB with .
Table 3.
Normalized transferred power for .
The design starts initially considering only one CF-DAB cell delivering the total power under the following assumptions:
- a constant voltage is considered (see the 4SBB analysis);
- the voltage balance condition is imposed;
- the minimum switched current for the ZVS condition is ;
- the switching frequency is initially selected at .
The intermediate voltage is kept constant at , when ranges between its minimum and maximum values, by adjusting the Boost duty cycle . This value is selected in order to have values not too far from the optimum value while allowing the use of -rated devices. The voltage balance condition , together with the above assumption, dictates the transformer turns ratio, which is (superscript (1) indicates that we are considering only one CF-DAB cell processing the full power). The boost duty cycle range, based on the input voltage variation, is , and the equivalent duty cycle of voltage , from Equation (1), is equal to at the minimum input voltage, and equal to at the maximum input voltage. The ZVS condition for the CF-port switches depends on currents and entering the switching nodes of the two half-bridge legs:
Figure 11 summarizes the ZVS condition for the CF-port switches.
Figure 11.
ZVS conditions for the CF-port switches.
As we can see, the ZVS condition involves the peak/valley values of the magnetizing current in each coupled inductor. In particular, while the peak value always helps the ZVS condition in both falling edge (for ) and rising edge (for ), the valley value contrasts the ZVS condition when it is positive (see the rising edge for and the falling edge for ). This fact suggests to design the magnetizing inductance of the coupled inductors so as to obtain a relatively large current ripple. In this case, if the ZVS condition is guaranteed at nominal load, it is likely to be maintained down to light load, because the reduction in the magnetizing current average value forces the valley value to become more negative. This fact represents an advantage of the CF-DAB topology compared with its VF-DAB counterpart. Note that the roles of peak/valley magnetizing current values swap when the power flow is reversed, but all the considerations remain valid. The table in Figure 11 reports, for each operating region, the involved energy transfer inductor current value at the switching instants. The ZVS condition for the VF-port switches depends only on values at the switching instants, together with current , as discussed in 4SBB analysis. At the maximum input voltage, the Boost duty cycle is below 0.5, and the worst-case ZVS condition becomes , where the magnetizing current valley value can help the ZVS condition only if it is negative (high magnetizing current ripple). On the other hand, at the minimum input voltage, the Boost duty cycle is above 0.5, and the worst-case ZVS condition becomes . Despite the fact that the average magnetizing current , as well as the valley value , are higher at the minimum input voltage, the energy transfer inductor current value is likely to guarantee the ZVS at the nominal power (this value depends on the operating region, according to the table in Figure 11). For this reason, the design is carried out at the maximum input voltage.
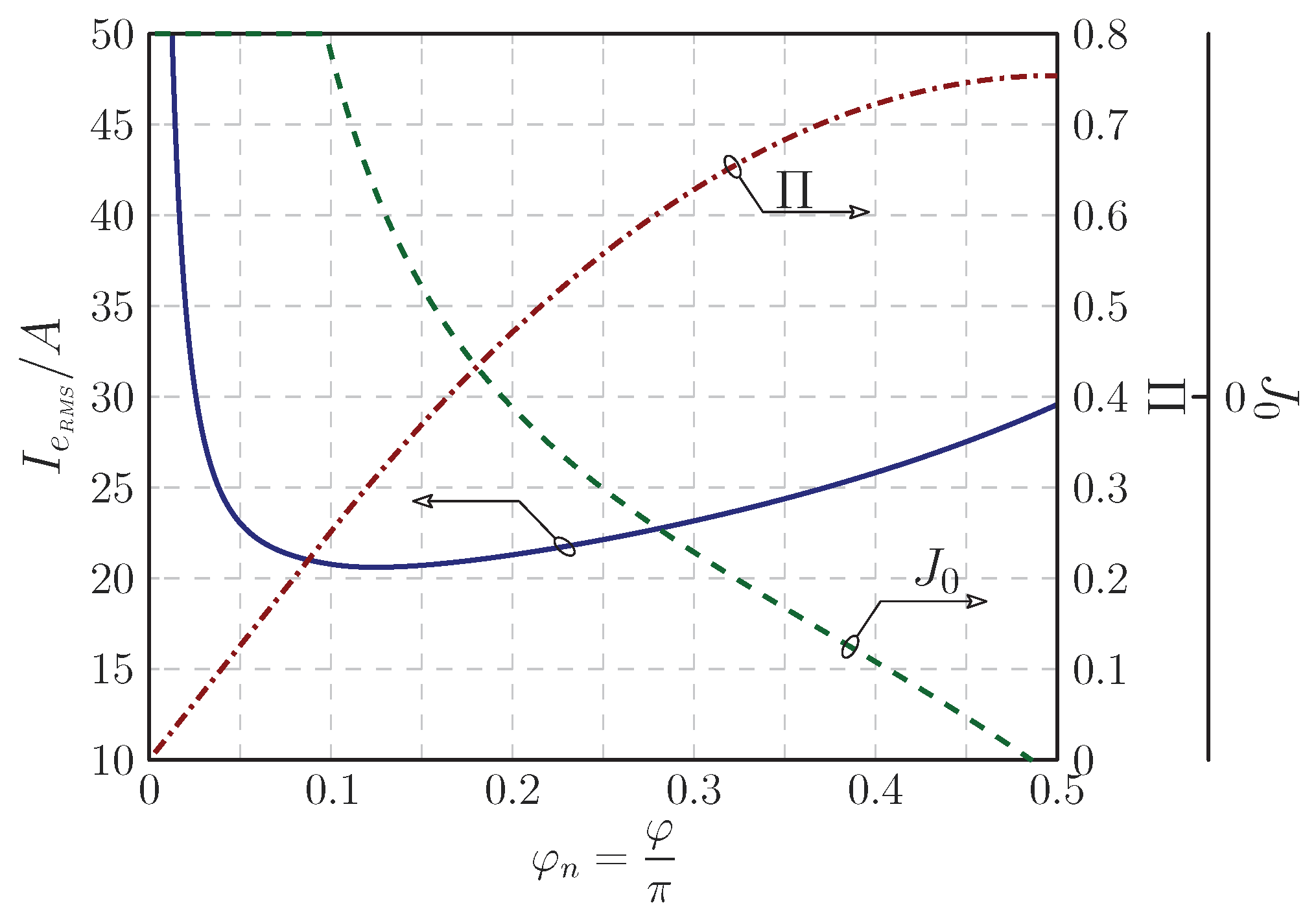
Design at . Figure 12 reports the normalized output power as a function of the normalized phase-shift angle: the converter operates in Region 8 for and in Region 6 for , where is the boundary value. The same figure shows the inductor current RMS value and the initial current value , corresponding to the nominal power transfer (for each phase-shift angle, inductance is calculated based on the nominal power, and its RMS current and initial current value are evaluated): the plot shows a broad minimum plateau in the RMS current curve, leaving some room for design tuning.
Figure 12.
Normalized output power (dashed-dotted line) and energy transfer inductor RMS current (continuous line) at different phase-shift angles (@). Also, the normalized current value is plotted (dashed line).
In order to enforce the ZVS condition for the CF-port switches, the phase-shift angle should guarantee a negative and, from Figure 12, becomes negative for : the selected value is , which yields . At the same time, the magnetizing inductance of each coupled inductor is designed so as to obtain in this operating point. The magnetizing current valley value is given by
from which we obtain .
Now, considering the final configuration of Figure 4, since the two secondary windings are series connected, each transformer turn ratio needs to be halved () compared with the design reported above. At the same time, the value of the needed magnetizing inductance is doubled to because each mutual inductor carries one fourth of the total input current. The total secondary-side leakage inductance remains the same, as well the 4SBB inductance ( and , respectively).
The topology of Figure 4, considering only one CF-DAB stage, was simulated at the nominal power and different combinations between minimum and maximum input/output voltages, and the resulting device current RMS values are reported in Table 4.
Table 4.
Devices’ current stress at nominal power for the proposed topology obtained in simulation (only one CF-DAB stage).
3. Prototype Implementation
The key elements in the CF-DAB stage are the mutual inductors that must be designed so as to achieve the desired total secondary-side leakage inductance in order to avoid the use of an additional external magnetic element. The latter can be increased exploiting the lateral legs for part of the secondary winding, with an approach similar to what was proposed in [41,42,43]. This concept is illustrated through the basic reluctance model shown in Figure 13a that includes only the reluctances associated to the air gaps.
Figure 13.
Basic reluctance (a) and electrical (b) models for an E-E core including only the gap reluctances.
The Kirchhoff mesh and node equations are
Combining these three equations, the flux in all the core legs is found as (, )
The voltages across primary and secondary windings are
with
Accordingly, the simplified electrical model of Figure 13b has the following parameters:
For example, considering the planar ferrite core 2 × E38/8/26 with , , , and with a uniform air gap (in both central and lateral legs) of , the resulting model parameters are , , . Such leakage inductance value does not include the effect of leakage magnetic paths around each winding, showing the potentiality of achieving enough total leakage inductance value, which allows to avoid the use of an additional magnetic element.
Thus, four mutual inductor samples are built according to the described approach by using 2 × E43/10/28 ferrite core (material 3C95) with , , , , using two Litz wires in parallel for both primary and secondary windings. The measured parameters are reported in Table 5: as we see, the AC winding resistance, measured with an impedance analyzer at , is relatively low, but still the associated losses are significant due to the high AC current RMS value. The four measured values have less than tolerance with respect to their average value, mainly due to the slightly different winding position inside the core window (the coupled inductors are manually wounded).
Table 5.
Coupled inductors parameters measured on the four samples (2 × E43/10/28) built using two parallel Litz wires , , ).
The total secondary side leakage inductance turns out to be , which is almost exactly the value we designed.
It is interesting to observe that the approach proposed here to increase the leakage inductance exploits the core lateral legs that carry a fraction of the total magnetic flux linking the primary winding in the central leg. This leaves the possibility to arrange and turns with an interleaved configuration, with a consequent minimization of the winding losses. As far as the 4SBB inductor is concerned, it is realized on a ferrite core 2xE38/8/25. The winding comprises six turns of two paralleled Litz wires , and the measured parameters are , .
The selected devices for the CF-port bridges are MOSFETs NVBLS4D0N15MC from ONSEMI® (Scottsdale, AZ, USA), while for the VF-port, SiC devices are employed (UF3SC065007K4S, from UnitedSiC® (Princeton, NJ, USA)). The other main passive components are clamp capacitors (part name C1812C204K2GLCAUTO); voltage divider capacitors (part name B58031U5105M062).
As far as the input filter capacitor is concerned, it is important to observe that the total input current ripple results from the sum of the magnetizing currents of the interleaved Boost of each CF-DAB cell. As a consequence, a cancellation effect appears thanks to interleaving, which is theoretically perfect when and only partial at minimum and maximum duty cycle values (corresponding to maximum and minimum input voltage values). Thus, even if the individual magnetizing current ripple is quite high (see (7)), the cancellation phenomenon allows to use a total , resulting from the parallel connection of 1210 ceramic capacitors plus two film capacitors.
4. Control Architecture
Even if the prototype is tested in open loop conditions, it is important to discuss a possible control architecture since the proposed topology has four control variables: the Boost duty cycle and phase-shift angle for CF-DAB and the duty cycle and phase-shift for 4SBB. Assuming the LV port voltage is impressed and the HV port voltage is regulated by the CF-DAB stage, the 4SBB control variable can be used to regulate the intermediate voltage at a constant value (this is the output voltage of the CF-DAB stage, as well as the input voltage of the 4SBB stage), independently of the transferred power. Since there is no need for a precise voltage regulation, both and can be obtained using a look-up table, driven by the output voltage and transferred power information. On the other hand, the clamp capacitor voltage of the CF-DAB cell, as well as the input current at the LV port, must be regulated. Thus, the proposed control architecture is illustrated in Figure 14. As we can see, the phase-shift is generated by a dedicated input current control loop driven by a suitable reference provided by the output voltage control loop. The Boost duty cycle instead is controlled by a inner voltage loop that regulates the clamp capacitor voltage . Such architecture was also proposed in [44]. According to this control structure, we need to sense the two voltages, and , as well as the total LV port input current . The estimation of the transferred power can be obtained from the measured input current and the measured clamp voltage with the applied Boost duty cycle according to the equation shown in the figure. The CF-DAB average model shown in Figure 14 is derived from [44,45], while the 4SBB average model is a simplified version of the model proposed in [40]. It is important to point out that the control strategy does not change if the power flow is reversed, because the controller naturally provides the correct sign for both phase shift angles and .
Figure 14.
Possible control architecture.
5. Experimental Validation and Discussion
The assembled prototype, according to the schematic of Figure 4, is visible in Figure 15, and the main components are highlighted. Tests were made open loop, using the Texas Instruments® (Dallas, TX, USA) TMS320F28379D microcontroller platform to generate the driving signals of all legs. High-resolution pulse-width modulators were used for both and control as well as for the main phase-shift , while phase-shift was generated with a lower resolution (it affects only the output RMS current ). The thermal aspects were not specifically addressed except for the low-voltage side MOSFETs that, being surface-mounted devices, need specific provisions for an efficient power dissipation. In particular, below their thermal pad, a copper coin was included in the PCB which transfers the heat from TOP to BOTTOM, where a copper pillar provides a low thermal impedance path toward the heatsink.
Figure 15.
Photo of the assembled prototype.
An active load, configured as a constant voltage load, was used to emulate a power transfer toward a DC link voltage. Table 6 reports the key parameters corresponding to nine different operating points, all gathered at an input power of 4 kW, and for different combinations of input/output voltage values. The tests performed close to the maximum input voltage revealed the loss of the soft-switching condition for the bottom switches of the CF port; therefore, the input voltage range was limited to 42–62 , and, at higher input voltages, the intermediate voltage was lowered to increase the secondary current values at the switching instant so as to assist the ZVS condition. As a matter of fact, the simple provision involving the decrease in the coupled inductors magnetizing inductance would increase the ZVS range by allowing the magnetizing current to become more negative before the turn-on of the bottom switches .
Table 6.
Measurements conducted at an input power of 4 kW at different input/output voltage values.
The tests were performed at an input power of in order not to excessively stress the passive components. The main current waveforms are reported in Figure 16 for and Figure 17 for . Each graph shows (from top to bottom) one switching-node voltage and current , the energy transfer inductor current , the total current leaving the shared half-bridge leg at the VF-port, current and switching node voltages and of the 4SBB stage. As we can see, for the shared half-bridge leg, a partial cancellation between currents and takes place, which reduces the current RMS value flowing in the devices. The high-frequency noise at the rising edge of in particular operating points is caused by the high dv/dt due to the high switched current (the peak value of current ). For example, in Figure 16, the switched current value is around , while in Figure 17, it is around . The higher switched current increases the rate of change of the switching node voltage, thus exciting more parasitic oscillations due to the layout and the use of a differential probe. In all the operating points here reported, the soft-switching condition is satisfied for all switches, as can be inferred from the shown switching node voltages. At lower power levels, even with lower current at the switching instants, the ZVS condition of the LV-port switches is guaranteed by a peak value of the coupled inductor magnetizing current ripple higher that its average value. The ZVS condition of the HV-port switches instead relies on a proper selection of the phase-shift of the 4SBB stage. The overall efficiency at this power level is quite flat, remaining in the range of , in dependence on the operating point. Another test at the nominal operating point corresponding to and was performed at an input power of . The corresponding waveforms are reported in Figure 18 and the main current stress is reported in Table 7: the measured efficiency in this operating point was .
Figure 16.
Main converter waveforms taken at = 42 V, and 4 kW: (a) at = 225 V; (b) at = 435 V.
Figure 17.
Main converter waveforms taken at = 62 V and 4 kW: (a) at = 225 V; (b) at = 435 V.
Figure 18.
Main converter waveforms taken at = 57 V, = 380 V, and 5 kW.
Table 7.
Measurements performed at an input power of at nominal input/output voltage values (, ).
6. Loss Analysis
The parameters in Table 7 are now used to estimate the prototype main conduction losses. The total measured losses in this particular operating point are . In the following analysis, the value of the copper resistivity is calculated at an operating temperature of , considered a good compromise especially for the coupled inductor windings. PCB trace resistances, as well as capacitor ESRs, were neglected due to the difficult estimation of their value. In addition, all capacitances in the prototype, including input/output, clamp, and capacitive leg, are realized by a parallel connection of many small ceramic capacitors, which further reduces the impact of their associated ESR.
CF-DAB inductor losses. The coupled inductor winding losses are estimated from the measured parameters reported in Table 5. Average values from the four samples were used, and both DC and AC RMS current values were considered. Primary and secondary winding losses for each coupled inductor turned out to be and , respectively. Core losses are simply estimated based on the specific power loss curves reported in the material data-sheet (ferrite 3C95 from Ferroxcube©, Dongguan, China), yielding . The total coupled inductor losses are .
LV-port switch losses. The conduction losses of the MOSFETs NVBLS4D0N15MC from On Semiconductor® are simply based on the maximum specified in the component’s data-sheet. Each leg has of conduction loss for a total of .
HV-port switch losses. The SiC devices UF3SC065007K4S, from UnitedSiC®, have a maximum . The HB-leg shared between the CF-DAB stage and the 4SBB stage carries a total current equal to , whose RMS value is reported in Table 7 as . The corresponding conduction losses are . It is interesting to observe that the total current leaving the switching node of the shared HB-leg has an RMS value lower than the one corresponding to the secondary current . As already observed, this is because there is a partial cancellation effect due to current , a beneficial effect coming from the integration of the CF-DAB and the 4SBB stages. As far as the outer HB-leg is concerned, its conduction losses are .
4SBB inductor losses. The winding losses of the 4SBB inductor are calculated following the same procedure used for the CF-DAB coupled inductors. The result is , while the core losses are . The total inductor losses are .
As we can see, the total estimated conduction losses, plus the core losses, are , leaving as unaccounted losses, including switching turn-off losses as well as PCB traces, connections, and capacitors. As we can see, the impact of the 4SBB stage is , i.e., less than of the overall losses. The inequality comes from the fact that the presence of the 4SBB stage slightly reduces the conduction losses of the shared HB-leg. The main sources of converter loss are the CF-DAB coupled inductors (); here, both DC and AC winding resistances are of paramount importance and should be minimized.
7. Conclusions
This paper presented an isolated bidirectional DC-DC converter suitable for interfacing a low-voltage port with a high-voltage one, both characterized by a wide voltage range. The proposed topology, obtained integrating a CF-DAB converter with a 4SBB stage sharing one switching leg, can be properly designed so as to achieve Zero-Voltage turn-on for all switches in any operating condition. The major contributions of this work are the following:
- a topology integrating a CF-DAB converter with a 4SBB stage that needs only an additional inductor (compared with the full-bridge implementation of the voltage-fed port);
- an original design procedure for optimal operation of the 4SBB stage, ensuring ZVS with minimum RMS current;
- an appropriate design of the coupled inductors that allows the desired leakage inductance value to be obtained, without need for an additional magnetic element.
Experimental results collected from a prototype have verified the theoretical analysis and expectations, showing a flat efficiency curve in the whole input/output voltage range.
Author Contributions
Conceptualization, G.S. and L.R.; Formal analysis, G.S.; Methodology, G.S. and L.R.; Project administration, P.M.; Software, E.G. and F.C.; Supervision, P.M.; Validation, E.G. and F.C.; Writing – original draft, G.S. All authors have read and agreed to the published version of the manuscript.
Funding
This research received no external funding.
Data Availability Statement
The original contributions presented in the study are included in the article, further inquiries can be directed to the corresponding author.
Conflicts of Interest
The authors declare no conflict of interest.
References
- Kheraluwala, M.N.; Gascoigne, R.W.; Divan, D.M.; Baumann, E.D. Performance characterization of a high-power dual active bridge DC-to-DC converter. IEEE Trans. Ind. Appl. 1992, 6, 1294–1301. [Google Scholar] [CrossRef]
- Wu, K.; de Silva, C.W.; Dunford, W.G. Stability Analysis of Isolated Bidirectional Dual Active Full-Bridge DC-DC Converter with Triple Phase-Shift Control. IEEE Trans. Power Electron. 2012, 4, 2007–2017. [Google Scholar] [CrossRef]
- Harrye, Y.A.; Ahmed, K.H.; Adam, G.P.; Aboushady, A.A. Comprehensive steady state analysis of bidirectional dual active bridge DC/DC converter using triple phase shift control. In Proceedings of the IEEE 23rd International Symposium on Industrial Electronics (ISIE), Istanbul, Turkey, 1–4 June 2014; pp. 437–442. [Google Scholar]
- Riedel, J.; Holmes, D.G.; McGrath, B.P.; Teixeira, C. ZVS Soft Switching Boundaries for Dual Active Bridge DC-DC Converters Using Frequency Domain Analysis. IEEE Trans. Power Appl. 2017, 32, 3166–3179. [Google Scholar] [CrossRef]
- Gao, V.; Sankaranarayanan, V.; Erickson, R.W.; Maksimovic, D. Soft Startup Strategies for DAB-Based DCX in Composite Converters. In Proceedings of the IEEE Energy Conversion Congress and Exposition (ECCE), Detroit, MI, USA, 11–15 October 2020; pp. 6130–6135. [Google Scholar]
- Krismer, F.; Kolar, J.W. Efficiency-Optimized High-Current Dual Active Bridge Converter for Automotive Applications. IEEE Trans. Ind. Electron. 2012, 59, 2745–2760. [Google Scholar] [CrossRef]
- Krismer, F.; Kolar, J.W. Closed Form Solution for Minimum Conduction Loss Modulation of DAB Converters. IEEE Trans. Power Electron. 2012, 27, 174–188. [Google Scholar] [CrossRef]
- Gu, Q.; Yuan, L.; Nie, J.; Sun, J.; Zhao, Z. Current Stress Minimization of Dual-Active-Bridge DC-DC Converter Within the Whole Operating Range. IEEE J. Emerg. Sel. Top. Power Electron. 2019, 7, 129–142. [Google Scholar] [CrossRef]
- Tong, A.; Hang, L.; Li, G.; Jiang, X.; Gao, S. Modeling and Analysis of a Dual-Active-Bridge-Isolated Bidirectional DC/DC Converter to Minimize RMS Current with Whole Operating Range. IEEE J. Emerg. Sel. Top. Power Electron. 2018, 33, 5302–5316. [Google Scholar] [CrossRef]
- Das, D.; Basu, K. Optimal Design of a Dual Active Bridge DC-DC Converter. IEEE Trans. Ind. Electron. 2021, 68, 12034–12045. [Google Scholar] [CrossRef]
- Xiao, H.; Xie, S. A ZVS Bidirectional DC-DC Converter with Phase-Shift Plus PWM Control Scheme. IEEE Trans. Power Electron. 2008, 23, 813–823. [Google Scholar] [CrossRef]
- Shi, Y.; Li, R.; Xue, Y.; Li, H. Optimized Operation of Current-Fed Dual Active Bridge DC-DC Converter for PV Applications. IEEE Trans. Ind. Electron. 2015, 62, 6986–6995. [Google Scholar] [CrossRef]
- Zhang, J.; Sha, D. A current-fed dual active bridge DC-DC converter using dual PWM plus double phase shifted control with equal duty cycles. In Proceedings of the Asian Conference on Energy, Power and Transportation Electrification (ACEPT), Singapore, 25–27 October 2016; pp. 1–6. [Google Scholar]
- Sha, D.; You, F.; Wang, X. A High-Efficiency Current-Fed Semi-Dual-Active Bridge DC-DC Converter for Low Input Voltage Applications. IEEE Trans. Ind. Electron. 2016, 63, 2155–2164. [Google Scholar] [CrossRef]
- Sha, D.; Xu, Y.; Zhang, J.; Yan, Y. Current-Fed Hybrid Dual Active Bridge DC-DC Converter for a Fuel Cell Power Conditioning System with Reduced Input Current Ripple. IEEE Trans. Ind. Electron. 2017, 64, 6628–6638. [Google Scholar] [CrossRef]
- Sha, D.; Zhang, J.; Wang, X.; Yuan, W. Dynamic Response Improvements of Parallel-Connected Bidirectional DC-DC Converters for Electrical Drive Powered by Low-Voltage Battery Employing Optimized Feedforward Control. IEEE Trans. Power Electron. 2017, 32, 7783–7794. [Google Scholar] [CrossRef]
- Sha, D.; Chen, D.; Zhang, J. A Bidirectional Three-Level DC-DC Converter with Reduced Circulating Loss and Fully ZVS Achievement for Battery Charging/Discharging. IEEE J. Emerg. Sel. Top. Power Electron. 2018, 6, 993–1003. [Google Scholar] [CrossRef]
- Sha, D.; Lin, Q.; You, F.; Wang, X.; Xu, G. A ZVS Bidirectional Three-Level DC-DC Converter with Direct Current Slew Rate Control of Leakage Inductance Current. IEEE Trans. Ind. Appl. 2016, 52, 2368–2377. [Google Scholar] [CrossRef]
- Sha, D.; Liu, K.; Wang, X.; Zhang, J. A current-fed DC-DC converter using two transformers with reducing current ripple and wide input range. In Proceedings of the IEEE Applied Power Electronics Conference and Exposition (APEC), San Antonio, TX, USA, 4–8 March 2018; pp. 2198–2202. [Google Scholar]
- Sha, D.; Wang, X.; Chen, D. High-Efficiency Current-Fed Dual Active Bridge DC-DC Converter with ZVS Achievement Throughout Full Range of Load Using Optimized Switching Patterns. IEEE Trans. Power Electron. 2018, 33, 1347–1357. [Google Scholar] [CrossRef]
- Guo, Z.; Sun, K.; Wu, T.; Li, C. An Improved Modulation Scheme of Current-Fed Bidirectional DC-DC Converters For Loss Reduction. IEEE Trans. Power Electron. 2018, 33, 4441–4457. [Google Scholar] [CrossRef]
- Sha, D.; Wang, X.; Liu, K.; Chen, C. A Current-Fed Dual-Active-Bridge DC-DC Converter Using Extended Duty Cycle Control and Magnetic-Integrated Inductors with Optimized Voltage Mismatching Control. IEEE Trans. Power Electron. 2019, 34, 462–473. [Google Scholar] [CrossRef]
- Chen, L.; Tarisciotti, L.; Costabeber, A.; Gao, F.; Wheeler, P.; Zanchetta, P. Advanced Modulations for a Current-Fed Isolated DC-DC Converter with Wide-Voltage-Operating Ranges. IEEE J. Emerg. Sel. Top. Power Electron. 2019, 7, 2540–2552. [Google Scholar] [CrossRef]
- Sha, D.; Zhang, J.; Liu, K. Leakage Inductor Current Peak Optimization for Dual-Transformer Current-Fed Dual Active Bridge DC-DC Converter with Wide Input and Output Voltage Range. IEEE Trans. Power Electron. 2020, 35, 6012–6024. [Google Scholar] [CrossRef]
- Yuewei, L.; Yan, X.; Yangjun, L.; Hongfei, W.; Peng, X. Performance analysis of a current-fed bidirectional LLC resonant converter. In Proceedings of the 42nd Annual Conference of the IEEE Industrial Electronics Society (IECON), San Florence, Italy, 23–26 October 2016; pp. 2486–2491. [Google Scholar]
- Wu, H.; Sun, K.; Li, Y.; Xing, Y. Fixed-Frequency PWM-Controlled Bidirectional Current-Fed Soft-Switching Series-Resonant Converter for Energy Storage Applications. IEEE Trans. Ind. Electron. 2017, 64, 6190–6201. [Google Scholar] [CrossRef]
- Li, W.; Wu, H.; Yu, H.; He, X. Isolated Winding-Coupled Bidirectional ZVS Converter with PWM Plus Phase-Shift (PPS) Control Strategy. IEEE Trans. Power Electron. 2011, 26, 3560–3570. [Google Scholar] [CrossRef]
- Spiazzi, G.; Buso, S.; Biadene, D.; Rossetto, G.; Mela, F. High efficiency battery charger for photovoltaic inverters. In Proceedings of the IEEE Southern Power Electronics Conference (SPEC), Puerto Varas, Chile, 4–7 December 2017; pp. 1–6. [Google Scholar]
- Toniolo, F.; Mattavelli, P.; Spiazzi, G. Design Criteria; Modulation Strategies for Complete ZVS Operation of the Bidirectional Interleaved Boost Converter with Coupled Inductors. In Proceedings of the 20th Workshop on Control and Modeling for Power Electronics (COMPEL), Toronto, ON, Canada, 17–20 June 2019; pp. 1–6. [Google Scholar]
- Toniolo, F.; Pistollato, S.; Caldognetto, T.; Buso, S.; Spiazzi, G.; Mattavelli, P. Implementation and Experimental Evaluation of an Efficiency-Improved Modulation Technique for IBCI DC-DC Converters. In Proceedings of the IEEE Applied Power Electronics Conference and Exposition (APEC), Toronto, ON, Canada, 15–19 March 2020; pp. 3430–3436. [Google Scholar]
- Kwon, J.; Kim, E.; Kwon, B.; Nam, K. High-Efficiency Fuel Cell Power Conditioning System with Input Current Ripple Reduction. IEEE Trans. Ind. Electron. 2009, 56, 826–834. [Google Scholar] [CrossRef]
- Shimada, T.; Shoji, H.; Taniguchi, K. Two novel control methods expanding input-output operating range for a bi-directional isolated DC-DC converter with active clamp circuit. In Proceedings of the IEEE Energy Conversion Congress and Exposition (ECCE), Raleigh, NC, USA, 15–20 September 2012; pp. 2537–2543. [Google Scholar]
- Hiltunen, J.; Vaisanen, V.; Silventoinen, P. A bidirectional current-fed resonant push-pull converter for low voltage, high current applications. In Proceedings of the IEEE Energy Conversion Congress and Exposition (ECCE), Denver, CO, USA, 15–19 September 2013; pp. 4770–4774. [Google Scholar]
- Li, S.; Xiangli, K.; Smedley, K.M. A Control Map for a Bidirectional PWM Plus Phase-Shift-Modulated Push-Pull DC-DC Converter. IEEE Trans. Ind. Electron. 2017, 64, 8514–8524. [Google Scholar] [CrossRef]
- Sun, X.; Qiu, J.; Li, X.; Wang, B.; Wang, L.; Li, X. An improved wide input voltage buck-boost + LLC cascaded converter. In Proceedings of the IEEE Energy Conversion Congress and Exposition (ECCE), Montreal, QC, Canada, 20–24 September 2015; pp. 1473–1478. [Google Scholar]
- Qian, Q.; Liu, Q.; Li, H.; Xu, S.; Sun, W. Optimal Phase Shift Control Strategy of Buck-Boost Integrated LLC Converter Achieving Wide Input Voltage Range, MHz-frequency and High Efficiency. In Proceedings of the IEEE Applied Power Electronics Conference and Exposition (APEC), New Orleans, LA, USA, 15–19 March 2020; pp. 922–926. [Google Scholar]
- Liu, Q.; Qian, Q.; Ren, B.; Xu, S.; Sun, W.; Yang, L. A Two-Stage Buck-Boost Integrated LLC Converter with Extended ZVS Range and Reduced Conduction Loss for High-Frequency and High-Efficiency Applications. IEEE J. Emerg. Sel. Top. Power Electron. 2021, 9, 727–743. [Google Scholar] [CrossRef]
- Zanatta, N.; Caldognetto, T.; Spiazzi, G.; Mattavelli, P. Analysis; Performance Evaluation of a Two-Stage Resonant Converter for Wide Voltage Range Operation. In Proceedings of the IEEE Applied Power Electronics Conference and Exposition (APEC), Houston, TX, USA, 20–24 March 2022; pp. 1141–1147. [Google Scholar]
- Gallo, E.; Cvejic, F.; Spiazzi, G.; Biadene, D.; Caldognetto, T. Average and Small-Signal Model of the Four-Switch Buck-Boost Converter under both Duty-Cycle and Phase-Shift Modulation. In Proceedings of the IEEE Applied Power Electronics Conference and Exposition (APEC), Orlando, FL, USA, 19–23 March 2023; pp. 1299–1306. [Google Scholar]
- Gallo, E.; Biadene, D.; Cvejic, F.; Spiazzi, G.; Caldognetto, T. An Energy-Based Model of Four-Switch Buck-Boost Converters. IEEE Trans. Power Electron. 2024, 39, 4139–4148. [Google Scholar] [CrossRef]
- Biela, J.; Kolar, J.W. Electromagnetic integration of high power resonant circuits comprising high leakage inductance transformers. In Proceedings of the IEEE 35th Annual Power Electronics Specialists Conference (PESC), Aachen, Germany, 20–25 June 2004; pp. 4537–4545. [Google Scholar]
- Li, B.; Li, Q.; Lee, F.C. High-Frequency PCB Winding Transformer with Integrated Inductors for a Bi-Directional Resonant Converter. IEEE Trans. Power Electron. 2019, 34, 6123–6135. [Google Scholar] [CrossRef]
- Mukherjee, S.; Barbosa, P. Design and Optimization of an Integrated Resonant Inductor with High-Frequency Transformer for Wide Gain Range DC-DC Resonant Converters in Electric Vehicle Charging Applications. IEEE Trans. Power Electron. 2023, 38, 6380–6394. [Google Scholar] [CrossRef]
- Zhang, Y.; Spiazzi, G.; Buso, S.; Caldognetto, T. MIMO Control of a High-Step-Up Isolated Bidirectional DC-DC Converter. IEEE Trans. Ind. Electron. 2022, 69, 4687–4696. [Google Scholar] [CrossRef]
- Toniolo, F.; Liu, Q.; Caldognetto, T.; Buso, S.; Spiazzi, G. Digital Current Control for a Bidirectional Interleaved Boost Converter with Coupled Inductors. In Proceedings of the IEEE 15th Brazilian Power Electronics Conference and 5th IEEE Southern Power Electronics Conference (COBEP/SPEC), Santos, Brazil, 1–4 December 2019; pp. 1–6. [Google Scholar]
Disclaimer/Publisher’s Note: The statements, opinions and data contained in all publications are solely those of the individual author(s) and contributor(s) and not of MDPI and/or the editor(s). MDPI and/or the editor(s) disclaim responsibility for any injury to people or property resulting from any ideas, methods, instructions or products referred to in the content. |
© 2024 by the authors. Licensee MDPI, Basel, Switzerland. This article is an open access article distributed under the terms and conditions of the Creative Commons Attribution (CC BY) license (https://creativecommons.org/licenses/by/4.0/).

















