Investigations of Metallurgical Differences in AISI 347 and Their Influence on Deformation and Transformation Behaviour and Resulting Fatigue Life
Abstract
1. Introduction
2. Materials and Methods
2.1. Materials
2.2. Determination of Susceptibility to DIM
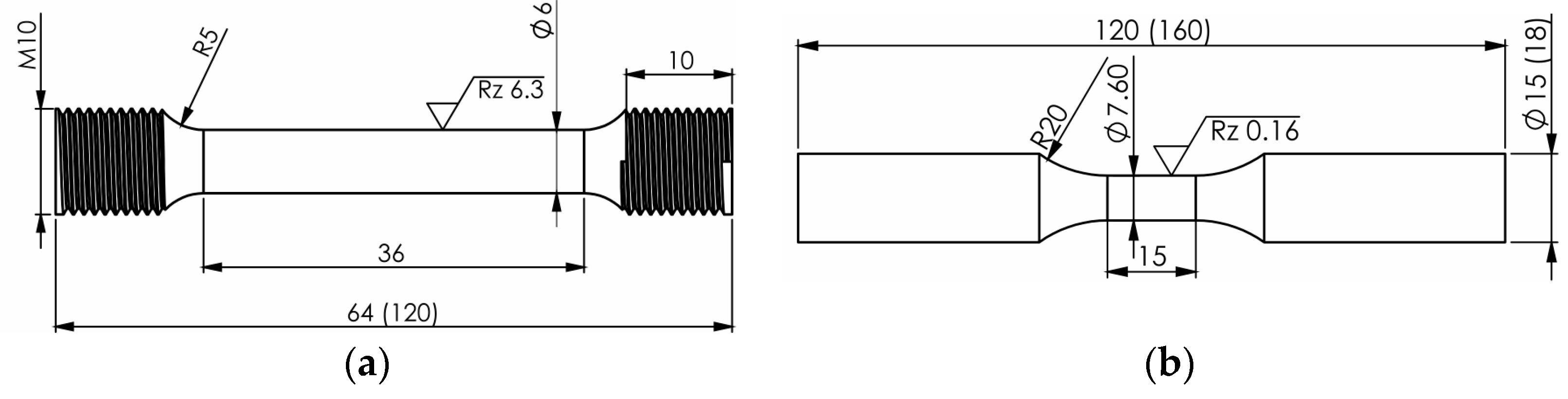
2.3. Tensile Tests
2.4. Fatigue Tests
2.5. Microstructure Investigations
3. Results
3.1. Microstructure in the Initial State
3.2. Suscepibility to DIM
3.3. Monotonic Loading and Deformation Induced α’-Martensite Formation
3.4. Cyclic Deformation Behavior and Deformation Induced α’-Martensite Formation in LCF and HCF Regime
3.5. Microstructure after Failure
4. Discussion
5. Conclusions
- Micrographs reveal differences in microstructure, grain size, and metastability due to the production process. Notably, KTA-certified materials show variations in δ-ferrite content and morphology, influenced by the production process and chemical composition.
- Chemical inhomogeneities in all batches impacted DIM due to local composition variations, especially close to δ-ferrite. Microstructural post-fatigue tests highlighted the role of δ-ferrite in α’-martensite formation and its impact on DIM, as well as material behavior under cyclic loads. With comparable fatigue life, microstructural responses varied due to the presence of δ-ferrite.
- All investigated ASSs showed a SFE conducive to a direct transformation from γ-austenite to α’-martensite.
- Material exhibiting high metastability shows higher ultimate tensile strength but lower elongation at break. In contrast, material with lower metastability showed consistent stress and elongation patterns.
- In all strain-controlled fatigue tests, materials with high metastability surpassed initial strength estimates. Softening and hardening material behavior was shown to be influenced by DIM and grain size.
- The presence of δ-ferrite challenges the accuracy of NDT like FeritscopeTM, influencing the measurement of magnetic properties during mechanical testing. For the NDT, with a FeritscopeTM, exact knowledge of the material’s metastability and component operation conditions have to be known. Matching an identical material standard (e.g., DIN or KTA) is not sufficient, since the metastability may vary. If one aims to make a statement about the integrity of a component by investigating the presence of α’-martensite, one has to be aware of the initial state of the material, its tendency to DIM, and its load history.
Author Contributions
Funding
Institutional Review Board Statement
Informed Consent Statement
Data Availability Statement
Acknowledgments
Conflicts of Interest
References
- Smaga, M.; Boemke, A.; Daniel, T.; Skorupski, R.; Sorich, A.; Beck, T. Fatigue Behavior of Metastable Austenitic Stainless Steels in LCF, HCF and VHCF Regimes at Ambient and Elevated Temperatures. Metals 2019, 9, 704. [Google Scholar] [CrossRef]
- KTA GS, KTA Program of Standards. 2024. Available online: https://www.kta-gs.de/common/regel_prog1.htm (accessed on 1 September 2024).
- Hahnenberger, F.; Smaga, M.; Eifler, D. Fatigue behavior and phase transformation in austenitic steels in the temperature range −60 °C ≤ T ≤ 25 °C. Procedia Eng. 2011, 10, 625–630. [Google Scholar] [CrossRef][Green Version]
- de Bellefon, G.M.; van Duysen, J.; Sridharan, K. Composition-dependence of stacking fault energy in austenitic stainless steels through linear regression with random intercepts. J. Nucl. Mater. 2017, 492, 227–230. [Google Scholar] [CrossRef]
- Hull, F.C. Delta ferrite and martnesite formation in stainless steels. Weld. J. 1973, 52, 193. [Google Scholar]
- Colin, J.; Fatemi, A.; Taheri, S. Fatigue Behavior of Stainless Steel 304L Including Strain Hardening, Prestraining, and Mean Stress Effects. J. Eng. Mater. Technol. 2010, 132, 021008. [Google Scholar] [CrossRef]
- Hahnenberger, F.; Smaga, M.; Eifler, D. Microstructural investigation of the fatigue behavior and phase transformation in metastable austenitic steels at ambient and lower temperatures. Int. J. Fatigue 2014, 69, 36–48. [Google Scholar] [CrossRef]
- Soppa, E.; Willer, D.; Kuppler, D.; Maile, K. EBSD- und TEM-Investigations of the Deformation Induced Martensitic Transformation in the Austenitic Steel X6CrNiNb18–10 under Cyclic Loading. Pract. Met. 2013, 50, 331–345. [Google Scholar] [CrossRef]
- Scheil, E. Über die Umwandlung des Austenits in Martensit in Eisen-Nickellegierungen unter Belastung. Z. Fur Anorg. Und Allg. Chem. 1932, 207, 21–40. [Google Scholar] [CrossRef]
- Man, J.; Kuběna, I.; Smaga, M.; Man, O.; Järvenpää, A.; Weidner, A.; Chlup, Z.; Polák, J. Microstructural changes during deformation of AISI 300 grade austenitic stainless steels: Impact of chemical heterogeneity. Procedia Struct. Integr. 2016, 2, 2299–2306. [Google Scholar] [CrossRef]
- Man, J.; Smaga, M.; Kuběna, I.; Eifler, D.; Polák, J. Effect of metallurgical variables on the austenite stability in fatigued AISI 304 type steels. Eng. Fract. Mech. 2017, 185, 139–159. [Google Scholar] [CrossRef]
- Smaga, M.; Boemke, A.; Daniel, T.; Klein, M.W. Metastability and fatigue behavior of austenitic stainless steels. MATEC Web Conf. 2018, 165, 4010. [Google Scholar] [CrossRef]
- Moshtaghi, M.; Safyari, M. Effect of Work-Hardening Mechanisms in Asymmetrically Cyclic-Loaded Austenitic Stainless Steels on Low-Cycle and High-Cycle Fatigue Behavior. Steel Res. Int. 2020, 92, 2000242. [Google Scholar] [CrossRef]
- Utz, S.; Soppa, E.; Kohler, C.; Schuler, X.; Silcher, H. Thermal and Mechanical Fatigue Loading: Mechanisms of Crack Initiation and Crack Growth. In Proceedings of the Pressure Vessels and Piping Conference, Anaheim, CA, USA, 20–24 July 2024; American Society of Mechanical Engineers: New York, NY, USA, 2014; p. V003T03A060. [Google Scholar]
- Krupp, U.; Roth, I.; Christ, H.; Kübbeler, M.; Fritzen, C. In Situ SEM Observation and Analysis of Martensitic Transformation During Short Fatigue Crack Propagation in Metastable Austenitic Steel. Adv. Eng. Mater. 2010, 12, 255–261. [Google Scholar] [CrossRef]
- Acosta, R. Nutzung zerstörungsfreier Prüfverfahren zur mikrostrukturbasierten Restlebensdauerbewertung alternder metallischer Werkstoffe und Komponenten in der Energietechnik. Issue 2018, 8, 12. [Google Scholar] [CrossRef]
- DIN Deutsches Institut für Normung, e.V. Stainless Steels—Part 1: List of Stainless Steels; German Version EN 10088:1:2005; Beuth Verlag GmbH: Berlin, Germany, 2005. [Google Scholar]
- DIN Deutsches Institut für Normung, e.V. Stainless steels//DIN EN 10088-2:2022-01, Nichtrostende Stähle_-Teil_2: Technische Lieferbedingungen für Blech und Band aus Korrosionsbeständigen Stählen für Allgemeine Verwendung; Deutsche und Englische Fassung prEN_10088-2:2021: Technical Delivery Conditions for General Puropse Sheet/Plate and Strip; Beuth Verlag GmbH: Berlin, Germany, 2022. [Google Scholar]
- KTA-GS, Component Support Structures with Non-Integral Connections Part 1: Component Support Structures with Non-Integral Connections for Components of the Primary Coolant Circuit of Light Water Reactors. 2018. Available online: https://www.kta-gs.de/common/regel_prog1.htm (accessed on 1 September 2024).
- KTA-GS, Components of the Reactor Coolant Pressure Boundary of Light Water Reactors Part 1: Materials and Product Forms. 2017. Available online: https://www.kta-gs.de/common/regel_prog1.htm (accessed on 1 September 2024).
- Verband der Technischen Überwachungs-Vereine. VdTÜV-Werkstoffblatt 451: WB 451 Supplement—Austenitischer Schmiedestahl X6CrNiTi1810S, Werkstoff-Nr. 1.4533, X6CrNiNb1810S, Werkstoff-Nr. 1.4553, X6CrNiMoTi17122S, Werkstoff-Nr. 1.4579 (Ausgabe: 2005-06-01). Available online: https://www.tuev-media.de/wb-451---austenitischer-schmiedestahl-x-6-crniti-18-10-s-1-----1.4533-1-x-6-crninb-18-10-s-1-----1.4553-1-x-6-crnimoti-17-12-2-s-1-1.4579-1---------print (accessed on 1 September 2023).
- German Parliament. Draft Thirteenth Law Amending the Atomic Energy Act, 2011 and 2011; German Parliament: Berlin, Germany, 2011. [Google Scholar]
- Lee, Y.-K.; Lee, S.-J.; Han, J. Critical assessment 19: Stacking fault energies of austenitic steels. Mater. Sci. Technol. 2016, 32, 1–8. [Google Scholar] [CrossRef]
- Reick, W.; Pohl, M.; Padilha, A.F. Determination of stacking fault energy of austenite in a duplex stainless steel. Steel Res. 1996, 67, 253–256. [Google Scholar] [CrossRef]
- Wang, X.; Xiong, W. Stacking fault energy prediction for austenitic steels: Thermodynamic modeling vs. machine learning. Sci. Technol. Adv. Mater. 2020, 21, 626–634. [Google Scholar] [CrossRef] [PubMed]
- Masumura, T.; Nakada, N.; Tsuchiyama, T.; Takaki, S.; Koyano, T.; Adachi, K. The difference in thermal and mechanical stabilities of austenite between carbon- and nitrogen-added metastable austenitic stainless steels. Acta Mater. 2015, 84, 330–338. [Google Scholar] [CrossRef]
- Skorupski, R. Phase Transformation as a Result of Mechanical Loading and Turning of Metastable Austenitic Steels. TMS (The Minerals, Metals & Materials Society): Pittsburgh, PA, USA, 2013. [Google Scholar] [CrossRef]
- Das, A. Enigma of dislocation patterning due to slip in fatigued austenite. Int. J. Damage Mech. 2018, 27, 218–237. [Google Scholar] [CrossRef]
- Smaga, M.; Skorupski, R.; Eifler, D.; Beck, T. Microstructural characterization of cyclic deformation behavior of metastable austenitic stainless steel AISI 347 with different surface morphology. J. Mater. Res. 2017, 32, 4452–4460. [Google Scholar] [CrossRef]
- Roa, J.; Fargas, G.; Jiménez-Piqué, E.; Mateo, A. Deformation mechanisms induced under high cycle fatigue tests in a metastable austenitic stainless steel. Mater. Sci. Eng. A 2014, 597, 232–236. [Google Scholar] [CrossRef]
- Das, A. Cyclic plasticity induced transformation of austenitic stainless steels. Mater. Charact. 2019, 149, 1–25. [Google Scholar] [CrossRef]
- Polatidis, E.; Hsu, W.-N.; Šmíd, M.; Panzner, T.; Chakrabarty, S.; Pant, P.; Van Swygenhoven, H. Suppressed martensitic transformation under biaxial loading in low stacking fault energy metastable austenitic steels. Scr. Mater. 2018, 147, 27–32. [Google Scholar] [CrossRef]
- DIN Deutsches Institut für Normung. Seamless Circular Austenitic Stainless Steel Tubes Subject to Special Requirements: Technical Delivery Conditions. Beuth Verlag GmbH: Berlin, Germany, 1985. [Google Scholar]
- Talonen, J.; Aspegren, P.; Hänninen, H. Comparison of different methods for measuring strain induced α-martensite content in austenitic steels. Mater. Sci. Technol. 2004, 20, 1506–1512. [Google Scholar] [CrossRef]
- Man, J.; Obrtlík, K.; Petrenec, M.; Beran, P.; Smaga, M.; Weidner, A.; Dluhoš, J.; Kruml, T.; Biermann, H.; Eifler, D.; et al. Stability of austenitic 316L steel against martensite formation during cyclic straining. Procedia Eng. 2011, 10, 1279–1284. [Google Scholar] [CrossRef]
- Soleymani, S.; Ojo, O.A.; Richards, N. Effect of Composition on the Formation of Delta Ferrite in 304L Austenitic Stainless Steels During Hot Deformation. J. Mater. Eng. Perform. 2015, 24, 499–504. [Google Scholar] [CrossRef]
- Elmer, J.W.; Allen, S.M.; Eagar, T.W. Microstructural development during solidification of stainless steel alloys. Met. Trans. A 1989, 20, 2117–2131. [Google Scholar] [CrossRef]
- Klein, M.W.; Krebs, F.; Smaga, M.; Beck, T. Preparation of Polished Sections and Determination of the Phase Composition of Highly Metastable TRIP Steel by Microscopic and Radiographic Methods. Pract. Met. 2019, 56, 106–123. [Google Scholar] [CrossRef]
- Donnerbauer, K.; Acosta, R.; Boller, C.; Bill, T.; Starke, P.; Heckmann, K.; Sievers, J.; Schopf, T.; Walther, F. Fatigue damage evaluation of stainless AISI 347 steel by advanced microstructure-sensitive NDT analysis. Procedia Struct. Integr. 2022, 42, 738–744. [Google Scholar] [CrossRef]
- Sohrabi, M.J.; Mirzadeh, H.; Sadeghpour, S.; Mahmudi, R. Dependency of work-hardening behavior of a metastable austenitic stainless steel on the nucleation site of deformation-induced martensite. Mater. Sci. Eng. A 2023, 868, 144600. [Google Scholar] [CrossRef]
- Müller-Bollenhagen, C.; Zimmermann, M.; Christ, H.-J. Very high cycle fatigue behaviour of austenitic stainless steel and the effect of strain-induced martensite. Int. J. Fatigue 2010, 32, 936–942. [Google Scholar] [CrossRef]
- Soppa, E.; Kohler, C.; Roos, E. Fatigue mechanisms in an austenitic steel under cyclic loading: Experiments and atomistic simulations. Mater. Sci. Eng. A 2014, 597, 128–138. [Google Scholar] [CrossRef]
- Hahnenberger, F.; Smaga, M.; Eifler, D. Influence of γ-α′-Phase Transformation in Metastable Austenitic Steels on the Mechanical Behavior During Tensile and Fatigue Loading at Ambient and Lower Temperatures. Adv. Eng. Mater. 2012, 14, 853–858. [Google Scholar] [CrossRef]
- Fava, J.; Carabedo, F.; Spinosa, C.; Ruch, M. Assessment of the Amount of Deformation Induced Martensite: A Calibration Curve for the Ferritoscope. In Proceedings of the 12th European Conference on Non-Destructive Testing (ECNDT 2018), Gothenburg, Sweden, 11–15 June 2018. [Google Scholar]
- Egels, G.; Bussmann, M.; Benito, S.; Weber, S. On the Temperature-Dependence of Deformation-Induced Martensite Formation in AISI 304L Type Steel. Met. Mater. Trans. A 2023, 54, 4222–4232. [Google Scholar] [CrossRef]
- Ruch, M.; Fava, J.; Spinosa, C.; Landau, M.; Cosarinsky, G.; Savin, A.; Nový, F.; Turchenko, V.; Craus, M. Characteriza-tion of Cold Rolling-Induced Martensite in Austenitic Stainless Steels. In Proceedings of the 19th World Conference on Non-Destructive Testing (WCNDT 2016), Munich, Germany, 13–17 June 2016. [Google Scholar]
- Beck, T.; Klein, M.; Smaga, M.; Balle, F.; Eifler, D. Innovative Experimental Approaches and Physical Measurement Methods for Fatigue Monitoring and Life Assessment. Mater. Sci. Forum 2016, 879, 205–210. [Google Scholar] [CrossRef]
- Hauser, M.; Wendler, M.; Chowdhury, S.G.; Weiß, A.; Mola, J. Quantification of deformation induced α’-martensite in Fe–19Cr–3Mn–4Ni–0.15C–0.15N austenitic steel by in situ magnetic measurements. Mater. Sci. Technol. 2015, 31, 1473–1478. [Google Scholar] [CrossRef]
- Vincent, L.; Le Roux, J.-C.; Taheri, S. On the high cycle fatigue behavior of a type 304L stainless steel at room temperature. Int. J. Fatigue 2012, 38, 84–91. [Google Scholar] [CrossRef]
- Xie, X.-F.; Jiang, W.; Chen, J.; Zhang, X.; Tu, S.-T. Cyclic hardening/softening behavior of 316L stainless steel at elevated temperature including strain-rate and strain-range dependence: Experimental and damage-coupled constitutive modeling. Int. J. Plast. 2019, 114, 196–214. [Google Scholar] [CrossRef]
- Colin, J.; Fatemi, A.; Taheri, S. Cyclic hardening and fatigue behavior of stainless steel 304L. J. Mater. Sci. 2011, 46, 145–154. [Google Scholar] [CrossRef]
- Paul, S.; Sivaprasad, S.; Dhar, S.; Tarafder, S. Cyclic plastic deformation and cyclic hardening/softening behavior in 304LN stainless steel. Theor. Appl. Fract. Mech. 2010, 54, 63–70. [Google Scholar] [CrossRef]
- Bemfica, C.; Castro, F. A cyclic plasticity model for secondary hardening due to strain-induced martensitic transformation. Int. J. Plast. 2021, 140, 102969. [Google Scholar] [CrossRef]
- Kreethi, R.; Mondal, A.; Dutta, K. Ratcheting fatigue behaviour of 42CrMo4 steel under different heat treatment conditions. Mater. Sci. Eng. A 2017, 679, 66–74. [Google Scholar] [CrossRef]
- Zhao, L.; Qi, X.; Xu, L.; Han, Y.; Jing, H.; Song, K. Tensile mechanical properties, deformation mechanisms, fatigue behaviour and fatigue life of 316H austenitic stainless steel: Effects of grain size. Fatigue Fract. Eng. Mater. Struct. 2021, 44, 533–550. [Google Scholar] [CrossRef]
- Song, Y.; Zhang, Z.; Ma, H.; Nakatani, M.; Kawabata, M.O.; Ameyama, K. Ratcheting-Fatigue Behavior of Harmonic-Structure-Designed SUS316L Stainless Steel. Metals 2021, 11, 477. [Google Scholar] [CrossRef]
- Krupp, U.; West, C.; Christ, H.-J. Deformation-induced martensite formation during cyclic deformation of metastable austenitic steel: Influence of temperature and carbon content. Mater. Sci. Eng. A 2008, 481–482, 713–717. [Google Scholar] [CrossRef]
- Pessoa, D.; Kirchhoff, G.; Zimmermann, M. Influence of loading frequency and role of surface micro-defects on fatigue behavior of metastable austenitic stainless steel AISI. Int. J. Fatigue 2017, 103, 48–59. [Google Scholar] [CrossRef]
- Palani, P.K.; Murugan, N. Prediction of Delta Ferrite Content and Effect of Welding Process Parameters in Claddings by FCAW. Mater. Manuf. Process. 2006, 21, 431–438. [Google Scholar] [CrossRef]
- Neidel, A.; Fischer, B.; Riesenbeck, S.; Cagliyan, E. Transformation of Delta Ferrite into Sigma Phase in Metastable Austenitic Stainless Steels After Long-Term High-Temperature Service Exposure. Pract. Met. 2014, 51, 259–279. [Google Scholar] [CrossRef]












| Standard | C | Si | Mn | Mo | P | S | Cr | Nb | Ni | Co | N | Ti |
|---|---|---|---|---|---|---|---|---|---|---|---|---|
| KTA 3201.1 | ≤0.04 | ≤1 | ≤2 | - | ≤0.035 | ≤0.015 | 17 ≤ & ≤ 19 | 10 × C ≤ & ≤ 0.65 | 9 ≤ & ≤ 12 | ≤0.2 | - | - |
| KTA 3205.1/EN10088 | ≤0.08 | ≤1 | ≤2 | - | ≤0.045 | ≤0.015 | 17 ≤ & ≤ 19 | 10 × C ≤ & ≤ 1.00 | 9 ≤ & ≤ 12 | - | - | - |
| Batch or Geometry | Production Process | Heat Treatment | Standard |
|---|---|---|---|
| Rod | hot-rolled and peeled to a diameter of Ø 25 mm | Solution annealed at 1050 °C for 35 min in vacuum, quenched in helium | DIN |
| Pipe | hot-rolled, widened in a piercing mill, turned on the outside (Ø 333 mm), and drilled out inside; wall thickness of 32 mm | Manufactured according to to DIN 17458 [33]. Solution annealing temperature: 1050 °C; holding time for 10 min; water quenched | KTA |
| Shaft | forged and turned to a diameter of Ø 350 mm | Solution annealed, 1050 °C holding time for 1 h, water quenched | KTA |
| C | Si | Mn | Mo | P | S | Cr | Cu | Ni | Nb | N | |
|---|---|---|---|---|---|---|---|---|---|---|---|
| Rod | 0.025 | 0.56 | 1.57 | 0.16 | 0.03 | 0.006 | 17.0 | 0.19 | 8.91 | 0.41 | 0.027 |
| Pipe | 0.040 | 0.41 | 1.83 | 0.29 | 0.02 | 0.007 | 17.6 | 0.06 | 10.6 | 0.62 | 0.007 |
| Shaft | 0.031 | 0.38 | 1.94 | 0.40 | 0.03 | 0.003 | 18.1 | 0.14 | 10.6 | 0.54 | 0.034 |
| E-Modulus | Rp0.2 | UTS | εfracture | Grain Size | HV10 | Initial ξ | |
|---|---|---|---|---|---|---|---|
| Rod | 202 (±12) GPa | 220 (±1) MPa | 621 (±3) MPa | 51 (±0.3) % | 17 µm | 152 (±6) | 0.00 FE-% |
| Pipe | 196 (±0.6) GPa | 231 (±0.7) MPa | 576 (±13) MPa | 66 (±5.3) % | 120 µm | 140 (±5) | 0.0-0.3 FE-% |
| Shaft | 196 (±0.8) GPa | 227 (±0) MPa | 562 (±1) MPa | 73 (±0.7) % | 153 µm | 142 (±3) | 1.8-2.9 FE-% |
Disclaimer/Publisher’s Note: The statements, opinions and data contained in all publications are solely those of the individual author(s) and contributor(s) and not of MDPI and/or the editor(s). MDPI and/or the editor(s) disclaim responsibility for any injury to people or property resulting from any ideas, methods, instructions or products referred to in the content. |
© 2024 by the authors. Licensee MDPI, Basel, Switzerland. This article is an open access article distributed under the terms and conditions of the Creative Commons Attribution (CC BY) license (https://creativecommons.org/licenses/by/4.0/).
Share and Cite
Veile, G.; Regitz, E.; Smaga, M.; Weihe, S.; Beck, T. Investigations of Metallurgical Differences in AISI 347 and Their Influence on Deformation and Transformation Behaviour and Resulting Fatigue Life. Materials 2024, 17, 4543. https://doi.org/10.3390/ma17184543
Veile G, Regitz E, Smaga M, Weihe S, Beck T. Investigations of Metallurgical Differences in AISI 347 and Their Influence on Deformation and Transformation Behaviour and Resulting Fatigue Life. Materials. 2024; 17(18):4543. https://doi.org/10.3390/ma17184543
Chicago/Turabian StyleVeile, Georg, Elen Regitz, Marek Smaga, Stefan Weihe, and Tillmann Beck. 2024. "Investigations of Metallurgical Differences in AISI 347 and Their Influence on Deformation and Transformation Behaviour and Resulting Fatigue Life" Materials 17, no. 18: 4543. https://doi.org/10.3390/ma17184543
APA StyleVeile, G., Regitz, E., Smaga, M., Weihe, S., & Beck, T. (2024). Investigations of Metallurgical Differences in AISI 347 and Their Influence on Deformation and Transformation Behaviour and Resulting Fatigue Life. Materials, 17(18), 4543. https://doi.org/10.3390/ma17184543

