Abstract
This work focuses on the support effect of the performances of Co based catalysts for acetic acid steam reforming. SBA-15, a well ordered hexagonal mesoporous silica structure, and CeO2 have been selected as the supports, with the impact of chromium addition also being investigated. Better acetic acid steam reforming performances have been recorded for CeO2 compared to SBA-15 supported catalysts and, in particular, the 7Co/CeO2 catalyst showed the highest values of acetic acid conversions with enhanced H2 yields below 480 °C, in comparison to the other investigated catalytic formulations. In addition, more pronounced coke depositions and acetone concentrations have been obtained with CeO2 supported catalysts, due to the tendency of ceria to catalyse the ketonization reaction. Chromium addition to Co/SBA-15 catalysts led to an enhancement in the activity towards acetic acid steam reforming, while on CeO2 supported catalysts no improvement in the catalysts’ activity was observed. However, on both SBA-15 and CeO2 supported catalysts, Cr addition reduced the amount of coke deposited on the catalysts surface.
1. Introduction
The increasing levels of CO2 in the atmosphere, along with the emission of other harmful pollutants (NOx and SO2) has led to serious environmental concerns, with experts searching for low-environmental impact sources to solve the current energy crisis. Renewable resources are extremely promising, while the use of biomass as feedstock is encouraged due to its sustainability, wide availability and abundance [1]. Consequently, the use of biomass-derivate compounds (including acetic acid) as a hydrogen source has the potential to reduce the current dependence on fossil fuels [2,3]. Hydrogen is regarded as one of the energetic vectors of the future and its production via reforming of bio-fuels has been widely studied in current literature [4,5]. In 2019, the demand for pure hydrogen was estimated as 70 million tons. The majority of produced hydrogen comes from the conversion of fossil fuels, while only less than 1% hydrogen derives from renewable sources [6]. Among the available feedstocks for hydrogen generation, acetic acid is a promising alternative, with a growing market production expected to reach 18 million tons by 2020 [7].
Acetic acid is mainly produced via methanol carbonylation (~75%) [8]. However, the synthetic route creates severe environmental concerns, due to the release of dangerous by-products and the use of petroleum as feedstock. In addition, this process uses very expensive catalysts. Conversely, extensive research has studied a hydrothermal process [9], which exploits its well-known properties at both high-temperatures and pressures [10]. Other eco-friendly and clean technologies for acetic acid production, including membrane-based processes, are under presently investigation [7].
The conversion of bio-oil obtained via the fast pyrolysis of biomass and its subsequent catalytic steam reforming has been regarded as a feasible and economical route for hydrogen production [11]. Acetic acid is the main component of bio-oil (up to 33%) and its reforming as a bio-oil representative compound has been widely investigated [12]. Bio-based acetic acid steam reforming processes (AcOH-SR) are a potential approach for hydrogen production, which can be directly used in oxide fuel cells or further treated to generate electricity in proton exchange membrane fuel cells [13]. Acetic acid, compared to other biomass-based hydrogen carriers such as ethanol and methanol, is non-flammable and much safer to store and transport [14]. Moreover, the net energy balance for bio-oil production from biomass via integrated fast-pyrolysis is considerably higher than that reported for bioethanol generation (7.01 vs. 1.07) [15].
According to the stoichiometry of the acetic acid steam reforming reaction (Equation (1)), one mole of acetic acid can produce four moles of hydrogen, as a result of the thermal decomposition reaction (Equation (3)) and the water gas shift reaction (Equation (2)). However, the theoretical hydrogen yield is commonly vitiated by undesirable products formation, mainly carbon monoxide, methane and acetone. Methane is mainly formed via decarboxylation (Equation (4)) and acetic acid can also be ketonized to acetone (Equation (5)) [16]. C3H6O formation is considered one of the principal causes of coke and high condensation products deposition on the catalyst surface, that leads to catalysts deactivation [17,18]. Moreover, a Boudouard reaction (Equation (6)) and methane decomposition (Equation (7)) are also responsible for coke formation and reduced hydrogen selectivities, contributing to the consequent catalysts deactivation [19,20].
| AcOH Steam reforming | ΔH = 131.4 kJ/mol | (1) | |
| Water gas shift | ΔH = −41.1 kJ/mol | (2) | |
| Thermal decomposition | ΔH = 213.7 kJ/mol | (3) | |
| Decarboxylation | ΔH = −33.5 kJ/mol | (4) | |
| Ketonization | ΔH = 16.7 kJ/mol | (5) | |
| Boudouard reaction | ΔH = −172.4 kJ/mol | (6) | |
| Methane decomposition | ΔH = 74.8 kJ/mol | (7) |
The design of a proper catalytic formulation is a critical challenge to maximize hydrogen production and limit activity losses [21]. Several active species have been investigated [22,23,24], showing that hydrogen selectivity decreased in the order Co >Ni >Rh >Pt [25]. According to numerous studies [25,26], cobalt has a reasonable activity for acetic acid reforming at low temperatures, due to its ability to break down both C–C and C–H bonds, along with its competitive price. Moreover, Co displayed very high activity towards water-gas shift reactions at 550 °C. The combination of cobalt with a second metal as a promoter (i.e., nickel or potassium) has shown to improve the coking resistance of the final catalyst, inhibiting, at the same time, the methanation reaction [27,28]. Regarding the choice of the oxide support, alumina is traditionally used for the reforming process, due to its high surface area and mechanical stability. However, the surface acidity promotes acetone and coke precursors formation. Thus, the performance of different supports, capable of enhancing hydrogen yield and deactivation resistance, has been investigated [29]. SBA-15, instead of common amorphous silica, was reported to be a very useful support, capable of preventing Co particles aggregation and metal sintering [30]. SBA-15, a well ordered hexagonal mesoporous (4–12 nm) silica structure presents several attractive characteristics as a catalytic support, such as high specific surface area (600–1000 m2 g−1), ease of synthesis, high thermal and mechanical stability [31,32,33]: the porosity of silica is expected to enlarge the metal-oxide interface with respect to support having lower surface areas, with the purpose to magnify the effect of interaction between metal and oxide. Garcia et al. [34] reported the beneficial effect of Cr addition to Co based catalysts, as a promoter towards hydrogenation–dehydrogenation reactions (i.e., coke precursors hydrogenation). Chromium was also shown to be a textural promoter, reducing the crystallite dimensions and limiting the sintering of the active species [35]; moreover, chromium promoter was shown to better improve the steam reforming activity of rare earth based catalyst compared to other metals [30,36]. Our previous work [37] highlighted the good performance of a Co-Cr/SBA-15 catalyst in terms of high activity, hydrogen yield and low coke deposition. In addition to SBA-15, other supports, including CeO2, Al2O3, and CeO2-ZrO2, have shown promising results for hydrogen production via steam reforming [38,39]. The selection of rare earth oxides allows to exploit the oxygen storage and release capacity of these supports, which are beneficial to preventing and/or removing carbon deposits [40,41,42]. The reversible redox cycle between Ce4+ and Ce3+ ions generates oxygen vacancies, thus taking or releasing oxygen on the basis of surface requirements and assuring an easy oxidation of carbonaceous species. This property is called as oxygen storage capacity (OSC). An enhancement in coke gasification by steam was reported, along with an improved reforming activity ascribable to the mobile oxygen in the ceria lattice [21]. Thus, ceria not only acts as the support for the active metals but also as an oxygen reservoir. Moreover, the choice of ceria with a high-surface area can reduce the impact of sintering which, together with the boosted contribution of coke gasification, is expected to improve the catalyst activity and stability [43,44]. Furthermore, to the best of our knowledge, Co-Cr/CeO2 catalysts have yet to be investigated for acetic acid steam reforming. In this study, ceria was therefore chosen as the support to disperse cobalt and chromium.
In this work, a series of Co and Co-Cr catalysts supported on SBA-15 or CeO2 was prepared, characterized by means of TPR (temperature programmed reduction), XRD (X-ray diffraction method), ICP-AES (inductively coupled plasma atomic emission spectrophotometry), TEM (transmission electron microscope), and SSA (specific surface area) analysis. Subsequently, their catalytic activities were investigated between 400 and 600 °C to study the influence of the adopted support and the chromium effect on the catalyst’s performances in terms of acetic acid conversion and hydrogen yield.
2. Results and Discussion
2.1. Catalysts Characterization
The SSA analysis, carried out on the supports and the examined catalytic formulations, are given in Table 1 in which it is possible to note that the SBA-15 samples present higher SSA compared to the CeO2 based catalysts. Moreover, the chromium addition to 7Co/CeO2 induces a drastic decrease in the specific surface area of the catalysts compared to the SBA-15 based catalysts. The Cr addition to 7CoCeO2 lowers the SSA of the 30%, while 2Cr7Co/SBA-15 presents a decrease in the SSA value of only 11%, thus suggesting that the chromium addition on the ceria catalysts may cause a pore filling that lowers the SSA of the catalysts.
Table 1.
Results of the specific surface area determination for the analyzed catalysts.
Regarding the H2 reduction tendency, as reported in current literature, Co supported catalysts are characterized by two main reduction peaks in the range of 300–400 °C, that correspond to the reductions of Co3O4 to CoO and CoO to Co0, respectively, and an additional broad peak, detected at higher temperatures, resulting from the interactions with the support [45], while crystalline chromia presents a main peak at 250 °C with a shoulder at 180 °C and a weak one at about 360 °C [46].
Figure 1 shows the H2 consumption trends as function of temperature; not appreciable H2 consumption was detected for SBA-15, while CeO2 exhibits a characteristic peak around 480 °C [47]. Moreover, the presence of the two Co reduction main peaks was encountered for all the analysed samples, whilst the maxima temperature and the intensity of the third peak was strongly affected by the support effect. Comparing 7Co/SBA-15 and 7Co/CeO2, the latter showed a more intense peak at higher temperatures, ascribable to the reduction of Co oxides along with the reduction of the surface shell of Ceria, promoted by the presence of cobalt metal, as reported in current literature [48,49], while the peak showed by 7Co/SBA-15 at higher temperatures may depend on the strong interaction between cobalt oxide particles and the mesoporous support [50,51]. Chromium low temperature reduction peaks have been detected for all the Cr-containing samples, whereas the higher temperature peak resulted overlapped with the cobalt reduction. The Cr addition results in a leftward shift of the cobalt peaks: both 2Cr7Co/SBA-15 and 2Cr7Co/CeO2 present lower Co reduction temperatures, indicating lower interaction with the support and/or better active species dispersion [36]. Furthermore, the analysis on the 3Cr12Co/CeO2 highlights that an increase in the Cr content causes a shift of the Co peaks to higher temperatures, thus suggesting a mutual interaction between cobalt and chromium species, as described by Chen et al. [52,53].
Figure 1.
TPR profiles of the tested catalytic formulations and supports.
Figure 2 shows the XRD patterns of the calcined samples. Peaks attributed to cubic Co3O4 appear in Co-based catalysts supported over SBA-15 at 2θ = 31.4°, 37.1°, 45°, 56°, 59.7°, 65.6°, 74.5°, and 77.8° (JCPDS 01-071-4921) corresponding to the (220), (311), (400), (422), (511), (440), (620), and (533) reflection planes, respectively. Regarding the Co-based catalyst supported over CeO2, only peaks with a refection at 2θ = 37.1°, 44,9°, and 65.6° are distinguished, since the diffraction spectra indicated the well-defined and high-intensity major peaks of cubic CeO2 (JCPDS 01-089-8436), which is constituting the support. These peaks showed the refection at 2θ = 28.6°, 33.1°, 47.5°, 56.4°, 59.1°, 69.4°, 76.7°, and 79.1°. Cr-oxides were not detected in 2Cr7Co/SBA-15, 2Cr7Co/CeO2, and 3Cr 12Co/CeO2 due to the overlap between the highest diffraction peaks of orthorhombic Cr2O3 (JCPDS 00-071-4807) with those of the Co3O4 pattern. Furthermore, since the Co content was much higher than the Cr content in all the prepared catalysts, these peaks would have a negligible effect on the XRD patterns, with the Cr species being well-dispersed over the support as reported elsewhere [54,55].
Figure 2.
XRD spectra of the investigated catalysts.
Moreover, from the analysis of the crystallite dimensions performed using the Scherrer equation, it is possible to note in Table 2 that the addition of chromium to both the SBA-15 and CeO2 supported catalysts, remarkably decreased the Co crystallites sizes, thus probably leading to a higher dispersion of the metal species. These results are expected to assure a better AcOH-SR performance.
Table 2.
Metal contents in the samples obtained by ICP analysis and diameters of the Co3O4 crystallite calculated using the Scherrer equation, from the (311) diffraction plane of Co3O4.
ICP analysis was used to estimate the metals weight percentages in the prepared samples; in Table 2 is possible to observe that, while for the SBA-15 supported catalysts the metal content corresponds to the estimated amounts, the CeO2 supported samples are characterized by a Co content lower than the predicted values.
In Figure 3 the TEM images of the tested catalysts are shown. As it is possible to notice, CeO2 and SBA-15 supported catalysts display different structures; indeed, in the SBA-15 supported catalysts, the well-ordered hexagonal mesoporous silica structure is clearly visible from the TEM images (see Figure 3B,D), while for the ceria supported samples the structure of the catalysts appears as agglomerates of spherical particles. Moreover, the dispersion of the active species seems to be higher on the catalysts supported on ceria, thus probably leading to higher performances of the catalysts. In addition, TEM analysis was also performed on the sample 7Co/CeO2 spent (after the activity test), and as it is possible to see from Figure 3F, the presence of consistent agglomerate of coke was obtained.
Figure 3.
TEM images of the catalysts (A) 7Co/CeO2; (B) 7Co/SBA15; (C) 2Cr7Co/CeO2; (D) 2Cr7Co/SBA15; (E) 3Cr12Co/CeO2; (F) 7Co/CeO2 spent.
2.2. Activity Tests
2.2.1. Homogeneous Reaction
In order to quantify the contribution of the reaction in the absence of catalysts, a homogeneous reaction test was performed, with the same conditions adopted for the catalytic experiments (AcOH:H2O:Ar = 1:4:5), but with only quartz flakes within the reactor. Figure 4 shows that a maximum value of 20% was reached for AcOH conversion, descending, however, to zero at 500 °C and giving a low H2 yield and a considerable C3H6O yield. Moreover, analyzing the products distribution presented in Figure 5, one can appreciate the presence in the product streams of CO and CO2, while methane was not detected, thus suggesting that thermal decomposition and ketonization reactions were taking place, whilst the exothermic decarboxylation was suppressed. Furthermore, no decrease in the water concentration was detected at the reactor outlet (not reported in the graphs), leading to the conclusion that the water gas shift reaction was not occurring.
Figure 4.
AcOH conversion, H2 yield, C3H6O yield as a function of temperature for the AcOH-SR homogeneous reaction test.
Figure 5.
Products distribution as a function of temperature for the AcOH-SR homogeneous reaction test.
2.2.2. Support Effect
Carrying out the AcOH-SR with CeO2 or SBA-15, without the presence of the active phase, led to different results in terms of AcOH conversion, H2 yield and C3H6O yield, as depicted in Figure 6. The obtained data showed higher acetic acid conversions and H2 yields on ceria (100% AcOH and ~10% H2 yield at 600 °C) compared to SBA-15 (23% AcOH and ~2% H2 yield at 600 °C). However, the conversion dropped to zero at 500 °C, as in the case of the homogeneous reaction. Meanwhile, on SBA-15, around 530 °C the conversion dropped to zero, so the test was stopped before reaching the lowest value of the planned temperature.
Figure 6.
Trends of XAcOH (a), YH2 (b) and YC3H6O (c) as a function of temperature in the AcOH-SR over CeO2 and SBA-15.
In addition, the support choice strongly affected the acetone selectivity of the sample, causing an opposite behavior in terms of acetone formation. While with SBA-15 only a slight concentration of acetone was detected, predominantly at higher temperatures, CeO2 selection resulted in the promotion of C3H6O formation, especially when the temperature decreased; although the ketonization mechanism is still widely debated in current literature, it has been proved the tendency of CeO2 to convert acetic acid in acetone [56,57]. Moreover, the carbon deposition results, shown in Figure 7 in terms of CFR, show the more pronounced tendency of CeO2 towards coke formation [17]. Earth metal oxides, compared to silica, are particularly prone to ketones formation, even without the presence of an active metal, due to their acid-base properties [58,59].
Figure 7.
Results of the carbon deposition analysis on the supports.
2.2.3. Catalysts Activity Tests
In Figure 8, a comparison in terms of XAcOH as a function of reaction temperature shows that, between the tested catalytic formulations, the best performances were achieved for 7Co/CeO2, that exhibited a conversion higher than 90% from 450 °C to 600 °C.
Figure 8.
Comparison between the tested catalytic formulations in terms of AcOH conversion as a function of temperature (WHSV = 30h−1, AcOH:H2O:Ar = 1:4:5).
Compared to the CeO2 based catalysts, the SBA-15 supported sample displayed, in general, lower AcOH-SR activity. However, the addition of chromium increased the activity of the SBA-15 catalyst, causing a pronounced enhancement of the acetic acid conversion. An opposite behavior was obtained for the CeO2 supported catalysts; an increase in the Cr content worsened the catalytic performances of the latter samples in terms of AcOH conversion. This result can be explained by looking at the characterization results commented on in Section 3.1 where the elevated decrease of the specific area observed upon Cr addition to 7Co/CeO2, probably due to a pore filling effect, led to decreased catalyst performances and lower AcOH-SR activity.
Even though the best performances in terms of AcOH conversions were obtained for the catalyst 7Co/CeO2, higher H2 yields were gained, as can be seen in Figure 9, above 500 °C, with the addition of chromium; a moderate increase in the H2 yield was observed for all the Cr containing samples. This phenomenon, observed for both the CeO2 and SBA-15 supported catalysts, may be due to the presence of smaller Co particles, obtained after the chromium addition (see Section 2.1), thus resulting in a better Co dispersion. However, below 480 °C, higher H2 yields are obtained for 7Co/CeO2 compared with the other catalytic formulations, thus suggesting that the Cr addition has only a slight effect in increasing AcOH-SR performances over the Co/CeO2 catalysts.
Figure 9.
Comparison between the tested catalytic formulations in terms of H2 yield as a function of temperature.
The results presented in Figure 10, together with the XAcOH trends (see Figure 8), confirmed the strict interconnection between the acetone formation and the catalysts loss in activity. Since acetone was being detected at the reactor outlet, a rapid decrease of the AcOH conversion was observed.
Figure 10.
Comparison between the tested catalytic formulations in terms of C3H6O yield as a function of temperature.
Moreover, coupling the results relating to the C3H6O yields with the carbon deposition analysis, depicted in Figure 11, it is possible to better explain the different coke selectivity of mono- and bi-metallic catalysts. 7Co/SBA-15 showed high values of coke deposits, for which a slight C3H6O formation was observed already at high temperatures (~600 °C), thus suggesting that the low C3H6O concentrations, observed at the reactor outlet, were ascribable to acetone decomposition and coke deposits formation; a similar phenomenon has already been reported in current literature on a ZrO2 supported catalyst [18]. The addition of chromium to 7Co/SBA-15 enhanced the catalyst stability, significantly reducing the amount of coke formed (~0.20 mgcoke/(gCfed·h·gcat) for 2Cr7Co/SBA-15 compared to ~0.29 mgcoke/(gCfed·h·gcat) for 7Co/SBA-15). Although at ~520 °C acetone was detected at the reactor outlet and the AcOH conversion dropped to low values, at lower temperatures (~480 °C) C3H6O yields decreased, leading to a reduced amount of deposited coke for 2Cr7Co/SBA-15 compared to 7Co/SBA-15; this aspect can be seen in Figure 10, in which the peak present in the acetone yield trend clearly suggests that, below 480 °C, the acetone concentration is lowered, maybe due to the presence of acetone reforming reactions or due to the inhibition of the ketonization reaction. A similar behaviour was observed for the CeO2 supported catalysts upon chromium deposition. The interconnection between acetone appearance and the catalysts loss in activity was also encountered on the CeO2 catalysts.
Figure 11.
Results of the carbon deposition analysis carried out after each activity test on the spent catalysts.
The 7Co/CeO2 catalyst exhibited no acetone traces and conversions >90% above 460 °C, while for 2Cr7Co/CeO2 and 3Cr12Co/CeO2 the conversion dropped, and the acetone formation was already observed at higher temperature values (~500 °C). Moreover, the sample 3Cr12Co/CeO2 showed, at low temperatures (below 420 °C), a decrease in the slope of the acetone formation, thus highlighting the advantage obtained with the Cr addition in terms of coke formation. Carbon deposition decreases according to the order: 7Co/CeO2 > 2Cr7Co/CeO2 > 3Cr12Co/CeO2, highlighting the advantage obtained with the Cr addition in terms of coke formation: an increase in the chromium content leads to lower carbon depositions. However, contrary to what was observed for the SBA-15 supported catalysts, between the CeO2 based samples, the catalyst that exhibited the highest value of deposited coke was also characterized by higher AcOH conversion values (see Figure 8). This result can be ascribed to the improved activity of CeO2 based catalysts towards both acetic acid reforming and ketonization reaction, as already discussed for the bare supports.
3. Materials and Methods
3.1. Preparation and Characterization of the Catalysts
Co and Co/Cr catalysts, supported over mesostructured SBA-15 material, were prepared through the incipient wetness impregnation and co-precipitation method using Co(NO3)2∙6H2O and Cr(NO3)3∙9H2O as precursor salts (purchased by Sigma-Aldrich, St. Louis, MO, USA), as described elsewhere [30]. The SBA-15, used as the support, was synthetized according the hydrothermal method described for the first time by Zhao [31]. On the other hand, mono and bi-metallic CeO2 supported catalysts were prepared through a wet impregnation and co-precipitation method using Co(NO3)2∙6H2O and Cr(NO3)3∙9H2O as precursor salts. Commercial CeO2 (ACTALYS® HSA 5 purchased by Solvay, Spinetta Marengo AL, Italy) was adopted as a support. It was first calcined at 600 °C for 3 h and subsequently impregnated in a solution of the Co and Cr salts precursors at 120 °C until complete water evaporation. Afterwards, the obtained powder catalysts were dried and calcined at 600 °C for 3 h.
Table 3 presents a list of the catalytic formulations prepared in this work.
Table 3.
Summary of the synthesized catalysts.
The prepared catalysts were characterized by means of TPR analysis, SSA determination, XRD and ICP-AES.
Samples reducibility was evaluated through TPR analysis, carried out in-situ under a reducing stream (5% H2/Ar) and heating up the reactor from room temperature to 600 °C with a 5 °C/min heating rate.
TEM micrographs were obtained through a Philips TECNAI 20 microscope (200 kV) with a resolution of 0.28 nm.
The SSA analysis was realized in a Costech International Sorptometer 1040 Kelvin. The samples were degassed at 105 °C for 30 min and then, the SSA evaluation performed by N2 dynamic adsorption at −196 °C. Then, the SSA determination was obtained through the B.E.T. equation.
The Co and Cr contents in the prepared catalysts were determined using ICP-AES in a Varian VISTA-PRO AX CCD-Simultaneous ICP-AES spectrophotometer. The samples were previously treated by acidic digestion using H2SO4 and HF.
All the X-ray diffraction measurements were collected at room temperature by means of a Philips X’pert PRO diffractometer using Cu Kα radiation and, subsequently, the Scherrer equation was used to calculate the mean crystallite sizes.
3.2. Experimental Activity
All the experimental tests were conducted using a tubular fixed-bed reactor (AISI 316L stainless steel 37 cm, o.d. 13 mm, i.d. 9 mm), in which the catalyst was fixed between quartz wools; the reactor was placed vertically in a heated furnace and the gas temperature was measured in correspondence to the end section of the catalytic bed by means of a K-type thermocouple.
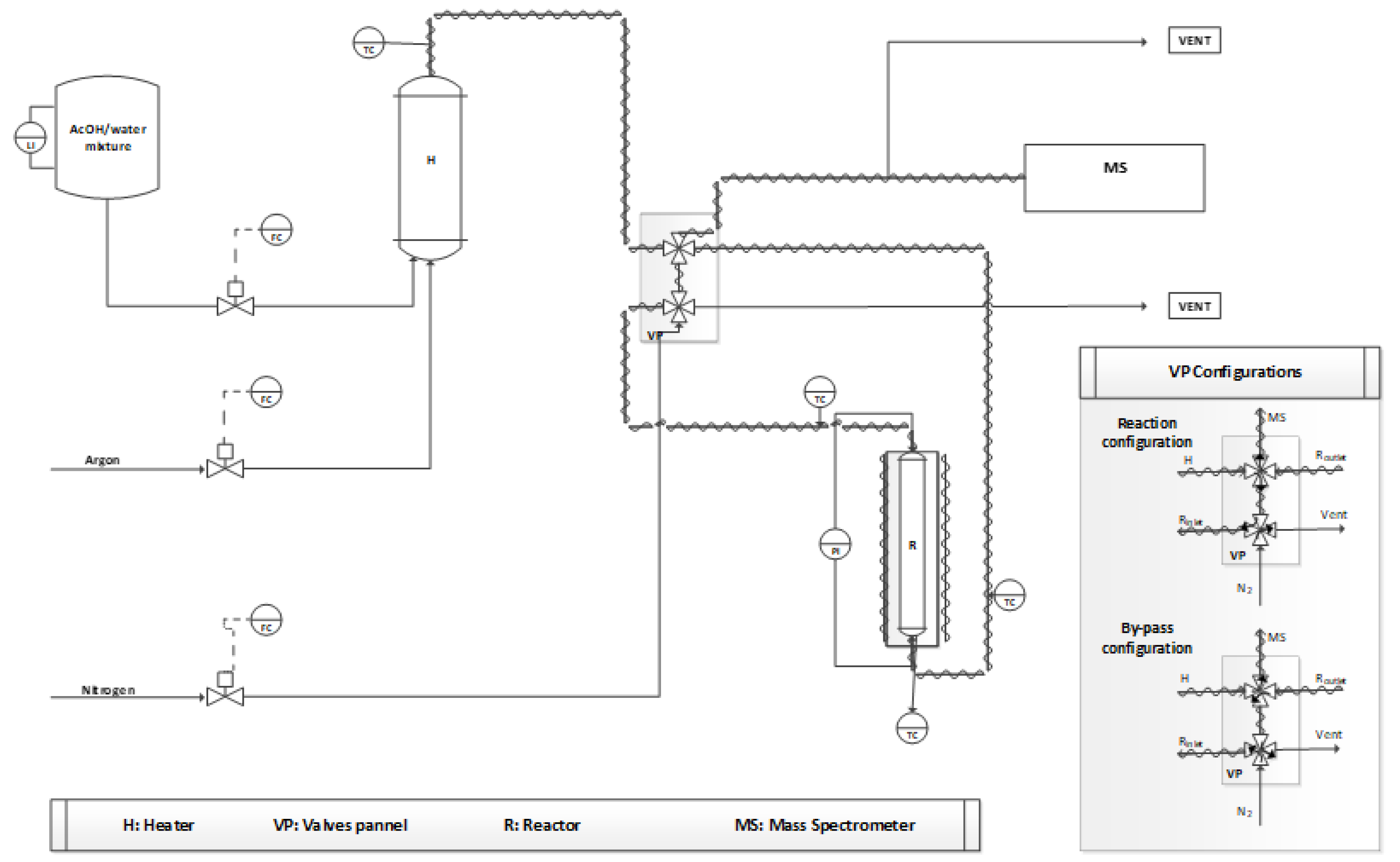
The H2O/AcOH liquid mixture, stored in a tank under nitrogen pressure and fed by a mass flow controller for liquids, was firstly mixed with argon, and then sent to a stainless-steel boiler at 260 °C, in order to reach a complete vaporization and good mixing of the total reactor inlet flow rate. Furthermore, the boiler outlet mixture, by means of two 4-way valves, could be alternatively sent to either the reactor or the purge, reaction or bypass configurations, through ¼” stainless steel pipes, heated at 160 °C, to avoid any possible condensations. In the bypass configuration, nitrogen could be used as the inert gas in the operations of heating up or cooling down.
The reactor outlet products stream was continuously analysed by means of a Hiden Analytical mass spectrometer, observing 2, 16, 18, 28, 40, 43, 44, and 58 fragments in order to evaluate the concentration of H2, CH4, H2O, CO, Ar, AcOH, CO2, and C3H6O, respectively. A scheme of the experimental set up in the tests is presented in Figure 12.
Figure 12.
Scheme of the experimental set up.
All the prepared catalytic formulations were tested under the same experimental conditions, with a WHSV (weight hourly space velocity) of 30 h−1, defined as the ratio between the total mass flow rate fed to the reactor and the amount of catalyst loaded into the reactor. The feeding mixture was composed of volumetric percentages of 10% AcOH, 40% H2O and 50% Ar, characterized by a H2O/AcOH molar ratio equal to 4. Furthermore, as the different tested catalysts presented various density values, in order to have comparable fluid dynamic conditions in all the tests, 1 g of powder catalyst (180–355 μm) was diluted with different amounts of 500 ÷ 710 μm quartz flakes to keep constant a total bed volume of 2.5 cm3.
Prior to the evaluation of the catalytic performances, the carbon, hydrogen and oxygen balances closure were checked to ensure the validity of the experimental results, with an error lower than 5% being considered acceptable.
Furthermore, the catalytic performances were evaluated in terms of AcOH conversion (XAcOH), H2 yield (YH2) and C3H6O yield (YC3H6O) with the below formulas, where n represents the number of moles.
The experimental procedure was as follows: prior to any catalytic test, the samples were reduced as reported in Section 3.1. Subsequently, the catalysts activity was evaluated in the temperature range of 600–400 °C in a descending order, with a cooling rate of 2 °C/min.
After each run, the carbon deposition was evaluated in terms of carbon formation rate (CFR), defined as follows (Equation (11)):
In which: mgcoke [g] indicates the total amount of coke deposited during the test, gCarbon,fed [g] represents the whole quantity of carbon fed during the reaction experiments, h [h] the time elapsed and gcatalyst [g] the weight of catalyst loaded in the reactor.
The carbon formation rate expression has been already reported for reforming reactions [60]. The amount of carbon deposits on the catalysts surface was estimated by exposing the spent catalyst to air and heating up to 600 °C (2 °C/min) and evaluating the consequent difference in weight.
4. Conclusions
In this work, a series of Co and Co-Cr catalysts supported on SBA-15 or CeO2 was prepared, characterized by means of TPR, XRD, ICP, and SSA analysis, and subsequently tested in the ACOH-SR in order to study the influence of the adopted support ant the chromium addition effect on the catalytic performances.
Carrying out the AcOH-SR on the bare supports (SBA-15 and CeO2) highlighted their different products selectivities: CeO2 use, compared to SBA-15, led to obtain higher acetic acid conversions and H2 yields, but also higher C3H6O concentrations and coke deposits, due to the tendency of CeO2 to catalyse the ketonization reaction.
The activity tests, performed on the different catalytic formulations, showed that the Cr addition to Co-based catalysts had different results depending on the support used. A chromium addition to Co/SBA-15 catalysts led to an enhancement in the AcOH-SR performances, thus resulting in an enhancement of the AcOH conversion, while on CeO2 supported catalysts, there was no improvement. This behaviour could be explained as follows. The addition of Cr to Co/CeO2 supported catalysts resulted in reduced Co particles dimensions on the catalysts surface, as in the case of SBA-15 supported catalysts, but the higher SSA decrease, probably due to a pore filling effect. The increase of the chromium content in the catalysts causes a worsening in AcOH conversion and H2 yields while the only obtained advantages are gained in terms of coke deposition. In order to better exploit the CeO2 properties, an advantageous opportunity could be the use of more basic promoters, capable of inhibiting ketonization reactions.
Author Contributions
Conceptualization, M.C. and C.R.; methodology, V.P.; software, P.J.M.; validation, P.J.M., A.C., and J.A.C.; formal analysis, C.R.; investigation, M.C.; resources, V.P.; data curation, M.C.; writing—original draft preparation, M.C.; writing—review and editing, P.J.M. and C.R.; visualization, C.R.; supervision, V.P.; project administration, V.P. All authors have read and agreed to the published version of the manuscript.
Funding
This research received no external funding.
Institutional Review Board Statement
Not applicable.
Informed Consent Statement
Not applicable.
Data Availability Statement
Data is contained within the article.
Conflicts of Interest
The authors declare no conflict of interest.
References
- Domine, M.E.; Iojoiu, E.E.; Davidian, T.; Guilhaume, N.; Mirodatos, C. Hydrogen production from biomass-derived oil over monolithic Pt- and Rh-based catalysts using steam reforming and sequential cracking processes. Catal. Today 2008, 565–573. [Google Scholar] [CrossRef]
- Assaf, P.G.M.; Nogueira, F.G.E.; Assaf, E.M. Ni and Co catalysts supported on alumina applied to steam reforming of acetic acid: Representative compound for the aqueous phase of bio-oil derived from biomass. Catal. Today 2013, 213, 2–8. [Google Scholar] [CrossRef]
- Adamu, S.; Xiong, Q.; Bakare, I.A.; Hossain, M.M. Ni/Ce-Al2O3 for optimum hydrogen production from biomass/tar model compounds: Role of support type and ceria modification on desorption kinetics. Int. J. Hydrogen Energy 2019, 44, 15811–15822. [Google Scholar] [CrossRef]
- Bej, B.; Bepari, S.; Pradhan, N.C.; Neogi, S. Production of hydrogen by dry reforming of ethanol over alumina supported nano-NiO/SiO2 catalyst. Catal. Today 2017, 291, 58–66. [Google Scholar] [CrossRef]
- Spallina, V.; Matturro, G.; Ruocco, C.; Meloni, E.; Palma, V.; Fernandez, E.; Melendez, J.; Pacheco Tanaka, A.D.; Viviente Sole, J.L.; van Sint Annaland, M.; et al. Direct route from ethanol to pure hydrogen through autothermal reforming in a membrane reactor: Experimental demonstration, reactor modelling and design. Energy 2018, 143, 666–681. [Google Scholar] [CrossRef]
- Safari, F.; Dincer, I. A review and comparative evaluation of thermochemical water splitting cycles for hydrogen production. Energy Convers. Manag. 2020, 205, 112–182. [Google Scholar] [CrossRef]
- Pal, P.; Nayak, J. Acetic Acid Production and Purification: Critical Review towards Process Intensification. Sep. Purif. Rev. 2017, 46, 44–61. [Google Scholar] [CrossRef]
- Vashisht, A.; Thakur, K.; Kauldhar, B.S.; Kumar, V.; Yadav, S.K. Waste valorization: Identification of an ethanol tolerant bacterium Acetobacter pasteurianus SKYAA25 for acetic acid production from apple pomace. Sci. Total Environ. 2019, 690, 956–964. [Google Scholar] [CrossRef]
- Huo, Z.; Fang, Y.; Yao, G.; Zeng, X.; Ren, D.; Jin, F. Improved two-step hydrothermal process for acetic acid production from carbohydrate biomass. J. Energy Chem. 2015, 24, 207–212. [Google Scholar] [CrossRef]
- Jin, F.; Zhou, Z.; Kishita, A.; Enomoto, H.; Kishida, H.; Moriya, T. A new hydrothermal process for producing acetic acid from biomass waste. Chem. Eng. Res. Des. 2007, 85, 201–206. [Google Scholar] [CrossRef]
- Kumar, A.; Sinha, A.S.K. Comparative study of hydrogen production from steam reforming of acetic acid over synthesized catalysts via MOF and wet impregnation methods. Int. J. Hydrogen Energy 2020, 45, 11512–11526. [Google Scholar] [CrossRef]
- Hu, X.; Yang, J.; Sun, W.; Wang, N.; An, S.; Wang, Q.; Zhang, Y.; Xie, X.; Huang, L. Y-Zr-O solid solution supported Ni-based catalysts for hydrogen production via auto-thermal reforming of acetic acid. Appl. Catal. B Environ. 2020, 278, 119264. [Google Scholar] [CrossRef]
- Cakiryilmaz, N.; Arbag, H.; Oktar, N.; Dogu, G.; Dogu, T. Catalytic performances of Ni and Cu impregnated MCM-41 and Zr-MCM-41 for hydrogen production through steam reforming of acetic acid. Catal. Today 2019, 323, 191–199. [Google Scholar] [CrossRef]
- Chen, G.; Tao, J.; Liu, C.; Yan, B.; Li, W.; Li, X. Hydrogen production via acetic acid steam reforming: A critical review on catalysts. Renew. Sustain. Energy Rev. 2017, 79, 1091–1098. [Google Scholar] [CrossRef]
- Zhou, Q.; Zhong, X.; Xie, X.; Jia, X.; Chen, B.; Wang, N.; Huang, L. Auto-thermal reforming of acetic acid for hydrogen production by ordered mesoporous Ni-xSm-Al-O catalysts: Effect of samarium promotion. Renew. Energy 2020, 145, 2316–2326. [Google Scholar] [CrossRef]
- Choi, I.H.; Hwang, K.R.; Lee, K.Y.; Lee, I.G. Catalytic steam reforming of biomass-derived acetic acid over modified Ni/Γ-Al2O3 for sustainable hydrogen production. Int. J. Hydrogen Energy 2019, 44, 180–190. [Google Scholar] [CrossRef]
- Navarro, R.M.; Guil-Lopez, R.; Ismail, A.A.; Al-Sayari, S.A.; Fierro, J.L.G. Ni- and PtNi-catalysts supported on Al2O3 for acetone steam reforming: Effect of the modification of support with Ce, La and Mg. Catal. Today 2015, 242, 60–70. [Google Scholar] [CrossRef]
- Matas Güell, B.; Babich, I.; Nichols, K.P.; Gardeniers, J.G.E.; Lefferts, L.; Seshan, K. Design of a stable steam reforming catalyst-A promising route to sustainable hydrogen from biomass oxygenates. Appl. Catal. B Environ. 2009, 90, 38–44. [Google Scholar] [CrossRef]
- Pu, J.; Nishikado, K.; Wang, N.; Nguyen, T.T.; Maki, T.; Qian, E.W. Core-shell nickel catalysts for the steam reforming of acetic acid. Appl. Catal. B Environ. 2018, 224, 69–79. [Google Scholar] [CrossRef]
- Resende, K.A.; Ávila-Neto, C.N.; Rabelo-Neto, R.C.; Noronha, F.B.; Hori, C.E. Hydrogen production by reforming of acetic acid using La-Ni type perovskites partially substituted with Sm and Pr. Catal. Today 2015, 242, 71–79. [Google Scholar] [CrossRef]
- Pu, J.; Luo, Y.; Wang, N.; Bao, H.; Wang, X.; Qian, E.W. Ceria-promoted Ni@Al2O3 core-shell catalyst for steam reforming of acetic acid with enhanced activity and coke resistance. Int. J. Hydrogen Energy 2018, 43, 3142–3153. [Google Scholar] [CrossRef]
- Batista da Silva, R.; Brandão, S.T.; Lucotti, A.; Tommasini, M.S.; Castiglioni, C.; Groppi, G.; Beretta, A. Chemical pathways in the partial oxidation and steam reforming of acetic acid over a Rh-Al2O3 catalyst. Catal. Today 2017, 289, 162–172. [Google Scholar] [CrossRef]
- Veiga, S.; Romero, M.; Faccio, R.; Segobia, D.; Duarte, H.; Apesteguía, C.; Bussi, J. Hydrogen-rich gas production by steam and oxidative steam reforming of crude glycerol over Ni-La-Me mixed oxide catalysts (Me=Ce and/or Zr). Catal. Today 2019, 344, 190–198. [Google Scholar] [CrossRef]
- Takanabe, K.; Aika, K.; Seshan, K.; Lefferts, L. Catalyst deactivation during steam reforming of acetic acid over Pt/ZrO2. Chem. Eng. J. 2006, 120, 133–137. [Google Scholar] [CrossRef]
- Pant, K.K.; Mohanty, P.; Agarwal, S.; Dalai, A.K. Steam reforming of acetic acid for hydrogen production over bifunctional Ni-Co catalysts. Catal. Today 2013, 207, 36–43. [Google Scholar] [CrossRef]
- Hu, X.; Dong, D.; Shao, X.; Zhang, L.; Lu, G. Steam reforming of acetic acid over cobalt catalysts: Effects of Zr, Mg and K addition. Int. J. Hydrogen Energy 2017, 42, 4793–4803. [Google Scholar] [CrossRef]
- Zhang, F.; Wang, N.; Yang, L.; Li, M.; Huang, L. Ni-Co bimetallic MgO-based catalysts for hydrogen production via steam reforming of acetic acid from bio-oil. Int. J. Hydrogen Energy 2014, 39, 18688–18694. [Google Scholar] [CrossRef]
- Hu, X.; Lu, G. The inhibition effect of potassium addition on methane formation in steam reforming of acetic acid over alumina-supported cobalt catalysts. Chem. Lett. 2008, 37, 614–615. [Google Scholar] [CrossRef]
- Basagiannis, A.C.; Verykios, X.E. Catalytic steam reforming of acetic acid for hydrogen production. Int. J. Hydrogen Energy 2007, 32, 3343–3355. [Google Scholar] [CrossRef]
- Megía, P.J.; Carrero, A.; Calles, J.A.; Vizcaíno, A.J. Hydrogen production from steam reforming of acetic acid as a model compound of the aqueous fraction of microalgae HTL using Co-M/SBA-15 (M: Cu, Ag, Ce, Cr) catalysts. Catalysts 2019, 9, 1013. [Google Scholar] [CrossRef]
- Zhao, D.; Feng, J.; Huo, Q.; Melosh, N.; Fredrickson, G.H.; Chmelka, B.F.; Stucky, G.D. Triblock copolymer syntheses of mesoporous silica with periodic 50 to 300 angstrom pores. Science 1998, 279, 548–552. [Google Scholar] [CrossRef] [PubMed]
- Singh, S.; Kumar, R.; Setiabudi, H.D.; Nanda, S.; Vo, D.V.N. Advanced synthesis strategies of mesoporous SBA-15 supported catalysts for catalytic reforming applications: A state-of-the-art review. Appl. Catal. A Gen. 2018, 559, 57–74. [Google Scholar] [CrossRef]
- Chaudhary, V.; Sharma, S. An overview of ordered mesoporous material SBA-15: Synthesis, functionalization and application in oxidation reactions Microporous Mesoporous Macroporous. J. Porous Mater. 2017, 24, 741–749. [Google Scholar] [CrossRef]
- Garcia, L.; French, R.; Czernik, S.; Chornet, E. Catalytic steam reforming of bio-oils for the production of hydrogen: Effects of catalyst composition. Appl. Catal. A Gen. 2000, 201, 225–239. [Google Scholar] [CrossRef]
- Yaseneva, P.; Pavlova, S.; Sadykov, V.; Moroz, E.; Burgina, E.; Dovlitova, L.; Rogov, V.; Badmaev, S.; Belochapkin, S.; Ross, J. Hydrogen production by steam reforming of methanol over Cu-CeZrYOx-based catalysts. Catal. Today 2008, 138, 175–182. [Google Scholar] [CrossRef]
- Lindström, B.; Pettersson, L.J.; Menon, P.G. Activity and characterization of Cu/Zn, Cu/Cr and Cu/Zr on γ-alumina for methanol reforming for fuel cell vehicles. Appl. Catal. A Gen. 2002, 234, 111–125. [Google Scholar] [CrossRef]
- Calles, J.A.; Carrero, A.; Vizcaíno, A.J.; Megía, P.J. Agglomerated Co-Cr/SBA-15 catalysts for hydrogen production through acetic acid steam reforming. Int. J. Hydrogen Energy 2019, 45, 1–10. [Google Scholar] [CrossRef]
- Pu, J.; Ikegami, F.; Nishikado, K.; Qian, E.W. Effect of ceria addition on Ni-Ru/CeO2-Al2O3 catalysts in steam reforming of acetic acid. Int. J. Hydrogen Energy 2017, 42, 19733–19743. [Google Scholar] [CrossRef]
- Lemonidou, A.A.; Vagia, E.C.; Lercher, J.A. Acetic acid reforming over Rh supported on La2O 3/CeO2-ZrO2: Catalytic performance and reaction pathway analysis. ACS Catal. 2013, 3, 1919–1928. [Google Scholar] [CrossRef]
- Palma, V.; Ruocco, C.; Meloni, E.; Gallucci, F.; Ricca, A. Enhancing Pt-Ni/CeO2 performances for ethanol reforming by catalyst supporting on high surface silica. Catal. Today 2018, 307, 175–188. [Google Scholar] [CrossRef]
- Cai, W.; Wang, F.; Van Veen, A.C.; Provendier, H.; Mirodatos, C.; Shen, W. Autothermal reforming of ethanol for hydrogen production over an Rh/CeO2 catalyst. Catal. Today 2008, 138, 152–156. [Google Scholar] [CrossRef]
- Iulianelli, A.; Liguori, S.; Vita, A.; Italiano, C.; Fabiano, C.; Huang, Y.; Basile, A. The oncoming energy vector: Hydrogen produced in Pd-composite membrane reactor via bioethanol reforming over Ni/CeO2 catalyst. Catal. Today 2016, 259, 368–375. [Google Scholar] [CrossRef]
- Araiza, D.G.; Gómez-Cortés, A.; Díaz, G. Effect of ceria morphology on the carbon deposition during steam reforming of ethanol over Ni/CeO2 catalysts. Catal. Today 2020, 349, 235–243. [Google Scholar] [CrossRef]
- Sutthisripok, W.; Sattayanurak, S.; Sikong, L. Effect of specific surface area on oxygen storage capacity (OSC) and methane steam reforming reactivity of CeO2. J. Porous Mater. 2008, 15, 519–525. [Google Scholar] [CrossRef]
- Martínez, A.; López, C.; Márquez, F.; Díaz, I. Fischer–Tropsch synthesis of hydrocarbons over mesoporous Co/SBA-15 catalysts: The influence of metal loading, cobalt precursor, and promoters. J. Catal. 2003, 220, 486–499. [Google Scholar] [CrossRef]
- Grzybowska, B.; Słoczyński, J.; Grabowski, R.; Wcisło, K.; Kozłowska, A.; Stoch, J.; Zieliński, J. Chromium oxide/alumina catalysts in oxidative dehydrogenation of isobutane. J. Catal. 1998, 178, 687–700. [Google Scholar] [CrossRef]
- Yao, H.C.; Yao, Y.F.Y. Ceria in automotive exhaust catalysts. J. Catal. 1984, 86, 254–265. [Google Scholar] [CrossRef]
- De Lima, S.M.; Adriana, M.; Lídia, O.O.; Graham, U.M.; Jacobs, G.; Davis, B.H.; Mattos, L.; Noronha, F.B. Study of catalyst deactivation and reaction mechanism of steam reforming, partial oxidation, and oxidative steam reforming of ethanol over Co/CeO2 catalyst. J. Catal. 2009, 268, 268–281. [Google Scholar] [CrossRef]
- Wang, L.; Liu, H.; Chen, Y.; Zhang, R.; Yang, S. K-Promoted Co-CeO2 catalyst for the reverse watergas shift reaction. Chem. Lett. 2013, 42, 682–683. [Google Scholar] [CrossRef]
- Costa, A.F.; Cerqueira, H.S.; Falabella, E.; Aguiar, S.; Rollán, J.; Martínez, A. New supports for co-based fischer-tropsch catalyst. Stud. Surf. Sci. Catal. 2007, 167, 141–146. [Google Scholar] [CrossRef]
- El Hassan, N.; Kaydouh, M.N.; Geagea, H.; El Zein, H.; Jabbour, K.; Casale, S.; El Zakhem, H.; Massiani, P. Low temperature dry reforming of methane on rhodium and cobalt based catalysts: Active phase stabilization by confinement in mesoporous SBA-15. Appl. Catal. A Gen. 2016, 520, 114–121. [Google Scholar] [CrossRef]
- Chen, J.; Zhang, X.; Arandiyan, H.; Peng, Y.; Chang, H.; Li, J. Low temperature complete combustion of methane over cobalt chromium oxides catalysts. Catal. Today 2013, 201, 12–18. [Google Scholar] [CrossRef]
- Greluk, M.; Rotko, M.; Turczyniak-Surdacka, S. Enhanced catalytic performance of La2O3 promoted Co/CeO2 and Ni/CeO2 catalysts for effective hydrogen production by ethanol steam reforming: La2O3 promoted Co(Ni)/CeO2 catalysts in SRE. Renew. Energy 2020, 155, 378–395. [Google Scholar] [CrossRef]
- Wu, X.; Liu, S.; Weng, D.; Lin, F.; Ran, R. MnOx-CeO2-Al2O3 mixed oxides for soot oxidation: Activity and thermal stability. J. Hazard. Mater. 2011, 187, 283–290. [Google Scholar] [CrossRef] [PubMed]
- Carrero, A.; Calles, J.A.; García-Moreno, L.; Vizcaíno, A.J. Production of renewable hydrogen from glycerol steam reforming over bimetallic Ni-(Cu,Co,Cr) catalysts supported on SBA-15 silica. Catalysts 2017, 7, 55. [Google Scholar] [CrossRef]
- Calaza, F.C.; Chen, T.L.; Mullins, D.R.; Xu, Y.; Overbury, S.H. Reactivity and reaction intermediates for acetic acid adsorbed on CeO2(1 1 1). Catal. Today 2015, 253, 65–76. [Google Scholar] [CrossRef]
- Snell, R.W.; Shanks, B.H. Insights into the ceria-catalyzed ketonization reaction for biofuels applications. ACS Catal. 2013, 3, 783–789. [Google Scholar] [CrossRef]
- Wu, Z.; Mann, A.K.P.; Li, M.; Overbury, S.H. Spectroscopic investigation of surface dependent acid base property of ceria nanoshapes. J. Phys. Chem. C 2015, 119, 7340–7350. [Google Scholar] [CrossRef]
- Baylon, R.A.L.; Sun, J.; Martin, K.J.; Venkitasubramanian, P.; Wang, Y. Beyond ketonization: Selective conversion of carboxylic acids to olefins over balanced Lewis acid-base pairs. Chem. Commun. 2016, 52, 4975–4978. [Google Scholar] [CrossRef]
- Palma, V.; Ruocco, C.; Meloni, E.; Ricca, A. Oxidative steam reforming of ethanol on mesoporous silica supported Pt–Ni/CeO2 catalysts. Int. J. Hydrogen Energy 2017, 42, 1598–1608. [Google Scholar] [CrossRef]
Publisher’s Note: MDPI stays neutral with regard to jurisdictional claims in published maps and institutional affiliations. |
© 2021 by the authors. Licensee MDPI, Basel, Switzerland. This article is an open access article distributed under the terms and conditions of the Creative Commons Attribution (CC BY) license (http://creativecommons.org/licenses/by/4.0/).











