Abstract
The use of additive manufacturing for metallic materials presents a wide range of possibilities for industrial applications. The technology offers several advantages, including weight optimisation and the ability to create complex geometries. However, because of the inherent characteristics of the manufacturing process, the dimensions of the produced objects are frequently constrained. In some cases, it may be necessary to join two additively manufactured parts together or to join such parts with an existing, conventionally manufactured structure. Evaluating welding processes for joining additively manufactured workpieces is a crucial step in this development. In this work, the welding of additively manufactured powder bed fusion 316L stainless steel components is discussed. The welding processes considered are manual TIG, manual and robotic MIG/MAG and laser welding. All optimised welds were of good quality and did not show any weld imperfections. All welds fulfil the requirements of standard ISO 15614-1 for the tensile and bend test results and for the hardness values. It can be concluded that the investigated processes are feasible for welding additively manufactured parts.
1. Introduction
Additive Manufacturing (AM), commonly known as 3D printing, revolutionises traditional manufacturing processes. Unlike subtractive methods (such as milling or turning), AM constructs objects layer by layer directly from digital designs. PBF-LB allows intricate designs, including internal channels, lattice structures and complex geometries. Laser Powder Bed Fusion (PBF-LB) is an AM process that utilises a laser beam to melt and fuse metal powders together, resulting in the creation of intricate metal parts.
The size and dimensions of parts created using additive manufactured powder bed fusion (PBF) technology are constrained by the dimensions of the 3D printing machine’s platform. Typically, the platform has a surface area of no more than 500 × 500 mm and a height of approximately 600 mm. Unfortunately, these dimensions are insufficient for producing large components directly.
To address this limitation, a practical solution is to divide the large components into smaller parts and then weld these individual parts together. By doing so, manufacturers can create larger structures while still leveraging the benefits of the PBF-LB technology. This approach enables the production of complex geometries and intricate designs, even when dealing with size constraints. Powder bed fusion additive manufacturing is, in general, recommended for complex geometries. Connecting these AM components to available, conventionally manufactured parts can lead to the creation of hybrid components. This provides enhanced design flexibility, creating hybrid AM components that would otherwise be impossible to produce. Such hybrid components can be used to improve the performance of the final product and to reduce the cost of production. Additionally, welding can be used to repair or modify AM parts, which can help to reduce waste and increase the lifespan of these components [1].
Laser Powder Bed Fusion is an AM technique that has gained significant attention in recent years due to its ability to produce complex metal components with high precision and accuracy. The process involves the deposition and melting of metal powder layers using a laser beam. This process is repeated until the desired component is formed. In the field of precision AM, metal powders are of great importance. A principle sketch illustrating the process is shown in [2]. The properties and quality of these powders profoundly impact not only the performance of the AM process itself but also the integrity and soundness of the final product, ultimately determining its success [3]. This technology has been applied to various materials, including stainless steel. Several studies have been conducted to evaluate the performance of PBF-LB systems in processing stainless steel alloys [4]. The mechanical properties of PBF-LB stainless steel components have been extensively studied [5], for example, for 316L stainless steel. Simulation studies have been conducted to understand the printing process of 316L stainless steel using PBF-LB [6]. Stainless steel alloys have proven to be compatible with PBF-LB processing, resulting in parts with mechanical properties that meet the demands of various applications. This success is attributed to the low porosity achieved by PBF-LB, which rivals the quality of conventionally manufactured materials [7,8,9].
Developing welding procedures that allow the welding of AM parts to conventional parts is important because it can help expand the capabilities of AM and make it more versatile and efficient. Limited literature is, however, available on the use of welding techniques for joining AM parts to conventional parts, as well as on the resulting mechanical properties and microstructures created in the weld zone. A literature review was performed, aiming to provide a concise overview focusing on TIG, MIG/MAG, and laser welding of AM PBF-LB stainless steels, which is the scope of this article.
MIG/MAG welding involves using a continuously fed wire electrode to create an arc between the workpiece and the electrode. This method is commonly used for thicker materials in industries such as automotive and construction due to its high deposition rates. TIG welding utilises a non-consumable tungsten electrode to create the weld, with a separate filler material added if necessary. It offers precise control of the heat input, speed and angle, making it ideal for intricate and high-quality welds. In contrast, laser welding employs a highly focused laser beam to melt and join materials without the need for a filler material. Known for its speed and precision, laser welding is suitable for delicate workpieces and applications requiring minimal distortion.
The study [10] aimed to compare the joint properties of additively manufactured PBF-LB parts with those of welds of conventional sheet metal parts. The welding process employed was TIG welding, and the material used was AISI 316L austenitic stainless steel. The weld properties were assessed through tensile, bend and hardness tests, along with an analysis of the weld microstructures.
The results indicated that the building direction of the test pieces significantly impacted the mechanical properties of the weld. Specifically, all welds exhibited a higher yield strength compared to conventional sheet metal welds. However, the elongation at break was lower in the case of the welds of AM parts. The highest ultimate tensile strength was obtained for the PBF-LB 316L welds with the tensile test specimens parallel to the building direction. In this case, the tensile strength was higher than that of the base material. Tensile testing of the test specimens perpendicular to the building direction provided a lower tensile strength compared to the conventional 316L base material. It was concluded that TIG welding is a feasible process for welding PBF-LB 316L parts.
The study [11] investigated the weldability of additive-manufactured PBF-LB 316L components using manual TIG welding. As a preliminary step, bead-on-plate tests were conducted to assess the weldability. These experiments revealed no specific imperfections related to weld fusion, weld solidification cracking, heat-affected zone (HAZ) liquation cracking, or welding-induced porosities. Encouraged by these results, two AM pipe components were fabricated using PBF-LB and intended to be welded to conventional 316L tubes. The test welds underwent a comprehensive mechanical and corrosion testing program, including creep rupture testing. Cross-weld tensile tests performed at room temperature demonstrated high tensile strengths, exceeding the minimum tensile strength of the weakest component (316L). Additionally, transverse bend tests (both root and face) were successfully conducted as part of the welding procedure qualification process. In summary, based on the results obtained under the test conditions, it could be confidently concluded that AM PBF-LB components are weldable.
Another study dealing with TIG welding of AM parts is [12], in which welding of AM parts created by direct laser sintering of stainless steel 316L powder is discussed. The 3D-printed flat plates underwent welding using TIG, plasma, and laser welding. Subsequently, the welded joints were subjected to tests to evaluate their mechanical properties and microstructure. Under the specific welding conditions employed, fractures occurred outside the weld zone. The maximum strength of the welded parts reached 65–80% of the tensile strength exhibited by the AM base material. This research sheds light on the behaviour of these welded components and highlights the interplay between AM and welding processes.
In [13], the laser weldability of the PBF-LB 316L material was investigated. In this research, a comparison was conducted between bead-on-plate welds of AM parts and conventional sheet metal parts. The material used for both types of parts was 316L stainless steel, and the welding process employed was laser welding. The weld quality was assessed visually using macroscopic images. Generally, the PBF-LB material can be welded with good quality. Laser welding of PBF-LB stainless steel exhibits slight differences from welding cold-rolled stainless steel. When the energy input is low, achieving full penetration welds is easier in the PBF-LB material. An increase in energy input affects the tendency of weld cracking in the PBF-LB material. Residual stresses in the PBF-LB material may contribute to the occurrence of cracking. The study concluded that controlling the welding energy input is crucial for successfully welding PBF-LB fabricated stainless steel 316L components.
The research [14] aimed to investigate the weldability of PBF-LB 316L components when combined with cold-rolled sheet metal components of the same composition. The study focused on understanding how the energy input affects the microstructure of the welds. Laser keyhole welding was employed, with variations in laser power, optical fibre diameter and welding speed. The mechanical properties of the welds were assessed through tensile and bend testing. The welds produced in this study exhibited a high overall quality. Visual inspection and post-processing revealed no weld imperfections or defects. During bend testing, no cracking occurred, and all welds passed the test. Notably, the narrower width of laser welds compared to TIG welds contributed to a uniform behaviour of the weld metal and base material. Additionally, the lower heat input during laser welding helped to prevent critical changes in the HAZ.
In [15], application of laser welding for joining of dissimilar AISI 316L stainless steel components manufactured with PBF-LB and traditional methods has been investigated, while considering the influence of different heat treatment strategies. The results confirmed that the maximum tensile strength is obtained in specimens where no heat treatment was applied, while the maximum elongation at failure was achieved when only the PBF-LB samples were heat treated, with a slight reduction in tensile strength. These results were confirmed for every laser parameter combination, with good repeatability.
In [16], researchers investigated hybrid laser welding of PBF-LB stainless steel. The main objective was to explore the capabilities of hybrid laser welding for creating effective and efficient butt welds between PBF-LB and wrought stainless steel. The transverse cross-sections revealed that the fused zone had a distinctive “nail” shape. The crown shape was primarily influenced by the surface tension, which depends on the arc source. During keyhole mode laser welding, the penetration depth was mainly affected by the presence of the keyhole resulting from the laser beam penetration. The tensile tests demonstrated a good strength, although elongation was relatively low. Annealing the weld improved its elongation properties. This study investigated the complex microscopic changes that happen during hybrid laser welding, providing valuable insights for future applications for stainless steel fabrication.
Welding of stainless steel parts produced by other AM processes is discussed in [12,17]. In [12], samples manufactured by selective laser sintering (SLS) were welded by TIG, plasma and laser welding. In [17], autogenous laser welding was employed to connect thin-walled elements produced through the process of robotised laser/wire-directed energy deposition (DED-LB).
At the time of writing, no publications were found about the weldability of AM PBF-LB materials using MIG/MAG welding.
The main objective of this work is to gain knowledge about the welding of AM PBF-LB 316L stainless steel components and their weld properties. Three welding processes are considered and compared in terms of mechanical properties. The properties of welds between conventional and additively manufactured test pieces are also compared with the properties of welds between two conventional sheet metal test pieces. The investigations were performed in the frame of the COAMWELD project [18], which aims to develop advanced metal parts through the optimal combination of additive manufacturing and welding techniques. In this project, various welding processes for joining additively manufactured parts are analysed and benchmarked. The capabilities of different welding techniques are evaluated for joining additively manufactured parts.
2. Materials and Methods
2.1. Geometry of the Test Specimens
The dimensions of the test specimens made from conventional 316L and PBF-LB manufactured 316L sheets were 105 × 120 × 3 mm. The longest side of the rectangular specimen is parallel to the building direction. Welding was performed at the longest side.
2.2. Materials
The PBF-LB sheets were manufactured using a Shining EP M250 machine (shining 3D Technology GmbH., Stuttgart, Germany). The energy density of the PBF-LB system was equal to 80 J/mm3, using layers with a thickness of 30 µm.
The chemical composition of the PBF-LB 316L material is specified in Table 1.
Table 1.
Chemical composition of the PBF-LB 316L material (based on material certificate).
Prior to the welding trials, the PBF-LB 316L material was tensile tested perpendicular to the building direction. The results are presented in Table 2. It was found that the ultimate tensile strength of PBF-LB 316L was lower than that of conventional 316L, while the yield stress was slightly higher. The ductility of PBF-LB 316L is lower than that of conventional 316L. The strength of PBF-LB 316L is influenced by both its microstructure and the presence of internal defects like porosities [19]. The porosity content was investigated using metallography (see Figure 1 and Figure 2). All PBF-LB specimens were visually analysed and observed to be free of macro-porosity. A very small amount of micro-porosities has been found. However, it is believed that this porosity content does not significantly affect the mechanical properties of the PBF-LB material.
Table 2.
Mechanical properties of the materials used.
Figure 1.
PBF-LB 316L base material microstructure (horizontal direction = building direction).
Figure 2.
Detail of Figure 1.
The chemical composition of the conventional material is provided in Table 3 and the mechanical properties in Table 2. The hardness of the AISI 316L base material is equal to approximately 160 HV, which corresponds with values from literature [20]. The hardness of the PBF-LB base material is higher (around 215–220 HV), while its strength is lower than the strength of AISI 316L (see Table 2).
Table 3.
Chemical composition of the conventional 316L material (based on material certificate).
2.3. Welding Experiments
The samples were welded using manual TIG, manual and robotic MIG/MAG and robotic laser welding. Samples were designed to be butt welded so that tensile and bend test specimens could be made from them. All welds were performed in one single pass. The filler material used was 316L for TIG and MIG/MAG welding. These samples were welded with different heat inputs in order to investigate the effect of this parameter on the final joint properties. First, the welds of the conventional materials were carried out, with parameters being determined by previous experience. Subsequently, the AM parts were welded to the conventional parts. The welds were performed using standard MAG and TIG welding equipment and a KUKA K6 welding robot using a Fronius CMT welding source.
All laser welding seams were carried out using a YLS-4000 laser source from IPG Photonics Corporation. This is a Nd-YAG laser with a wavelength of 1064 nm (infrared range) and a maximum power of 4 kW. The diameter of the fibre was 200 µm. By using a collimator lens and a focussing lens (Precitec GmbH & Co. KG, Tokyo, Japan) in a ratio of 250:125, the spot diameter of the laser beam was 400 µm. Argon was always used as shielding gas, which was located in front of the laser in the direction of welding (pull principle). A welding filler was not used for any of the laser beam welds carried out. For laser welding, the conventional materials were welded as a reference.
2.4. Analysis Methods
Once the test pieces were welded, the top surface of the samples was photographed for visual analysis. The sections for metallographic examination were extracted from the middle of the welded test specimens. The weld cross sections were photographed in unetched and etched condition. The test specimens were prepared and etched in accordance with ISO 17639 [21] to reveal the fusion line, the HAZ and the base material. This standard provides recommendations for specimen preparation, test procedures, and macroscopic and microscopic examination of welds in metallic materials. The test specimens were prepared by cutting, mounting, grinding, polishing and etching to reveal the fusion line, the HAZ and the build-up of the layers.
Vickers hardness testing with a load of HV 10 was performed in accordance with ISO 9015-1 [22]. The Vickers hardness test measures a material’s resistance to permanent indentation by a pyramid-shaped diamond. Hardness measurements were taken at the mid-thickness of the weld, through the heat-affected zones, the weld metal and the parent metal in order to evaluate the range of hardness values across the welded joints. The hardness was measured at mid-thickness in multiple points with an interval of 1 mm. One hardness traverse was measured for every welding condition.
Transverse tensile test specimens were prepared according to ISO 4136 [23]. The ISO 4136 standard provides guidelines for destructive tests on welds in metallic materials, specifically detailing the sizes of test specimens and procedures for conducting transverse tensile tests to determine tensile strength. The width and length of the parallel length of the dogbone-shaped tensile specimens were equal to 25 and 70 mm. Tensile testing was performed using an Instron 100 kN tensile testing machine with a crosshead displacement speed of 0.469 mm/s. Specimens and testing procedures for bend testing of the joints were in accordance with ISO 5173 [24]. This standard specifies a method for performing transverse root, face and side bend tests on test specimens extracted from butt welds, including those with cladding. The standard outlines the process for conducting these bend tests on metallic materials, providing guidance on three bending methods: three-point bending, bend test with U-type jig, and others. The thickness and width of the test specimens were equal to 3 and 14 mm, respectively. The former diameter was 12 mm (4 times the specimen thickness), and the distance between the supports was 21 mm. For every weld, one root and one face bend test specimen were tested.
3. Results and Discussion
3.1. Metallographic Examination
All welds were examined by metallographic examination. The microstructure of the PBF-LB base material is shown in Figure 1 and Figure 2. The typical fish scale shape of the individually solidified melt pools can be identified parallel to the build direction. Some pores can be detected in the microstructure. The microstructure of PBF-LB is anisotropic due to its layered material structure. It is characterised by the presence of metastable phases, supersaturated solid solutions and a fine solidification structure, which are the result of the rapid cooling rate of the PBF-LB manufacturing process [25]. In a direction perpendicular to the additive component’s buildup direction, a heterogeneous microstructure with elongated, overlapping melt traces appears. This microstructure reflects the laser exposure strategy used in the manufacturing process [26,27]. Heat treatment (at 950 °C for 2 h [3]) can lead to a visible reduction of this build-conditioned orientation of the individual layers and can mitigate the effect of the building direction.
Examples of the metallographic cross-sections of the conventional welds are shown in Figure 3, Figure 4 and Figure 5. The metallographic cross-sections of the AM-conventional welds are shown in Figure 6, Figure 7 and Figure 8. The weld cross-sections show that the size of the weld area, including the HAZ, is more than 5 mm for TIG and MIG/MAG welding, while the size is less than 1 mm for laser welding. The fusion boundary in the welded specimens was very sharp, as was also noticed in previous work [2].
Figure 3.
Manual MAG weld of conventional 316L to conventional 316L (heat input: 0.28 kJ/mm).
Figure 4.
Robotic MAG weld of conventional 316L to conventional 316L (heat input: 0.33 kJ/mm).
Figure 5.
Laser weld of conventional 316L to conventional 316L (heat input: 0.04 kJ/mm).
Figure 6.
Manual TIG weld of PBF-LB 316L (right) and conventional 316L (left) (heat input: 0.4 kJ/mm).
Figure 7.
Robotic MAG weld of PBF-LB 316L (left) and conventional 316L (right) (heat input: 0.33 kJ/mm).
Figure 8.
Laser weld of PBF-LB 316L (left) and conventional 316L (right) (heat input: 0.04 kJ/mm).
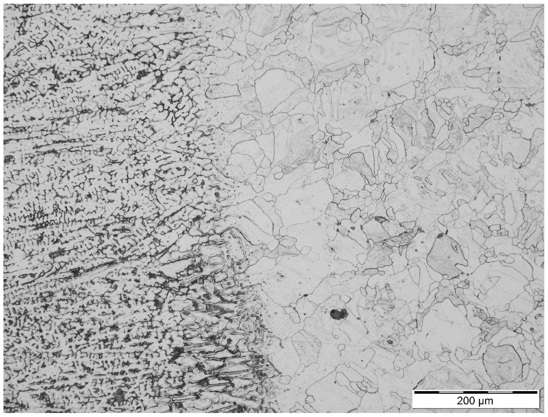
The conventional sheet metal base material has a typical austenitic microstructure. The weld microstructure consisted of austenite and ferrite. Dendritic structures are visible in the weld zone. A detail of both fusion lines of a manual TIG weld of PBF-LB 316L and conventional 316L is shown in Figure 9 and Figure 10. The PBF-LB material at the left fusion line is characterised by a mixture of columnar and equiaxed austenite (Figure 9). At the right fusion line, the conventional 316L material consists of equiaxed austenite (Figure 10). Similar microstructures are found at the fusion lines of the robotic MAG weld (see Figure 11 and Figure 12).
Figure 9.
Detail of the left fusion line of the weld is shown in Figure 6 (Manual TIG weld of PBF-LB 316L and conventional 316L).
Figure 10.
Detail of the right fusion line of the weld is shown in Figure 6 (Manual TIG weld of PBF-LB 316L and conventional 316L).
Figure 11.
Detail of the left fusion line of the weld is shown in Figure 7 (Robotic MAG weld of PBF-LB 316L and conventional 316L).
Figure 12.
Detail of the right fusion line of the weld is shown in Figure 7 (Robotic MAG weld of PBF-LB 316L and conventional 316L).
For the laser-welded samples (see Figure 5 and Figure 8), a clear weld centerline is visible. No HAZ was observed in these joints. This is attributed to the higher energy density and lower heat input of the laser welding process compared to TIG and MIG/MAG welding. In the laser welds, delta ferrite can be found at the right edge of the weld metal.
In the laser welding experiments, it was observed that pore formation increased when the welding speed was reduced, and the laser power was decreased. This phenomenon is attributed to the fact that the keyhole grows at the bottom and is constricted by the flow of the melt, and finally, a pore is created [28,29,30]. The weld seam also becomes wider as a result. This is due to the energy per unit length applied, which is calculated as the laser power divided by the welding speed. It was observed that more pore formation occurred for the highest value of the energy per unit length. According to [31], the formation of pores increases at lower welding speeds. It must also be taken into account that alloying elements in the weld pool, like chromium, increase the viscosity of the weld pool and thus make it more difficult for gases to escape [32].
Some welds showed an incompletely filled groove (underfill defect), where the weld face surface extended below the adjacent surface of the base material. This is due to insufficient deposition of filler material. The influence of this imperfection on the tensile strength was examined. The underfill defect showed an influence on the weld tensile strength. Consequently, these tensile test results were excluded.
All optimised welds were of good quality and did not show any weld imperfections.
3.2. Hardness Measurements
The hardness was measured across the weld at mid-thickness. Figure 13 displays the results for the conventional TIG and MIG/MAG welds, while Figure 14 illustrates the results for the MIG/MAG and TIG welds of conventional 316L welded to PBF-LB 316L. Figure 15 shows the results for the laser welds.
Figure 13.
Hardness traverse of the conventional welds of 316L to 316L (MIG/MAG and TIG welds).
Figure 14.
Hardness traverse of the MIG/MAG and TIG welds of conventional 316L and PBF-LB 316L.
Figure 15.
Hardness traverse of the laser welds of conventional 316L and PBF-LB 316L.
Austenitic stainless steels do not have a tendency for hardening. As can be noticed from Figure 13, there is not much variation in the hardness values between the base material and the weld metal in the case of the conventional welds. The conventional welds performed with robotic MAG welding show no softening in the weld zone nor in the HAZ (weld 3 in Figure 13). The manual TIG weld shows a small amount of softening in the HAZ of the 316L base material (weld 1 in Figure 13). It can also be observed that the manual MAG weld (weld 2) shows a lower hardness in the weld metal compared to the TIG weld and the robotic MAG weld.
The hardness of the MAG and TIG welds between PBF-LB 316L and conventional AISI 316L are shown in Figure 14. For the welds executed with the highest heat input (the TIG welds 4 and 5), a small amount of softening is observed in the weld metal in a region close to the fusion line at the PBF-LB side. This can be attributed to the higher heat input used for these welds. They also show a small amount of softening in the HAZ of the conventional material, a few millimetres from the fusion line (see Figure 14). It is also observed that the hardness profile is very similar for these two welds, while the heat input of weld 5 was higher than that of weld 4 (0.66 versus 0.40 kJ/mm).
All MAG welds (manual and robotic welds 6, 7, 8 and 9) show a similar hardness profile, which can be explained by the similar low heat input that was used during these welding trials. These welds show no softening in the weld metal or in the heat-affected zones. The lowest softening is observed for weld 8, which is performed with the lowest heat input. This indicates the importance of limiting the heat input when performing welds with PBF-LB 316L.
The hardness profiles found in this investigation are similar to those shown in [2]. The heat input used in that investigation was similar (0.23 and 0.28 kJ/mm) to the experiments discussed in the present paper.
For the laser weld of the conventional 316L (Figure 15), a slight increase in hardness towards the HAZ zone is observed, from 180 to 210 HV. Within the weld metal, the hardness decreases to the value of the base material. For the welds of conventional 316L to PBF-LB 316L, the hardness increases from the conventional base material to the weld metal and the PBF-LB base material, with no softening observed in the weld metal.
3.3. Destructive Testing
For each weld, one root and one face bend specimen were manufactured and tested.
The test specimens could be bent to an angle of 180° and did not reveal any imperfection in any direction. Consequently, the requirements of ISO 15614-1 [33] were fulfilled. The requirements in this standard are that the test samples should not show crack-like imperfections with dimensions exceeding 3 mm in any direction during bending of the specimens over a mandrel with a diameter equal to 4 times the specimen thickness and this up to an angle of 180°.
For each weld, three tensile test specimens were manufactured and tested. The results of the conventional welds and the welds between AM 316L and conventional 316L are shown in Figure 16. The strength requirements were determined based on ISO 15614-1 [33], which states that the tensile strength of the test specimen shall not be less than the corresponding specified minimum value for the parent metal. For dissimilar metal joints, the tensile strength shall not be less than the minimum value specified for the base material having the lowest tensile strength. The minimum specified tensile strength for conventional AISI 316L is 500 MPa [34]. The measured tensile strength of the sheet materials used for the welding trials was equal to 593 MPa (see Table 2). The minimum specified tensile strength for PBF-LB 316L is, however, not known. The manufacturer states in the material certificate that a tensile strength of 650 ± 50 MPa can be achieved. However, this value seems to be too high since the measured tensile strength was equal to 564 MPa (see Table 2). When assuming that the conventional AISI 316L material has the lowest strength of this dissimilar metal joint, the value of 500 MPa can be used as the strength requirement for joints between PBF-LB 316L and AISI 316L.
Figure 16.
Tensile test results for the conventional welds and the AM-conventional welds.
All tensile test samples ruptured in the weld metal in a ductile manner close to the PBF-LB side of the joint. Based on this observation, it can be assumed that this location might be weaker than the surrounding areas. The specimens experienced however a large amount of plastic deformation and necking before the final fracture occurred.
It can be observed that all welds fulfil the standard’s requirements. For all welding techniques, the welds of PBF-LB 316L to conventional 316L show a higher tensile strength than for the conventional welds. The tensile strength of these welds is in most cases lower than the PBF-LB base material tensile strength. The highest tensile strength is obtained for the welds performed by robotic MAG welding, including the lowest scatter. The laser welds also show a higher strength than the manual welds.
4. Conclusions
The primary objective of this research was to investigate the weldability of additively manufactured laser powder bed fusion (PBF-LB) parts to conventional 316L stainless steel. In the study, both the additive-manufactured PBF-LB 316L material and a similar conventional 316L stainless steel sheet were subjected to various welding processes. These processes included manual TIG, manual and robotic MIG/MAG, and laser welding, all of which are suitable for joining thin stainless steel components.
The study evaluated the mechanical properties of the welds and compared them. Notably, the experimental results demonstrated that high-quality welds can be achieved when welding additively manufactured parts using any of the tested processes. Additionally, destructive testing was performed on the test pieces, following standardised tensile, bend and hardness tests. Furthermore, the microstructures of the weld joints were examined using microscopy.
All optimised welds were of good quality and did not show any weld defects. Based on hardness measurements of the MAG and TIG welds between PBF-LB 316L and AISI 316L, some softening is observed in the HAZ of the conventional material and the weld metal in a region close to the fusion line at the PBF-LB side, which can be attributed to the higher heat input used for these welds. The MAG welds executed with a low heat input show no softening in the weld metal or the heat-affected zone. For the laser welds of the conventional 316L to PBF-LB 316L, the hardness increases from the conventional base material to the weld metal and the PBF-LB base material, with no softening observed in the weld metal.
All welds fulfil the requirements of ISO 15614-1 for the tensile and bend test results and hardness values. For all welding techniques, the welds of PBF-LB 316L to conventional 316L show a higher tensile strength than the conventional welds. The highest tensile strength is obtained for the welds performed by robotic MAG welding, including the lowest scatter. The laser welds also show a higher strength than the manual welds.
Based on the research findings, recommendations can be formulated on which welding process to use for joining additively manufactured PBF-LB 316L parts to conventional 316L stainless steel parts. When weld strength is considered, robotic MAG welding achieves the highest and most consistent tensile strength among all methods. Robotic welding minimises human errors and ensures consistent weld quality. Laser welding offers strong welds with minimal heat distortion, which is potentially beneficial for thin components. However, laser welding equipment might be more expensive compared to other processes. Manual MAG or TIG welding is a good balance between cost, ease of use, and the achievement of good quality welds. However, tensile strength might be slightly lower compared to robotic MAG or laser welding.
All methods achieved good quality welds: This research suggests that whichever process is chosen among the tested methods will result in strong and functional joints. The choice of the welding process should align with the specific demands of the project to achieve optimal results.
Author Contributions
Conceptualization, K.F. and R.N.; methodology, K.F.; validation, W.D.W. and R.C.; formal analysis, K.F.; investigation, R.N.; data curation, F.P. and R.N.; writing—original draft preparation, K.F.; writing—review and editing, F.P. and W.D.W.; supervision, K.F.; project administration, K.F.; funding acquisition, K.F. All authors have read and agreed to the published version of the manuscript.
Funding
The presented results and discussions on the weldability of additively manufactured PBF-LB 316L were achieved during the COAMWELD project: “Advanced metal components through optimal combination of additive manufacturing and welding techniques”, funded by VLAIO (Flanders Innovation & Entrepreneurship) under Grant Agreement HBC.2020.2994.
Data Availability Statement
The datasets presented in this article are not readily available because the data are part of an ongoing project. Requests to access the datasets should be directed to Koen Faes–Koen.Faes@BIL-IBS.be.
Acknowledgments
We would like to express our sincere gratitude to Raf Colle of RC Welding for his invaluable assistance in realising the welds. His expertise in MIG/MAG and TIG welding was instrumental in ensuring the quality of the welds.
Conflicts of Interest
The authors declare no conflict of interest.
References
- Singhal, T.S.; Jain, J.K.; Kumar, M.; Bhojak, V.; Saxena, K.K.; Buddhi, D.; Prakash, C. A comprehensive comparative review: Welding and additive manufacturing. Int. J. Interact. Des. Manuf. 2023. [Google Scholar] [CrossRef]
- Dejene, N.D.; Lemu, H.G. Current Status and Challenges of Powder Bed Fusion-Based Metal Additive Manufacturing: Literature Review. Metals 2023, 13, 424. [Google Scholar] [CrossRef]
- Priyadarshi, A.; Bin Shahrani, S.; Choma, T.; Zrodowski, L.; Qin, L.; Lun Alex Leung, C.; Clark, S.J.; Fezzaa, K.; Mi, J.; Lee, P.D.; et al. New insights into the mechanism of ultrasonic atomization for the production of metal powders in additive manufacturing. Addit. Manuf. 2024, 83, 104033. [Google Scholar] [CrossRef]
- Zitelli, C.; Folgarait, P.; Di Schino, A. Laser Powder Bed Fusion of Stainless Steel Grades: A Review. Metals 2019, 9, 731. [Google Scholar] [CrossRef]
- Vukkum, V.B.; Gupta, R.K. Review on corrosion performance of laser powder-bed fusion printed 316L stainless steel: Effect of processing parameters, manufacturing defects, post-processing, feedstock, and microstructure. Mater. Des. 2022, 221, 110874. [Google Scholar] [CrossRef]
- Kaščák, Ľ.; Varga, J.; Bidulská, J.; Bidulský, R. Simulation of 316L Stainless Steel Produced the Laser Powder Bed Fusion Process. Materials 2023, 16, 7653. [Google Scholar] [CrossRef] [PubMed]
- Hitzler, L.; Hirsch, J.; Heine, B.; Merkel, M.; Hall, W.; Öchsner, A. On the Anisotropic Mechanical Properties of Selective Laser-Melted Stainless Steel. Materials 2017, 10, 1136. [Google Scholar] [CrossRef] [PubMed]
- Liverani, E.; Toschi, S.; Ceschini, L.; Fortunato, A. Effect of selective laser melting (SLM) process parameters on microstructure and mechanical properties of 316L austenitic stainless steel. J. Mater. Process. Technol. 2017, 249, 255–263. [Google Scholar] [CrossRef]
- Fayazfar, H.; Salarian, M.; Rogalsky, A.; Sarker, D.; Russo, P.; Paserin, V.; Toyserkani, E. A critical review of powder-based additive manufacturing of ferrous alloys: Process parameters, microstructure and mechanical properties. Mater. Des. 2018, 144, 98–128. [Google Scholar] [CrossRef]
- Järvinen, J.-P. Welding of Additively Manuzfactured Stainless Steel Parts: Comparative Study between Sheet Metal and Selective Laser Melted Parts. Master’s Thesis, Lappeenranta University of Technology, School of Technology, Mechanical Engineering, Lappeenranta, Finland, 2014. [Google Scholar]
- Huysmans, S.; Peeters, E.; De Bruycker, E. Weldability study of additive manufactured 316L austenitic stainless steel components—Welding of AM with conventional 316L components. Weld World 2021, 65, 1415–1427. [Google Scholar] [CrossRef]
- Harraz, M.; El-Mahallawy, N.; Abd Elghany, K.; Schleser, M.; Palkowski, H.; Klingner, A. Characterization of 3D Printed Stainless Steel SS316L Powders Joined by TIG-, Plasma and Laser Welding. In Proceedings of the 17th International Conference on Aerospace Sciences & Aviation Technology (ASAT), Cairo, Egypt, 11–13 April 2017. [Google Scholar]
- Matilainen, V.P.; Pekkarinen, J.A. Salminen, Weldability of Additive Manufactured Stainless Steel. Phys. Procedia 2016, 83, 808–817. [Google Scholar] [CrossRef]
- Laitinen, V. Weldability of Powder Bed Fusion Fabricated Stainless Steel 316L Sheets to Cold Rolled Sheet Metal. Master’s Thesis, Lappeenranta University of Technology, Lappeenranta, Finland, 2015. [Google Scholar]
- Ascari, A.; Fortunato, A.; Liverani, E.; Gamberoni, A.; Tomesani, L. New Possibilities in the Fabrication of Hybrid Components with Big Dimensions by Means of Selective Laser Melting (SLM). Phys. Procedia 2016, 83, 839–846. [Google Scholar] [CrossRef]
- Casalino, G.; Campanelli, S.L.; Ludovico, A.D. Laser-arc hybrid welding of wrought to selective laser molten stainless steel. Int. J. Adv. Manuf. Technol. 2013, 68, 209–216. [Google Scholar] [CrossRef]
- Akbari, M.; Kovacevic, R. Joining of elements fabricated by a robotized laser/wire directed energy deposition process by using an autogenous laser welding. Int. J. Adv. Manuf. Technol. 2019, 100, 2971–2980. [Google Scholar] [CrossRef]
- COAMWELD Website. Available online: https://bil-ibs.be/en/project/coamweld-advanced-metal-components-through-optimal-combination-additive-manufacturing-and (accessed on 29 January 2024).
- Ahmed, N.; Barsoum, I.; Haidemenopoulos, G.; Abu Al-Rub, R.K. Process parameter selection and optimization of laser powder bed fusion for 316L stainless steel: A review. J. Manuf. Process 2022, 75, 415–434. [Google Scholar] [CrossRef]
- Available online: https://asm.matweb.com/search/SpecificMaterial.asp?bassnum=mq316q (accessed on 5 March 2024).
- ISO 17639:2022; Destructive Tests on Welds in Metallic Materials—Macroscopic and Microscopic Examination of Welds. International Organization for Standardization: Geneva, Switzerland, 2022.
- ISO 9015-1:2001; Destructive Tests on Welds in Metallic Materials—Hardness Testing—Part 1: Hardness Test on arc Welded Joints. International Organization for Standardization: Geneva, Switzerland, 2001.
- ISO 4136:2022; Destructive Tests on Welds in Metallic Materials—Transverse Tensile Test. International Organization for Standardization: Geneva, Switzerland, 2022.
- ISO 5173:2023; Destructive Tests on Welds in Metallic Materials—Bend Tests. International Organization for Standardization: Geneva, Switzerland, 2023.
- Thijs, L. Microstructure and Texture of Metal Parts Produced by Selective Laser Melting. Ph.D. Dissertation, KU Leuven, Faculty of Engineering Science, Leuven, Belgium, 2014. [Google Scholar]
- Chen, Z.W.; Phan, M.A.L.; Darvish, K. Grain growth during selective laser melting of a Co–Cr–Mo alloy. J. Mater. Sci. 2017, 52, 7415–7427. [Google Scholar] [CrossRef]
- Tillmann, W.; Bültena, J.; Wojarski, L.; Crasmöller, A. Microstructure of conventional/PBF-LB/M 316L stainless steel hybrid joints brazed with nickel-based brazing alloys. Weld. World 2023. [Google Scholar] [CrossRef]
- Omlor, M.; Reinheimer, E.N.; Butzmann, T.; Dilger, K. Investigations on the formation of pores during laser beam welding of hairpin windings using a high-speed x-ray imaging system. J. Laser Appl. 2023, 35, 032010. [Google Scholar] [CrossRef]
- Berger, P.; Hügel, H.; Graf, T. Understanding Pore Formation in Laser Beam Welding. Phys. Procedia 2011, 12, 241–247. [Google Scholar] [CrossRef]
- Bürger, L. Charakterisierung der Oberflächentopographie von Laser Powder Bed Fusion Erzeugten IN718-Proben. Ph.D. Dissertation, Faculty of Mechanical Engineering of the Rhenish-Westphalian Technical Highschool of Aachen, Aachen, Germany, 2020. [Google Scholar]
- Khairallah, S.A.; Anderson, A.T.; Rubenchik, A.; King, W.E. Laser powder-bed fusion additive manufacturing: Physics of complex melt flow and formation mechanisms of pores, spatter, and denudation zones. Acta Mater. 2016, 108, 36–45. [Google Scholar] [CrossRef]
- Dubberstein, T. Beiträge Zu Den Thermophysikalischen Eigenschaften Flüssiger Metallschmelzen; Logos Verlag: Berlin, Germany, 2016; ISBN 9783832594237. [Google Scholar]
- ISO 15614-1:2017; Specification and Qualification of Welding Procedures for Metallic Materials—Welding Procedure Test. Part 1: Arc and Gas Welding of Steels and Arc Welding of Nickel and Nickel Alloys. International Organization for Standardization: Geneva, Switzerland, 2017.
- EN 10088-3:2014; Stainless Steels—Part 3: Technical Delivery Conditions for Semi-Finished Products, Bars, Rods, Wire, Sections and Bright Products of Corrosion Resisting Steels for General Purposes. European Committee for Standardization: Brussels, Belgium, 2014.
Disclaimer/Publisher’s Note: The statements, opinions and data contained in all publications are solely those of the individual author(s) and contributor(s) and not of MDPI and/or the editor(s). MDPI and/or the editor(s) disclaim responsibility for any injury to people or property resulting from any ideas, methods, instructions or products referred to in the content. |
© 2024 by the authors. Licensee MDPI, Basel, Switzerland. This article is an open access article distributed under the terms and conditions of the Creative Commons Attribution (CC BY) license (https://creativecommons.org/licenses/by/4.0/).















