Anti-Islanding Method Development Based on Reactive Power Variation under Grid Support Environments
Abstract
:Featured Application
Abstract
1. Introduction
2. Standard Synopsis
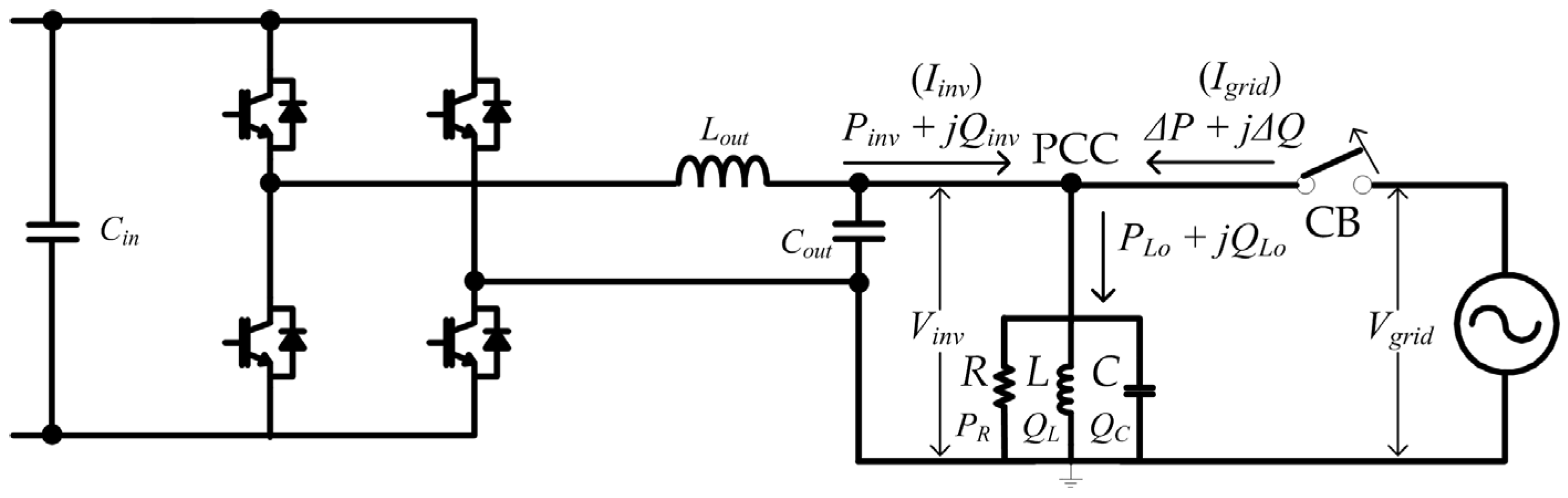
3. The Proposed Method
4. Discussion
5. Conclusions
Funding
Conflicts of Interest
References
- Hussain, A.; Kim, C.; Mehdi, A. A Comprehensive Review of Intelligent Islanding Schemes and Feature Selection Techniques for Distributed Generation System. IEEE Access 2021, 9, 146603–146624. [Google Scholar] [CrossRef]
- Makwana, Y.; Bhalja, B. Experimental Performance of an Islanding Detection Scheme Based on Modal Components. IEEE Trans. Smart Grid 2019, 10, 1025–1035. [Google Scholar] [CrossRef]
- Pouryekta, A.; Ramachandaramurthy, V.; Mithulananthan, N.; Arulampalam, A. Islanding Detection and Enhancement of Microgrid Performance. IEEE Syst. J. 2018, 12, 3131–3141. [Google Scholar] [CrossRef]
- Murugesan, S.; Murali, V. Disturbance Injection Based Decentralized Identification of Accidental Islanding. IEEE Trans. Ind. Electron. 2020, 67, 3767–3775. [Google Scholar] [CrossRef]
- Ma, J.; Zheng, H.; Zhao, J.; Chen, X.; Zhai, J.; Zhang, C. An Islanding Detection and Prevention Method Based on Path Query of Distribution Network Topology Graph. IEEE Trans. Sustain. Energy 2022, 13, 81–90. [Google Scholar] [CrossRef]
- IEEE Std. 1547-2018; IEEE Standard for Interconnection and Interoperability of Distributed Energy Resources with Associated Electric Power Systems Interfaces. IEEE Standard Association: Piscataway, NJ, USA, 2018.
- KS C 8546:2021; Small Scale Photovoltaic Inverter Testing. Korea Industrial Standards Commission: Daejeon, Korea, 2021.
- Rostami, A.; Jalilian, A.; Zabihi, S.; Olamaei, J.; Pouresmaeil, E. Islanding Detection of Distributed Generation Based on Parallel Inductive Impedance Switching. IEEE Syst. J. 2020, 14, 813–823. [Google Scholar] [CrossRef]
- Chen, G.; Lewis, F.; Feng, E.; Song, Y. Distributed Optimal Active Power Control of Multiple Generation Systems. IEEE Trans. Ind. Electron. 2015, 62, 7079–7090. [Google Scholar] [CrossRef]
- Cady, S.; Dominguez-Garcia, A.; Hadjicostis, C. A Distributed Generation Control Architecture for Islanded AC Microgrids. IEEE Trans. Control Syst. Technol. 2015, 23, 1717–1735. [Google Scholar] [CrossRef]
- Azzaoui, M. An Effective Islanding Detection Method With Wavelet-Based Nuisance Tripping Suppressing. IEEE Trans. Power Electron. 2021, 12, 13792–13801. [Google Scholar]
- Wang, Z.; Xiong, J.; Wang, X. Investigation of Frequency Oscillation Caused False Trips for Biomass Distributed Generation. IEEE Trans. Smart Grid 2019, 10, 6092–6101. [Google Scholar] [CrossRef]
- Faqhruldin, O.; El-Saadany, E.; Zeineldin, H. A Universal Islanding Detection Technique for Distributed Generation Using Pattern Recognition. IEEE Trans. Smart Grid 2014, 5, 1985–1992. [Google Scholar] [CrossRef]
- Kresshan, M.; Fotis, G.; Vita, V.; Ekonomou, L. Distributed Generation Islanding Effect on Distribution Networks and End User Loads Using the Load Sharing Islanding Method. Energies 2016, 9, 956. [Google Scholar] [CrossRef]
- Mukherjee, S.; Chowdhury, R.; Shamsi, P.; Ferdowsi, M. Power-Angle Synchronization for Grid-Connected Converter with Fault Ride-Through Capability for Low-Voltage Grids. IEEE Trans. Energy Convers. 2018, 33, 970–979. [Google Scholar]
- Taul, M.; Wang, X.; Davari, P.; Blaabjerg, F. Robust Fault Ride Through of Converter-Based Generation during Severe Faults With Phase Jumps. IEEE Trans. Ind. Appl. 2020, 56, 570–583. [Google Scholar] [CrossRef]
- Sahoo, A.; Ravishankar, J.; Ciobotaru, M.; Blaabjerg, F. Enhanced Fault Ride-Through of Power Converters Using Hybrid Grid Synchronization. IEEE J. Emerg. Sel. Top. Power Electron. 2022, 10, 2829–2841. [Google Scholar] [CrossRef]
- Johnson, J.; Ablinger, R.; Bruendlinger, R.; Fox, B.; Flicker, J. Interconnection Standard Grid-Support Function Evaluations Using an Automated Hardware-in-the-Loop Testbed. IEEE J. Photovolt. 2018, 8, 565–571. [Google Scholar] [CrossRef]
- Ndirangu, K.; Taft, H.; Fletcher, J.; Konstantinou, G. Impact of Grid Voltage and Grid-Supporting Functions on Efficiency of Single-Phase Photovoltaic Inverters. IEEE J. Photovolt. 2022, 12, 421–428. [Google Scholar] [CrossRef]
- Dong, D.; Agamy, M.; Harfman-Todorovic, M.; Liu, X.; Garces, L.; Zhou, R.; Cioffi, P. A PV Residential Microinverter with Grid-Support Function: Design, Implementation, and Field Testing. IEEE Trans. Ind. Appl. 2018, 54, 469–481. [Google Scholar] [CrossRef]
- Bassey, O.; Butler-Purry, K. Black Start Restoration of Islanded Droop-Controlled Microgrids. Energies 2020, 13, 5996. [Google Scholar] [CrossRef]
- Talha, M.; Raihan, S.; Rhim, N. A Grid-tied PV Inverter with Sag-severity-independent Low-voltage Ride through, Reactive Power Support, and Islanding Protection. J. Mod. Power Syst. Clean Energy 2021, 9, 1300–1311. [Google Scholar] [CrossRef]
- Zamani, R.; Moghaddam, M.; Panai, H.; Sanaye-Pasand, M. Fast Islanding Detection of Nested Grids Including Multiple Resources Based on Phase Criteria. IEEE Trans. Smart Grid 2021, 12, 4962–4970. [Google Scholar] [CrossRef]
- Yu, B. Study on a Correlation-Based Anti-Islanding Method under Wider Frequency Trip Settings for Distributed Generation. Appl. Sci. 2020, 10, 3626. [Google Scholar] [CrossRef]
- Raza, S.; Mokhlis, H.; Arof, H.; Laghari, A.; Mohamad, H. A sensitivity analysis of di_erent power system parameters on islanding detection. IEEE Trans. Sustain. Energy 2016, 7, 461–470. [Google Scholar] [CrossRef]
- Liu, S.; Zhuang, S.; Xu, Q.; Xiao, J. Improved voltage shift islanding detection method for multi-inverter grid-connected photovoltaic systems. IET Gener. Transm. Distrib. 2016, 10, 3163–3169. [Google Scholar] [CrossRef]
- Guha, B.; Haddad, R.J.; Kalaani, Y. Voltage ripple-based passive islanding detection technique for grid-connected photovoltaic inverters. IEEE Power Energy Technol. Syst. J. 2016, 3, 143–154. [Google Scholar] [CrossRef]
- Pourbabak, H.; Kazemi, A. Islanding detection method based on a new approach to voltage phase angle of constant power inverters. IET Gener. Transm. Dis. 2016, 10, 1190–1198. [Google Scholar] [CrossRef]
- Wen, B.; Boroyevich, D.; Burgos, R.; Shen, Z.; Mattavelli, P. Impedance-Based Analysis of Active Frequency Drift Islanding Detection for Grid-Tied Inverter System. IEEE Trans. Ind. Appl. 2016, 52, 332–341. [Google Scholar] [CrossRef]
- Kim, B.; Sul, S. Stability-Oriented Design of Frequency Drift Anti-Islanding and Phase-Locked Loop under Weak Grid. IEEE J. Emerg. Sel. Top. Power Electron. 2017, 5, 760–774. [Google Scholar] [CrossRef]






| Standard | OV1 | OV2 | UV1 | UV2 | ||||
|---|---|---|---|---|---|---|---|---|
| p.u. | Clearing Time [s] | p.u. | Clearing Time (s) | p.u. | Clearing Time (s) | p.u. | Clearing Time (s) | |
| IEEE Std. 1547-2003 | 1.1 | 1 | 1.2 | 0.16 | 0.88 | 2 | 0.5 | 0.16 | 
| IEEE Std. 1547-2018 | 1.1 | 2 | 1.2 | 0.16 | 0.7 | 2 | 0.45 | 0.16 | 
| KS C 8564:2015 | 1.1 | 1 | 1.2 | 0.16 | 0.88 | 2 | 0.5 | 0.16 | 
| KS C 8564:2021 | 1.1 | 1 | 1.2 | 0.16 | 0.7 | 2 | 0.5 | 5 | 
| Standard | OF1 | OF2 | UF1 | UF2 | ||||
|---|---|---|---|---|---|---|---|---|
| Value (Hz) | Clearing Time (s) | Value (Hz) | Clearing Time (s) | Value (Hz) | Clearing Time (s) | Value (Hz) | Clearing Time (s) | |
| IEEE Std. 1547-2003 | 60.5 | 0.16 | - | - | 59.3 | 0.16 | - | - | 
| IEEE Std. 1547-2018 | 61.2 | 300 | 62.0 | 0.16 | 58.5 | 300 | 56.5 | 0.16 | 
| KS C 8564:2015 | 60.5 | 0.16 | - | - | 59.3 | 0.16 | - | - | 
| KS C 8564:2021 | 61.5 | 0.16 | - | - | 57.5 | 300 | 57.0 | 0.16 | 
| Standard | Non Detection Zone as | Non Detection Zone as | 
|---|---|---|
| IEEE Std. 1547-2003 | ||
| IEEE Std.1547-2018 | ||
| KS C 8564:2015 | ||
| KS C 8564:2021 | 
| Parameters | Value | 
|---|---|
| Nominal DG inverter effective power, Pinv | 3 [kW] | 
| Nominal grid voltage, Vgrid | 220 [V] | 
| Nominal grid frequency, fgrid | 60 [Hz] | 
| Number of phases | Single | 
| Allowable frequency range | 56.5 [Hz] ≤ f ≤ 62 [Hz] | 
| Threshold value for Cp | 6 (when N = 4, kc = 100,000, kp = 0.0056) | 
| Local load R, L, C | PR = 3 kW, QL = 3 kVar, QC = 3 kVar | 
| AFD | cf | 0% | 1% | 2% | 3% | 4% | 5% | 
| THDi | 3.18 | 3.19 | 3.53 | 4.10% | 4.79% | 5.54 | |
| RPV | 0% | 1% | 2% | 3% | 4% | 5% | |
| THDi | 3.18% | 3.19% | 3.20% | 3.21% | 3.22% | 3.23% | 
| Publisher’s Note: MDPI stays neutral with regard to jurisdictional claims in published maps and institutional affiliations. | 
© 2022 by the author. Licensee MDPI, Basel, Switzerland. This article is an open access article distributed under the terms and conditions of the Creative Commons Attribution (CC BY) license (https://creativecommons.org/licenses/by/4.0/).
Share and Cite
Yu, B. Anti-Islanding Method Development Based on Reactive Power Variation under Grid Support Environments. Appl. Sci. 2022, 12, 9074. https://doi.org/10.3390/app12189074
Yu B. Anti-Islanding Method Development Based on Reactive Power Variation under Grid Support Environments. Applied Sciences. 2022; 12(18):9074. https://doi.org/10.3390/app12189074
Chicago/Turabian StyleYu, Byunggyu. 2022. "Anti-Islanding Method Development Based on Reactive Power Variation under Grid Support Environments" Applied Sciences 12, no. 18: 9074. https://doi.org/10.3390/app12189074
APA StyleYu, B. (2022). Anti-Islanding Method Development Based on Reactive Power Variation under Grid Support Environments. Applied Sciences, 12(18), 9074. https://doi.org/10.3390/app12189074
 
        




 
       