An 8kb RRAM-Based Nonvolatile SRAM with Pre-Decoding and Fast Storage/Restoration Time
Abstract
1. Introduction
2. RRAM-Based nvSRAM Structure and Memory Cell
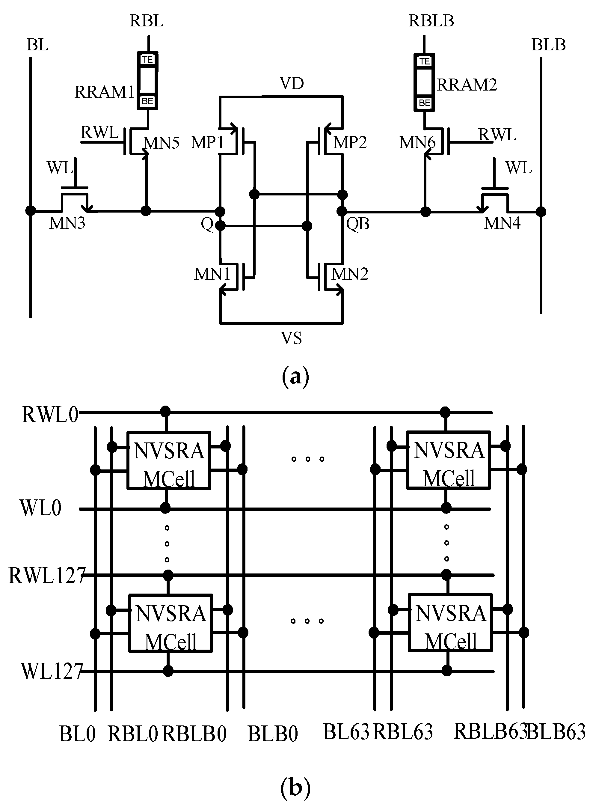
2.1. nvSRAM Structure
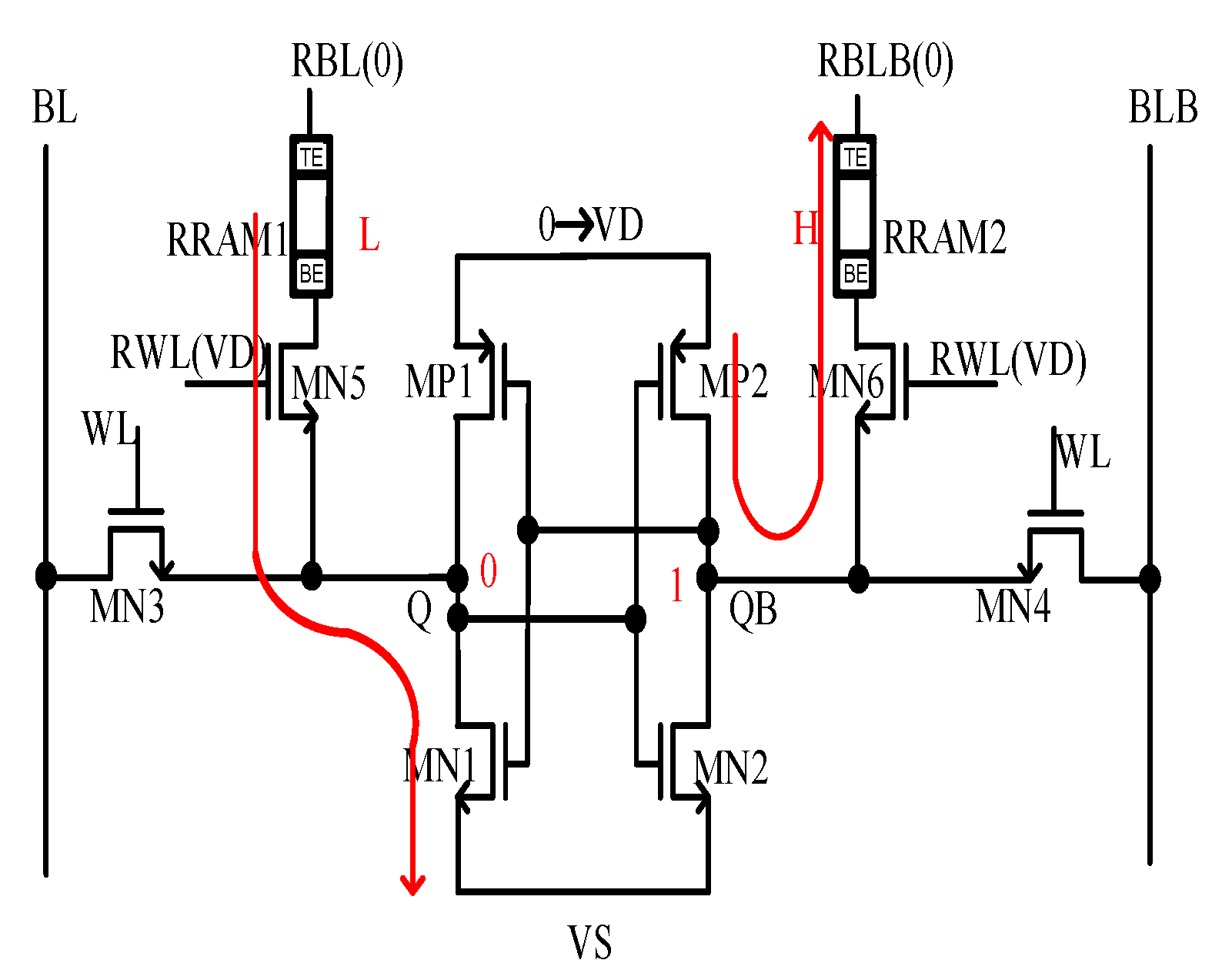
2.2. Memory Cell Design
3. nvSRAM Peripheral Circuit Design
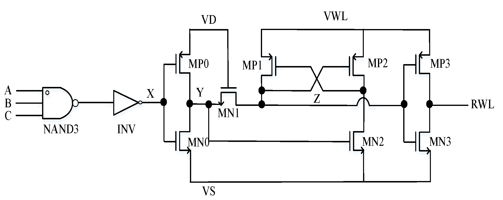
3.1. Decoding Circuit
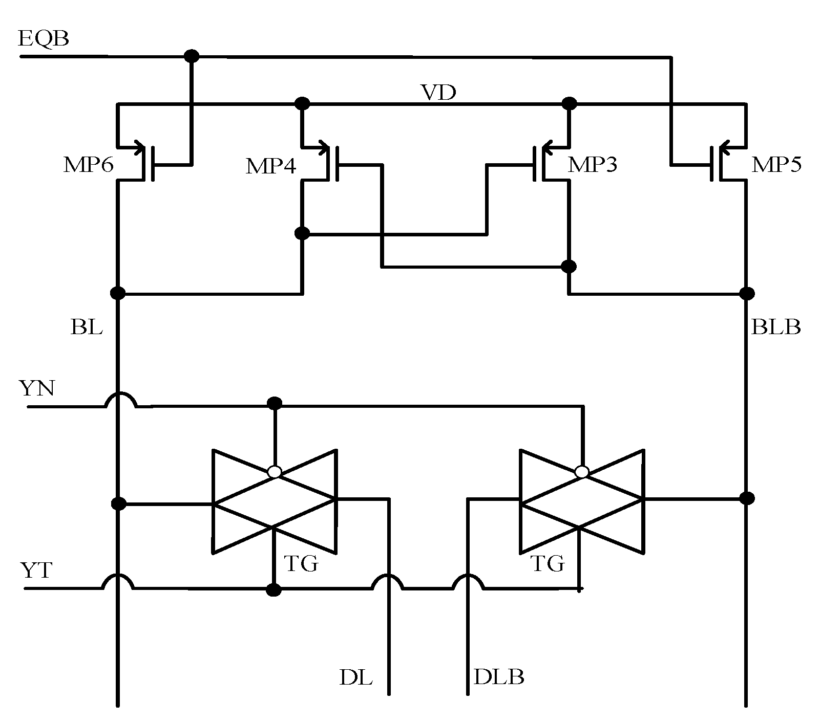
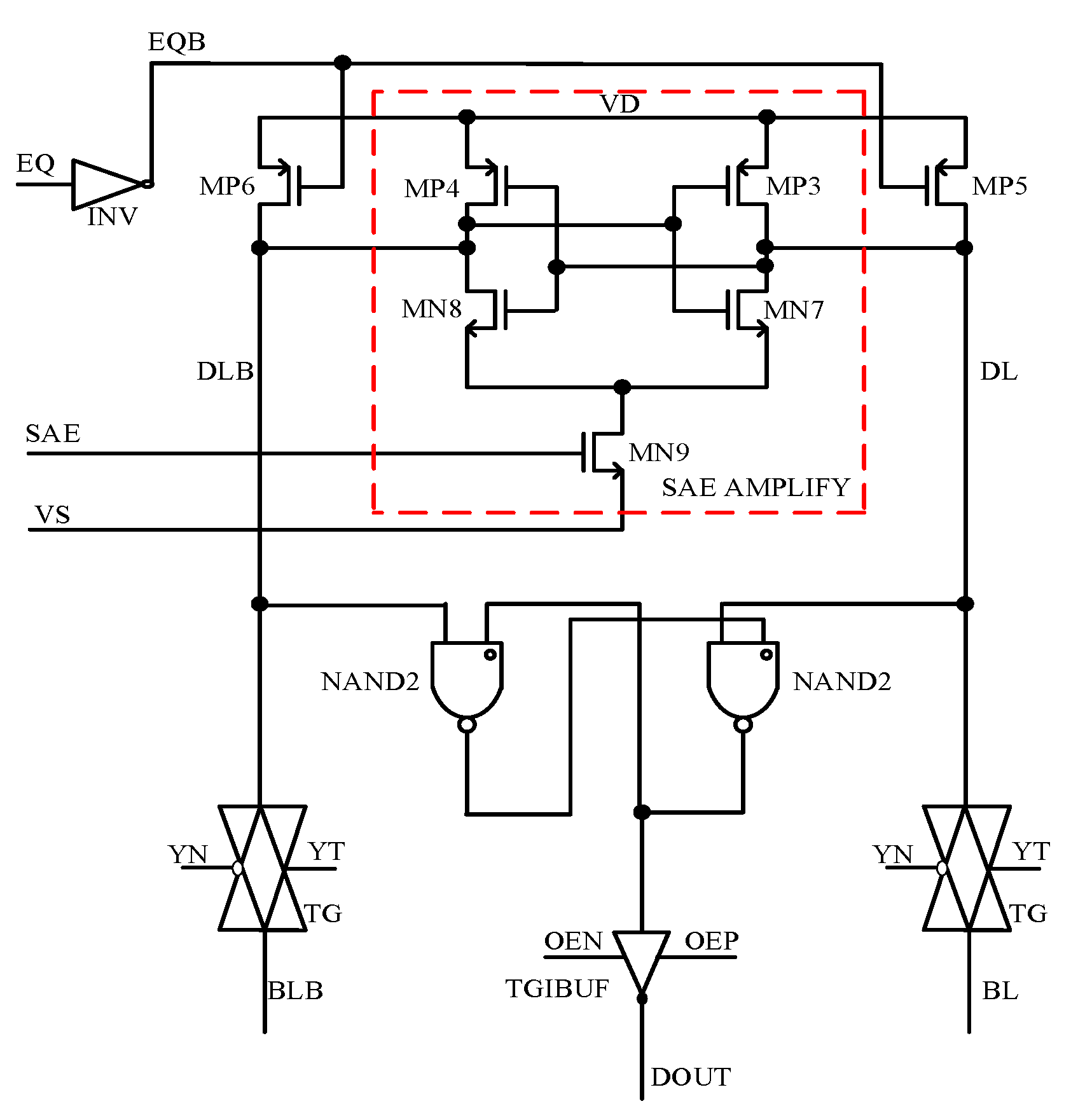
3.2. Read Drive Circuit
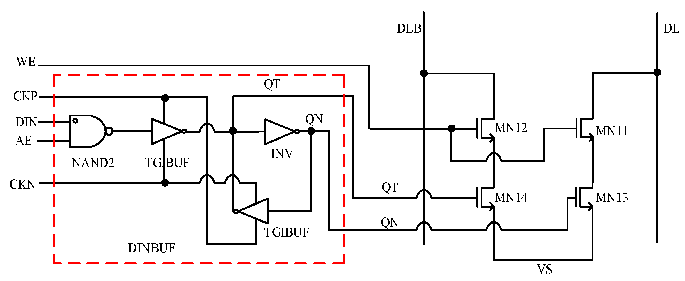
3.3. Write Drive Circuit
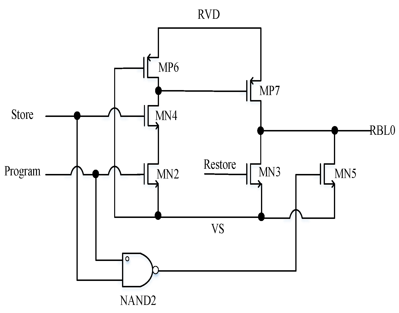
3.4. Data Storage and Restoration Circuit
4. Experimental Results
5. Conclusions
Author Contributions
Funding
Institutional Review Board Statement
Informed Consent Statement
Data Availability Statement
Conflicts of Interest
References
- Wong, G. Flash Memory Trends; Flash Memory Summit: Santa Clara, CA, USA, 2008. [Google Scholar]
- Meena, J.S.; Sze, S.M.; Chand, U.; Tseng, T.-Y. Overview of emerging nonvolatile memory technologies. Nanoscale Res. Lett. 2014, 9, 526–559. [Google Scholar] [CrossRef]
- Garbin, D.; Vianello, E.; Bichler, O.; Rafhay, Q.; Gamrat, C.; Ghibaudo, G.; DeSalvo, B.; Perniola, L. HfO2-Based OxRAM Devices as Synapses for Convolutional Neural Networks. IEEE Trans. Electron Devices 2015, 62, 2494–2501. [Google Scholar] [CrossRef]
- Bocquet, M.; Deleruyelle, D.; Aziza, H.; Muller, C.; Portal, J.-M.; Cabout, T.; Jalaguier, E. Robust Compact Model for Bipolar Oxide-Based Resistive Switching Memories. IEEE Trans. Electron Devices 2014, 61, 674–681. [Google Scholar] [CrossRef]
- Fliesler, M.; Still, D.; Hwang, J. A 15ns 4Mb nvSRAM in 0.13u SONOS Technology; Non-Volatile Semiconductor Memory Workshop: Opio, France, 2008; pp. 83–86. [Google Scholar]
- Sakimura, N.; Sugibayashi, T.; Nebashi, R.; Kasai, N. Nonvolatile magnetic flip-flop for standby-power free SoCs. IEEE J. Solid-State Circuits 2009, 44, 2244–2250. [Google Scholar] [CrossRef]
- Miwa, T.; Yamada, J.; Koike, H.; Toyoshima, H.; Amanuma, K.; Kobayashi, S.; Tatsumi, T.; Maejima, Y.; Hada, H.; Kunio, T. NV-SRAM: A nonvolatile SRAM with backup ferroelectric capacitors. IEEE J. Solid-State Circuits 2001, 36, 522–527. [Google Scholar] [CrossRef]
- Choi, B.J.; Torrezan, A.C.; Strachan, J.P.; Kotula, P.G.; Lohn, A.J.; Marinella, M.J.; Li, Z.; Williams, R.S.; Yang, J.J. High-speed and low-energy nitride memristors. Adv. Funct. Mater. 2016, 26, 5290–5296. [Google Scholar] [CrossRef]
- Pi, S.; Li, C.; Jiang, H.; Xia, W.; Xin, H.; Yang, J.J.; Xia, Q. Memristor crossbar arrays with 6-nm half-pitch and 2-nm critical dimension. Nat. Nanotechnol. 2019, 14, 35–39. [Google Scholar] [CrossRef]
- Govoreanu, B.; Kar, G.S.; Chen, Y.-Y.; Paraschiv, V.; Kubicek, S.; Fantini, A.; Radu, I.P.; Goux, L.; Clima, S.; Degraeve, R. 10 × 10 nm2 Hf/HfOx crossbar resistive RAM with excellent performance, reliability and low-energy operation. In Proceedings of the 2011 International Electron Devices Meeting, Washington, DC, USA, 5–7 December 2011. [Google Scholar]
- Prezioso, M.; Merrikh-Bayat, F.; Hoskins, B.D.; Adam, G.C.; Likharev, K.K.; Strukov, D.B. Training and operation of an integrated neuromorphic network based on metal-oxide memristors. Nature 2015, 521, 61–64. [Google Scholar] [CrossRef]
- Covi, E.; Brivio, S.; Serb, A.; Prodromakis, T.; Fanciulli, M.; Spiga, S. Analog memristive synapse in spiking networks implementing unsupervised learning. Front. Neurosci. 2016, 10, 482. [Google Scholar] [CrossRef]
- Yang, Y.; White, M.H. Charge retention of scaled SONOS nonvolatile memory devices at elevated temperatures. Solid State Electron. 2000, 44, 949–958. [Google Scholar] [CrossRef]
- Shimomura, N.; Yoda, H.; Ikegawa, S.; Kai, T.; Amano, M.; Aikawa, H.; Ueda, T.; Nakayama, M.; Asao, Y.; Hosotani, K.; et al. Switching current fluctuation and repeatabitity for MRAM with propeller-shape MTJ. IEEE Trans. Magn. 2006, 42, 2757–2759. [Google Scholar] [CrossRef]
- Waser, R.; Aono, M. Nanoionics-based resistive switch memories. Nat. Mater. 2007, 6, 833–840. [Google Scholar] [CrossRef]
- Bazzi, H.; Harb, A.; Aziza, H.; Moreau, M.; Kassem, A. RRAM-based non-volatile SRAM cell architectures for ultra-low-power applications. Analog. Integr. Circuits Signal Process. 2020, 106, 351–361. [Google Scholar] [CrossRef]
- Chang, M.-F.; Lee, A.; Kuo, C.-C.; Sheu, S.-S.; Chen, F.T.; Ku, T.-K.; Liu, Y.-P.; Yang, H.-Z.; Chen, P.-C. Challenges at circuit designs for resistive-type Nonvolatile memory and nonvolatile logics in mobile and cloud applications. In Proceedings of the 2014 12th IEEE International Conference on Solid-State and Integrated Circuit Technology (ICSICT), Guilin, China, 28–31 October 2014; pp. 1–4. [Google Scholar]
- Chen, W.-H.; Khwa, W.-S.; Li, J.-Y.; Lin, W.-Y.; Lin, H.-T.; Liu, Y.; Wang, Y.; Wu, H.; Yang, H.; Chang, M.-F. Circuit design for beyond von Neumann applications using emerging memory: From nonvolatile logics to neuromorphic computing. In Proceedings of the 2017 18th International Symposium on Quality Electronic Design (ISQED), Santa Clara, CA, USA, 14–15 March 2017; pp. 23–28. [Google Scholar]
- Wong, H.S.P. Metal-oxide RRAM. Proc. IEEE 2012, 100, 1951–1970. [Google Scholar] [CrossRef]
- Zhuang, W.W.; Pan, W.; Ulrich, B.D.; Lee, J.J.; Stecker, L.; Burmaster, A.; Evans, D.R.; Hsu, S.T.; Tajiri, M.; Shimaoka, A.; et al. Novel colossal mangetoresistive thin film nonvolatile resistance random access memory (RRAM). In Proceedings of the International Electron Devices Meeting, San Francisco, CA, USA, 8–11 December 2002; pp. 193–196. [Google Scholar]
- Burrb, G.W.; Shenoyc, R.S.; Virwani, K.; Narayanan, P.; Padillad, A.; Kurdi, B. Access devices for 3D cross point memory. J. Vac. Sci. Technol. B Nanotechnol. Microelectron. Mater. Process. Meas. Phenom. 2014, 32, 040802. [Google Scholar] [CrossRef]
- Wei, W.; Namba, K.; Han, J.; Lombardi, F. Design of a Nonvolatile 7T1R SRAM Cell for Instant-on Operation. IEEE Trans. Nanotechnol. 2014, 13, 905–916. [Google Scholar] [CrossRef]
- Ielmini, D. Resistive switching memories based on metal oxides: Mechanisms, reliability and scaling. Semicond. Sci. Technol. 2016, 31, 3002. [Google Scholar] [CrossRef]
- Lee, A.; Chang, M.F.; Lin, C.C.; Chen, C.F.; Ku, T.K. RRAM-based 7T1R nonvolatile SRAM with 2x reduction in store energy and 94x reduction in restore energy for frequent-off instant-on applications. In Proceedings of the 2015 Symposium on VLSI Circuits (VLSI Circuits), Kyoto, Japan, 17–19 June 2015; pp. 76–77. [Google Scholar]
- Tosson, A. 8T1R: A novel low -power High-speed RRAM based non-volatile SRAM design. In Proceedings of the IEEE International International Great Lakes Symposium on VLSI (GLSVLSI), Houston, TX, USA, 21–23 May 2016; pp. 239–244. [Google Scholar]
- Turkyilmaz, O.; Onkaraiah, S.; Reyboz, M. RRAM-based FPGA for “normally of, instantly on” applications. In Proceedings of the 2012 IEEE/ACM International Symposium on Nanoscale Architectures, Amsterdam, The Netherlands, 4–6 July 2012; pp. 101–108. [Google Scholar]
- Nambu, H.; Kanetani, K.; Yamasaki, K.; Higeta, K.; Usami, M.; Fujimura, Y.; Ando, K.; Kusunoki, T.; Yamaguchi, K.; Homma, N.; et al. A 1.8-ns Access, 550-MHz, 4.5-Mb CMOS SRAM. IEEE J. Solid State Circuits 1998, 33, 1650–1658. [Google Scholar] [CrossRef]
- Martin, K. Digital Integrated Circuit Design; Oxford University Press: New York, NY, USA, 2000. [Google Scholar]
- Wang, N.N. On the Design of MOS Dynamic Sens e Amplifiers. IEEE Trans. On Circuits and Systems 2000, 29, 467–477. [Google Scholar] [CrossRef]
- Ioth, K. VLSI Memory Design; Baifukan: Tokyo, Japan, 1994. [Google Scholar]
- Ravi, V.; Prabaharan, S.R.S. Memristor based memories: Defects, testing, and testability techniques. Far East J. Electron. Commun. 2017, 17, 105–125. [Google Scholar] [CrossRef]
- Sheu, S.S.; Kuo, C.C.; Chang, M.F.; Tseng, P.L.; Sheng, L.C.; Wang, M.C.; Lin, C.H.; Lin, W.P.; Chien, T.K.; Lee, S.H.; et al. A ReRAM integrated 7T2R non-volatile SRAM for normally-off computing application. In Proceedings of the 2013 IEEE Asian Solid-State Circuits Conference (A-SSCC), Singapore, 11–13 November 2013; pp. 245–248. [Google Scholar]
- Chiu, P.-F.; Chang, M.-F.; Wu, C.-W.; Chuang, C.-H.; Sheu, S.-S.; Chen, Y.-S.; Tsai, M.-J. Low Store Energy, Low VDDmin,8T2R Nonvolatile Latch and SRAM with Vertical-Stacked Resistive Memory (Memristor) Devices for Low Power Mobile Applications. J. Solid-State Circuits 2012, 47, 1483–1496. [Google Scholar] [CrossRef]
- Majumdar, S.; Kingra, S.K.; Suri, M.; Tikyani, M. Hybrid CMOS-OxRAM based 4T-2R NVSRAM with efficient programming scheme. In Proceedings of the 2016 16th Non-Volatile Memory Technology Symposium (NVMTS), Pittsburgh, PA, USA, 17–19 October 2016; pp. 1–4. [Google Scholar]



















| Mode | BL | BLB | WL | RBL | RBLB | RWL | VD |
|---|---|---|---|---|---|---|---|
| Hold | 0.9 | 0.9 | 0 | 0 | 0 | 0 | 0.9 |
| Read(1) | 0.9 | 0 | 0.9 | 0 | 0 | 0 | 0.9 |
| Read(0) | 0 | 0.9 | 0.9 | 0 | 0 | 0 | 0.9 |
| Write(1) | 0.9 | 0 | 0.9 | 0 | 0 | 0 | 0.9 |
| Write(0) | 0 | 0.9 | 0.9 | 0 | 0 | 0 | 0.9 |
| Store | 0.9 | 0.9 | 0 | 1.6/0 | 1.6/0 | 0.9 | 1.6 |
| Restore | 0.9 | 0.9 | 0 | 0 | 0 | 0.9 | 0.9 |
| This work | [16] | [32] | [33] | [22] | [34] | |
|---|---|---|---|---|---|---|
| Memory cell structure | 8T2R | 6T2R | 7T2R | 8T2R | 7T1R | 4T2R |
| Technology | 28 nm UMC | 130 nm STM | 0.18 μm TSMC | 0.18 μm TSMC | 32 nm | 90 nm |
| Power supply | 0.9 V | 1.8 V | 0.7 V | 1.8 V | 0.9 V | 4 V |
| Restoration mode | Differential | Differential | Differential | Differential | Single | Differential |
| Nonvolatile mode | Before power failure | Real time | Before power failure | Before power failure | Before power failure | Real time |
| Storage time | 0.21 ns | 1 ns | 0.87 ns | 0.24 ns | 1.45 ns | |
| Restoration time | 0.18 ns | 0.37 ns | 0.36 ns | 0.22 ns | 0.02 ns | |
| Current (when storing data) | 0–200 μA | 0–50 μA | 0–230 μA | 0–260 μA | 0–40 μA | 0–230 μA |
| Voltage (when storing data) | 1.6 V | 1.8 V | 2.5 V | 4.0 V | 2.0 V | 1.5 V |
| Memory cell size | 0.97 μm2 | 32.6 μm2 | 1 μm2 | 1.55 μm2 | 1.18 μm2 | 0.6 μm2 |
Disclaimer/Publisher’s Note: The statements, opinions and data contained in all publications are solely those of the individual author(s) and contributor(s) and not of MDPI and/or the editor(s). MDPI and/or the editor(s) disclaim responsibility for any injury to people or property resulting from any ideas, methods, instructions or products referred to in the content. |
© 2022 by the authors. Licensee MDPI, Basel, Switzerland. This article is an open access article distributed under the terms and conditions of the Creative Commons Attribution (CC BY) license (https://creativecommons.org/licenses/by/4.0/).
Share and Cite
Yin, J.; Liao, W.; Zhang, Y.; Jiang, J.; Chen, C. An 8kb RRAM-Based Nonvolatile SRAM with Pre-Decoding and Fast Storage/Restoration Time. Appl. Sci. 2023, 13, 531. https://doi.org/10.3390/app13010531
Yin J, Liao W, Zhang Y, Jiang J, Chen C. An 8kb RRAM-Based Nonvolatile SRAM with Pre-Decoding and Fast Storage/Restoration Time. Applied Sciences. 2023; 13(1):531. https://doi.org/10.3390/app13010531
Chicago/Turabian StyleYin, Jiayu, Wenli Liao, Yuyan Zhang, Jianhua Jiang, and Chengying Chen. 2023. "An 8kb RRAM-Based Nonvolatile SRAM with Pre-Decoding and Fast Storage/Restoration Time" Applied Sciences 13, no. 1: 531. https://doi.org/10.3390/app13010531
APA StyleYin, J., Liao, W., Zhang, Y., Jiang, J., & Chen, C. (2023). An 8kb RRAM-Based Nonvolatile SRAM with Pre-Decoding and Fast Storage/Restoration Time. Applied Sciences, 13(1), 531. https://doi.org/10.3390/app13010531
