Abstract
This paper presents the results of the study of the kinematics and dynamics of an elastic steered wheel depending on its state, the kingpin unit design parameters, and the tire characteristics in order to obtain dependencies for calculating the tire steering resistance torque in static state and during movement. It was established that when steering in static state, the locked steered wheel is taken as a complex mechanism, and the tire contact patch is rotated about the kingpin axis–support surface intersection point. When turning the unlocked steered wheel, it was determined that the tire contact patch participates in transport and relative motions. The transport motion center is the projection onto the support surface of the center of rotation of the wheel about the kingpin axis. The relative motion center is within the contact patch and is determined experimentally. For both states of the steered wheel, analytical dependencies were obtained for determining the tire steering resistance torque. The results of the analytical studies were experimentally verified on a bench equipped by components and aggregates of a truck, and included an additional rigid false wheel and a special rim. The false wheel made it possible to experimentally determine the tire contact patch transport motion center, and the special rim—to change the knuckle length in the range of 0.22–0.82 m.
1. Introduction
All modern wheel vehicles are equipped with elastic wheels, which are characterized by elastic, damping, transmission, transforming, and smoothing properties, ensuring the contact of the vehicle with the support surface and transforming the wheels’ rotational motion into translational motion along the support surface. Elastic wheels affect the main operational properties of vehicles: traction and speed, fuel economy, braking, steerability, stability, maneuverability, cross-country ability, smoothness of movement, etc. The properties and functions of the elastic wheel indicate that it must be considered as a complex mechanism, the components of which are the hard disk, the elastic tire (pneumatic), and the contact patch [1,2,3,4].
The integrity of such a mechanism is determined by its external and internal connections. External connections are formed by the integrity of its structure, and internal connections determine the requirements that this mechanism must fulfill. At the same time, it should be noted that the determining factors are the internal connections, which are characterized by the coefficients of friction, rolling resistance, and cornering stiffness, normal, tangential, and lateral stiffness, and angular stiffness relative to the vertical axis. At the same time, the elastic wheel is characterized by kinematic and dynamic parameters. By kinematic parameters, we mean the curvature radius of the movement trajectory, speed, and acceleration of the wheel, and for the steered wheel, additionally, the steer angle, angular speed and acceleration of the rotation of the wheel about the kingpin axis. By dynamic parameters, we mean normal, longitudinal, and lateral forces, torques acting on the wheel disk, and the moment of inertia about the spin axis, and for the steered wheel, additionally, the steering resistance torque about the kingpin axis [1,2,4].
The input link of such a mechanism is the hard disk of the wheel. With sufficient accuracy for practice, the hard disk is considered a solid body that does not change shape or deform during vehicle operation. If the wheel is driven, the force from the frame of the vehicle or the braking torque from the braking system is applied to the wheel disk. If the wheel is driving, then torque from the transmission and braking torque from the braking system are supplied to it.
The main element of the elastic wheel, as a complex mechanism, is the elastic body of the tire (pneumatic), which is between the hard disk and the tire contact patch. Dynamic and kinematic factors from the wheel disk pass through it and are locked in the tire contact patch, causing reactions in the support surface. The amorphous body of the tire, characterized by non-holonomic connections with the disk and the support surface, forms the transforming, transmitting, smoothing, and damping properties of the elastic wheel, which are characterized by the rolling resistance coefficient, normal and lateral stiffness, tangential elasticity coefficient, damping coefficient, cornering stiffness, and angular stiffness relative to the vertical axis [1,2,4].
The output link of the complex mechanism is the tire contact patch, which belongs to both the wheel and the support surface. In the tire contact patch, when forces and moments act from the vehicle on the wheel, reactions are created that ensure vehicle movement. Previous studies [5,6,7,8] emphasized that analytical models for determining force and kinetic parameters of a wheel must take into account the phenomena occurring in the contact patch with the support surface.
As for the steered wheel, it can be the driving wheel, which applies to all-wheel drive and front-wheel drive vehicles, or the driven wheel. At the same time, a steered wheel is fundamentally different from an unsteered wheel due to the presence of an additional degree of freedom rotation about the kingpin axis. This rotation of the steered wheel is provided by the introduction of a steering torque from the steering system of the vehicle by the driver about the kingpin axis and can be carried out both during the movement of the vehicle and while it is parked.
It follows from the above that the kinematics and dynamics of a steered wheel are a general case of the motion of an elastic wheel, and we consider the motion of an unsteered wheel as a special case of the motion of a steered wheel when there is no rotation of it about the kingpin axis.
The steered wheel is rotated by the driver about the axis, which is usually called the kingpin axis. The kingpin axis is inclined relative to the vertical in the lateral and longitudinal directions. The inclination of the kingpin axis in the lateral direction produces the kingpin inclination angle αk, and in the longitudinal direction—the caster angle βk [1,9]. Due to the presence of a lateral inclination angle and a caster angle of the kingpin, such an inclination is called a combined angle of the kingpin. Resultant normal reactions of the support surface acting on the steered wheel, in the presence of kingpin inclinations, create a weight-aligning torque [1,2,10]. To rotate the steered wheel about the kingpin axis in static state, it is necessary to overcome the steering resistance torque caused by the tire, kingpin inclinations, and friction in the bearings of the kingpin unit [1,2,10,11,12,13]. In references [1,14], it is also recommended to take into account the inertia torque. Based on this, we determine the static steering resistance torque of the steered wheel by the following expression:
where Mw(θ) is the static steering resistance torque of the steered wheel about the kingpin axis; Mφ(θ) is the static tire steering resistance torque; Mal(θ) is the weight-aligning torque; Mf(θ) is the friction torque in the bearings of the kingpin unit; and Mj(θ) is the inertia torque.
An analysis of the components in Expression (1) proved that the torque created by the tire Mφ(θ) on the asphalt concrete surface reaches 75–90% of the steering resistance torque of the steered wheel Mw(θ); the weight-aligning torque together with the friction torque in the bearings of the kingpin unit Mal(θ) + Mf(θ) in total represent 10–25% of the torque Mw(θ), and the inertia torque Mj(θ) is so insignificant that it can be equated to zero. Since Mφ(θ) is the determinant in Expression (1), literary sources thus often equate the torque Mw(θ) and Mφ(θ) with each other, considering Mw(θ) = Mφ(θ).
The analysis of references [1,2] regarding the weight-aligning torque at the combined kingpin angle proved that only the dependence given in [1] allows us to determine this torque by the expression:
where Rz is the normal reaction to the steered wheel, N; lk is the knuckle length, m (the knuckle length is defined here as the distance between the wheel spin axis intersection points with the kingpin axis and the wheel plane); rw is the dynamic radius of the wheel, m; αk is the kingpin inclination angle, deg; βk is the caster angle, deg; γk0 is the camber angle when moving in a straight line (θ = 0), deg; and γk is the current camber angle at the combined kingpin inclination angle, which is determined according to the dependence [1]:
Note that in Formulas (2) and (3), the “plus” sign should be taken when the knuckle of the left wheel is turned to the left from the neutral position, and the right wheel—to the right when the caster angle is positive. In the opposite case, take the “minus” sign. At the same time, it is considered that the weight-aligning torque with a “plus” sign rotates the steered wheel to the position of rectilinear movement, creating resistance to steer the wheel from the position of rectilinear movement about the kingpin axis.
Since the maximum tire steering resistance torque occurs when the wheel steers in static state and is decisive for the calculation of the power steering, special attention was paid to its determination [1,2,11,12,13,15,16]. The analysis of references [1,2,11,13,16] proved that the tire steering resistance torque in these works is considered for a locked wheel. A locked wheel is a wheel that does not roll on the support surface when steering (does not spin about the knuckle axis). In this case, the steered wheel together with the knuckle is a complex mechanism, and when the wheel is steered in static state, the tire contact patch rotates about the point where the kingpin axis intersects the support surface. At the same time, the value of the static tire steering resistance torque is a function of the steer angle, the load on the wheel, the tire contact patch dimensions, the position of the kingpin axis–support surface intersection point, and the friction coefficient between tire and support surface. As for the kingpin axis–support surface intersection point, for most wheeled vehicles it is within the tire contact patch.
The course of dependence Mφ = f(θ) has a complex character. In [15], it is noted that the torque applied to the steered wheel first overcomes the twisting of the sidewall of the tire with a slight sliding of the tire contact patch on the support surface, and then reaches the value at which the tire contact patch completely slides on it. In [13], the movement of the tire during static steering is divided into two processes: elastic deformation of the tire and sliding of the tire contact patch on the support surface. In case of elastic deformation, the static tire steering resistance torque is directly proportional to the steer angle. The steering resistance torque during the sliding of the tire contact patch on the support surface does not depend on the steer angle. At the same time, these works do not indicate at which steer angles a certain stage of wheel rotation occurs.
The analysis of the experimental dependencies of the truck tire steering resistance torque Mφ on the steer angle θ given in [1,2] showed that the dependence Mφ = f(θ) can be conditionally divided into three sections.
The first is a section of the conditional linear dependence of the torque Mφ = f(θ). In this area, there is an elastic twisting of the tire body between the tire contact patch and the hard disk. It is assumed that in this section, there are only adhesion zones, and no sliding zones. On dry asphalt concrete for truck tires, the first section is within the range of the steer angle change from 0 to θA ≤ 5 deg.
In the section of the elastic twisting, the tire steering resistance torque is determined according to the empirical dependence [1]:
where Cθ is the angular stiffness of the tire relative to the vertical axis, N m/deg; θ is the steer angle, deg.
The value of the angular stiffness of the tire Cθ is determined either experimentally or according to an empirical dependence [1]:
where Gw is the load on the wheel, N.
Сθ = (9–11) × Gw × 10−3, N·m/deg
A lower angular stiffness value corresponds to toroid tires, and a higher one corresponds to wide-profile tires.
The second is the section of the non-linear dependence of the function Mφ = f(θ).
In this area, there are zones of adhesion and zones of sliding. As the steer angle increases, the area of the sliding zones increases, and the adhesion zones decrease. When steering the wheel on dry asphalt concrete at an angle θB = 13 deg, there are only sliding zones in the contact of the tire with the support surface, and the tire steering resistance torque reaches the maximum value, limited by the forces of adhesion of the wheel to the support surface Mφmax. On dry asphalt concrete, the section of non-linear dependence is within the limits of the change in the steer angle θ from 5 to 13 deg.
In the second section, the torque Mφ is determined according to the empirical dependence [1]:
where Mφmax is the maximum static tire steering resistance torque, which occurs when, in contact with the support surface, the tire elements completely slide; θA is the largest steer angle in static state at which the conditional linear dependence of the function Mφ = f(θ) is preserved; θB is the smallest possible steer angle in static state at which the tire steering resistance torque reaches the maximum value Mφmax.
In the third section, the tire steering resistance torque reaches the maximum value Mφmax. In this section, there are only sliding zones in contact between the tire and the support surface, and the value of the tire steering resistance torque reaches its maximum and does not depend on the value of the wheel steer angle θ. On dry asphalt concrete for truck tires, the third section begins when the wheel is steered in static state to an angle greater than 13 deg. Most often, the results of studies of the tire steering resistance torque in this area in the condition of a locked wheel are given in the literature. This is explained to some extent by the fact that the tire steering resistance torque on it reaches its maximum value.
The question of determining the maximum tire steering resistance torque is considered in references [11,12,13,15,16].
Thus, in [15], it is noted that the torque necessary to ensure the sliding of the tire on the support surface, taking into account that the tire contact patch has the shape of a circle and the friction coefficient over the entire contact patch does not change, can be determined by the following dependence:
where W is the wheel load; φ is the friction coefficient between the tire and the support surface; p is the tire inflation pressure; R is the radius of the tire contact patch, the shape of which is a circle; r is the radius for area element in contact patch; and θ is the steer angle.
To more accurately take into account the effect of inflation pressure in the tire, the authors introduce an empirical correction to Expression (7) n, the value of which must be determined experimentally for each tire. Taking into account n, Expression (7) takes the following form:
Expression (8) the determination of the torque Mφ only for those tires for which the correction n is known.
The test of dependence (8) was carried out on a static tire test rig, on which a wheel with a tire was installed on a fixed horizontal axis with the possibility of free spin about it. The authors came to the conclusion that the torque required to turn the tire against the action of frictional forces in contact between the tire and the support surface depends on the load on the wheel, the tire inflation pressure, and the offset of the point of intersection of the kingpin axis with the support surface relative to the center of the contact patch.
In [11], a study of the steering resistance torque was carried out on a simulation model, which involved the rotating of braked steered wheels in static (parking turn). The steer is made from straight ahead to full left lock, and from the full left lock to the full right lock, and then the turn to center. It is shown that the steering resistance torque Mw consists of the torque necessary to overcome the slide in the tire contact patch on the support surface, the friction in the kingpin joints, and the friction generated by vertical force moments about the kingpin axis. It is assumed that the tire contact patch is rotated about to the point where the kingpin axis intersects the support surface. The tire contact patch has the shape of a rectangle and is divided into elementary rectangles. The elementary torque of elementary rectangle is determined by the following expression:
where Δs is the area of the elementary rectangle, p is the pressure on the support surface, φ is the friction coefficient, and d is the distance from the kingpin axis–support surface intersection point to the elementary rectangles. The total torque is determined by numerical integration over the entire contact patch.
The experimental verification of the results of simulating the parking turning process of steered wheels on a car was not carried out.
The simulation was carried out with a rack-and-pinion steering mechanism, independent suspension, and with two knuckle lengths of 0.08 m and 0.12 m.
In [13], a mathematical model of the static steering resistance torque of the wheel was studied, provided that the shape of the tire contact patch is a rectangle. At the same time, the contact patch is rotated about the kingpin axis–support surface intersection point. The dependence for researching the static tire steering resistance torque has the following form:
where a and b are the sides of the rectangle of the tire contact patch, m; ex and ey are determined by the expressions ex = eocosθ and ey = −eocosθ, where eo is the distance from the center of the tire contact patch to the kingpin axis–support surface intersection point; θ is the steer angle; p (x,y) is the pressure on the support surface, which changes according to the parabolic law; dx and dy are dimensions of the elementary tire contact patch; and φ is the friction coefficient.
In [16], for a single tire, the torque required to overcome the friction between the tire and the support surface is proposed to be determined under the condition that the tire contact patch has the shape of a rectangle, which rotates about the kingpin axis–support surface intersection point, and the kingpin has only a lateral inclination angle. The dependence for determining this torque has the following form:
where φ is the equivalent friction coefficient between the tire and the support surface; p (x,y) is the longitudinal pressure distribution of the tire; a and b are the length and width of the tire contact patch, respectively; l0 is the kingpin offset; and x and y are the coordinates of the element of the tire contact patch in the coordinate system, the center of which is located at the kingpin axis–support surface intersection point.
The influence of the speed of movement is proposed to be determined by the equivalent friction coefficient, the value of which is determined according to the following empirical dependence:
where u is the running speed of the tire. At the speed u = 0, φ = 0.6887.
In [12], it is noted that the static steering resistance torque of the wheel depends on the current state of the steered wheel: braking or non-braking. When the steered wheel is braking, it cannot spin about the knuckle axis, and therefore, the tire steering resistance torque is greater. In the non-braking state, the steered wheel begins to roll on the support surface during rotation. At the same time, the tire contact patch is in a state of elastic deformation, sliding and rolling.
The authors present a normalization model of tire torsional deformation, which, in their opinion, reflects the non-linear elastic deformation of the tire and characterizes the transition of the tire from elastic deformation to sliding and rolling. The resulting sliding and rolling motion are characterized by the combined friction coefficient [17]:
where φ0 is the coefficient of sliding friction; e is the base of the natural logarithm; l0 is kingpin offset; and r0 is the radius of the circle to which the tire contact patch is reduced.
The static tire steering resistance torque is proposed to be determined according to the following expression:
where Gw is the vertical load on the tire; k is the normalization torsion deformation coefficient of stiffness; and θ is the steer angle.
Experimental studies of the total steering resistance torque were carried out on a solid support surface using a six-axle all-terrain crane QA Y200, on which Michelin 14.00R25 tires are installed. A comparison of the results of the calculated and experimental data showed that the calculated and experimental data differ significantly at steer angles up to 4 deg. At steer angles greater than 4 deg, the difference does not exceed 9.38%. At the same time, the authors of this work note that the proposed dependence cannot perfectly solve the problem of determining the steering resistance torque of the wheel.
Based on the above, it can be noted that the study of rotation in the static state of the steered wheel was carried out for its two states: the steered wheel is locked and the steered wheel is unlocked. When steering the locked wheel, the tire’s contact patch turns relative to the point where the kingpin axis intersects the support surface. There are dependencies for determining the tire steering resistance torque of a locked steered wheel. Regarding the rotation of the unlocked steered wheel, it is not defined relative to which centers the tire patch moves and the tire steering resistance torque. Therefore, determining the characteristics of the turn in the static of the unlocked steered wheel and the tire steering resistance torque is an urgent task.
The purpose of this study is to determine the influence of the state of the steered wheel, the design parameters of the kingpin unit, the elastic characteristics and the design parameters of the steered wheel on the characteristics of its movement and the tire steering resistance torque, depending on the speed and trajectory of the wheel.
The article consists of six sections. In Section 1, the elastic wheel is considered as a complex mechanism characterized by kinematic and dynamic parameters. An analysis of the sources for determining the tire steering resistance torque of the steered-wheel tire when turning in static state is given. In Section 2, analytical studies of the tire steering resistance torque are carried out in static state and during movement, and dependencies for its determination are given. Section 3 presents the results of experimental studies on the bench for determining the centers of rotation of locked and unlocked steered wheels depending on the knuckle length and the kingpin inclinations. The reliability of the obtained dependencies for the calculation of the tire steering resistance torque is determined. Section 4 presents the discussion and interpretation of the research results. Section 5 provides conclusions on the obtained results of theoretical and experimental research. Section 6 provides a list of patents for experimental stands that were used during pre-research.
2. Materials and Methods
2.1. Study of the Tire Steering Resistance Torque of a Locked Steered Wheel in Static State
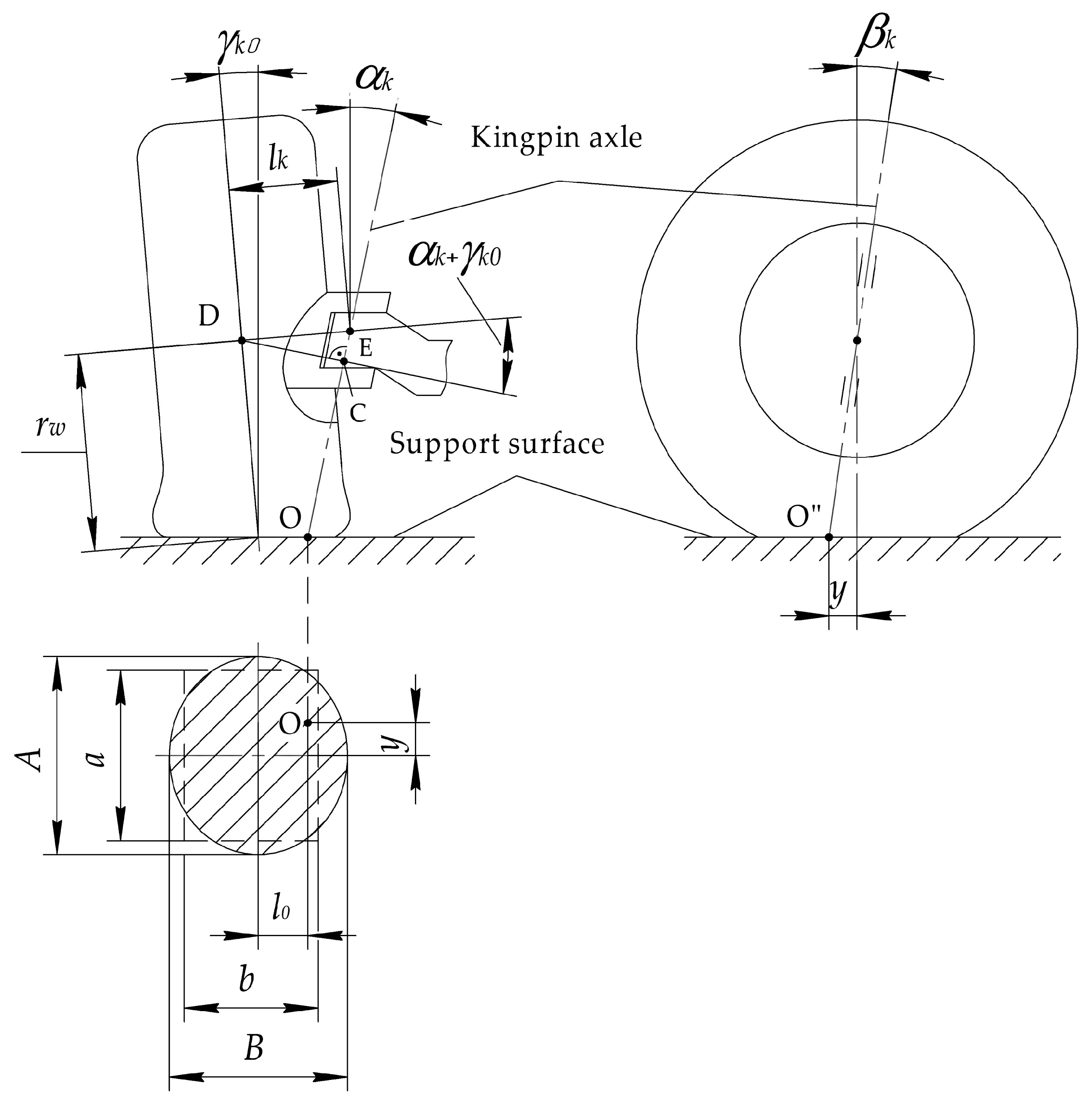
The torque Mφmax generally depends on the steer angle, the shape and size of the tire contact patch, the friction coefficient, the load on the wheel, and the position of the kingpin axis–support surface intersection point. When steering a locked wheel in static state, the tire contact patch is rotated about the center of the kingpin axis–support surface intersection point. The position of the center of rotation of the tire contact patch relative to its geometric center is determined by the kingpin offset l0 and the longitudinal offset named stabilization arm y (Figure 1).
Figure 1.
Scheme for determining the position of the tire contact patch rotation center.
The kingpin offset l0 is the distance from the center of rotation of the tire contact patch, point O, to the tire contact patch longitudinal axes (Figure 1). Assuming that the steered wheel camber angle in the position of straight-line vehicle movement does not exceed 1 deg, the kingpin offset, with sufficient accuracy for practical calculations, is determined by the following expression [1]:
where γk0 is the camber angle in the position of straight-line movement, deg.
The stabilization arm y is the distance from the tire contact patch rotation center, point O, to the tire contact patch transverse axis. According to [1], it is determined by the following formula:
As for tire contact patch in particular, it can be oval, ellipse, close to a circle, and a rectangle. To obtain universal dependencies that allow the determination of the Mφmax, the tire contact patches are reduced to equal-sized rectangles, according to [1], by the following expressions:
where FB is the tire contact patch area, which is determined experimentally; A and B are the axes of the tire contact patch, which are determined experimentally; and a and b are sides of a rectangle equal in size to the tire contact patch.
For trucks, it is recommended to determine a and b according to empirical dependencies [1]:
- For toroid tires: , m; , m;
- For wide-profile tires: , m; , m
where Gw is the load on the wheel, N; and a and b are sides of a rectangle, m.
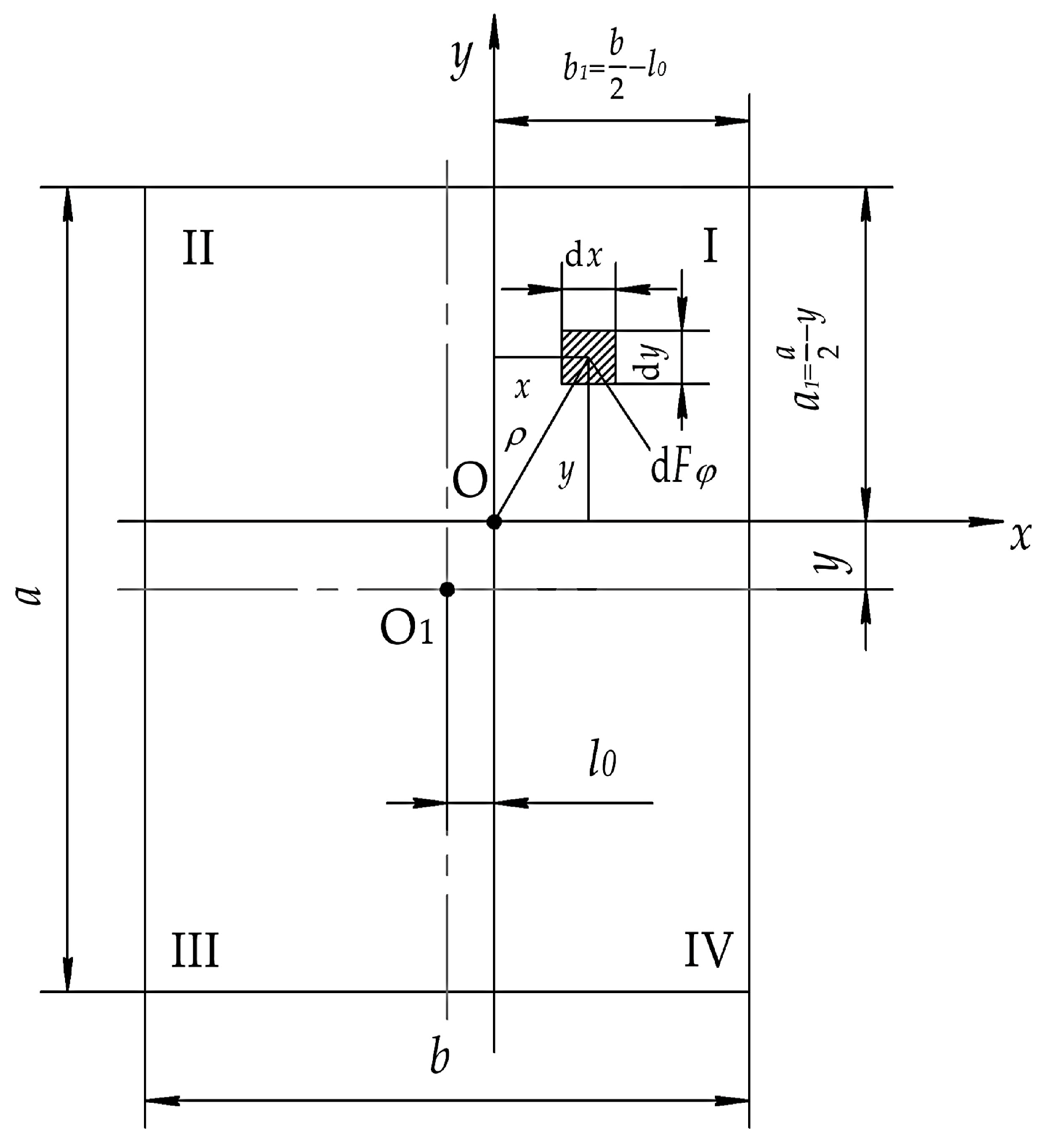
In reference [1], the following assumptions were made to determine the maximum static tire steering resistance torque: the friction coefficient and the specific pressure at each point of the tire contact patch are the same, and the tire contact patch has the shape of a rectangle.
Figure 2 shows the calculation diagram of the tire contact patch for determining the maximum static tire steering resistance torque.
Figure 2.
Tire contact patch scheme for determining Mφmax.
Point O, the point where the kingpin axis intersects the support surface, is the center of rotation of the tire contact patch. Let us divide the tire contact patch into four rectangles with vertices at point O. In this case, each of the four rectangles will rotate about the vertex common to each of them, point O.
Then, the rectangles, taking into account the accepted designations, will have the following sides:
I rectangle: , ;
II rectangle: , ;
III rectangle: , ;
IV rectangle: , .
According to Figure 2, we can express the rotating resistance torque of the entire tire contact patch as follows:
where Mφmax1, Mφmax2, Mφmax3, and Mφmax4 are the limit rotating resistance torques in terms of adhesion, respectively, of the first, second, third, and fourth rectangles relative to the center of tire contact patch rotation, point O.
Consider the first rectangle as an example. To do this, we select an elementary contact patch with sides dx and dy, the center of which has coordinates x and y. It is obvious that when rotating such an elementary contact patch with an area of dS = dxdy, an elementary rotating resistance torque arises due to friction-sliding forces, which is equal to
where dFφ is the elementary force of friction-sliding in the elementary contact patch, which is expressed as
where p is the specific pressure of the tire on the support surface, such that (Gw–wheel load); φ is the friction coefficient; and ρ is the arm of force action dFφ. According to Figure 2, .
Taking into account the above, Formula (19) will take the following form:
If we take into account the limits of integration, then we can express the rotating resistance torque of the first rectangle as
Taking the integral , for the first rectangle, we have
Finally, taking into account the above for the entire tire contact patch, we have
If the tire contact patch rotation center coincides with its geometric center, then obviously, l0 = y = 0. After substituting these values into Equation (24) and elementary transformations, we have
If we assume that the uniform friction-sliding forces are applied in the geometric center of each of the four considered rectangles, then for the first rectangle, taking into account Figure 2, we obtain
For the entire tire contact patch, we obtain
If the tire contact patch rotation center coincides with its geometric center corresponding to l0 = y = 0, Formula (27) will take the following form:
2.2. Study of the Tire Steering Resistance Torque of an Unlocked Steered Wheel in Static State
2.2.1. Study of the Kinematics of a Rigid Steered False Wheel
Above, the kinematics and dynamics of the rotation of the steered wheel with a knuckle as a complex mechanism corresponding to the rotation of the locked steered wheel have been considered. In this case, when steering in static state, the steered wheel does not spin about the knuckle axis.
If the steered wheel is unlocked, when steering in static state, it spins about the axis of the knuckle and is not a complex mechanism with the knuckle. Separately, there is a steered wheel as a complex mechanism and a separate knuckle. At the same time, the movement of the wheel is caused by the rotation of its center knuckle, which is created by the point of intersection of the knuckle axis with the wheel plane. At the same time, the wheel center, which belongs to both the wheel and the knuckle, moves relative to the point of intersection of the perpendicular from wheel center to the kingpin axis with the kingpin axis. If the center of the wheel moves relative to the intersection point of the perpendicular with the kingpin axis, then the projection of this wheel on the support surface, including the tire contact patch, will move relative to the projection on the support surface of this intersection point, since the wheel is a single body (mechanism).
The determination of the center relative to which the contact patch of the tire moves will be determined by the kinematics of the rigid false wheel, assuming that the point of contact of the rigid false wheel coincides with the geometric center of the contact patch.
The calculation scheme for determining the kinematics of a rigid false wheel at the kingpin inclination angle is given in Figure 3.
Figure 3.
Scheme for determining the radius.
From an analysis of Figure 3, it can be seen that the movement of the wheel is set by the knuckle AG, which is a lever between the kingpin axis and the wheel. The center of the wheel, point A, is created by the intersection of the knuckle axis and the plane of symmetry of the rim of the false wheel, and is therefore common to the knuckle and the false wheel.
Since point A belongs to the knuckle, which rotates about the kingpin axis, it moves relative to the kingpin axis in a circle with radius AC. This radius is created by a perpendicular dropped from point A to the kingpin axis, and point C in this case is the center relative to which the center of the wheel, point A, moves.
If point A of a solid body, which is a rigid false wheel, moves relative to the center, point C, then it is obvious that its projection on the support surface, which is point F, will move relative to the point D. At the same time, the contact point B of the rigid false wheel, as well as the projection of the wheel center on the support surface, point F, will move relative to the same center point D.
Therefore, the segment BD will be the radius R of the trajectory of the contact point of the rigid false wheel. The angle between the knuckle and the perpendicular to the kingpin axis AC does not depend on the angle of rotation of the wheel; it is a constant value CAG = αk + γk0, embedded in the design of the kingpin assembly by the designer at the stage of designing the steering axle.
According to Figure 3, we define segments BD as follows:
where BD is the radius of the trajectory of the contact point of the rigid false wheel R, m; γk is the wheel current camber angle at the kingpin inclination angle, which is determined by Expression (3), in which βk = 0 is taken.
BD = AGcos × γk − FB − CK
From ΔABF,
where AB is the radius of the wheel rw, m.
FB = AB × sinγk
From an analysis of ΔGCK and ΔAGC, we determine CK by the expression
CK = AG × sin(αk + γk0)sinαk
At the same time, the CK segment is the displacement of the center of the transport motion of the contact point of the rigid false wheel with the support surface in the transverse plane Δ(αk), which is represented by the expression
Δ(αk) = lk × sin(αk + γk0) sinαk
Similarly to the kingpin inclination angle, the caster angle will cause a displacement of the center of the transport motion in the longitudinal plane Δ(βk), which will be determined by the expression
Δ(βk) = lk × sin(αk + γk0) sinβk
Finally, the radius of the trajectory of the contact point of the rigid false wheel as a function of the angle of rotation, in the presence of only the kingpin inclination angle, is written as follows:
where R(θ) is the radius of the movement trajectory of the contact point of a rigid false wheel when rotating in static state at a kingpin inclination angle, m.
From an analysis of Formula (34), it can be seen that the value of the radius of the movement trajectory of the contact point of the rigid false wheel with a kingpin inclination angle depends on the angle of rotation of the wheel about the kingpin axis, the kingpin inclination angle, the radius of the wheel, and the knuckle length.
The presence of a caster will lead to a change in the position of the center of rotation. In the general case, the radius of curvature of the trajectory of the contact point of the false wheel in the presence of a combined inclination of the kingpin will be determined by the following formula:
where Rαk(θ) is the radius of curvature of the trajectory of the contact point of the rigid false wheel at the kingpin inclination angle, which is calculated according to Expression (34); and ΔRβk(θ) is the change in the radius of the movement trajectory of the contact point of the rigid false wheel, caused by the caster angle.
The value of ΔRβk(θ) is determined by the expression
where ΔRβk(θ) is the radius of curvature of the trajectory of the contact point of the rigid false wheel from the caster angle at the angle of rotation of the wheel θ; and ΔRβk(0) is the radius of curvature of the trajectory of the contact point of the rigid false wheel with the caster angle in the neutral position.
To determine the radius of the trajectory of the contact point of the rigid false wheel at the caster angle ΔRβk(θ), we use the functional relationship between the kingpin inclination angle and caster angle and the steer angle, which is given in [1].
Taking into account this relationship and Formula (34), the radius of the trajectory of the point of contact of the rigid false wheel with the caster angle is written as follows:
where is the radius of the movement trajectory of the rigid false wheel contact point at the caster angle and when the wheel is turned to an angle 90° ± θ and αk = βk; βk is caster angle; γβk is the current camber angle of the rigid false wheel at the caster angle, which is determined by Formula (3), assuming kingpin inclination angle αk = 0 deg; and is the radius of the movement trajectory of the rigid false wheel contact point at the kingpin inclination angle αk = βk and the wheel is turned to an angle 90° ± θ.
The radius of the movement trajectory of the contact point of the rigid false wheel with the caster angle in the neutral position is determined by using dependence (37) at θ = 0 deg:
After substituting (37) and (38) into Expression (36), we obtain the following expression for determining the value of ΔRβk(θ):
After substituting (39) into Expression (35), we obtain the final formula for determining the radius of the trajectory of the contact point of a rigid false wheel:
An analysis of Formula (40) shows that the radius of the movement trajectory of the point of contact of the rigid false wheel depends on the kingpin angles, the current camber angles of the wheel, the knuckle length, and the steer angle.
2.2.2. Study of the Kinematics of the Tire Contact Patch of an Unlocked Elastic Wheel
The above studies proved that the contact point of the rigid false wheel, when it is rotated in static state, moves relative to the projection on the support surface of the wheel rotation center. Similarly to the false wheel, the tire contact patch will also move relative to this center. At the same time, it is known from the analysis of references [1,3,18] that the wheel movement along a curved trajectory causes the wheel disk twisting relative to the tire contact patch, and the tire contact participates simultaneously in the transport and relative motions. At the same time, the center of the transport motion coincides with the center of rotation of the contact point of the rigid false wheel. As for the position of the center of relative motion, it follows from the analysis of references [3,18] that it is located within the contact patch, and when the radius of curvature increases, it shifts to the edge of the contact patch. Its position will be determined experimentally.
The amount of displacement of the center of the relative motion of the contact patch from its center during steering in static state is determined by the expression
where Δt is the displacement of the center of the relative movement of the contact patch from its geometric center when steering in static state; R is the radius of the trajectory of the center of the contact patch, the value of which is determined by Expression (40); and Rt is the radius of the trajectory of the center of relative motion of the contact patch of the tire, the value of which is determined experimentally.
2.2.3. The Tire Steering Resistance Torque of the Unlocked Steered Wheel in Static State
Since when turning the steered wheel in static state, its movement takes place along a curvilinear trajectory relative to the center of the transport motion, it follows from the analysis in [1,3,4,18,19] that this movement is accompanied by twisting of the rigid rim relative to the tire contact patch by an angle defined by the expression [1]
where θt is the angle of twisting of the tire when steering wheel in static state, deg; a is the longitudinal axis of the tire contact, m; and Rt is the radius of the trajectory of the relative motion center of the contact patch.
Taking into account the above, we determine the static tire steering resistance torque by the expression
where Mt is the static tire steering resistance torque; Mφ is the static tire steering resistance torque, caused by the twisting of the tire body; and Mf is the static tire steering resistance torque, caused by the rolling of the wheel on the support surface, which is determined by the formula
where f is the coefficient of rolling resistance; and Gw is the load on the steered wheel.
The magnitude of the torque Mφ will depend on the magnitude of the tire body twisting angle θt. If the twisting angle calculated according to Expression (42) reaches the value of the angle θB, the angle at which only sliding zones are present in the contact patch, then this torque reaches the maximum value Mφmax in terms of adhesion.
Taking into account the obtained dependence (24), we obtain a1 = a2 = a3 = a4 = a/2, b1 = b4 = b/2 − ∆t, b2 = b3 = b/2 + ∆t, and the maximum value of torque Mφmax is determined by the expression
If the displacement of the relative motion center of the tire contact patch reaches a maximum Δt = b/2, then Expression (45) will be written as follows:
When Δt = 0, the torque Mφmax is determined by the expression
The above is true if the twist angle θt ≥ θB = 13 deg on a support surface with a high friction coefficient.
If the twisting angle θA < θt < θB, then the static tire steering resistance torque Mφ is determined by the expression
If the angle of rotation 0 < θt ≤ θA, then the static tire steering resistance torque Mφ is determined by the expression:
2.3. The Tire Steering Resistance Torque During Wheel Movement
Above, the kinematics and dynamics of turning the steered wheel in static state were considered, and it was established that when the wheel is turned, the tire twists to an angle, the value of which depends on the knuckle length, the size of the contact patch, and the displacement of the center of the relative motion of the contact patch from its geometric center. Dependencies are given for determining the tire steering resistance torque. At the same time, the design of the kingpin unit of vehicles limits the size of the knuckle, and when the wheel is steered, the tire contact patch does not update.
During movement, in contrast to steering in static state, there is a constant renewal of tire elements in contact with the supporting surface. This upgrade will be more intense, the higher the speed of the wheel and the smaller the tire contact patch. If the driver rotates the steered wheel about the kingpin axis while driving, the hard disk will rotate about the tire contact patch, creating tire twist. This angle is similar in nature to the twist angle when steering in static state. However, when the wheel moves, there is a constant update of the contact patch, in contrast to steering in static state, when no update of the tire contact patch takes place. At the same time, the twisting of the disk during the movement of the wheel occurs in the presence of the angular speed of rotation of the wheel relative to the axis of the kingpin directly by the driver. If the driver stops turning the steered wheel, the tire twisting angle disappears, as the tire contact patch is restored. This is the fundamental difference between static steering and steering while driving. At the same time, the final result of the steer in static state and during movement is the angle of twisting of the disk about the tire contact patch.
The analyses in [3,18] proved that the twisting of the disk during the movement of the steered wheel occurs during the time the wheel travels a path equal to half the length of the tire contact patch.
As for the angular speed of rotation of the steered wheel, it will depend on the angular speed of rotation of the steering wheel by the driver, the gear ratio of the steering mechanism, and the steering drive. At the same time, it is known from the analysis in reference [1] that the maximum rotation frequency of the steering wheel does not exceed 1.5 rpm. In this case, the maximum angular speed of rotation of the steered wheel about the kingpin axis will be
As for the tire steering resistance torque during movement, it will occur only if there is an angular speed of rotation of the steered wheel by the driver.
Let us determine the tire steering resistance torque during movement, caused by the turn of the steering wheel by the driver, which we will denote by Mω. We will conduct a study of the steering resistance under the following conditions:
- Only adhesion zones are present in the tire contact patch;
- When steering, the wheel is unlocked and moves at speed V.
If the steered wheel moves at a speed V, then it will cover the distance a/2 in the time determined by the expression
where t is the time to move half of the longitudinal axis of the tire contact patch, s; a is the longitudinal axis of the tire contact patch of the steered wheel, m; and V is the wheel speed, m/s.
If the driver rotates the steered wheel about the kingpin axis with an angular velocity ω, then in time t, the disk will rotate about the tire contact patch to an angle defined as follows:
where θtw is the angle of twisting of the disk relative to the tire contact patch, caused by the rotation of the steered wheel during its movement, deg; and ω is the angular velocity of rotation of the wheel steered by the driver during movement about the kingpin axis, rad/s.
The analysis of the conducted studies proved that during vehicle operation, the angle of twisting does not exceed 5 deg, and therefore, the tire steering resistance torque during movement can be determined by the expression
From the above, it follows that the tire steering resistance torque depends on the angle of twisting of the disk relative to the tire contact patch, regardless of whether the steering occurs in static state or during movement. At the same time, the angle of twisting of the pneumatic tire in static state will depend on the magnitude of the steer angle, and during movement, this angle will be directly proportional to the magnitude of the longitudinal axis of the tire contact patch, the angular speed of rotation of the steered wheel by the driver, and inversely proportional to the speed of movement. The analysis of the conducted studies showed that its value does not exceed 5 deg.
3. Results
3.1. Analytical Studies of the Tire Steering Resistance Torque of a Locked Steered Wheel in Static State
To analyze the obtained dependencies (24)–(28), we will calculate the Mφmax according to the following data: φ = 0.7; Gw = 27250 H, a = 0.225 m; b = 0.334 m; l0 = 0.13 m; y = 0.0578 m. These data correspond to the steering axle of KrAZ vehicles (Kremenchuk Automobile Plant, Kremenchuk, Ukraine) with a 6 × 6 wheel formula. The results of the calculations are given in Table 1 and Table 2.
Table 1.
Comparative table of calculated data, with l0 = 0.13 m, and y = 0.0578 m.
Table 2.
Comparative table of calculated data, with l0 = 0, and y = 0.
3.2. Determination of the Tire Steering Resistance Torque of an Unlocked Steered Wheel in Static State
3.2.1. Determination of the Center of Rotation of the Point of Contact of a Rigid False Wheel
To determine the center of rotation of the point of contact of a rigid false wheel, experimental studies were conducted on a bench created at the Department of Automobiles and Tractors of Kremenchuk Mykhailo Ostrogradsky National University, Kremenchuk, Ukraine (see Section 6). The bench consists of the frame and front axle of the KrAZ–260 (KrAZ, Kremenchuk, Ukraine), on which steered wheels with wide-profile tires with variable pressure size 1300 × 530–533, the model BI–3 (Dneproshina Ltd., Dnipro, Ukraine), are installed. To conduct research on the center of transport motion, the left elastic wheel with a wide-profile tire was replaced by a metal false wheel (Figure 4). The bench is equipped with strain gauge equipment, which made it possible to simultaneously determine the steer angles and spin angles relative to the knuckle axis.
Figure 4.
Schemes for determining the center of rotation of the rigid false wheel: (a) The locked rigid false wheel; (b) The unlocked rigid false wheel.
As for the rigid false wheel, it consists of a diskless wheel rim (size 440–533) (Private Joint-Stock Company “Kremenchug Wheel Plant”, Kremenchuk, Ukraine), a metal segmented plate, which is welded to the rim in its middle plane, and stiffeners. The metal plate on the outside has a rounding with a radius of 0.571 m, which corresponded to the radius of the elastic wheel (Figure 4). Point A is the wheel center, and the perpendicular from this point to the kingpin axis creates point C, relative to which the center of the rigid false wheel fixed on the knuckle rotates.
The load on the left rigid false wheel was 27250 N. The kingpin inclination angle αk = 9.5 deg. The caster angle had a zero value, which was ensured by the installation of wedges between the front springs and the axle beam. The tie rod was disconnected. The camber angle of the wheel γk = −0.50 deg. The knuckle length lk = 0.225 m. The experimental studies carried out with a rigid false wheel had the task of determining the position of the center of rotation of the contact point of a rigid false wheel for two cases:
- The first is when rotation is performed in static state, when the rigid false wheel is locked. This case of rotation of a rigid false wheel corresponds to the rotation in static state of the wheel, which, during rotation, does not spin about the knuckle axis θ ≠ 0, θw = 0 (Figure 4a);
- The second is when rotation is performed in static state, when the rigid false wheel is unlocked. This case corresponds to rotation in static state of the wheel, which, when turned in static state, spins about the knuckle axis θ ≠ 0, θw ≠ 0 (Figure 4b).
From an analysis of Figure 4, it can be seen that the rigid false wheel does not touch the support surface, and when it rotates, it does not spin about the knuckle axis, which corresponds to the condition of rotating the locked wheel. The recorder, attached to the rigid false wheel, is installed at the kingpin axis–support surface intersection point, point D. When the rigid false wheel was turned to the right and left from the position of straight-line movement, the recorder remained motionless. At the same time, the displacement of the recorder from point D towards the rigid false wheel caused the appearance of a trace left by the recorder on the support surface when the false wheel was turned.
From an analysis of the above, it follows that during the rotation of a rigid false wheel, provided that it does not roll on a support surface, the kingpin axis–support surface intersection point is the center of rotation of the contact point of the rigid false wheel with the support surface.
From an analysis of Figure 4b, it can be seen that the wheel rests on the support surface, and when it rotates, it spins about the knuckle axis. Point D is a projection on the support surface of the center of rotation of the wheel, point C. When rotating the rigid false wheel to the right and left from the neutral position, a trace of the contact of the rigid false wheel the remained on the metal plate.
According to the obtained data, points were drawn on the track formed as a result of rolling of the false wheel on a painted metal plate, which were located from the center of the trajectory of the movement of the contact point of the rigid false wheel, point D. The complete coincidence of the plotted points with the trace indicates that the center of rotation of the contact point of the rigid false wheel, point B, is a projection on the support surface of the center of rotation of the wheel, point D.
3.2.2. Study of the Radius of the Trajectory of the Point of Contact of a Rigid False Wheel
Experimental studies of the radius of the movement trajectory of the contact point of the rigid false wheel were carried out on the bench (see Section 6) with the simultaneous measurement of the angle of rotation of the rigid false wheel about the kingpin axis θ and its spin angle about the knuckle axis θw.
On the one hand, the path Sw that passes through the contact point of a rigid false wheel when rotating about the kingpin axis is defined by the expression
where R is the radius of the movement trajectory of the rigid false wheel contact point, point D, m; and θ is angle of rotation of the false wheel about the kingpin axis, rad.
On the other hand, the path Sk passing through the contact point of the rigid false wheel when spinning about the knuckle axis is determined by the formula
where rw is the rolling radius of the wheel, m; and θw is the angle of spin of the about the knuckle axis, rad.
Having equated the paths (54) and (55), we obtain an equation, from the analysis of which we determine the radius R of the trajectory of the contact point of the rigid false wheel as follows:
Figure 5 shows the graph of the dependence of the radius of the movement trajectory of the contact point of the rigid false wheel on the rotation angle in the presence of only the kingpin inclination angle αk, calculated according to dependence (34) (solid curve) and experimentally obtained values of this radius (red dots).
Figure 5.
Dependence of the radius of the trajectory of the contact point of the rigid false wheel on the angle of rotation with αk = 9.50, βk = 0, γk0 = −0.50, lk = 0.225 m.
Figure 6 shows that the experimental and calculated data coincide. The maximum error does not exceed 1.74%.
Figure 6.
Dependence of the radius of the trajectory of the contact point of the rigid false wheel on the angle of rotation, with αk = 9.50, βk = 5.50, γk0 = −0.50, and lk = 0.225 m.
Figure 6 shows the graph of the dependence of the radius of the movement trajectory of the contact point of the rigid false wheel on the rotation angle with a combined kingpin angle, calculated according to dependence (40) (solid curve) and experimentally obtained values of this radius (red dots).
Figure 6 shows that the experimental and calculated data coincide. With the combined kingpin angle, the error does not exceed 3.89% and is within the accuracy of the measurements, which confirms the reliability of the obtained dependencies (40).
From the analysis of the above results of experimental and theoretical studies, it follows that the center of the transport motion of the unlocked rigid false wheel contact point with the support surface is the projection onto the support surface of the center of rotation of the rigid false wheel. A dependence was obtained for determining the radius of the movement trajectory of the point of contact of the false wheel when it is rotated in static state.
3.2.3. Study of the Position of the Center of Relative Motion of the Contact Patch
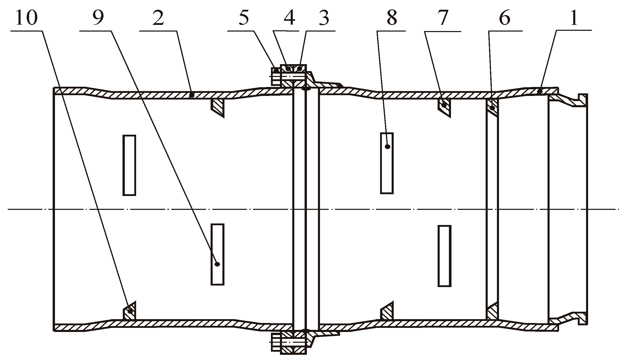
Experimental studies of the position of the center of relative motion of the contact patch were carried out on a bench (see Section 6, item 2) with a special rim, which is shown in Figure 7. At the same time, the radius of the trajectory of the contact patch of the tire is determined by the trajectory of the center of relative motion.
Figure 7.
Special rim.
An analysis of Figure 7 shows that the special rim consists of two parts: the main rim 1 and the extension 2. The tire is installed on the main rim. The main rim 1 is a diskless wheel (size 440–533) for a wide-profile tire size 1300 × 530–533 mod. BI–3 with flange 3 welded to the inner landing ring. Extension 2 consists of the base of the rim of a diskless wheel (size 440–533) and flange 4 welded to it. Flanges 3 and 4 are connected to each other with bolts 5. On the main rim and the extension, in addition to the solid landing cone 6, which provides a knuckle length value of 0.225 m when the wheel is installed on the bench, four rows of three evenly spaced landing cones 7, 8, 9, and 10 are additionally welded. These cones facilitate the installation of the steered wheel on the bench to discretely change the knuckle length by values of 0.295, 0.365, 0.68, and 0.82 m, respectively. At the same time, installing the wheel only with the main rim provides a length of 0.225, 0.295, and 0.365 m, and the installation of the main rim with an extension allows the knuckle length values to be increased to 0.68 and 0.82 m.
The bench (see Section 6, item 2) includes a strain gauge complex, which consists of measuring equipment and a set of sensors for measuring the steer angle and the spin angle of the wheel about the knuckle axis. Experimentally determined tire contact patch dimensions and values of static wheel radii are given in Table 3.
Table 3.
Static radius and dimensions of the contact patch with a tire size 1300 × 530–533, model BI–3.
The radius of the trajectory of the tire contact patch is determined by the relative motion center trajectory. Knowing the angles of rotation of the wheel about the kingpin axis and the knuckle axis and the radius of its rolling, we determine the trajectory radius of the relative motion center according to the following expression:
where Rt is the trajectory radius of the relative motion center, m; and θw and θ are the experimental values of wheel rotation angles, respectively, about the knuckle axis and the kingpin axis, rad.
The amount of displacement of the center of relative motion of the contact patch is determined by dependence (41).
The dependencies of the displacement of the relative motion center of the tire contact relative to its geometric center Δt and the edge of the contact patch (b/2) − Δt on the knuckle length (Figure 8). The experimentally obtained values of Δt and (b/2) − Δt are well approximated by polynomial functions of the third and fourth order, respectively. The processing of these data by means of MS Excel gave the following regression equations:
Δt = f(lk) = 0.1722 lk3 − 0.524 lk2 + 0.5178 lk + 0.0001, R2 = 0.9982
b/2 − Δt = f(lk) = 0.3819 lk4 − 0.8172 lk3 + 0.8636 lk2 − 0.5719lk + 0.1671, R2 = 0.9983
Figure 8.
Dependencies Δt = f(lk) and (b/2) − Δt = f(lk) when steering a wheel with a 1300 × 530–533 tire at pt = 0.4 MPa, αk = 9.50 deg, βk = 0 deg, γk0 = −0.5 deg, and Gw = 27,250 N.
From an analysis of Figure 8, it can be seen that with an increase in the knuckle length, the relative movement center of the contact patch shifts to the its edge. When the knuckle length lk = 0.82 m, it moves to the edge of the contact.
From the analysis given regarding the kinematics of an elastic wheel when steering in static state, the following holds:
- The locked steered wheel when steering in static state moves as a complex mechanism with a knuckle, and the contact patch of the tire rotates about kingpin axis–support surface intersection point.
- An unlocked steered wheel when steering in static state is not a complex mechanism with a knuckle, and the contact patch of the tire participates in transport and relative motions. The center of the transport motion of the contact patch is the projection onto the support surface of the center of rotation of the wheel. The trajectory of the transport motion of the contact patch points is determined by the trajectory of the relative motion center of the tire contact patch, which is within the contact patch, and its position for a specific tire can only be determined experimentally. As the length of the knuckle increases, the center of relative motion shifts to the edge of the contact patch. Analytical dependencies were obtained for determining the radius of the trajectory of the contact point of a rigid false wheel when it is rotated in static state.
- The phenomena that form the characteristics of the movement of a steered elastic wheel when moving along a curved trajectory and steering in static state are identical. Both when steering in static state and during movement, the tire contact patch participates in transport and relative motions. The difference is only in the size of the radius of the movement trajectory. When steering in static state, the radius is determined by the knuckle length, and when moving, by the base of the car and the steer angle.
3.2.4. Experimental Studies of the Tire Steering Resistance Torque of an Unlocked Steered Wheel in Static State
To analyze the nature of the change in the static tire steering resistance torque Mφ, its calculations were carried out depending on the following: knuckle length lk in the range from 0 to 0.820 m at rt = 0.4 MPa, taking into account the constant load on the steered wheel Gw = 27,250 N; contact patch dimensions a = 0.225 m and b = 0.334 m; experimentally obtained values of displacement Δt; and at the angular stiffness of the tire Cθ = 276 N·m/deg for the tire size 1300 × 530–533, model BI–3.
The results of the calculations of the static tire steering resistance torque Mφ and the tire body twisting angle when the knuckle length lk changes from 0 to 0.82 m are given in Table 4.
Table 4.
Results of calculations of the static tire steering resistance torque Mφ when changing the knuckle length lk in the range from 0 to 0.82 m at pt = 0.4 MPa, a = 0.225 m, b = 0.334 m, αk = 9.5 deg, βk = 0 deg, and θ = 20 deg.
Depending on the calculated values of the angle θt, the static tire steering resistance torque Mφ was calculated as follows: when the knuckle length is 0–0.365 m, according to dependence (45); when the knuckle length is 0.68 and 0.82 m, according to Expression (48).
Figure 9 shows the dependence of the tire twisting angle θt depending on the knuckle length when steering in static state at steer angle θ = 20 deg. These data are approximated by means of MS Excel with a polynomial function of the third order:
θt = −108.49lk3 + 236.79lk2 − 180.76lk + 53.945, R2 = 0.9989
Figure 9.
Dependencies of the angle of twisting of the tire θt on the knuckle length on the support surface with the friction coefficient φ = 0.7.
Figure 10 shows the graph of dependence Mφ = f(lk) when steering in static state at a steer angle θ = 20 deg, calculated according to Expressions (45) and (48) (solid line) and to experimentally obtained values of this torque (red dots).
Figure 10.
Dependencies of the torque Mφ on the knuckle length on the support surface with the friction coefficient φ = 0.7.
From an analysis of Figure 9 and Figure 10, it can be seen that when the knuckle length changes from 0 to 0.362 m, the twisting angle decreases to 13.95 deg, and the static tire steering resistance torque is determined by Expression (45). If the knuckle has dimensions of 0.68 m and 0.82 m, then the static tire steering resistance torque is calculated according to Expression (48).
An increase in the knuckle length from 0 to 0.362 m led simultaneously to a decrease in the twisting angle of the tire to 13.95 deg and an increase in the displacement Δt from 0 to 0.122 m. The increase in the torque Mφmax is explained by an increase in the displacement of the tire contact patch relative motion center. In this range of changes in the knuckle length, there are sliding zones in the tire contact patch.
As the knuckle length increases from 0.68 to 0.82 m, the twisting angle of the tire body decreases from 6.46 to 5.1 deg. In this case, there are adhesion and sliding zones in the tire contact patch. When the knuckle length increases, the area of the sliding zones decreases, the adhesion zones increase, which leads to a decrease in the torque Mφ.
From the analysis of the conducted studies, it follows that when steering in static state, the tire contact patch participates in the transport and relative motions. The transport motion center is the projection onto the support surface of the center of rotation of the wheel, and the dependencies for determining the position of this center are obtained. The center of relative motion is determined experimentally, and its position is within the tire contact patch. When the knuckle length increases, the center of relative motion shifts to the edge of the contact patch of the tire. At the same time, the static tire steering resistance torque depends on the value of the tire twisting angle and the position of the relative motion center. Dependencies for determining the static tire steering resistance torque on the knuckle length are given and their reliability is determined by experimental data. The error between the calculated and experimental values of the tire steering resistance torque does not exceed 4% (Figure 10).
4. Discussion
Determining parameters that form the value of the tire steering resistance torque are the characteristics of the steered wheel (load, dimensions of the tire contact patch, angular stiffness of the tire relative to the vertical axis, wheel radius, inertia torque about the kingpin axis), design parameters of the kingpin unit (knuckle length, angle of longitudinal and lateral inclination of the kingpin, wheel camber angle in the position of straight-line movement), kinematic parameters of the steered wheel (steer angle, angular speed relative to the kingpin axis, speed of movement), and characteristics of the support surface (friction and rolling resistance coefficient).
The tire steering resistance torque is a component of the wheel steering resistance torque both during the vehicle movement and when steering in static state. When steering in static state, the wheel steering resistance torque about the kingpin axis consists of the tire steering resistance torque, the weight-aligning torque, the friction torque in the bearings of the kingpin unit, and the inertia torque. When turning the steered wheel in static state on the asphalt concrete surface, the tire steering resistance torque is 75–90% of the wheel steering resistance torque, the weight-aligning torque together with the friction torque in the kingpin unit is 10–25%, and the inertia torque practically goes to zero. At the same time, the weight-aligning torque in the presence of lateral and longitudinal inclinations of the kingpin is determined by Expression (2).
It was determined that the value of the tire steering resistance torque when steering in static state will depend on the state of the steered wheel. If the steered wheel is locked, then when steering in static state, it moves as a complex mechanism with the knuckle, and the tire contact patch rotates relative to the point where the kingpin axis intersects the support surface. In this case, the maximum tire steering resistance torque is determined by Expression (24). At the same time, the unlocked steered wheel is not a complex mechanism with a knuckle, and when steering in static state, the tire contact patch participates in transport and relative motions. The center of transport motion of the tire contact patch is the projection onto the support surface of the wheel rotation center, and the center of relative motion of the tire contact patch is within the contact patch and its position depends on the knuckle length. When the knuckle length increases, this center shifts to the edge of the contact patch. For any wheel, its position can only be determined experimentally. The maximum tire steering resistance torque for this case is determined by Expression (45).
It was established that the phenomena accompanying the turning of an unlocked steered wheel in static state and during movement along a curved trajectory are identical. Both when steering in static state and when moving along a curved trajectory, the tire contact patch participates simultaneously in transport and relative motions. The difference is only in the radius of the movement trajectory, the value of which when steering in static state is determined by the knuckle length, and by the base of the vehicle and the steer angle when moving.
It was determined that the value of the tire steering resistance torque is a function of the twist angle of the hard disk relative tire contact patch. When steering in static state, the tire twist angle is determined by Expression (42), and the tire steering resistance torque depending on the value of the twist angle is determined by Expressions (45), (48) and (49). Unlike steering in static state during movement, the tire contact patch is constantly updated, and the value of the tire twist angle is directly proportional to the longitudinal axis of the tire contact and to the angular speed of rotation of the steered wheel about the kingpin axis, and it is inversely proportional to the speed of movement. The given dependence (52) allows the value of this twist angle during movement to be determined. Since the tire twist angle does not exceed 5 deg during movement, during movement, the tire steering resistance torque is determined by Expression (53).
The maximum tire steering resistance torque, which occurs when the steered wheel turns in static state on an asphalt concrete surface, is necessary for calculating the parameters of the truck power steering.
The proposed method can be used to calculate the steering system parameters when designing vehicles in which the steered wheel is unlocked; i.e., when steering in static state, it spins about the wheel spin axis (rolls along the support surface). A separate example of the application of this method is the calculation of the parameters of a steering power. This method can be extended to vehicles for which the possibility of changing the knuckle length during their operation is assumed.
5. Conclusions
The following conclusions emerge from the analyses performed in this research.
- The phenomena associated with the kinematics and dynamics of a steered elastic wheel when moving along a curved trajectory and steering in static state are identical. Both when steering in static state and during movement, the tire contact patch participates in transport and relative motions. The difference is only in the value of the radius of the movement trajectory. When steering in static state, the radius depends on the knuckle length, and when moving, it depends on the base of the vehicle and the steer angle.
- The locked steered wheel, when steering in static state, moves as a complex mechanism with the knuckle, and the tire contact patch rotates about the point where the kingpin axis intersects the support surface.
- An unlocked steered wheel when steering in static state is not a complex mechanism with a knuckle, and the tire contact patch participates in the transport and relative motions. The transport motion center of the contact patch is the projection onto the support surface of the center of rotation of the wheel. The trajectory of the relative motion of the tire contact patch is determined by the trajectory of the relative motion center. Its position for a specific tire can only be determined experimentally. As the knuckle length increases, the center of relative motion shifts to the edge of the contact patch.
- The tire steering resistance torque both when steering in static state and during movement depends on the tire twisting angle. When steering in static state, this angle depends on the magnitude of the steer angle, and during movement, it is directly proportional to the angular speed of rotation of the steering wheel by the driver and to the tire contact patch longitudinal axis, and inversely proportional to the speed of the wheel. During movement, this angle of twisting of the tire does not exceed 5 deg, even under extreme conditions of vehicle movement, and therefore, the tire steering resistance torque never reaches the limit value in terms of adhesion.
- The limiting steering resistance torque of truck tire occurs when it is steered in static state on dry asphalt concrete at an angle greater than 13 deg, and its value depends on the friction coefficient of the tire to the support surface, the load on the wheel, the shape and size of the tire contact patch, and the position of the center of relative motion of the tire contact patch. Dependencies are given to determine this torque.
- The tire steering resistance torque during movement is directly proportional to the tire contact patch longitudinal axis, the tire angular stiffness relative to the vertical axis, and the angular speed of rotation of the steered wheel about kingpin axis by the driver, and it is inversely proportional to the speed of the wheel.
- When steering in static state on dry asphalt concrete, the tire steering resistance torque reaches its maximum value and is up to 90% of the maximum wheel steering resistance torque, the value of which is calculated by the parameters of the truck power steering.
- In the experimental part, the developed bench made it possible to determine the position of the rotation centers of the tire contact patch of the locked and unlocked wheel. During the experiment, it was also possible to confirm on the bench the reliability of the obtained dependencies for determining the radius of the trajectory of the rigid false wheel contact point with the support surface and the tire steering resistance torque of the unlocked steered wheel when the knuckle length changes in the range of 0.22–0.82. The error between the calculated and experimental values of the tire steering resistance torque does not exceed 4%.
6. Patents
- Soltus, A.P.; Klimov, E.S. Experimental bench for determining the displacement of the center of relative rotation of the impression of a pneumatic tire of a steered wheel: pat. 70671 Ukraine: G01L5/13; No. u 2011 13111; statement 07.11.2011; published 26.06.2012, Bul. No. 12, 6p.
- Soltus, A.P.; Klimov, E.S. Experimental bench for researching the operation of a steered wheel with a pneumatic tire: pat. 59873 Ukraine: G01L5/13; No. u 2010 08105; statement 06/29/2010; published 10.06.2011, Bull. No. 11, 4p.
Author Contributions
Conceptualization, A.S. and E.K.; methodology, A.S., M.S. and V.M.; software, M.S., E.K. and N.K.; validation, E.K. and N.K.; formal analysis, A.S., E.K. and N.K.; investigation, A.S. and E.K.; resources, V.M. and E.K.; data curation, A.S. and L.T.; writing—original draft preparation, A.S. and E.K.; writing—review and editing, N.K., L.T. and R.M.; visualization, E.K., L.T. and R.M.; supervision, V.M. and M.S.; project administration, M.S. and A.S. All authors have read and agreed to the published version of the manuscript.
Funding
This research received no external funding.
Institutional Review Board Statement
Not applicable.
Informed Consent Statement
Not applicable.
Data Availability Statement
The original contributions presented in the study are included in the article, further inquiries can be directed to the corresponding author.
Conflicts of Interest
The authors declare no conflicts of interest.
References
- Soltus, A.P. Teorija Ekspluatacijnyh Vlastyvostej Avtomobilja (Theory of Operational Properties of the Vehicle); Aristej: Kyiv, Ukraine, 2010; p. 155. (In Ukrainian) [Google Scholar]
- Litvinov, A.S. Teorija Krivolinejnogo Dvizhenija Kolesnyh Mashin: Problemy Povyshenija Prohodimosti Kolesnyh Mashin (Theory of Curvilinear Motion of Wheeled Vehicles: The Problem of Increasing the Permeability of Wheeled Vehicles—A Collection); izd.AN SSSR: Moscow, Russia, 1959; 135p. (In Russian) [Google Scholar]
- Mateichyk, V.; Soltus, A.; Klimov, E.; Kostian, N.; Smieszek, M.; Kovbasenko, S. Regularities of Changes in the Motion Resistance of Wheeled Vehicles along a Curvilinear Trajectory. Machines 2023, 11, 570. [Google Scholar] [CrossRef]
- Pacejka, H.B. Chapter 6—Theory of the wheel shimmy phenomenon. In Tyre and Vehicle Dynamics, 2nd ed.; Pacejka, H.B., Ed.; Butterworth-Heinemann Elsevier Ltd.: Oxford, UK, 2006; pp. 295–338. [Google Scholar] [CrossRef]
- Mamaev, A.N.; Balabina, T.A.; Odinokova, I.V.; Gaevskiy, V.V. Interaction mechanics of the wheel with the drum. In Proceedings of the International Conference on Innovations in Automotive and Aerospace Engineering, IOP Conference Series: Materials Science and Engineering, Irkutsk National Research Technical University, Irkutsk, Russia, 27 May–1 June 2019; Volume 632, p. 12083. [Google Scholar] [CrossRef]
- Balabina, T.A.; Simonov, D.S.; Rogov, V.R.; Mamaev, A.N.; Vorontsov, A.S. Determination of Power and Kinematic Wheel Parameters when Rolling Against a Drum. In Proceedings of the International Conference on Digital Solutions for Automotive Industry, Roadway Maintenance and Traffic Control (DS ART 2019), IOP Conference Series: Materials Science and Engineering, Cholpon-Ata, Kyrgyzstan, 1 November 2019; Volume 832, p. 12077. [Google Scholar] [CrossRef]
- Karelina, M.Y.; Balabina, T.A.; Cherepnina, T.Y.; Mamaev, A.N.; Vorontsov, A.S. Influence of Tire Tread Convexity on its Rolling with a Slip. In Proceedings of the International Conference on Digital Solutions for Automotive Industry, Roadway Maintenance and Traffic Control (DS ART 2019), IOP Conference Series: Materials Science and Engineering, Cholpon-Ata, Kyrgyzstan, 1 November 2019; Volume 832, p. 12078. [Google Scholar] [CrossRef]
- Kim, S.; Kondo, K.; Akasaka, T. Contact Pressure Distribution of Radial Tire in Motion with Camber Angle. Tire Sci. Technol. 2000, 28, 2–32. [Google Scholar] [CrossRef]
- Gillespie, T.D. Fundamentals of Vehicle Dynamics; SAE International: Warrendale, PA, USA, 1992; p. 526. [Google Scholar]
- Ilarionov, V.A.; Morin, M.M.; Serheev, N.M.; Farobin, Y.E.; Shupliakov, V.S. Theory and Construction of a Car: A Textbook for Motor Transport Technical Schools; Mashinostroenie: Moscow, Russia, 1985; 368p. [Google Scholar]
- Schmitt, P. Prediction of Static Steering Torque During Brake-Applied Parking Maneuvers. In Proceedings of the 2003 International Truck & Bus Meeting & Exhibition, Fort Worth, TX, USA, 10–12 November 2003. [Google Scholar] [CrossRef]
- Wang, Y.; Feng, P.; Pang, W.; Zhou, M. Pivot steering resistance torque based on tire torsion deformation. J. Terramech. 2014, 52, 47–55. [Google Scholar] [CrossRef]
- Ma, B.; Yang, Y.Y.; Liu, Y.H.; Ji, X.; Zheng, H. Analysis of vehicle static steering torque based on tire-road contact patch sliding model and variable transmission ratio. Adv. Mech. Eng. 2016, 8, 1687814016668765. [Google Scholar] [CrossRef]
- Volkov, V.P.; Vilskyi, H.B. Teoriia Rukhu Avtomobilia (Car Motion Theory); VTD “Universytetska knyha”: Sumy, Ukraine, 2021; p. 320. (In Ukrainian) [Google Scholar]
- Sharp, R.S.; Granger, R. On car steering torques at parking speeds. Proc. Inst. Mech. Eng. Part D J. Automob. Eng. 2003, 217, 87–96. [Google Scholar] [CrossRef]
- Cao, D.; Tang, B.; Jiang, H.; Yin, C.; Zhang, D.; Huang, Y. Study on Low-Speed Steering Resistance Torque of Vehicles Considering Friction Between Tire and Pavement. Appl. Sci. 2019, 9, 1015. [Google Scholar] [CrossRef]
- Suqiao, L.; Shi, Q.; Du, L. Analysis and experiment of resistant moment of wheeled tractor at kingpin turn. Trans. Chin. Soc. Agric. Eng. 1990, 3, 1–9. [Google Scholar]
- Knoroz, V.Y.; Klennykov, E.V.; Shelukhyn, A.S.; Yurev, Y.M. Work of the Automobile Tire; Transport: Moscow, Russia, 1976; p. 238. [Google Scholar]
- Pacejka, H. The Wheel Shimmy Phenomenon, a Theoretical and Experimental Investigation with Particular Reference to the Non-Linear Problem; VRB Kleine: Groningen, The Netherlands, 1966. [Google Scholar]
Disclaimer/Publisher’s Note: The statements, opinions and data contained in all publications are solely those of the individual author(s) and contributor(s) and not of MDPI and/or the editor(s). MDPI and/or the editor(s) disclaim responsibility for any injury to people or property resulting from any ideas, methods, instructions or products referred to in the content. |
© 2024 by the authors. Licensee MDPI, Basel, Switzerland. This article is an open access article distributed under the terms and conditions of the Creative Commons Attribution (CC BY) license (https://creativecommons.org/licenses/by/4.0/).









