Abstract
Coal gasification is recognized as the core technology of clean coal utilization that exhibits significant advantages in hydrogen-rich syngas production and CO2 emission reduction. This review briefly discusses the recent research progress on various coal gasification techniques, including conventional coal gasification (fixed bed, fluidized bed, and entrained bed gasification) and relatively new coal gasification (supercritical water gasification, plasma gasification, chemical-looping gasification, and decoupling gasification) in terms of their gasifiers, process parameters (such as coal type, temperature, pressure, gasification agents, catalysts, etc.), advantages, and challenges. The capacity and potential of hydrogen production through different coal gasification technologies are also systematically analyzed. In this regard, the decoupling gasification technology based on pyrolysis, coal char–CO2 gasification, and CO shift reaction shows remarkable features in improving comprehensive utilization of coal, low-energy capture and conversion of CO2, as well as efficient hydrogen production. As the key unit of decoupling gasification, this work also reviews recent research advances (2019–2023) in coal char–CO2 gasification, the influence of different factors such as coal type, gasification agent composition, temperature, pressure, particle size, and catalyst on the char–CO2 gasification performance are studied, and its reaction kinetics are also outlined. This review serves as guidance for further excavating the potential of gasification technology in promoting clean fuel production and mitigating greenhouse gas emissions.
1. Introduction
According to the report from the “2022 BP World Energy Statistics Yearbook” [1], the global coal consumption in 2021 reached 160.1 EJ, accounting for 26.9% of the world’s total energy consumption, and coal is thus still one of the most important fossil fuels for many countries, especially China and India. Being a type of high-carbon energy carrier, the conversion and utilization of coal also cause a series of environmental concerns; for instance, the greenhouse gas emissions, dominated by CO2, exacerbate global warming [2,3,4,5,6,7]. According to IEA’s “World Energy Review: CO2 Emissions in 2021” [8], CO2 emissions created a new record of 36.3 Gt in 2021, among which 15.3 Gt was generated by coal combustion, accounting for more than 40% of global total CO2 emissions. Coal will remain in a significant position in the energy structure for the foreseeable future [9]. Hence, urgent efforts are required to develop various techniques for the clean utilization of coal that can produce clean fuel energy and mitigate CO2 emissions [10,11].
Coal combustion in a coal-fired power plant is one of the main routes for coal utilization [12]. Generally, after combustion, the concentration of CO2 in the flue gas is lower than 15% [13], together with other gaseous species, such as N2 and SO2, resulting in a high cost to capture CO2 for further sequestration [14,15,16]. Additionally, direct coal combustion usually leads to largely irreversible energy loss due to the huge grade difference in thermodynamics between the thermal energy grade of coal combustion and the initial temperature of the steam Rankine thermal cycle, and the power generation efficiency in a coal-fired power plant is ordinarily lower than 40%. Therefore, thermal coal conversion in the form of direct combustion may not be an ideal way to realize the clean and efficient utilization of coal [17].
Coal gasification is recognized as an effective process for clean and efficient generation of electricity, energy, and chemicals with low greenhouse gas emissions, where coal is converted into synthetic gas employing water, air, or oxygen as gasifying agents [18,19,20,21]. The synthetic gas is mainly composed of CO, H2, CH4, etc., among which hydrogen has attracted a lot of attention owing to its unique features in terms of zero-carbon energy carrier status, high specific energy density, excellent physiochemical properties, and so on. As the core technology of clean coal utilization, coal gasification exhibits significant advantages in electric power generation, hydrogen-rich syngas production, and CO2 emission reduction. On the one hand, the synthetic gas obtained from coal gasification can suitably be applied in the combined cycle technology (IGCC) to produce electricity more efficiently, with the theoretical power generation efficiency exceeding 45% [22], which enhances the comprehensive utilization efficiency of coal. On the other hand, CO2 and H2 can be enriched in the product gas through the steam shift reaction of synthetic gas, which is conducive to CO2 capture with low energy demand and high-quality hydrogen production.
Currently, there are various gasification technologies, which can generally be divided into conventional and relatively new gasification technologies according to their development history [18]. Conventional gasification, e.g., fixed bed, fluidized bed, and entrained flow bed technologies, are technically mature, and they have achieved large-scale industrial applications [18,23]. To further improve energy conversion efficiency, obtain hydrogen-rich syngas, and reduce CO2 emissions, a series of relatively new gasification technologies have been investigated, including supercritical water gasification, plasma gasification, chemical-looping gasification, and decoupling gasification [13,24,25,26,27,28,29,30,31]. Underground coal gasification is also viewed as a promising new technology for efficient conversion and utilization of coal [32,33,34]. It is worth emphasizing that most gasification technologies frequently employ steam as a gasifying agent to produce hydrogen-rich syngas, while recycling CO2 as a gasifying agent is the most desirable approach to realize resource utilization (CO2) and mitigate carbon emissions simultaneously. Therefore, the gasification of coal or coal char with CO2 as the gasifying agent has attracted much more attention [35,36,37], providing a promising technical route for realizing the efficient, clean, and low-carbon utilization of coal.
The aim of this work was to briefly discuss the recent research progress on various coal gasification techniques, including conventional and relatively new gasification in terms of their gasifier, process parameters (coal type, temperature, pressure, gasification agents, catalysts, etc.), advantages, challenges, and future opportunities. In addition, the capacity and potential of hydrogen production through different coal gasification technologies were systematically analyzed and evaluated. As the key unit of decoupling gasification, this work also reviews recent research advances in coal char–CO2 gasification, the influence of different factors such as coal type, gasification agent composition, temperature, pressure, particle size, and catalyst on the char–CO2 gasification performance are discussed, and its reaction kinetics are also outlined. In this regard, it is expected that this particular review will provide some help and guidance to researchers, scientists, technologists, experts, and policy makers for further excavating the potential of coal gasification technology to promote clean fuel production and mitigate greenhouse gas emissions.
2. Conventional Coal Gasification Technologies
Conventional coal gasification appears to be a significant process of converting coal into product gas, including H2, CO, CH4, H2S, and other gases under high temperatures by using H2O, air, or O2 as the gasifying agents [38]. The produced gas is then sent to a heat exchanger and passed through gas-purification units. Subsequently, the purified gas is separated to obtain the desired gas, such as H2, CO, and CH4. The H2-rich syngas can be widely used for clean and effective production of electricity, fuel, or other high-value-added chemicals, such as methanol, dimethyl ether, wax, etc. [39]. In this gasification process, various types of coal from the low rank to high rank [40] are usually used as feedstock, and the gasifiers [18] can be divided into three main categories, fixed bed, fluidized bed, and entrained bed gasifier [41], as schematically illustrated in Figure 1.
Figure 1.
Gasifier types: (a) Fixed bed (updraft gasifier); (b) circulating fluidized bed; (c) entrained bed.
- (1)
- Fixed bed gasification
A fixed bed gasifier is generally designed as a vertical reactor, which is further classified into two distinct reactor structures, namely updraft [41] and downdraft gasifier [42]. In the updraft reactor (Figure 1a), the coal is fed from the top and moved down to the bottom, while the gasifying agent is sent to the internal space from underneath the reactor in a countercurrent flow manner. The produced gas is then exhausted though the upper part of the system, and the ash is discharged from the bottom [19]. The whole gasification stage consists of four steps, i.e., drying, retorting, reduction, and oxidation. This kind of gasification is more suitable for producing tar with a high yield. Unlike the updraft gasifier, the downdraft gasifier was developed to allow the coal to enter from the top of the reactor, while the gasifying agent is sent to the middle part of the reactor in a concurrent flow manner with the feed. The produced gas is exhausted from the bottom of the reactor [43]. The whole gasification includes similar procedures of drying, retorting, oxidation, and reduction. The advantage of this gasifier lies in high carbon conversion rate, clean product gas, and low tar yield [44], being attributed to the thermal cracking of large tar molecules when they are spread across the high-temperature zones in the lower part of the reactor.
Representative commercial fixed bed gasifiers include the UGI gasifier and Lurgi gasifier. The fixed bed gasification process is generally carried out at high temperatures (1000~1100 °C), and coal with a uniform particle size of 5 cm is proven to be effective and suitable for both updraft and downdraft gasifiers [41]. However, both gasifiers exhibit weaknesses of low feeding rates and limited specific feedstock particle size [44].
- (2)
- Fluidized bed gasification
The fluidized bed gasifier is one of the most commonly used reactor structures, which have a variety of designs. It can be classified into bubbling bed, spouted bed, circulating bed, dual bed, etc. [45]. The representative technologies include Ende, U-Gas, High-Temperature Winkler (HTW), as well as Kellogg Rust Westinghouse (KRW) [46]. Among them, both bubbling and circulating beds are frequently commercialized. Generally, these reactors show certain similarities (Figure 1b); more specifically, the coal is fed into the chamber from one side of the system, then mixed with the bed medium immediately and heated to the target temperature in a short period of time, while the gasifying agent is supplied into the bed from the underside of the reactor. The coal in the reactor is quickly pyrolyzed to produce gases that are taken out from the top of the reactor, and the obtained ash is discharged from the bottom [47]. In fluidized bed gasification, the coal is loaded only when the desired temperature is reached and the solid material particles experience stable fluidization only if the thrust force of the gases matches the weight of the coal particles. The fluidized bed is generally operated at a reaction temperature of 800~1000 °C, which is lower than that of the fixed bed gasification process. Feedstock with a uniform particle size of about 0.6 mm is generally adopted for the fluidized bed gasifier, as this particle size facilitates rapid mass and heat transfer as well as uniform temperature [48].
- (3)
- Entrained flow bed gasification
The entrained flow bed injects the feedstock and gasifying agent simultaneously into the chamber from the top of the reactor [49,50], during which the coal is sent into the furnace by a special nozzle (Figure 1c). The extensive gas product is taken out from the middle part of the rector, and a low amount of ash is discharged from the bottom [51]. The entrained gasification is generally carried out at high temperatures (1200~1700 °C), resulting in the high carbon conversion of coal. Very small particles of approximately 0.015 cm are usually used, and the residence time of the particles is very short. The representative entrained flow gasification technologies mainly include Texaco, Shell, Siemens, etc. [50,52]. The advantage is the capability of producing hydrogen-rich synthesis gas and a small amount of solid residue, owing to the relatively high temperature. However, removing a great deal of dust from the produced syngas leads to significant irreversible losses [53].
- (4)
- Hydrogen syngas production of conventional coal gasification
Numerous studies on hydrogen-rich syngas production by conventional coal gasification have been reported. Matamba et al. [18] reviewed the relevant research progress on hydrogen-rich gas formation through the gasification process, where the effects of temperature, pressure, coal type, gasifiers, catalyst, gasification agents, and synergy of the gasification variables on the yield of hydrogen were systematically outlined and analyzed. All these parameters were proved to positively influence hydrogen generation under optimal operating conditions. The presence of catalysts was confirmed to enrich hydrogen in the product gas. In addition, the co-gasification of biomass and coal towards hydrogen-rich syngas production was also reviewed and evaluated in this work. Adnan and co-works [40] discussed hydrogen production through coal gasification, they have shown that the percentage of hydrogen generated by the fixed bed gasification at temperatures of 500–1000 °C is 2.97–67% while CO and CO2 yields are 2–23.9% and 4.41–33.7%, respectively. For the fluidized bed gasification, the percentage of hydrogen at temperatures ranging from 700 to 1400 °C is 4.5–59%, and the concentrations of CO and CO2 are 2–43% and 4.2–45.1%, respectively. Instead, for an entrained flow bed gasification at a high reaction temperature (827 and 2249 °C), the hydrogen content ranges from 1% to 32.5%, and those of CO and CO2 are 5–65.1% and 0.8–80%, respectively. By surveying the studies in the last five years, the results of hydrogen production from conventional coal gasification are listed in Table 1.
Table 1.
Typical contrasting results for hydrogen production from coal gasification [40].
Conventional coal gasification is technically mature, and a large-scale industrial application has been achieved for producing hydrogen-rich syngas, high-value-added chemical products, electricity, and other clean fuels. Coal gasification will move towards technologies with higher efficiency, lower environmental impact, larger scale, wider applicability of coal types, and lower manufacturing cost. The primary challenges of coal gasification technology are listed as follows [18,40,60]: (1) further improving the coal gasification efficiency to achieve more efficient and cleaner conversion of coal; (2) design and upgrade of super-large gasifiers; (3) control and treatment of pollutants, such as SOx, NOx, COx; (4) utilization of solid residue, etc.
3. Relatively New Coal Gasification Technologies
The development of advanced coal gasification technologies has attracted increasing attention in recent years [61,62,63,64,65,66,67] to efficiently and fully use the coal resource by considering its complex characteristics consisting of various components in different contents. Several new coal gasification techniques, mainly including the supercritical water gasification, plasma gasification, chemical-looping gasification, and decoupling gasification, have been preferred in practice owing to efficiently comprehensive coal utilization rate, reduced environmental effect, or increased efficiency for hydrogen-rich gas production [68]. In this section, these gasification technologies are examined in terms of coal type, operating parameters (temperature, pressure, gasification agents, etc.), catalysts, hydrogen-rich syngas, CO2 emission reduction, advantages, disadvantages, and so on, based on the studies conducted in recent years.
3.1. Supercritical Water Gasification
Supercritical water gasification (SCWG) is regarded as a promising, clean, and efficient coal conversion technology that could convert coal into H2 and CO in a supercritical water environment without forming NOx and SOx [69]. SCWG uses supercritical water as a gasification agent to provide a homogenous and rapid reaction medium for clean coal conversion, owing to the excellent physicochemical characteristics of supercritical water, such as low density, high diffusion effect, low dynamic viscosity, weak hydrogen bonding, etc. [70], as shown in Figure 2. The technology is generally performed in various gasification reactors at temperatures of 500~850 °C and high pressures of 24~29.7 MPa. The advantages and characteristics of SCWG can be summarized as follows [70,71]: (1) the gasification process can be conducted at lower temperatures compared with other gasification technologies (800~1600 °C); (2) elements in the coal containing sulfur, nitrogen, phosphorus, and alkali metal are deposited as inorganic salt in the supercritical water atmosphere, which can be easily purified, resulting in negligible releases of NOx and SOx; (3) supercritical water acting as the solvent, reactant, and catalyst can inhibit the formation of tar and coke, leading to a high carbon conversion efficiency; (4) hydrogen production efficiency of SCWG is high, which can be ascribed to the fact that water acting as a hydrogen donor together with the coal provides much more hydrogen; (5) CO2 emission is reduced.
Figure 2.
Special properties of supercritical water [70].
Considering the above unique characteristics, the progress on SCWG technologies has been summarized, whereof the operating parameters, catalyst, reaction mechanism, reaction kinetics, hydrogen production, etc., have been discussed, aiming to improve the gasification efficiency, reduce the pollutant discharge, enhance clean product yield, and provide a deep understanding of SCWG reaction features. In addition, the challenges and prospective of the SCWG of coal have also been analyzed.
Catalysts can improve the SCWG performance and accelerate the gasification reaction rate. Fan et al. [72] conducted experiments on the catalytic SCWG by using K2CO3 as a catalyst. It was observed that the presence of K2CO3 obviously promotes the development of mesopore structure. The pore volume together with a specific surface area can be increased by one to two orders of magnitude, i.e., up to 0.57 cm3∙g−1 and 600 m2∙g−1, respectively, which leads to a great influence on the mass and heat transfer between the surrounding fluid and coal char particles. Wang et al. [73] investigated the impact of artificially added and naturally existing alkali metals on the carbon microstructure during SCWG, and the existence of alkali metals was proven to generate a growth inhibition of graphite-like structures and enhance the strong chemisorption of H2O on carbon structures. Ge et al. [74] put forward a comprehensive SCWG mechanism by developing a novel reaction kinetic model based on K2CO3 as a catalyst (Figure 3). They concluded that the catalyst of K2CO3 breaks up the coal matrix through an oxidation–reduction reaction to produce abundant mesopores, accelerating the coal pyrolysis and steam reforming of carbon and promoting the steam reforming of CH4 at high temperatures to produce hydrogen. Fan et al. [75] studied the synergism of alkali and salt catalysts on SCWG via numerical simulations. They demonstrated that, with the addition of catalyst K2CO3, the H2 yield and carbon gasification efficiency (CE) from SCWG were increased to 51.3 mol/kg and 86.3% at 750 °C, which are much higher than those of blank SCWG (CE and H2 yield of 44.7% and 17.9 mol/kg). In addition, the CE at 750 °C with K2CO3 (82.9%) is even higher than that at 850 °C without K2CO3, indicating that the alkali salt catalyst has a significant effect on reducing the reaction temperature.
Figure 3.
A schematic diagram of catalytic SCWG mechanism of coal [74].
Ordinarily, temperature, residence time, coal types, coal/water ratio, and coal structure size can influence the SWCG reaction degree as well as the quality of gaseous products, and the gasification temperature is viewed as a determining factor [70]. Su et al. [76] also concluded that the carbon gasification efficiency is enhanced with the increase in reaction temperature under a residence time of 15 min, which can be up to nearly 100% at 850 °C, while less than 30% at 650 °C. Fan et al. [75] conducted a numerical simulation of lignite gasification in supercritical water fluidized bed, presenting that the reactor temperature has an obvious impact on the average residence time of particles, and it gradually decreases with the increase in the reactor temperature. This was mainly because the increased temperature affected the flow field in the reactor, which made the flow state in the reactor change from mixed convection to forced convection, so that the vortices were weakened and the irregular movement of particles was reduced. This is beneficial to decrease the average residence time of particles (Figure 4), implying that high temperature leads to a fast reaction rate in SCWG. Consequently, they proposed a strategy to control the residence time by adjusting the reactor length. The influence of reaction temperature on the H2 yield was investigated by Jin et al. [25], proving the crucial role of temperature in the production of hydrogen-rich syngas. When the reaction temperature rises from 470 to 550 °C, the molar fraction of H2 in the gas is enriched from 51% to 59% and the molar fraction of CO2 is reduced from 40% to 35%. Numerical work was conducted by Fan et al. [24] to investigate the gasification behavior of coal particles in supercritical water. They concluded that the increase in temperature is remarkably beneficial for hydrogen production and coal conversion.
Figure 4.
Temperature field distribution in the reactor and at the cross-section (Z = 3 cm) under different reactor temperatures [75].
In addition, decreasing the concentration of coal in supercritical water has been proved to positively influence hydrogen production [77]. Chen et al. [78] carried out a sensitivity analysis. It was found that the H2 yield is extremely sensitive to the feedstock concentration, and 80% of H2 production efficiency could be achieved in 75% coal slurry concentration by adjusting the reactant flow. Su et al. [76] further performed experiments to examine the intrinsic relationship between the coal concentration and the yield of various gases. They observed that the yields of CO2 and H2 are reduced from 17.61 and 26.05 mol/kg to 12.06 and 12.45 mol/kg when the coal concentration is increased from 5 to 15 wt%, respectively. Jin et al. [25] attained a similar conclusion, i.e., the mole fraction of H2 decreases from 58% to 23% when the concentration of coal slurry increases from 3 to 35 wt%.
Pore structure evolution offers a critical message regarding the mass and heat transfer in coal particles, which are significant for the SCWG reactor design. Jin et al. [79] conducted experimental research on the SCWG of semi-coke. It was indicated that pore volume and specific surface area increase, but the growth degree of the specific surface area exhibits an obvious downward trend as the reaction proceeds. The number of micropores with a pore size of approximately 1.8 nm in original coal increases apparently but remains nearly constant in size, whereas mesopores increase in both size and quantity.
Reaction mechanism and reaction kinetics are crucial for deeply understanding the SCWG behavior, optimizing the operating parameters, designing reactors, etc. Feng et al. [80] studied the effect of intermediate phenol on char inhibition and coal gasification. Under the optimal experimental parameters (1 wt% phenol and 750 °C), the H2 yield increased by 59%, and the CE improved from 65.18% to 99.36%. The results indicated that phenol can effectively suppress char formation and strengthen char reactivity. Feng et al. [81] firstly introduced a novel method based on the integration of reactive force field (ReaxFF) simulation and the representative coal model with different molecular structures to explore the regulation mechanism of organics (Figure 5a). They concluded that the key reaction process for promoting hydrogen production mainly originates from the degradation step of heavy components under the phenol regulatory effect (Figure 5b). Phenols display a positive effect on the H2 generation and H2 yield is increased by 59% in SCWG with the presence of phenols. Feng et al. [82] investigated the evolution behavior of three-phase products. They revealed that removing functional groups in coal particles results in the decline of char gasification reactivity, and the hydrogen bonds formed by water enforce the decomposition of coal structure. Additionally, CH4 and H2 are primarily generated by the polycondensation reactions and collision of free radicals. Effectively controlling the ring growth of polycyclic aromatic hydrocarbons and the solid fragment polycondensation is the primary strategy to inhibit the char formation.
Figure 5.
(a) Different molecular structures; (b) degradation mechanism of heavy components [81].
Additionally, Liu et al. [83] established a reaction kinetic model for the coal SCWG, containing C, H, O, N, and S. The model parameters were fitted to the experimental data of gasification products. The kinetic model enables the prediction of not only the generation of H2, CO2, CO, CH4, H2S, and NH3 under different reaction conditions, but also the products for different types of coal, which may provide theoretical guidance for targeted regulation of N and S elements in supercritical water. Chen et al. [77] employed the ReaxFF molecular dynamics (MD) to explore the whole SCWG process for one single coal particle. It was found that hydrogen generation mainly originates from two different stages of gasification. In the first stage, the pyrolysis reaction is the primary source for H2 generation, and the organic fragment oxidation process is improved by the OH radicals. In the second stage, the gasification reaction occupies a dominant position in H2 production, while the OH radicals inhibit the generation of H2 and H radicals.
The evaluations of hydrogen production from the SCWG of coal conducted in recent years are listed in Table 2. It can be observed that SCWG is generally performed at temperatures between 500 and 850 °C, being much lower than the temperatures of other conventional gasification of 800–1600 °C. Various types of coal are suitable feedstock for SCWG. The SCWG technology also positively promotes hydrogen-rich gas production with an average concentration of more than 50%, which verifies that the water acting as a hydrogen donor together with the coal provides much more hydrogen in the gaseous products. In addition, SCWG generates less CO2, ranging from 22 to 50%, compared with other conventional gasification with a CO2 emission of even over 50%.
Table 2.
The evaluation of hydrogen production from SCWG.
SCWG is an effective coal gasification technology that offers various advantages compared with other technologies in terms of higher H2 yield, higher gasification efficiency, and lower CO2, NOx, and SOx emissions. Currently, extensive studies have been conducted on the aspects of process parameter optimization, reactor design, catalyst development, reaction mechanism and kinetics, numerical simulation, as well as engineering scale-up, achieving great progress and achievements. As a promising and competitive technology, SCWG still suffers from a series of challenges described as follows [69,70,71]: (1) complete coal gasification is still difficult at relatively low reaction temperatures, easily resulting in reactor blockage. Design and development of a catalyst with high activity and long life are the keys to breaking through this issue; (2) equipment corrosion occurring at high temperatures and pressures is another unavoidable challenge. Selecting anti-corrosion reactor material, designing a special reactor resisting harsh conditions, and optimizing the operating conditions are feasible options for resisting equipment corrosion during a long operation time; (3) conversion mechanisms of S and N elements in SCWG are incompletely clear. It is desirable to clarify the relevant reaction route by the combination of simulations and experiments; (4) lacking engineering experience and data on a large scale of SCWG. Currently, the research focuses on batch and pilot scales, and many technical issues need to be solved, such as the design and scale-up of the new reactor, process integration and optimization of the entire system, economic and environmental analysis, and so on, which determine the commercialization prospects of coal SCWG technology.
3.2. Plasma Gasification
Plasma gasification is also viewed as a new gasification technology, where the coal reacts with gasification agents (H2O, O2, or CO2) to produce the gaseous product containing CO, H2, CH4, and other gases in an oxidizing arc plasma atmosphere. A plasma source aims to provide the heat required for endothermic gasification reactions [84]. The plasma mainly comprises reactive radicals, ions, and highly energetic electrons (Figure 6a). A representative schematic diagram of the plasma gasifier can be observed in Figure 6b. The coal plasma gasification generally operates at high temperatures (1200–1700 °C), which implies that a high coal conversion efficiency can be potentially achieved. The obtained products are primarily syngas and slag. According to the participation formation of plasma or the type of gasification agent, the plasma gasification technology can be classified into oxygen plasma gasification, steam plasma gasification, CO2 plasma gasification, and plasma torch-assisted gasification.
Figure 6.
(a) Configuration of plasma generation system. (b) Schematic diagram of plasma gasifier [85].
Plasma coal gasification exhibits several key advantages compared with other gasification technologies, which can be summarized as follows: (1) tar production can be greatly reduced, and carbon can be efficiently converted because of high gasification temperature; (2) the technology promotes the transformation of organic wastes into useful gas for producing clean fuels and thermal energy; (3) the waste metals can be recovered easily; (4) toxic residues, including slag, ash, etc., may be easily cracked into a glassy material; (5) the quality of the syngas is higher than those of other gasification systems; (6) it allows the production of hydrogen-rich syngas.
Given these significant advantages, plasma gasification is suitable for producing high-quality syngas from coal. In this section, the recently published research on the aspects of plasma generators, gasification agents, coal feeding rate, temperature, coal type, hydrogen production, etc., is reviewed. Additionally, the challenges and potentials of coal plasma gasification are also discussed.
Jain et al. [31] proposed a novel microwave plasma arc triggered by a gliding arc for coal gasification, where the plasma arc efficiently absorbs and reflects all the power with an energy efficiency of up to 100%, and the radiation is completely avoided through proper shielding of the quartz tube. Uhm et al. [86] developed a high-power steam plasma for the gasification process. The carbon conversion rate is almost 100%, and the cold gas efficiency is 84%. Zhao et al. [85] intensively studied the plasma-assisted ignition enhancement of pulverized lignite particles. The influences of temperatures and chemicals on the ignition delay time were revealed. Both chemical and thermal effects can reduce the ignition delay times on the order of 1 ms, with a full range of 2.6–3.5 ms. Sanlisoy et al. [87] explored the effect of plasma power on the microwave plasma gasification system. It was observed that enhancing the plasma power results in a significant impact on reducing the synthesis duration, increasing synthesis gas output, and raising the synthesis gas temperature. Ibrahimoglu et al. [88] investigated a downdraft plasma gasifier (Figure 7a) based on a 3D numerical simulation method, where the impacts of the equivalence ratio (equivalence ratio is a dimensionless number, operational ratio of air mass flow rate to coal flow rate to stoichiometric ratios of air to coal) on the syngas properties under the plasma reactions were analyzed, and temperature contours and composition of the syngas constituents were calculated (Figure 7b). The lower heating value of syngas was observed to decrease from 1536.6 to 751.8 kcal/m3 when the equivalence ratio increased from 0.20 to 0.45.
Figure 7.
(a) Downdraft gasifier model developed. (b) H2 distribution in a gasifier in different cases [88].
Additionally, Lelievre et al. [89] conducted an experimental study on the plasma-augmented sub-bituminous coal gasification process in CO2/O2 atmospheres. In this work, the influence of the gasification agent ratio (CO2/O2) was investigated and optimized, indicating that the highest synthesis gas grade can be obtained when the optimized CO2/O2 ratio is set to be 3:1. Messerle et al. [90] carried out numerical and experimental investigations with the gasification agents of steam and air, showing that the yield of synthesis gas from the coal steam gasification (96.4%) is significantly higher than that using air (55.8%). Coal steam gasification also creates a high hydrogen concentration of 60%, while that of air gasification is only 20%. Serov et al. [64] studied the gasification of high-humidity lignite in thermal steam plasma, where a steam-stabilized plasma torch was utilized as a high-enthalpy plasma source. It was presented that the amounts of H2 and CO are greater than 90%, and that of H2 is even higher than 80%. Sakhraji et al. [91] simulated plasma gasification using municipal solid waste as the feedstock by computational fluid dynamics. The simulation showed that the plasma greatly influences the quality of syngas, enhances reaction rates, increases the gasification temperature, and influences the gasification energy equilibrium.
The influences of coal feeding rate, temperature, and coal type on the performance of plasma-based coal gasification were also systematically studied. Lee et al. [92] investigated coal gasification for producing synthesis gas by employing non-transferred steam plasma equipment, where two types of coal were used (low grade and high grade). It was revealed that carbon conversion, cold gas efficiency, and hydrogen conversion decrease with the increase in the coal feeding rate, and the best performance is obtained under the lowest feeding rate for both kinds of coal. The high-grade coal displays a higher syngas yield in the produced gas than the low-grade coal. Uhm et al. [86] constructed a microwave high-power steam plasma gasifier for high-efficiency gasification of low-grade coal, in which extra heating of syngas was provided by partial oxidation, and thus the internal temperature in the gasifier could reach up to 1700 °C and the average chamber temperature was 1640 °C. The carbon conversion rate in this case is almost 100%, which ensures a complete gasification of the low-grade coal.
Table 3 presents an evaluation of operating parameters for hydrogen production based on coal plasma gasification. It was found that the gasification temperature varies between 1200 and 2500 °C, which is obviously higher than other conventional gasification temperatures (800–1600 °C). Steam, oxygen, or air is generally used as the gasifying agent. Various types of coal, from low to high grade, with high ash and/or high humidity, are suitable feedstock for plasma gasification. At present, plasma gasification is generally performed on a laboratory scale. The coal can be almost completely converted, owing to high operating temperature. The yield of synthesis gas is 30–96.4%, in which the amount of hydrogen is 9~57%, while the CO2 content is less than 18%. Therefore, plasma gasification is a promising, clean, and efficient coal conversion technology in promoting hydrogen production and mitigating CO2 emissions.
Table 3.
An evaluation of hydrogen production from plasma gasification.
Plasma gasification exhibits many obvious desirable features, such as tar yield reduction, efficient organic waste conversion, high-quality production of hydrogen-rich syngas, low CO2 emissions, etc. Although extensive and in-depth studies have been performed and significant progress has been achieved, many difficulties and challenges still remain, which may be summarized as follows [40,68,95]: (1) hot syngas generated by plasma gasification is essentially high-temperature thermal energy (above 1400 °C), which is usually cooled down by using heat exchangers. However, such a cooling strategy typically suffers from many engineering challenges depending on the temperature and material. Using the hot gas to realize power generation and desalination is a feasible way to solve this issue; (2) although using a catalyst may result in substantial improvement of plasma gasification performance, disagreements objectively exist when considering the cost and impurity-vulnerable natures of catalysts; (3) technical challenges, including high energy demand associated with thermal plasma and short electrode lifespan in plasma torches due to the oxidation by water and oxygen, need to be overcome; (4) many factors have to be considered when assessing the potentiality of plasma gasification technology for the commercial production of hydrogen, which includes fuel conversion, carbon deposition, CO2 emission, hydrogen extraction cost from the post-processing gas, running costs and investment, etc. However, the relevant information on the large-scale demonstration of plasma gasification is extremely deficient.
3.3. Chemical-Looping Gasification
Chemical-looping gasification (CLG), originating from chemical-looping combustion, has been suggested as an innovative coal gasification technology to convert coal into hydrogen-rich syngas with high purity, high heating value, and low tar content using an oxygen carrier instead of molecular oxygen to partially oxidize solid coal [96,97,98]. A typical schematic diagram of coal CLG is presented in Figure 8 [97]. CLG mainly consists of a fuel reactor (FR) and an air reactor (AR). In the FR, coal reacts with the oxygen carrier to produce syngas, primarily composed of H2, CO2, CO, and CH4. Then, the oxygen carrier is reduced to low valence oxide by releasing lattice oxygen. Subsequently, the reduced oxygen carrier is moved to the AR to recover the lattice oxygen [O] through air oxidation. The main reactions involved in CLG are shown in Figure 8. In addition, the oxidation reactions in AR are exothermic reactions, releasing a large amount of thermal energy, which can compensate for the reaction heat of CLG required in FR by circulating the oxygen carrier. Additionally, some metallic elements in the oxygen carrier display catalytic effects on the gasification reaction. Furthermore, the coal CLG reactions occur in a reducing atmosphere, which is helpful in reducing the formation of SOx and NOx [99]. Therefore, the coal CLG technology for hydrogen-rich syngas exhibits advantages over other gasification technologies in avoiding oxygen separation, reducing pollutant emissions and tar generation, etc., and it is regarded as a promising gasification technology for efficiently utilizing coal and producing hydrogen.
Coal + nMexOy → nMexO(y−1) + H2 + H2O + CO + CO2 + CmHn
MexO(y−1) + 1/2O2 → MexOy
Figure 8.
Schematic diagram of coal CLG process [97].
CLG has been extensively and comprehensively studied, and great efforts have been devoted to syngas production in terms of oxygen carriers, catalysts, operating conditions, reaction mechanisms, and other related factors [100,101,102,103,104]. In this section, the recent progress is reviewed, and challenges are also discussed, providing sufficient information to further develop CLG for hydrogen-rich syngas production.
The key point of CLG for converting coal into hydrogen-rich syngas efficiently is to design and develop an oxygen carrier with high activity and long lifetime, owing to its core position in oxygen transferring and heat transferring. Qi et al. [105] studied Fe2O3 as an oxygen carrier to investigate the CLG of coal, demonstrating the enrichment of CO and CO2 in the gaseous product. Wei et al. [97] experimentally studied the production of synthesis gas from CLG of lignite in a fixed bed reactor by using hematite as the oxygen carrier. They pointed out that lignite preferentially pyrolyzes to produce intermediates and then further reacts with the oxygen carrier to generate synthesis gas, and the corresponding oxygen carrier reaction path is Fe2O3 → Fe0.963O → Fe2O3. Wei et al. [106] further extended their work in developing a series of hematite oxygen carriers through exogenous metals. They showed that mixed oxygen carriers, such as NiFe2O4, CaFe2O5, CoFe2O4, and CeFeO3, exhibit excellent performance in terms of high amounts of oxygen vacancy, strengthened lattice oxygen transfer ability, and enhanced lignite conversion efficiency. In addition, CaO exhibits higher reaction performance than other exogenous metals. CaO enhances CLG in the following ways: (1) the synergistic effect in CaFe2O5 reduces the strength of the Fe-O bond and promotes the lattice oxygen migration in oxygen carriers; (2) the carbonation of CaO adsorbent shifts the CLG reaction equilibrium towards syngas, which is beneficial to improving the synthesis gas yield. The novel CaSO4-CaO/Ben composite oxygen carrier was also developed by Guo et al. [96] for investigating coal CLG in a batch fluidized bed reactor. The CaSO4-CaO/Ben compound oxygen carrier exhibits excellent catalytic performance and stability, and it possesses remarkable reaction stability after ten redox cycles. Zhang et al. [107] used the iron-based bimetallic composite oxygen carrier (Fe-M oxides, M = Cu, Co, Ca, Ni, and Ba) to study coal CLG for producing synthesis gas in a fixed bed reactor. It was observed that Fe-Ni oxides/Al2O3 in the five synthesized Fe-based bimetallic composite oxygen carriers exhibit excellent selectivity towards synthesis gas, high reactivity with coal, and desirable thermal stability. Yang et al. [108] developed a novel CuFe2O4-enhanced phosphogypsum (PG)–CuFe2O4 oxygen carrier for reducing the lignite in CLG inside a fluidized bed reactor, exhibiting excellent capabilities to capture H2S and the desired reaction temperature (<1123 K) for obtaining high-quality synthesis gas. Zhao et al. [104] synthesized four types of CuFe2O4 and NiFe2O4 as oxygen carriers to promote hydrogen-rich syngas production from the CLG of lignite. This study shows that the NiFe2O4 prepared by the sol–gel method presents optimal gasification activity with lignite and the highest total gas yield, which is ascribed to its highly cubic spinel structure. In addition, the Fe-Ni synergistic effect is beneficial to enhance the mobility of lattice oxygen. Wang et. al. [109] prepared bimetallic CaO/Fe2O3 oxygen carriers for the coal (char) CLG process by the wet-impregnation method, observing that increasing the CaO addition tends to upgrade the heating value of the gaseous products. Meng et al. [110] studied the hydrogen production from the ZhunDong coal CLG process by using Cu-Fe as an oxygen carrier. They found that the high copper oxide content results in a small coal particle size, improving the hydrogen yield. Additionally, doping potassium enhances the rate of coal gasification and promotes oxygen carrier reduction rate, while the fast reduction reaction rate aggravates the formation of carbon deposition. An et al. [111] conducted a series of CLG experiments in a laboratory-scale fluidized bed reactor by using hematite–CuO as the oxygen carrier. It was indicated that adding a hematite–CuO oxygen carrier increases the bituminous gasification rate by two to three times, and the syngas yield ranges from 1.84 to 2.04 m3/kg, which is three times higher than that of lignite. Ten cycles of redox proves the good recycling reaction characteristics of the oxygen carriers. Kun et al. [103] synthesized highly active nanoparticles (NPs) with different transition metals of Co, Mn, Ni, and Fe as oxygen carriers. TEM images confirmed that these oxygen carriers exhibit similar core–shell structures and there is no significant difference in size distribution and mean sizes (Figure 9). It was further observed that the presence of oxygen carriers evidently facilitates coal gasification and enhances total carbon conversion. Among the four synthesized oxygen carriers, Mn@meso-SiO2 presents the highest yield of hydrogen-rich syngas and highest carbon conversion. TG-MS analysis revealed that the solid–solid reaction between oxygen carrier and coal could not be negligible during the CLG process. The synthesis gas production by the CLG technology with CuFe2O4 as oxygen carriers was explored by experiments of An et al. [102] who showed that the presence of CuFe2O4 increases the gasification reaction rate, enhances the performance of hematite, and improves the ability of synthesis gas production.
Figure 9.
TEM images of the prepared samples [103]: (a) Mn@meso-SiO2, (b) Co@meso-SiO2, (c) Fe@meso-SiO2, (d) Ni@meso-SiO2.
Cui et al. [112] adopted a new fusion method to optimize the coal CLG process by combining experimental testing and multiscale modeling, including computational fluid dynamics (CFD) and molecular dynamics (MD) simulations (Figure 10). The operating parameters, such as gasification temperature, steam flow, and char/oxygen carrier ratio (C/O), were optimized, providing important guidance for the optimization and design of a practical CLG pilot plant. Cui et al. [113] also proposed a clean system, integrating coal pyrolysis (CP) and CLG for producing high-purity synthesis gas with low CO2 emission (Figure 11). Based on multiscale modeling, including MD, CFD, and Aspen simulations, the CP process was firstly calculated by MD simulations to obtain optimum operation parameters. Subsequently, the CLG process with CuO and Fe2O3 as the oxygen carriers was simulated with CFD to screen the oxygen carriers and determine the residence time. The process simulation was conducted, showing that the yield of synthesis gas from the CP-CLG is nearly 20% higher than from the single CLG system because of the generation of much more CO2 in CLG. Xie et al. [114] conducted a numerical simulation of the coal CLG processes in a fuel reactor with the CFD method. The effects of O/C molar ratio, water vapor volume flow rate, and gasification temperature on the gasification efficiency and mole fraction of syngas were systematically analyzed and optimized. In addition, the reaction pathway (Figure 12) of Fe2O3 in the bituminous coal CLG process was also analyzed.
Figure 10.
Multiscale modeling study of the CCLG process [112].
Figure 11.
Simplified diagram of CP-CLG process [113].
Figure 12.
Reaction pathway of oxygen carrier Fe2O3 in CLG process of bituminous coal [114].
Liu et al. [100] explored the potassium element migration and conversion during the deep reduction of oxygen carriers in CLG. They found that the K loaded on the oxygen carrier can migrate to coal char. As the reaction time is extended, the K in the coal char residue can be partially refluxed. The K species that is potentially migratory between the oxygen carrier and char is K2CO3, which can be converted into a K-Fe-O composite in the oxygen carrier. Liu et al. [98] studied the influence of coal ash components (SiO2, CaO, K2O) on Fe-based oxygen carriers in coal CLG. They observed that potassium salt can act as a catalyst or contribute to the formation of K-Fe-O compound, promoting the release of lattice oxygen and enhancing the stability of the oxygen carrier. Coal ash with high contents of Fe2O3 and K2O can enhance the performance of oxygen carriers in the CLG process. Zhu et al. [115] performed the characteristic evaluation of CuFe2O4 in the coal CLG process, which involves the oxygen release capacity and reducibility. They discovered that the addition of copper greatly contributes to the reduction process. Yang et al. [116] explored the fluidization and reaction behavior in the CLG of lignite using a fluidized bed and CaSO4-CuO as the oxygen carrier. The cold-state experiments were firstly carried out to understand the fluidization process, the syngas was obtained from CLG under hot-state conditions, and the detailed process conditions were also optimized (Figure 13).
Figure 13.
(a) The cold-state experimental apparatus. (b) Thermal experimental apparatus [116].
Li et al. [117] thermodynamically evaluated the CO2 sorption-enhanced coal CLG process using the Gibbs free energy minimization principle. It revealed that the addition of calcium-based CO2 sorbent can promote hydrogen production and supply heat for the reaction in FR, suggesting that a proper oxygen carrier circulation rate can contribute to the auto-thermal equilibrium of the system. Xia et al. [118] investigated the crystal structure effect of oxygen carriers. The prepared oxygen carriers, including MnFe2O4, Ti0.5Mn0.5Fe2O4, Fe2TiO4, and FeTiO3, were proved to have a positive influence on the CLG of lignite char. The spectra of O 1s from XPS characterization revealed the elemental effect on the reactivity of spinel-based oxygen carriers, indicating that the active site of the reaction surface is effectively increased by introducing oxygen carriers. An et al. [119] analyzed the reaction mechanism of Hg0 and H2S on CuFe2O4 in depth (Figure 14). The XPS characterization reveals that H2S can release active S*, and the active S* will combine with Hg0 to form HgS. The DFT calculation revealed that the oxygen vacancy enhances the adsorption capacity of H2S, Hg, and HgS on CuFe2O4.
Figure 14.
The energy profile of intermediates, transition states, and final states of H2S dehydrogenation over O-defective and perfect CuFe2O4 surfaces. Fe, O, Cu, and S atoms are represented by the gold, red, blue, and yellow balls, respectively [119].
According to the comparative evaluation of operating conditions for hydrogen-rich syngas production using the CLG technology (Table 4), it can be found that steam is mainly used as the gasifying agent, and oxygen carriers, such as CuO, Fe2O3, NiFe2O4, CuFe2O4, Cu-Fe-Mg, CaSO4-CaO/bentonite, etc., have been developed to partially oxidize the coal into syngas in CLG. The CLG process consisting of an FR and AR is generally carried out at temperatures between 700 and 1100 °C, and the technology also has a wide range of adaptability to coal types. For the distribution of syngas produced from CLG, the content of synthesis gas ranges from 57% to 89%, in which the amount of hydrogen is 16~48%, while CO2 content falls within the range of 9~48%. Therefore, CLG technology is recommended to prepare hydrogen-rich syngas.
Table 4.
Distribution of main products of chemical-looping gasification.
Additionally, it is worth emphasizing that a novel coal-direct chemical-looping hydrogen generation (CLHG) derived from CLG offers a promising route for high-purity hydrogen production with in situ CO2 capture. The representative schematic diagram of CLHG is shown in Figure 15 [100]. In the FR, coal is oxidized by Fe2O3 to CO2, while Fe2O3 is reduced to FeO/Fe. The reduced oxygen carriers are subsequently oxidized by steam in the steam reactor to generate high-purity hydrogen. Then, the partially oxidized oxygen carrier is reoxidized to Fe2O3 in the AR. Obviously, high-purity hydrogen can be produced, and pure CO2 can also be inherently separated. Unlike CLG, CLHG is essentially not a real coal gasification technology.
Figure 15.
Schematic diagram of CLHG [100].
In light of the advantages of the clean and efficient conversion of coal and hydrogen-rich syngas production, much attention has been paid to the CLG technology with great achievement. However, many issues and challenges still urgently need to be overcome, as summarized as follows [67,104,106,114]: (1) the design and development of efficient oxygen carriers with high activity, high selectivity, anti-carbon deposition, excellent cycle stability, stable mechanical strength, long life, etc. need to be conducted. In addition, other factors, such as ash content, solid residues, toxic gases, operating conditions and reactors, will also cause a significant impact on the reaction performance of oxygen carriers in CLG; (2) the design and optimization of gasification reactors are also challenges. Although fixed bed, moving bed, fluidized bed, rotating bed reactors, etc. have been developed, and the fluidized bed is the most suitable and promising reactor owing to the continuous oxidation and regeneration properties of the required oxygen carriers, many engineering issues, such as effective circulation control of oxygen carriers in an FR and AR, gas crosstalk and leakage between different reactors, system stability control, and so on, still need to be overcome and optimized, all of which will affect the prospects and feasibility of CLG applications; (3) the system integration of CLG, involving reaction and product purification, heating utilization, and process optimization, needs further investigation, especially to address how to fully utilized the heat released by oxidation reactions to achieve high energy utilization efficiency; (4) lack of experience in large-scale engineering applications of CLG technology. Current research focuses on small-scale and pilot-scale experiments, and the prospects and economy of commercial applications for CLG technology are still unclear.
3.4. Decoupling Gasification
Coal is a type of extremely complex mixture composed of various components, and the different components generally exhibit different reaction characteristics [121]. The coal gasification process, especially commercially conventional gasification or even some new gasification, involves numerous interrelated reaction networks (Figure 16) that primarily consist of parallel and un-parallel pyrolysis, gasification, reforming, cracking, composition and combustion reactions, etc., generally occurring in a single reactor space [28]. Therefore, it is impossible to manipulate any individual reaction to control its engaged interaction with other reactions, making it difficult to optimize the reaction process for the benefit of the gasification performance, such as the high-value use of the hierarchical composition of coal, to upgrade the coal conversion efficiency, to reduce the pollutant emission, to improve the syngas quality, and even to allow polygeneration adaptability [28].
Figure 16.
Reaction network in the coal gasification process [28].
Decoupling gasification is an advanced type of coal polygeneration technology that has attracted growing attention in recent years, emphasizing the utilization of the distinct constituents of coal separately [121,122]. For a typical decoupling gasification process (Figure 17), the coal is first pyrolyzed to high-value volatiles and coal char under the conditions of isolated air and relatively mild temperatures (550~800 °C), and the high-value volatiles are further cooled and separated into coal tar and hydrogen-rich pyrolysis gas. The coal tar can be upgraded to produce clean fuel oils by hydrogenation or to extract high-value-added chemical products, such as phenol, anthracene, naphthalene, etc. [122], and it can also be gasified using a gasification agent, such as CO2 [123], H2O [124], or their mixture, to produce hydrogen-rich synthesis gas. The hydrogen-rich pyrolysis gas can be utilized for chemical synthesis of clean fuels, hydrogen production by water gas shift reaction (WGS), electricity through combustion, etc. Additionally, it can also be subjected to methanation to generate natural gas. Based on the illustration above, the decoupling gasification strategy is a promising choice for clean coal utilization and offers several advantages, such as highly efficient and full utilization of coal, high thermal efficiency, high quality of hydrogen-rich syngas, diverse products, wide applicability of coal types, good economy, etc. [125].
Figure 17.
Schematic diagram of coal decoupling conversion utilization.
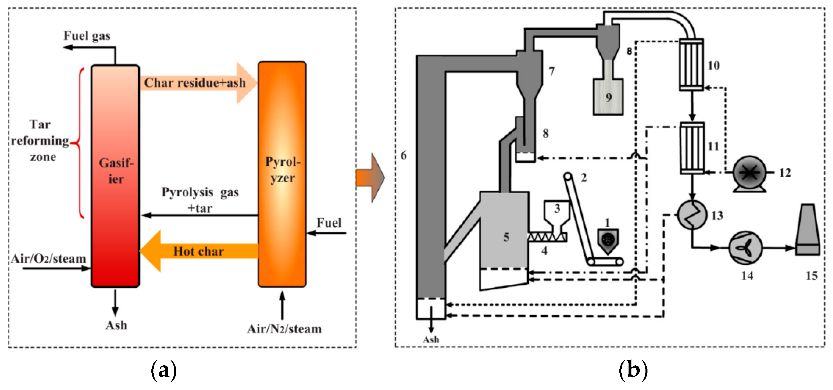
Coal decoupling gasification, as a relatively new gasification technology, has engaged more and more scholars in light of its specific advantages. Zhang et al. [28] proposed the decoupling gasification approach principle and generalized the decoupling approach. Six typical decoupling gasification cases were analyzed in terms of the improvement in gasification, including pyrolysis gasification, two-stage gasification, pre-oxidized gasification, etc. Liu et al. [126] creatively developed a coal–coke–hydrogen–iron system that employs low-rank coal pyrolysis coupled with gasification to produce hydrogen-rich gas for direct reduced iron, and the exergy loss and greenhouse gas per unit product are greatly reduced compared to the traditional coking blast furnace ironmaking process. Xu et al. [127,128,129,130,131,132] designed a novel two-stage fluidized gasification system consisting of a downer pyrolyzer and a riser gasifier to investigate the performance of coal conversion utilization for the polygeneration of high-value tar and clean gaseous products. The process principle of the technology is shown in Figure 18. A great deal of research work has been carried out in their team around this technology, and the pilot-scale test of the two-stage fluidized gasification has already finished, verifying the feasibility and superiority of this technology. Zhang [125] performed thermodynamic and economic analyses of a staged conversion polygeneration system. In this system, tar and pyrolysis gas are first separated after coal pyrolysis. The tar is employed for clean fuel/oil production by hydrogenation, while the char is gasified for the production of hydrogen-rich syngas, and the syngas and pyrolysis gas are then mixed together to produce methanol and electricity. It was observed that the thermal efficiency and earning rate are higher than those of the conventional coal polygeneration system. Afterwards, Zhang et al. [122] further developed a novel staged coal utilization system based on pyrolysis–gasification–combustion (CPGC). Being different from their previous work, the char in this system is partially gasified to obtain syngas at first, and the residue is then combusted. A simulation was also conducted, indicating that the thermal performance of CPGC is up to 47.73%, which is higher than those of the other two conventional reference systems. Similarly, Zhang et al. [121] also experimentally studied the coal decoupling gasification for hydrogen generation on a circulating fluidized bed, during which a pyrolyzed bituminous coal char was gasified using O2 and steam was used as a gasification agent. The volume fractions of combustible gas, carbon conversion, lower heating value, and dry gas yield of the optimal case were 43.92%, 0.85, 5.17 MJ·Nm−3, and 1.64 Nm3·kg−3, respectively, by optimizing the gasification temperature as well as O2/char and steam/char mass ratios.
Figure 18.
Principle (a) and demonstration plant of the fluidized bed two-stage gasification process (b) (1—feedstock, 2—conveyor, 3—hopper, 4—screw feeder, 5—pyrolyzer, 6—gasifier, 7—primary cyclone, 8—loop seal, 9—secondary cyclone, 10—primary heat exchanger, 11—secondary heat exchanger, 12—air compressor, 13—boiler, 14—draught fan, 15—chimney) [129].
Jin et al. [133] innovatively proposed a three-step gasification method by decomposing C and H components. In this novel system, the coal was gasified through three steps: coking, char–CO2 gasification, and water–gas shift and CO2 separation. The coal was firstly pyrolyzed to hydrogen-rich pyrolysis gas at temperatures between 800 and 1100 °C, leading to the enrichment of the C component. The C-rich coal char was gasified using pure CO2 as a gasification agent to generate relatively pure CO. The CO was then partially or completely converted into CO2 and H2 via the water–gas shift reaction based on the requirements of polygeneration target products. Meanwhile, the concentration of CO2 was enriched and increased to over 50% in the gaseous products, resulting in a significant reduction in CO2 capture energy demand. The heat required from the endothermic pyrolysis and gasification process was provided in the form of indirect heat transformation by an extra step of coal combustion. They pointed out that pure H2 and CO are produced by gasification instead of syngas containing CO and H2 generated by other gasification technologies, realizing the decoupling of C and H components. Correspondingly, He et al. [60] proposed a novel three-step coal gasification coupled with the chemical-looping combustion system for hydrogen production, as presented in Figure 19. It was shown that the cold gas efficiency from the novel gasification system is 86.9%, which is about 10.1% higher than the General Electric (GE) Company gasification technology. The energy utilization diagram (EUD) of the exergy analysis (Figure 20) presents that the three-step gasification contributed to reducing system exergy destruction by 4.2%. He et al. [9] also developed a novel methanol–electricity polygeneration system based on the staged coal gasification method. The thermodynamic calculation showed that the energy efficiency of the novel system is 63.3%, while that of the traditional system is only 51.3%. It also revealed that the system exergy destruction from the new gasification process is 7.5% lower than that in the GE process.
Figure 19.
Schematics of (a) traditional gasification and (b) the three-step gasification [60].
Figure 20.
(a) The EUD chart of the three-step gasification (A—energy grade; ∆H—enthalpy change). (b) GE coal gasification process [60].
The representative studies on the hydrogen production from decoupling gasification were comparatively evaluated and are summarized in Table 5. The raw coal is generally pyrolyzed in the range of 550~900 °C to produce pyrolysis gas with high calorific value, tar, and coal char. Then, the obtained coal char is further gasified using different gasifying agents, such as steam, CO2, O2, or air, which is usually performed at temperatures between 800 and 1100 °C. Low-rank coal, including peat, lignite, long-flame coal, and sub-bituminous coal, is most suitable for decoupling gasification. It is important to note that utilizing H2O as a gasifying agent enables the direct generation of hydrogen-rich syngas for the coal char gasification process, while adopting pure CO2 gasification with carbon-rich coal char results in the production of a high concentration of CO through the Boudouard reaction, which can be subsequently converted into hydrogen-rich product gas. It can be found from Table 5 that the yield of synthesis gas generated as a result of H2O or CO2 char gasification is around 40~85%, in which the amount of hydrogen released makes up 2.8~51%, while CO2 content is less than 60%.
Table 5.
Comparative results of hydrogen production from decoupling gasification.
The decoupling gasification technology based on coal pyrolysis and coal char gasification is a competitive and attractive option to achieve efficient and full utilization of coal. According to the different characteristics of complex coal components, the polygeneration products, including pyrolysis gas with high calorific value, fuel, hydrogen-rich syngas, electricity, and high-value-added chemicals, can be simultaneously generated by the decoupling gasification technology. The gasification technology has become a research hot-pot and attracted much attention, and significant progress has been achieved. However, gasification technology still suffers from many difficulties and challenges that should be solved urgently: (1) many key technological bottlenecks during the coal pyrolysis process, such as the development of efficient pyrolysis furnaces, high-temperature oil and gas dust removal, high-value-added product generation, and environmental pollution control, still need to be further improved. Moreover, the complex coal pyrolysis reaction mechanisms need to be explored in depth at the molecular level; (2) the reactivity of coal char gasification is usually lower than that of coal gasification, which is an important obstacle restricting its industrial application, and thus some intensification strategies, such as rational gasifying agent selection, operating parameter optimization, catalytic gasification, microwave gasification, etc., provide options to promote the gasification reaction performance; (3) the polygeneration process of decoupling gasification is more complex than the other gasification. Therefore, the coupling–matching between coal pyrolysis and char gasification, system integration of energy, and economic analysis has to be deeply considered and evaluated.
4. Coal Char–CO2 Gasification
As mentioned in Section 3.4, decoupling gasification, as an advanced type of coal polygeneration technology, is a highly promising and competitive technology because of the low irreversible losses, full utilization of coal components, clean hydrogen-rich syngas production, etc. The preliminary pyrolysis of coal results in the formation of carbon-rich char, while the char gasification reaction is the core and rate-determining step during the decoupling gasification. Presently, the char gasification process frequently employs steam as the gasifying agent to produce hydrogen-rich syngas, while recycling CO2 as the gasifying agent based on the Boudouard reaction (C + CO2 = 2CO) is the most desirable approach that can realize the resource utilization of CO2 and mitigate the carbon emission simultaneously. Additionally, CO2 and H2 will be further produced and enriched by the shift reaction of high-concentration CO from the Boudouard reaction, which thermodynamically leads to a significant reduction in energy demand for CO2 and H2 separation. Therefore, char gasification with CO2 as the gasifying agent has attracted much more attention [35,36,37], providing a promising technical route for realizing efficient and clean conversion and utilization of coal, CO2 emission reduction, and hydrogen production simultaneously.
In this section, the recent research progress on char gasification with CO2 is reviewed based on research published from 2019–2023, which primarily focused on the effects of coal types, operating conditions, catalysts, and co-gasification on char–CO2 gasification performance. In addition, the reaction kinetics and mechanisms for CO2 gasification of char are also outlined.
- (1)
- Coal types
Different coal types possess different pore structure and surface area. The reaction of char–CO2 occurs at the interface between gas and solid. Hence, different coal types are expected to influence the reaction rate. The diffusion effect and the kinetic parameters’ evolution during coal char–CO2 gasification were investigated by Meng et al. [134] based on different coal char particles. It was observed that the internal effectiveness factor was not constant, showing a remarkable increase with the gasification reaction continuously advancing. The effectiveness factors of large coal char particles (12 mm and 20 mm cubes) and small ones (less than 50 μm) in the high-temperature range were all much less than 1, indicating that the char gasification coal at high temperatures was limited by pore diffusion. The combined effects of pore structure, surface area, carbon functional groups, and degree of graphitization on the tri-high coal char gasification kinetics were studied by Liu et al. [135]. The kinetic analysis showed that the high-ash coal gasification with CO2 was not accurately described by using the random pore model, and the porous structure and aromatic groups of coal char were proved to improve the CO2 gasification kinetics of the tri-high coal char. Ellison et al. [136] conducted experimental evaluations on the microwave and conventional gasification performance for four different coal types, namely, lignite coal, low-ash sub-bituminous coal, high-ash sub-bituminous coal, and low-volatility bituminous coal. They concluded that microwave gasification accelerates the gasification reactivity, increases cold gas efficiency, and enhances carbon conversion, compared to the conventional thermal gasification performed under the same temperature conditions. The low-ash sub-bituminous coal presents the highest cold gas efficiency under microwave gasification conditions. Lu et al. [137] analyzed the changes in active sites and reactivity induced by interactions among Ca, Si, and Al during coal char gasification. The Ca-induced coal char exhibits better gasification performance owing to the Ca species facilitating the decomposition of ether and carbonyl groups; the char with Si and Al has the lowest number of active sites, resulting in poor gasification reactivity. The influence of structural characteristics of lignite coal on gasification reactivity was investigated by Zhang et al. [138], finding that the content of small aromatic rings positively initializes the intrinsic reactivity. Kim et al. [139] carried out investigations experimentally to study the effects of particle size and coal type on the CO2 gasification of char prepared from 12 kinds of bituminous coal. The result proved that the reactivity increases with increasing the volatile matter content and alkali index of the coal, and the decrease in the particle size leads to the reduction of gasification reactivity.
- (2)
- Temperature and pressures
The mass and heat transfer process during char–CO2 gasification is directly related to pressure, and increasing global pressure usually promotes the gasification reaction. Hong et al. [140] investigated the impact of pressure on the contribution of char–CO2 gasification by employing ReaxFF MD simulation. The CO2 and char conversion rates increase with the increased reaction pressure (Figure 21a), while the gasification rate of char–CO2 increases initially and subsequently decreases as the conversion rate continues rising (Figure 21b), which is attributed to the decrease in CO2 concentration during the later stages of the char–CO2 gasification reaction. Sun et al. [141] explored the effect of CO2 partial pressure on non-isothermal char–CO2 gasification. They obtained similar results, i.e., the reaction rate increases with the increase in CO2 partial pressure. Additionally, a relationship between reaction rate and CO2 partial pressures in non-isothermal gasification was also established. In addition, the gasification reactivity of any carbonaceous material is enhanced by increasing gas temperature. Czerski et al. [142] studied the gasification reaction of char–CO2 under isothermal and non-isothermal conditions, in which the impact of temperatures on the carbon conversion rate of gasification was analyzed. A positive correlation between the reaction rate and temperature was observed. The CO2 conversion and the heating value of the product gas produced by a microwave-induced carbon–CO2 gasification method were found to increase with the rise of gasification temperature and the decrease in the amount of the feed gases (Chun et al. [143]). Qiu et al. [144] reported that the lignite coal char gasification rate is relatively slow at temperatures below 700 °C, while the gasification starts to accelerate when the temperature is over 700 °C. Similar conclusions were drawn from the experimental results of Liu et al. [135] and Meng et al. [134] that the temperature increase results in a high carbon conversion rate during the char–CO2 gasification process.
Figure 21.
(a) The number of CO2 molecules and char consumption by char–CO2 gasification at different pressures. (b) Char–CO2 gasification rates at different char conversions under various pressures [140].
- (3)
- Catalysts
The catalyst is an important factor affecting the char–CO2 gasification reaction and activating energy. Yang et al. [36] investigated the char–CO2 gasification reaction behavior by employing K2CO3 and Ca(OH)2 as catalysts prepared via grinding, impregnation, and high-pressure methods. It was found that the addition of K2CO3 significantly improves the gasification reactivity, and the gasification reaction of semi-coke under an equivalent K2CO3 loading exhibits the following order: grinding > high pressure > impregnation. Uwaoma et al. [145] compared the catalytic effects of two catalysts, including 5% loading of Benfield waste salt (BWS) and K2CO3, on CO2 gasification. Experimental results showed that the catalyst-doped coal samples show high gasification reactivities, and the reactivities increase in the order of coal < (coal + 5% BWS) < (coal + 5% K2CO3). Adding catalysts in the coal was also found to reduce the activation energies of the CO2 gasification process. Lu et al. [146] investigated the microscopic mechanism of the sodium-catalytic coke gasification reaction by combining the X-ray characterization and ReaxFF simulation method. They explained that the sodium atoms not only significantly reduce the activation energy during the oxidation of the initial carbon layer, but also spontaneously adsorb at the defects of the carbon layer, thereby inhibiting the reconstruction of the carbon matrix. This behavior restricts the growth of the carbon layer, while promoting the oxidation of the carbon layer and accelerating the formation of CO molecules. The relative reaction network of sodium-catalytic coke gasification is shown in Figure 22.
Figure 22.
Reaction network of sodium-catalytic coke gasification [146].
Qin et al. [147] pointed out that the alkali metal in biomass ash is an effective catalyst for char–CO2 gasification. Increasing the ratio of biomass ash leads to the enhancement of coal char conversion rates as the biomass ash promotes the coal char cracking into smaller particles. However, the agglomeration effect of char gasification ash occurs when the biomass ash reaches 50%. It was also proved that most of the catalytic effect of alkalis in biomass ash on gasification is attributed to the H2O-soluble forms of alkali metal-containing chemicals, and the mineral matter in the coal was observed to reduce the catalytic activity of the biomass ash. Catalytic gasification reactivity of sodium salts with different anions was investigated by Li et al. [148] based on characterization analysis and thermodynamic calculations, demonstrating that the catalytic reactivity of sodium salts is as follows: Na2SO4 > Na2CO3 > NaNO3 > NaCl. Adding Na2CO3 catalyst endows coal char with stronger chemisorption of CO2 and more active sites, and the Na2CO3 melts in the gasification process and forms a liquid film to wet the carbon and spread over its exposed surfaces, facilitating the contact between carbon and catalyst and accelerating the gasification reaction. Geng et al. [149] studied the CO2 gasification reactivity of chars obtained from calcium-rich and calcium-poor lignites. The results showed that the Ca in lignite chars plays a catalytic role, while Ca deactivation occurs when the CO2 partial pressures are above 0.05 MPa at 825 °C and above 0.075 MPa at 850 °C, thus optimizing CO2 pressure and the reaction temperature is important to remove the effects of the Ca deactivation on the gasification reactivity. Lan et al. [150] further proved that CaO exhibits a favorable catalytic effect on the char–CO2 gasification reaction. The reaction mechanism and kinetic analysis indicated that the adsorption of CaO on the surface of the carbon matrix makes the C–C bond length between active C atoms longer, increases the electronegativity and reaction activity, and decreases the structural stability, conducive to the occurrence of the carbon–CO2 gasification reaction. Yu et al. [151] also found that Mg has an obvious promoting effect on the catalytic activity of Ca during the char–CO2 gasification at 800 °C, which is possibly attributed to the catalyst inhibiting the sintering of large CaCO3 particles on the char surface.
Wang et al. [152] presented that Fe has a strong catalytic effect on the char–CO2 gasification performance by DFT. They concluded that the CO2 molecules parallel to the crystal surface can easily interact with the iron surface, and the C atom acts as a major electron acceptor from Fe. Additionally, the C and O orbitals overlap with Fe 3d, 4s, and 4p, indicating stronger hybridization and demonstrating that Fe (001) can activate CO2. Zhao et al. [153] further utilized the DFT simulation to explore the possible char–CO2 gasification reaction mechanism catalyzed by Fe. The result showed that Fe easily absorbs CO2 and combines with the C bond in CO2 through the static charge and d orbital during the adsorption process; Fe disrupts the aromaticity of the char edge and weakens the bond of the carbon ring in the desorption process. The active d electrons of Fe can enter the anti-bonding orbital of the C-C bond to facilitate its breaking, thereby promoting the desorption of CO. Zhang et al. [154] concluded that the main reason for the catalytic activity of char–CO2 gasification reaction is the redox cycle between Fe0, Fe2+, and Fe3+.
Wang et al. [155] carried out modifications on perovskite La1-xKxFeO3 with K+ for coal char–CO2 gasification. The catalyst was reported to effectively reduce the initial reaction temperature and improve the catalytic activity when the part of La3+ at the A-site was replaced by K+. In ten cycles of experiments, the La0.3K0.7FeO3 catalyst also showed relatively stable catalytic activity, and its optimum CO2 gasification temperature was about 850 °C. Xu et al. [156] studied the reaction kinetics and mechanism of coal–CO2 gasification catalyzed by Na2CO3, FeCO3, and Na2CO3-FeCO3. It was observed that Na and Fe show a strong positive synergistic catalytic effect in gasification, and the Na-based catalyst can easily diffuse into the inner pores of coal char, forming a C-O-Na structure and thus increasing the gasification reactivity of chars, while the Fe-based catalysts show better stability. Zhang et al. [157] observed that CaO exhibits a stronger catalytic effect than Fe(NO3)3 at low gasification temperatures. As the gasification temperature increases, the difference in catalytic effect between the two catalysts decreases. The catalytic effect of composite catalyst CaO-Fe(NO3)3 at low gasification temperatures is between those of single-component catalysts of CaO and Fe(NO3)3. However, when the gasification temperature is over 850 °C, the catalytic effect of composite catalyst CaO-Fe(NO3)3 is better than that of the single-component catalyst. Mao et al. [158] also proved that the Ca-Fe composite catalyst exhibits a better synergistic effect than the individual Ca and Fe catalysts, and the synergistic effect is most prominent during the middle stage of the gasification reaction. Yao et al. [159] concluded that the order of effect of ion-exchanged metal cations on the char–CO2 gasification reactivity is K+ > Na+ > Mg2+ > Co2+ > Ni2+.
- (4)
- Co-gasification
Wang et al. [160] carried out an investigation on the co-gasification of bituminous coal and semi-coke with CO2 at high temperatures, which focused on the influence of interactions between two fuels on the fuel nitrogen transformation and porous structure of resultant chars. The results demonstrated that the blended fuels lower the surface area of the resultant char at 900–1100 °C, while they increase the surface area of mixed chars at 1300–1500 °C compared to the semi-coke char. The synergistic effects of mixed fuels tend to promote the release of NOx and its precursors during CO2 co-gasification. Wang et al. [161] further performed a kinetic and synergistic effect analysis of semi-coke with biochar during CO2 co-gasification. It can be seen that the variations of porous properties together with ordering degrees for blends follow a linear law, exhibiting a negative synergetic effect at the low carbon conversion stage but a positive synergetic effect at the high carbon conversion stage. The correlation between char characteristics and reactivities presents that the graphitization degree is the primary factor affecting the gasification reactivity. Ren et al. [162] experimentally studied the co-gasification process of coal coke and coal liquefaction residue (CLR) under a CO2 atmosphere. The results indicated that increasing the coal proportion positively enhances the synergetic effect of blends. However, the synergism gradually weakens with the increase in coal rank during the co-gasification process, which is possibly due to the catalytic effect of different mineral substances in coal/CLR mixtures. Wei et al. [163] conducted a synergistic mechanism investigation of behavior variations during co-gasification of biomass and different coal chars. They revealed that the synergy behavior affecting the co-gasification reactivity of the mixture is primarily attributed to the combined effects of active Ca and K transformation in co-gasification. Diao et al. [35] also reported that the presence of walnut shells greatly improves the coal–CO2 gasification reactivity, and a biomass/coal ratio of 3:7 exhibits an intense gasification performance. Furthermore, a significant interaction was observed during the co-gasification process, demonstrating that a low biomass/coal ratio induces amorphous carbon generation and further enhances the co-gasification reaction.
- (5)
- Kinetics of char gasification and modeling
The investigation of reaction kinetics is essential for the process and mathematical modeling to predict the char–CO2 gasification behavior and optimize gasifier operating conditions. Extensive research has been conducted, and kinetic models have been developed for describing the char–CO2 gasification reaction, which primarily include the volume reaction model (VRM), the shrinking core model (SCM), the random pore model (RPM), etc. [135,164,165].
The VRM, also known as the homogeneous model (HM), assumes the gas reacts homogeneously with the char, and the gasification reaction occurs anywhere on the surface and inside of the char. The corresponding reaction rate for this model is expressed as:
where kVM is the reaction rate constant of the VRM, and X is the conversion rate.
dX⁄dt = kVM (1 − X)
The SCM, also known as the grain model, postulates that the char particle is a tiny solid sphere, with the chemical reaction only occurring on the external surface and gradually transferring to the inside. The reaction rate is expressed as:
where kSCM is the reaction rate constant of the SCM.
The RPM assumes a randomly overlapping pore structure, and its reaction rate is expressed as:
where kRPM is the reaction rate constant of RPM; ψ is the model parameter; and L0, ε0, S0 are the pore length, solid porosity, and surface area, respectively.
ψ can be estimated by the experimental carbon conversion values as follows:
where Xmax represents the maximum carbon conversion value.
The VRM and SCM have been widely used for char gasification with CO2 due to their simplicity and excellent ability to fit experimental results, although neither method explains any variation in the internal structure, and the SCM cannot account for a maximum conversion rate. The RPM enables the prediction of the maximum reactivity when the reaction proceeds by simultaneously considering the pore growth effects and pore destruction during the different gasification stages. The RPM is considered as the best and most applicable model, but the RPM was found to inaccurately estimate the gasification rate in the intermediate and later stages [156,166,167].
In this section, the recent research progress on the reaction kinetic modeling for char–CO2 gasification is reviewed in order to provide a deep understanding of fundamental gasification behavior and optimize the gasification operating conditions.
Kumari et al. [164] utilized the VRM and SCM to describe the CO2–char gasification kinetics from high-ash coal (HAC), petcoke (PC), and sawdust (SD). Based on the calculated correlation coefficients (R2), the SCM was observed to be more suitable to characterize the CO2–char gasification reactions in the temperature range of 1373–1573 K. Moreover, the influence of diffusion resistance on the gasification behavior was also analyzed. Xu et al. [165] selected four models, the VRM, SCM, RPM, and the modified VRM (MVRM), to fit the experimental data from the char–CO2 gasification. Compared to the VRM, there is one more parameter in the MVRM, i.e., the time power, and the corresponding reaction rate is expressed by Equations 6–8. It was found that the MVRM and RPM were much more suitable for the TGA chars with different particle sizes than the VRM and SCM. The activation energies of two different Victorian brown coals were similar, and the gasification rate of the sample was strongly dependent on the pre-exponential factor. Liu et al. [135] performed the CO2 gasification kinetic analysis of tri-high coal char by using the RPM, and the results were observed to agree well with experimental values for smaller coal char particles (48−106 μm), based on the high squared correlation coefficients, but to diverge for the larger particles (154−355 μm). The reason was possibly the structural parameter ψ in the RPM, which is hard to estimate accurately for large particles. Therefore, the RPM cannot be used to predict the variations in the char structures during the gasification process, especially in the post-reaction stage. Jiang et al. [168] proved by a kinetic analysis that the RPM is better to describe both CO2 gasification conversion and reaction rates of the studied chars than the SCM, and the calculated pre-exponential factors and activation energies fall within the range of 3.15–102,231.99 s−1 and 78.45–194.72 kJ/mol, respectively. Dai et al. [169] employed the RPM to estimate the kinetic parameters containing the pre-exponential factor and pore structure parameter by the experimental data from CO2 gasification of biochar and anthracite. It was shown that the RPM is suitable for characterizing the CO2 gasification of both chars except the initial gasification. In addition, a complex multistep mechanism occurs in the initial gasification stage, while a single-step gasification mechanism exists in the rest of the gasification process. In order to investigate the effect of different catalysts on the reaction kinetics of char–CO2 gasification, a modified random pore model (MRPM) was adopted by Li et al. [148], as indicated in Equation (9). It was observed that the MRPM fits well with all the chars, and the addition of Na2SO4 reduces the activation energy more significantly than that of Na2CO3. Yang et al. further used the SCM, RPM, and MRPM to quantitatively evaluate the gasification of raw char, K2CO3-loaded char (PC-char), and Ca(OH)2-loaded char (CH-char) by kinetic analysis. It was seen that the raw char experimental data are best fitted by the SCM, while the RPM is more suitable for the CH-char gasification kinetic modeling. For 3.2% and 5.0% PC-char samples in grinding and high-pressure methods, the MRPM fits the experimental data in all ranges of carbon conversion well. Table 6 summarizes recent studies on the kinetics of char gasification in a CO2 atmosphere.
where kRVRM refers to the reaction rate of MVRM and a and b represent empirical constants.
where c presents the dimensionless constant, and p is the dimension power law constant.
Table 6.
Kinetics of char gasification in CO2 atmosphere.
Summary
This section briefly reviews recent advances in the char–CO2 gasification process. The reaction is endothermic, and its reaction rate is relatively slower than the steam gasification reaction rates. However, char gasification with CO2 instead of steam is highly important, because relatively pure CO is generated as there is no other gas mixing with the CO stream except the unconverted CO2. If the reaction is performed with steam, syngas, mainly consisting of CO and H2 gases, will be produced along with CO2, leading to high cost and high energy demand to separate CO2 from these gases, owing to the relatively low concentration of CO2 in the gaseous product. When the reaction occurs with CO2, the relatively pure CO from the Boudouard reaction will be converted into enriched CO2 and H2 through the water shift reaction, during which the CO2 can be enriched up to 60%, and hence the separation of CO2 and H2 with low energy demand is easily achieved, which is beneficial for hydrogen production. In addition, the different coal types with different pore structures and particle sizes, together with the distinct operating conditions, have an important impact on the gasification performance, and the addition of a catalyst has been reported to positively promote the gasification reaction activity. Various kinetic models have been proposed and proved effective for describing the coal char gasification reaction with CO2. Ultimately, the char–CO2 gasification technology appears to be very attractive for environmental purposes; it is therefore highly recommended that further research should be carried out on the technology, and an appropriate methodology should be developed to retrofit existing plants.
5. Future Direction
Globally, coal still remains one of the most abundant energy sources although its use has long been reported to negatively impact our environment. Due to the globally increasing pressure on the environment and energy demand, more efforts are required to develop innovative techniques for clean conversion of coal that produce clean energy and mitigate greenhouse gas emissions. Coal gasification is a promising technology that has been proven to be greatly efficient in practice. In this review, various coal gasification technologies involving conventional and relatively new gasification have been comprehensively outlined and discussed regarding research progress, challenges and opportunities, hydrogen production evaluation, CO2 emission reduction, and so on. Although extensive interesting works have already been carried out, advancements in the various coal gasification technologies are still desired. Therefore, the potential future directions for gasification technologies are suggested as follows:
- Further improving the conventional coal gasification efficiency to achieve more efficient and cleaner conversion of coal, and focusing on solving practical engineering problems in terms of large-scale reactor design, gas pollutant control, solid residue utilization, etc.
- For SCWG technology, catalytic gasification is an important and promising strategy that needs to be studied in order to achieve complete coal gasification at relatively low reaction temperatures. The design and development of novel reactors resisting harsh conditions need to be conducted to meet the requirements of long cycle operation of the SCWG process. Conversion mechanisms of S and N elements in SCWG are incompletely clear, requiring more attention and in-depth research.
- Proposing new ways to efficiently utilize high-temperature thermal energy (above 1400 °C) that originates from the hot syngas generated by plasma gasification; overcoming the technical issues on short electrode lifespan in plasma torches; a comprehensive evaluation of plasma technology is urgently needed from the aspect of fuel conversion, carbon deposition, CO2 emission, hydrogen extraction cost from the post-processing gas, running costs and investment, etc.
- The design and development of efficient oxygen carriers with high activity, high selectivity, long life, etc. are extremely critical to CLG technology. The design and optimization of CLG reactors are also key problems that have to be overcome to match oxygen carriers. The system integration of CLG, involving reaction and product purification, heating utilization, and process optimization, needs further investigation.
- For decoupling gasification technology, some novel strategies, such as catalytic gasification, microwave gasification, etc., can be attempted to improve the reaction performance of coal char–CO2 gasification under moderate conditions. The coupling–matching between coal pyrolysis and char gasification, system integration of energy, and economic analysis have to be deeply considered and evaluated.
- Hydrogen production from the conventional and new gasification technologies needs to be evaluated in more depth.
6. Conclusions
This work comprehensively reviewed the recent advances in various coal gasification techniques, including conventional gasification and relatively new gasification (supercritical water gasification, plasma gasification, chemical-looping gasification, and decoupling gasification). Different influencing factors affecting the gasification performance in terms of coal type, temperature, pressure, gasifiers, gasification agents, catalysts, and so on were analyzed systematically, and the most important remarks were presented. A comprehensive evaluation of hydrogen production through different coal gasification technologies was systematically discussed. Emphasis has also been given to introducing the advantages, challenges, and prospects for various gasification technologies. As the key step of the decoupling gasification process, the research progress on the char–CO2 gasification was also outlined from the aspects of operating parameters, catalysts, co-gasification, and reaction kinetics. This review will provide some help and guidance to utilize coal gasification technology more efficiently to promote clean fuel production and mitigate greenhouse gas emissions. The main conclusions of this review are summarized below:
Conventional coal gasification technologies are technically mature and have achieved large-scale commercial application, while further exploration of the potential for improving gasification performance and system energy efficiency from the perspective of fundamental research is limited. The future trend of conventional gasification is addressing engineering and technical issues encountered during industrial applications, including large-scale reactor design, gas pollutant control, solid residue utilization, etc. However, the relatively new gasification technologies are technically immature and lack real commercial applications. Hence, a great deal of effort is still needed to carry out in-depth fundamental research. The extensive research has also proven that various influencing factors (such as coal type, temperature, pressure, gasification agents, catalysts, etc.) generate different impacts on the gasification performance of new gasification technologies, thus in-depth understanding of different gasification processes and optimizing key influencing factors are crucial to promote the development of various new gasification technologies.
Unlike the direct combustion of coal, various gasification technologies are effective for producing hydrogen-rich syngas, making it tricky to determine which gasification technology is more suitable for hydrogen production and how it depends on the influencing factors, such as operating conditions, coal types, catalysts, etc. Generally, the hydrogen yield resulting from conventional commercial gasification technology is approximately 30%. However, it is widely agreed that supercritical gasification can theoretically produce more hydrogen, with hydrogen yield exceeding 50%. While plasma gasification focuses more on efficient coal conversion and lower pollutant emissions due to the highest reaction temperature, the corresponding amount of hydrogen is approximately 30–40%; chemical-looping gasification focuses more on replacing pure oxygen with an oxygen carrier, avoiding the energy demand of oxygen production by air separation. This technology is basically consistent with conventional gasification technology in hydrogen production. Decoupling gasification maximizes the utilization of coal components in the form of polygeneration, and the range of hydrogen released is relatively wide, depending on the type of gasification agents used for decoupling gasification. Based on the differences and characteristics, various gasification technologies exhibit enormous application potential and growth space. In the future, more suitable gasification technologies will be selected based on different application scenarios and raw material systems.
The generation of CO2 emissions during gasification is inevitable. CO2 is generally diluted by mixing with other gas products, such as CO and H2, resulting in high energy demand and cost for CO2 capture and separation. Considering the reactivity of CO2 at high temperatures, the employment of CO2 as a gasification agent can achieve the resource utilization of CO2 and mitigate carbon emissions simultaneously. Additionally, CO2 and H2 can be further enriched through the water shift reaction, leading to a significant reduction in energy demand and cost for subsequent CO2 separation. Much research on the optimization of operating conditions, catalytic gasification, and reaction mechanism has also proved the feasibility and huge potential of the char–CO2 gasification technology. Therefore, the decoupling gasification technology based on char–CO2 gasification is an important trend for realizing efficient and clean conversion and utilization of coal, CO2 emission reduction, and hydrogen production simultaneously.
Author Contributions
Writing—review and editing, F.D.; Writing—original draft preparation, S.Z.; Literature investigation, Y.L. (Yuanpei Luo); Results and discussion, K.W.; Supervision, Y.L. (Yanrong Liu); Article modification and results verification, X.J. All authors have read and agreed to the published version of the manuscript.
Funding
This work was supported by Special Projects of the Chinese Academy of Sciences (NO. XD A29010600), the Basic Science Center Program for Ordered Energy Conversion of the National Natural Science Foundation of China (No. 51888103), National Nature Science Foundation of China (No. 22208348).
Data Availability Statement
The authors confirm that the data supporting the findings of this review are available within the article.
Acknowledgments
The authors personally appreciate the editors and reviewers for their constructive and detailed critiques that contributed to the quality of this paper.
Conflicts of Interest
The authors declare no conflict of interest.
References
- BP Statistical Review of World Energy. 2022, 71st edition. Available online: https:/www.bp.com/statisticalreview (accessed on 10 May 2023).
- Perera, F.; Nadeau, K. Climate change, fossil-fuel pollution, and children’s health. N. Engl. J. Med. 2022, 386, 2303–2314. [Google Scholar] [CrossRef]
- Yapatake Kossele, T.P.; Ndjakwa Tonga, M.; Ngaba Mbai-Akem, M.G. Eco-friendly environment in Cameroon: Does an increase in fossil fuel energy consumption influence economic growth? AJSTID 2020, 12, 759–769. [Google Scholar] [CrossRef]
- Smit, B.; Garcia, S. Carbon capture and storage: Making fossil fuels great again? Europhys. News 2020, 51, 20–22. [Google Scholar] [CrossRef]
- Friedlingstein, P. Global carbon budgets: Determining limits on fossil fuel emissions. Weather 2020, 75, 210–211. [Google Scholar] [CrossRef]
- Guo, L.; Yan, H.; Li, Y.; Chen, X.; Liu, F. Analysis and control technology of blue smoke in coal-fired power plants. IOP Conf. Ser. Earth Env. Sci. 2020, 446, 032051–032057. [Google Scholar] [CrossRef]
- Rashedi, A.; Khanam, T.; Jonkman, M. On reduced consumption of fossil fuels in 2020 and its consequences in global environment and exergy demand. Energies 2020, 13, 6048. [Google Scholar] [CrossRef]
- International Energy Agency. Global Energy Review: CO2 Emissions in 2021. 2021. Available online: https://www.iea.org/reports/global-energy-review-2021 (accessed on 10 May 2023).
- He, S.; Li, S.; Gao, L. Proposal and energy saving analysis of novel methanol–electricity polygeneration system based on staged coal gasification method. Energy Convers. Manag. 2021, 233, 113931–113945. [Google Scholar] [CrossRef]
- Wang, W.; Li, Z.; Lyu, J.; Zhang, H.; Yue, G.; Ni, W. An overview of the development history and technical progress of China’s coal-fired power industry. Front. Energy 2019, 13, 417–426. [Google Scholar] [CrossRef]
- Sixth Assessment Report -IPCC: Technical Summary. 2021. Available online: https://www.ipcc.ch/report/ar6/wg2/chapter/technical-summary/ (accessed on 10 May 2023).
- Yadav, S.; Mondal, S.S. A complete review based on various aspects of pulverized coal combustion. Int. J. Energy Res. 2019, 43, 3134–3165. [Google Scholar] [CrossRef]
- Fan, L.; Li, F.; Ramkumar, S. Utilization of chemical looping strategy in coal gasification processes. Particuology 2008, 6, 131–142. [Google Scholar] [CrossRef]
- Hammond, G.P.; Akwe, S.S.O.; Williams, S. Techno-economic appraisal of fossil-fuelled power generation systems with carbon dioxide capture and storage. Energy 2011, 36, 975–984. [Google Scholar] [CrossRef]
- Huang, B.; Xu, S.; Gao, S.; Liu, L.; Tao, J.; Niu, H.; Cai, M.; Cheng, J. Industrial test and techno-economic analysis of CO2 capture in Huaneng Beijing coal-fired power station. Appl. Energy 2010, 87, 3347–3354. [Google Scholar] [CrossRef]
- Zhou, C.; He, K.; Lv, W.; Chen, Y.; Tang, S.; Liu, C.; Yue, H.; Liang, B. Energy and economic analysis for post-combustion CO2 capture using amine-functionalized adsorbents in a temperature vacuum swing process. Energy Fuels 2018, 33, 1774–1784. [Google Scholar] [CrossRef]
- Li, Y.; Guo, L.; Zhang, X.; Jin, H.; Lu, Y. Hydrogen production from coal gasification in supercritical water with a continuous flowing system. Int. J. Hydrogen Energy 2010, 35, 3036–3045. [Google Scholar] [CrossRef]
- Matamba, T.; Iglauer, S.; Keshavarz, A. A progress insight of the formation of hydrogen rich syngas from coal gasification. J. Energy Inst. 2022, 105, 81–102. [Google Scholar] [CrossRef]
- Ismail, T.M.; Shi, M.; Xu, J.; Chen, X.; Wang, F.; El-Salam, M.A. Assessment of coal gasification in a pressurized fixed bed gasifier using an ASPEN plus and Euler–Euler model. Int. J. Coal Sci. Technol. 2020, 7, 516–535. [Google Scholar] [CrossRef]
- Li, R.; Xie, M.; Jin, H.; Guo, L.; Liu, F. Effect of swirl on gasification characteristics in an entrained-flow coal gasifier. Int. J. Chem. React. Eng. 2020, 18. [Google Scholar] [CrossRef]
- Makoba, M.; Botha, D.E.; Rapoo, M.T.; Szabó, L.Z.; Shomana, T.; Agachi, P.S.; Muzenda, E. A Review on botswana coal potential from a pyrolysis and gasification perspective. Period. Polytech. Chem. 2020, 65, 80–96. [Google Scholar] [CrossRef]
- Kim, J.; Choi, H.; Lim, J.; Rhim, Y.; Chun, D.; Kim, S.; Lee, S.; Yoo, J. Hydrogen production via steam gasification of ash free coals. Int. J. Hydrogen Energy 2013, 38, 6014–6020. [Google Scholar] [CrossRef]
- Kato, K.; Matsueda, K. Leading edge of coal utilization technologies for gasification and cokemaking. KONA Powder Part. J. 2018, 35, 112–121. [Google Scholar] [CrossRef]
- Fan, C.; Jin, H. A numerical study on gasification of a single char particle in supercritical water for hydrogen production. Fuel 2020, 268, 117399–117410. [Google Scholar] [CrossRef]
- Jin, H.; Fan, C.; Guo, L.; Liu, S.; Cao, C.; Wang, R. Experimental study on hydrogen production by lignite gasification in supercritical water fluidized bed reactor using external recycle of liquid residual. Energy Convers. Manag. 2017, 145, 214–219. [Google Scholar] [CrossRef]
- Zhang, Y.; Jin, B.; Zou, X.; Zhao, H. A clean coal utilization technology based on coal pyrolysis and chemical looping with oxygen uncoupling: Principle and experimental validation. Energy 2016, 98, 181–189. [Google Scholar] [CrossRef]
- Wang, P.; Means, N.; Shekhawat, D.; Berry, D.; Massoudi, M. Chemical-looping combustion and gasification of coals and oxygen carrier development: A brief review. Energies 2015, 8, 10605–10635. [Google Scholar] [CrossRef]
- Zhang, J.; Wang, Y.; Dong, L.; Gao, S.; Xu, G. Decoupling gasification: Approach principle and technology justification. Energy Fuels 2010, 24, 6223–6232. [Google Scholar] [CrossRef]
- Yoon, S.J.; Goo Lee, J. Syngas Production from coal through microwave plasma gasification: Influence of oxygen, steam, and coal particle size. Energy Fuels 2011, 26, 524–529. [Google Scholar] [CrossRef]
- Hrycak, B.; Czylkowski, D.; Miotk, R.; Dors, M.; Jasinski, M.; Mizeraczyk, J. Application of atmospheric pressure microwave plasma source for hydrogen production from ethanol. Int. J. Hydrogen Energy 2014, 39, 14184–14190. [Google Scholar] [CrossRef]
- Jain, V.; Visani, A.; Patil, C.; Patel, B.K.; Sharma, P.K.; John, P.I.; Nema, S.K. Gliding arc triggered microwave plasma arc at atmospheric pressure for coal gasification application. Int. J. Mod. Phys. Conf. Ser. 2014, 32, 146345–1460353. [Google Scholar] [CrossRef]
- Bazaluk, O.; Lozynskyi, V.; Falshtynskyi, V.; Saik, P.; Dychkovskyi, R.; Cabana, E. Experimental studies of the effect of design and technological solutions on the intensification of an underground coal gasification process. Energies 2021, 14, 4369. [Google Scholar] [CrossRef]
- Kačur, J.; Laciak, M.; Durdán, M.; Flegner, P. Model-free control of UCG based on continual optimization of operating variables: An experimental study. Energies 2021, 14, 4323. [Google Scholar] [CrossRef]
- Saik, P.; Berdnyk, M. Mathematical model and methods for solving heat-transfer problem during underground coal gasification. Min. Miner. Depos. 2022, 16, 87–94. [Google Scholar] [CrossRef]
- Diao, R.; Li, S.; Deng, J.; Zhu, X. Interaction and kinetic analysis of co-gasification of bituminous coal with walnut shell under CO2 atmosphere: Effect of inorganics and carbon structures. Renew. Energy 2021, 173, 177–187. [Google Scholar] [CrossRef]
- Yang, X.; Liang, Z.; Chen, H.; Wang, J.; Mu, X. Effects of K2CO3 and Ca(OH)2 on CO2 gasification of char with high alkali and alkaline earth metal content and study of different kinetic models. Therm. Sci. 2022, 26, 119–133. [Google Scholar] [CrossRef]
- Lv, P.; Wang, J.; Bai, Y.; Song, X.; Su, W.; Yu, G.; Ma, Y. CO2 gasification of petroleum coke with use of iron-based waste catalyst from F-T synthesis. Thermochim. Acta 2022, 711, 179205–179215. [Google Scholar] [CrossRef]
- Oh, G.; Ra, H.W.; Yoon, S.M.; Mun, T.Y.; Seo, M.W.; Lee, J.G.; Yoon, S.J. Gasification of coal water mixture in an entrained-flow gasifier: Effect of air and oxygen mixing ratio. Appl. Therm. Eng. 2018, 129, 657–664. [Google Scholar] [CrossRef]
- Zhang, H.; Zhu, Z.; Dong, Q.; Yu, K.; Lu, Q. Structural properties and gasification reactivity of Shenmu fly ash obtained from a 5t/d circulating fluidized bed gasifier. Procedia Eng. 2015, 102, 1104–1111. [Google Scholar] [CrossRef]
- Midilli, A.; Kucuk, H.; Topal, M.E.; Akbulut, U.; Dincer, I. A comprehensive review on hydrogen production from coal gasification: Challenges and Opportunities. Int. J. Hydrogen Energy 2021, 46, 25385–25412. [Google Scholar] [CrossRef]
- Singh, A.; Rawat, K.S.; Nautiyal, O.P.; Chavdal, T.V. Energy Resources Development, and Management: Biomass to Fuel Conversion Techniques; Bishen Singh Mahendra Pal Singh Publisher: Uttarakhand, India, 2016; pp. 155–194. [Google Scholar]
- Zeng, X.; Wang, Y.; Yu, J.; Wu, S.; Han, J.; Xu, S.; Xu, G. Gas Upgrading in a downdraft fixed-bed reactor downstream of a fluidized-bed coal pyrolyzer. Energy Fuels 2011, 25, 5242–5249. [Google Scholar] [CrossRef]
- Choudhury, H.A.; Chakma, S.; Moholkar, V.S. Recent Advances in Thermo-Chemical Conversion of Biomass; Elsevier: Amsterdam, The Netherlands, 2015. [Google Scholar]
- Bridgwater, A.V. Renewable fuels and chemicals by thermal processing of biomass. Chem. Eng. J. 2003, 91, 87–102. [Google Scholar] [CrossRef]
- Arena, U. Fluidized Bed Technologies for Near-Zero Emission Combustion and Gasification; Woodhead Publishing Inc.: Duxford, UK, 2013; pp. 765–812. [Google Scholar]
- Zhang, J.; Zhao, Z.; Zhang, G.; Xi, Z.; Zhao, F.; Dong, L.; Xu, G. Pilot study on jetting pre-oxidation fluidized bed gasification adapting to caking coal. Appl. Energy 2013, 110, 276–284. [Google Scholar] [CrossRef]
- Hrbek, J.; Whitty, K. Fluidized Bed Conversion of Biomass and Waste. IEA Bioenergy Task 33 Workshop: Gasification of Biomass and Waste; Skive, Denmark, 2017. [Google Scholar]
- Pettinau, A.; Orsini, A.; Calì, G.; Ferrara, F. The Sotacarbo coal gasification experimental plant for a CO2-free hydrogen production. Int. J. Hydrogen Energy 2010, 35, 9836–9844. [Google Scholar] [CrossRef]
- Maitlo, G. Computational fluid dynamic (CFD) simulation of thar lignite coal and sugarcane bagasse in entrained flow gasifier. Pak. J. Anal. Environ. Chem. 2019, 20, 141–150. [Google Scholar] [CrossRef]
- Bae, J.S.; Lee, D.W.; Park, S.J.; Lee, Y.J.; Hong, J.C.; Ra, H.W.; Han, C.; Choi, Y.C. High-pressure gasification of coal water ethanol slurry in an entrained flow gasifier for bioethanol application. Energy Fuels 2012, 26, 6033–6039. [Google Scholar] [CrossRef]
- Ghassemi, H.; Mostafavi, S.; Shahsavan-Markadeh, R. Modeling of high-ash coal gasification in an entrained-flow gasifier and an IGCC plant. J. Energy Eng. 2016, 142, 04015052. [Google Scholar] [CrossRef]
- Shen, Z.; Nikolic, H.; Caudill, L.S.; Liu, K. A deep insight on the coal ash-to-slag transformation behavior during the entrained flow gasification process. Fuel 2021, 289, 119953–119966. [Google Scholar] [CrossRef]
- Higman, C. Gasification Process Technology: Advances in Clean Hydrocarbon Fuel Processing; Woodhead Publishing Inc.: Duxford, UK, 2011; Volume 155. [Google Scholar]
- Li, N.; Li, Y.; Zhou, H.; Liu, Y.; Song, Y.; Zhi, K.; He, R.; Yang, K.; Liu, Q. Direct production of high hydrogen syngas by steam gasification of Shengli lignite/chars: Significant catalytic effect of calcium and its possible active intermediate complexes. Fuel 2017, 203, 817–824. [Google Scholar] [CrossRef]
- Smoliński, A.; Howaniec, N.; Stańczyk, K. A comparative experimental study of biomass, lignite and hard coal steam gasification. Renew. Energy 2011, 36, 1836–1842. [Google Scholar] [CrossRef]
- Jeong, Y.S.; Choi, Y.K.; Park, K.B.; Kim, J.S. Air co-gasification of coal and dried sewage sludge in a two-stage gasifier: Effect of blending ratio on the producer gas composition and tar removal. Energy 2019, 185, 708–716. [Google Scholar] [CrossRef]
- Rudra Paul, T.; Nath, H.; Chauhan, V.; Sahoo, A. Gasification studies of high ash Indian coals using Aspen plus simulation. Mater. Today: Proc. 2021, 46, 6149–6155. [Google Scholar] [CrossRef]
- Li, G.; Liu, Z.; Liu, F.; Weng, Y.; Ma, S.; Zhang, Y. Thermodynamic analysis and techno-economic assessment of synthetic natural gas production via ash agglomerating fluidized bed gasification using coal as fuel. Int. J. Hydrogen Energy 2020, 45, 27359–27368. [Google Scholar] [CrossRef]
- Shahabuddin, M.; Kibria, M.A.; Bhattacharya, S. Evaluation of high-temperature pyrolysis and CO2 gasification performance of bituminous coal in an entrained flow gasifier. J. Energy Inst. 2021, 94, 294–309. [Google Scholar] [CrossRef]
- He, S.; Gao, L.; Dong, R.; Li, S. A novel hydrogen production system based on the three-step coal gasification technology thermally coupled with the chemical looping combustion process. Int. J. Hydrogen Energy 2022, 47, 7100–7112. [Google Scholar] [CrossRef]
- Faki, E.; Üzden, Ş.T.; Seçer, A.; Hasanoğlu, A. Hydrogen production from low temperature supercritical water Co-Gasification of low rank lignites with biomass. Int. J. Hydrogen Energy 2022, 47, 7682–7692. [Google Scholar] [CrossRef]
- Yu, J.; Jiang, C.; Guan, Q.; Gu, J.; Ning, P.; Miao, R.; Chen, Q.; Zhang, J. Conversion of low-grade coals in sub-and supercritical water: A review. Fuel 2018, 217, 275–284. [Google Scholar] [CrossRef]
- Pan, P.; Peng, W.; Li, J.; Chen, H.; Xu, G.; Liu, T. Design and evaluation of a conceptual waste-to-energy approach integrating plasma waste gasification with coal-fired power generation. Energy 2022, 238, 121947–121964. [Google Scholar] [CrossRef]
- Serov, A.A.; Hrabovsky, M.; Kopecky, V.; Maslani, A.; Hlina, M.; Hurba, O. Lignite gasification in thermal steam plasma. Plasma Chem. Plasma Process. 2019, 39, 395–406. [Google Scholar] [CrossRef]
- Wang, B.; Li, H.; Wang, W.; Luo, C.; Mei, D. Chemical looping combustion of lignite with the CaSO4–CoO mixed oxygen carrier. J. Energy Inst. 2020, 93, 1229–1241. [Google Scholar] [CrossRef]
- Li, T.; Chen, Y.; Wu, Q.; Wang, W. Chemical looping co-gasification of lignite and rice husk for syngas generation with a Co decorated Cu-based oxygen carrier. Energy Sour. Part A 2020, 162. [Google Scholar] [CrossRef]
- Li, M.; Sun, L.; Chen, L.; Feng, H.; Zhao, B.; Yang, S.; Xie, X.; Zhang, X. Syngas production from biomass chemical looping gasification with Fe2O3–CaO oxygen carrier. J. Therm. Anal. Calorim. 2021, 147, 7811–7817. [Google Scholar] [CrossRef]
- Janajreh, I.; Adeyemi, I.; Raza, S.S.; Ghenai, C. A review of recent developments and future prospects in gasification systems and their modeling. Renew. Sust. Energy Rev. 2021, 138, 110505–110532. [Google Scholar] [CrossRef]
- Guo, L.; Jin, H.; Lu, Y. Supercritical water gasification research and development in China. J. Supercrit. Fluids 2015, 96, 144–150. [Google Scholar] [CrossRef]
- Chen, J.; Wang, Q.; Xu, Z.; E, J.; Leng, E.; Zhang, F.; Liao, G. Process in supercritical water gasification of coal: A review of fundamentals, mechanisms, catalysts and element transformation. Energy Conv. Manag. 2021, 237, 114122–114146. [Google Scholar] [CrossRef]
- Jin, H.; Chen, Y.; Ge, Z.; Liu, S.; Ren, C.; Guo, L. Hydrogen production by Zhundong coal gasification in supercritical water. Int. J. Hydrogen Energy 2015, 40, 16096–16103. [Google Scholar] [CrossRef]
- Fan, C.; Jin, H.; Shang, F.; Feng, H.; Sun, J. Study on the surface structure development of porous char particles in catalytic supercritical water gasification process. Fuel Process. Technol. 2019, 193, 73–81. [Google Scholar] [CrossRef]
- Wang, R.; Lu, L.; Zhang, D.; Wei, W.; Jin, H.; Guo, L. Effects of alkaline metals on the reactivity of the carbon structure after partial supercritical water gasification of coal. Energy Fuels 2020, 34, 13916–13923. [Google Scholar] [CrossRef]
- Ge, Z.; Guo, L.; Jin, H. Catalytic supercritical water gasification mechanism of coal. Int. J. Hydrogen Energy 2020, 45, 9504–9511. [Google Scholar] [CrossRef]
- Fan, C.; Guo, S.; Jin, H. Numerical study on coal gasification in supercritical water fluidized bed and exploration of complete gasification under mild temperature conditions. Chem. Eng. Sci. 2019, 206, 134–145. [Google Scholar] [CrossRef]
- Su, X.; Jin, H.; Guo, L.; Guo, S.; Ge, Z. Experimental study on Zhundong coal gasification in supercritical water with a quartz reactor: Reaction kinetics and pathway. Int. J. Hydrogen Energy 2015, 40, 7424–7432. [Google Scholar] [CrossRef]
- Chen, J.; Pan, X.; Li, H.; Jin, H.; Fan, J. Molecular dynamics investigation on the gasification of a coal particle in supercritical water. Int. J. Hydrogen Energy 2020, 45, 4254–4267. [Google Scholar] [CrossRef]
- Chen, J.; Wang, L.; Cheng, Z.; Lu, L.; Guo, L.; Jin, H.; Zhang, D.; Wang, R.; Liu, S. Performance simulation and thermodynamics analysis of hydrogen production based on supercritical water gasification of coal. Int. J. Hydrogen Energy 2021, 46, 28474–28485. [Google Scholar] [CrossRef]
- Jin, H.; Fan, C.; Guo, L.; Zhao, X.; Cao, C.; Wei, W. Pore Structure and its evolution in char during supercritical water gasification process. J. Porous Media 2019, 22, 195–207. [Google Scholar] [CrossRef]
- Feng, H.; Sun, J.; Jin, H.; Kou, J.; Guo, L. Char suppression mechanism using recycled intermediate phenol in supercritical water gasification of coal. Fuel 2021, 305, 121441–121452. [Google Scholar] [CrossRef]
- Feng, H.; Ren, Y.; Fan, C.; Lu, L.; Wei, W.; Jin, H.; Guo, L. Regulation mechanism of coal gasification in supercritical water for hydrogen production: A ReaxFF-MD simulation. Int. J. Hydrogen Energy 2022, 47, 31255–31268. [Google Scholar] [CrossRef]
- Feng, H.; Kou, J.; Wang, C.; Jin, H.; Guo, L. Insight into the internal relevance of three-phase products in supercritical water gasification of coal. Fuel 2022, 327, 125026–125039. [Google Scholar] [CrossRef]
- Liu, S.; Guo, L.; Jin, H.; Li, L.; Li, G.; Yu, L. Hydrogen production by supercritical water gasification of coal: A reaction kinetic model including nitrogen and sulfur elements. Int. J. Hydrogen Energy 2020, 45, 31732–31744. [Google Scholar] [CrossRef]
- Verma, B.K.; Rajeshkannan, E.; Renganathan, T.; Pushpavanam, S. A hybrid thermo-kinetic model for high temperature plasma gasification. AIChE J. 2018, 64, 2592–2602. [Google Scholar] [CrossRef]
- Zhao, F.; Li, S.; Ren, Y.; Yao, Q.; Yuan, Y. Investigation of mechanisms in plasma-assisted ignition of dispersed coal particle streams. Fuel 2016, 186, 518–524. [Google Scholar] [CrossRef]
- Uhm, H.S.; Na, Y.H.; Hong, Y.C.; Shin, D.H.; Cho, C.H.; Park, Y.K. High-efficiency gasification of low-grade coal by microwave steam Pplasma. Energy Fuels 2014, 28, 4402–4408. [Google Scholar] [CrossRef]
- Sanlisoy, A.; Ozdinc Carpinlioglu, M. Microwave plasma gasification of a variety of fuel for syngas production. Plasma Chem. Plasma Process. 2019, 39, 1211–1225. [Google Scholar] [CrossRef]
- Ibrahimoglu, B.; Yilmazoglu, M.Z. Numerical modeling of a downdraft plasma coal gasifier with plasma reactions. Int. J. Hydrogen Energy 2020, 45, 3532–3548. [Google Scholar] [CrossRef]
- Lelievre, C.; Pickles, C.A.; Hultgren, S. Plasma-augmented fluidized bed gasification of sub-bituminous coal in CO2–O2 atmospheres. High Temp. Mater. Process. 2016, 35, 89–101. [Google Scholar] [CrossRef]
- Messerle, V.E.; Ustimenko, A.B.; Lavrichshev, O.A. Comparative study of coal plasma gasification: Simulation and experiment. Fuel 2016, 164, 172–179. [Google Scholar] [CrossRef]
- Sakhraji, M.; Ramos, A.; Monteiro, E.; Bouziane, K.; Rouboa, A. Plasma gasification process using computational fluid dynamics modeling. Energy Rep. 2022, 8, 1541–1549. [Google Scholar] [CrossRef]
- Lee, H.G.; Park, H.W.; Choi, S.; Park, H.S.; Park, D.W. Production of synthesis gas from coal by DC non-transferred steam plasma gasification system. J. Chem. Eng. Jpn. 2014, 47, 334–339. [Google Scholar] [CrossRef]
- Okati, A.; Reza Khani, M.; Shokri, B.; Monteiro, E.; Rouboa, A. Parametric studies over a plasma co-gasification process of biomass and coal through a restricted model in Aspen plus. Fuel 2023, 331, 125952–125960. [Google Scholar] [CrossRef]
- Popov, V.E.; Subbotin, D.I.; Surov, A.V.; Popov, S.D.; Serba, E.O.; Godina, E.P.; Kiselev, A.A. Co-gasification of lignite and used car tires by H2O/air thermal plasma. J. Phys. Conf. Ser. 2019, 1243, 012010–012016. [Google Scholar] [CrossRef]
- Gherardi, N.; Mizeraczyk, J.; Jasiński, M.; Marotta, E.; Paradisi, C. Plasma processing methods for hydrogen production. Eur. Phys. J. Appl. Phys. 2016, 75, 24702–24709. [Google Scholar]
- Guo, Q.; Hu, X.; Liu, Y.; Jia, W.; Yang, M.; Wu, M.; Tian, H.; Ryu, H.-J. Coal chemical-looping gasification of Ca-based oxygen carriers decorated by CaO. Powder Technol. 2015, 275, 60–68. [Google Scholar] [CrossRef]
- Wei, G.; Wang, H.; Zhao, W.; Huang, Z.; Yi, Q.; He, F.; Zhao, K.; Zheng, A.; Meng, J.; Deng, Z.; et al. Synthesis gas production from chemical looping gasification of lignite by using hematite as oxygen carrier. Energy Conv. Manag. 2019, 185, 774–782. [Google Scholar] [CrossRef]
- Liu, Y.; Zhang, X.; Gao, M.; Hu, X.; Guo, Q. Effect of coal ash on Fe-based oxygen carrier in coal char chemical looping gasification. Int. J. Chem. React. Eng. 2019, 17. [Google Scholar] [CrossRef]
- Yang, J.; Ma, L.; Yang, J.; Xiang, H.; Liu, H.; Guo, Z. Mechanism of lignite-to-pure syngas low temperature chemical looping gasification synergistic in situ S capture. Fuel 2018, 222, 675–686. [Google Scholar] [CrossRef]
- Liu, T.; Yu, Z.; Mei, Y.; Feng, R.; Yang, S.; Wang, Z.; Fang, Y. Potassium migration and transformation during the deep reduction of oxygen carrier (OC) by char in coal-direct chemical looping hydrogen generation using potassium-modified Fe2O3/Al2O3 OC. Fuel 2019, 256, 115883–115892. [Google Scholar] [CrossRef]
- Yang, J.; Ma, L.; Yang, J.; Liu, H.; Liu, S.; Yang, Y.; Mu, L.; Wei, Y.; Ao, R.; Guo, Z.; et al. Thermodynamic and kinetic analysis of CuO-CaSO4 oxygen carrier in chemical looping gasification. Energy 2019, 188, 116109–116123. [Google Scholar] [CrossRef]
- An, M.; Guo, Q.; Ma, J.; Hu, X. Chemical-looping gasification of coal with CuFe2O4 oxygen carriers: The reaction characteristics and structural evolution. Can. J. Chem. Eng. 2020, 98, 1512–1524. [Google Scholar] [CrossRef]
- Kun, Z.; He, D.; Guan, J.; Shan, L.; Wu, Z.; Zhang, Q. Coal gasification using chemical looping with varied metal oxides as oxygen carriers. Int. J. Hydrogen Energy 2020, 45, 10696–10708. [Google Scholar] [CrossRef]
- Zhao, K.; Fang, X.; Huang, Z.; Wei, G.; Zheng, A.; Zhao, Z. Hydrogen-rich syngas production from chemical looping gasification of lignite by using NiFe2O4 and CuFe2O4 as oxygen carriers. Fuel 2021, 303, 121269–121279. [Google Scholar] [CrossRef]
- Qi, B.; Xia, Z.; Huang, G.Y.; Wang, W. Study of chemical looping co-gasification (CLCG) of coal and rice husk with an iron-based oxygen carrier via solid–solid reactions. J. Energy Inst. 2019, 92, 382–390. [Google Scholar] [CrossRef]
- Wei, G.; Yang, M.; Huang, Z.; Bai, H.; Chang, G.; He, F.; Yi, Q.; Huang, Y.; Zheng, A.; Zhao, K.; et al. Syngas production from lignite via chemical looping gasification with hematite oxygen carrier enhanced by exogenous metals. Fuel 2022, 321, 124119–124128. [Google Scholar] [CrossRef]
- Kun, Z.; He, D.; Guan, J.; Wang, Q.; Li, X.; Shang, J.; Zhang, Q. Interaction between bimetallic composite oxygen carriers and coal and its contribution to coal direct chemical looping gasification. Int. J. Hydrogen Energy 2020, 45, 19052–19066. [Google Scholar] [CrossRef]
- Yang, J.; Ren, Y.; Lu, J.; Liu, H.; Zhang, Z.; Pang, H.; Bounkhong, K. Chemical looping gasification with a CuFe2O4-enhanced phosphogypsum oxygen carrier during reduction in a fluidized bed reactor. Chem. Eng. J. 2021, 426, 131346–131360. [Google Scholar] [CrossRef]
- Wang, Y.; Niu, P.; Zhao, H. Chemical looping gasification of coal using calcium ferrites as oxygen carrier. Fuel Process. Technol. 2019, 192, 75–86. [Google Scholar] [CrossRef]
- Meng, F.; Li, X.; Qiu, S.; Li, J.; Wang, H.; Hu, G. Study on hydrogen production of ZhunDong coal using chemical looping with Cu-Fe as oxygen carrier. Combust. Sci. Technol. 2021, 194, 3188–3205. [Google Scholar] [CrossRef]
- Wei, X.; An, M.; Yuan, N.; Sun, X.; Guo, Q. Investigation of chemical-looping gasification characteristics of chinese western coals with hematite-CuO oxygen carrier. E3S Web of Conf. 2020, 213, 01002. [Google Scholar] [CrossRef]
- Cui, Z.; Sun, S.; Zhang, H.; Liu, B.; Tian, W.; Guo, Q. Comprehensive optimization of coal chemical looping gasification process for low CO2 emission based on multi-scale simulation coupled experiment. Fuel 2022, 324, 124464–124475. [Google Scholar] [CrossRef]
- Cui, Z.; Tian, W.; Zhang, H.; Guo, Q. Multi-scale modeling and control of chemical looping gasification coupled coal pyrolysis system for cleaner production of synthesis gas. J. Clean. Prod. 2021, 299, 126903–126918. [Google Scholar] [CrossRef]
- Xie, F.; An, M.; Li, P.; Hu, X.; Bai, H.; Guo, Q. Simulation study on the gasification process of Ningdong coal with iron-based oxygen carrier. Chin. J. Chem. Eng. 2021, 29, 326–334. [Google Scholar] [CrossRef]
- Zhu, X.; Zhang, J.; Yan, J.; Shen, L. Characteristic evaluation and process simulation of CuFe2O4 as oxygen carriers in coal chemical looping gasification. ACS Omega 2021, 6, 4783–4792. [Google Scholar] [CrossRef]
- Yang, J.; Liu, S.; Guo, Z.; Ao, R.; Dai, Q.; Sun, Y.; Deng, Z.; Tan, X.; Yang, Y.; Ma, L. Fluidization and reaction behavior in chemical looping gasification of lignite. Sustain. Energy Fuels 2021, 5, 3656–3665. [Google Scholar] [CrossRef]
- Li, B.; Wang, S.; Yang, X.; Wu, Q.; He, Y. Thermodynamic evaluation of sorption-enhanced chemical looping gasification with coal as fuel. Int. J. Hydrogen Energy 2020, 45, 21186–21194. [Google Scholar] [CrossRef]
- Xia, Z.; Wang, W.; Wang, G. Study of the crystal structure effect and mechanism during chemical looping gasification of coal. J. Energy Inst. 2019, 92, 1284–1293. [Google Scholar] [CrossRef]
- An, M.; Guo, Q.; Wei, X. Reaction mechanism of H2S with Hg0 on CuFe2O4 oxygen carrier with oxygen vacancy structure during coal chemical looping gasification. Fuel 2023, 333, 126477–126488. [Google Scholar] [CrossRef]
- Zhang, B.; Yang, B.; Guo, W.; Wu, S.; Zhang, J.; Wu, Z. Chemical looping gasification of maceral from low-rank coal: Products distribution and kinetic analysis on vitrinite. Chin. J. Chem. Eng. 2021, 36, 233–241. [Google Scholar] [CrossRef]
- Zhang, R.; Liu, D.; Wang, Q.; Luo, Z.; Fang, M.; Cen, K. Coal Char Gasification on a Circulating Fluidized Bed for Hydrogen Generation: Experiments and Simulation. Energy Technol. 2015, 3, 1059–1067. [Google Scholar] [CrossRef]
- Zhang, R.; Chen, Y.; Lei, K.; Ye, B.; Cao, J.; Liu, D. Thermodynamic and economic analyses of a novel coal pyrolysis-gasification-combustion staged conversion utilization polygeneration system. Asia-Pac. J. Chem. Eng. 2018, 13. [Google Scholar] [CrossRef]
- Lee, J.W.; Yun, Y.; Chung, S.W.; Kang, S.H.; Ryu, J.H.; Kim, G.T.; Kim, Y.J. Application of multiple swirl burners in pilot-scale entrained bed gasifier for short residence time. Fuel 2014, 117, 1052–1060. [Google Scholar] [CrossRef]
- Wang, D.; Li, S.; Gao, L.; Wu, H.; Jin, H. Novel coal-steam gasification with a thermochemical regenerative process for power generation. J. Energy Resour. Technol. 2018, 140, 092203–092212. [Google Scholar] [CrossRef]
- Zhang, R. Thermodynamic and economic analysis of a coal staged conversion utilization polygeneration system. Energy Technol. 2015, 3, 646–657. [Google Scholar] [CrossRef]
- Liu, Q.; Zhao, Y.J.; Huang, Y.; Pei, F.; Cui, Y.; Shi, L.J.; Chang, L.P.; Yi, Q. Pilot test of low-rank coal pyrolysis coupled with gasification to hydrogen-rich gas for direct reduced iron: Process modeling, simulation and thermodynamic analysis. Fuel 2023, 331, 125862–125874. [Google Scholar] [CrossRef]
- Wang, C.; Zhang, M.; Han, Z.; Bai, D.; Duo, W.; Bi, X.; Abudula, A.; Guan, G.; Xu, G. Pilot verification of a two-stage fluidized bed gasifier with a downer pyrolyzer using oxygen-rich air. Fuel 2022, 307, 121816–121825. [Google Scholar] [CrossRef]
- Zhang, L.; Zeng, X.; Wang, J.; Wang, F.; Zhang, J.; Guo, M.; Peng, C.; Wu, R.; Xu, G. Characteristics comparison of tar from lignite pyrolysis with inherent and simulated moisture for adopting a two-stage gasification process. Fuel 2019, 236, 695–708. [Google Scholar] [CrossRef]
- Zeng, X.; Wang, F.; Han, Z.; Han, J.; Zhang, J.; Wu, R.; Xu, G. Assessment of char property on tar catalytic reforming in a fluidized bed reactor for adopting a two-stage gasification process. Appl. Energy 2019, 248, 115–125. [Google Scholar] [CrossRef]
- Zeng, X.; Wang, F.; Han, Z.; Sun, Y.; Cui, Y.; Xu, G. Characterization and pilot scale test of a fluidized bed two-stage gasification process for the production of clean industrial fuel gas from low-rank coal. Carbon Resour. Convers. 2018, 1, 73–80. [Google Scholar] [CrossRef]
- Chen, Z.; Li, Y.; Lai, D.; Geng, S.; Zhou, Q.; Gao, S.; Xu, G. Coupling coal pyrolysis with char gasification in a multi-stage fluidized bed to co-produce high-quality tar and syngas. Appl. Energy 2018, 215, 348–355. [Google Scholar] [CrossRef]
- Zeng, X.; Wang, F.; Li, H.; Wang, Y.; Dong, L.; Yu, J.; Xu, G. Pilot verification of a low-tar two-stage coal gasification process with a fluidized bed pyrolyzer and fixed bed gasifier. Appl. Energy 2014, 115, 9–16. [Google Scholar] [CrossRef]
- Wu, H.; Li, S.; Gao, L.; Zhang, X.; Jin, H. Coal to dimethyl ether (DME) based on a new gasification technology by decomposing C and H components. In Proceedings of the 30th International Conference on Efficiency, Cost, Optimization, Simulation and Environmental Impact of Energy Systems- ECOS, San Diego CA, USA, 2–6 July 2017. [Google Scholar]
- Meng, D.; Wang, T.; Xu, J.; Chen, X. Diffusion effect and evolution of kinetic parameters during coal char-CO2 gasification. Fuel 2019, 255, 115819–115829. [Google Scholar] [CrossRef]
- Liu, L.; Kong, B.; Yang, J.; Liu, Q.; Liu, X. CO2 gasification kinetics and structural characteristics of Tri-high coal char prepared at elevated temperature. ACS Omega 2020, 5, 507–517. [Google Scholar] [CrossRef] [PubMed]
- Ellison, C.; Abdelsayed, V.; Smith, M.; Shekhawat, D. Comparative evaluation of microwave and conventional gasification of different coal types: Experimental reaction studies. Fuel 2022, 321, 124055–124065. [Google Scholar] [CrossRef]
- Lu, G.; Bai, Y.; Lv, P.; Wang, J.; Song, X.; Su, W.; Yu, G. Changes in active sites and reactivity induced by interactions among Ca, Si and Al during coal char gasification. Fuel 2022, 310, 122322–122329. [Google Scholar] [CrossRef]
- Zhang, Y.; Wang, H.; Wang, X. Structural Characteristics of lignite char from different pyrolysis reactors and the influence on their gasification reactivity. J. Braz. Chem. Soc. 2022, 33, 268–273. [Google Scholar] [CrossRef]
- Kim, Y.T.; Seo, D.K.; Hwang, J. Study of the effect of coal type and particle size on char–CO2 gasification via gas analysis. Energy Fuels 2011, 25, 5044–5054. [Google Scholar] [CrossRef]
- Hong, D.; Wang, Y.; Zhai, X. A ReaxFF study of the effect of pressure on the contribution of char-CO2 gasification to char conversion during pressurized oxy-fuel combustion. Fuel 2022, 329, 125439–125446. [Google Scholar] [CrossRef]
- Liu, R.; Zhang, Y.; Ling, Z.; Song, Y. Some new insights into the synergy occurring during char gasification in CO2/H2O mixtures. Fuel 2020, 268, 117307–117315. [Google Scholar] [CrossRef]
- Dudek, M.; Czerski, G.; Grzywacz, P.; Śpiewak, K.; Suwała, W.; Łopata, S.; Leszczyński, J. Comparison of CO2 gasification of coal in isothermal and non-isothermal conditions. E3S Web Conf. 2019, 108, 02017–02025. [Google Scholar] [CrossRef]
- Chun, Y.N.; Song, H.G. Microwave-induced carbon-CO2 gasification for energy conversion. Energy 2020, 190, 116386–116395. [Google Scholar] [CrossRef]
- Qiu, Q.; Pan, D.; Zhang, W.; Zeng, F.; Liu, L. Catalytic kinetics and mechanisms of KCl with different concentrations on gasification of coal char. Processes 2022, 10, 1357. [Google Scholar] [CrossRef]
- Uwaoma, R.C.; Strydom, C.A.; Bunt, J.R.; Okolo, G.N.; Matjie, R.H. The catalytic effect of Benfield waste salt on CO2 gasification of a typical South African Highveld coal. J. Therm. Anal. Calorim. 2018, 135, 2723–2732. [Google Scholar] [CrossRef]
- Lu, Q.; Guo, R.; Zhang, H.; Wang, J.-P.; Lu, T.; Li, G.-Y.; Liang, Y.-H. To stimulate, and to inhibit: A theoretical understanding of the sodium-catalytic mechanism of coke gasification. Chem. Eng. J. 2022, 435, 135091–135101. [Google Scholar] [CrossRef]
- Qin, Y.; He, Y.; Ren, W.; Gao, M.; Wiltowski, T. Catalytic effect of alkali metal in biomass ash on the gasification of coal char in CO2. J. Therm. Anal. Calorim. 2019, 139, 3079–3089. [Google Scholar] [CrossRef]
- Li, L.; Wang, Z.; Zhao, R.; Mei, Y.; Shi, W.; Liu, Z.; Huang, J.; Fang, Y. The different catalytic effects of Na species on char gas-ification and the reasons for this different. J. Therm. Anal. Calorim. 2021, 147, 5687–5699. [Google Scholar] [CrossRef]
- Geng, P.; Zhang, Y. Calcium deactivation during the char-CO2 gasification and its influence on determining the apparent reaction order. Chem. Eng. J. 2020, 395, 124955–124963. [Google Scholar] [CrossRef]
- Lan, C.; Liu, R.; Zhang, S.; Lyu, Q.; Gao, Y.; Yan, G. Influence mechanism of CaO on gasification characteristics and kinetic behaviors of carbon-CO2 reaction. Fuel 2022, 311, 122583–122592. [Google Scholar] [CrossRef]
- Yu, G.; Yu, D.; Liu, F.; Han, J.; Yu, X.; Wu, J.; Xu, M. Different impacts of magnesium on the catalytic activity of exchangeable calcium in coal gasification with CO2 and steam. Fuel 2020, 266, 117050–117060. [Google Scholar] [CrossRef]
- Wang, Z.; Pang, K.; Li, K.; Zhang, J.; Sun, M.; Han, B.; Jiang, C.; Li, H. Positive Catalytic Effect and Mechanism of Iron on the Gasification Reactivity of Coke using Thermogravimetry and Density Functional Theory. ISIJ Int. 2021, 61, 773–781. [Google Scholar] [CrossRef]
- Zhao, D.; Liu, H.; Lu, P.; Sun, B.; Guo, S.; Qin, M. DFT study of the catalytic effect of Fe on the gasification of char-CO2. Fuel 2021, 292, 120203–120219. [Google Scholar] [CrossRef]
- Zhang, X.; Song, X.; Wang, J.; Su, W.; Bai, Y.; Zhou, B.; Yu, G. CO2 gasification of Yangchangwan coal catalyzed by iron-based waste catalyst from indirect coal-liquefaction plant. Fuel 2021, 285, 119228–119236. [Google Scholar] [CrossRef]
- Wang, Q.; Luo, C.; Li, X.; Ding, H.; Shen, C.; Cao, D.; Zhang, L. Development of LaFeO3 modified with potassium as catalyst for coal char CO2 gasification. J. CO2 Util. 2019, 32, 163–169. [Google Scholar] [CrossRef]
- Xu, B.; Cao, Q.; Kuang, D.; Gasem, K.A.; Adidharma, H.; Ding, D.; Fan, M. Kinetics and mechanism of CO2 gasification of coal catalyzed by Na2CO3, FeCO3 and Na2CO3–FeCO3. J. Energy Inst. 2020, 93, 922–933. [Google Scholar] [CrossRef]
- Zhang, G.; Suo, X.L.; Sheng, J.G.; Tan, X. Influence of Different Catalysts on Coal Char-CO2 Gasification. IOP Conf. Ser. Earth Environ. Sci. 2021, 701, 012011–012018. [Google Scholar] [CrossRef]
- Mao, L.; Li, H.; Xia, B.; Liu, T.; Zhang, Y.; Zheng, M. Effect of Ca/Fe-based auxiliaries on anthracite char gasification under CO2 atmosphere: Synergistic catalysis. Thermochim. Acta 2022, 713, 179224–1799235. [Google Scholar] [CrossRef]
- Yao, Q.; Ma, M.; Liu, Y.; He, L.; Sun, M.; Ma, X. Pyrolysis characteristics of metal ion-exchanged Shendong coal and its char gasification performance. J. Anal. Appl. Pyrolysis 2021, 155, 105087–105098. [Google Scholar] [CrossRef]
- Wang, P.; Wang, C.A.; Wang, C.; Yuan, M.; Zhang, J.; Du, Y.; Che, D. Investigation on Co-casification characteristics of semicoke and bituminous coal in a CO2 atmosphere at high temperatures. Energy Fuels 2020, 34, 16132–16146. [Google Scholar] [CrossRef]
- Wang, Q.; Wang, E.; Li, K.; Husnain, N.; Li, D. Synergistic effects and kinetics analysis of biochar with semi-coke during CO2 co-gasification. Energy 2020, 191, 116528–116542. [Google Scholar] [CrossRef]
- Ren, L.; Wei, R.; Zhu, T. Co-gasification reactivity of petroleum coke with coal and coal liquefaction residue. J. Energy Inst. 2020, 93, 436–441. [Google Scholar] [CrossRef]
- Wei, J.; Gong, Y.; Guo, Q.; Chen, X.; Ding, L.; Yu, G. A mechanism investigation of synergy behaviour variations during blended char co-gasification of biomass and different rank coals. Renew. Energy 2019, 131, 597–605. [Google Scholar] [CrossRef]
- Kumari, N.; Saha, S.; Sahu, G.; Chauhan, V.; Roy, R.; Datta, S.; Chavan, P.D. Comparison of CO2 gasification reactivity and kinetics: Petcoke, biomass and high ash coal. Biomass- Convers. Biorefinery 2020, 12, 2277–2290. [Google Scholar] [CrossRef]
- Xu, T.; Wu, Y.; Bhattacharya, S. Gasification kinetic modelling of Victorian brown coal chars and validity for entrained flow gasification in CO2. Int. J. Min. Sci. Technol. 2021, 31, 473–481. [Google Scholar] [CrossRef]
- Irfan, M.F.; Usman, M.R.; Kusakabe, K. Coal gasification in CO2 atmosphere and its kinetics since 1948: A brief review. Energy 2011, 36, 12–40. [Google Scholar] [CrossRef]
- Roncancio, R.; Gore, J.P. CO2 char gasification: A systematic review from 2014 to 2020. Energy Convers. Manag. X 2021, 10, 100060–100077. [Google Scholar] [CrossRef]
- Jiang, P.; Meng, Y.; Lu, Z.; Xu, L.; Yang, G.; Luo, X.; Shi, K.; Wu, T. Kinetic and thermodynamic investigations of CO2 gasification of coal chars prepared via conventional and microwave pyrolysis. Int. J. Coal Sci. Technol. 2020, 7, 422–432. [Google Scholar] [CrossRef]
- Dai, B.; Qiu, J.-Y.; Ren, S.; Su, B.-X.; Ding, X.; Ju, D.-C.; Bai, N.; Long, H.-M. Kinetic analysis of CO2 gasification of biochar and anthracite based on integral isoconversional nonlinear method. High Temp. Mater. Process. 2020, 39, 527–538. [Google Scholar] [CrossRef]
Disclaimer/Publisher’s Note: The statements, opinions and data contained in all publications are solely those of the individual author(s) and contributor(s) and not of MDPI and/or the editor(s). MDPI and/or the editor(s) disclaim responsibility for any injury to people or property resulting from any ideas, methods, instructions or products referred to in the content. |
© 2023 by the authors. Licensee MDPI, Basel, Switzerland. This article is an open access article distributed under the terms and conditions of the Creative Commons Attribution (CC BY) license (https://creativecommons.org/licenses/by/4.0/).





















