Research on the Mechanical Properties and Structural Optimization of Pipe String Joint under Deep Well Fracturing Operation
Abstract
1. Introduction
2. Mechanics Principles of Casing Joint Analysis
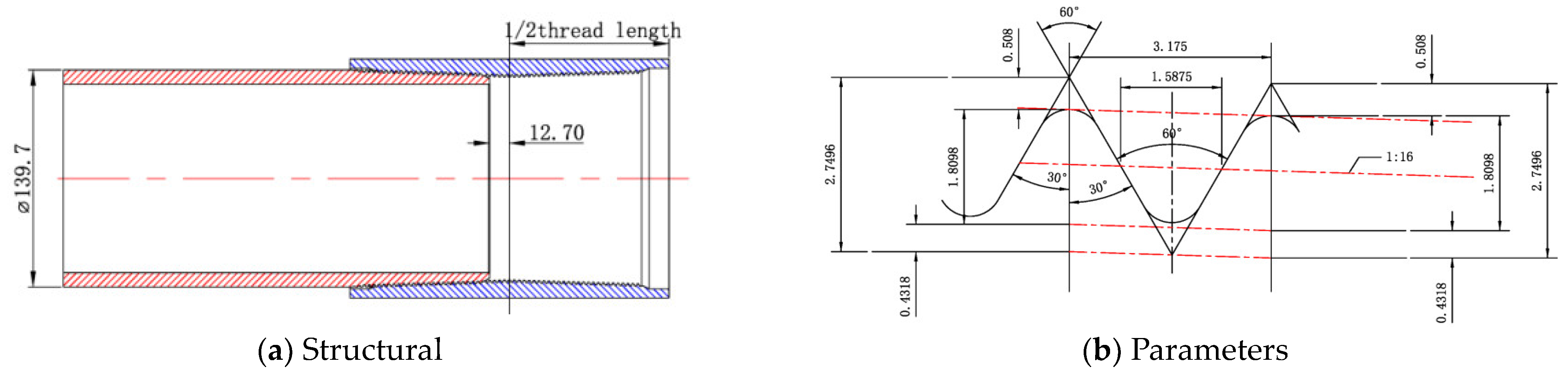
3. Stress Analysis of Casing Threads
3.1. Calculation Results of Joints under Torque Conditions
3.2. Calculation Results of Joints under Axial Tension Conditions
3.3. Calculation Results of Axial Compression Joint
3.4. Calculation Results of Joints under Internal Pressure Conditions
3.5. Calculation Results of Joints under Bending Stress Conditions
4. Research on Improvement of Thread Structure for Connection of Pipe String
4.1. Theoretical Study on the Torque of Special Thread Upsetting
4.2. Thread Interference Contact Friction Torque
4.3. Torque on the Main Sealing Surface
4.4. Torque on the Shoulder Surface
5. Research on Improvement of Thread Structure of Pipe String
5.1. Establishment of Finite Element Model for Special Threads
5.2. Two Types of Wall Thickness Pins under Torque Working Conditions
5.3. Calculation Results of New Joints under Axial Tension Conditions
5.4. Calculation Results of New Joints under Axial Compression Conditions
5.5. Calculation Results of New Joints under Internal Pressure Conditions
5.6. Calculation Results of New Joints under Bending Stress Conditions
6. Analysis of Joint Sealing Performance under Different Working Conditions
6.1. Comparative Analysis of Mechanical Properties of Joints with Different Wall Thicknesses
6.2. Comparative Analysis of Sealing Performance under Conventional Working Conditions
6.3. Comparative Analysis of Sealing Performance under Bending Conditions
7. Conclusions
- (1)
- The larger the wall thickness, the lower the overall stress and the higher the strength of the thread under the same structure and working conditions. Internal pressure has a significant impact on the stress of the original structural thread, torque has a significant impact on the contact pressure of the two structural threads, and torque and bending moment have a significant impact on the stress of the new structural thread.
- (2)
- Under four different sizes of bending, the stress at the tensile position is smaller, and the stress distribution at the top and bottom of each tooth is more uniform, although all are far below the yield limit.
- (3)
- As the bending stress increases on the tensile side, the contact pressure of the first tooth of the box and the last tooth of the pin of the joint increases with the wall thickness. The high-level contact pressure near the first tooth on the contact path decreases significantly, and the overall contact pressure distribution of the thread teeth becomes more uniform, maintaining the fastening state of the thread joint. At the same time, the contact pressure at the last tooth decreases by more than 300 MPa, and the increase in wall thickness reduces the risk of sticking when the joint is subjected to bending stress.
- (4)
- It shows that the contact pressure of the pin of the original joint with a wall thickness of 9.17 mm is relatively high at the last tooth from the curve of contact pressure. The distribution of contact pressure in the middle section is relatively reasonable.
- (5)
- It shows that the distribution of the contact pressure on the joints with two wall thicknesses is consistent. The contact pressure at the first end of the joint is larger than that in the middle thread section. Compared with the original structure, the contact pressure at the head and tail connections of the new structure is significantly reduced. The improved structure can reduce the risk of sticking when the joint is subjected to internal pressure.
Author Contributions
Funding
Data Availability Statement
Conflicts of Interest
References
- Tong, K.; Zhao, J.-L.; Liu, Q.; Zhu, B.; Jin, Q.; Qu, T.-T.; Cong, S. Analysis and investigation of the leakage failure of a casing used in a shale gas well. Eng. Fail. Anal. 2022, 131, 105891. [Google Scholar] [CrossRef]
- Zhang, X.; Li, J.; Zhang, H.; Han, M.; Han, L. Analysis of casing deformation failure mechanism based on fault slip. Eng. Fail. Anal. 2021, 127, 105430. [Google Scholar] [CrossRef]
- Lei, Z. Study on Risk Assessment and Reliability of Casing String under Complex Gas Well; China University of Petroleum (East China): Qindao, China, 2020. [Google Scholar]
- Ke, Y.; Mou, Y. Optimization and application of casing string strength design under high-temperature conditions. China Pet. Mach. 2023, 51, 133–139. [Google Scholar]
- Baojun, L.; Lihua, Q.; Fengping, X. Study on casing strength design method which considers the gas well safety during the whole well life. Drill. Prod. Technol. 2018, 41, 9–12. [Google Scholar]
- Congro, M.; Joakim, H.; Beltrán-Jiménez, K.; Roehl, D. Experimental and numerical study on the pushout shear strength of conventional and expanding cement–casing sections for well integrity. Geoenergy Sci. Eng. 2024, 234, 212638. [Google Scholar] [CrossRef]
- Liu, P.; Li, J.; Yang, H.; Zhang, H.; Lian, W.; Gao, R.; Zhang, X. Study on a new method of controlling casing shear deformation based on hollow glass microspheres cement sheath. Energy Rep. 2022, 8, 5192–5203. [Google Scholar] [CrossRef]
- Jiang, M.; Zhou, F.; Liu, Y.; Ye, G.; Wang, F.; Kang, J. Shear mechanical behavior and stress transfer characteristics of the bilayer casing of gob gas ventholes. Geoenergy Sci. Eng. 2023, 226, 211656. [Google Scholar] [CrossRef]
- Shaygan, K.; Lari, S.H.; Mahani, H. Geomechanical investigation of casing collapse using finite element modeling: The role of cement sheath integrity. Geoenergy Sci. Eng. 2024, 233, 212579. [Google Scholar] [CrossRef]
- Lin, Y.-H.; Zhu, D.-J.; Zeng, D.-Z.; Xian, Q.-B.; He, L.; Sun, Y.-X. Numerical and experimental distribution of stress fields for double shoulder tool joint. Eng. Fail. Anal. 2011, 18, 1584–1594. [Google Scholar] [CrossRef]
- Santus, C.; Bertini, L.; Burchianti, A.; Ioue, T.; Sakurai, N. Fatigue resonant tests on drill collar rotary shouldered connections and critical thread root identification. Eng. Fail. Anal. 2018, 89, 138–149. [Google Scholar] [CrossRef]
- Ferjani, M.; Averbuch, D.; Constantinescu, A. A computational approach for the fatigue design of threaded connections. Int. J. Fatigue 2011, 33, 610–623. [Google Scholar] [CrossRef]
- Yuan, G.J.; Yao, Z.Q.; Han, J.Z. Experimental Research on Stress Field Distribution of Oil Tubing Thread Connection during Make and Break Process. Eng. Fail. Anal. 2004, 11, 537–545. [Google Scholar] [CrossRef]
- Zhuang, Y.; Gao, L.X.; Yuan, P.B. Force analysis and tightening optimization of gas sealing drill, pipe joints. Eng. Fail. Anal. 2015, 58, 173–183. [Google Scholar]
- Chen, F.; Di, Q.; Li, N.; Wang, C.; Wang, W.; Wang, M. Determination of operating load limits for rotary shouldered connections with three-dimensional finite element analysis. J. Pet. Sci. Eng. 2015, 133, 622–632. [Google Scholar] [CrossRef]
- Zhu, X.; Dong, L.; Tong, H. Failure analysis and solution studies on drill pipe thread gluing at the exit side of horizontal directional drilling. Eng. Fail. Anal. 2013, 33, 251–264. [Google Scholar] [CrossRef]
- Shahani, A.R.; Sharifi, S.M.H. Contact stress analysis and calculation of stress concentration factors at the tool joint of a drill pipe. Mater. Des. 2009, 30, 3615–3621. [Google Scholar] [CrossRef]
- Liu, Y.; Lian, Z.; Shi, T.; Sang, P. Fracture failure analysis and research on slip of casing head. Eng. Fail. Anal. 2019, 97, 589–604. [Google Scholar] [CrossRef]
- American Petroleum Institute Standard 6ACRA. Age-hardened Nickel-based Alloys for Oil and Gas Drilling and Production Equipment, 21th, 2015-8. Available online: https://susy.mdpi.com/user/manuscripts/displayFile/355972bb246db9f3eabcf21f0e52aa5a?v=46676612 (accessed on 5 March 2024).
- Oku, Y.; Sugino, M.; Ando, Y.; Makino, T.; Komoda, R.; Takazaki, D.; Kubota, M. Fretting fatigue on thread root of premium threaded connections. Tribol. Int. 2017, 108, 111–120. [Google Scholar] [CrossRef]
- Ryu, Y.; Matzen, V.C. The nonlinear behavior of threaded piping connections: Application using a modified Ramberg-Osgood model. Ocean. Eng. 2016, 127, 1–6. [Google Scholar] [CrossRef]
- Akyildiz, H.K.; Livatyali, H. Effects of machining parameters on fatigue behavior of machined threaded test specimens. Mater. Des. 2010, 31, 1015–1022. [Google Scholar] [CrossRef]
- Liu, J.; Qin, M.; Zhao, Q.; Chen, L.; Liu, P.; Gao, J. Fatigue performances of the cracked aluminum-alloy pipe repaired with a shaped CFRP patch. Thin-Walled Struct. 2017, 111, 155–164. [Google Scholar] [CrossRef]

































| Material | Sample | Yield Strength (MPa) | Average (MPa) | Tensile Strength (MPa) | Average (MPa) | Elongation (%) | Average (%) |
|---|---|---|---|---|---|---|---|
| P110 | Number 1 | 681.9 | 676.7 | 790.5 | 770.0 | 19.5 | |
| Number 2 | 675.8 | 773.8 | 19.6 | 19.3 | |||
| Number 3 | 672.4 | 745.6 | 18.8 |
| Outer Diameter/mm | Inner Diameter/mm | Wall Thickness/mm | Steel Grade/ksi | Tensile Strength/MPa | Collapsing Strength/MPa | Internal Pressure Strength/MPa | Collapse Type |
|---|---|---|---|---|---|---|---|
| 139.7 | 121.36 | 9.17 | 140 | 1007.8 | 89.35 | 110.88 | Yield Failure |
| 150 | 1102.5 | 92.91 | 118.8 | ||||
| 118.62 | 10.54 | 140 | 1138.8 | 120.57 | 127.45 | ||
| 150 | 1212.7 | 126.75 | 136.55 |
| Working Condition | Torsion | Tension | Compress | Internal Pressure | Bending | |
|---|---|---|---|---|---|---|
| Stress | Original structure | 963.8 | 881.9 | 999 | 1083.1 | 889.8 |
| New structure | 872 | 699.7 | 866.6 | 863.1 | 1036.6 | |
| Contact pressure | Original structure | 1739.3 | 2008.1 | 1729.8 | 1952.2 | 1279.6 |
| New structure | 933.6 | 988.38 | 959.7 | 975.1 | 1350 | |
| Working Condition | Torsion | Tension | Compress | Internal Pressure | Bending | |
|---|---|---|---|---|---|---|
| Stress | Original structure | 910.9 | 876.9 | 923.6 | 959.5 | 892.5 |
| New structure | 618.5 | 609.2 | 745.3 | 739.1 | 997.9 | |
| Contact pressure | Original structure | 1603.2 | 1669.6 | 1415.9 | 1825.6 | 883.3 |
| New structure | 763.9 | 1352.7 | 1051.9 | 743.4 | 947.3 | |
| Working Conditions | Tension/MPa | Compression/MPa | Internal Pressure/MPa | ||
|---|---|---|---|---|---|
| Contact pressure | Pin | Long round | 2008.1 | 1729.9 | 2079.1 |
| Trapezoidal | 2208.8 | 1444.1 | 966.6 | ||
| Box | Long round | 1557.0 | 1675.1 | 1995.7 | |
| Trapezoidal | 855.9 | 1299.2 | 770.4 | ||
| Pin | Box | ||||
|---|---|---|---|---|---|
| Long Round | Trapezoidal | Long Round | Trapezoidal | ||
| Contact pressure (MPa) | Compression side | 1162.6 | 992.9 | 1084.7 | 933.6 |
| Tension side | 987.6 | 823.6 | 570.6 | 844.9 | |
Disclaimer/Publisher’s Note: The statements, opinions and data contained in all publications are solely those of the individual author(s) and contributor(s) and not of MDPI and/or the editor(s). MDPI and/or the editor(s) disclaim responsibility for any injury to people or property resulting from any ideas, methods, instructions or products referred to in the content. |
© 2024 by the authors. Licensee MDPI, Basel, Switzerland. This article is an open access article distributed under the terms and conditions of the Creative Commons Attribution (CC BY) license (https://creativecommons.org/licenses/by/4.0/).
Share and Cite
Ma, C.; Duan, Y.; Huang, K.; Mo, Q.; Chen, Q.; Fu, T. Research on the Mechanical Properties and Structural Optimization of Pipe String Joint under Deep Well Fracturing Operation. Processes 2024, 12, 835. https://doi.org/10.3390/pr12040835
Ma C, Duan Y, Huang K, Mo Q, Chen Q, Fu T. Research on the Mechanical Properties and Structural Optimization of Pipe String Joint under Deep Well Fracturing Operation. Processes. 2024; 12(4):835. https://doi.org/10.3390/pr12040835
Chicago/Turabian StyleMa, Chentao, Yonggang Duan, Kun Huang, Qianwen Mo, Qi Chen, and Tiesong Fu. 2024. "Research on the Mechanical Properties and Structural Optimization of Pipe String Joint under Deep Well Fracturing Operation" Processes 12, no. 4: 835. https://doi.org/10.3390/pr12040835
APA StyleMa, C., Duan, Y., Huang, K., Mo, Q., Chen, Q., & Fu, T. (2024). Research on the Mechanical Properties and Structural Optimization of Pipe String Joint under Deep Well Fracturing Operation. Processes, 12(4), 835. https://doi.org/10.3390/pr12040835
