Abstract
The ongoing industrial revolution emphasizes the importance of precise machinery monitoring. Among these machines, induction motors (IMs) stand out due to their large numbers, which imply a significant part of industrial energy consumption. To achieve accurate in-service IM monitoring, robust modelling is required, with a particular emphasis on in situ constraints. In this study, we create a precise digital model for squirrel cage induction motors (SCIMs) that can be used in Industry 4.0 digital twin applications. To achieve this, we survey the existing literature, describe the main modelling techniques, identify the best models in terms of ease of implementation, and ensure the accuracy of our digital representation. We develop four methods, namely finite element analysis (FEA), thermal modelling, circuit-based models, and quantum-based fuzzy logic control, as a crucial first step in implementing digital twin (DT) technology for IMs. The quantum fuzzy logic is based on the transition from classical equations to the quantum equation determining the speed of the motor in the quantum world by passing through the Schrödinger equation. We propose the DT level of integration architecture for IMs based on the industry 4.0 reference architecture model. Finally, the main tools used to successfully implement DT for IMs are revealed.
1. Introduction
The advent of Industry 4.0 has ushered in both opportunities and challenges for today’s factories. The convergence of massive data and artificial intelligence (AI) plays a pivotal role in this industrial landscape, driven by advancements in computing, data storage, and sensor technologies. Energy efficiency is one of Industry 4.0’s critical challenges. Energy Management Systems (EMSs) enable precise control of industrial systems, reducing energy consumption without compromising operational effectiveness. Notably, electric drives (EDs) or electric motor-driven systems (EMDSs) account for 50% of the electrical energy used [1]. Within EMDSs, medium-sized motors dominate, with 80% being various types of induction motors (IMs) [2]. Given their widespread use, IMs represent a promising target for energy efficiency enhancements. Consider this: medium-sized IMs operating at 84% efficiency consume a staggering 10,500 TWh annually. Even a modest 1% improvement in energy efficiency during operation could save 105 TWh [3]. Consequently, optimizing IM efficiency emerges as a key strategy for curbing energy consumption [4].
The mathematical modelling of induction motors encompasses an intricate representation of the electromagnetic interactions between the stator and rotor components, crucial for understanding the motor’s dynamics and performance enhancement. Using advanced models, like the one in [5], that take into account the effects of rotor mass eccentricity and magnetic eccentricity, makes it possible to fully understand vibrations and critical speed changes in motor designs. Furthermore, the inclusion of magnetic circuit saturation in models, as outlined in [6], enhances the accuracy of calculations for steady-state modes and transient behaviour, providing a holistic understanding of the induction motor system. By integrating these advanced mathematical representations into the analysis, researchers can delve deeper into the complexities of electromagnetic interactions within induction motors, ultimately paving the way for improved control strategies and operational efficiency in industrial applications.
Reference frames are essential for accurately representing the dynamic behaviour of complex systems in induction motor modelling. The utilization of different reference frames, such as the abc and qd0 reference frames, allows for a comprehensive analysis of the motor’s performance and interactions within the system. Furthermore, as suggested in [7], aligning the direct axis component of the rotor flux vector with the direct axis of the reference frame offers a novel method that simplifies rotor dynamics and offers insightful information about how motors behave under different operating conditions. These diverse modelling techniques not only enhance our understanding of induction motor dynamics but also pave the way for advanced control strategies and performance evaluation, as elucidated in the literature. Adding these reference frames to modelling frameworks helps us better understand how induction motors work and find the best ways to make them work more efficiently in industrial settings.
Mastering induction motor modelling is essential for gaining a comprehensive understanding of these machines in industrial applications. Operational efficiency plays a critical role in machine monitoring, control, and maintenance within industrial facilities [8]. Efficiency estimation methods for IMs include the precise yet challenging input–output approach, which struggles with in situ implementation for accurate results. On the other hand, the loss segregation method easily handles conventional losses but sacrifices overall precision by considering only these standard losses. The discrepancy between results from these two methods is often attributed to stray losses. Conventional losses encompass stator and rotor copper loss, stator and rotor iron loss, and mechanical losses (such as bearing, windage, and friction losses) [9]. Harmonic losses, also known as high-frequency stray no-load and stray load losses, closely correlate with machine loading, hence their various names [10] Despite disagreements, a consensus exists: stray load losses represent the difference between total power losses during machine operation and the losses determined by the segregation method (which accounts for conventional losses). In real life, to indirectly find SLL, you have to add up all the losses and then subtract the sum of the losses from the core, the stator, and the rotor [11].
Because the motor shaft is tightly connected to the load, it is hard to use lab methods to measure the electrical efficiency (EE) of induction motors (IMs) in the real-world industry. Attempting to replicate the laboratory approach in an industrial setting would necessitate placing a torque transducer between the load and the shaft, potentially compromising the overall structure. To address this issue, we propose leveraging a digital twin (DT) of an IM. Digital twins represent a powerful enabling technology within the realms of smart manufacturing and Industry 4.0. These virtual replicas seamlessly integrate cyber and physical spaces, allowing for real-time monitoring and analysis. Their significance is increasingly acknowledged by both research institutions and the industrial sector [12]. Condition monitoring using DTs serves various purposes, including design, production, manufacturing, and maintenance [13]. In this paper, we focus on an IM electrical energy approach within the DT framework. To achieve this, in a previously published paper [3], we explore stray loss models and select the most accurate candidate to enhance IM DT implementation. Industry 4.0 emphasizes the need for precise methods to estimate IM EE, driven by maintenance activities and the desire to quantify energy-saving benefits. Among the energy-saving strategies, energy-based predictive maintenance stands out as an intuitive approach. In this case, new research suggests using machine learning methods to predict and find failures in squirrel cage induction motors based only on data about how much energy they use [14]. This method provides important insights for effective maintenance procedures by establishing a correlation between vibration data for torque and speed and energy consumption (current, voltage, and duration).
This study first provides an overview of modelling methodologies and related tools for induction motors. It then suggests an efficiency estimation method that is specifically designed for digital applications in squirrel cage induction motors. Using the segregated loss technique, the model aims for maximum accuracy. We surveyed and analyzed various loss expressions from the literature, selecting the most accurate ones. Researchers can utilize these raw loss expressions and simplify them based on their assumptions, ensuring an accurate algorithm to solve the model without compromising its precision. Next, the thermal model and FEA for IMs are described and implemented. We also study and implement a fuzzy logic-based control method to regulate the speed of IMs. All these models are critical to achieving successful DT implementation for IMs. As the work is conducted in Industry 4.0, the DT level of integration for IMs is proposed based on RAMI 4.0.
The contributions of this paper are summarized as follows:
- We provide an overview of induction motor modelling techniques, including circuit-based modelling, FEA, thermal resistance-based modelling, and fuzzy logic-based control.
- We implement a thermal-based FEA using SOLIDWORKS, and then propose an FEA analysis implementation using MATLAB for a symbiotic integration with other models on the DT platform.
- We introduce a transformation method for the IM control system, from vector control equations to quantum control.
- Finally, we proposed the main tools used to successfully implement DT for IMs.
The structure of the paper is as follows: Section 2 presents a summary of induction motor modelling approaches, emphasizing their significance in comprehending motor activity and enhancing performance. This section discusses and demonstrates how to use the circuit-based model for IMs, the FEA model for IMs, the thermal resistance-based model, and finally fuzzy logic-based speed control. Section 3 outlines the DT implementation architecture and implementation procedure. Section 4 provides an overview of the primary tools used in DT implementation for IMs. Section 5 provides a discussion about the DT implementation for IMs and makes a comparison. Ultimately, the final part offers a definitive summary derived from our investigation.
2. Overview of Induction Motor Modelling Techniques
Modelling induction motors is a critical component in both engineering and scientific research. It provides a comprehensive understanding and enables the prediction of motor performance under a variety of conditions. This understanding is instrumental in motor control, design, and efficiency enhancement, among other applications. The model’s purpose often dictates the approach to modelling the induction motor. We have developed several models for induction motors, each with unique features and applications, as detailed below.
2.1. Circuit-Based Models
Circuit-based models represent induction motors with electrical equivalent circuits. These models focus on electrical parameters such as resistance, inductance, and capacitance. They are useful for analyzing motor performance in terms of voltage, current, and power and are applicable in both transient and steady-state simulations [15].
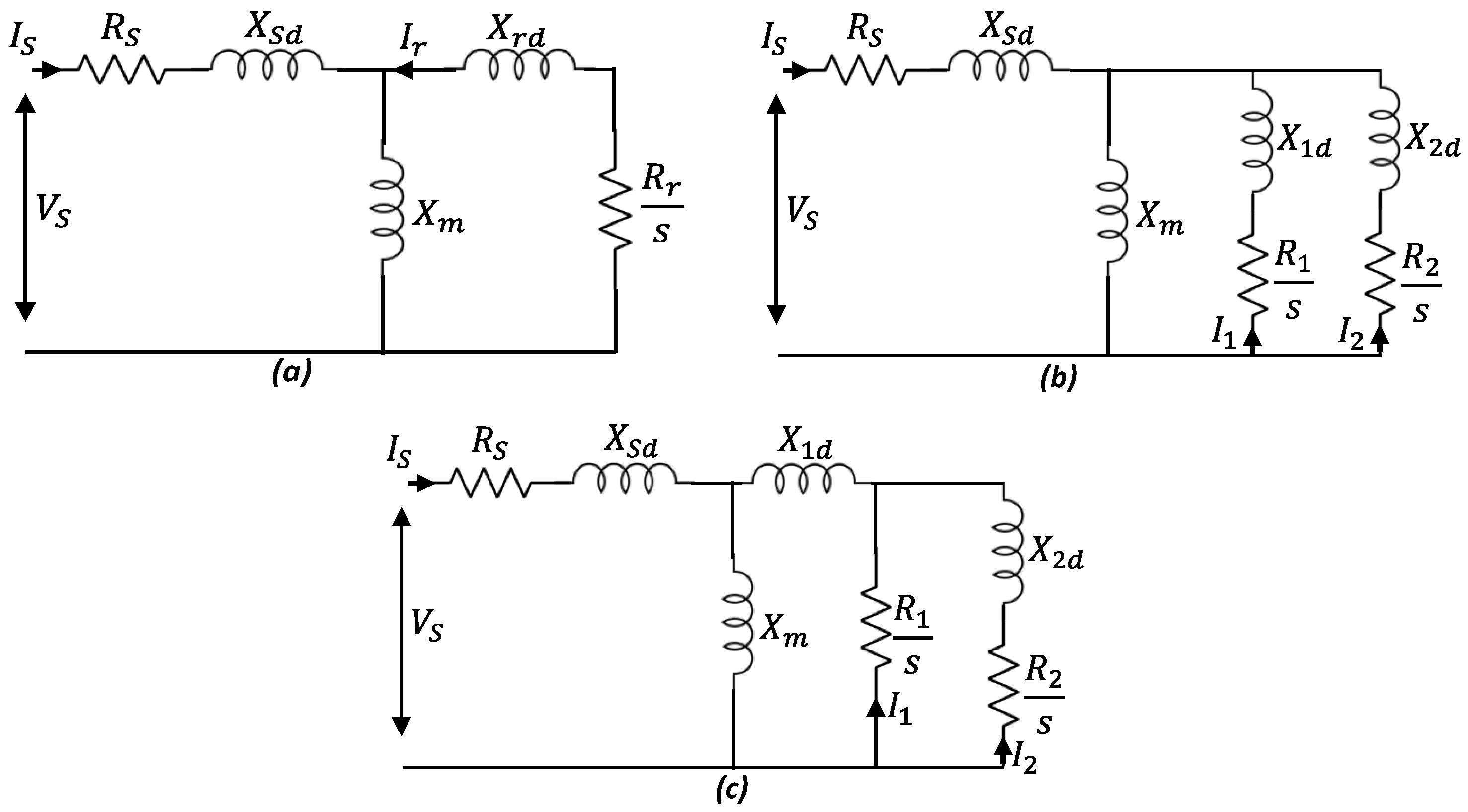
One common circuit-based model is the per-phase equivalent circuit of an induction motor, which is represented by a simple or double-cage model. This model represents the motor as a combination of resistances and reactances that mimic the behaviour of the motor’s stator and rotor windings, as well as the magnetic field that couples them. The literature commonly represents induction motors using the single-cage model. Many academic authors often assume the validity of this model, as shown in Figure 1a, without discussing its limitations or underlying assumptions. It is important to note that this model is primarily suitable for wound rotor induction motors. While the single-cage model suffices for certain applications, such as variable-speed drives with low-slip control, it falls short when dealing with scenarios where slip varies significantly.
Figure 1.
Steady-state star equivalent circuit for the single-cage (a) and double-cage (b,c).
In applications that demand high accuracy, the induction machine is typically modified using the double-cage model. However, the single-cage model is preferred because of its ease of use and lower number of parameters. Despite the non-linear characteristics of induction motors, including stator leakage saturation, rotor leakage saturation, and magnetizing saturation, the equivalent circuit remains a practical approach, particularly when adequate data on saturation in actual motors are available. Manufacturer-provided information, such as nominal mechanical power, nominal power factor, maximum torque, starting torque, and current, is frequently utilized in modelling linear double-cage induction motors.
For representing the motor’s dynamics, historical operational data of induction motors become crucial. The most common double-cage models in the literature are shown in Figure 1b,c. Several studies give detailed reasons why a double-cage model is better than a single-cage model. Furthermore, Figure 2 presents a comparison between the single-cage model and the two double-cage models from Figure 1, considering motors with varying power ratings. Table 1 notes the associated errors.
Table 1.
The associated error of the torque and current for single and double-cage models.
A study [16] demonstrated that various double-cage equivalent circuits could be considered equivalent to one another, with a focus on converting parameters from an eight-parameter model to a six-parameter model. Another research project [17] looks at how to change the parameters between the seven-parameter double-cage models that are commonly used, as shown in Figure 1b,c.
Nevertheless, as shown in Figure 2, the double-cage model more accurately represents the dynamic behaviour of the motor compared to the single-cage model. It is important to note that the more parameters a model includes, the more accurate it becomes. We added core resistance in parallel to the magnetizing reactance in Figure 1b to enhance the accuracy of the double-cage model, resulting in a reference model in Figure 3. When comparing the model with the additional parameter to the reference model, it is found that the model with core resistance is more accurate [18].
Figure 3.
Proposed double-cage model with core loss resistance.
Improvement of Circuit-Based Model
We looked into squirrel cage induction motors (SCIMs) and came up with Table 2, which shows the most accurate loss models used in digital settings. These models are the basis for enhancing the performance of induction motors. The challenge in solving these models is the volume of parameters, which complicates the computational process. To avoid this obstacle, we have refined the models by incorporating a set of assumptions that reduce the complexity without compromising the integrity of the results. The outcome of this simplification process is detailed in [18,19], where the models are presented in a more tractable form. However, integrating these simplified models into the efficiency expression presents a novel challenge. Their application in real-time systems is not feasible due to the computational cost required, which would render the process inefficient for on-the-fly calculations. As a result, the problem’s core shifts to the development of a robust algorithm. This algorithm must be capable of executing these models in real-time, ensuring that the computational demand is optimized to allow for immediate application without sacrificing accuracy. To this end, we propose a dual approach: firstly, to refine the efficiency expression to reduce computational cost, and secondly, to engineer an algorithm that is both agile and precise. This algorithm should leverage modern computational techniques, possibly incorporating elements of machine learning or heuristic methods, to provide a solution that is both swift and reliable for real-time applications. Based on previous applications, the Adaptive Neuro-Fuzzy Inference System (ANFIS) algorithm is most suitable for these applications [20,21]. Users must solve the models in offline simulation based on a load profile for real-world applications, train using the ANFIS model, test it, and then use it for real-time applications [18,19]. The authors present a predictive maintenance method in [22,23], utilizing predicted losses from the proposed expressions as condition indicators in a digital twin system.
Table 2.
SCIM losses raw expressions.
2.2. Finite Element Analysis (FEA)
FEA is a computational method that breaks down a complex system, such as an induction motor, into smaller, simpler parts known as finite elements. This method lets you simulate the electromagnetic, thermal, and mechanical parts of induction motors, considering complex geometrical details and the properties of the materials used. FEA is instrumental in studying flux distributions, eddy current losses, and thermal gradients, leading to a comprehensive understanding of motor behavior [28].
The implementation of FEM for induction motors is generally achieved by following the steps below:
- (1)
- Discretization: The motor is divided into numerous small elements. The choice of elements (shape and size) can significantly influence the accuracy of the results.
- (2)
- Formulation of Element Equations: Element Equation Formulation: Each element is described by a set of equations based on the problem’s physics. For example, Maxwell’s equations for electromagnetic problems can be expressed as follows:Gauss’s Law:Gauss’s Law for Magnetism:Faraday’s Law:Ampere’s Law with Maxwell’s Addition:where is electric flux density, (ρv) is volume charge density, (B) is magnetic flux density, (E) is electric field intensity, (H) is magnetic field intensity, and (Jf) is conduction current density.
- (3)
- Assembly of the Global System: We assemble the equations for all elements into a global system of equations.
- (4)
- System Solution: To determine the unknowns, the global system of equations is solved using numerical methods.
- (5)
- Post-processing: The results are interpreted and visualized for further analysis.
The digital application of induction motors relies heavily on the finite element analysis method, which enables multiphysics modelling, thereby visualizing many important aspects. We can integrate thermal modelling to estimate the internal temperature of the motor, integrate a material degradation model to control machine aging, and develop a 3D model to enhance user-friendliness and aid in understanding the physical environment. All of this information is essential for effective predictive maintenance where machine faults could be detected at an early stage, and hence significantly enhances the accuracy of estimating the motor’s remaining useful life.
We suggest a proof study of FEA using a three-phase squirrel cage motor from Siemens with 3 kW, 400/690 V, and 9.9 Nm. This will obtain the proposed FEA ready to be used in DT. The study is performed in Solidworks using the thermal analysis simulation toolbox. We first created a 3D model of the motor housing and then developed the finite element analysis from material definition until the FEA result visualization. To achieve this integration, we followed the procedure outlined in Table 3, which shows the main steps of the FEA.
Table 3.
Finite element thermal analysis using SOLIDWORKS.
We conduct this simulation to illustrate the temperature distribution around the IM. It demonstrates the importance of FEA in determining the precise temperature of a critical part of the motor. Figure 4 displays the simulation results.
Figure 4.
3D FEA of motor housing using SOLIDWORKS thermal simulation toolbox: (a) mesh visualization, (b) thermal distribution.
2.3. Thermal-Based Modelling
Thermal modelling is essential for assessing the temperature distribution within induction motors. It helps ensure safe and efficient operation by predicting temperature rises, evaluating cooling strategies, and assessing the impact of thermal stresses on motor components [29].
The thermal model of an induction motor can be represented by the following heat balance equation:
where the variables are defined as follows:
is the total power input to the motor;
is the copper loss (I2R loss in windings);
is the iron loss (hysteresis and eddy current losses);
is the mechanical power output;
is the power lost to the environment due to cooling.
The temperature rise in the motor can be calculated using the following equation:
where the variables are defined as follows:
is the temperature rise;
is the total power loss (copper and iron losses);
is a constant that depends on the cooling method.
Thermal modelling involves solving these equations, often using numerical methods, to predict the temperature distribution within the motor under various operating conditions. This information can be used to design effective cooling strategies and to prevent overheating, which could lead to premature failure of motor components [30].
The thermal model for induction motors can also be represented by a thermal resistance network. This network is an analytical tool that simplifies the complex heat transfer processes within the motor into a circuit-like diagram. Each component of the motor is represented as a thermal resistance, and the heat sources within the motor are represented as power sources in the network. The temperature field problem is transformed into a thermal circuit problem using the thermal resistance network approach, which also transforms the temperature field’s distributed parameter model into a lumped parameter thermal circuit network model. This method makes the calculation process easier to understand and allows for a more thorough examination of heat transport inside the motor.
In this network, each node represents a specific point or region in the motor, and each branch represents a path of heat transfer (conduction, convection, or radiation). The material properties and path geometry determine the resistance of each branch in the induction motor, as depicted in Figure 5.
Figure 5.
Induction motor thermal network [25].
With resistance network-based thermal modelling, the process of measuring in situ temperatures is greatly simplified. By strategically placing temperature sensors on the motor cover, we can accurately estimate the internal temperatures of the motor’s stator, rotor, and airgap. This approach is particularly crucial, for example, during self-heating validation tests in the motor design phase. Understanding the stator coil temperature during these tests is essential, yet directly placing temperature sensors inside the motor is not feasible. Resistance network-based thermal modelling is a reliable solution because it allows us to estimate these internal temperatures using external measurements. This method not only ensures accurate temperature assessments but also enhances the overall efficiency and safety of the motor design process. By utilizing thermal network estimation, we can achieve precise temperature monitoring, which is vital for optimizing motor performance and ensuring durability.
There are several methods available for constructing and solving thermal networks in induction motors. Two of the most commonly used methods are the lumped parameter method (LPM) and finite element analysis (FEA).
- (1)
- Lumped Parameter Method (LPM): This method simplifies the complex heat transfer processes within the motor into a circuit-like diagram, where each component of the motor is represented as a thermal resistance, and the heat sources within the motor are represented as power sources in the network [31].
- (2)
- Finite Element Analysis (FEA): FEA is a powerful computational method used to model complex systems such as induction motors. In terms of thermal modelling, FEA breaks down a large system into smaller, simpler parts, known as finite elements, which are easier to analyze. FEA allows for the simulation of various aspects of induction motors, including electromagnetic, thermal, and mechanical characteristics. It takes into account intricate geometric details and material properties, providing a more accurate representation of the motor’s behaviour.
Both methods have their advantages and are chosen based on the specific analysis requirements. While LPM provides a simplified and computationally efficient approach, FEA offers a more detailed and accurate analysis at the cost of increased computational effort.
2.4. Motor Quantum Speed Control
We propose that we integrate quantum control for IM into the proposed digital twin. Given that quantum research is still in its infancy and immaturity, the integration of this control system will pave the way for research into the implementation of IM DT for quantum applications, a domain of interest in contemporary research.
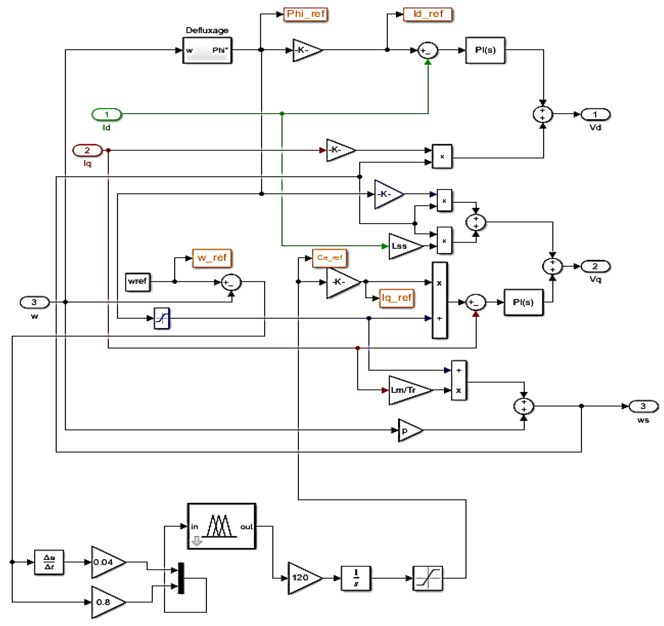
We used structured logic for speed control, incorporating three elements: the input function, the objective function, and the optimization constraints (refer to Figure 6). Each element works on classification and improvement to obtain optimal fuzzy membership functions (MFs) as shown in Figure 7.
Figure 6.
IM model and quantum fuzzy controller.
Figure 7.
Membership functions.
In this research, the fuzzy controller is validated for all kinds of sudden operational changes that occur in the IM, such as speed and load changes. The model used for speed control is as follows:
For the adjustment of the motor speed, we chose as input variables the error e which is the difference between the reference speed imposed by the operator and the rotation speed of the motor rotor (. The other variable input is the derivative of the error which represents the difference between the current error and the previous error (. As an output variable, we use a single control variable which is the reference torque (.
To increase the system’s stability, the objective function searches for the best output value from the controller. The uniform distribution of error types in the IM drive makes the mean absolute error (MAE) an appropriate objective function for obtaining the controller’s optimal values.
We analyzed the speed and torque in the quantum environment to increase the performance of machine control with the quantum fuzzy controller. According to the reference values, the flow and torque decoupling modes are successful (Figure 8). This clearly shows that this method will be effective for the quantum machines of the future and will also have an original impact on the literature. The following section in Figure 9 describes the possibility of transitioning from the classical vector control model to the quantum model using the Schrödinger equation.
Figure 8.
Evolution of torque (a) and speed (b).
Figure 9.
The transition from classical vector control to quantum speed control by Schrödinger.
Transition from Classical Vector Control to Quantum Speed Control by Schrödinger
Because of its structure, the asynchronous motor has a significant defect in comparison to the motor. Indeed, when a single actuator feeds the motor, the same current creates both flow and torque, and variations in torque lead to variations in flow, thereby complicating the control model. Controlling the speed and torque of an electric motor, as studied with vector control, is always important. With the advent of artificial intelligence, effective motor control can still be achieved without relying on traditional modelling techniques. In this section, we propose a new control study that uses quantum-based speed control. To achieve this, we propose the transition from classical to quantum speed through that of Schrödinger and solve the equation.
Quantum control remains an active area of study and a key focus of our research. By developing a control system based on quantum principles, we aim to develop an algorithm to evaluate the performance. This research opportunity promises significant improvements in response time, highlighting the potential benefits of quantum control in our ongoing investigations. This research opportunity’s introduction highlights a gap in the field that researchers can explore and address.
With the development of motor control for dynamic machines and the prospect of quantum studies in scientific studies, we have investigated the control of motors by quantum fuzzy logic. This study is based on the transition from classical equations to the quantum equation determining the speed of the motor in the quantum world by passing through the Schrödinger equation. The results obtained from the model (Figure 6) come from a constant-load motor model (Figure 8). For more details on fuzzy logic and quantum control of induction motors, refer to [32,33].
3. Digital Twin Level of Integration for the Induction Motor
The digital twin is a concept from Industry 4.0 that aims to provide new monitoring and control of industrial systems. It plays a very important role in decision-making, predictive maintenance, and condition monitoring. The literature still lacks a clear definition of the digital twin concept, leading to over 46 different definitions [34]. What was used in this study is the definition for Industry 4.0, which is based on the reference architecture model for Industry 4.0 (RAMI 4.0) that was made in [35]. It has four steps of integration and is called the “digital twin level of integration.” Based on this standard, we develop a DT implementation level of integration for IMs in Industry 4.0, as shown in Figure 10.
Figure 10.
DT implementation level of integration for Induction Motors in Industry 4.0.
The implementation is achieved as follows:
- The first step is the digital modelling step: This step involves developing various models of induction motors. This includes creating efficiency models using electrical circuits, thermal modelling using a thermal resistance network, and finally performing finite element analysis.
- The Equivalent Electrical Circuit Modelling: We estimate the Electrical Circuit Parameters (ECPs) under steady-state conditions, using 25 °C as the reference parameter. We express new ECPs based on reference ECPs and unknown temperatures, taking into account their temperature variation. We then use these parameters to express the motor losses and efficiency as they vary with different ECPs, as detailed in Table 2.
- Thermal Model: We calculate the thermal resistance for each motor component in the thermal model by considering the material type, the reference temperature, and temperatures from the motor cover (sensor measurement). Both the finite element method and the equivalent electrical model will use the thermal model’s resulting temperatures as inputs.
- 3D Finite Element Analysis: The FEA can be developed in MATLAB and used in symbiosis with other models by using the following steps in Table 4:
Table 4. 3D FEA implementation using MATLAB.
- The second step is the digital shadow step: This step involves the real-time acquisition of data from the physical environment to feed the efficiency model with voltages, currents, power, and temperature, while the thermal model solely utilizes temperature. Then, the estimated temperature from the thermal model of the stator, rotor, and air gap is used in addition to the mentioned magnitudes to assess the motor loss and efficiency. Finally, we use these temperatures to visualize the temperature distribution, solving for each temperature and updating the defined PED model accordingly.
- The third step is the digital twin step: In this step, we propose the use of fuzzy logic control due to its advantages in induction motor control. The controller may use losses, efficiency, and temperature information from the efficiency model and thermal model to control the speed of the induction motor. In Section 2.3, fuzzy logic-based speed control is proposed as a potential controller for quantum-based control transformation.
- The fourth step is the digital predictive step: In this step, information about losses, efficiency, and temperature could be used to figure out how long something is still useful for and how to find and fix problems early on. Efficiency is known as a machine health indicator, and hence losses can be used to diagnose faults by developing a method that establishes a correlation between fault and efficiency decrease through losses. This method has already been developed on a fault-diagnosis network that uses common sources to link fault and motor parameters, resulting in losses [23]. The proposed framework leverages the digital twin integration level from the reference architecture model for Industry 4.0, specifically adapted for induction motors. This study emphasizes digital modelling and underscores the importance of complementary models to ensure a robust digital twin system.
4. The Main Tools Used in Induction Motor Modelling
Induction motor modelling and simulation benefit from a variety of specialized software tools, each offering unique capabilities for different aspects of motor analysis. Finite element analysis (FEA) tools like ANSYS Maxwell provide detailed electromagnetic field simulation by solving Maxwell’s equations, while MotorAnalysis-IM offers a free, automated FEA solution specifically designed for induction motors and generators. Circuit-based simulation is facilitated by PSpice, which simulates the electrical aspects of induction motors and MATLAB/Simulink, which analyzes various control strategies and electrical circuits. Multiphysics simulation tools such as COMSOL Multiphysics enable the simulation of multiple physical phenomena, including thermal, structural, and electromagnetic fields, providing a comprehensive view of motor performance under various conditions. For designing control systems, MATLAB/Simulink is a flexible platform that lets you use vector control and direct torque control, among other strategies. LabVIEW, on the other hand, lets you create control algorithms and test them in real-time. The integration of these advanced tools and technologies enhances the modelling, control, and optimization of induction motors, paving the way for greater efficiency, reliability, and adaptability in diverse industrial applications. When combined with CAD software and RT LAB software (version 2020.2) for hardware-in-the-loop (HIL) implementation, the MATLAB/SIMULINK environment proves to be the most effective tool for DT implementation for induction motors (IMs), yielding accurate and practical results. Table 5 provides a summary of the main tools and modelling methods with minimum version that provide the necessary features and capabilities for comprehensive and integrated induction motor modeling and simulation.
Table 5.
Main software programs and methods used in induction motor modelling and simulation.
5. Discussion
Various methods can approach induction motor modelling, each with unique advantages and limitations as illustrate in Table 6. The Finite element method (FEM), on the other hand, provides high accuracy by utilizing the machine’s exact magnetic and geometric characteristics to compute magnetic field distributions. This precision comes at the cost of significant computing power and long running times, making FEM less practical for real-time applications.
Table 6.
Comparative analysis table of induction motor modelling methods.
Circuit-based models strike a balance between simplicity and efficiency. They translate the motor’s physical characteristics into electrical circuit equivalents, allowing for fast computations and easier integration with other electrical system models. These models are particularly beneficial for control system design and fault diagnosis, where speed and ease of implementation are critical.
Finite element method (FEM) modelling is highly accurate but demands significant computing power and extended running times, especially when compared to analytical models. This method uses the machine’s precise magnetic and geometric characteristics to compute the magnetic field distribution. In contrast, circuit-based models are simplified, more familiar to researchers, and offer faster computational performance.
Considering a 3 kW, 400/690 V, and 9.9 Nm induction motor and the same mesh parameters used in Section 2.2, while FEM offers the highest accuracy, it is computationally intensive. Thermal resistance and circuit-based models provide a good balance between accuracy and computational efficiency, making them suitable for faster simulations.
6. Conclusions and Future Work
We looked at all the main ways to model induction motors in this study. These include circuit-based models, finite element methods (FEMs), thermal analysis, and fuzzy logic-based control. Each modelling approach possesses its own advantages, such as the practicality of circuit-based approaches and the availability of parameter estimation techniques; the precision of FEM; the management of temperature through thermal models; and the suitability of fuzzy logic control for transitioning from classical control to quantum control. The method of choice depends on specific research requirements, such as desired accuracy, computation resources available, and aspects of motor performance under investigation.
To improve its efficiency, we propose incorporating core resistance into the double-cage model. Since this method utilizes the parameters of the double-cage model to calculate segregated losses, including stray losses, a comparative study is conducted in [3] to select the most precise stray loss model from among the three candidates. We then select accurate loss models to estimate efficiency in digital applications. Refining the circuit-based approach yields a more accurate and workable solution for real-time monitoring and control of induction motors. Table 2 provides the loss expressions based on the double-cage model. It shows the raw equations used to derive double-cage model losses. These expressions may be modified by users to suit their digital applications, which are based on assumptions drawn from electrical circuit theory and practical constraints. Furthermore, we suggest an ANFIS-based algorithm that can handle these models in real-time.
We then proposed a digital twin implementation architecture and procedure based on the mentioned methods. We also presented a summary of the primary tools utilized in IM modelling for DT applications, concluding that MATLAB, along with RT LAB and CAD software, is the most effective combination for achieving a High-Level Integration (HIL) implementation for digital twin (DT) applications.
Future studies should focus more on developing the ANFIS model, specifically for squirrel cage induction motors. This should be based on established loss functions. An offline simulation can then be performed to guarantee accuracy and robustness throughout many operating scenarios. Consequently, this dataset served as a good training and testing set for the ANFIS model, leading to higher-resolution motor efficiency models. AI-based models can significantly reduce the computational expense and learn the behaviour of a double-cage model. Additionally, we are starting the process of setting up a test bench of a digital twin with a physical induction motor where we will be able to use an emulator to simulate at least six different faults and look for a methodology to correlate these faults with the losses of the motor. This study will consider the quantum fuzzy control, which presents a much more volatile result than those of classical controls such as the vector and simple fuzzy control. We will provide more details for our future work at MDPI, which we will submit very soon.
Author Contributions
Conceptualization, A.A.A.; Methodology, A.A.A.; Investigation, A.A.A.; Writing—originaldraft, A.A.A.; Supervision, C.A.; Writing—review & editing, M.M.D.; Supervision, A.S. All authors have read and agreed to the published version of the manuscript.
Funding
This research received no external funding and the APC was funded by Quebec University at trois-Rivière.
Data Availability Statement
The original contributions presented in the study are included in the article, further inquiries can be directed to the corresponding author.
Conflicts of Interest
The authors declare no conflict of interest.
Nomenclature
| Internal estimated temperature in RT | Is the resistance of X @, and X = {stator, core, 1st rotor cage, 2nd rotor cage} | ||
| Rotor speed measured using the tachometer | Is the reactance of X determined by the ECPs extraction, and {stator, magnetizing, 1st and 2nd rotor cage} | ||
| Slip, calculated from rotational and synchronous speed | αY | Temperature coefficient for Y material @ T. = 0.004/°C, and = 0.0043 °C | |
| Stator voltage collected from the sensor | Stray loss coefficient | ||
| Stator current collected from the sensor | Evaluated by non-linear regression | ||
| Core losses coefficients, where | Friction and windage coefficient | ||
| Is the reference temperature (22.7 °C) |
References
- Diachenko, G.G.; Aziukovskyi, O.O. Review of methods for energy-efficiency improvement in induction machine. Natsional’nyi Hirnychyi Universytet Nauk. Visnyk 2020, 1, 80–88. [Google Scholar] [CrossRef]
- Waide, P.; Brunner, C.U. Energy-Efficiency Policy Opportunities for Electric Motor-Driven Systems; OCDE: Paris, France, 2011. [Google Scholar]
- Adamou, A.A.; Alaoui, C. Towards the Implementation of a Digital Twin for Induction Motors. In Digital Technologies and Applications; Motahhir, S., Bossoufi, B., Eds.; Springer International Publishing: Cham, Switzerland, 2022; pp. 513–523. [Google Scholar]
- Mzungu, H.M.; Sebitosi, A.B.; Khan, M.A. Comparison of Standards for Determining Losses and Efficiency of Three-Phase Induction Motors. In Proceedings of the 2007 IEEE Power Engineering Society Conference and Exposition in Africa—PowerAfrica, Johannesburg, South Africa, 16–20 July 2007; pp. 1–6. [Google Scholar]
- Goroshko, A.; Zembytska, M.; Paiuk, V. Induction Motor Vibrations Caused by Mechanical and Magnetic Rotor Eccentricity. J. Eng. Sci. 2024, 11, D66–D77. [Google Scholar] [CrossRef]
- Malyar, V. In phase coordinates, mathematical modeling of a wound-rotor induction motor’s starting modes and static characteristics. Przegląd Elektrotechniczny 2023, 1, 116–121. [Google Scholar] [CrossRef]
- Olarinoye, G.A.; Akored, M.F.; Okhuegbe, S.N. Analysis and Performance Evaluation of Three-Phase Induction Motor Model with Zero Quadrature Axis Flux Component. Niger J. Technol. Dev. 2022, 18, 344–351. [Google Scholar] [CrossRef]
- Le Roux, P.F.; Ngwenyama, M.K. Static and Dynamic Simulation of an Induction Motor Using Matlab/Simulink. Energies 2022, 15, 3564. [Google Scholar] [CrossRef]
- Boglietti, A.; Cavagnino, A.; Lazzari, M.; Pastorelli, M. International standards for the induction motor efficiency evaluation: A critical analysis of the stray-load loss determination. In Proceedings of the 38th IAS Annual Meeting on Conference Record of the Industry Applications Conference, Salt Lake City, UT, USA, 12–16 October 2003; Volume 2, pp. 841–848. [Google Scholar]
- Olin, E.M. Determination of power efficiency of rotating electric machines: Summation of losses versus input-output tests. Proc. Am. Inst. Electr. Eng. 1912, 31, 1287–1310. [Google Scholar] [CrossRef]
- Boglietti, A.; Cavagnino, A.; Ferraris, L.; Lazzari, M. Induction Motor Equivalent Circuit, including Stray Load Losses in the Machine Power Balance. IEEE Trans. Energy Convers. 2008, 23, 796–803. [Google Scholar] [CrossRef]
- Boschert, S.; Rosen, R. Digital Twin—The Simulation Aspect. In Mechatronic Futures: Challenges and Solutions for Mechatronic Systems and Their Designers; Hehenberger, P., Bradley, D., Eds.; Springer International Publishing: Cham, Switzerland, 2016; pp. 59–74. [Google Scholar]
- Errandonea, I.; Beltrán, S.; Arrizabalaga, S. Digital Twin for maintenance: A literature review. Comput. Ind. 2020, 123, 103316. [Google Scholar] [CrossRef]
- Laayati, O.; Bouzi, M.; Chebak, A. Smart Energy Management System: SCIM Diagnosis and Failure Classification and Prediction Using Energy Consumption Data. In Digital Technologies and Applications; Motahhir, S., Bossoufi, B., Eds.; Springer International Publishing: Cham, Switzerland, 2021; pp. 1377–1386. [Google Scholar]
- Rai, T.; Debre, P. Generalized modeling model of three-phase induction motor. In Proceedings of the 2016 International Conference on Energy Efficient Technologies for Sustainability (ICEETS), Nagercoil, India, 7–8 April 2016; pp. 927–931. [Google Scholar]
- Corcoles, F.; Pedra, J.; Salichs, M.; Sainz, L. Analysis of the induction machine parameter identification. IEEE Trans. Energy Convers. 2002, 17, 183–190. [Google Scholar] [CrossRef]
- Pedra, J.; Candela, I.; Sainz, L. Modelling of squirrel-cage induction motors for electromagnetic transient programs. IET Electr. Power Appl. 2009, 3, 111–122. [Google Scholar] [CrossRef]
- Amadou Adamou, A.; Alaoui, C. Energy efficiency model-based digital shadow for induction motors: Towards the implementation of a digital twin. Eng. Sci. Technol. Int. J. 2023, 44, 101469. [Google Scholar] [CrossRef]
- Adamou, A.A.; Alaoui, C.; Bounahmidi, T. Induction Motors Shadow Model-Based on Efficiency for Digital Twin Application in Industry 4.0. IEEE Trans. Ind. Inform. 2024, 20, 10219–10229. [Google Scholar] [CrossRef]
- Jirdehi, M.A.; Rezaei, A. Parameter estimation of squirrel-cage induction motors using ANN and ANFIS. Alex. Eng. J. 2016, 55, 357–368. [Google Scholar] [CrossRef]
- Çetin, O.; Dalcalı, A.; Temurtaş, F. A comparative study on parameters estimation of squirrel cage induction motors using neural networks with unmemorized training. Eng. Sci. Technol. Int. J. 2020, 23, 1126–1133. [Google Scholar] [CrossRef]
- Amadou Adamou, A.; Alaoui, C. Energy Efficiency Model-Based Predictive Maintenance for Induction Motor Fault Prediction Using Digital Twin Concept|SpringerLink. Available online: https://link.springer.com/chapter/10.1007/978-3-031-29860-8_61 (accessed on 12 June 2023).
- Adamou, A.A.; Alaoui, C. Efficiency-Centered Fault Diagnosis of In-Service Induction Motors for Digital Twin Applications: A Case Study on Broken Rotor Bars. Machines 2024, 12, 604. [Google Scholar] [CrossRef]
- Nikbakhsh, A.; Izadfar, H.R.; Jazaeri, M. Classification and comparison of rotor temperature estimation methods for squirrel cage induction motors. Measurement 2019, 145, 779–802. [Google Scholar] [CrossRef]
- Jiménez Molina, M.S. Multiphysics analysis of a high loss induction motor. Master’s Thesis, University of Concepción, Concepción, Chile, 2024. [Google Scholar]
- Al-Badri, M.; Pillay, P.; Angers, P. A Novel In Situ Efficiency Estimation Algorithm for Three-Phase Induction Motors Operating With Distorted Unbalanced Voltages. IEEE Trans. Ind. Appl. 2017, 53, 5338–5347. [Google Scholar] [CrossRef]
- Kumar, R.; Kumar, P. Modeling of Stray-Load Loss for Medium Power Induction Motors. In Proceedings of the IECON 2018, 44th Annual Conference of the IEEE Industrial Electronics Society, Washington, DC, USA, 21–23 October 2018; pp. 571–576. [Google Scholar]
- Adam, A.A.; Haroen, Y.; Purwadi, A.; Rohman, A.S. A Study of Three-Phase Induction Motor Performances Controlled by Indirect Vector and Predictive Torque Control. In Proceedings of the 2018 5th International Conference on Electric Vehicular Technology (ICEVT), Surakarta, Indonesia, 30–31 October 2018; pp. 204–209. [Google Scholar]
- Dongare, U.V.; Umre, B.S.; Ballal, M.S. Mathematical Modeling and Simulation of an Induction Motor with Stator Inter-Turn Faults. In Proceedings of the 2020 IEEE First International Conference on Smart Technologies for Power, Energy, and Control (STPEC), Nagpur, India, 25–26 September 2020; pp. 1–6. [Google Scholar]
- Zhao, L.; Yue, Z.; Li, S.; Gao, J.; Jin, Z.; Diao, L. Online Temperature Monitoring Method for Induction Motor: An Overview. In The Proceedings of the 17th Annual Conference of the China Electrotechnical Society; Li, J., Xie, K., Hu, J., Yang, Q., Eds.; Springer Nature: Singapore, 2023; pp. 509–516. [Google Scholar]
- Dey, A.; Shafiei, N.; Khandekhar, R.; Eberle, W.; Li, R. Lumped Parameter Thermal Network Modeling of Power Transformers. In Proceedings of the 2021 20th IEEE Intersociety Conference on Thermal and Thermomechanical Phenomena in Electronic Systems (iTherm), San Diego, CA, USA, 1–4 June 2021; pp. 172–178. [Google Scholar]
- Abd Ali, J.; Hannan, M.A.; Mohamed, A. A Novel Quantum-Behaved Lightning Search Algorithm Approach to Improve the Fuzzy Logic Speed Controller for an Induction Motor Drive. Energies 2015, 8, 13112–13136. [Google Scholar] [CrossRef]
- Smith, A.; Jobst, B.; Green, A.G.; Pollmann, F. Crossing a topological phase transition with a quantum computer. Phys. Rev. Res. 2022, 4, L022020. [Google Scholar] [CrossRef]
- VanDerHorn, E.; Mahadevan, S. Digital Twin: Generalization, characterization and implementation. Decis Support Syst. 2021, 145, 113524. [Google Scholar] [CrossRef]
- Aheleroff, S.; Xu, X.; Zhong, R.Y.; Lu, Y. Digital Twin as a Service (DTaaS) in Industry 4.0: An Architecture Reference Model. Adv Eng Inform. 2021, 47, 101225. [Google Scholar] [CrossRef]
Disclaimer/Publisher’s Note: The statements, opinions and data contained in all publications are solely those of the individual author(s) and contributor(s) and not of MDPI and/or the editor(s). MDPI and/or the editor(s) disclaim responsibility for any injury to people or property resulting from any ideas, methods, instructions or products referred to in the content. |
© 2024 by the authors. Licensee MDPI, Basel, Switzerland. This article is an open access article distributed under the terms and conditions of the Creative Commons Attribution (CC BY) license (https://creativecommons.org/licenses/by/4.0/).
















