Modular Level Power Electronics (MLPE) Based Distributed PV System for Partial Shaded Conditions
Abstract
:1. Introduction
- From 1 to 3 score on a scale, all evaluation parameters are rated.
- Score is given to 3 in case of sensors needed = 1, otherwise the score granted is 1, if the number of sensors needed to is more than 1.
- Scores for tracking speed, accuracy and level of complexity are given as the following criteria: high = 1, medium = 2 and low = 3.
- If any technique is efficient for partial shading, then the score is given to 3, otherwise the score is granted to 1.
- Total score allotted = tracking speed (score) + efficient for partial shading (score) + settling time (score) + (accuracy) + sensed variables (score).
- A mathematical model is designed to identify the uniform irradiance (UI), and partial shading (PS) conditions in centralized and MLPE distributed PV systems across different MPPT techniques.
- We compare the proposed DFO approach with five other methods, including InC, FFO, CS, PSO, and P&O, in order to determine its robustness and power efficiency.
- MLPE will assist in meeting newer National Electrical Code (NEC) regulations for the quick shutdown of power PV circuits.
Boost Converter
2. Detailed Description of MLPE Distributed PV System
- Standalone: The output power inverter is linked with the local demands in these devices.
- Grid-tied system: The output power inverter in such setups is combined with the AC Electrical public grid.
- Centralized PV: In this output is connected and DC power is delivered to one converter.
- String topology: When several PV panels are connected in rows and each row has its inverter.
- Modular topology: In this topology, each PV module is connected to one inverter.
2.1. Shading in PV System
2.2. Calculation of Shading Losses
3. Practical Verification of MPPT through Hardware
4. Proposed MPPT Techniques
- First step is the separation of the dragon fly, which means that any DF does not collapse with the other fly. In case of a static swam, it denotes the current position of the dragonfly where the position is denoted by . Separation for individuals can be calculated with , where Q and indicate the nearby DF, and X shows the total number of different neighbors.
- The alignment that indicates how well the DF’s velocity corresponds to the velocity of persons in the same region, where Alignments is denoted by , and it can be calculated as . Where is the velocity of the neighboring DF.
- The cohesion, which means the ability of the DF to move about the mid-point of the mass of neighbors. Cohesion can be represented by Ck and it can be written as the equation , where Q denotes the real position of individual DFs and represents the position of the neighboring DF.
- The individuals of DF move towards food, which is most important for the sake of survival. The attraction of food for the DFs can be found as at position y is shown . The placement of food location is denoted by , and Q refers to the present position of the individual.
- Every person moves far from the rival, as indicated by the enemy’s label, and their formula can be written as . Where denotes the enemy’s location and Q denotes the participant’s location. These five sources finalize the current individual’s position. The final upgraded position can be calculated as . The values of can be found out aswhere, s denoted the weight of separation, represent the separation of DF, a denoted the weight of alignment step, stands for alignment of DF algorithm, c denotes the cohesion’s weight, elaborates the DF’s cohesiveness, f represents the food weighing factor, indicates the food of DFs, e denotes the enemy weighting element, and serves the opponent of DF. The flowchart of the DFO technique is given in Figure 8.
| Algorithm 1 Pseudocode of DF algorithm [61]. |
Create the population of DF’s (k = 1, 2,…, n). Initiate (k = 1, 2,…, n) step vectors. while The final condition is unsatisfactory. Determine all of the DF’s performance indices. Upgrade the enemies and food sources. Values of (w), (s), (a), (c), (f), and (e) could be brought up to date. Determine values of (S), (A), (C), (F), and (E) employing their formulas. Change the neighborhood’s radius. if A DF is neighboring by a minimum one other DF. Upgraded the velocity. Based on , position of vector are now upgraded. else Position of vectors are upgraded. end if Look and adjust the new locations depending on the variable limits. end while |
5. Simulink Model Designing and Implementation
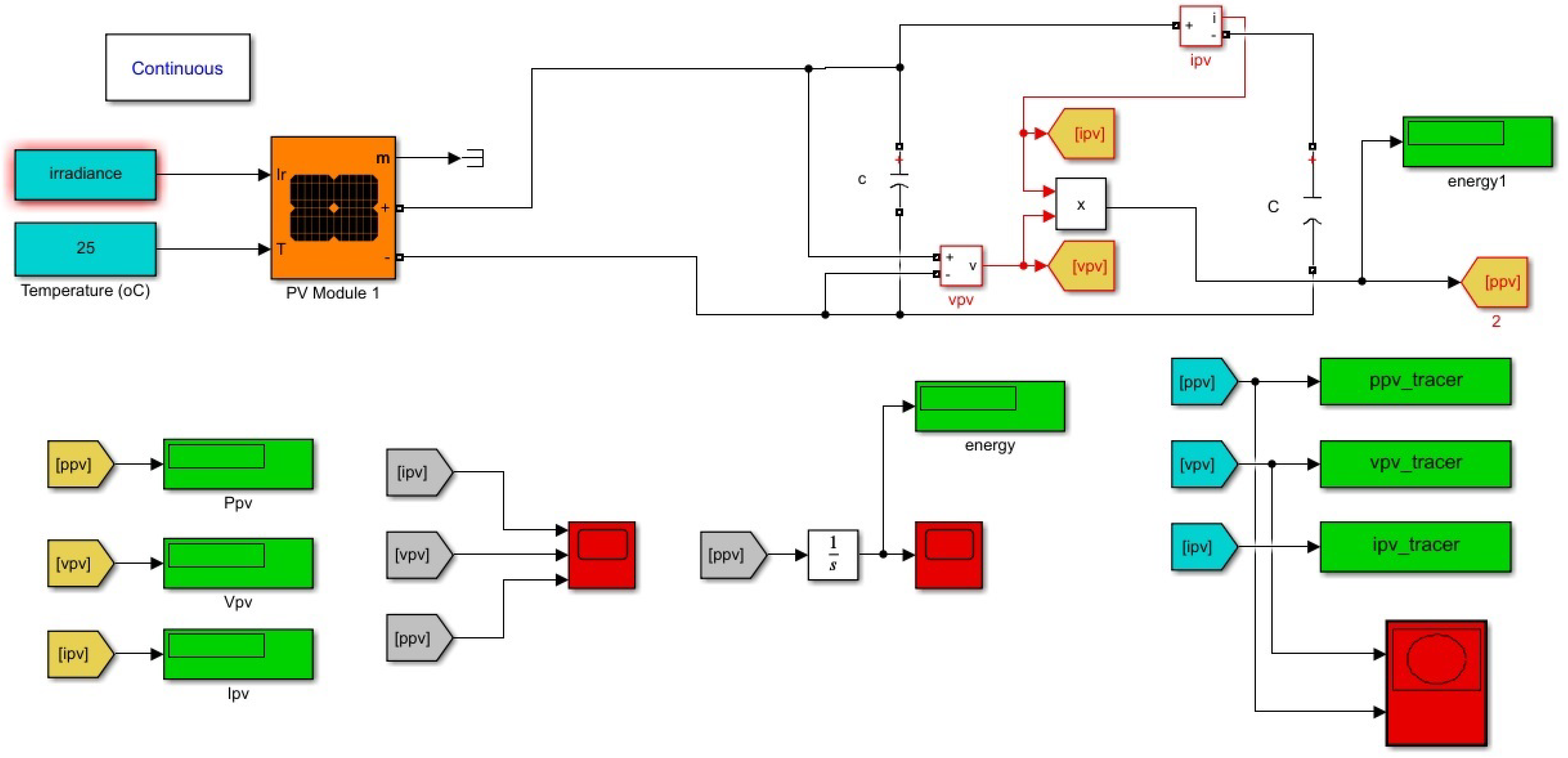
5.1. Simulink Model of Curve Tracer and Centralized PV System
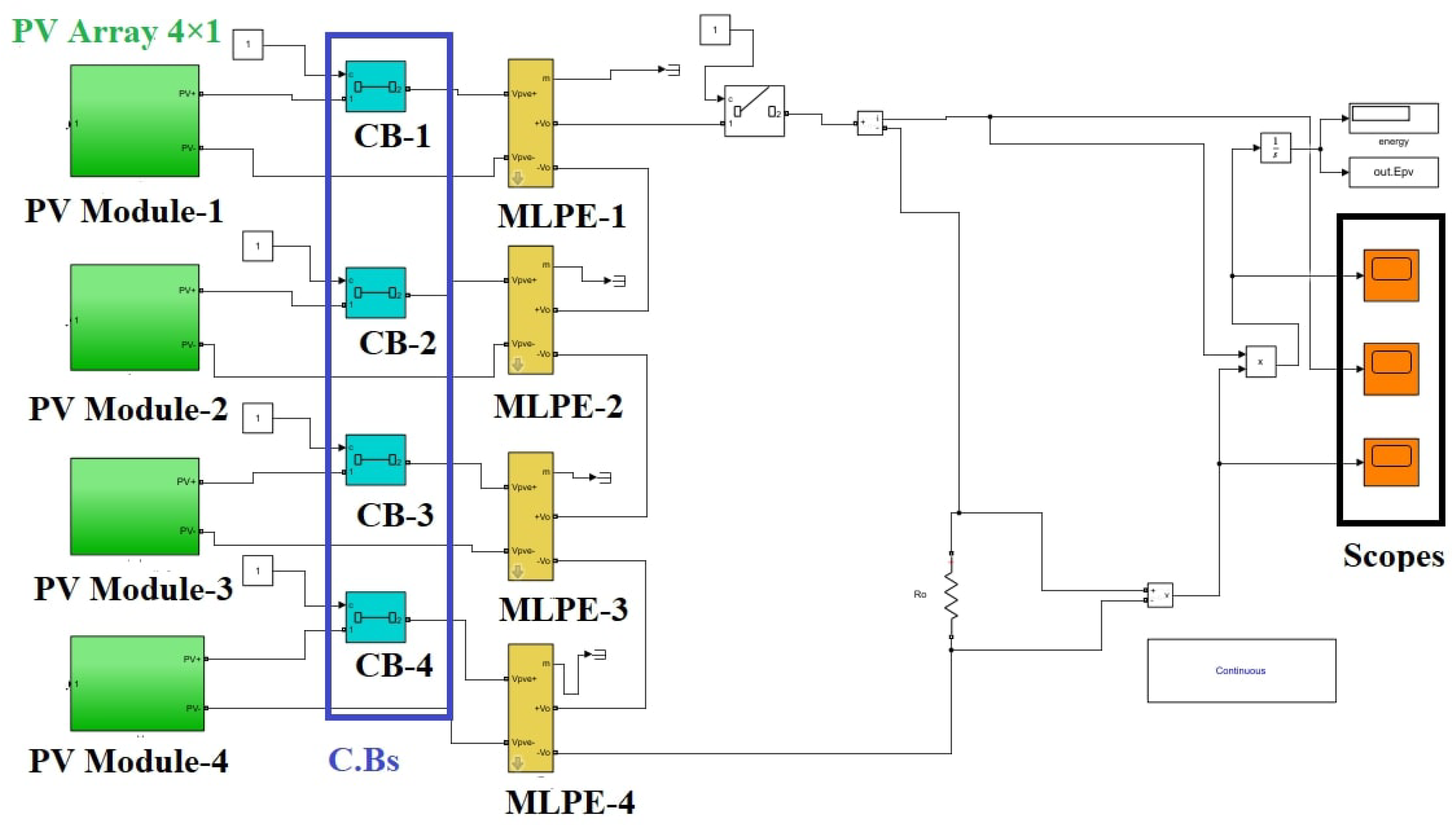
5.2. Simulink Model of Curve Tracer and MLPE Distributed PV System
5.3. Electrical Code Requirement
6. Results and Discussion
6.1. Case 1 PS1 for Centralized PV System
6.2. Case 2 PS2 for Centralized PV System
6.3. Case 3 PS3 for Centralized PV System
6.4. Case 4 UI for Centralized PV System
6.5. Case 1 PS1 MLPE Distributed PV System
6.6. Case 2 PS2 MLPE Distributed PV System
6.7. Case 3 PS3 MLPE Distributed PV System
6.8. Case 4 UI MLPE Distributed PV System
7. Efficiency of PV System and Analysis
8. Comparative Analysis of MLPE Distributed and Centralized PV System
9. Helioscope Results
9.1. Tigo Solar System
9.2. Huawei Solar System
9.3. Solar Edge System
9.4. Huawei Centralized System
9.5. MLPE with the Help of Enphase Inverter
9.6. Conclusion of Helioscope Result
10. Conclusions
11. Future Work
Author Contributions
Funding
Institutional Review Board Statement
Informed Consent Statement
Data Availability Statement
Conflicts of Interest
References
- Aldosary, A.; Ali, Z.M.; Alhaider, M.M.; Ghahremani, M.; Dadfar, S.; Suzuki, K. A modified shuffled frog algorithm to improve MPPT controller in PV System with storage batteries under variable atmospheric conditions. Control. Eng. Pract. 2021, 112, 104831. [Google Scholar] [CrossRef]
- Boghdady, T.A.; Kotb, Y.E.; Aljumah, A.; Sayed, M.M. Comparative Study of Optimal PV Array Configurations and MPPT under Partial Shading with Fast Dynamical Change of Hybrid Load. Sustainability 2022, 14, 2937. [Google Scholar] [CrossRef]
- Naderipour, A.; Abdul-Malek, Z.; Nowdeh, S.A.; Kamyab, H.; Ramtin, A.R.; Shahrokhi, S.; Klemeš, J.J. Comparative evaluation of hybrid photovoltaic, wind, tidal and fuel cell clean system design for different regions with remote application considering cost. J. Clean. Prod. 2021, 283, 124207. [Google Scholar] [CrossRef]
- Hussain, M.; Butt, A.R.; Uzma, F.; Ahmed, R.; Irshad, S.; Rehman, A.; Yousaf, B. A comprehensive review of climate change impacts, adaptation, and mitigation on environmental and natural calamities in Pakistan. Environ. Monit. Assess. 2020, 192, 1–20. [Google Scholar] [CrossRef]
- Abbass, K.; Qasim, M.Z.; Song, H.; Murshed, M.; Mahmood, H.; Younis, I. A review of the global climate change impacts, adaptation, and sustainable mitigation measures. Environ. Sci. Pollut. Res. 2022, 29, 42539–42559. [Google Scholar] [CrossRef]
- Wasim, M.S.; Amjad, M.; Habib, S.; Abbasi, M.A.; Bhatti, A.R.; Muyeen, S. A critical review and performance comparisons of swarm-based optimization algorithms in maximum power point tracking of photovoltaic systems under partial shading conditions. Energy Rep. 2022, 8, 4871–4898. [Google Scholar] [CrossRef]
- Sattianadan, D.; Gorai, S.; Kumar, G.P.; Vidyasagar, S.; Shanmugasundaram, V. Potency of PR controller for multiple harmonic compensation for a single-phase grid connected system. Int. J. Power Electron. Drive Syst. 2020, 11, 1491. [Google Scholar] [CrossRef]
- Huang, Y.P.; Hsu, S.Y. A performance evaluation model of a high concentration photovoltaic module with a fractional open circuit voltage-based maximum power point tracking algorithm. Comput. Electr. Eng. 2016, 51, 331–342. [Google Scholar] [CrossRef]
- Nadeem, A.; Sher, H.A.; Murtaza, A.F.; Ahmed, N. Online current-sensorless estimator for PV open circuit voltage and short circuit current. Solar Energy 2021, 213, 198–210. [Google Scholar] [CrossRef]
- Karabacak, M. A new perturb and observe based higher order sliding mode MPPT control of wind turbines eliminating the rotor inertial effect. Renew. Energy 2019, 133, 807–827. [Google Scholar] [CrossRef]
- Nkambule, M.S.; Hasan, A.N.; Ali, A. MPPT under partial shading conditions based on Perturb & Observe and Incremental Conductance. In Proceedings of the 2019 11th International Conference on Electrical and Electronics Engineering (ELECO), Bursa, Turkey, 28–30 November 2019; pp. 85–90. [Google Scholar]
- Hota, A.; Bhuyan, S.K.; Hota, P.K. Modeling & simulation of photovoltaic system connected to grid using Matlab. In Proceedings of the 2020 International Conference on Renewable Energy Integration into Smart Grids: A Multidisciplinary Approach to Technology Modelling and Simulation (ICREISG), Bhubaneswar, India, 14–15 February 2020; pp. 16–21. [Google Scholar]
- Dhass, A.; Beemkumar, N.; Harikrishnan, S.; Ali, H.M. A Review on Factors Influencing the Mismatch Losses in Solar Photovoltaic System. Int. J. Photoenergy 2022, 2022, 2986004. [Google Scholar] [CrossRef]
- Parthasarathy, K.; Vijayaraj, S.; Radhakrishnan, G.; Leemarose, J.; Rajesh, K. Implementation of solar power optimizer to enhance output power of a solar PV plant. Nat. Volatiles Essent. 2021, 8, 1561–1567. [Google Scholar]
- Fan, L.; Ma, X. Maximum power point tracking of PEMFC based on hybrid artificial bee colony algorithm with fuzzy control. Sci. Rep. 2022, 12, 4316. [Google Scholar] [CrossRef]
- Phanden, R.K.; Sharma, L.; Chhabra, J.; Demir, H.İ. A novel modified ant colony optimization based maximum power point tracking controller for photovoltaic systems. Mater. Today Proc. 2021, 38, 89–93. [Google Scholar] [CrossRef]
- Restrepo-Cuestas, B.J.; Montano, J.; Ramos-Paja, C.A.; Trejos-Grisales, L.A.; Orozco-Gutierrez, M.L. Parameter Estimation of the Bishop Photovoltaic Model Using a Genetic Algorithm. Appl. Sci. 2022, 12, 2927. [Google Scholar] [CrossRef]
- Tajuddin, M.; Azmi, A.; Ayob, S.; Sutikno, T. Differential evolution based solar photovoltaic array reconfiguration algorithm for optimal energy extraction during partial shading condition. Int. J. Power Electron. Drive Syst. 2018, 9, 1397. [Google Scholar]
- Suhardi, D.; Syafaah, L.; Irfan, M.; Yusuf, M.; Effendy, M.; Pakaya, I. Improvement of maximum power point tracking (MPPT) efficiency using grey wolf optimization (GWO) algorithm in photovoltaic (PV) system. In Proceedings of the IOP Conference Series: Materials Science and Engineering, Kazimierz Dolny, Poland, 23–25 July 2019; IOP Publishing: Bristol, UK, 2019; Volume 674, p. 012038. [Google Scholar]
- Hussaian Basha, C.; Bansal, V.; Rani, C.; Brisilla, R.; Odofin, S. Development of cuckoo search MPPT algorithm for partially shaded solar PV SEPIC converter. In Soft Computing for Problem Solving; Springer: Berlin/Heidelberg, Germany, 2020; pp. 727–736. [Google Scholar]
- Kamil, A.A.; Nasr, M.S.; Alwash, S. Maximum Power Point Tracking Method for Photovoltaic System Based on Enhanced Particle Swarm Optimization Algorithm Under Partial Shading Condition. Int. J. Intell. Eng. Syst. 2020, 13, 241–254. [Google Scholar] [CrossRef]
- Pei, T.; Hao, X.; Gu, Q. A novel global maximum power point tracking strategy based on modified flower pollination algorithm for photovoltaic systems under non-uniform irradiation and temperature conditions. Energies 2018, 11, 2708. [Google Scholar] [CrossRef] [Green Version]
- Kayri, I.; Gencoglu, M.T. Predicting power production from a photovoltaic panel through artificial neural networks using atmospheric indicators. Neural Comput. Appl. 2019, 31, 3573–3586. [Google Scholar] [CrossRef]
- Shahdadi, A.; Khajeh, A.; Barakati, S.M. A new slip surface sliding mode controller to implement MPPT method in photovoltaic system. In Proceedings of the 2018 9th Annual Power Electronics, Drives Systems and Technologies Conference (PEDSTC), Tehran, Iran, 13–15 February 2018; pp. 212–217. [Google Scholar]
- Jin, Y.; Hou, W.; Li, G.; Chen, X. A glowworm swarm optimization-based maximum power point tracking for photovoltaic/thermal systems under non-uniform solar irradiation and temperature distribution. Energies 2017, 10, 541. [Google Scholar] [CrossRef] [Green Version]
- Afzal Awan, M.M.; Mahmood, T. A novel ten check maximum power point tracking algorithm for a standalone solar photovoltaic system. Electronics 2018, 7, 327. [Google Scholar] [CrossRef] [Green Version]
- Hosseinpour, M.; Mansoori, S.; Shayeghi, H. Selective Harmonics Elimination Technique in Cascaded H-Bridge Multi-Level Inverters Using the Salp Swarm Optimization Algorithm. J. Oper. Autom. Power Eng. 2020, 8, 32–42. [Google Scholar]
- Awan, M.M.A.; Javed, M.Y.; Asghar, A.B.; Ejsmont, K. Performance Optimization of a Ten Check MPPT Algorithm for an Off-Grid Solar Photovoltaic System. Energies 2022, 15, 2104. [Google Scholar] [CrossRef]
- Kumar, N.; Hussain, I.; Singh, B.; Panigrahi, B.K. Rapid MPPT for uniformly and partial shaded PV system by using JayaDE algorithm in highly fluctuating atmospheric conditions. IEEE Trans. Ind. Inform. 2017, 13, 2406–2416. [Google Scholar] [CrossRef]
- Lin, Z.; Wang, J.; Fang, Z.; Hu, M.; Cai, C.; Zhang, J. Accurate maximum power tracking of wireless power transfer system based on simulated annealing algorithm. IEEE Access 2018, 6, 60881–60890. [Google Scholar] [CrossRef]
- Yang, X.; Li, W.; Su, L.; Wang, Y.; Yang, A. An improved evolution fruit fly optimization algorithm and its application. Neural Comput. Appl. 2020, 32, 9897–9914. [Google Scholar] [CrossRef]
- Omar, A.; Hasanien, H.M.; Elgendy, M.A.; Badr, M.A. Identification of the photovoltaic model parameters using the crow search algorithm. J. Eng. 2017, 2017, 1570–1575. [Google Scholar] [CrossRef]
- Heidari, A.A.; Mirjalili, S.; Faris, H.; Aljarah, I.; Mafarja, M.; Chen, H. Harris hawks optimization: Algorithm and applications. Future Gener. Comput. Syst. 2019, 97, 849–872. [Google Scholar] [CrossRef]
- Poonahela, I.; Bayhan, S.; Abu-Rub, H.; Begovic, M.M.; Shadmand, M.B. An effective finite control set-model predictive control method for grid integrated solar PV. IEEE Access 2021, 9, 144481–144492. [Google Scholar] [CrossRef]
- Radhika, S.; Margaret, V. A Review on DC-DC Converters with Photovoltaic System in DC Micro Grid. J. Phys. Conf. Ser. 2021, 1804, 012155. [Google Scholar] [CrossRef]
- Gharechahi, A.; Shahrezayi, A.J.; Hamzeh, M.; Afjei, E. Increasing of Harvested Power in DMPPT-based PV Systems by a New Scan Method. In Proceedings of the 2022 13th Power Electronics, Drive Systems, and Technologies Conference (PEDSTC), Tehran, Iran, 1–3 February 2022; pp. 592–597. [Google Scholar]
- Ku, C.Y.; Noranai, Z. Case study of solar PV comparison cost saving at student accommodation. Res. Prog. Mech. Manuf. Eng. 2021, 2, 57–63. [Google Scholar]
- Kabalcı, E. Review on novel single-phase grid-connected solar inverters: Circuits and control methods. Sol. Energy 2020, 198, 247–274. [Google Scholar] [CrossRef]
- Ali, A.I.; Sayed, M.A.; Mohamed, E.E. Modified efficient perturb and observe maximum power point tracking technique for grid-tied PV system. Int. J. Electr. Power Energy Syst. 2018, 99, 192–202. [Google Scholar] [CrossRef]
- Donadi, A.K.; Jahnavi, W. Review of DC-DC Converters in Photovoltaic Systems for MPPT Systems. Int. Res. J. Eng. Technol. (IRJET) 2019, 6, 1914–1918. [Google Scholar]
- Trejo, D.R.E.; Taheri, S.; Saavedra, J.L.; Vázquez, P.; De Angelo, C.H.; Pecina-Sánchez, J.A. Nonlinear Control and Internal Stability Analysis of Series-Connected Boost DC/DC Converters in PV Systems With Distributed MPPT. IEEE J. Photovolt. 2020, 11, 504–512. [Google Scholar] [CrossRef]
- Raghavendra, K.V.G.; Zeb, K.; Muthusamy, A.; Krishna, T.; Kumar, S.; Kim, D.H.; Kim, M.S.; Cho, H.G.; Kim, H.J. A comprehensive review of DC–DC converter topologies and modulation strategies with recent advances in solar photovoltaic systems. Electronics 2020, 9, 31. [Google Scholar] [CrossRef] [Green Version]
- Choudhury, T.R.; Nayak, B.; De, A.; Santra, S.B. A comprehensive review and feasibility study of DC–DC converters for different PV applications: ESS, future residential purpose, EV charging. Energy Syst. 2020, 11, 641–671. [Google Scholar] [CrossRef]
- Amir, A.; Amir, A.; Che, H.S.; Elkhateb, A.; Abd Rahim, N. Comparative analysis of high voltage gain DC-DC converter topologies for photovoltaic systems. Renew. Energy 2019, 136, 1147–1163. [Google Scholar] [CrossRef] [Green Version]
- Krishnamurthy, K.; Padmanaban, S.; Blaabjerg, F.; Neelakandan, R.B.; Prabhu, K.R. Power electronic converter configurations integration with hybrid energy sources–a comprehensive review for state-of the-art in research. Electr. Power Compon. Syst. 2019, 47, 1623–1650. [Google Scholar] [CrossRef]
- Farh, H.M.; Eltamaly, A.M. Maximum power extraction from the photovoltaic system under partial shading conditions. In Modern Maximum Power Point Tracking Techniques for Photovoltaic Energy Systems; Springer: Berlin/Heidelberg, Germany, 2020; pp. 107–129. [Google Scholar]
- Ponnusamy, P.; Sivaraman, P.; Almakhles, D.J.; Padmanaban, S.; Leonowicz, Z.; Alagu, M.; Ali, J.S.M. A new multilevel inverter topology with reduced power components for domestic solar PV applications. IEEE Access 2020, 8, 187483–187497. [Google Scholar] [CrossRef]
- Pant, S.; Saini, R. Comparative study of MPPT techniques for solar photovoltaic system. In Proceedings of the 2019 International Conference on Electrical, Electronics and Computer Engineering (UPCON), Piscataway, NJ, USA, 8–10 November 2019; pp. 1–6. [Google Scholar]
- Khosrojerdi, F.; Golkhandan, N.H. Microcontroller-based maximum power point tracking methods in photovoltaic systems. In Proceedings of the 2018 9th Annual Power Electronics, Drives Systems and Technologies Conference (PEDSTC), Tehran, Iran, 13–15 February 2018; pp. 330–334. [Google Scholar]
- Javed, M.R.; Waleed, A.; Riaz, M.T.; Virk, U.S.; Ahmad, S.; Daniel, K.; Hussan, U.; Khan, M.A. A Comparative Study of Maximum Power Point Tracking Techniques for Solar Systems. In Proceedings of the 2019 22nd International Multitopic Conference (INMIC), Islamabad, Pakistan, 29–30 November 2019; pp. 1–6. [Google Scholar]
- Ravyts, S.; Dalla Vecchia, M.; Zwysen, J.; Van den Broeck, G.; Driesen, J. Study on a cascaded DC-DC converter for use in building-integrated photovoltaics. In Proceedings of the 2018 IEEE Texas Power and Energy Conference (TPEC), College Station, TX, USA, 8–9 February 2018; pp. 1–6. [Google Scholar]
- Lee, H.S.; Yun, J.J. Advanced MPPT algorithm for distributed photovoltaic systems. Energies 2019, 12, 3576. [Google Scholar] [CrossRef] [Green Version]
- Liu, L.; Meng, X.; Liu, C. A review of maximum power point tracking methods of PV power system at uniform and partial shading. Renew. Sustain. Energy Rev. 2016, 53, 1500–1507. [Google Scholar] [CrossRef]
- Mao, M.; Cui, L.; Zhang, Q.; Guo, K.; Zhou, L.; Huang, H. Classification and summarization of solar photovoltaic MPPT techniques: A review based on traditional and intelligent control strategies. Energy Rep. 2020, 6, 1312–1327. [Google Scholar] [CrossRef]
- Sarwar, S.; Javed, M.Y.; Jaffery, M.H.; Arshad, J.; Ur Rehman, A.; Shafiq, M.; Choi, J.G. A Novel Hybrid MPPT Technique to Maximize Power Harvesting from PV System under Partial and Complex Partial Shading. Appl. Sci. 2022, 12, 587. [Google Scholar] [CrossRef]
- Sarwar, S.; Hafeez, M.A.; Javed, M.Y.; Asghar, A.B.; Ejsmont, K. A Horse Herd Optimization Algorithm (HOA)-Based MPPT Technique under Partial and Complex Partial Shading Conditions. Energies 2022, 15, 1880. [Google Scholar] [CrossRef]
- Javed, M.Y.; Hasan, A.; Rizvi, S.T.H.; Hafeez, A.; Sarwar, S.; Telmoudi, A.J. Water Cycle Algorithm (WCA): A New Technique to Harvest Maximum Power from PV. Cybern. Syst. 2022, 53, 80–102. [Google Scholar] [CrossRef]
- Deline, C.; Meydbray, J.; Donovan, M. Photovoltaic Shading Testbed for Module-Level Power Electronics: 2016 Performance Data Update; Technical Report; National Renewable Energy Lab. (NREL): Golden, CO, USA, 2016.
- Geyer, T.; Quevedo, D.E. Multistep finite control set model predictive control for power electronics. IEEE Trans. Power Electron. 2014, 29, 6836–6846. [Google Scholar] [CrossRef]
- Ahmad, R.; Murtaza, A.F.; Sher, H.A.; Shami, U.T.; Olalekan, S. An analytical approach to study partial shading effects on PV array supported by literature. Renew. Sustain. Energy Rev. 2017, 74, 721–732. [Google Scholar] [CrossRef]
- Mirjalili, S. Dragonfly algorithm: A new meta-heuristic optimization technique for solving single-objective, discrete, and multi-objective problems. Neural Comput. Appl. 2016, 27, 1053–1073. [Google Scholar] [CrossRef]
- Saravanan, S.; Babu, N.R. Maximum power point tracking algorithms for photovoltaic system—A review. Renew. Sustain. Energy Rev. 2016, 57, 192–204. [Google Scholar] [CrossRef]
- Ghasemi, M.A.; Foroushani, H.M.; Blaabjerg, F. Marginal power-based maximum power point tracking control of photovoltaic system under partially shaded condition. IEEE Trans. Power Electron. 2019, 35, 5860–5872. [Google Scholar] [CrossRef]
- Bharath, K. A novel modified ant colony optimization based maximum power point tracking controller for photovoltaic systemsA novel sensorless hybrid MPPT method based on FOCV measurement and P&O MPPT technique for solar PV applications. In Proceedings of the 2019 International Conference on Advances in Computing and Communication Engineering (ICACCE), Sathyamangalam, India, 4–6 April 2019; pp. 1–5. [Google Scholar]
- Huynh, D.C.; Dunnigan, M.W. Development and comparison of an improved incremental conductance algorithm for tracking the MPP of a solar PV panel. IEEE Trans. Sustain. Energy 2016, 7, 1421–1429. [Google Scholar] [CrossRef]














































| Sr No. | Ref. No. | Year | MPPT Method | Tracking Accuracy | Efficient for Partial Shading | Converter Type | Variable Sensed | Type of PV System Used | Can Be Implement in Low-Cost Controller | Tracking Speed | Level of Complexity | Total Score = 15 |
|---|---|---|---|---|---|---|---|---|---|---|---|---|
| 1 | [8] | 2016 | FOCV | Medium/2 | No/1 | Boost | V/3 | SAPVS | Yes | Medium/2 | Low/3 | 11 |
| 2 | [9] | 2021 | FSCC | Medium/2 | No/1 | Boost | I/3 | SAPVS | Yes | Medium/2 | Low/3 | 11 |
| 3 | [10] | 2019 | P&O | Medium/2 | No/1 | Boost | I,V/1 | GCPVS | Yes | Fast/3 | Low/3 | 10 |
| 4 | [11] | 2019 | InC | High/3 | Yes/3 | Boost | I,V/1 | SAPVS | Yes | Fast/3 | Medium/2 | 12 |
| 5 | [21] | 2020 | PSO | Medium/2 | Yes/3 | Buck-Boost | I,V/1 | GCPVS | No | Medium/2 | Low/3 | 11 |
| 6 | [22] | 2018 | FP | High/3 | Yes/3 | Buck | I,V/1 | SAPVS | No | Fast/3 | Low/3 | 13 |
| 7 | [23] | 2019 | ANN | High3 | Yes/3 | Buck | I,V/1 | SAPVS | Yes | Medium/2 | Low/3 | 12 |
| 8 | [24] | 2022 | SMC | High/3 | Yes/3 | Boost | I,V/1 | SAPVS | No | Fast/3 | Medium/2 | 12 |
| 9 | [15] | 2022 | ABC | High/3 | Yes/3 | Boost | I,V/1 | GCPVS | No | Medium/2 | Low/3 | 12 |
| 10 | [16] | 2021 | ACO | High/3 | Yes/3 | Boost | I,V/1 | SAPVS | No | Fast/3 | Low/3 | 13 |
| 11 | [20] | 2020 | CS | High/3 | Yes/3 | SEPIC | I,V/1 | SAPVS | No | Fast/3 | High/1 | 11 |
| 12 | [17] | 2022 | GA | Medium/2 | Yes/3 | Buck-Boost | I,V/1 | GCPVS | Yes | Medium/2 | Low/3 | 11 |
| 13 | [18] | 2018 | DE | High/3 | Yes/3 | Boost | I,V/1 | GCPVS | No | Medium/2 | Low/3 | 12 |
| 14 | [19] | 2019 | GWO | High/3 | Yes/3 | Buck | I,V/1 | SAPVS | No | Fast/3 | Medium/2 | 12 |
| 15 | [25] | 2017 | GSO | Medium/2 | Yes/3 | Boost | I,V/1 | GCPVS | Yes | Fast/3 | Low/3 | 12 |
| 16 | [26] | 2018 | TCA | High/3 | Yes/3 | Boost | I,V/1 | SAPVS | No | Fast/3 | Medium/2 | 12 |
| 17 | [27] | 2020 | SSO | High/3 | Yes/3 | Boost | I,V/1 | SAPVS | No | Fast/3 | Low/3 | 13 |
| 18 | [28] | 2022 | OTCA | High/3 | Yes/3 | Boost | I,V/1 | SAPVS | No | Fast/3 | Low/3 | 13 |
| 19 | [29] | 2017 | JayaDe | Low/1 | Yes/3 | Boost | I,V/1 | SAPVS | No | Medium/2 | Low/3 | 10 |
| 20 | [30] | 2018 | SA | High/3 | Yes/3 | Boost | I,V/1 | GCPVS | No | Low/1 | Medium/2 | 10 |
| 21 | [31] | 2020 | FFO | High/3 | Yes/3 | Boost | I,V/1 | GCPVS | No | Medium/2 | Low/3 | 12 |
| 22 | [32] | 2017 | CSO | High/3 | Yes/3 | Boost | I,V/1 | SAPVS | No | Medium/2 | Medium/2 | 11 |
| 23 | [33] | 2019 | HHO | High/3 | Yes/3 | Boost | I,V/1 | SAPVS | No | Fast/3 | Low/3 | 13 |
| Case | |||||
|---|---|---|---|---|---|
| Case 1 PS1 | PV-1:800 | PV-2:600 | PV-3:400 | PV-4:100 | 375 W |
| Case 2 PS2 | PV-1:800 | PV-2:600 | PV-3:400 | PV-4:400 | 494 W |
| Case 3 PS3 | PV-1:800 | PV-2:800 | PV-3:600 | PV-4:600 | 740 W |
| Case 4 UI | PV-1:800 | PV-2:800 | PV-3:800 | PV-4:800 | 940 W |
| Case | |||||
|---|---|---|---|---|---|
| Case 1 PS1 | PV-1:800 | PV-2:600 | PV-3:400 | PV-4:100 | 528 W |
| Case 2 PS2 | PV-1:800 | PV-2:600 | PV-3:400 | PV-4:400 | 548 W |
| Case 3 PS3 | PV-1:800 | PV-2:800 | PV-3:600 | PV-4:600 | 826 W |
| Case 4 UI | PV-1:800 | PV-2:800 | PV-3:800 | PV-4:800 | 940 W |
| Sr. No | Technique | Case | Convergence Time (s) | Settling Time (s) | Maximum Power (Watt) | Power Tracked (Watt) | Efficiency (%) | GM Detected | Energy |
|---|---|---|---|---|---|---|---|---|---|
| 1 | DFO | PS1 | 0.1012 | 0.1135 | 375 | 370.87 | 98.88 | Yes | 139.40 |
| PS2 | 0.1020 | 0.1300 | 494 | 490.00 | 99.19 | Yes | 220.30 | ||
| PS3 | 0.1070 | 0.1170 | 740 | 730.97 | 98.77 | Yes | 249.68 | ||
| UI | 0.1270 | 0.1166 | 940 | 934.00 | 99.36 | Yes | 357.00 | ||
| 2 | PSO | PS1 | 0.3351 | 0.3901 | 375 | 370.12 | 98.698 | Yes | 139.10 |
| PS2 | 0.3156 | 0.3940 | 494 | 479.00 | 96.96 | Yes | 200.90 | ||
| PS3 | 0.2931 | 0.3934 | 740 | 710.00 | 95.94 | Yes | 249.10 | ||
| UI | 0.3310 | 0.3974 | 940 | 905.00 | 96.27 | Yes | 310.00 | ||
| 3 | CS | PS1 | 0.3015 | 0.3741 | 375 | 369.00 | 98.40 | Yes | 127.55 |
| PS2 | 0.3512 | 0.3792 | 494 | 487.00 | 98.50 | Yes | 218.00 | ||
| PS3 | 0.2510 | 0.3651 | 740 | 725.00 | 97.97 | Yes | 247.00 | ||
| UI | 0.2560 | 0.3531 | 940 | 930.00 | 98.93 | Yes | 275.00 | ||
| 4 | FFO | PS1 | 0.2995 | 0.3993 | 375 | 370.25 | 98.73 | Yes | 138.40 |
| PS2 | 0.1120 | 0.1365 | 494 | 475.00 | 96.15 | Yes | 219.10 | ||
| PS3 | 0.2102 | 0.2902 | 740 | 728.00 | 98.37 | Yes | 248.50 | ||
| UI | 0.2013 | 0.2501 | 940 | 910.00 | 96.80 | Yes | 347.00 | ||
| 5 | P&O | PS1 | 0.3520 | 0.4000 | 375 | 314.00 | 93.73 | No | 123.32 |
| PS2 | 0.3651 | 0.3990 | 494 | 410.00 | 82.99 | No | 196.00 | ||
| PS3 | 0.3800 | 0.4000 | 740 | 650.00 | 87.83 | No | 230.00 | ||
| UI | 0.3500 | 0.3996 | 940 | 790.00 | 84.04 | No | 305.00 | ||
| 6 | InC | PS1 | 0.0101 | 0.0123 | 375 | 224.00 | 59.73 | No | 089.44 |
| PS2 | 0.0110 | 0.0125 | 494 | 390.00 | 78.94 | No | 158.00 | ||
| PS3 | 0.0019 | 0.0129 | 740 | 552.00 | 74.59 | No | 162.62 | ||
| UI | 0.2950 | 0.3210 | 940 | 670.00 | 71.27 | No | 290.00 |
| Sr. No | Technique | Case | Convergence Time (s) | Settling Time (s) | Maximum Power (Watt) | Power Tracked (Watt) | Efficiency (%) | GM Detected | Energy |
|---|---|---|---|---|---|---|---|---|---|
| 1 | DFO | PS1 | 0.0951 | 0.1140 | 528 | 525.00 | 99.43 | Yes | 193.05 |
| PS2 | 0.0420 | 0.0670 | 548 | 545.00 | 99.45 | Yes | 250.04 | ||
| PS3 | 0.1280 | 0.1660 | 826 | 821.30 | 99.47 | Yes | 304.50 | ||
| UI | 0.1010 | 0.1136 | 940 | 935.00 | 99.46 | Yes | 358.60 | ||
| 2 | PSO | PS1 | 0.3129 | 0.3868 | 528 | 520.00 | 98.48 | Yes | 164.70 |
| PS2 | 0.3231 | 0.3733 | 548 | 543.00 | 99.00 | Yes | 183.00 | ||
| PS3 | 0.3215 | 0.3919 | 826 | 820.00 | 99.27 | Yes | 260.00 | ||
| UI | 0.3870 | 0.3627 | 940 | 914.00 | 97.23 | Yes | 317.00 | ||
| 3 | CS | PS1 | 0.3527 | 0.3696 | 528 | 522.00 | 98.86 | Yes | 148.40 |
| PS2 | 0.3423 | 0.3688 | 548 | 540.00 | 98.50 | Yes | 176.80 | ||
| PS3 | 0.3150 | 0.3747 | 826 | 819.00 | 99.15 | Yes | 252.40 | ||
| UI | 0.1143 | 0.3886 | 940 | 934.00 | 99.36 | Yes | 276.30 | ||
| 4 | FFO | PS1 | 0.1519 | 0.1926 | 528 | 523.00 | 99.05 | Yes | 159.70 |
| PS2 | 0.1057 | 0.1320 | 548 | 542.00 | 98.90 | Yes | 235.00 | ||
| PS3 | 0.1952 | 0.2028 | 826 | 815.00 | 98.66 | Yes | 265.00 | ||
| UI | 0.2589 | 0.3370 | 940 | 915.00 | 97.34 | Yes | 351.00 | ||
| 5 | P&O | PS1 | 0.0123 | 0.0200 | 528 | 462.00 | 87.50 | No | 183.00 |
| PS2 | 0.0210 | 0.0300 | 548 | 490.00 | 89.41 | No | 188.00 | ||
| PS3 | 0.0120 | 0.0200 | 826 | 675.00 | 81.71 | No | 263.00 | ||
| UI | 0.0250 | 0.0300 | 940 | 766.50 | 81.50 | No | 290.00 | ||
| 6 | InC | PS1 | 0.0123 | 0.0200 | 528 | 367.00 | 69.50 | No | 145.00 |
| PS2 | 0.0210 | 0.0268 | 548 | 400.00 | 72.99 | No | 183.00 | ||
| PS3 | 0.0112 | 0.0145 | 826 | 660.00 | 79.90 | No | 250.00 | ||
| UI | 0.0120 | 0.0150 | 940 | 685.00 | 72.87 | No | 273.00 |
| Company Inverter | kW System | Power Optimizer | Shading (%) | Production Monthly (kWh) |
|---|---|---|---|---|
| Huawei | 244 | Tigo | 0 | 355,777 |
| 65 | 332,747 | |||
| 50 | 330,739 | |||
| 25 | 302,378 | |||
| Huawei | 244 | Huawei | 0 | 349,762 |
| 65 | 348,986 | |||
| 50 | 347,986 | |||
| 25 | 339,611 | |||
| Solar Edge | 244 | Solar Edge | 0 | 353,452 |
| 65 | 352,588 | |||
| 50 | 351,588 | |||
| 25 | 339,873 | |||
| Enphase | 251 | Itself | 0 | 364,057 |
| 65 | 363,138 | |||
| 50 | 360,567 | |||
| 25 | 357,125 | |||
| Huawei | 239 | No | 0 | 351,611 |
| 65 | 278,477 | |||
| 50 | 240,246 | |||
| 25 | 220,719 |
Publisher’s Note: MDPI stays neutral with regard to jurisdictional claims in published maps and institutional affiliations. |
© 2022 by the authors. Licensee MDPI, Basel, Switzerland. This article is an open access article distributed under the terms and conditions of the Creative Commons Attribution (CC BY) license (https://creativecommons.org/licenses/by/4.0/).
Share and Cite
Sarwar, S.; Javed, M.Y.; Jaffery, M.H.; Ashraf, M.S.; Naveed, M.T.; Hafeez, M.A. Modular Level Power Electronics (MLPE) Based Distributed PV System for Partial Shaded Conditions. Energies 2022, 15, 4797. https://doi.org/10.3390/en15134797
Sarwar S, Javed MY, Jaffery MH, Ashraf MS, Naveed MT, Hafeez MA. Modular Level Power Electronics (MLPE) Based Distributed PV System for Partial Shaded Conditions. Energies. 2022; 15(13):4797. https://doi.org/10.3390/en15134797
Chicago/Turabian StyleSarwar, Sajid, Muhammad Yaqoob Javed, Mujtaba Hussain Jaffery, Muhammad Saqib Ashraf, Muhammad Talha Naveed, and Muhammad Annas Hafeez. 2022. "Modular Level Power Electronics (MLPE) Based Distributed PV System for Partial Shaded Conditions" Energies 15, no. 13: 4797. https://doi.org/10.3390/en15134797
APA StyleSarwar, S., Javed, M. Y., Jaffery, M. H., Ashraf, M. S., Naveed, M. T., & Hafeez, M. A. (2022). Modular Level Power Electronics (MLPE) Based Distributed PV System for Partial Shaded Conditions. Energies, 15(13), 4797. https://doi.org/10.3390/en15134797

