Abstract
Based on a systematic literature review, no design guidelines addressing practical issues related to steel circular hollow section (CHS) members under hydrostatic pressure have been documented thus far, except for the design recommendations proposed by the European standard EN 1993-1-6 concerning the strength and stability of shell structures. Considering that the existing codes are often outdated and subject to improvement, there is a growing demand for modern solutions that can accurately replicate the stability loss response of equipment subject to external pressure. The development of a more direct and simple method, augmented by reliable computational techniques, is advisable to avoid the numerous challenges associated with manual calculations. This approach will streamline the design process and mitigate the complexity of current practical or technical approaches. Thus, this research has formulated a method to predict design strength through the direct application of the critical elastic buckling stress, determined from Generalised Beam Theory (GBT) analyses, induced by hydrostatic pressure in custom-crafted equations, finely tuned for this specific objective. The authors present a formulation of GBT to analyze the elastic buckling behavior of CHS subject to both combined axial compression and external pressure. This work provides an extensive study of the behavior of circular cylindrical shells under external loading conditions. It first introduces the analyses of GBT and the theoretical and empirical formulas applicable to this objective. It then describes the steps involved in the development and validation of a numerical model that simulates the response of circular cylindrical shells under hydrostatic pressure, conducting an extensive parametric study using finite element analyses (FEAs). The results from available tests validate the finite element (FE) model. Upon achieving adequate agreement between the generated numerical and experimental results, new resistance reduction curves for cylindrical shell members are developed based on the results of the parametric study. Additionally, the study compares the existing provisions of EN 1993-1-6 for the design of cylindrical shells under hydrostatic pressure. Finally, a statistical approach is adopted to compare the responses of cylindrical shells calculated according to the EN 1993-1-6 code recommendations with those obtained through the newly proposed method.
1. Introduction
Tanks and pressure vessels commonly used in the chemical, petroleum, food, and pharmaceutical industries for fluid or gas storage at high temperatures are composed of circular cylindrical steel shells and are often subject to hydrostatic pressure. They are susceptible to buckling phenomena [1,2] due to an accidentally induced internal vacuum. This can happen when (i) the liquid inside a tank is transferred out of it (if the equipment is drained without properly venting the headspace), (ii) hot vapors condense inside the vessel, or (iii) a vacuum relief system is not functioning properly. Buckling collapse is still a common occurrence, as shown in Figure 1, even though it may be avoided with proper design and operating methods.
Figure 1.
Tanks damaged by under pressure: (a) damage during the transfer of liquids due to activities, such as shutdowns; (b) vacuum creation inside the equipment due to the condensation of water vapor; and (c) pressure vessel collapse due to a plastic bag blocking the ventilation [3].
Brar et al. [4] defined buckling as a relevant aspect in many pressure vessel designs, especially when these vessels operate under vacuum conditions. Traditional failure theories, such as those of Tresca and von Mises, rely solely on material strength and do not provide adequate methods for addressing structural stability problems. Furthermore, the material properties intrinsic to buckling collapse strength are Young’s modulus and Poisson’s ratio. In terms of geometric parameters, the diameter-to-length ratio (i.e., the slenderness) is the most significant. It is worth noting that the maximum material strength (yield limit) is not a primary factor in determining the critical buckling pressure for any given shell geometry, as buckling tends to occur at stress levels well below the ultimate compressive strength of the material [4]. The stability of thin cylindrical shells is affected by the magnitude of initial deformations and changes in their shape. For this reason, numerous researchers [5,6,7,8,9,10,11,12,13,14] have conducted thorough studies on the impact of geometric deviations on cylindrical shells exposed to hydrostatic pressure. Brar et al. [4] pointed out that cylindrical shells exhibit various types of imperfections, including shell wall variations that may form gradients under specific loading conditions, discrepancies in material properties (e.g., Young’s modulus), eccentricities from the idealized geometry, and localized thinning of the shell wall, along with other influencing factors. Manufacturing processes often lead to deviations from the ideal cylindrical form, as seen in circumferential irregularities and localized thin areas of the shell wall [4].
Buckling failure occurs when the cylindrical shell undergoes a strain transition perpendicular to the direction of the compressive stress. The pressure at which this transition happens is typically known as the critical buckling load. Such failure is usually abrupt and catastrophic, often occurring unexpectedly, without prior signs or warnings to the operator [4].
Together, these factors justify the importance of ensuring the safety of equipment, since the design phase until the end of its service life. This involves the proper application of technical codes during the design phase, followed by compliance during operation. Currently, various design methodologies are available concerning the verification of cylindrical shell instability, such as the European (EN 1993-1-6 [1]), the American (ASME [15]), and the French (CODAP [16]) codes.
The European code [1] is based on a solid theoretical foundation and provides advanced and widely recognized methodologies for evaluating instability resistance in shell structures. The code includes linear bifurcation analysis methods for calculating the elastic critical buckling pressure, as well as analyses that account for physical and geometric nonlinearities. Although limited to axisymmetric geometries, the code has a broad range of applications for cylindrical shells. Another important characteristic is determining buckling resistance by expressing it in terms of stresses (axial and circumferential com-pressive stresses, shear membrane stresses in the plane) derived from analytical expressions [17]. When multiple membrane stress components are present due to the applied actions, it is necessary to perform an interaction assessment for the combined membrane stress state. A common case of combined loading is hydrostatic pressure [18]. EN 1993-1-6 [1] treats hydrostatic pressure (physically correctly) as an interaction between circumferential buckling (from pressure on the wall) and meridional (axial) buckling (from pressure on the end closures). Design values are addressed from the perspective of ultimate limit states (ULSs), requiring the determination of the characteristic buckling stress to establish the final design strength [19].
In addition to the classical manual calculation method for verifying the buckling resistance of cylindrical shells (stress design), EN 1993-1-6 [1] supports numerical analyses at different levels of modeling, including nonlinear finite element analyses (FEAs). A more sophisticated version of this method involves a geometrically and materially nonlinear analysis of the imperfect structure (GMNIA), also known as the post-buckling analyses. However, its application is only feasible with a proper incremental-iterative path that follows algorithms [18] to establish the first pressure point at which instability occurs, thereby defining the structure’s buckling resistance in GMNIA. Nonetheless, due to processing time, analysis complexity, and difficult implementation, these methods are often discarded [5].
Based on a systematic literature review, no design guidelines addressing practical numerical issues related to steel circular hollow section (CHS) members that are under external hydrostatic pressure have been documented thus far, except for the design recommendations proposed by EN 1993-1-6 [1]. According to Do et al. [5], the [15,16] guidelines are typically analytical, relying on formulas or abacuses, with a restricted range of applicability, or they take the form of recommendations [1,20] for conducting finite element analyses. Considering that the existing codes are often outdated and subject to improvement, there is a growing demand for modern solutions that can ideally replicate the response to stability loss of equipment subject to external pressure, as the analytical solutions for the buckling design of pressure vessels subjected to external pressure by [5,21]. The development of a more direct and simple method, augmented by reliable computational techniques, is advisable to avoid the numerous challenges associated with manual calculations. This will streamline the design process and mitigate the complexity of current practical or technical approaches. Thus, this research has formulated a method to predict design strength through direct application of the critical elastic buckling stress, determined from generalized beam theory (GBT) analyses, induced by hydrostatic pressure in custom-crafted equations and finely tuned for this specific objective [22]. The authors present a formulation of GBT to analyze the elastic buckling behavior of CHS subject to both combined axial compression and external pressure.
This work provides an extensive study of the behavior of circular cylindrical shells under external loading conditions. First, it introduces the analyses of GBT and the theoretical and empirical formulas applicable to this objective. It then describes the steps of development and validation of a numerical model that simulates the response of circular cylindrical shells under hydrostatic pressure, conducting an extensive parametric study using FEA. The results from available tests validate the finite element (FE) model. Once achieving an adequate agreement between the generated numerical results and experimental results, new resistance reduction curves for cylindrical shell members are developed, according to the results from a parametric study. Additionally, it compares the existing provisions of EN 1993-1-6 [1] for the design of cylindrical shells under hydrostatic pressure. Finally, a statistical approach is adopted to compare the responses of cylindrical shells calculated according to code recommendations [1] with those obtained using the newly proposed method.
2. Theoretical Developments
An overview of analytical and numerical techniques for determining a cylindrical shell’s buckling load under hydrostatic pressure is given in this section. It explores the critical buckling formulas () for these shells, as presented by Windenburg and Trilling [23], with a focus on Equations (1)–(4). Additionally, numerical solutions were evaluated through GBT analysis and Ansys shell finite element analysis (SFEA) [24].
2.1. Buckling of Cylindrical Shells under Hydrostatic Pressure—Analytical Methods
Buckling presents a significant challenge in structural analysis, and its accurate prediction remains the subject of many studies. A cylinder under uniform hydrostatic pressure, as seen in applications, including shipbuilding, mechanical systems, and chemical storage tanks, will experience external pressure exceeding the critical pressure () beyond a certain value. At this moment, a sudden radial instability (snap-through) takes place. Among the various approaches for determining , the equilibrium method is the most used. This approach relies on the concept that, at critical loading, the deformed configuration of a shell remains close to its initial undeformed equilibrium state. The resulting bifurcation in the solution indicates the critical load [10].
In general, the analytical solutions available in the literature provide good results in determining the critical pressure [25]. Windenburg and Trilling [23] presented four analytical formulations (see Equations (1)–(4)) to estimate the collapse of thin-walled cylindrical vessels due to instability subject to external pressure, widely applied by various authors in the field [10,19,25,26,27,28,29,30]. As the vessels are free to approach each other, rotating about their points of support, the boundary conditions assumed are then taken as simply supported.
The von Mises equation (see Ref. [23]):
where
The Tokugawa equation (see Ref. [23]):
The U.S. Experimental Model Basin (DTMB) equation (see Ref. [23]):
The Timoshenko and Gere equation (see Refs.: [23,31]):
The terms are denoted as cylindrical diameter, , cylindrical thickness, , cylindrical length, , initial Young’s modulus, , material Poisson’s ratio, , and number of circumferential half-waves, or lobes, .
According to Equations (1)–(4), the critical buckling pressure is directly influenced by the Young’s modulus of the material and the geometry of the vessel, particularly in the t/D (thickness/diameter) ratio. Additionally, the critical pressure is associated with the amount of circumferential half-waves (or lobes) created during the buckling process, determined based on a specific value of . The parameter depends on the geometry of the vessel and represents the integral value at which reaches its minimum.
The authors describe Equation (1) (von Mises) as probably the most accurate formula for evaluating the collapse of pressure vessels exposed to both radial and axial stresses.
2.2. Buckling of Cylindrical Shells under Hydrostatic Pressure—Numerical Solution—GBT
Due to the complexity of several practical shell structures and their load combinations, the simple theoretical and empirical formulas mentioned before may not provide an adequate analysis. As a result, most designers rather use FEA to evaluate the stress state in the shell prior to evaluating its resistance [32]. To facilitate the buckling analysis of CHS members (cylindrical structures and tubes), the development of accessible numerical tools is required, maintaining a high level of accuracy. With this purpose, Generalized Beam Theory (GBT) offers a viable approach by incorporating authentic plate/shell concepts into a thin-walled prismatic bar theory, allowing for both in-plane and out-of-plane strains of the cross-section [33].
In this context, Silvestre [34] investigated the buckling response of CHS members subject to compression, flexure, and/or torsion by using GBT. The results were validated through SFEA or values available in the literature.
Afterwards, Basaglia et al. [22] presented the results of applying the GBT to evaluate buckling on circular cylindrical shells, such as pipes and pressure vessels subject to uniform external pressure. This study incorporated the effects of longitudinal and/or circular stresses (stresses acting in the circumferential direction) into the analyses, as well as the effects related to the follower nature of the external pressure, which remains normal to the shell wall both before and after deforming. The results were validated as previously described, using SFEA and comparing them with values available in the literature.
Buckling analysis through GBT involves (i) a cross-sectional analysis to obtain the deformation modes and equivalent mechanical properties, as detailed in [34,35,36]. The most relevant deformation modes in this work include the shell-type mode, introduced by Schardt [36] (see Figure 2), and the axisymmetric mode, first presented by Silvestre [34] (see Figure 3), and (ii) beam analysis, which involves solving the eigenvalue problem to determine critical loads and buckling modes, followed by a detailed interpretation of the results. The critical buckling pressure is associated with the smallest eigenvalue, i.e., the pressure at which the first buckling mode occurs.
Figure 2.
Examples of elastic deformation mode shapes for CHS.
Figure 3.
CHS axisymmetric (a) deformation mode.
In buckling analyses using GBT, determining the internal forces resulting from the applied loads, known as pre-buckling stresses, is fundamental. For this formulation, two types of loads associated with a uniform pressure are considered: (i) axial compression, which acts on the ends of the component, and (ii) lateral compression, which acts on and perpendicular to the lateral wall. In both cases, they can act individually, as observed in pipes, or in combination, as seen in pressure vessels and tanks. In line with the ECCS [20], when follower load effects might occur, they should be accounted for in the analysis. Alternatively, it should be confirmed that their impact is insignificant.
With the mechanical, geometric, and follower pressure properties of the cross-section incorporated, the buckling analysis is conducted using a GBT approach with a FE framework for beams.
2.3. Illustrative Examples
To validate and illustrate the collapse pressure due to instability, Figure 4, Figure 5, and Figure 8 compare various approaches for assessing the stability of cylindrical shells under hydrostatic pressure with simple boundary conditions These comparisons are made using Equations (1)–(4) and GBT analysis, considering parameters, such as the cylindrical diameter , cylindrical thickness , cylindrical length , and corresponding to the Young’s modulus and Poisson’s ratio for steel. Parametric studies are conducted to study the buckling behaviors considering various and ratios. Buckling curves are given for each of the ratios (0.5, 1.0, and 2.5) and values ranging between 10 and 500. The critical external pressure for buckling decreases as the and/or ratios increase [37].
Figure 4.
Buckling pressures calculated using GBT analyses and those predicted by analytical Equations (1)–(4)—the number in parentheses indicates the ncr.
Figure 5.
Buckling pressures determined using GBT analyses and those predicted by analytical Equations (1)–(4) for the shortest shell—the number in parentheses indicates the ncr.
Buckling collapse may occur in various modes, each characterized by a different number of circumferential surface waves , as shown by the numbers in parentheses at the Figure 4, Figure 5 and Figure 8. The lowest pressure modes have been highlighted. It is evident that shorter, more robust cylinders, which are significantly influenced by the constraints imposed by the end fittings, are likely to buckle at higher pressures, displaying a greater number of waves than longer cylinders. Although comprehensive calculations are presented only for L/D ratios as low as 2.5, where the minimum pressure corresponds to , the analysis suggests that as the aspect ratio decreases further, the number of waves increases, reflecting the reinforcing effect of the end fittings [37].
As expected, Figure 4 reveals a high degree of alignment between the critical buckling values derived from GBT analyses and those predicted by the analytical Equations (1)–(4). In the comparison between GBT and Equation (1) (von Mises), the average difference value is 2.5%, with the largest difference of 10.7% occurring in the shortest shell, as shown in Figure 5.
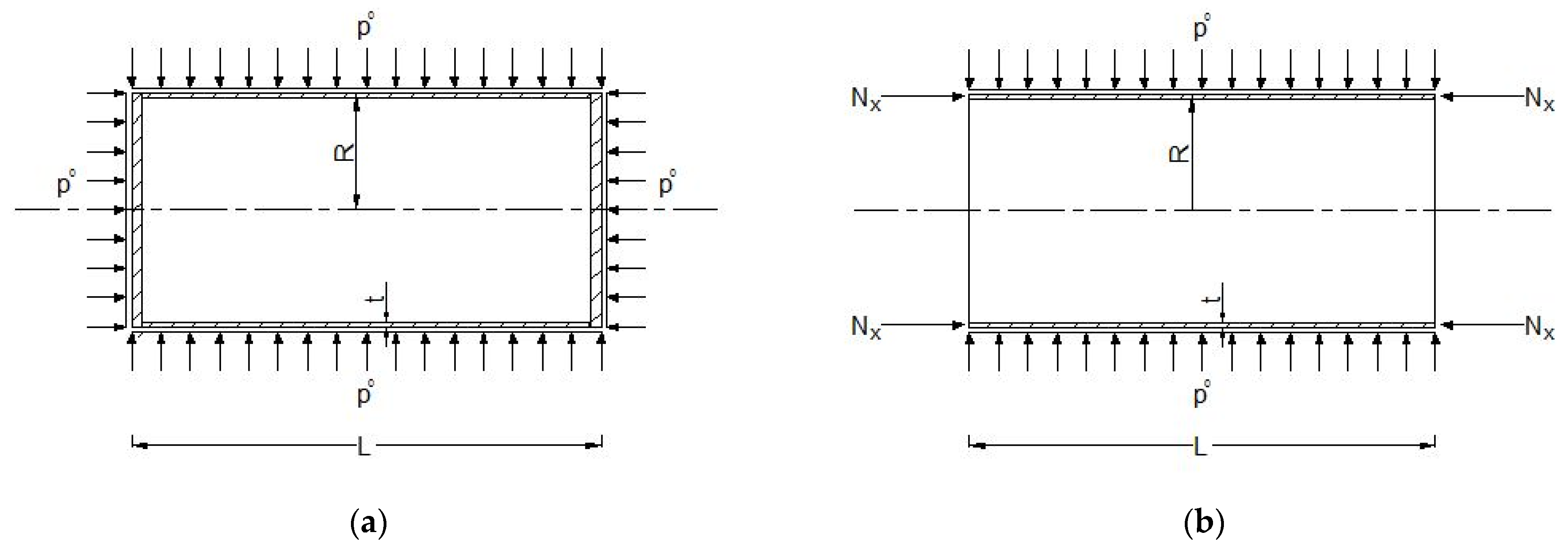
Figure 6 illustrates the two types of analysis provided by Ansys: (a) Ansys EC—pressure vessels with flat circular end surfaces where external pressure is applied across all surfaces (). In the SFE analysis, the translational degrees of freedom (i.e., related to transversal, longitudinal, and radial displacements) at the nodes on the common edges of the lateral and flat-end surfaces were coupled. This allows rotation to remain free on both surfaces, while the longitudinal displacements of the lateral surface are partially restrained by the end surface [22], and (b) Ansys EO—CHS members subjected to external lateral pressure () acting around the cylindrical surface and axial loads (, applied to the walls of the end cross-sections. The steel member is simply supported by pressure vessels (end sections locally/globally pinned and free to warp). The terms refer to the cylindrical radius, R, thickness, t, and length, L. Figure 7 shows a general overview of the SFE for both cases, including the boundary conditions.
Figure 6.
The shell’s geometric properties and the applied loads for the two types of analysis performed using Ansys: (a) Ansys End Closed—EC; (b) Ansys End Open—EO.
Figure 7.
General view of the SFE with D/t = 100 and L/D = 0.5: (a) Ansys End Closed—EC; (b) Ansys End Open—EO.
Table 1 presents the critical buckling pressures obtained from (i) Equation (1)—von Mises; (ii) GBT analyses; and (iii) Ansys SFEA, for D/t = 100 and L/D = 0.5.
Table 1.
Statistical summary of CHS buckling pressure mode shapes determined using Ansys SFE and GBT.
Finally, Figure 8 allows for the visualization of the buckling behavior obtained through GBT analysis and Ansys SFEA.
Figure 8.
Comparison between the buckling pressures obtained from GBT analyses and those documented via SFEA—the number in parentheses indicates the ncr.
Figure 8.
Comparison between the buckling pressures obtained from GBT analyses and those documented via SFEA—the number in parentheses indicates the ncr.

As can be seen, the buckling pressures derived from FE models were compared against the corresponding GBT results. The maximum deviation between the results based on GBT and “SFEA OE” (without flat circular end surfaces) is 3.55% (occurring for the shortest shell), and the average difference value is 1.36%. This reflects the accuracy of the results offered by the presented analyses.
One of the more notable results from the comparison is that the variation between GBT and “SFEA EC” (with flat circular end surfaces) ranges from 11.57% to 49.34%, demonstrating a high level of inconsistency between the analyses. The studies reveal that the heads of a pressure vessel significantly affect buckling behavior. These heads could be viewed as “artificial support conditions” since it is reasonable to assume that flat end surfaces provide at least partial warping restraint to the vessel and its cross-section walls. However, accurately quantifying such warping restraint is highly challenging [22]. Moreover, when the vessel heads are sufficiently close, they may have a substantial impact on the shell’s strength, with bulkheads or stiffening rings of sufficient rigidity being equivalent to heads [23].
This is particularly relevant for the interfaces between elements of varying geometrical shapes (e.g., cylinder and flat or dished head) and their plastic behavior. At these interfaces, internal forces and moments are generated to ensure the compatibility of deformations. The deformation levels differ for each element under pressure when considered as separate entities [2]. Numerous studies have investigated this challenge, as documented in works like [38,39,40].
Based on [1], the analysis of shell segment assemblies should not be divided into individual segments unless the boundary conditions are established in a way that conservatively represents their interactions. Special consideration should be given to boundary conditions in the context of buckling, particularly regarding incremental displacements. The support conditions should be carefully checked to prevent significant non-uniform force distribution or the introduction of forces that are eccentric to the shell’s median surface.
However, for tubes of a significant length, the influence of the heads on the central part becomes insignificant. The collapse pressure for these tubes will be equivalent to that of an infinitely long tube. The length at which the effect of the heads becomes negligible is known as the “critical length” [23]. The warping limitation can be diminished by introducing flexible rings that cap the ends of the vessel’s cross-section walls, which act as expansion joints. Under these circumstances, the end support conditions used in this study better reflect actual conditions [22].
In this work, it is assumed that any point within the circular cylindrical shell lies outside the previously described zone, and the actions act at the shell’s middle surface. However, if this assumption does not hold, further analysis or adjustments may be necessary to accurately represent the structure’s behavior.
3. Design Code—EN 1993-1-6: Strength and Stability of Shell Structures
The preceding sections have detailed the mechanics, behavior, and modeling aspects of shell buckling. However, several critical factors required for a secure and cost-effective design have not been fully addressed. To ensure the design’s safety and dependability, it is imperative to establish a conservative lower bound that accounts for manufacturing tolerances, inherent imperfections, and the range of loading conditions that the structure may encounter throughout its service life [41,42].
According to the European Standard [1], shell structures are evaluated based on four limit states: plastic limit, cyclic plasticity, buckling, and fatigue. Given the scope of this study, the focus is on buckling. The relevant section of the standard (Part 1–6: Shells) describes different analysis approaches, including manual calculations (referred to as “stress design” based on membrane theory) and numerical analysis methods that employ computational techniques [43].
Therefore, EN 1993-1-6 [1] was selected to determine the strength of a circular, cylindrical shell under hydrostatic pressure (combined axial and lateral external pressure stresses). The standard’s stress design approach uses a well-established reduction factor methodology, which is commonly used in other design codes. This method incorporates a stability reduction factor χ, applied on the yield stress, and is expressed as a function of the nondimensional shell slenderness , with being the characteristic yield strength and the critical buckling stress of the ideal shell. The most pertinent section for this study is Annex D, which provides semi-empirical formulas to calculate buckling stresses for cylindrical shells under different loading conditions, including axial compression () and lateral external pressure (), as illustrated in Figure 9.
Figure 9.
Critical buckling stresses in cylindrical shells for various load cases reported by EN 1993-1-6 [1]: (a) axial compression (); (b) lateral external pressure ().
The buckling reduction factor χ, should be determined in accordance with the circular shell’s relative slenderness (i.e., , , and ), as described in Equation (5).
The parameter α represents the elastic imperfection reduction factor, also known as the knock-down factor, β denotes the plastic range factor, and η defines the interaction exponent that characterizes the elastic–plastic buckling relationship between and . The slenderness term refers to the squash limit, while signifies the plastic limit slenderness, which is the plasticity influencing stability, as described in Equation (6).
The characteristic buckling stresses () can be determined by applying the buckling reduction factor χ to the characteristic yield strength ():
The buckling resistance, , involves the application of a partial factor for resistance, , assigned a value of 1.1.
Based on the loading and stress conditions, it is necessary to perform one or more checks on the critical values of individual membrane stress components:
For CHS subjected to external pressure, it is necessary to conduct the following interaction assessment for the combined membrane stress state.
where and represent the shell’s compressive membrane stresses with the parameters , , and for the buckling interaction detailed in Annex D by [1].
In the context of hydrostatic pressure, EN 1993-1-6 [1] treats it as an interaction between circumferential buckling (from pressure on the wall) and meridional buckling (from pressure on the end cross-section walls) [20]. Taking that into account, it is usual to consider both stresses as being independent of each other. The design values of actions for the meridional stress are derived from (), while those for the circumferential (hoop) stress are determined using (). For simple load hydrostatic external pressure, the () ratio is 2 [37,44]. The terms are denoted as the cylindrical radius, , thickness, , and external pressure .
4. Development and Validation of the Numerical Model
This section details the methodology for modeling cylindrical steel shells under the influence of hydrostatic pressure, including a validation process that compares the model’s predictions with previous experimental results.
A study involving experiments on 37 slender cylindrical shells exposed to external pressure, conducted in [23,45], was simulated using FEM. According to the ECCS [20], the design criteria for cylinders in EN 1993-1-6 [1] have been influenced by Windenburg and Trilling’s [23] thorough analysis of test results. All tests that appeared to be incompletely documented were eliminated, along with any data points that exhibited significant outliers or anomalies.
The development of the FE model occurred using the Ansys computational software package [24]. It employs a quadrilateral SFE SHELL181, which includes six degrees of freedom per node to model the CHS members. The mesh size of 10 mm × 10 mm (length by width) was selected based on a mesh sensitivity analysis, as shown in Figure 10. Various mesh sizes, including 200 × 200 mm, 100 × 100 mm, 50 × 50 mm, 10 × 10 mm, 5 × 5 mm, and 2.5 × 2.5 mm, were evaluated. The chosen mesh size provided an optimal balance between computational accuracy and efficiency, in line with the recommendations in [43,46,47,48]. In this study, specimen 40, as presented by [23], was used with a length , diameter , thickness , modulus of elasticity , and Poisson’s ratio . To validate the study, the value indicated by the dashed lines in the graph corresponds to the hydrostatic pressure determined by the authors.
Figure 10.
Convergence analysis of CHS mesh in Specimen 40 by [23].
The steel material is assumed to be isotropic and homogeneous, modeled as either linear elastic for buckling or elastic–perfectly plastic for post-buckling analysis. The plastic behavior was represented by a bilinear isotropic model, as well as the von Mises yield criterion. The FE models were developed according to the geometrical and material characteristics outlined in [23,45]. Both linear and GMNIA analyses were performed.
According to the test procedures reported in [45], the cylinder ends did not achieve full rotational restraint due to the cylinders’ lack of perfect circularity and the necessity to fit the ends into precisely circular annuli in the end plates. The degree of rotational restraint provided by these conditions is not precisely quantifiable. Consequently, the cylinder ends were modeled with clamped support conditions.
The FE analyses were conducted to predict both the critical buckling pressure and the strength failure pressure for cylindrical shells. As for the FE models, they were created within the framework of the nonlinear FE code Ansys [24].
The linear buckling FE model is based on the eigenvalue analysis, used to find the theoretical critical buckling pressure and the buckling modes. The mathematical expression for the eigen buckling analysis is given as [49],
where
is the stiffness matrix,
is the ith eigen value,
is the geometric matrix,
is the ith eigen vector of displacements.
The stress stiffening effect must be considered when it comes to slender structures with low bending stiffness, such as shells, thin beams, and cables. This phenomenon is incorporated by augmenting the stress stiffness matrix with the conventional stiffness matrix. To analyze linear buckling, the corresponding equation is solved, and the eigenvalues and eigenvectors are obtained using the Block Lanczos method.
The CHS was subject to external lateral pressure (applied around the cylindrical surface) and axial loads (applied to the end cross-section walls). In linear buckling models, the analysis step is buck and the hydrostatic pressure . The critical buckling pressure () may be found by multiplying the eigenvalue by a hydrostatic pressure of . The eigenvalue buckling analysis needs the computation of the stress stiffness matrix to determine the critical buckling pressure. This matrix is generated within a static structural tool by applying a unit pressure under the specified boundary conditions. The resulting stress stiffness matrix is then transferred to the eigenvalue buckling analysis tool, where it is used to calculate the critical buckling pressure and the associated mode shapes.
In the linear buckling analysis, the of a structure may be estimated within the elastic range, neglecting geometric imperfections and both material and geometric non-linearities. This simplification often leads to an overestimation of the buckling load, bringing uncertainty in the design process. To address this issue, non-linear buckling analysis is performed using a static structural tool, which accounts for geometric imperfections, geometric non-linearity, and material non-linearity. Eigenmode shapes are introduced as geometric imperfections with a specified amplitude (). Geometric non-linearity is incorporated through the “NLGEOM” option in the static structural tool, while material non-linearity is modeled using a stress-strain curve (GMNIA).
A general static analysis is employed to simulate strength failure. The hydrostatic pressure is applied along the lateral cylindrical surface, and axial loads () are applied to the end sections to ensure that strength failure occurs in the shells during the loading process. The load is incrementally increased with the help of Ansys’s automatic load stepping method. Each simulation was conducted following the approach of [46,47].
Nonlinear buckling analysis is conducted using the Newton–Raphson iterative method, where the finite element discretization results in a system of equations to solve the nonlinear problem. This method is effective for solving nonlinear equations with a positive slope. However, in nonlinear buckling analysis, especially in the post-buckling region, the response may exhibit a negative slope, which cannot be addressed by the Newton–Raphson method alone. To overcome this limitation, the arc length method is employed in conjunction with the Newton–Raphson procedure [12,50,51,52,53,54,55,56]. This combined approach enables the solution of nonlinear equations with both positive and negative slopes, as described in [49],
where
is the tangent matrix
is the vector of restoring loads, which correspond to the element internal loads.
The arc length method, which functions as an automatic load stepping technique, adjusts the arc length radius according to the degree of nonlinearity in the system. The user defines the range of variation in the arc length through a trial-and-error approach, optimizing it for the specific problem at hand [54].
Figure 11 demonstrates the steps required to obtain the linear and GMNIA pressure for a CHS members using a flowchart.
Figure 11.
Flowchart of linear and GMNIA analyses.
The available experimental data presented by the authors were insufficient to establish a correlation between the initial imperfection amplitude and material properties that were not measured in the tested specimens (strain-hardening and residual stresses).
Based on the FE models developed and validated in the references [51,52,57,58,59], their accuracy was tested by comparing numerical predictions with experimental results. As shown in Table 2, the ratio of the ultimate loads from testing to those predicted via FE analysis was calculated for all CHS specimens examined. This indicates that an initial geometric imperfection of 0.01 can, overall, yield accurate FE results. The mean value and coefficient of variation (COV) of are equal to 0.96 and 0.09, respectively, for all the test specimens, exhibiting the excellent accuracy and consistency of the strength predictions provided by the numerical analyses. The failure modes in experimental Specimen 2.2 [45], correspond with those simulated by FE models, as shown in Figure 12. These findings validate the FE models’ ability to accurately simulate the buckling behavior of CHS members under external pressure. However, as outlined in the test procedures described in [45], the end conditions of the tested cylinders were not fully restrained against rotational movement. Imperfect circularity and the difficulties in fitting the ends into circular annuli affected the boundary conditions applied in the numerical model. Despite these challenges, the influence of the end restraints remains significant in the post-collapse behavior.
Table 2.
Comparison between the CHS experimental tests and FE models with different levels of local geometric imperfection amplitude, .
Figure 12.
Contrast between the test and FE failure modes observed in Specimen 2.2 by [45]: (a) experimental result, ; (b) numerical prediction, .
Figure 13 illustrates the correlation between the collapse pressure stress of CHS, as determined from numerical analyses incorporating initial geometric imperfections for (), and experimental results () under axisymmetric external pressure loading conditions, using the von Mises criterion [1]. The collapse stress of CHS in both cases was normalized by their respective yield stresses (). This correlation demonstrates a high degree of accuracy in estimating the ultimate load through numerical analyses, as evidenced by the proximity of the data points to the dashed line.
Figure 13.
Comparison of the experimental and numerical results for cylindrical shells under external pressure with an imperfection amplitude of .
5. Parametric Study—Numerical Failure Loads
With the FE model’s predictions having shown a strong correlation with the experimental data from [23,45], this section will present the numerical failure load results derived from a parametric study conducted on 472 cylindrical shells. They are characterized by Young’s modulus of and Poisson’s ratio of (steel properties), and these combinations involve (i) 99 CHS geometries and (ii) 6 yield stresses () considered. These parameters were selected to cover a wide range of nondimensional slenderness values, , where is the elastic buckling external pressure stress. This was determined from GBT analyses, with boundary conditions defined as simply supported, with the end sections locally and globally pinned, with freedom to warp. The cylinders’ geometric characteristics were within the following ranges (: diameter, : wall thickness, : length): ; , and . The nondimensional slenderness () for estimating the nominal local buckling capacity extends from 0.1 to 5.
The values of imperfection amplitudes () were determined using a formula provided in clause D.1.2.2 (1-2) in [1] for circular shells. This expression is as follows:
where is the thickness and is the radius of the circular shells, with indicating the fabrication quality parameter. The parameter was assigned a value of 40, representing Class A—excellent quality in the current study. No special allowance has been made for residual stresses in the shell structure [20].
Figure 14 illustrates the equilibrium paths versus out-of-plane displacement to analyze the effect of different yield strengths on the structural performance of CHS members subjected a hydrostatic pressure at advanced post-buckling stages. Figure 11 presents the post-buckling analysis approaches. For this purpose, the following geometric parameters were used to determine the initial imperfection amplitude: D = 40 cm, t = 0.2 cm, L = 100 cm, and = 40 (Class A). The first mode and critical buckling pressure were determined. After increasing the loading, local inward deformations were seen along with four circumferential waves for CHS subjected to external pressure, and non-linear mid displacement increased with an increasing loading. All equilibrium paths initially display elastic behavior until reaching a limit point, while members with a lower yield strength display a change in behavior at the beginning of the loading process; the yielding is more common on members with lower yielding stress over critical stress ratios, which was already expected. This suggests that, although the buckling initiates elastically and suddenly, as might be expected with a bifurcation event, it is followed in its later stages by material damage, which concentrates the deformation into well defined regions [37]. The maximum radial deformation points of the shell in the FEA were the compression displacements, and the absolute values of the radial displacement at the maximum deformation points were used to plot the load–radial displacement curves, as illustrated in Figure 14. Here, denotes the pressure applied to the CHS at a given instance, while indicates the maximum pressure observed in the analyses, with a value of .
Figure 14.
(a) Post-buckling equilibrium paths: vs. out-of-plane displacement; (b) and (c) show the collapsed form and the distribution of von Mises stresses at the yield limit for fy = 25 and 90 kN/cm2, respectively and .
5.1. Design Considerations: EN 1993-1-6 (2007)
The following analysis assesses the accuracy of the strength curves in predicting failure stress, comparing (i) the values derived from EN 1993-1-6 [1] (as detailed in Section 3 for ()) with (ii) those obtained through numerical analysis in this study (.
Figure 15a shows the comparison between the design curve specified in EN 1993-1-6 [1] (red line) and the numerical ratios of failure stress, . Moreover, Figure 15b shows the ratio of “exact” to predicted failure stress, , plotted against , offering a visual representation of the accuracy of the failure load predictions based on the current design curve.
Figure 15.
(a) vs. and (b) vs. for all the 472 cylindrical shells.
The design method proposed in [1] provided reasonably accurate capacity predictions for some members. However, it is readily observed that the numerical results and the predictions via the design code’s curve overestimates the results significantly for and si over-conservative for the other slenderness ratio.
In Table 3, the comparison of reliability for cylindrical shells calculated using the design code versus numerical results is detailed. The dataset consists of 472 experimental results of externally pressurized cylindrical shells according to the current design standard [1]. The analysis includes a statistical review of the following: (i) the mean (µ) of the dimensionless ratio for collapse stress from both numerical data and the design code; (ii) the standard deviation (σ); (iii) the coefficient of variation (COV); (iv) the coefficient of determination; (v) the root mean squared error (RMSE); and (vi) the mean absolute percentage error (MAPE).
Table 3.
Summary of the statistical study.
5.2. Design Considerations—Proposed Design Method
The results obtained from the primary parametric analysis are applied in this section to create design strength reduction curves for cylindrical shells under external pressure. These curves are designed to provide precise and trustworthy predictions for the failure stress load. The strength reduction curves were calibrated using the curve fitting procedure in Origin software [60], resulting in Equations (14) and (15).
where is the nondimensional slenderness, is the buckling stress under external pressure, and is the yield strength.
The methodology for applying cylindrical shell strength Equations (14) and (15) is structured as follows: (i) determining the elastic local critical pressure; (ii) the stress associated with local buckling () for axisymmetric mode loading and supported is determined, based on the von Mises criterion using GBT analysis; (iii) nondimensional slenderness is then determined (); (iv) the three possible types of strength reduction curves are assessed (χ); and finally, (v) obtaining the characteristic buckling stresses () by multiplying the characteristic yield strength () with the reduction factors χ.
Figure 16a displays the strength curve (blue line), while Figure 16b plots the values against . The statistical evidence in Table 3 clearly illustrates the substantial improvement in the accuracy of failure stress predictions. The results presented validate the proposed design methodology’s effectiveness in predicting the collapse stress of circular shells. Furthermore, the number of unsafe failure load predictions decreases considerably.
Figure 16.
(a) Comparison between the newly proposed design method curve with the cylindrical failure stress ratios and (b) corresponding plot of failure-to-predicted stress ratios versus for all the 472 cylindrical shells.
6. Conclusions
Focusing on practical issues related to steel CHS members under hydrostatic pressure is recommended to eliminate the difficulties encountered with manual calculations. Thus, a method to predict design strength through direct application of the critical elastic buckling stress, determined from GBT analyses has been formulated. In this paper, the local buckling and ultimate strength of CHS under external pressure are analyzed using numerical methods. After validation with prior experimental results, a detailed parametric study was undertaken. The parametric analysis covered a geometry range as follows (: diameter, : wall thickness, : length): ; ; and . The nondimensional slenderness (), used to assess the nominal capacity of members for local buckling, varies between 0.1 and 5. The imperfection amplitudes () were estimated using a method described in clause D.1.2.2 (1-2) of EN 1993-1-6 [1] for circular shells. The strengths of the CHS derived from the parametric analysis were compared against design strengths suggested by the design guidelines in [1]. The design method proposed by [1] provided reasonably accurate capacity predictions for some members. However, it is readily observed that the numerical results and the predictions via the design code exceed the actual capacities predicted by the current design curve for and is over-conservative for the other slenderness ratio. However, the design code is still valuable for the initial approximation of the buckling capacity at the early design stage. The proposed design method for CHS members significantly improves the accuracy of failure stress predictions, as shown by the statistical results. It is also evident that this method leads to a considerable decrease in the occurrence of unsafe failure load predictions.
The study’s conclusions provide insightful information and greatly enhance the understanding of the early phases of design, construction, fabrication, and analysis of externally pressurized steel cylindrical shell structures.
Author Contributions
Conceptualization, R.d.S.M., C.B. and D.C.; methodology, R.d.S.M.; software, R.d.S.M.; validation, R.d.S.M.; investigation, R.d.S.M.; resources, R.d.S.M.; data curation, R.d.S.M.; writing—original draft preparation, R.d.S.M. and C.B.; writing—review and editing, R.d.S.M., C.B. and D.C.; visualization, C.B.; supervision, C.B. and D.C. All authors have read and agreed to the published version of the manuscript.
Funding
The second and third authors gratefully acknowledge the financial support of Conselho Nacional de Desenvolvimento Científico e Tecnológico (CNPq—Ministry of Science, Technology and Innovation of Brazil), through project 307640/2022-1, and FCT (“Fundação para a Ciência e Tecnologia”—Portugal), through project UIDB/04625/2020 (doi:10.54499/PTDC/UIDB/04625/2020—funding the research unit CERIS), respectively.
Data Availability Statement
The data presented in this study are available on request from the corresponding author.
Acknowledgments
The first author would like to thank the support of ARNI/PPORPIT/Unifesspa by Edital 04/2023—PAPQ.
Conflicts of Interest
The authors declare no conflicts of interest.
Notation
| diameter of the cylindrical shell | external lateral pressure | ||
| thickness of the cylindrical shell | R | Radius of the cylindrical shell | |
| length of the cylindrical shell | axial loads | ||
| Young’s modulus | χ | stability reduction factor | |
| Poisson’s ratio | or | yield strength | |
| L/D | length-diameter ratio | theoretical critical buckling stress | |
| t/D | thickness-diameter ratio | theoretical axial buckling stress of a perfect elastic cylindrical shell under axial compressive load | |
| circumferential half-waves (or lobes) | local geometric imperfection amplitude. | ||
| number of circumferential half-waves (or lobes) in buckling mode or imperfection shape | theoretical hoop stress at buckling of a perfect elastic cylindrical shell subjected to external pressure | ||
| theoretical buckling pressure of a perfect elastic cylindrical shell subjected to external pressure | theoretical external pressure buckling stress of a perfect elastic cylindrical shell under hydrostatic pressure. | ||
| nondimensional slenderness |
References
- CEN. EN 1993-1-6; Eurocode 3 Design of Steel Structures—Part 1-6: Strength and Stability of Shell Structures. European Committe for Standardisation (CEN): Brussels, Belgium, 2007.
- Annaratone, D. Pressure Vessel Design; Springer: Berlin, Germany; New York, NY, USA, 2007; ISBN 978-3-540-49142-2. [Google Scholar]
- AIChE. Process Safety Beacon Archives. Available online: https://www.aiche.org/ccps/resources/process-safety-beacon/archives (accessed on 6 June 2024).
- Brar, G.S.; Hari, Y.; Williams, D.K. Fourier series analysis of a cylindrical pressure vessel subjected to axial end load and external pressure. Int. J. Press. Vessel. Pip. 2013, 107, 27–37. [Google Scholar] [CrossRef]
- Do, V.-D.; Le Grognec, P.; Rohart, P. A new analytical tool for the elastic/plastic buckling design of pressure vessels subjected to external pressure. Int. J. Press. Vessel. Pip. 2024, 210, 105221. [Google Scholar] [CrossRef]
- Zuo, X.; Zhang, J.; Tang, W.; Li, Y.; Li, H. Buckling behavior of steel and steel–composite cylinders under external pressure. Thin Walled Struct. 2022, 181, 110011. [Google Scholar] [CrossRef]
- Zhu, Y.; Dai, Y.; Ma, Q.; Tang, W. Buckling of externally pressurized cylindrical shell: A comparison of theoretical and experimental data. Thin Walled Struct. 2018, 129, 309–316. [Google Scholar] [CrossRef]
- De Campos, E.F. Análise Numérica e Experimental de Flambagem em Cilindros de Paredes Finas. Master’s Thesis, Universidade Estadual Paulista—FEIS, Ilha Solteira, SP, Brazil, 2017. [Google Scholar]
- Feng, W.-Z.; Chen, Z.-P.; Jiao, P.; Zhou, F.; Fan, H.-G. Buckling of cylindrical shells with arbitrary circumferential thickness variations under external pressure. J. Mech. 2017, 33, 55–64. [Google Scholar] [CrossRef]
- De Paor, C.; Kelliher, D.; Cronin, K.; Wright, W.M.D.; McSweeney, S.G. Prediction of vacuum-induced buckling pressures of thin-walled cylinders. Thin Walled Struct. 2012, 55, 1–10. [Google Scholar] [CrossRef]
- Nguyen, H.L.T.; Elishakoff, I.; Nguyen, V.T. Buckling under the external pressure of cylindrical shells with variable thickness. Int. J. Solids Struct. 2009, 46, 4163–4168. [Google Scholar] [CrossRef]
- Aghajari, S.; Abedi, K.; Showkati, H. Buckling and post-buckling behavior of thin-walled cylindrical steel shells with varying thickness subjected to Uniform External Pressure. Thin Walled Struct. 2006, 44, 904–909. [Google Scholar] [CrossRef]
- Seleim, S.S.; Kennedy, J.B. Imperfection sensitivity of stiffened cylinders subjected to external pressure. Comput. Struct. 1990, 34, 63–69. [Google Scholar] [CrossRef]
- Amazigo, J.C.; Fraser, W.B. Buckling under external pressure of cylindrical shells with dimple shaped initial imperfections. Int. J. Solids Struct. 1971, 7, 883–900. [Google Scholar] [CrossRef]
- ASME—American Society of Mechanical Engineers. Boiler and Pressure Vessel Code, Section A-4; American Society of Mechanical Engineers: New York, NY, USA, 2023. [Google Scholar]
- CODAP. Code de Construction des Appareils à Pression non Soumis à l’action de la Flamme; SNCT Publications: Courbevoie, France, 2022; Available online: http://codes.snctpublications.com/en/collections/codap (accessed on 7 September 2024). (In French)
- Maraveas, C.; Miamis, K. Shell buckling evaluation of thin-walled steel tanks filled at low liquid level according to current design codes. In Proceedings of the Structural Stability Research Council, St. Louis, MO, USA, 16–20 April 2013; p. 15. [Google Scholar]
- Gettel, M.; Schneider, W. Buckling strength verification of cantilevered cylindrical shells subjected to transverse load using Eurocode 3. J. Constr. Steel Res. 2007, 63, 1467–1478. [Google Scholar] [CrossRef]
- Schmidt, H. Stability of steel shell structures: General report. J. Constr. Steel Res. 2000, 55, 159–181. [Google Scholar] [CrossRef]
- ECCS. Buckling of Steel Shells—European Design Recommendations; European Convention for Constructional Steelwork: Brussels, Belgium, 2008. [Google Scholar]
- Do, V.-D.; Le Grognec, P.; Rohart, P. Closed-Form Solutions for the Elastic–Plastic Buckling Design of Shell Structures under External Pressure. Eur. J. Mech. A Solids 2023, 98, 104861. [Google Scholar] [CrossRef]
- Basaglia, C.; Camotim, D.; Silvestre, N. GBT-based buckling analysis of steel cylindrical shells under combinations of compression and external pressure. Thin Walled Struct. 2019, 144, 106274. [Google Scholar] [CrossRef]
- Windenburg, D.F.; Trilling, C. Collapse by instability of thin cylindrical shells under external pressure. Trans. ASME 1934, 11, 819–825. [Google Scholar] [CrossRef]
- ANSYS. Structural Analysis, Mechanical APDL Structural Analysis Guide, Release 20; ANSYS: Canonsburg, PA, USA, 2020. [Google Scholar]
- De Freitas, A.S.N. Análise Estrutural e de Estabilidade do Vaso de Pressão de um AUV. Master’s Thesis, Escola Politécnica da Universidade de São Paulo, Butantã, SP, Brazil, 2017. [Google Scholar]
- Zhang, J. Buckling Behaviour of Double-Layer and Single-Layer Stainless Steel Cylinders under External Pressure. Thin Walled Struct. 2021, 161, 107485. [Google Scholar] [CrossRef]
- Rathinam, N.; Prabu, B.; Anbazhaghan, N. Buckling Analysis of Ring Stiffened Thin Cylindrical Shell under External Pressure. J. Ocean Eng. Sci. 2021, 6, 360–366. [Google Scholar] [CrossRef]
- Manco, T.; Rigueiro, M.C.; Martins, J.P.; Da Silva, L.S. Comparative Assessment of the Design of Tubular Elements According to Offshore Design Standards and Eurocode 3. Steel Constr. 2016, 9, 266–278. [Google Scholar] [CrossRef]
- Hübner, A.; Albiez, M.; Kohler, D.; Saal, H. Buckling of Long Steel Cylindrical Shells Subjected to External Pressure. Thin Walled Struct. 2007, 45, 1–7. [Google Scholar] [CrossRef]
- Hornung, U.; Saal, H. Buckling Loads of Tank Shells with Imperfections. Int. J. Non Linear Mech. 2002, 37, 605–621. [Google Scholar] [CrossRef]
- Timoshenko, S.P.; Gere, J.M. Theory of Elastic Stability; McGraw-Hill: New York, NY, USA, 1961; ISBN 978-0-486-47207-2. [Google Scholar]
- Rotter, J. Advances in understanding shell buckling phenomena and their characterisation for practical design. In Recent Progress in Steel and Composite Structures, Proceedings of the XIII International Conference on Metal Structures, Zielona Góra, Poland, 15–17 June 2016; CRC Press: Boca Raton, FL, USA, 2016; pp. 3–16. ISBN 978-1-138-02946-0. [Google Scholar]
- Basaglia, C.; Camotim, D.; Silvestre, N. Buckling analysis of thin-walled steel structural systems using generalized beam theory (GBT). Int. J. Struct. Stab. Dyn. 2015, 15, 1540004. [Google Scholar] [CrossRef]
- Silvestre, N. Generalised beam theory to analyse the buckling behaviour of circular cylindrical shells and tubes. Thin Walled Struct. 2007, 45, 185–198. [Google Scholar] [CrossRef]
- Basaglia, C.; Camotim, D.; Silvestre, N. Buckling and vibration analysis of cold-formed steel CHS members and frames using generalized beam theory. Int. J. Str. Stab. Dyn. 2015, 15, 1540021. [Google Scholar] [CrossRef]
- Schardt, R. Verallgemeinerte Technische Biegetheorie: Lineare Probleme; Springer: Berlin/Heidelberg, Germany, 1989; ISBN 978-3-642-52330-4. [Google Scholar]
- Mistry, J.; Gibson, A.G.; Wu, Y.-S. Failure of composite cylinders under combined external pressure and axial loading. Compos. Struct. 1992, 22, 193–200. [Google Scholar] [CrossRef]
- Magnucki, K.; Jasion, P.; Rodak, M. Strength and buckling of an untypical dished head of a cylindrical pressure vessel. Int. J. Press. Vessel. Pip. 2018, 161, 17–21. [Google Scholar] [CrossRef]
- Lopatin, A.V.; Morozov, E.V. Buckling of composite cylindrical shells with rigid end disks under hydrostatic pressure. Compos. Struct. 2017, 173, 136–143. [Google Scholar] [CrossRef]
- Błachut, J. Buckling of externally pressurized steel toriconical shells. Int. J. Press. Vessel. Pip. 2016, 144, 25–34. [Google Scholar] [CrossRef]
- Greiner, R. A Concept for the Classification of Steel Containments Due to Safety Considerations. In Containment Structures: Risk, Safety and Reliability, Proceedings of the IABSE Henderson Colloquium, Cambridge, UK, 11–12 July 1995; Simpson, B., Ed.; CRC Press: Boca Raton, FL, USA, 1997; pp. 65–76. [Google Scholar]
- Rotter, J.M. Challenges for the Future in the Design of Bulk Solid Storages. Containment Structures. In Containment Structures: Risk, Safety and Reliability, Proceedings of the IABSE Henderson Colloquium, Cambridge, UK, 11–12 July 1995; Simpson, B., Ed.; CRC Press: Boca Raton, FL, USA, 1997; pp. 11–34. [Google Scholar]
- Dunphy, E. Study and Comparison of Shell Design Codes. Master’s Thesis, Delft University of Technology, Delft, The Netherlands, 2013. [Google Scholar]
- Galletly, G.D.; Pemsing, K. Interactive buckling tests on cylindrical shells subjected to axial compression and external pressure—A comparison of experiment, theory and various codes. Proc. Inst. Mech. Eng. Part C J. Mech. Eng. Sci. 1985, 199, 259–280. [Google Scholar] [CrossRef]
- Montague, P. Experimental behaviour of thin-walled cylindrical shells subjected to external pressure. J. Mech. Eng. Sci. 1969, 11, 40–56. [Google Scholar] [CrossRef]
- Badamchi, K.; Showkati, H. Experiments on buckling behavior of thin-walled steel pipes subjected to axial compression and external pressure. Thin Walled Struct. 2022, 174, 109122. [Google Scholar] [CrossRef]
- Huang, Y.; Young, B. Design of cold-formed stainless steel circular hollow section columns using direct strength method. Eng. Struct. 2018, 163, 177–183. [Google Scholar] [CrossRef]
- McCann, F.; Fang, C.; Gardner, L.; Silvestre, N. Local buckling and ultimate strength of slender elliptical hollow sections in compression. Eng. Struct. 2016, 111, 104–118. [Google Scholar] [CrossRef]
- ANSYS. Mechanical APDL Theory Reference; ANSYS, Inc.: Canonsburg, PA, USA, 2020. [Google Scholar]
- Yuan, K.; Wang, L.; Liu, C.; Xia, Z.; Wu, L. Buckling Failure of Winding Composite Cylindrical Hulls under Hydrostatic Pressure. Ocean Eng. 2024, 303, 117855. [Google Scholar] [CrossRef]
- Wang, Y.; Su, A.; Yang, H.; Zhao, J.; Wang, Y. S890 hot-rolled ultra-high strength steel (UHSS) seamless circular hollow section beam–columns: Testing, modelling and design. Thin Walled Struct. 2024, 197, 111583. [Google Scholar] [CrossRef]
- Wang, Y.; Yang, H.; Wang, Y.; Su, A. Testing, numerical modelling and design of S890 and S960 ultra-high strength steel circular hollow sections under combined loading. Thin Walled Struct. 2023, 192, 111102. [Google Scholar] [CrossRef]
- Zhang, X.; Li, Z.; Wang, P.; Pan, G. Experimental and Numerical Analyses on Buckling and Strength Failure of Composite Cylindrical Shells under Hydrostatic Pressure. Ocean Eng. 2022, 249, 110871. [Google Scholar] [CrossRef]
- Barathan, V.; Rajamohan, V. Nonlinear Buckling Analysis of a Semi-Elliptical Dome: Numerical and Experimental Investigations. Thin Walled Struct. 2022, 171, 108708. [Google Scholar] [CrossRef]
- Liang, K.; Ruess, M. Nonlinear Buckling Analysis of the Conical and Cylindrical Shells Using the SGL Strain Based Reduced Order Model and the PHC Method. Aerosp. Sci. Technol. 2016, 55, 103–110. [Google Scholar] [CrossRef][Green Version]
- Alijani, A.; Darvizeh, M.; Darvizeh, A.; Ansari, R. On Nonlinear Thermal Buckling Analysis of Cylindrical Shells. Thin Walled Struct. 2015, 95, 170–182. [Google Scholar] [CrossRef]
- Nassiraei, H. Probabilistic Analysis of Strength in Retrofitted X-Joints under Tensile Loading and Fire Conditions. Buildings 2024, 14, 2105. [Google Scholar] [CrossRef]
- Zhang, J.; Su, A.; Yang, H.; Zhao, J.; Wang, Y. Experimental and numerical investigations of S890 and S960 ultra-high strength steel circular hollow section columns. Eng. Struct. 2024, 311, 118143. [Google Scholar] [CrossRef]
- Gardner, L.; Nethercot, D.A. Numerical modeling of stainless steel structural components—A consistent approach. J. Struct. Eng. 2004, 130, 1586–1601. [Google Scholar] [CrossRef]
- OriginLab. OriginLab—Origin and OriginPro-Data Analysis and Graphing, version 8.1; OriginLab: Northampton, MA, USA, 2020. [Google Scholar]
Disclaimer/Publisher’s Note: The statements, opinions and data contained in all publications are solely those of the individual author(s) and contributor(s) and not of MDPI and/or the editor(s). MDPI and/or the editor(s) disclaim responsibility for any injury to people or property resulting from any ideas, methods, instructions or products referred to in the content. |
© 2024 by the authors. Licensee MDPI, Basel, Switzerland. This article is an open access article distributed under the terms and conditions of the Creative Commons Attribution (CC BY) license (https://creativecommons.org/licenses/by/4.0/).



















